Motion Artifacts in Dynamic EEG Recordings: Experimental Observations, Electrical Modelling, and Design Considerations
Abstract
1. Introduction
2. Observations
2.1. Artifacts Arising from Phenomena at the Electrode-Skin Interface
2.2. Artifacts Related to Connecting Cables Movements
2.3. Artifacts Related to the Electrode-Amplifier System Properties Leading to PLI Modulation
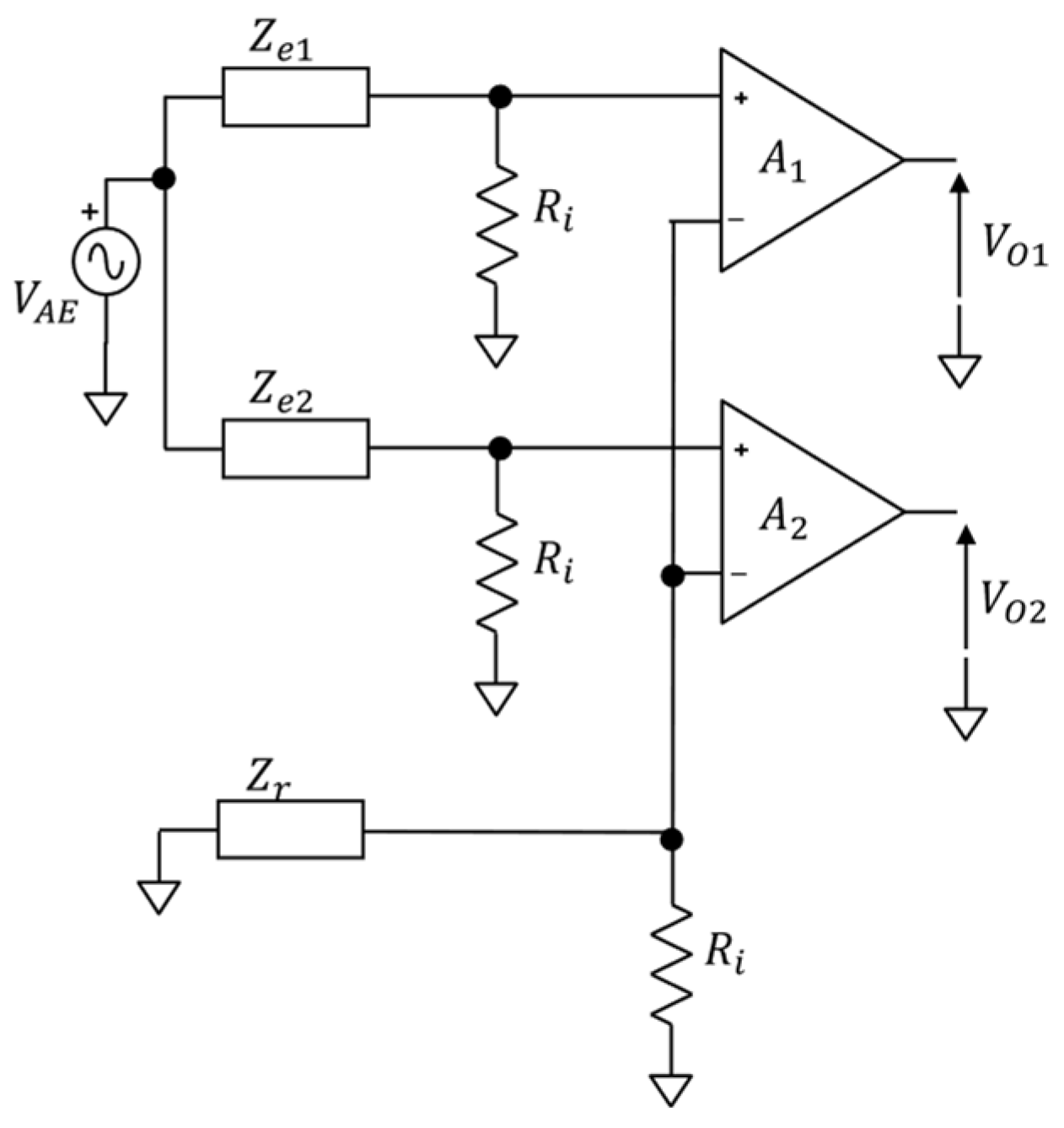
3. Lumped Parameters Modelling
3.1. Artifacts Arising from Phenomena at the Electrode-Skin Interface
3.2. Artifacts Related to Connecting Cables Movements
3.3. Artifacts Related to the Electrode-Amplifier System Properties Leading to PLI Modulation
- The common mode input voltage (), which depends on both the design of the amplifier (i.e., in cases in which a third zero-volt reference electrode is not used, CP, etc.) and on the experimental setup adopted during the recordings (i.e., electrodes preparation, coupling between the subject and the power line, etc.). Thus, it can vary according to the movements performed during the recordings. However, a varying common mode voltage is unlikely the cause of movement artifacts as its variation would have an effect, although potentially different, on all the channels and could consequently be removed e.g., through a common average offline referencing.
- The common mode rejection ratio (CMRR) of the amplifier and the input amplifier resistance (), are, in turn, dependent on the design of the front-end amplifier. As a result, no movement-dependent changes on the CMRR nor on are expected to occur and therefore it cannot be the cause hindering the variation of the when a constant is applied.
- The electrodes-skin resistances imbalance . This parameter is the only one that can explain the observed modulation of power line interference on specific channels. Indeed, at a single channel level, the electrodes-skin resistance imbalance is obtained from the relative difference between the resistance of the exploring electrode and the one taken as a reference for the monopolar signal detection . When performing a movement, the single values of electrode impedances may be affected by the changes caused by alteration of the skin-electrode contact due to e.g., reciprocal movements between the electrode and the skin, thus strongly contributing to the conversion of the common mode excitation to a differential one.
4. Technological Developments
4.1. ET Cap: Textile-Based EEG Electrodes System
4.2. Lobster Cap: Flexible PCB-Based EEG Electrodes System
5. Case Study
5.1. Experimental Design
5.2. Data Analysis
5.3. Results
6. Discussion and Conclusions
- Amplifier technology: the state-of-art technology on miniaturized and wireless EEG acquisition systems seems to efficiently address the need for lightweight technology allowing for enough freedom of movement while recording brain signals [2,3,44]. In this regard, the use of active electrodes in the system electronics is intrinsically demonstrated not to provide an appreciable contribution in terms of mitigating motion artifact contamination on EEG signals. Indeed, their main contribution is to reduce the effect of capacitive coupling occurring downstream of the electrodes (e.g., parasitic capacitive coupling between connecting cables and power lines) [30]. On the contrary, their implementation becomes ineffectual towards electrode impedance imbalances occurring upstream the electrodes (i.e., from (2)). This finding is in line with what was shown by Laszlo et al. [14] who experimentally showed that during rapid voltage fluctuations active electrodes are equally affected by movement artifacts related to changes at the electrode-skin interface with respect to passive electrodes. Conversely, the undesired result of using active electrodes in such contexts is the increase of the total system encumbrance and power consumption, thus contrasting with the need to develop miniaturized instrumentation.
- Setup preparation: Given that an ad-hoc preparation of the electrode sites is mandatory to ensure similar electrode-skin impedances magnitude among all the channels (i.e., to minimize of (2) and (6)), it is also preferable to ensure a stable skin contact by avoiding temporary and brisk skin-electrodes detachments causing sudden electrodes impedance changes. This consideration applies also when dealing with the monopolar reference electrode as it affects all the recorded signals. Therefore, good practice recommendations regard the use of adhesive monopolar reference electrodes, preferably placed in body regions with limited movements (i.e., ear lobe). This is particularly important when recording electrophysiological signals under a monopolar signal configuration as perturbations additively interfering with the reference signal would affect all the channels. It could be hard to completely filter out these undesired perturbations e.g., by applying a common average filtering due to the superimposition of multiple confounding factors (i.e., additive noise, motion artifacts, etc.) simultaneously occurring at the level of exploring electrodes. In this regard, particular attention should be paid when applying re-referencing techniques, considering also possible processing-related needs [43].
- Cap technology: the choice of the EEG electrode system has a non-negligible influence on the quality of the collected signals in terms of motion artifact contamination. Indeed, as experimentally suggested by the proposed case study, the ideal case would be to keep the electrodes as fixed as possible such as in the case of the Lobster Cap. However, this type of solution, although optimal in terms of the quality of collected signals, holds intrinsic limitations from the applicability point of view: (i) it is usable only on either bald or short-haired subjects and (ii) it might require longer preparation times. However, considering the need for minimization of the connecting cable length and related reciprocal movements to mitigate the effects of triboelectric-related phenomena, embedding the connecting cables into the fabric of the cap of electrodes such as in the ET Cap could be a good compromise between usability and performance needs. Further technological advancements should therefore focus on the transduction stage of the biopotentials amplification chain such as the electrode technology and its interfacing to the acquisition system.
7. Patent
Author Contributions
Funding
Institutional Review Board Statement
Informed Consent Statement
Data Availability Statement
Conflicts of Interest
References
- Gwin, J.T.; Gramann, K.; Makeig, S.; Ferris, D.P. Removal of movement artifact from high-density EEG recorded during walking and running. J. Neurophysiol. 2010, 103, 3526–3534. [Google Scholar] [CrossRef] [PubMed]
- Cerone, G.L.; Giangrande, A.; Ghislieri, M.; Gazzoni, M.; Piitulainen, H.; Botter, A. Design and Validation of a Wireless Body Sensor Network for Integrated EEG and HD-sEMG Acquisitions. IEEE Trans. Neural Syst. Rehabil. Eng. 2022, 30, 61–71. [Google Scholar] [CrossRef] [PubMed]
- Niso, G.; Romero, E.; Moreau, J.T.; Araujo, A.; Krol, L.R. Wireless EEG: A survey of systems and studies. Neuroimage 2023, 269, 119774. [Google Scholar] [CrossRef] [PubMed]
- Cohen, J.W.; Vieira, T.; Ivanova, T.D.; Cerone, G.L.; Garland, S.J. Maintenance of standing posture during multi-directional leaning demands the recruitment of task-specific motor units in the ankle plantarflexors. Exp. Brain Res. 2021, 239, 2569–2581. [Google Scholar] [CrossRef] [PubMed]
- dos Anjos, F.V.; Ghislieri, M.; Cerone, G.L.; Pinto, T.P.; Gazzoni, M. Changes in the distribution of muscle activity when using a passive trunk exoskeleton depend on the type of working task: A high-density surface EMG study. J. Biomech. 2022, 130, 110846. [Google Scholar] [CrossRef]
- Cerone, G.L.; Nicola, R.; Caruso, M.; Rossanigo, R.; Cereatti, A.; Vieira, T.M. Running speed changes the distribution of excitation within the biceps femoris muscle in 80 m sprints. Scand. J. Med. Sci. Sport. 2023, 33, 1104–1115. [Google Scholar] [CrossRef]
- Puce, A.; Hämäläinen, M.S. A review of issues related to data acquisition and analysis in EEG/MEG studies. Brain Sci. 2017, 7, 58. [Google Scholar] [CrossRef]
- Tandle, A.; Jog, N.; D’cunha, P.; Chheta, M. Classification of Artefacts in EEG Signal Recordings and Overview of Removing Techniques. Int. J. Comput. Appl. 2015, 46, 8887. [Google Scholar]
- Kline, J.E.; Huang, H.J.; Snyder, K.L.; Ferris, D.P. Isolating gait-related movement artifacts in electroencephalography during human walking. J. Neural Eng. 2015, 12, 046022. [Google Scholar] [CrossRef]
- Gwin, J.T.; Gramann, K.; Makeig, S.; Ferris, D.P. Electrocortical activity is coupled to gait cycle phase during treadmill walking. Neuroimage 2011, 54, 1289–1296. [Google Scholar] [CrossRef]
- Neuper, C.; Pfurtscheller, G. Event-related dynamics of cortical rhythms: Frequency-specific features and functional correlates. Int. J. Psychophysiol. 2001, 43, 41–58. [Google Scholar] [CrossRef] [PubMed]
- Gorjan, D.; Gramann, K.; De Pauw, K.; Marusic, U. Removal of movement-induced EEG artifacts: Current state of the art and guidelines. J. Neural Eng. 2022, 19, 011004. [Google Scholar] [CrossRef] [PubMed]
- MettingVanRijn, A.C.; Kuiper, A.P.; Dankers, T.E.; Grimbergen, C.A. Low-cost active electrode improves the resolution in biopotential recordings. In Proceedings of the 18th Annual International Conference of the IEEE Engineering in Medicine and Biology Society, Amsterdam, The Netherlands, 31 October–3 November 1996; pp. 101–102. [Google Scholar] [CrossRef]
- Laszlo, S.; Ruiz-Blondet, M.; Khalifian, N.; Chu, F.; Jin, Z. A direct comparison of active and passive amplification electrodes in the same amplifier system. J. Neurosci. Methods 2014, 235, 298–307. [Google Scholar] [CrossRef] [PubMed]
- Tseghai, G.B.; Malengier, B.; Fante, K.A.; Van Langenhove, L. The Status of Textile-Based Dry Eeg Electrodes. Autex Res. J. 2021, 21, 63–70. [Google Scholar] [CrossRef]
- Delaux, A.; de Saint Aubert, J.B.; Ramanoël, S.; Bécu, M.; Gehrke, L.; Klug, M.; Arleo, A. Mobile brain or body imaging of landmark-based navigation with high-density EEG. Eur. J. Neurosci. 2021, 54, 8256–8282. [Google Scholar] [CrossRef]
- Kim, H.; Miyakoshi, M.; Iversen, J.R. Approaches for Hybrid Coregistration of Marker-Based and Markerless Coordinates Describing Complex Body/Object Interactions. Sensors 2023, 23, 6542. [Google Scholar] [CrossRef]
- Robles, D.; Kuziek, J.W.P.; Wlasitz, N.A.; Bartlett, N.T.; Hurd, P.L.; Mathewson, K.E. EEG in motion: Using an oddball task to explore motor interference in active skateboarding. Eur. J. Neurosci. 2021, 54, 8196–8213. [Google Scholar] [CrossRef]
- De Talhouet, H.; Webster, J.G. The origin of skin-stretch-caused motion artifacts under electrodes. Physiol. Meas. 1996, 17, 81. [Google Scholar] [CrossRef]
- Webster, J.G. Reducing Motion Artifacts and Interference in Biopotential Recording. IEEE Trans. Biomed. Eng. 1984, 31, 823–826. [Google Scholar] [CrossRef]
- Merletti, R.; Cerone, G.L. Tutorial. Surface EMG detection, conditioning and pre-processing: Best practices. J. Electromyogr. Kinesiol. 2020, 54, 102440. [Google Scholar] [CrossRef]
- Cerone, G.L.; Botter, A.; Gazzoni, M. A modular, smart, and wearable system for high density sEMG detection. IEEE Trans. Neural Syst. Rehabil. Eng. 2019, 66, 3371–3380. [Google Scholar] [CrossRef] [PubMed]
- Yaziciouglu, F.R.; Van Hoof, C.; Puers, R. Introduction to Biopotential Acquisition. In Biopotential Readout Circuits for Portable Acquisition Systems; Springer: Dordrecht, The Netherlands, 2009; pp. 5–19. [Google Scholar]
- Ratz, A.G. Triboelectric noise (Triboelectric noise in mechanically flexed low level signal cables for piezoelectric transducers with high gain amplifiers). ISA Trans. 1969, 9, 154–158. [Google Scholar]
- Wartzek, T.; Lammersen, T.; Eilebrecht, B.; Walter, M.; Leonhardt, S. Triboelectricity in capacitive biopotential measurements. IEEE Trans. Biomed. Eng. 2011, 58, 1268–1277. [Google Scholar] [CrossRef] [PubMed]
- Botter, A.; Vieira, T.M. Filtered virtual reference: A new method for the reduction of power line interference with minimal distortion of monopolar surface EMG. IEEE Trans. Biomed. Eng. 2015, 62, 2638–2647. [Google Scholar] [CrossRef]
- Chi, Y.M.; Maier, C.; Cauwenberghs, G. Ultra-high input impedance, low noise integrated amplifier for noncontact biopotential sensing. IEEE J. Emerg. Sel. Top. Circuits Syst. 2011, 1, 526–535. [Google Scholar] [CrossRef]
- van Rijn, A.C.M.; Peper, A.; Grimbergen, C.A. High-quality recording of bioelectric events. Med. Biol. Eng. Comput. 1990, 28, 389–397. [Google Scholar] [CrossRef]
- Spinelli, E.M.; Pallàs-Areny, R.; Mayosky, M.A. AC-coupled front-end for biopotential measurements. IEEE Trans. Biomed. Eng. 2003, 50, 391–395. [Google Scholar] [CrossRef]
- Spinelli, E.; Guerrero, F.N. The Biological Amplifier; World Scientific Publishing: Singapore, 2017; pp. 463–500. [Google Scholar] [CrossRef]
- Klijn, J.A.J.; Kloprogge, M.J.G.M. Movement artefact suppressor during ECG monitoring. Cardiovasc. Res. 1974, 8, 149–152. [Google Scholar] [CrossRef]
- Winter, B.B.; Winter, B.B. Driven-Right-Leg Circuit Design. IEEE Trans. Biomed. Eng. 1983, 30, 62–66. [Google Scholar] [CrossRef]
- Dobrev, D.; Neycheva, T.; Mudrov, N. Simple two-electrode biosignal amplifier. Med. Biol. Eng. Comput. 2005, 43, 725–730. [Google Scholar] [CrossRef]
- Dobrev, D. Two-electrode non-differential biopotential amplifier. Med. Biol. Eng. Comput. 2002, 40, 546–549. [Google Scholar] [CrossRef] [PubMed]
- Dobrev, D.P.; Neycheva, T.; Mudrov, N. Bootstrapped two-electrode biosignal amplifier. Med. Biol. Eng. Comput. 2008, 46, 613–619. [Google Scholar] [CrossRef] [PubMed]
- Pallás-Areny, R.; Webster, J.G. Composite instrumentation amplifier for biopotentials. Ann. Biomed. Eng. 1990, 18, 251–262. [Google Scholar] [CrossRef] [PubMed]
- Burbank, D.P.; Webster, J.G. Reducing skin potential motion artefact by skin abrasion. Med. Biol. Eng. Comput. 1978, 16, 31–38. [Google Scholar] [CrossRef]
- Dellacorna. Electromyograph for the Detection of Electromyographic Signals on Moving Subjects (12) Patent Application Publication (10). U.S. Patent US2006/0287608A1, 21 December 2006. [Google Scholar]
- Cerone, G.L.; Giangrande, A.; Vieira, T.; Pisaturo, D.; Ionescu, M.; Gazzoni, M.; Botter, A. Design of a Programmable and Modular Neuromuscular Electrical Stimulator Integrated into a Wireless Body Sensor Network. IEEE Access 2021, 9, 163284–163296. [Google Scholar] [CrossRef]
- Cattarello, P.; Merletti, R. Characterization of dry and wet Electrode-Skin interfaces on different skin treatments for HDsEMG. In Proceedings of the 2016 IEEE International Symposium on Medical Measurements and Applications (MeMeA), Benevento, Italy, 15–18 May 2016; pp. 1–6. [Google Scholar] [CrossRef]
- EasyCap. EasyCap—BC-TMS-32-X6. Available online: https://cdn.shopify.com/s/files/1/0669/3729/1066/files/BC-TMS-32-X6.pdf?v=1697728138 (accessed on 9 August 2024).
- Hari, R.; Puce, A. MEG-EEG Primer; Oxford University Press: Oxford, UK, 2017. [Google Scholar]
- Kim, H.; Luo, J.; Chu, S.; Cannard, C.; Hoffmann, S.; Miyakoshi, M. ICA’s bug: How ghost ICs emerge from effective rank deficiency caused by EEG electrode interpolation and incorrect re-referencing. Front. Signal Process. 2023, 3, 1–9. [Google Scholar] [CrossRef]
- Shovon, S.K.F.A.; Islam, M.N.; Islam, M.R.; Rahaman, M.L.; Sadikuzzaman, M.; Chowdhury, M.I.B. Design of an Integrated Wireless Wearable Biosensor. pp. 2–5. Available online: https://uiu-bd.academia.edu/sorowarshovan (accessed on 2 May 2024).














Disclaimer/Publisher’s Note: The statements, opinions and data contained in all publications are solely those of the individual author(s) and contributor(s) and not of MDPI and/or the editor(s). MDPI and/or the editor(s) disclaim responsibility for any injury to people or property resulting from any ideas, methods, instructions or products referred to in the content. |
© 2024 by the authors. Licensee MDPI, Basel, Switzerland. This article is an open access article distributed under the terms and conditions of the Creative Commons Attribution (CC BY) license (https://creativecommons.org/licenses/by/4.0/).
Share and Cite
Giangrande, A.; Botter, A.; Piitulainen, H.; Cerone, G.L. Motion Artifacts in Dynamic EEG Recordings: Experimental Observations, Electrical Modelling, and Design Considerations. Sensors 2024, 24, 6363. https://doi.org/10.3390/s24196363
Giangrande A, Botter A, Piitulainen H, Cerone GL. Motion Artifacts in Dynamic EEG Recordings: Experimental Observations, Electrical Modelling, and Design Considerations. Sensors. 2024; 24(19):6363. https://doi.org/10.3390/s24196363
Chicago/Turabian StyleGiangrande, Alessandra, Alberto Botter, Harri Piitulainen, and Giacinto Luigi Cerone. 2024. "Motion Artifacts in Dynamic EEG Recordings: Experimental Observations, Electrical Modelling, and Design Considerations" Sensors 24, no. 19: 6363. https://doi.org/10.3390/s24196363
APA StyleGiangrande, A., Botter, A., Piitulainen, H., & Cerone, G. L. (2024). Motion Artifacts in Dynamic EEG Recordings: Experimental Observations, Electrical Modelling, and Design Considerations. Sensors, 24(19), 6363. https://doi.org/10.3390/s24196363

