Enhancing Coordination Efficiency with Fuzzy Monte Carlo Uncertainty Analysis for Dual-Setting Directional Overcurrent Relays Amid Distributed Generation
Abstract
1. Introduction
1.1. Importance
1.2. Literature Review
1.3. Contribution
- Capturing Imprecise Information: Unlike conventional probabilistic methods that rely on precise probability distributions, fuzzy logic enables the representation of imprecise or vague information inherent in real-world systems. This feature proves invaluable in scenarios where obtaining precise data is challenging.
- Flexibility in Modeling: Fuzzy Monte Carlo offers unparalleled flexibility in modeling uncertainties by accommodating expert knowledge or subjective assessments. This adaptability allows for the inclusion of qualitative factors, thereby enhancing the realism and accuracy of the uncertainty model. Fuzzy logic excels in handling the nonlinear and complex relationships often encountered in engineering and decision-making contexts.
- Robustness to Data Limitations: In situations where data availability is limited or uncertain, fuzzy Monte Carlo remains robust by incorporating expert knowledge or heuristic information. This resilience to data limitations renders fuzzy Monte Carlo indispensable in scenarios where empirical data may be scarce or unreliable.
- Integration with Monte Carlo Simulation: By integrating fuzzy logic with Monte Carlo simulation, fuzzy Monte Carlo harnesses the strengths of both approaches. This integration ensures the efficient generation of probabilistic outcomes while capturing qualitative aspects of uncertainty.
1.4. Organization
2. Probabilistic Model of Fuzzy Monte Carlo
2.1. Calculation of Weibull Distribution Parameters
2.2. Monte Carlo Simulation with PDFs
3. Problem Formulation
3.1. Modeling Dual-Setting DOCR Characteristics
3.2. Objective Function
3.3. ALO Optimization Approach for Addressing Coordination Issues
- Step 1: Input Acquisition and System Data Analysis:
- Acquire input parameters, encompassing distribution system data and relay specifications.
- Establish primary/backup relay pairs based on gathered data.
- Calculate both the full load and short circuit currents for each relay to ascertain their operational conditions.
- Step 2: Initializing Population:
- Generate initial populations of both antlions and ants, distributing them randomly while adhering to the defined upper and lower parameter constraints.
- Step 3: Evaluating Fitness Function:
- Evaluate the fitness function, representing the total relay operating time, for all ants and antlions by employing the objective function index for assessment.
- Step 4: Identifying Elite Antlions:
- Identify elite antlion solutions by discerning the top-performing candidates.
- Step 5: Updating Positions:
- Adjust parameters to steer ants toward the central point of attraction, represented by antlion.
- Step 6: Generating Random Walk:
- Devise a random-walk mechanism to normalize the movement patterns of both ants and antlions.
- Step 7: Adjusting Positions for Antlions:
- Update the positions of antlions utilizing a predefined formula to refine their spatial locations.
- Step 8: Evaluating Solutions:
- Assess the best solution and substitute the antlion with the corresponding ant if it outperforms an elite candidate.
- Step 9: Storage and Termination:
- If the maximum iterations are attained, store and present the optimal results achieved through the algorithm.
4. Case Study and Results
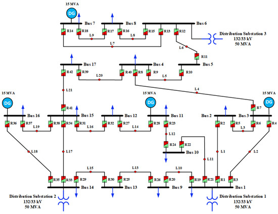
4.1. Case 1: IEEE 14-Bus System
Simulation Result, Using ALO Algorithm
- Step 1: Optimal Setting Without Considering Uncertainty:
- Step 2: Optimal Relay Setting Considering Uncertainty:
- Load UncertaintiesThe uncertainties surrounding the load demand at each bus within the test system are critical for precise modeling and analysis. To visually represent these uncertainties, PDFs for both active and reactive power of load demands at each bus are presented. In Figure 7a, the fluctuation in active power load demand across numerous iterations is showcased, offering insights into its variability over time. Additionally, the 3D plot in Figure 7b illustrates the PDF of the active power load demand for each bus. Each curve in this plot represents the PDF of active power load demand at a specific bus, offering a graphical representation of the uncertainties associated with the active power load demand.Likewise, Figure 8a portrays the fluctuation in the reactive power load demand across various iterations, providing insight into its variability over time. The 3D plot in Figure 8b presents the PDF of the reactive power load demand for each bus in the test network. These graphical depictions serve to elucidate the uncertainties inherent in load demand across different buses within the network, thereby facilitating more robust modeling and analysis processes.
- Distributed Generation Source Output Power UncertaintiesIn addition to load uncertainties, uncertainties exist in the output power of DG sources. Figure 9 illustrates the variation in DG source output power across multiple iterations, offering insights into the variability of DG source power output. Each subplot in the figure represents the output power of a specific DG source throughout the iterations, effectively showcasing the uncertainties associated with DG source power generation.
- Monte Carlo SimulationOne of the most prevalent and accurate stochastic methods used in this study is Monte Carlo simulation (MCS), where the sample sizes are typically set to . The MCS is an iterative process that encompasses the following steps:
- The behavior of the power system for each sample scenario was simulated by considering the generated samples of uncertain parameters.
- Short-circuit analysis was conducted to ascertain the fault currents in the system for each sample scenario and store these fault currents in a cell array corresponding to each scenario.
- An optimization algorithm (such as ALO) is utilized to determine the optimal settings for relay coordination based on the fault currents obtained from short circuit analysis. The objective is to minimize the operating time while ensuring proper relay coordination.
- After obtaining the optimal settings for relay coordination for each sample scenario, the PDFs for the TMS and PS parameters were obtained for both forward and reverse relays. This facilitates the analysis of the distribution of optimal settings across all sample scenarios.
- The best optimal settings were identified by locating the peaks of the PDFs for the TMS and PS parameters. These settings represent the most frequently occurring optimal configurations across all the sample scenarios.
4.2. Case 2: IEEE-30 Bus System
5. Conclusions
Author Contributions
Funding
Institutional Review Board Statement
Informed Consent Statement
Data Availability Statement
Acknowledgments
Conflicts of Interest
Abbreviations
| ADN | Active distribution networks. |
| ALO | Ant lion optimizer algorithm. |
| CTI | Coordination time interval. |
| DOCRs | Directional overcurrent relays. |
| DG | Distributed generation. |
| DS-DOCRs | Dual-setting directional overcurrent relays. |
| MCS | Monte Carlo simulation. |
| MGs | Microgrids. |
| OLF | Overload factor. |
| OCR | Overcurrent relay. |
| PS | pickup (plug) setting. |
| PFMC | Probabilistic model of fuzzy Monte Carlo. |
| Probability density function. | |
| P/B | Primary/backup. |
| SGs | Smart grids. |
| TMS | Time multiplier setting. |
References
- Kida, A.A.; Rivas, A.E.L.; Gallego, L.A. An improved simulated annealing–linear programming hybrid algorithm applied to the optimal coordination of directional overcurrent relays. Electr. Power Syst. Res. 2020, 181, 106197. [Google Scholar] [CrossRef]
- ElSayed, S.K.; Elattar, E.E. Hybrid Harris hawks optimization with sequential quadratic programming for optimal coordination of directional overcurrent relays incorporating distributed generation. Alex. Eng. J. 2021, 60, 2421–2433. [Google Scholar] [CrossRef]
- Habib, K.; Lai, X.; Wadood, A.; Khan, S.; Wang, Y.; Xu, S. An improved technique of Hybridization of PSO for the Optimal Coordination of Directional Overcurrent Protection Relays of IEEE bus system. Energies 2022, 15, 3076. [Google Scholar] [CrossRef]
- Wang, Y.; Habib, K.; Wadood, A.; Khan, S. The hybridization of PSO for the optimal coordination of directional overcurrent protection relays of the IEEE bus system. Energies 2023, 16, 3726. [Google Scholar] [CrossRef]
- Godwal, S.D.; Pandya, K.S.; Vora, S.C.; Mehta, C.R.; Rajput, V.R. Optimal overcurrent relay coordination for interconnected power systems: A proper approach and improved technique. e-Prime-Adv. Electr. Eng. Electron. Energy 2023, 5, 100248. [Google Scholar] [CrossRef]
- Abdelfattah, W.; Nagy, A.; Salama, M.; Lotfy, M.E.; Abdelhadi, H. Artificial intelligence based optimal coordination of directional overcurrent relay in distribution systems considering vehicle to grid technology. Ain Shams Eng. J. 2024, 15, 102372. [Google Scholar] [CrossRef]
- Biswal, S.; Sharma, N.K.; Samantaray, S. Optimal overcurrent relay coordination scheme for microgrid. In Proceedings of the 2020 21st National Power Systems Conference (NPSC), Gandhinagar, India, 17–19 December 2020; pp. 1–6. [Google Scholar]
- Patnaik, B.; Mishra, M.; Bansal, R.C.; Jena, R.K. AC microgrid protection—A review: Current and future prospective. Appl. Energy 2020, 271, 115210. [Google Scholar] [CrossRef]
- Beder, H.; Mohandes, B.; El Moursi, M.S.; Badran, E.A.; El Saadawi, M.M. A new communication-free dual setting protection coordination of microgrid. IEEE Trans. Power Deliv. 2020, 36, 2446–2458. [Google Scholar] [CrossRef]
- Foqha, T.; Alsadi, S.; Omari, O.; Refaat, S.S. Optimization Techniques for Directional Overcurrent Relay Coordination: A Comprehensive Review. IEEE Access 2023, 12, 1952–2006. [Google Scholar] [CrossRef]
- Tiwari, R.; Singh, R.K.; Choudhary, N.K. Coordination of dual setting overcurrent relays in microgrid with optimally determined relay characteristics for dual operating modes. Prot. Control Mod. Power Syst. 2022, 7, 1–18. [Google Scholar] [CrossRef]
- Tiwari, R.; Singh, R.K.; Choudhary, N.K. Optimal coordination of dual setting directional over current relays in microgrid with different standard relay characteristics. In Proceedings of the 2020 IEEE 9th Power India International Conference (PIICON), Sonepat, India, 28 February–1 March 2020; pp. 1–6. [Google Scholar]
- Singh, D.K.; Sarangi, S.; Singh, A.K.; Mohanty, S.R. Coordination of dual-setting overcurrent and distance relays for meshed distribution networks with distributed generations and dynamic voltage restorer. Smart Sci. 2023, 11, 135–153. [Google Scholar] [CrossRef]
- Martin, K.T.; Marchesan, A.C.; de Araújo, O.C.B.; Cardoso, G.; da Silva, M.F. Mixed integer linear programming applied to adaptive directional overcurrent protection considering N-1 contingency. IEEE Trans. Ind. Appl. 2023, 59, 2807–2821. [Google Scholar] [CrossRef]
- Langazane, S.N.; Saha, A.K. Effects of particle swarm optimization and genetic algorithm control parameters on overcurrent relay selectivity and speed. IEEE Access 2022, 10, 4550–4567. [Google Scholar] [CrossRef]
- Akdag, O.; Yeroglu, C. Optimal directional overcurrent relay coordination using MRFO algorithm: A case study of adaptive protection of the distribution network of the Hatay province of Turkey. Electr. Power Syst. Res. 2021, 192, 106998. [Google Scholar] [CrossRef]
- Wong, J.Y.R.; Tan, C.; Che, H.S. Selectivity problem in adaptive overcurrent protection for microgrid with inverter-based distributed generators (IBDG): Theoretical investigation and HIL verification. IEEE Trans. Power Deliv. 2021, 37, 3313–3324. [Google Scholar] [CrossRef]
- Alasali, F.; El-Naily, N.; Saidi, A.S.; Itradat, A.; Holderbaum, W.; Mohamed, F.A. Highly sensitive multifunction protection coordination scheme for improved reliability of power systems with distributed generation (PVs). IET Renew. Power Gener. 2023, 17, 3025–3048. [Google Scholar] [CrossRef]
- Barranco-Carlos, A.; Orozco-Henao, C.; Marín-Quintero, J.; Mora-Flórez, J.; Herrera-Orozco, A. Adaptive protection for active distribution networks: An approach based on fuses and relays with multiple setting groups. IEEE Access 2023, 11, 31075–31091. [Google Scholar] [CrossRef]
- Aghaei, H.; Hashemi-Dezaki, H. Optimal communication-aided protection of meshed smart grids considering stability constraints of distributed generations incorporating optimal selection of relay characteristics. IET Renew. Power Gener. 2022, 16, 2313–2337. [Google Scholar] [CrossRef]
- Purwar, E.; Singh, S.P.; Vishwakarma, D.N. A robust protection scheme based on hybrid pick-up and optimal hierarchy selection of relays in the variable DGs-distribution system. IEEE Trans. Power Deliv. 2019, 35, 150–159. [Google Scholar] [CrossRef]
- Jamali, S.; Borhani-Bahabadi, H. Protection method for radial distribution systems with DG using local voltage measurements. IEEE Trans. Power Deliv. 2018, 34, 651–660. [Google Scholar] [CrossRef]
- Shen, S.; Wang, H.; Jiang, K.; Zhu, L.; Gan, C.; Markham, P.N.; Liu, Y.; He, B. Regional area protection scheme for modern distribution system. IEEE Trans. Smart Grid 2018, 10, 5416–5426. [Google Scholar] [CrossRef]
- George, S.P.; Ashok, S. Forecast-based overcurrent relay coordination in wind farms. Int. J. Electr. Power Energy Syst. 2020, 118, 105834. [Google Scholar] [CrossRef]
- Balyith, A.A.; Sharaf, H.M.; Shaaban, M.; El-Saadany, E.F.; Zeineldin, H.H. Non-communication based time-current-voltage dual setting directional overcurrent protection for radial distribution systems with DG. IEEE Access 2020, 8, 190572–190581. [Google Scholar] [CrossRef]
- Sarwagya, K.; Nayak, P.K.; Ranjan, S. Optimal coordination of directional overcurrent relays in complex distribution networks using sine cosine algorithm. Electr. Power Syst. Res. 2020, 187, 106435. [Google Scholar] [CrossRef]
- Ghotbi-Maleki, M.; Chabanloo, R.M.; Zeineldin, H.H.; Miangafsheh, S.M.H. Design of setting group-based overcurrent protection scheme for active distribution networks using MILP. IEEE Trans. Smart Grid 2020, 12, 1185–1193. [Google Scholar] [CrossRef]
- Vijayachandran, V.V.; Shenoy, U.J. Implementation of support-vector-machine-based relay coordination scheme for distribution system with renewables. IEEE J. Emerg. Sel. Top. Ind. Electron. 2020, 2, 324–333. [Google Scholar] [CrossRef]
- Abbaspour, E.; Fani, B.; Sadeghkhani, I.; Alhelou, H.H. Multi-agent system-based hierarchical protection scheme for distribution networks with high penetration of electronically-coupled DGs. IEEE Access 2021, 9, 102998–103018. [Google Scholar] [CrossRef]
- Hong, L.; Rizwan, M.; Wasif, M.; Ahmad, S.; Zaindin, M.; Firdausi, M. User-defined dual setting directional overcurrent relays with hybrid time current-voltage characteristics-based protection coordination for active distribution network. IEEE Access 2021, 9, 62752–62769. [Google Scholar] [CrossRef]
- Ataee-Kachoee, A.; Hashemi-Dezaki, H.; Ketabi, A. Optimized adaptive protection coordination of microgrids by dual-setting directional overcurrent relays considering different topologies based on limited independent relays’ setting groups. Electr. Power Syst. Res. 2023, 214, 108879. [Google Scholar] [CrossRef]
- El-Naily, N.; Saad, S.M.; Elhaffar, A.; Zarour, E.; Alasali, F. Innovative Adaptive Protection Approach to Maximize the Security and Performance of Phase/Earth Overcurrent Relay for Microgrid Considering Earth Fault Scenarios. Electr. Power Syst. Res. 2022, 206, 107844. [Google Scholar] [CrossRef]
- Entekhabi-Nooshabadi, A.M.; Hashemi-Dezaki, H.; Taher, S.A. Optimal microgrid’s protection coordination considering N-1 contingency and optimum relay characteristics. Appl. Soft Comput. 2021, 98, 106741. [Google Scholar] [CrossRef]
- Torshizi, N.H.; Najafi, H.; Noghabi, A.S.; Sadeh, J. An adaptive characteristic for overcurrent relays considering uncertainty in presence of distributed generation. Int. J. Electr. Power Energy Syst. 2021, 128, 106688. [Google Scholar] [CrossRef]
- Sadeghi, M.H.; Dastfan, A.; Damchi, Y. Robust and adaptive coordination approaches for co-optimization of voltage dip and directional overcurrent relays coordination. Int. J. Electr. Power Energy Syst. 2021, 129, 106850. [Google Scholar] [CrossRef]
- Alasali, F.; El-Naily, N.; Saidi, A.S.; Itradat, A.; Saad, S.M.; Holderbaum, W. An advanced dual-setting protection scheme for microgrid resilience based on nonstandard tripping characteristics of overcurrent relays. Electr. Power Syst. Res. 2023, 225, 109869. [Google Scholar] [CrossRef]
- Momesso, A.E.; Bernardes, W.M.S.; Asada, E.N. Adaptive directional overcurrent protection considering stability constraint. Electr. Power Syst. Res. 2020, 181, 106190. [Google Scholar] [CrossRef]
- Aazami, R.; Esmaeilbeigi, S.; Valizadeh, M.; Javadi, M.S. Novel intelligent multi-agents system for hybrid adaptive protection of micro-grid. Sustain. Energy Grids Netw. 2022, 30, 100682. [Google Scholar] [CrossRef]
- Merabet, O.; Kheldoun, A.; Bouchahdane, M.; Eltom, A.; Kheldoun, A. An adaptive protection coordination for microgrids utilizing an improved optimization technique for user-defined DOCRs characteristics with different groups of settings considering N-1 contingency. Expert Syst. Appl. 2024, 248, 123449. [Google Scholar] [CrossRef]
- Hong, Y.-Y.; Yu, C.-W.; Lee, Y.-D.; Jiang, J.-L.; Wang, S.-S. Coordination of protective relays in distribution systems considering uncertainty caused by renewables and demands based on orthogonal experiments. Sustain. Energy Grids Netw. 2023, 36, 101206. [Google Scholar] [CrossRef]
- Aien, M.; Hajebrahimi, A.; Fotuhi-Firuzabad, M. A comprehensive review on uncertainty modeling techniques in power system studies. Renew. Sustain. Energy Rev. 2016, 57, 1077–1089. [Google Scholar] [CrossRef]
- Yazdaninejadi, A.; Nazarpour, D.; Talavat, V. Optimal coordination of dual-setting directional over-current relays in multi-source meshed active distribution networks considering transient stability. IET Gener. Transm. Distrib. 2019, 13, 157–170. [Google Scholar] [CrossRef]
- Aghdam, T.S.; Karegar, H.K.; Abbasi, A. Discussion on “Optimal Protection Coordination for Meshed Distribution Systems with DG Using Dual Setting Relays”. IEEE Trans. Smart Grid 2016, 7, 1756. [Google Scholar] [CrossRef]
- Sharaf, H.M.; Zeineldin, H.H.; El-Saadany, E. Protection coordination for microgrids with grid-connected and islanded capabilities using communication assisted dual setting directional overcurrent relays. IEEE Trans. Smart Grid 2016, 9, 143–151. [Google Scholar] [CrossRef]
- Hatata, A.Y.; Lafi, A. Ant lion optimizer for optimal coordination of DOC relays in distribution systems containing DGs. IEEE Access 2018, 6, 72241–72252. [Google Scholar] [CrossRef]
- Al-Bhadely, F.; İnan, A. Improving Directional Overcurrent Relay Coordination in Distribution Networks for Optimal Operation Using Hybrid Genetic Algorithm with Sequential Quadratic Programming. Energies 2023, 16, 7031. [Google Scholar] [CrossRef]





















| Relay Pair | Primary Relay | Backup Relay | Relay Pair | Primary Relay | Backup Relay |
|---|---|---|---|---|---|
| RP1 | R1 | R3 | RP12 | R8 | R11 |
| RP2 | R1 | R5 | RP13 | R9 | R7 |
| RP3 | R2 | R12 | RP14 | R10 | R16 |
| RP4 | R3 | R1 | RP15 | R11 | R8 |
| RP5 | R3 | R5 | RP16 | R12 | R2 |
| RP6 | R4 | R13 | RP17 | R13 | R4 |
| RP7 | R5 | R1 | RP18 | R14 | R15 |
| RP8 | R5 | R3 | RP19 | R14 | R6 |
| RP9 | R6 | R14 | RP20 | R15 | R6 |
| RP10 | R6 | R15 | RP21 | R15 | R14 |
| RP11 | R7 | R9 | RP22 | R16 | R10 |
| Primary Relay | Fault Current (A) | Backup Relay | Fault Current (A) | Primary Relay | Fault Current (A) | Backup Relay | Fault Current (A) |
|---|---|---|---|---|---|---|---|
| R1 | 10,653.6 | R3 | 1222.4 | R8 | 4713.5 | R11 | 4704.0 |
| R1 | 10,653.6 | R5 | 2649.6 | R9 | 8183.2 | R7 | 1255.2 |
| R2 | 7324.3 | R12 | 2555.1 | R10 | 2892.0 | R16 | 3040.1 |
| R3 | 8858.6 | R1 | 1480.5 | R11 | 6593.3 | R8 | 6593.2 |
| R3 | 8858.6 | R5 | 1647.9 | R12 | 7922.3 | R2 | 3363.8 |
| R4 | 6079.3 | R13 | 2093.6 | R13 | 6530.3 | R4 | 2051.0 |
| R5 | 13,330.2 | R1 | 2246.6 | R14 | 7981.2 | R15 | 2656.4 |
| R5 | 13,330.2 | R3 | 974.1 | R14 | 7981.2 | R6 | 940.0 |
| R6 | 9472.2 | R14 | 1877.4 | R15 | 6729.0 | R6 | 2025.4 |
| R6 | 9472.2 | R15 | 1413.2 | R15 | 6729.0 | R14 | 933.4 |
| R7 | 14,970.6 | R9 | 1444.0 | R16 | 3232.1 | R10 | 3074.6 |
| Relay Pairs | ALO | Relay Pairs | ALO | ||||||
|---|---|---|---|---|---|---|---|---|---|
| Primary | Backup | Tp (s) | Tb (s) | CTI (s) | Primary | Backup | Tp (s) | Tb (s) | CTI (s) |
| R1 | R3 | 0.101 | 0.302 | 0.201 | R8 | R11 | 0.106 | 0.309 | 0.204 |
| R1 | R5 | 0.101 | 0.302 | 0.201 | R9 | R7 | 0.104 | 0.314 | 0.210 |
| R2 | R12 | 0.141 | 0.347 | 0.206 | R10 | R16 | 0.104 | 0.309 | 0.205 |
| R3 | R1 | 0.128 | 0.342 | 0.213 | R11 | R8 | 0.103 | 0.307 | 0.205 |
| R3 | R5 | 0.128 | 0.354 | 0.226 | R12 | R2 | 0.109 | 0.310 | 0.202 |
| R4 | R13 | 0.116 | 0.328 | 0.212 | R13 | R4 | 0.103 | 0.319 | 0.216 |
| R5 | R1 | 0.103 | 0.304 | 0.201 | R14 | R15 | 0.103 | 0.358 | 0.255 |
| R5 | R3 | 0.103 | 0.329 | 0.226 | R14 | R6 | 0.103 | 0.304 | 0.200 |
| R6 | R14 | 0.101 | 0.302 | 0.201 | R15 | R6 | 0.117 | 0.325 | 0.208 |
| R6 | R15 | 0.101 | 0.301 | 0.200 | R15 | R14 | 0.117 | 0.370 | 0.253 |
| R7 | R9 | 0.105 | 0.313 | 0.208 | R16 | R10 | 0.103 | 0.307 | 0.204 |
| Relay No. | Forward | Reverse | Relay No. | Forward | Reverse | ||||
|---|---|---|---|---|---|---|---|---|---|
| TMS (s) | PS (pu) | TMS (s) | PS (pu) | TMS (s) | PS (pu) | TMS (s) | PS (pu) | ||
| R1 | 0.074 | 0.045 | 0.178 | 0.025 | R9 | 0.078 | 0.032 | 0.162 | 0.025 |
| R2 | 0.113 | 0.021 | 0.148 | 0.075 | R10 | 0.041 | 0.109 | 0.199 | 0.023 |
| R3 | 0.102 | 0.026 | 0.125 | 0.042 | R11 | 0.080 | 0.021 | 0.099 | 0.302 |
| R4 | 0.082 | 0.031 | 0.167 | 0.034 | R12 | 0.088 | 0.021 | 0.157 | 0.068 |
| R5 | 0.082 | 0.038 | 0.149 | 0.054 | R13 | 0.070 | 0.040 | 0.157 | 0.047 |
| R6 | 0.079 | 0.029 | 0.193 | 0.022 | R14 | 0.063 | 0.077 | 0.174 | 0.022 |
| R7 | 0.094 | 0.023 | 0.164 | 0.021 | R15 | 0.087 | 0.027 | 0.116 | 0.059 |
| R8 | 0.054 | 0.085 | 0.214 | 0.036 | R16 | 0.040 | 0.134 | 0.191 | 0.028 |
| OF (s) = 1.747 s | |||||||||
| Relay Pair | Primary Relay | Backup Relay | Relay Pair | Primary Relay | Backup Relay | Relay Pair | Primary Relay | Backup Relay |
|---|---|---|---|---|---|---|---|---|
| RP1 | R1 | R3 | RP25 | R14 | R18 | RP49 | R31 | R38 |
| RP2 | R1 | R19 | RP26 | R15 | R12 | RP50 | R31 | R41 |
| RP3 | R1 | R21 | RP27 | R15 | R13 | RP51 | R32 | R27 |
| RP4 | R2 | R5 | RP28 | R16 | R17 | RP52 | R33 | R29 |
| RP5 | R3 | R1 | RP29 | R17 | R16 | RP53 | R33 | R35 |
| RP6 | R3 | R19 | RP30 | R18 | R14 | RP54 | R34 | R31 |
| RP7 | R3 | R21 | RP31 | R19 | R1 | RP55 | R34 | R38 |
| RP8 | R4 | R6 | RP32 | R19 | R3 | RP56 | R34 | R41 |
| RP9 | R4 | R7 | RP33 | R19 | R21 | RP57 | R35 | R29 |
| RP10 | R5 | R2 | RP34 | R20 | R26 | RP58 | R35 | R33 |
| RP11 | R6 | R4 | RP35 | R21 | R1 | RP59 | R36 | R37 |
| RP12 | R6 | R7 | RP36 | R21 | R3 | RP60 | R37 | R36 |
| RP13 | R7 | R4 | RP37 | R21 | R19 | RP61 | R38 | R31 |
| RP14 | R7 | R6 | RP38 | R22 | R24 | RP62 | R38 | R34 |
| RP15 | R8 | R9 | RP39 | R23 | R28 | RP63 | R38 | R41 |
| RP16 | R8 | R40 | RP40 | R24 | R22 | RP64 | R39 | R42 |
| RP17 | R9 | R8 | RP41 | R25 | R30 | RP65 | R40 | R8 |
| RP18 | R9 | R40 | RP42 | R26 | R20 | RP66 | R40 | R9 |
| RP19 | R10 | R11 | RP43 | R27 | R32 | RP67 | R41 | R31 |
| RP20 | R11 | R10 | RP44 | R28 | R23 | RP68 | R41 | R34 |
| RP21 | R12 | R13 | RP45 | R29 | R33 | RP69 | R41 | R38 |
| RP22 | R12 | R15 | RP46 | R29 | R35 | RP70 | R42 | R39 |
| RP23 | R13 | R12 | RP47 | R30 | R25 | |||
| RP24 | R13 | R15 | RP48 | R31 | R34 |
| Primary Relay | Fault Current (A) | Backup Relay | Fault Current (A) | Primary Relay | Fault Current (A) | Backup Relay | Fault Current (A) |
|---|---|---|---|---|---|---|---|
| R1 | 11,648.9 | R3 | 670.7 | R21 | 8446.1 | R3 | 829.0 |
| R1 | 11,648.9 | R19 | 1839.0 | R21 | 8446.1 | R19 | 1008.5 |
| R1 | 11,648.9 | R21 | 1954.9 | R22 | 3676.2 | R24 | 3675.5 |
| R2 | 5493.0 | R5 | 5475.9 | R23 | 5633.3 | R28 | 2643.6 |
| R3 | 8454.8 | R1 | 1771.5 | R24 | 4773.9 | R22 | 4772.4 |
| R3 | 8454.8 | R19 | 1516.9 | R25 | 4048.0 | R30 | 4049.4 |
| R3 | 8454.8 | R21 | 1613.0 | R26 | 6137.9 | R20 | 6140.3 |
| R4 | 6141.8 | R6 | 1777.1 | R27 | 3572.0 | R32 | 3567.2 |
| R4 | 6141.8 | R7 | 1962.6 | R28 | 5828.0 | R23 | 3212.8 |
| R5 | 7080.3 | R2 | 7059.4 | R29 | 8237.6 | R33 | 1484.9 |
| R6 | 9107.0 | R4 | 3339.6 | R29 | 8237.6 | R35 | 983.7 |
| R6 | 9107.0 | R7 | 2640.4 | R30 | 3428.9 | R25 | 3426.2 |
| R7 | 7561.2 | R4 | 2217.5 | R31 | 6177.5 | R34 | 3560.5 |
| R7 | 7561.2 | R6 | 3389.4 | R31 | 6177.5 | R38 | 1519.4 |
| R8 | 3677.8 | R9 | 1865.3 | R31 | 6177.5 | R41 | 1128.8 |
| R8 | 3677.8 | R40 | 1806.4 | R32 | 3462.9 | R27 | 3464.2 |
| R9 | 4173.4 | R8 | 2826.2 | R33 | 9327.5 | R29 | 1477.9 |
| R9 | 4173.4 | R40 | 1348.9 | R33 | 9327.5 | R35 | 499.0 |
| R10 | 3220.9 | R11 | 3224.8 | R34 | 5175.9 | R31 | 2035.3 |
| R11 | 2409.6 | R10 | 2407.2 | R34 | 5175.9 | R38 | 1533.1 |
| R12 | 7288.1 | R13 | 630.8 | R34 | 5175.9 | R41 | 1605.4 |
| R12 | 7288.1 | R15 | 437.4 | R35 | 6880.3 | R29 | 1154.0 |
| R13 | 3670.6 | R12 | 602.9 | R35 | 6880.3 | R33 | 347.3 |
| R13 | 3670.6 | R15 | 457.7 | R36 | 3876.2 | R37 | 1603.8 |
| R14 | 2386.1 | R18 | 456.5 | R37 | 4450.0 | R36 | 2095.1 |
| R15 | 4879.3 | R12 | 732.7 | R38 | 5488.5 | R31 | 1509.8 |
| R15 | 4879.3 | R13 | 81.5 | R38 | 5488.5 | R34 | 2801.4 |
| R16 | 1467.2 | R17 | 1466.0 | R38 | 5488.5 | R41 | 1196.5 |
| R17 | 1937.1 | R16 | 1936.4 | R39 | 3238.3 | R42 | 3237.9 |
| R18 | 2961.1 | R14 | 963.7 | R40 | 4514.0 | R8 | 3056.0 |
| R19 | 12,808.9 | R1 | 1957.7 | R40 | 4514.0 | R9 | 1464.7 |
| R19 | 12,808.9 | R3 | 1279.3 | R41 | 6597.0 | R31 | 1478.5 |
| R19 | 12,808.9 | R21 | 1756.7 | R41 | 6597.0 | R34 | 3613.4 |
| R20 | 2892.6 | R26 | 2878.5 | R41 | 6597.0 | R38 | 1537.6 |
| R21 | 8446.1 | R1 | 1266.0 | R42 | 2596.3 | R39 | 2592.7 |
| Relay Pairs | ALO | Relay Pairs | ALO | ||||||
|---|---|---|---|---|---|---|---|---|---|
| Primary | Backup | Tp (s) | Tb (s) | CTI (s) | Primary | Backup | Tp (s) | Tb (s) | CTI (s) |
| R1 | R4 | 0.130 | 0.463 | 0.332 | R21 | R4 | 0.168 | 0.375 | 0.206 |
| R1 | R20 | 0.130 | 0.381 | 0.251 | R21 | R20 | 0.168 | 0.382 | 0.213 |
| R1 | R22 | 0.130 | 0.372 | 0.242 | R22 | R23 | 0.113 | 0.440 | 0.327 |
| R2 | R6 | 0.188 | 0.467 | 0.279 | R23 | R27 | 0.116 | 0.551 | 0.435 |
| R3 | R2 | 0.119 | 0.369 | 0.250 | R24 | R21 | 0.104 | 0.497 | 0.393 |
| R3 | R20 | 0.119 | 0.408 | 0.289 | R25 | R29 | 0.316 | 0.521 | 0.205 |
| R3 | R22 | 0.119 | 0.396 | 0.277 | R26 | R19 | 0.134 | 0.357 | 0.223 |
| R4 | R5 | 0.177 | 0.520 | 0.343 | R27 | R31 | 0.101 | 0.371 | 0.270 |
| R4 | R8 | 0.177 | 0.492 | 0.315 | R28 | R24 | 0.284 | 0.501 | 0.216 |
| R5 | R1 | 0.180 | 0.499 | 0.318 | R29 | R34 | 0.108 | 0.316 | 0.208 |
| R6 | R3 | 0.153 | 0.421 | 0.268 | R29 | R36 | 0.108 | 0.383 | 0.275 |
| R6 | R8 | 0.153 | 0.439 | 0.286 | R30 | R26 | 0.116 | 0.732 | 0.616 |
| R7 | R3 | 0.158 | 0.476 | 0.318 | R31 | R33 | 0.112 | 0.345 | 0.233 |
| R7 | R5 | 0.158 | 0.413 | 0.255 | R31 | R37 | 0.112 | 0.332 | 0.220 |
| R8 | R10 | 0.149 | 0.405 | 0.256 | R31 | R42 | 0.112 | 0.343 | 0.231 |
| R8 | R39 | 0.149 | 0.425 | 0.277 | R32 | R28 | 0.138 | 0.392 | 0.254 |
| R9 | R7 | 0.174 | 0.456 | 0.282 | R33 | R30 | 0.116 | 0.316 | 0.200 |
| R9 | R39 | 0.174 | 0.466 | 0.292 | R33 | R36 | 0.116 | 0.515 | 0.399 |
| R10 | R12 | 0.194 | 0.520 | 0.326 | R34 | R32 | 0.100 | 0.301 | 0.201 |
| R11 | R9 | 0.178 | 0.504 | 0.327 | R34 | R37 | 0.100 | 0.331 | 0.231 |
| R12 | R14 | 0.147 | 0.486 | 0.339 | R34 | R42 | 0.100 | 0.318 | 0.218 |
| R12 | R16 | 0.147 | 0.516 | 0.368 | R35 | R30 | 0.131 | 0.348 | 0.217 |
| R13 | R11 | 0.173 | 0.467 | 0.293 | R35 | R34 | 0.131 | 0.521 | 0.389 |
| R13 | R16 | 0.173 | 0.506 | 0.333 | R36 | R38 | 0.212 | 0.523 | 0.312 |
| R14 | R17 | 0.199 | 0.627 | 0.428 | R37 | R35 | 0.120 | 0.434 | 0.314 |
| R15 | R11 | 0.163 | 0.411 | 0.248 | R38 | R32 | 0.123 | 0.327 | 0.204 |
| R15 | R14 | 0.163 | 1.316 | 1.154 | R38 | R33 | 0.123 | 0.367 | 0.244 |
| R16 | R18 | 0.175 | 0.590 | 0.415 | R38 | R42 | 0.123 | 0.339 | 0.216 |
| R17 | R15 | 0.191 | 0.516 | 0.325 | R39 | R41 | 0.151 | 0.356 | 0.205 |
| R18 | R13 | 0.182 | 0.569 | 0.387 | R40 | R7 | 0.218 | 0.443 | 0.225 |
| R19 | R2 | 0.126 | 0.356 | 0.231 | R40 | R10 | 0.218 | 0.421 | 0.203 |
| R19 | R4 | 0.126 | 0.357 | 0.231 | R41 | R32 | 0.119 | 0.329 | 0.210 |
| R19 | R22 | 0.126 | 0.385 | 0.260 | R41 | R33 | 0.119 | 0.344 | 0.225 |
| R20 | R25 | 0.186 | 0.480 | 0.294 | R41 | R37 | 0.119 | 0.331 | 0.212 |
| R21 | R2 | 0.156 | 0.420 | 0.264 | R42 | R40 | 0.113 | 0.359 | 0.245 |
| Relay No. | Forward | Reverse | Relay No. | Forward | Reverse | ||||
|---|---|---|---|---|---|---|---|---|---|
| TMS (s) | PS (pu) | TMS (s) | PS (pu) | TMS (s) | PS (pu) | TMS (s) | PS (pu) | ||
| R1 | 0.076 | 0.055 | 0.079 | 0.209 | R22 | 0.040 | 0.188 | 0.343 | 0.027 |
| R2 | 0.130 | 0.038 | 0.505 | 0.067 | R23 | 0.038 | 0.338 | 0.226 | 0.086 |
| R3 | 0.091 | 0.026 | 0.162 | 0.025 | R24 | 0.071 | 0.029 | 0.205 | 0.090 |
| R4 | 0.050 | 0.124 | 0.242 | 0.041 | R25 | 0.204 | 0.030 | 0.445 | 0.033 |
| R5 | 0.193 | 0.071 | 0.154 | 0.238 | R26 | 0.095 | 0.031 | 0.252 | 0.041 |
| R6 | 0.060 | 0.133 | 0.170 | 0.108 | R27 | 0.072 | 0.018 | 0.151 | 0.144 |
| R7 | 0.120 | 0.060 | 0.151 | 0.064 | R28 | 0.196 | 0.033 | 0.229 | 0.089 |
| R8 | 0.055 | 0.105 | 0.199 | 0.083 | R29 | 0.056 | 0.145 | 0.128 | 0.054 |
| R9 | 0.045 | 0.113 | 0.144 | 0.080 | R30 | 0.043 | 0.159 | 0.255 | 0.084 |
| R10 | 0.129 | 0.085 | 0.145 | 0.129 | R31 | 0.081 | 0.028 | 0.176 | 0.023 |
| R11 | 0.050 | 0.154 | 0.287 | 0.094 | R32 | 0.094 | 0.021 | 0.250 | 0.022 |
| R12 | 0.059 | 0.084 | 0.099 | 0.070 | R33 | 0.082 | 0.047 | 0.178 | 0.019 |
| R13 | 0.103 | 0.005 | 0.239 | 0.003 | R34 | 0.063 | 0.043 | 0.218 | 0.029 |
| R14 | 0.078 | 0.030 | 0.122 | 0.055 | R35 | 0.090 | 0.041 | 0.152 | 0.037 |
| R15 | 0.072 | 0.091 | 0.238 | 0.004 | R36 | 0.098 | 0.096 | 0.343 | 0.006 |
| R16 | 0.047 | 0.039 | 0.157 | 0.055 | R37 | 0.075 | 0.039 | 0.316 | 0.016 |
| R17 | 0.058 | 0.026 | 0.374 | 0.048 | R38 | 0.093 | 0.020 | 0.215 | 0.011 |
| R18 | 0.134 | 0.003 | 0.181 | 0.008 | R39 | 0.119 | 0.010 | 0.294 | 0.006 |
| R19 | 0.078 | 0.098 | 0.139 | 0.048 | R40 | 0.173 | 0.013 | 0.203 | 0.019 |
| R20 | 0.060 | 0.030 | 0.234 | 0.044 | R41 | 0.087 | 0.030 | 0.246 | 0.005 |
| R21 | 0.115 | 0.051 | 0.158 | 0.040 | R42 | 0.090 | 0.008 | 0.301 | 0.007 |
| OF (s) = 6.084 s | |||||||||
Disclaimer/Publisher’s Note: The statements, opinions and data contained in all publications are solely those of the individual author(s) and contributor(s) and not of MDPI and/or the editor(s). MDPI and/or the editor(s) disclaim responsibility for any injury to people or property resulting from any ideas, methods, instructions or products referred to in the content. |
© 2024 by the authors. Licensee MDPI, Basel, Switzerland. This article is an open access article distributed under the terms and conditions of the Creative Commons Attribution (CC BY) license (https://creativecommons.org/licenses/by/4.0/).
Share and Cite
Al-Bhadely, F.; İnan, A. Enhancing Coordination Efficiency with Fuzzy Monte Carlo Uncertainty Analysis for Dual-Setting Directional Overcurrent Relays Amid Distributed Generation. Sensors 2024, 24, 4109. https://doi.org/10.3390/s24134109
Al-Bhadely F, İnan A. Enhancing Coordination Efficiency with Fuzzy Monte Carlo Uncertainty Analysis for Dual-Setting Directional Overcurrent Relays Amid Distributed Generation. Sensors. 2024; 24(13):4109. https://doi.org/10.3390/s24134109
Chicago/Turabian StyleAl-Bhadely, Faraj, and Aslan İnan. 2024. "Enhancing Coordination Efficiency with Fuzzy Monte Carlo Uncertainty Analysis for Dual-Setting Directional Overcurrent Relays Amid Distributed Generation" Sensors 24, no. 13: 4109. https://doi.org/10.3390/s24134109
APA StyleAl-Bhadely, F., & İnan, A. (2024). Enhancing Coordination Efficiency with Fuzzy Monte Carlo Uncertainty Analysis for Dual-Setting Directional Overcurrent Relays Amid Distributed Generation. Sensors, 24(13), 4109. https://doi.org/10.3390/s24134109

