Wideband, Wearable, Printed Monopole Antenna System for Integration into an Electromagnetic Radiation Evaluation Device
Abstract
1. Introduction
- The modification was introduced in the octagonal printed planar monopole antenna element to further meander the current distribution.
- The compact combination of two linearly polarized monopoles was used to obtain dual-linear polarization, with acceptable mutual coupling.
- A foam absorber layer was used to mitigate the unwanted effects of a metal shield.
- The configuration of the antenna system was used to provide full coverage of the environment around the user.
- A method was used to estimate the amplitude of the electric field of the incident electromagnetic plane wave.
2. Monopole Antenna Element
2.1. Planar Straight Monopole
2.2. Modified Octagonal Monopole
- Change the geometry of the monopole.
- Change the geometry of the ground plane.
- Change the type of feeding.
- Change the types of materials and/or use active devices.
2.3. Dual-Linearly Polarized Monopole
3. Dual-Linearly Polarized Monopole Antenna with Absorber and Metal Shield
3.1. Experimental Characterization of the Foam Absorber
3.2. Dual-Linearly Polarized Monopole Antenna Optimization and Test
4. Final Antenna System Configuration
4.1. Monopole Antenna System Geometry
4.2. Numerical Simulation Results
4.3. Electromagnetic Field Estimation
- Read the voltage at each of the 10 monopole antenna ports and select the highest one. Users will be instructed to move around while reading the voltages to avoid the eventual incidence of local radiation pattern minima.
- Obtain the monopole gain from Figure 20.
- Use Equation (4) to calculate Eest.
5. Conclusions and Future Work
- Use adequate wearable-oriented materials (lossy foam, dielectric textiles, and metal textiles) [45].
- Integration into the vest (superstrate textiles, monopole deformation, and feeding cables).
- Tests with a realistic phantom (reflection coefficient, radiation pattern, efficiency, and gain).
- Uncertainty analysis of the procedure to estimate the amplitude of the electric field of the incident electromagnetic field.
- Extend the analysis up to 6.0 GHz (to include the remaining sub−6 GHz 5G frequency bands).
Author Contributions
Funding
Institutional Review Board Statement
Informed Consent Statement
Data Availability Statement
Acknowledgments
Conflicts of Interest
References
- Cisco Annual Internet Report (2018–2023). White Paper C11-741490-01. 2020. Available online: https://www.cisco.com/c/en/us/solutions/collateral/executive-perspectives/annual-internet-report/white-paper-c11-741490.html (accessed on 24 January 2023).
- International Commission on Non-Ionizing Radiation Protection (ICNIRP). Guidelines for Limiting Exposure to Electromagnetic Fields (100 kHz to 300 GHz). Health Phys. 2020, 118, 483–524. [Google Scholar] [CrossRef] [PubMed]
- IPVest Project. Available online: https://www.centi.pt/en/projects/advanced-textiles/ipvest- (accessed on 24 January 2023).
- Falcão, P.; Peixeiro, C. Dual-Linearly Polarized Wideband Printed Planar Monopole Antenna. In Proceedings of the European Conference on Antennas and Propagation (EuCAP), Madrid, Spain, 29 March–1 April 2022; pp. 1–5. [Google Scholar] [CrossRef]
- Falcão, P.; Peixeiro, C. Wideband Printed Planar Monopole Antenna for Wearable Application. In Proceedings of the 8th International Conference on Antennas and Electromagnetic Systems (AES), Marrakesh, Morocco, 24–27 May 2022; pp. 1–2. [Google Scholar]
- Krauss, J.D. Antennas, 2nd ed.; McGraw-Hill: Singapore, 1998; pp. 200–237. [Google Scholar]
- Lebbar, H.; Himdi, M.; Daniel, J.P. Transmission Line Analysis of Printed Monopoles. Electron. Lett. 1992, 28, 1326–1327. [Google Scholar] [CrossRef]
- Pozar, D.M. Microwave Engineering, 2nd ed.; Wiley: New York, NY, USA, 1998; pp. 160–167. [Google Scholar]
- CST Studio Suite. Available online: https://www.3ds.com/products-services/simulia/products/cst-studio-suite/ (accessed on 24 January 2023).
- Balanis, C.A. Antenna Theory: Analysis and Design, 2nd ed.; Wiley: New York, NY, USA, 1997. [Google Scholar]
- IEEE Std 145-2013 (Revision of IEEE Std 145-1993)—Redline; IEEE Standard for Definitions of Terms for Antennas—Redline. IEEE: New York, NY, USA, 6 March 2014; pp. 1–92. Available online: https://ieeexplore.ieee.org/document/6799986 (accessed on 24 January 2023).
- Balani, W.; Sarvagya, M.; Ali, T.; Pai, M.; Anguera, J.; Andujar, A.; Das, S. Design Techniques of Super-Wideband Antenna—Existing and Future Prospective. IEEE Access 2019, 7, 141241–141257. [Google Scholar] [CrossRef]
- Ammann, M.J.; Chen, Z.N. Wideband Monopole Antennas for Multi-Band Wireless Systems. IEEE Antennas Propag. Mag. 2003, 45, 146–150. [Google Scholar] [CrossRef]
- Johnson, J.M.; Rahmat-Samii, Y. The Tab Monopole. IEEE Trans. Antennas Propag. 1997, 45, 187–188. [Google Scholar] [CrossRef]
- Lin, C.-C.; Kan, Y.-C.; Kuo, L.-C.; Chuang, H.-R. A Planar Triangular Monopole Antenna for UWB Communication. IEEE Microw. Wirel. Comp. Lett. 2005, 15, 624–626. [Google Scholar] [CrossRef]
- Liang, J.; Chiau, C.C.; Chen, X.; Parini, C.G. Study of a Printed Circular Disc Monopole Antenna for UWB Systems. IEEE Trans. Antennas Propag. 2005, 53, 3500–3504. [Google Scholar] [CrossRef]
- Agrawall, N.P.; Kumar, G.; Ray, K.P. Wide-Band Planar Monopole Antennas. IEEE Trans. Antennas Propag. 1998, 46, 294–295. [Google Scholar] [CrossRef]
- Singhal, S.; Singh, A.K. CPW-fed hexagonal Sierpinski super wideband fractal antenna. IET Microw. Antennas Propag. 2016, 10, 1701–1707. [Google Scholar] [CrossRef]
- Dikmen, C.M.; Çimen, S.; Çakir, G. Planar Octagonal-Shaped UWB Antenna with Reduced Radar Cross-Section. IEEE Trans. Antennas Propag. 2014, 62, 2946–2953. [Google Scholar] [CrossRef]
- Puente-Baliarda, C.; Romeu, J.; Pous, R.; Cardama, A. On the Behavior of the Sierpinski Multiband Fractal Antenna. IEEE Trans. Antennas Propag. 1998, 46, 517–524. [Google Scholar] [CrossRef]
- Bai, X.-F.; Zhong, S.-S.; Liang, X.-L. Leaf-Shaped Monopole Antenna with Extremely Wide Bandwidth. Microw. Opt. Technol. Lett. 2006, 48, 1247–1250. [Google Scholar] [CrossRef]
- Xavier, G.V.R.; Serres, A.J.R.; Costa, E.G.; Oliveira, A.C.; Nobrega, L.A.M.M.; Sousa, V.C. Design and Application of a Metamaterial Superstrate on a Bio-Inspired Antenna for Partial Discharge Detection through Dielectric Windows. Sensors 2019, 19, 4255. [Google Scholar] [CrossRef]
- Suh, S.-Y.; Stutzman, W.L.; Davis, W.A. A New Ultrawideband Printed Monopole Antenna: The Planar Inverted Cone Antenna (PICA). IEEE Trans. Antennas Propag. 2004, 52, 1361–1365. [Google Scholar] [CrossRef]
- Yang, L.; Zhang, D.; Zhu, X.; Li, Y. Design of a Super Wide Band Antenna and Measure of Ambient RF Density in Urban Area. IEEE Access 2020, 8, 767–774. [Google Scholar] [CrossRef]
- Balani, W.; Sarvagya, M.; Samasgikar, A.; Ali, T.; Kumar, P. Design and Analysis of Super Wideband Antenna for Microwave Applications. Sensors 2021, 21, 477. [Google Scholar] [CrossRef]
- Zhong, S.-S.; Liang, X.-L.; Wang, W. Compact Elliptical Monopole Antenna with Impedance Bandwidth in Excess of 21:1. IEEE Trans. Antennas Propag. 2007, 55, 3082–3085. [Google Scholar] [CrossRef]
- Chen, K.-R.; Sim, C.-Y.-D.; Row, J.-S. A Compact Monopole Antenna for Super Wideband Applications. IEEE Antennas Wirel. Propag. Lett. 2011, 10, 488–491. [Google Scholar] [CrossRef]
- Liu, J.; Esselle, K.P.; Hay, S.G.; Zhong, S. Achieving Ratio Bandwidth of 25:1 from a Printed Antenna Using a Tapered Semi-Ring Feed. IEEE Antennas Wirel. Propag. Lett. 2011, 10, 1333–1336. [Google Scholar] [CrossRef]
- Liu, J.; Zhong, S.; Esselle, K.P. A Printed Elliptical Monopole Antenna with Modified Feeding Structure for Bandwidth Enhancement. IEEE Trans. Antennas Propag. 2011, 59, 667–670. [Google Scholar] [CrossRef]
- Li, T.; Zhu, C.; Cao, X.; Gao, J. Compact UWB Antenna with Sharp Tunable Band-Notched Characteristics. Microw. Opt. Technol. Lett. 2016, 58, 529–532. [Google Scholar] [CrossRef]
- Singhal, S.; Singh, A.K. CPW-fed octagonal super-wideband fractal antenna with defected ground structure. IET Microw. Antennas Propag. 2017, 11, 370–377. [Google Scholar] [CrossRef]
- Wong, K.-L.; Wu, C.-H.; Su, S.-W. Ultra-Wideband Square Planar Metal Plate Monopole Antenna with a Trident-Shaped Feeding Strip. IEEE Trans. Antennas Propag. 2005, 53, 1262–1268. [Google Scholar] [CrossRef]
- Zachou, V.; Christodoulou, C.G.; Chryssomalys, M.T.; Anagnostou, D.; Barbin, S. Planar Monopole Antenna with Attached Sleeves. IEEE Antennas Wirel. Propag. Lett. 2006, 5, 286–289. [Google Scholar] [CrossRef]
- Qu, S.-W.; Li, J.-L.; Xue, Q. A Band-Notched Ultrawideband Printed Monopole Antenna. IEEE Antennas Wirel. Propag. Lett. 2006, 5, 495–498. [Google Scholar] [CrossRef]
- Claus, N.; Verhaevert, J.; Rogier, H. Cost-Driven Design of Printed Wideband Antennas with Reduced Silver Ink Consumption for the Internet of Things. Sensors 2022, 22, 7929. [Google Scholar] [CrossRef]
- Tsolis, A.; Whittow, W.G.; Alexandridis, A.A.; Vardaxoglu, J.C. Embroidery and Related Manufacturing Techniques for Wearable Antennas: Challenges and Opportunities. Electronics 2014, 3, 314–338. [Google Scholar] [CrossRef]
- Gómez, M.E.C.; Álvarez, H.F.; Berdasco, A.F.; Andrés, F.L.-H. Paving the Way to Eco-Friendly IoT Antennas: Tencel-Based Ultra-Thin Compact Monopole and Its Applications to ZigBee. Sensors 2020, 20, 3658. [Google Scholar] [CrossRef]
- Khurshid, A.; Dong, J.; Shi, R. A Metamaterial-Based Compact Planar Monopole Antenna for Wi-Fi and UWB Applications. Sensors 2019, 19, 5426. [Google Scholar] [CrossRef]
- Zhang, C.; Yang, S.; El-Ghazali, S.; Fathy, A.E.; Nair, V.K. A Low-Profile Lumped Monopole Laptop Reconfigurable Multiband Antenna for Wireless Applications. IEEE Antennas Wirel. Propag. Lett. 2009, 8, 216–219. [Google Scholar] [CrossRef]
- Cabedo-Fabrés, M.; Antonino-Daviu, E.; Valero-Nogueira, A.; Bataller, M.F. The Theory of Characteristic Modes Revisited: A Contribution to the Design of Antennas for Modern Applications. IEEE Antennas Propag. Mag. 2007, 49, 52–68. [Google Scholar] [CrossRef]
- Wu, W.; Zhang, Y.P. Analysis of Ultra-Wideband Printed Planar Quasi-Monopole Antennas Using the Theory of Characteristic Modes. IEEE Antennas Propag. Mag. 2010, 52, 67–77. [Google Scholar] [CrossRef]
- Redheffer, R.M. The Measurement of Dielectric Constants. In Technique of Microwave Measurements; Montgomery, C.G., Ed.; McGraw-Hill: New York, NY, USA, 1947; pp. 591–606. [Google Scholar]
- Mendes, C.; Peixeiro, C. Fabrication, Measurement and Time Decay of the Electromagnetic Properties of Semi-Solid Water-based Phantoms. Sensors 2019, 19, 4298. [Google Scholar] [CrossRef] [PubMed]
- Rossi, J.P.; Barbot, J.-P.; Levy, A.J. Theory and Measurement of the Angle of Arrival and Time Delay of UHF Radiowaves Using a Ring Array. IEEE Trans. Antennas Propag. 1997, 45, 876–884. [Google Scholar] [CrossRef]
- Salvado, R.; Loss, C.; Gonçalves, R.; Pinho, P. Textile Materials for the Design of Wearable Antennas: A Review. Sensors 2012, 12, 15841–15857. [Google Scholar] [CrossRef]


























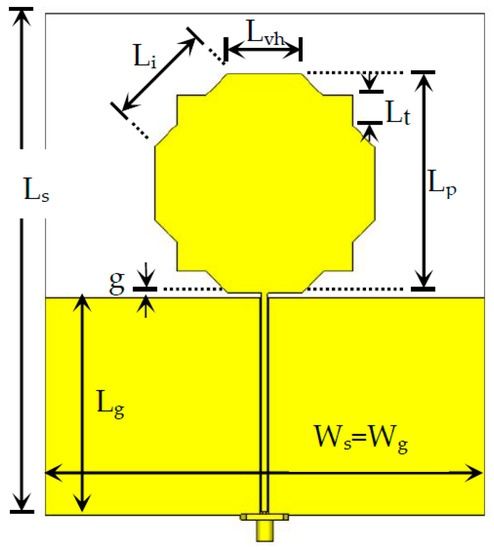
| Parameter | Ls | Lg | Ws = Wg | Lp | Li | Lvh | Lt | g | a | b |
|---|---|---|---|---|---|---|---|---|---|---|
| Value [mm] | 150 | 73 | 100 | 75 | 35.4 | 25 | 10 | 1.5 | 2 | 0.4 |
| Port Number | Monopole Location | Polarization |
|---|---|---|
| 1 | Chest | Horizontal (X) |
| 2 | Chest | Vertical (Y) |
| 3 | Back | Horizontal (X) |
| 4 | Back | Vertical (Y) |
| 5 | Left shoulder | Horizontal (Z) |
| 6 | Left shoulder | Vertical (Y) |
| 7 | Right shoulder | Horizontal (Z) |
| 8 | Right shoulder | Vertical (Y) |
| 9 | Helmet | Horizontal (X) |
| 10 | Helmet | Horizontal (Z) |
Disclaimer/Publisher’s Note: The statements, opinions and data contained in all publications are solely those of the individual author(s) and contributor(s) and not of MDPI and/or the editor(s). MDPI and/or the editor(s) disclaim responsibility for any injury to people or property resulting from any ideas, methods, instructions or products referred to in the content. |
© 2023 by the authors. Licensee MDPI, Basel, Switzerland. This article is an open access article distributed under the terms and conditions of the Creative Commons Attribution (CC BY) license (https://creativecommons.org/licenses/by/4.0/).
Share and Cite
Falcão, P.; Felício, J.M.; Peixeiro, C. Wideband, Wearable, Printed Monopole Antenna System for Integration into an Electromagnetic Radiation Evaluation Device. Sensors 2023, 23, 3667. https://doi.org/10.3390/s23073667
Falcão P, Felício JM, Peixeiro C. Wideband, Wearable, Printed Monopole Antenna System for Integration into an Electromagnetic Radiation Evaluation Device. Sensors. 2023; 23(7):3667. https://doi.org/10.3390/s23073667
Chicago/Turabian StyleFalcão, Pedro, João M. Felício, and Custódio Peixeiro. 2023. "Wideband, Wearable, Printed Monopole Antenna System for Integration into an Electromagnetic Radiation Evaluation Device" Sensors 23, no. 7: 3667. https://doi.org/10.3390/s23073667
APA StyleFalcão, P., Felício, J. M., & Peixeiro, C. (2023). Wideband, Wearable, Printed Monopole Antenna System for Integration into an Electromagnetic Radiation Evaluation Device. Sensors, 23(7), 3667. https://doi.org/10.3390/s23073667

