Configurable Pseudo Noise Radar Imaging System Enabling Synchronous MIMO Channel Extension
Abstract
1. Introduction
1.1. System Model
1.2. The Importance of Synchronization
- Retrospective synchronization: The measurements are carried out asynchronously (sequentially), whereby, e.g., different time bases or time domain signal offsets occur between different channels, which must be subsequently compensated for, to achieve coherent data analysis.
- A priori synchronization: It is ensured in advance that all transmitters and receivers are synchronized to the same time base and that the measurement is started synchronously at all channels as well as all that channels have the same displacement in time domain.
2. PRN UWB Sensors for MIMO Imaging
2.1. M-Sequence UWB Devices
- Picosecond precision: The edges of the LFSR clock signal as well as the edges of the T&H clock should be as steep and as stable as possible, since they determine the random sampling jitter independently of their clock rate being in the range (LFSR) or the 10 range (T&H).
- Nanosecond precision: Assuming a stable hold phase of the T&H circuit, the timing precision of the ADC clock and the digital pre-processing is less critical.
2.2. Multichannel UWB Sensor Design
- The transmitter and receiver unit that accomplishes the analog RF signal tasks that are most likely the generation and conditioning of UWB PRN stimulus signals as well as the receiving of the sut’s system responses using T&H circuits.
- The digitizing and pre-processing unit that performs analog-to-digital conversion and hardware–level signal processing as well as the streaming of recorded data to a secondary processing or storage unit.
- Sequential mode: In this mode, all transmitters are operated with an identical PRN signal, which is typically an M-sequence due to its best autocorrelation properties. Since there are several M-sequences per order, which are, however, strongly correlated with each other, the different transmitters must be operated sequentially according to (2), while all receivers always operate in parallel.
- One-shot mode: However, if the measurement speed is in the main focus of interest, a “one-shot” MIMO measurement should be applied, where all transmitters are operated in parallel according to (1). In this case, other types of binary PRN codes with improved cross-correlation properties are additionally required [24], which can be easily achieved by adjusting the feedback structure of the shift registers in stimulus generation, while the remainder of the UWB sensor structure, nevertheless, is not affected by changing the PRN type. The autocorrelation properties of such PRN codes are, however, less perfect as those of an M-sequence. Examples of such sequences, which can be generated from configurable shift registers, are Gold or Kasami codes. Attention should be paid with respect to receiver saturation. Since all transmitters are working in parallel, the power of the individual transmitters has to be reduced compared to the sequential mode of operation due to the power accumulation at the receiver inputs. This will affect the SNR, so that, finally, the speed advantage of the one-shot mode compared to the sequential mode is often insignificant (see [10] at chapter 3.3.6.2).
- Mixed mode: This mode combines the modes previously provided. While all Rx antennas are still receiving continuously, a partition of Tx antennas may be grouped to a subarray that synchronously transmits the identical M-sequence in parallel and then is repeatedly switched to form a new subarray of transmitting antennas. This combination of parallel and sequential modes may be used to increase the transmitted power that is focused in a certain spatial direction as it is a beamforming array to a certain understanding.
- The stimulus is a 9th-order M-sequence with a length of chips.
- The M_CLK is set to .
- By dividing M_CLK through , it concludes .
- The ADC samples at with a resolution of 16 bit.
- Determining the system’s overall jitter performance, there has to be one single fast master clock, which has to be exceptionally stable.
- Derived from this fast master clock, there is a set of divided clock signals that appears in a fixed grid to the master clock. While the timing of the T&H sampling is critical in terms of the sampling jitter (picosecond precision), the timing of the ADC sampling clock is less critical (nanosecond precision), once there is only a slow decay during the T&H hold phase.
- Synchronicity is the most significant aspect, not only in terms of the coherent generation of sequences or samples throughout an arbitrary number of channels but also in terms of synchronous pre-processing to reduce the bulk of data and increase the dynamics of the system. Therefore, the timing of an arbitrary number of measurement nodes has to be precisely aligned by a synchronization signal, and each unit requires reset mimics to allow it to return to its defined initial state.
2.3. Configurable PRN Generator and Clock Divider Circuits in Integrated SiGe-Technology
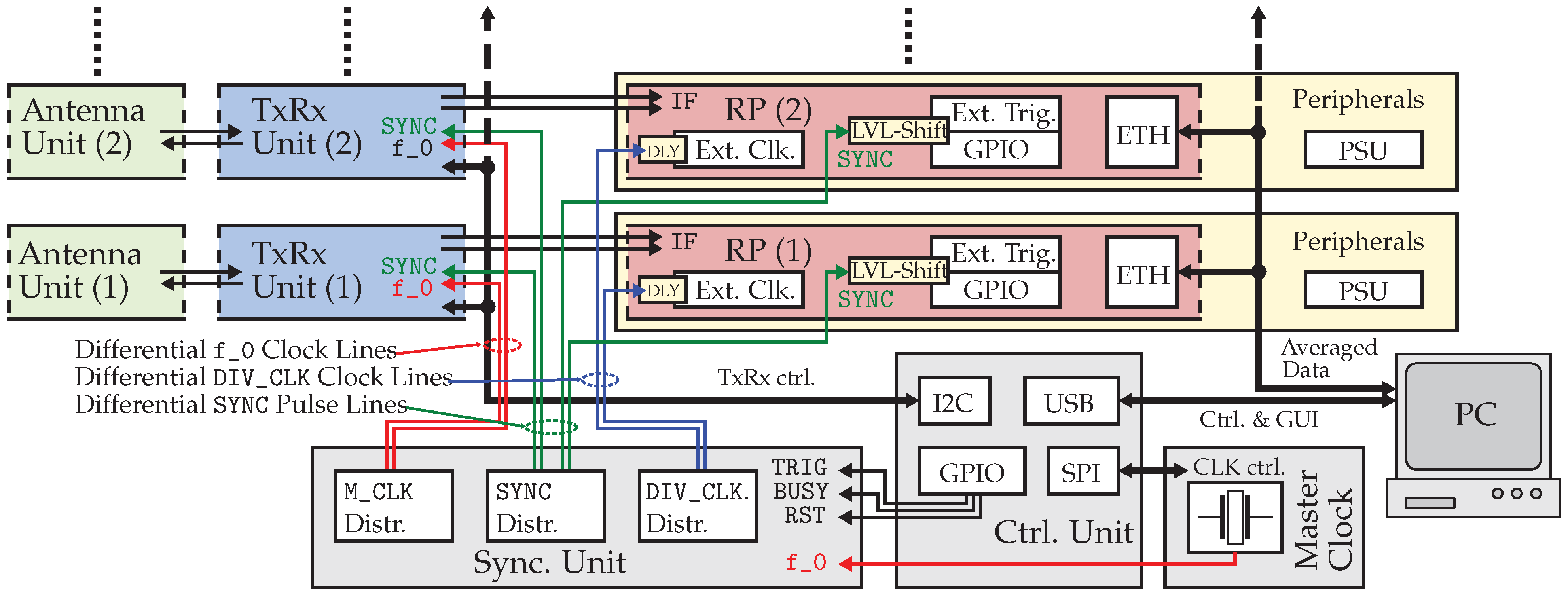
3. System Architecture
3.1. Standalone Measurement Node
- TRIG, which starts the synchronization circuitry and thus triggers the generation of synchronous sequences as well as the valid recording of ADC samples;
- BUSY, which is set to prevent faulty resynchronization while a measurement is still running;
- RST, which resets the synchronization circuit to its initial state.
3.2. Synchronization and Timing
3.3. MIMO Enhancement
4. System Performance Evaluation
- The synchronization unit (Figure 8);
- The control unit (measurement platform);
- The master clock synthesizer (LMX2595);
- A laptop PC as host unit for data acquisition, visualization, and control.
4.1. Basic Radar Mode of Operation
4.2. Jitter Performance
4.3. Repetitive Array Synchronization Accuracy
5. Conclusions
Author Contributions
Funding
Data Availability Statement
Acknowledgments
Conflicts of Interest
Abbreviations
| ADC | analog-to-digital converter |
| ASIC | application-specific integrated circuit |
| B2B | back-to-back |
| CML | current mode logic |
| CS | Compressive Sensing |
| ETH | Ethernet |
| FFT | fast Fourier transform |
| FHT | fast Hadamard transform |
| FPGA | field-programmable gate array |
| FWHM | full wave half max |
| GPIO | general purpose input/output |
| GPR | ground-penetrating radar |
| GUI | graphical user interface |
| I2C | inter-integrated circuit |
| IC | integrated circuit |
| IED | improvised explosive device |
| IRF | impulse response function |
| LFSR | linear feedback shift register |
| LVPECL | low-voltage postive emitter-coupled logic |
| MIMO | multiple-input and multiple-output |
| MLBS | maximum-length binary sequence |
| MTBF | mean time between failures |
| NDT | non-destructive testing |
| PC | personal computer |
| PRN | pseudo-random noise |
| RF | radio frequency |
| RP | Red Pitaya |
| Rx | receiver |
| SNR | signal-to-noise ratio |
| SoC | system on chip |
| SPI | serial peripheral interface |
| SUT | scenario under test |
| T&H | track and hold |
| Tx | transmitter |
| USB | universal serial bus |
| UWB | ultra-wideband |
| VCO | voltage-controlled oscillator |
| XB2B | crosswise back-to-back |
References
- Barone, P.M.; Desibio, L. Landscape archaeology of southern Umbria (Italy) using the GPR technique. In Proceedings of the 2015 8th International Workshop on Advanced Ground Penetrating Radar (IWAGPR), Florence, Italy, 7 June–10 July 2015; pp. 1–4. [Google Scholar] [CrossRef]
- Jonard, F.; Weihermuller, L.; Jadoon, K.Z.; Schwank, M.; Vereecken, H.; Lambot, S. Mapping Field-Scale Soil Moisture with L-Band Radiometer and Ground-Penetrating Radar Over Bare Soil. IEEE Trans. Geosci. Remote Sens. 2011, 49, 2863–2875. [Google Scholar] [CrossRef]
- Fruehauf, F.; Heilig, A.; Schneebeli, M.; Fellin, W.; Scherzer, O. Experiments and Algorithms to Detect Snow Avalanche Victims Using Airborne Ground-Penetrating Radar. IEEE Trans. Geosci. Remote Sens. 2009, 47, 2240–2251. [Google Scholar] [CrossRef]
- Grazzini, G.; Pieraccini, M.; Parrini, F.; Spinetti, A.; Macaluso, G.; Dei, D.; Atzeni, C. An ultra-wideband high-dynamic range GPR for detecting buried people after collapse of buildings. In Proceedings of the XIII International Conference on Ground Penetrating Radar, Lecce, Italy, 21–25 June 2010; pp. 1–6. [Google Scholar] [CrossRef]
- Sachs, J.; Peyerl, P.; Alli, G. Ultra-Wideband Polarimetric GPR-Array stimulated by Pseudo Random Binary Codes. In Proceedings of the Tenth International Conference on Ground Penetrating Radar, Delft, The Netherlands, 21–24 June 2004; pp. 163–166. [Google Scholar]
- Sachs, J.; Ley, S.; Just, T.; Chamaani, S.; Helbig, M. Differential Ultra-Wideband Microwave Imaging: Principle Application Challenges. Sensors 2018, 18, 2136. [Google Scholar] [CrossRef] [PubMed]
- Helbig, M.; Koch, J.H.; Ley, S.; Herrmann, R.; Kmec, M.; Schilling, K.; Sachs, J. Development and test of a massive MIMO system for fast medical UWB imaging. In Proceedings of the International Conference on Electromagnetics in Advanced Applications (ICEAA), Verona, Italy, 11–15 September 2017; pp. 1331–1334. [Google Scholar] [CrossRef]
- Ley, S.; Sachs, J.; Faenger, B.; Hilger, I.; Helbig, M. MNP-Enhanced Microwave Medical Imaging by Means of Pseudo-Noise Sensing. Sensors 2021, 21, 6613. [Google Scholar] [CrossRef] [PubMed]
- Lynch, P.J. Lateral Head Anatomy Detail. Available online: https://commons.wikimedia.org/w/index.php?curid=60309786 (accessed on 25 November 2022).
- Sachs, J. Handbook of Ultra-Wideband Short-Range Sensing: Theory, Sensors, Applications; Wiley-VCH-Verl.: Weinheim, Germany, 2012. [Google Scholar]
- Leone, G.; Persico, R.; Liseno, A.; Soldovieri, F. Linear inversion algorithms in GPR applications. In Proceedings of the 2nd International Workshop on Advanced Ground Penetrating Radar, Delft, The Netherlands, 14–16 May 2003; pp. 56–59. [Google Scholar] [CrossRef]
- Nikolova, N.D. Introduction to Microwave Imaging; EuMA High Frequency Technologies Series; Cambridge University Press: Cambridge, UK, 2017. [Google Scholar] [CrossRef]
- Lim, H.B.; Nhung, N.T.T.; Li, E.P.; Thang, N.D. Confocal microwave imaging for breast cancer detection: Delay-multiply-and-sum image reconstruction algorithm. IEEE Trans. Bio-Med. Eng. 2008, 55, 1697–1704. [Google Scholar] [CrossRef]
- Gutierrez, S.; Pantoja, J.J.; Ruiz, E.F.; Gonzalez, N.; Vega, F.; Baer, C.; Sachs, J.; Kasmi, C. Advances on the detection of Landmines and IEDs in Colombia using UWB GPR and Machine Learning Techniques. In Proceedings of the 15th European Conference on Antennas and Propagation (EuCAP), Dusseldorf, Germany, 22–26 March 2021; pp. 1–4. [Google Scholar] [CrossRef]
- Kocur, D.; Gamec, J.; Svecova, M.; Gamcova, M.; Rovnakova, J. Imaging method: A strong tool for moving target tracking by a multistatic UWB radar system. In Proceedings of the IEEE 8th International Symposium on Applied Machine Intelligence and Informatics (SAMI), Herlany, Slovakia, 28–30 January 2010; pp. 11–19. [Google Scholar] [CrossRef]
- Svecova, M.; Porteleky, T.; Kocur, D. Real-Time Operating UWB Sensor System for Static Person Localization. In Proceedings of the 2019 PhotonIcs & Electromagnetics Research Symposium-Spring (PIERS-Spring), Rome, Italy, 17–20 June 2019; pp. 3558–3565. [Google Scholar] [CrossRef]
- Rey, S.; Eckhardt, J.M.; Peng, B.; Guan, K.; Kürner, T. Channel sounding techniques for applications in THz communications: A first correlation based channel sounder for ultra-wideband dynamic channel measurements at 300 GHz. In Proceedings of the 2017 9th International Congress on Ultra Modern Telecommunications and Control Systems and Workshops (ICUMT), Munich, Germany, 6–8 November 2017; pp. 449–453. [Google Scholar] [CrossRef]
- Joshi, H.; Darak, S.J.; Alaee-Kerahroodi, M.; Mysore Rama Rao, B.S. Reconfigurable and Intelligent Ultrawideband Angular Sensing: Prototype Design and Validation. IEEE Trans. Instrum. Meas. 2021, 70, 5501415. [Google Scholar] [CrossRef]
- Wagner, C.W.; Semper, S.; Romer, F.; Schonfeld, A.; Del Galdo, G. Hardware Architecture for Ultra-Wideband Channel Impulse Response Measurements Using Compressed Sensing. In Proceedings of the 28th European Signal Processing Conference (EUSIPCO 2020), Amsterdam, The Netherlands, 18–21 January 2021; pp. 1663–1667. [Google Scholar] [CrossRef]
- Rossberg, M.; Sachs, J.; Rauschenbach, P.; Peyerl, P.; Pressel, K.; Winkler, W.; Knoll, D. 11 GHz SiGe circuits for ultra wideband radar. In Proceedings of the 2000 BIPOLAR/BiCMOS Circuits and Technology Meeting (Cat. No.00CH37124), Minneapolis, MN, USA, 24–26 September 2000; pp. 70–73. [Google Scholar] [CrossRef]
- Sachs, J. M-sequence ultra-wideband-radar: State of development and applications. In Proceedings of the 2003 International Conference on Radar (IEEE Cat. No.03EX695), Adelaide, Australia, 3–5 September 2003; pp. 224–229. [Google Scholar] [CrossRef]
- Zetik, R.; Sachs, J.; Thoma, R. UWB short-range radar sensing—The architecture of a baseband, pseudo-noise UWB radar sensor. IEEE Instrum. Meas. Mag. 2007, 10, 39–45. [Google Scholar] [CrossRef]
- Xiang, N. A mobile universal measuring system for the binaural room-acoustic modelling-technique. In Schriftenreihe der Bundesanstalt für Arbeitsschutz Forschung FB; Wirtschaftsverl. NW Verl. für Neue Wiss: Bremerhaven, Germany, 1991; Volume 611. [Google Scholar]
- Zepernick, H.J.; Finger, A. Pseudo Random Signal Processing: Theory and Application; Wiley: Chichester, UK; Hoboken, NJ, USA, 2005. [Google Scholar]
- Wagner, C.W.; Glaeser, G.; Sasse, T.; Kell, G.; Del Galdo, G. Make Some Noise: Energy-Efficient 38 Gbit/s Wide-Range Fully-Configurable Linear Feedback Shift Register. In Proceedings of the SMACD/PRIME 2021: International Conference on Synthesis, Modeling, Analysis and Simulation Methods and Applications to Circuit Design and 16th Conference on PhD Research in Microelectronics and Electronics, Online Event, 19–22 July 2021; pp. 384–387. [Google Scholar]
- Wagner, C.W.; Glaeser, G.; Kell, G.; Del Galdo, G. Every Clock Counts—41 GHz Wide-Range Integer-N Clock Divider. In Proceedings of the SMACD/PRIME 2021: International Conference on Synthesis, Modeling, Analysis and Simulation Methods and Applications to Circuit Design and 16th Conference on PhD Research in Microelectronics and Electronic, Online Event, 19–22 July 2021; pp. 388–391. [Google Scholar]
- The Consultative Committee for Space Data Systems. CCSDS 414.1-B-3 Pseudo-Noise (PN) Rangin Systems; Recommendation for Space Data System Standards, CCSDS Secretariat, National Aeronautics and Space Administration: Washington, DC, USA, 2022.
- Jet Propulsion Laboratory. JPL 810-005.214B Pseudo-Noise and Regenerative Ranging. In DSN Telecommunications Link Design Handbook; California Institute of Technology: Pasadena, CA, USA, 2019. [Google Scholar]
- Ilmsens GmbH. IS-TH0805 Track and Hold Circuit Specifications: Conversation; Ilmsens GmbH: Ilmenau, Germany, 2022. [Google Scholar]
- Texas Instruments Inc. LMX2595 20-GHz Wideband PLLATINUM™ RF Synthesizer with Phase Synchronization and JESD204B Support. Available online: https://www.ti.com/lit/ds/symlink/lmx2595.pdf?ts=1669615272255 (accessed on 28 November 2022).
- Red Pitaya d.o.o. SDRlab 122-16 Standard Kit. Available online: https://redpitaya.com/product/sdrlab-122-16-standard-kit/ (accessed on 22 November 2022).
- Wagner, C.W.; Semper, S.; Kirchhof, J. fastmat: Efficient linear transforms in Python. SoftwareX 2022, 18, 101013. [Google Scholar] [CrossRef]
- Ginosar, R. Metastability and Synchronizers: A Tutorial. IEEE Des. Test Comput. 2011, 28, 23–35. [Google Scholar] [CrossRef]
- Li, D.; Chuang, P.; Sachdev, M. Comparative analysis and study of metastability on high-performance flip-flops. In Proceedings of the 2010 11th International Symposium on Quality Electronic Design (ISQED), San Jose, CA, USA, 22–24 March 2010; pp. 853–860. [Google Scholar] [CrossRef]
- Ilmsens GmbH. IS-CKDIV0508 Clock Divider Circuit Specifications: Conversation; Ilmsens GmbH: Ilmenau, Germany, 2022. [Google Scholar]
- Beer, S.; Ginosar, R. Eleven Ways to Boost Your Synchronizer. IEEE Trans. Very Large Scale Integr. (VLSI) Syst. 2015, 23, 1040–1049. [Google Scholar] [CrossRef]
- Sachs, J.; Herrmann, R.; Kmec, M. Time and range accuracy of short-range ultra-wideband pesudo-noise radar. Appl. Radio Electron. 2013, 12, 105–113. [Google Scholar]















Disclaimer/Publisher’s Note: The statements, opinions and data contained in all publications are solely those of the individual author(s) and contributor(s) and not of MDPI and/or the editor(s). MDPI and/or the editor(s) disclaim responsibility for any injury to people or property resulting from any ideas, methods, instructions or products referred to in the content. |
© 2023 by the authors. Licensee MDPI, Basel, Switzerland. This article is an open access article distributed under the terms and conditions of the Creative Commons Attribution (CC BY) license (https://creativecommons.org/licenses/by/4.0/).
Share and Cite
Bräunlich, N.; Wagner, C.W.; Sachs, J.; Del Galdo, G. Configurable Pseudo Noise Radar Imaging System Enabling Synchronous MIMO Channel Extension. Sensors 2023, 23, 2454. https://doi.org/10.3390/s23052454
Bräunlich N, Wagner CW, Sachs J, Del Galdo G. Configurable Pseudo Noise Radar Imaging System Enabling Synchronous MIMO Channel Extension. Sensors. 2023; 23(5):2454. https://doi.org/10.3390/s23052454
Chicago/Turabian StyleBräunlich, Niklas, Christoph W. Wagner, Jürgen Sachs, and Giovanni Del Galdo. 2023. "Configurable Pseudo Noise Radar Imaging System Enabling Synchronous MIMO Channel Extension" Sensors 23, no. 5: 2454. https://doi.org/10.3390/s23052454
APA StyleBräunlich, N., Wagner, C. W., Sachs, J., & Del Galdo, G. (2023). Configurable Pseudo Noise Radar Imaging System Enabling Synchronous MIMO Channel Extension. Sensors, 23(5), 2454. https://doi.org/10.3390/s23052454

