Self-Powered Synchronized Switching Interface Circuit for Piezoelectric Footstep Energy Harvesting
Abstract
1. Introduction
- We provide an up-to-date literature review of the state-of-the-art electrical interfaces for piezoelectric energy harvesting, including a detailed analysis of the architecture and working principle of each circuit.
- We propose a novel self-powered energy harvesting interface (SP-PSSHI) able to harvest energy from irregular human footsteps and efficiently manage the extracted power to be stored for future use.
- We designed a wearable piezoelectric energy harvesting system composed of 3 main blocks: the designed shoe insole with integrated PEts to serve as a harvester for the system; the proposed energy harvesting interface; and a coin cell battery to perform energy storage and battery charging actions.
- We demonstrate the performance of the system and we validate it with a detailed experimental study.
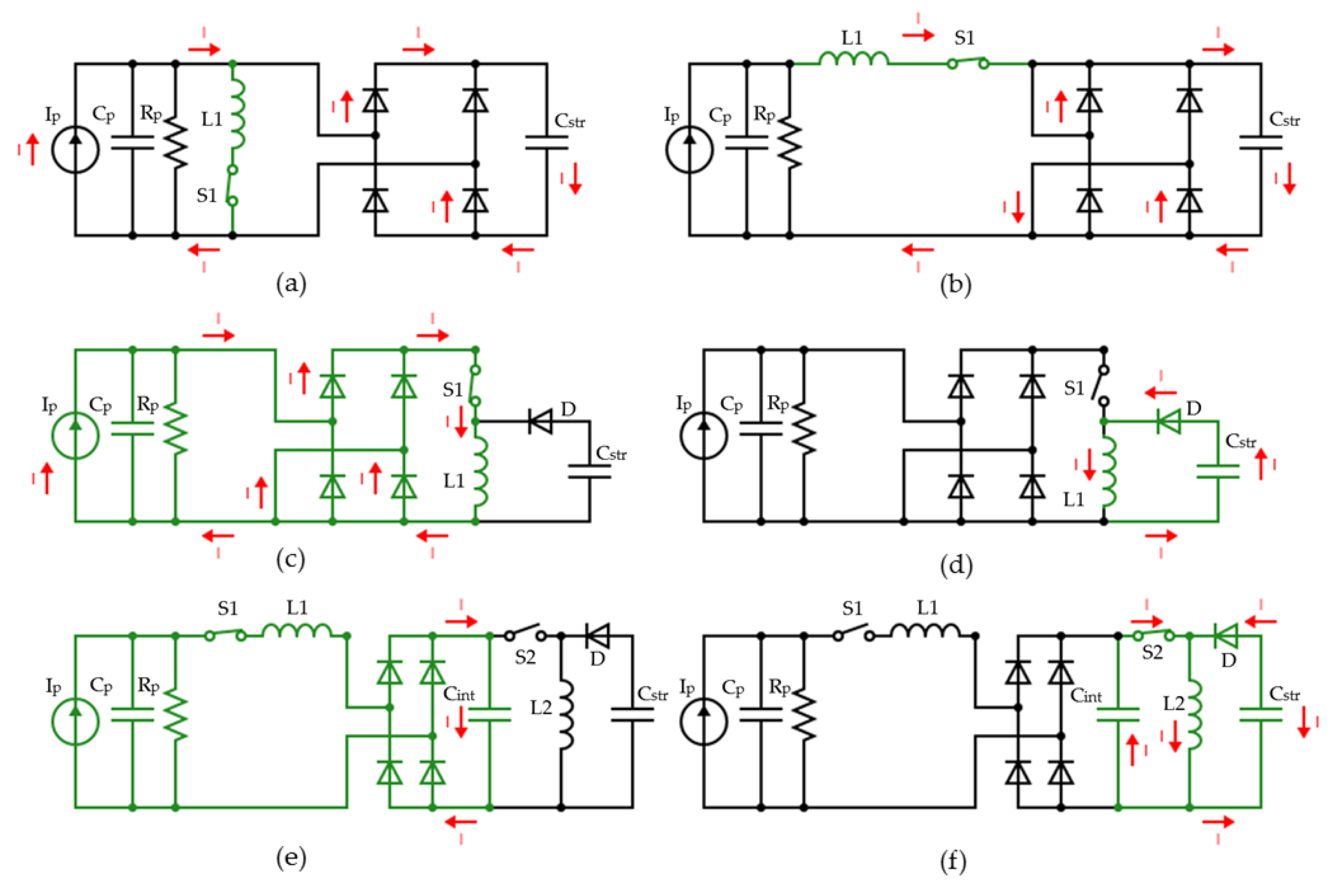
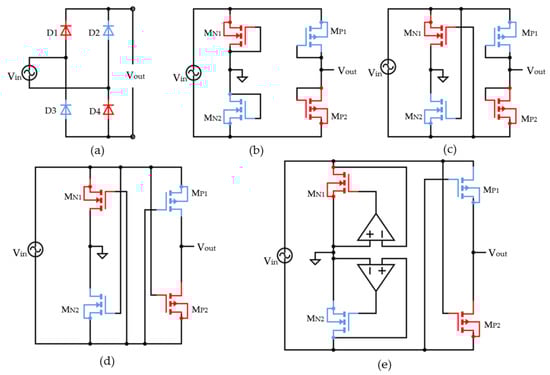
2. State of the Art of Synchronised Switching Based Electrical Interfaces for Piezoelectric Energy Harvesting
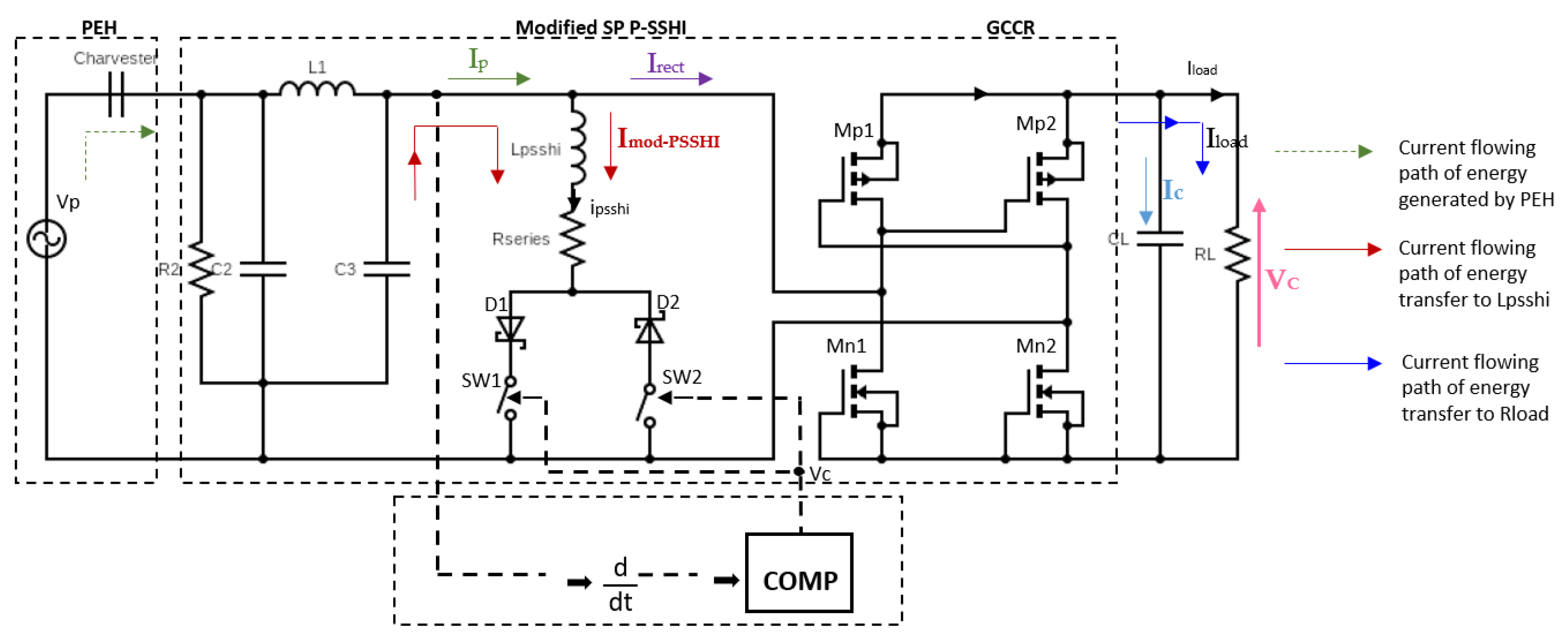
3. Novel Approach of SP-PSSHI Piezoelectric Energy Harvesting Interface
- Piezoelectric Energy Harvester (PEH) and low pass filter
- Peak Voltage Detector and Triggering Circuit
- Modified Resonant (P-SSHI) Circuit
- GCC-based AC/DC rectifier
3.1. Piezoelectric Energy Harvester and Low Pass Filter
3.2. Peak Voltage Detector and Self Powered Power Supply Circuit
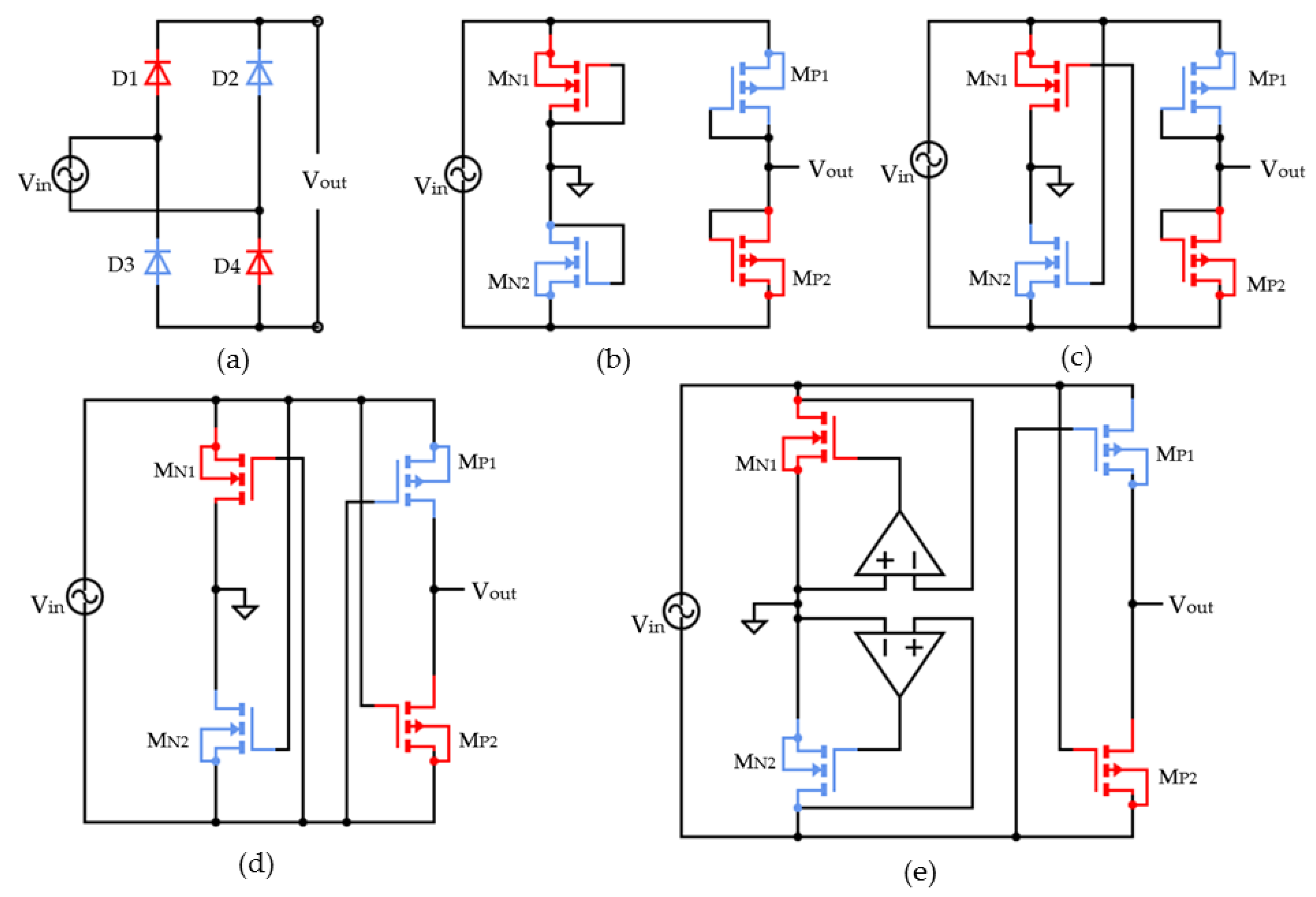
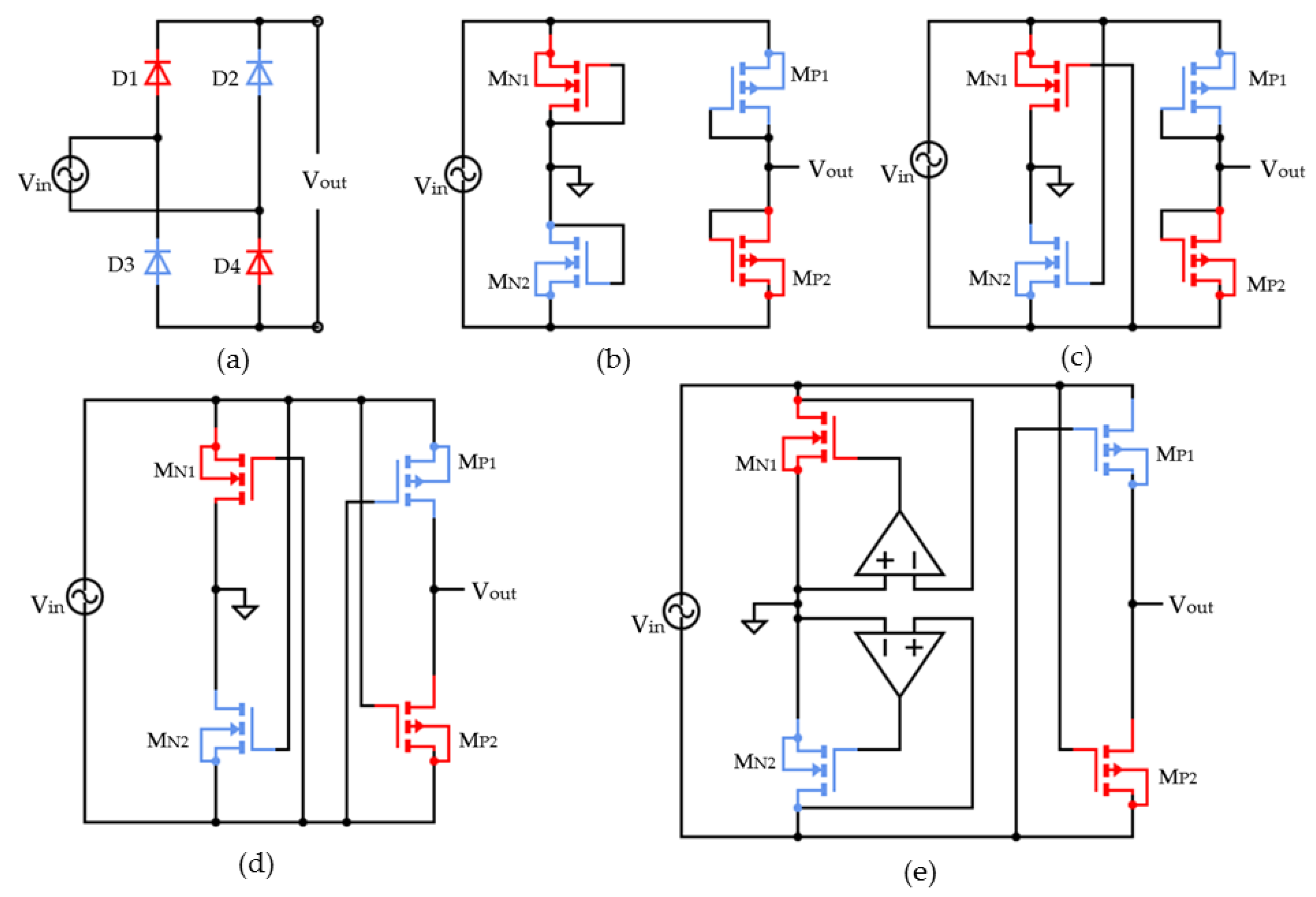
3.3. Gate Cross-Coupled Based AC-DC Rectifier
4. Modified Resonant (P-SSHI) Circuit
- [, ]The half LC resonant period is equal to the time interval between and . During this interval, the inductor of the PSSHI interface will resonate with the internal capacitor of the PCD. Consequently, the terminal voltage of the piezoelectric transducer reverses its polarity from the negative voltage to the positive voltage. Equation (15) can be used to express the terminal voltage of the PCD during the oscillating period. The terminal voltage at time can be calculated as shown by Equation (16) by substituting in Equation (15).
- [, ]In this interval, as < , the rectifier is disconnected and and the current flowing through the rectifier can be expressed by Equation (17)
- [, ]In this interval, the voltage reaches and the rectifier is connected. equals + where is the current flowing through the rectifier capacitor. flows through the rectifier to the rectifier capacitor and then to the load resistor. The related expression of is shown in Equation (19)
- [, ]The rectifying capacitor is assumed as sufficiently large, so that the output voltage in this interval is regarded as a constant value and the net current through C is equal to zero. According to this assumption, the sum of the current flowing through the load resistor matches the sum of the current extracted from the PCD as shown by Equation (19). The output voltage can be derived by integrating the current from the time to .
- : power losses related to the triggering circuit
- : power losses related to the integrated switches
- : power losses related to the integrated inductor L and the added series resistance
- : power losses related to the rectifier block
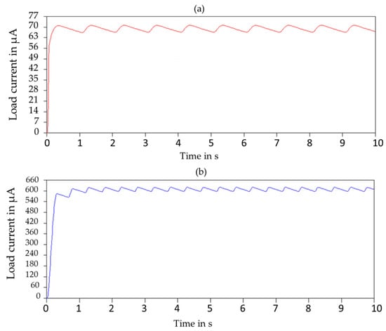
5. Experimental Validation
6. Conclusions
Author Contributions
Funding
Institutional Review Board Statement
Informed Consent Statement
Acknowledgments
Conflicts of Interest
Abbreviations
| PEH | Piezoelectric Energy Harvesting |
| SSHI | Synchronized Switch Harvesting on Inductor |
| P-SSHI | Parallel Synchronized Switch Harvesting on Inductor |
| SP | Self-Powered |
| S-SSHI | Serial Synchronized Switch Harvesting on Inductor |
| PEts | Piezoelectric transducers |
| ML | Lithium Manganese Dioxide Rechargeable coin cell Battery |
| AC | Alternating Current |
| DC | Direct Current |
| SEH | Standard Energy Harvesting approach |
| SECE | Synchronized Electrical Charge Extraction |
| SSD | Synchronized Switch Damping effect |
| D-SSHI | Double Synchronized Switch Harvesting on Inductor |
| BJT | Bipolar Junction Transistor |
| MOSFET | Metal Oxide Semiconductor Field Effect Transistor |
| Vpp | Voltage peak to peak |
| NVC | Negative Voltage Converter |
| PMOS | Positive channel Metal-Oxide Semiconductor |
| NMOS | Negative channel Metal-Oxide Semiconductor |
| PKD | Peak Voltage Detector |
| PCD | Piezoelectric Circular Diaphragm |
| IC | Integrated Circuit |
References
- Vyas, A. Towards an On-Chip Power Supply: Integration of Micro Energy Harvesting and Storage Techniques for Wireless Sensor Networks. Ph.D. Thesis, Chalmers Tekniska Hogskola (Sweden), Gothenburg, Sweden, 2019. [Google Scholar]
- Wu, Y.; Ma, Y.; Zheng, H.; Ramakrishna, S. Piezoelectric materials for flexible and wearable electronics: A review. Mater. Des. 2021, 211, 110164. [Google Scholar] [CrossRef]
- Hasan, M.N.; Sahlan, S.; Osman, K.; Mohamed Ali, M.S. Energy harvesters for wearable electronics and biomedical devices. Adv. Mater. Technol. 2021, 6, 2000771. [Google Scholar] [CrossRef]
- Chong, Y.W.; Ismail, W.; Ko, K.; Lee, C.Y. Energy harvesting for wearable devices: A review. IEEE Sens. J. 2019, 19, 9047–9062. [Google Scholar] [CrossRef]
- Ammar, M.B.; Sahnoun, S.; Fakhfakh, A.; Kanoun, O. Design of a DC-DC Boost Converter of Hybrid Energy Harvester for IoT Devices. In Proceedings of the 2020 IEEE 6th World Forum on Internet of Things (WF-IoT), New Orleans, LA, USA, 2–16 June 2020; pp. 1–4. [Google Scholar]
- Heikenfeld, J.; Jajack, A.; Rogers, J.; Gutruf, P.; Tian, L.; Pan, T.; Li, R.; Khine, M.; Kim, J.; Wang, J. Wearable sensors: Modalities, challenges, and prospects. Lab Chip 2018, 18, 217–248. [Google Scholar] [CrossRef]
- Ben Ammar, M.; Ben Dhaou, I.; El Houssaini, D.; Sahnoun, S.; Fakhfakh, A.; Kanoun, O. Requirements for Energy-Harvesting-Driven Edge Devices Using Task-Offloading Approaches. Electronics 2022, 11, 383. [Google Scholar] [CrossRef]
- Hesham, R.; Soltan, A.; Madian, A. Energy harvesting schemes for wearable devices. AEU-Int. J. Electron. Commun. 2021, 138, 153888. [Google Scholar] [CrossRef]
- Cai, M.; Yang, Z.; Cao, J.; Liao, W.H. Recent advances in human motion excited energy harvesting systems for wearables. Energy Technol. 2020, 8, 2000533. [Google Scholar] [CrossRef]
- Ghomian, T.; Mehraeen, S. Survey of energy scavenging for wearable and implantable devices. Energy 2019, 178, 33–49. [Google Scholar] [CrossRef]
- Chalasani, S.; Conrad, J.M. A survey of energy harvesting sources for embedded systems. In Proceedings of the IEEE SoutheastCon 2008, Huntsville, AL, USA, 3–6 April 2008; pp. 442–447. [Google Scholar] [CrossRef]
- Ali, F.; Raza, W.; Li, X.; Gul, H.; Kim, K.H. Piezoelectric energy harvesters for biomedical applications. Nano Energy 2019, 57, 879–902. [Google Scholar] [CrossRef]
- Kanoun, O.; Bradai, S.; Khriji, S.; Bouattour, G.; El Houssaini, D.; Ben Ammar, M.; Naifar, S.; Bouhamed, A.; Derbel, F.; Viehweger, C. Energy-aware system design for autonomous wireless sensor nodes: A comprehensive review. Sensors 2021, 21, 548. [Google Scholar] [CrossRef]
- Lagomarsini, C.; Lombardi, G.; Sylvestre, A.; Jean-Mistral, C. Hybrid piezoelectric-electrostatic generators for wearable energy harvesting applications. Smart Mater. Struct. 2019, 28, 035003. [Google Scholar] [CrossRef]
- Liu, Y.; Khanbareh, H.; Halim, M.A.; Feeney, A.; Zhang, X.; Heidari, H.; Ghannam, R. Piezoelectric energy harvesting for self-powered wearable upper limb applications. Nano Select 2021, 2, 1459–1479. [Google Scholar] [CrossRef]
- Ben Dhaou, I.; Ebrahimi, M.; Ben Ammar, M.; Bouattour, G.; Kanoun, O. Edge devices for internet of medical things: Technologies, techniques, and implementation. Electronics 2021, 10, 2104. [Google Scholar] [CrossRef]
- Ammar, M.B.; Bouattour, G.; Bouhamed, A.; Sahnoun, S.; Fakhfakh, A.; Kanoun, O. AC-DC Single Phase Rectifiers for Nanocomposite based Flexible Piezoelectric Energy Harvesters. In Proceedings of the 2021 18th International Multi-Conference on Systems, Signals & Devices (SSD), Monastir, Tunisia, 22–25 March 2021; pp. 228–234. [Google Scholar]
- Guyomar, D.; Lallart, M. Recent progress in piezoelectric conversion and energy harvesting using nonlinear electronic interfaces and issues in small scale implementation. Micromachines 2011, 2, 274–294. [Google Scholar] [CrossRef]
- Covaci, C.; Gontean, A. Piezoelectric energy harvesting solutions: A review. Sensors 2020, 20, 3512. [Google Scholar] [CrossRef]
- Caliò, R.; Rongala, U.B.; Camboni, D.; Milazzo, M.; Stefanini, C.; De Petris, G.; Oddo, C.M. Piezoelectric energy harvesting solutions. Sensors 2014, 14, 4755–4790. [Google Scholar] [CrossRef]
- Nechibvute, A.; Chawanda, A.; Luhanga, P. Piezoelectric energy harvesting devices: An alternative energy source for wireless sensors. Smart Mater. Res. 2012, 2012, 853481. [Google Scholar] [CrossRef]
- Zhang, B.; Liu, H.; Zhou, S.; Gao, J. A review of nonlinear piezoelectric energy harvesting interface circuits in discrete components. Appl. Math. Mech. 2022, 43, 1001–1026. [Google Scholar] [CrossRef]
- Khan, M.B.; Saif, H.; Lee, Y. A Piezoelectric Harvesting Interface with Capacitive Partial Electric Charge Extraction for Energy Harvesting from Irregular High-Voltage Input. Energies 2020, 13, 1939. [Google Scholar] [CrossRef]
- Azad, P. Design and analysis of a synchronized interface circuit for triboelectric energy harvesting. J. Electron. Mater. 2020, 49, 2491–2501. [Google Scholar]
- Qin, H.; Cheng, G.; Zi, Y.; Gu, G.; Zhang, B.; Shang, W.; Yang, F.; Yang, J.; Du, Z.; Wang, Z.L. High energy storage efficiency triboelectric nanogenerators with unidirectional switches and passive power management circuits. Adv. Funct. Mater. 2018, 28, 1805216. [Google Scholar] [CrossRef]
- Zhang, Z.; Xiang, H.; Tang, L. Modeling, analysis and comparison of four charging interface circuits for piezoelectric energy harvesting. Mech. Syst. Signal Process. 2021, 152, 107476. [Google Scholar] [CrossRef]
- Belal, E.; Mostafa, H.; Said, M.S. Comparison between active AC-DC converters for low power energy harvesting systems. In Proceedings of the 2015 27th International Conference on Microelectronics (ICM), Casablanca, Morocco, 20–23 December 2015; pp. 253–256. [Google Scholar]
- Gomez-Casseres, E.A.; Arbulú, S.M.; Franco, R.J.; Contreras, R.; Martínez, J. Comparison of passive rectifier circuits for energy harvesting applications. In Proceedings of the 2016 IEEE Canadian Conference on Electrical and Computer Engineering (CCECE), Vancouver, BC, Canada, 15–18 May 2016; pp. 1–6. [Google Scholar]
- Dell’Anna, F.; Dong, T.; Li, P.; Wen, Y.; Yang, Z.; Casu, M.R.; Azadmehr, M.; Berg, Y. State-of-the-art power management circuits for piezoelectric energy harvesters. IEEE Circuits Syst. Mag. 2018, 18, 27–48. [Google Scholar] [CrossRef]
- Zouari, M.; Naifar, S.; Götz, M.; Derbel, N.; Kanoun, O. An optimized self-powered P-SSHI circuit for piezoelectric energy harvesting. In Proceedings of the 2017 IEEE International Instrumentation and Measurement Technology Conference (I2MTC), Torino, Italy, 22–25 May 2017; pp. 1–6. [Google Scholar]
- Lallart, M.; Guyomar, D. An optimized self-powered switching circuit for non-linear energy harvesting with low voltage output. Smart Mater. Struct. 2008, 17, 035030. [Google Scholar] [CrossRef]
- Tang, L.; Yang, Y. Analysis of synchronized charge extraction for piezoelectric energy harvesting. Smart Mater. Struct. 2011, 20, 085022. [Google Scholar] [CrossRef]
- Lallart, M.; Garbuio, L.; Petit, L.; Richard, C.; Guyomar, D. Double synchronized switch harvesting (DSSH): A new energy harvesting scheme for efficient energy extraction. IEEE Trans. Ultrason. Ferroelectr. Freq. Control 2008, 55, 2119–2130. [Google Scholar] [CrossRef]
- Badr, A.O.; Lou, E.; Tsui, Y.Y.; Moussa, W.A. A high efficiency AC/DC NVC-PSSHI electrical interface for vibration-based energy harvesters. IEEE Trans. Circuits Syst. I Regul. Pap. 2019, 67, 346–355. [Google Scholar] [CrossRef]
- Wu, L.; Do, X.D.; Lee, S.G.; Ha, D.S. A self-powered and optimal SSHI circuit integrated with an active rectifier for piezoelectric energy harvesting. IEEE Trans. Circuits Syst. I Regul. Pap. 2016, 64, 537–549. [Google Scholar] [CrossRef]
- D’hulst, R.; Sterken, T.; Puers, R.; Deconinck, G.; Driesen, J. Power processing circuits for piezoelectric vibration-based energy harvesters. IEEE Trans. Ind. Electron. 2010, 57, 4170–4177. [Google Scholar] [CrossRef]
- Sun, Y.; Lee, I.Y.; Jeong, C.J.; Han, S.k.; Lee, S.G. An comparator based active rectifier for vibration energy harvesting systems. In Proceedings of the 13th International Conference on Advanced Communication Technology (ICACT2011), Gangwon, South Korea, 13–16 February 2011; pp. 1404–1408. [Google Scholar]
- Mair, D.; Ferdik, M.; Happ, C.; Renzler, M.; Ussmueller, T. Numerical Optimization of a Fully Cross-Coupled Rectifier Circuit for Wireless Passive Ultra Low Power Sensor Nodes. Sensors 2019, 19, 4527. [Google Scholar] [CrossRef]
- Yoon, E.J.; Park, J.T.; Yu, C.G. A Negative Voltage Converter with Wide Operating Voltage Range for Energy Harvesting Applications. Int. J. Appl. Eng. Res. 2017, 12, 5339–5344. [Google Scholar]
- Ballo, A.; Bottaro, M.; Grasso, A.D. A review of power management integrated circuits for ultrasound-based energy harvesting in implantable medical devices. Appl. Sci. 2021, 11, 2487. [Google Scholar] [CrossRef]
- Nielsen-Lönn, M.; Harikumar, P.; Wikner, J.J.; Alvandpour, A. Design of efficient CMOS rectifiers for integrated piezo-MEMS energy-harvesting power management systems. In Proceedings of the 2015 European Conference on Circuit Theory and Design (ECCTD), Trondheim, Norway, 24–26 August 2015; pp. 1–4. [Google Scholar]
- Sezer, N.; Koç, M. A comprehensive review on the state-of-the-art of piezoelectric energy harvesting. Nano Energy 2021, 80, 105567. [Google Scholar] [CrossRef]
- Li, H.; Tian, C.; Deng, Z.D. Energy harvesting from low frequency applications using piezoelectric materials. Appl. Phys. Rev. 2014, 1, 041301. [Google Scholar] [CrossRef]
- Aldahiry, D.A.; Bajaba, D.A.; Basalamah, N.M.; Ahmed, M.M. Piezoelectric Transducer as an Energy Harvester: A Review. Yanbu J. Eng. Sci. 2022, 19, 30–35. [Google Scholar] [CrossRef]
- Ying, M.; Hu, D.; Liqun, C. Vibration analysis of a piezoelectric circular plate energy harvester considering a proof mass. Chin. J. Theor. Appl. Mech. 2021, 53, 2950–2960. [Google Scholar]
- Samal, N.; Shiney, O.J. Energy Harvesting using Piezoelectric Transducers: A Review. J. Sci. Res. 2021, 65, 163–176. [Google Scholar] [CrossRef]
- Wafai, L.; Zayegh, A.; Woulfe, J.; Aziz, S.M.; Begg, R. Identification of foot pathologies based on plantar pressure asymmetry. Sensors 2015, 15, 20392–20408. [Google Scholar] [CrossRef]
- Sun, Y.; Chen, J.; Li, X.; Lu, Y.; Zhang, S.; Cheng, Z. Flexible piezoelectric energy harvester/sensor with high voltage output over wide temperature range. Nano Energy 2019, 61, 337–345. [Google Scholar] [CrossRef]
- Kashiwao, T.; Izadgoshasb, I.; Lim, Y.Y.; Deguchi, M. Optimization of rectifier circuits for a vibration energy harvesting system using a macro-fiber composite piezoelectric element. Microelectron. J. 2016, 54, 109–115. [Google Scholar] [CrossRef]
- Meng, M.; Wang, D.; Truong, B.D.; Trolier-McKinstry, S.; Roundy, S.; Kiani, M. A multi-beam shared-inductor reconfigurable voltage/SECE mode piezoelectric energy harvesting interface circuit. IEEE Trans. Biomed. Circuits Syst. 2019, 13, 1277–1287. [Google Scholar] [CrossRef] [PubMed]
















| Interface | Input Voltage (V) | Input Power (mW) | Output Power (mW) | Efficiency (%) |
|---|---|---|---|---|
| MOSFET Bridge | 2 | 0.315 | 0.158 | 50.08 |
| GCCR | 0.479 | 0.35 | 73.04 | |
| NVC | 0.664 | 0.662 | 99.77 |
| Interface | Input Voltage (V) | Input Power (mW) | Output Power (mW) | Efficiency (%) |
|---|---|---|---|---|
| Diode Bridge | 0.3–0.5 | 0.75 | 0.15 | 25 |
| MOSFET Bridge | 2 | 0.623 | 0.306 | 49.07 |
| GCCR | 0.949 | 0.692 | 72.99 | |
| NVC | 34.6 | 0.784 | 0.024 |
| Parameter | Symbol | Value |
|---|---|---|
| Frequency | f | 1 Hz |
| PEt capacitance | 0.15 F | |
| Inductance | 10 mH | |
| Added series resistance | 10 KΩ | |
| Load resistance | 10 KΩ | |
| Load capacitance | 1 mF |
| Main Component | Reference | Characteristics |
|---|---|---|
| Diodes | BAT54 | = 0.4 V, = 10 mA |
| MOSFETs (N channel) | IRLML6246TRPBF (Infineon Technologies) | = 46 mΩ = 0.5 V |
| MOSFETs (P channel) | AO3435 | = 70 mΩ = −0.5 V |
| Comparator | TLV3691 (Texas Instrument) | = 0.9–6.5 V = 75 nA |
| Ref. | [48] | [49] | [49] | [50] | [34] | This Work |
|---|---|---|---|---|---|---|
| Architecture | SEH | VM (0.65 V) | SEH (Vf 0.55 V) | SECE | NVC-PSSHI | SP GCC-PSSHI |
| Frequency | 0.6 Hz | 8.9 Hz | 8.9 Hz | 1 Hz | 100 Hz | 1 Hz |
| Switch Integration | No | No | No | YES | YES | YES |
| Piezoelectric Harvester | Flexible BLFPT/PI | MFC M281-P2 (d31), Smart material | macro-fiber composite (MFC) | commercial PPA1011 PEH (single beam) | PPA-1011 Mide Tech | AB4113B- LW100-R |
| Storage Device | C storgae 1 F C storage 4.3 mF | C storage 10 F | C storage 10 F | C storage 47 F | C storage 1 mF 40 mAh Lipo battery | C storage 10 F C storage 1 mF |
| Stored Voltage | 1.5 V 1.6 V | 2.5 V | 4.156 V | 3.8 V | 3.6 V 0.24 V | 6.0 V 3.6 V |
| Charging Time | 150 s 300 s | NA | NA | NA | 400 s 14 Days | 3.94 s 27.64 s |
| Load Resistance | NA | 100 k | 100 k | NA | No load | 10 KΩ (83.3 %) |
| Output Power | NA | 62.3 W | 172.2 W | 10.2 W | 300 W for 3–7 Vpp | 3.6 mW for 7.2 Vpp |
| Technology | Discrete components | Discrete components | CMOS technology | CMOS technology | Discrete components | Discrete components |
Disclaimer/Publisher’s Note: The statements, opinions and data contained in all publications are solely those of the individual author(s) and contributor(s) and not of MDPI and/or the editor(s). MDPI and/or the editor(s) disclaim responsibility for any injury to people or property resulting from any ideas, methods, instructions or products referred to in the content. |
© 2023 by the authors. Licensee MDPI, Basel, Switzerland. This article is an open access article distributed under the terms and conditions of the Creative Commons Attribution (CC BY) license (https://creativecommons.org/licenses/by/4.0/).
Share and Cite
Ben Ammar, M.; Sahnoun, S.; Fakhfakh, A.; Viehweger, C.; Kanoun, O. Self-Powered Synchronized Switching Interface Circuit for Piezoelectric Footstep Energy Harvesting. Sensors 2023, 23, 1830. https://doi.org/10.3390/s23041830
Ben Ammar M, Sahnoun S, Fakhfakh A, Viehweger C, Kanoun O. Self-Powered Synchronized Switching Interface Circuit for Piezoelectric Footstep Energy Harvesting. Sensors. 2023; 23(4):1830. https://doi.org/10.3390/s23041830
Chicago/Turabian StyleBen Ammar, Meriam, Salwa Sahnoun, Ahmed Fakhfakh, Christian Viehweger, and Olfa Kanoun. 2023. "Self-Powered Synchronized Switching Interface Circuit for Piezoelectric Footstep Energy Harvesting" Sensors 23, no. 4: 1830. https://doi.org/10.3390/s23041830
APA StyleBen Ammar, M., Sahnoun, S., Fakhfakh, A., Viehweger, C., & Kanoun, O. (2023). Self-Powered Synchronized Switching Interface Circuit for Piezoelectric Footstep Energy Harvesting. Sensors, 23(4), 1830. https://doi.org/10.3390/s23041830

