CMOS Detector Staggered Array Module for Sub-Terahertz Imaging on Conveyor Belt System
Abstract
1. Introduction
2. Proposed CMOS Detector Array for Conveyor Belt System
2.1. Full-Wave Imaging on the Conveyor Belt
2.2. Operating Principle of the Proposed Array
3. Implementation of the Proposed CMOS Detector Array
3.1. CMOS Detector Integrated Circuit
3.1.1. Folded Dipole on-Chip Antenna
3.1.2. Differential Detector Core
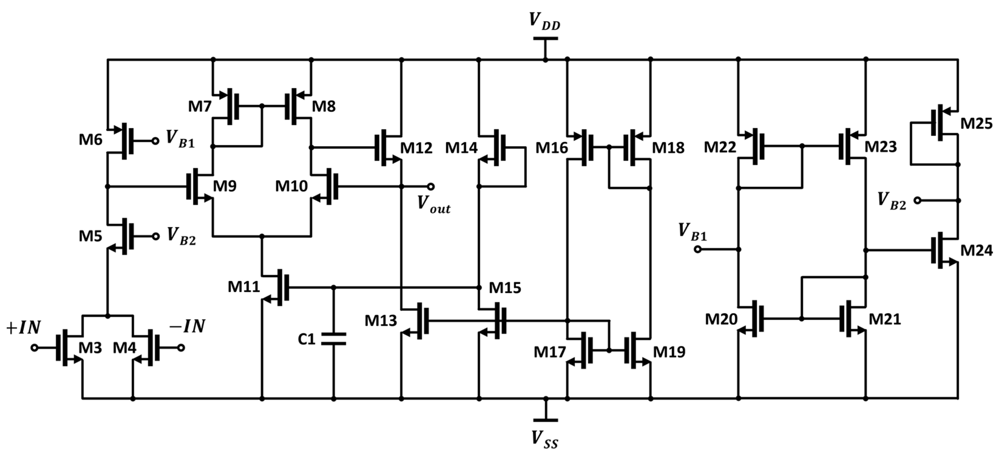
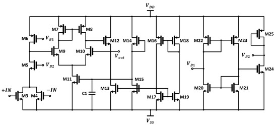
3.1.3. Amplifier Chain
3.2. Chip Fabrication and Unit Detector Module
3.3. CMOS Detector Array
4. Measurement Results and Discussion
4.1. Voltage Responsivities of CMOS Detector Unit Modules
4.2. Images of the Target on the Conveyor Belt
5. Conclusions
Author Contributions
Funding
Institutional Review Board Statement
Informed Consent Statement
Data Availability Statement
Acknowledgments
Conflicts of Interest
References
- Vasquez, J.T.; Scapaticci, R.; Turvani, G.; Ricci, M.; Farina, L.; Litman, A.; Casu, M.R.; Crocco, L.; Vipiana, F. Noninvasive inline food inspection via microwave imaging technology: An application example in the food industry. IEEE Antenna Propag. Mag. 2020, 62, 18–32. [Google Scholar] [CrossRef]
- Ahmed, S.S. Microwave imaging in security—Two decades of innovation. IEEE J. Microw. 2021, 1, 191–201. [Google Scholar] [CrossRef]
- Deng, Y.; Liu, X. Electromagnetic imaging methods for nondestructive evaluation applications. Sensors 2011, 11, 11774–11808. [Google Scholar] [CrossRef] [PubMed]
- Mehrotra, P.; Chatterjee, B.; Sen, S. EM-wave biosensors: A review of RF, microwave, mm-wave and optical sensing. Sensors 2019, 19, 1013. [Google Scholar] [CrossRef] [PubMed]
- Simonov, N.; Jeon, S.-I.; Kim, B.-R.; Son, S.-H. Analysis of the super-resolution effect on microwave tomography. Radio Sci. 2018, 53, 1452–1471. [Google Scholar] [CrossRef]
- Sun, X.; Li, J.; Shen, Y.; Li, W. Non-destructive detection of insect foreign bodies in finishing tea product based on terahertz spectrum and image. Front. Nutr. 2021, 8, 757491. [Google Scholar] [CrossRef] [PubMed]
- Yang, J.-R.; Lee, W.-J.; Han, S.-T. Signal-conditioning block of a 1 × 200 CMOS detector array for a terahertz real-time imaging system. Sensors 2016, 16, 319. [Google Scholar] [CrossRef] [PubMed]
- Stec, B.; Susek, W. Theory and measurement of signal-to-noise ratio in continuous-wave noise radar. Sensors 2018, 18, 1445. [Google Scholar] [CrossRef]
- Ok, G.; Park, K.; Chun, H.S.; Chang, H.-J.; Lee, N.; Choi, S.-W. High-performance sub-terahertz transmission imaging system for food inspection. Biomed. Opt. Express 2015, 6, 1929–1941. [Google Scholar] [CrossRef]
- Ding, S.-H.; Li, Q.; Yao, R.; Wang, Q. High-resolution terahertz reflective imaging and image restoration. Appl. Opt. 2010, 49, 6834–6839. [Google Scholar] [CrossRef]
- Zhao, J.; Chu, W.; Wang, Z.; Yang, J.; Liu, W.; Chung, Y.; Xu, Z. Terahertz imaging with sub-wavelength resolution by femtosecond laser filament in air. Sci. Rep. 2014, 4, 3880. [Google Scholar] [CrossRef] [PubMed]
- Liu, Z.-Y.; Qi, F.; Wang, Y.-L.; Liu, P.-X.; Li, W.-F. A 150-to1050 GHz terahertz detector in 65 nm CMOS. In Proceedings of the IEEE Asian Solid-State Circuits Conference (A-SSCC), Busan, Republic of Korea, 7–10 November 2021. [Google Scholar]
- Balow, A.M.; Khatir, M.; Amiri, N. Terahertz detection using large-area plasmonic nano-antenna arrays based on stepped strips. Optik 2021, 228, 165886. [Google Scholar] [CrossRef]
- Zhao, F.; Mao, L.; Guo, W.; Xi, S.; Tee, C.A.T.H. On-chip terahertz detector designed with inset-feed rectangular patch antenna and catadioptric lens. Electronics 2020, 9, 1049. [Google Scholar] [CrossRef]
- Lee, C.; Jeong, J. THz CMOS on-chip antenna array using defected ground structure. Electronics 2020, 9, 1137. [Google Scholar] [CrossRef]
- Liao, Y.; Wang, K.; Zhu, H.; Ji, X. Crosstalk in CMOS terahertz detector array with on-chip SPR antenna. IEEE Photonics J. 2022, 14, 5955506. [Google Scholar] [CrossRef]
- Pham, H.H.N.; Hisatake, S.; Minin, O.V.; Nagatsuma, T.; Minin, I.V. Enhancement of spatial resolution of terahertz imaging systems based on terajet generation by dielectric cube. APL Photonics 2017, 2, 056106. [Google Scholar] [CrossRef]
- Mostajeran, A.; Aghasi, H.; Naghavi, S.M.H.; Afshari, E. Fully integrated solutions for high resolution terahertz imaging. In Proceedings of the IEEE Custom Integrated Circuits Conference (CICC), Austin, TX, USA, 14–19 April 2019. [Google Scholar]
- Hu, Z.; Wang, C.; Han, R. A 32-unit 240-GHz heterodyne receiver array in 65-nm CMOS with array-wide phase locking. IEEE J. Solid-State Circuits 2019, 54, 1216–1227. [Google Scholar] [CrossRef]
- Xu, L.-M.; Fan, W.-H.; Liu, J. High-resolution reconstruction for terahertz imaging. Appl. Opt. 2014, 53, 7891–7897. [Google Scholar] [CrossRef]
- Ahi, K. A method and system for enhancing the resolution of terahertz imaging. Measurement 2019, 138, 614–619. [Google Scholar] [CrossRef]
- Lei, T.; Tobin, B.; Liu, Z.; Yang, S.-Y.; Sun, D.-W. A terahertz time-domain super-resolution imaging method using a local-pixel graph neural network for biological products. Anal. Chim. Acta 2021, 1181, 338898. [Google Scholar] [CrossRef]
- Lee, Y.-K.; Choi, S.-W.; Han, S.-T.; Woo, D.H.; Chun, H.S. Detection of foreign bodies in foods using continuous wave terahertz imaging. J. Food Prot. 2012, 75, 179–183. [Google Scholar] [CrossRef] [PubMed]
- Han, S.-T. Application of a compact sub-terahertz gyrotron for non-destructive inspections. IEEE Trans. Plasma Sci. 2020, 48, 3238–3245. [Google Scholar] [CrossRef]
- Rangan, S.; Rappaport, T.S.; Erkip, E. Millimeter-wave cellular wireless network: Potentials and challenges. Proceeding IEEE 2014, 102, 366–385. [Google Scholar] [CrossRef]
- Lee, M.-J.; Lee, H.-N.; Lee, G.-E.; Han, S.-T.; Yang, J.-R. Concurrent-mode CMOS detector IC for sub-terahertz imaging system. Sensors 2022, 22, 1753. [Google Scholar] [CrossRef]
- Yang, J.-R.; Han, S.-T.; Baek, D.-H. Differential CMOS sub-terahertz detector with subthreshold amplifier. Sensors 2017, 17, 2069. [Google Scholar] [CrossRef]
- Lee, H.-N.; Lee, H.-J.; Han, S.-T.; Yang, J.-R. Highly sensitive CMOS plasmon detector with a low-gain buffer amplifier for terahertz imaging system. Microw. Opt. Technol. Lett. 2021, 63, 2587–2591. [Google Scholar] [CrossRef]
- Son, J.-H.; Yang, J.-R. Quasi-static analysis based on an equivalent circuit model for a CMOS terahertz plasmon detector in the subthreshold region. Sensors 2019, 19, 1508. [Google Scholar] [CrossRef] [PubMed]
- Lee, H.-J.; Han, S.-T.; Yang, J.-R. CMOS plasmon detector with three different body-biasing MOSFETs. IEEE Access 2020, 8, 215840–215850. [Google Scholar] [CrossRef]
- Lee, G.-E.; Lee, H.-J.; Han, S.-T.; Yang, J.-R. CMOS detector using customized bolt-wrench capacitor on backend oxide layer. IEEE Microw. Wirel. Compon. Lett. 2021, 31, 1012–1015. [Google Scholar] [CrossRef]
- Hassanalieragh, M.; Ignjatovic, Z.; Newman, J.D.; Fourspring, K. Design and characterization of a 10 × 10 pixel array THz camera in 350 nm CMOS technology. IEEE Sens. J. 2020, 20, 9834–9848. [Google Scholar] [CrossRef]
- Song, K.; Kim, J.; Kim, D.; Yoo, J.; Rieh, J.-S. A 300-GHz CMOS 7-by-7 detector array for optics-less THz imaging with scan-less target object. J. Infrared Millim. Terahertz Waves 2020, 41, 202–214. [Google Scholar] [CrossRef]
- Shaulov, E.; Jameson, S.; Socher, E. A zero bias J-band antenna-coupled detector in 65-nm CMOS. IEEE Trans. Terahertz Sci. Technol. 2021, 11, 62–69. [Google Scholar] [CrossRef]















| Ref. | Process (nm) | Freq. (GHz) | Detector Core Configuration | RV (kV/W) | NEP (pW/√Hz) |
|---|---|---|---|---|---|
| [26] | 250 | 200 | Concurrent mode | 14,130 | 34.4 |
| [27] | 250 | 200 | Gate-coupled | 2020 | 76 |
| [28] | 250 | 200 | Gate-coupled | 357 | 57.3 |
| [29] | 250 | 200 | Gate-coupled | 482 | 39.3 |
| [30] | 250 | 200 | Gate-coupled | 5696 | 62.4 |
| [31] | 250 | 200 | Gate-coupled | 2990 | 46.3 |
| [32] | 350 | 200 | Gate-coupled | 19 | 535 |
| [33] | 65 | 300 | Source-coupled | 3.6 | 12.5 |
| [34] | 65 | 310 | Drain-coupled | 2.0 | 3.5 |
| This works | 65 | 200 | Concurrent mode | 1694 | 9.0 |
Disclaimer/Publisher’s Note: The statements, opinions and data contained in all publications are solely those of the individual author(s) and contributor(s) and not of MDPI and/or the editor(s). MDPI and/or the editor(s) disclaim responsibility for any injury to people or property resulting from any ideas, methods, instructions or products referred to in the content. |
© 2023 by the authors. Licensee MDPI, Basel, Switzerland. This article is an open access article distributed under the terms and conditions of the Creative Commons Attribution (CC BY) license (https://creativecommons.org/licenses/by/4.0/).
Share and Cite
Lee, M.-J.; Lee, H.-N.; Lee, G.-E.; Han, S.-T.; Kang, D.-W.; Yang, J.-R. CMOS Detector Staggered Array Module for Sub-Terahertz Imaging on Conveyor Belt System. Sensors 2023, 23, 1232. https://doi.org/10.3390/s23031232
Lee M-J, Lee H-N, Lee G-E, Han S-T, Kang D-W, Yang J-R. CMOS Detector Staggered Array Module for Sub-Terahertz Imaging on Conveyor Belt System. Sensors. 2023; 23(3):1232. https://doi.org/10.3390/s23031232
Chicago/Turabian StyleLee, Moon-Jeong, Ha-Neul Lee, Ga-Eun Lee, Seong-Tae Han, Dong-Woo Kang, and Jong-Ryul Yang. 2023. "CMOS Detector Staggered Array Module for Sub-Terahertz Imaging on Conveyor Belt System" Sensors 23, no. 3: 1232. https://doi.org/10.3390/s23031232
APA StyleLee, M.-J., Lee, H.-N., Lee, G.-E., Han, S.-T., Kang, D.-W., & Yang, J.-R. (2023). CMOS Detector Staggered Array Module for Sub-Terahertz Imaging on Conveyor Belt System. Sensors, 23(3), 1232. https://doi.org/10.3390/s23031232

