Abstract
Infrared image sensing technology has received widespread attention due to its advantages of not being affected by the environment, good target recognition, and high anti-interference ability. However, with the improvement of the integration of the infrared focal plane, the dynamic range of the photoelectric system is difficult to improve, that is, the restrictive trade-off between noise and full well capacity is particularly prominent. Since the capacitance of the inversion MOS capacitor changes with the gate–source voltage adaptively, the inversion MOS capacitor is used as the capacitor in the infrared pixel circuit, which can solve the contradiction between noise in low light and full well capacity in high light. To this end, a highly dynamic pixel structure based on adaptive capacitance is proposed, so that the capacitance of the infrared image sensor can automatically change from 6.5 fF to 37.5 fF as the light intensity increases. And based on 55 nm CMOS process technology, the performance parameters of an infrared image sensor with a 12,288 × 12,288 pixel array are studied. The research results show that a small-size pixel of 5.5 µm × 5.5 µm has a large full well capacity of 1.31 Me− and a variable conversion gain, with a noise of less than 0.43 e− and a dynamic range of more than 130 dB.
1. Introduction
CMOS image sensors have replaced CCDs as the mainstream since the mid-20th century, and are widely used in smartphones, surveillance cameras, autonomous driving, and artificial intelligence [1,2,3]. However, the light range detected by the general infrared CMOS image sensor is small, and physical information identification in low-lighting and high-lighting environments cannot be carried at the same time. It has a low dynamic range (DR), which affects the output image quality of the infrared image sensor. The images obtained by a high-dynamic image sensor can retain more detailed information, so its related research is essential. High-dynamic infrared image sensors can be realized by improving the system and the readout circuit, such as building a high-dynamic image data acquisition system or multiple captures readout circuit, to achieve high-dynamic imaging or a combination of multiple images [4,5,6,7]. However, the superposition of multiple images leads to the continuous superposition of noise. The high-dynamic infrared pixel improves the pixel structure. A single imaging avoids the shortcomings of noise superposition and has the advantage of simple structure [8].
The core of CMOS infrared image sensors lies in pixels, so researchers have proposed solutions with different advantages for the problem of low DR [9].
Zaitsu uses 3D stacking technology to increase capacitance, full well capacity (FWC), and DR [10]. Maasa also proposed to use a transverse overflow capacitor in each pixel. The capacitance density of this capacitor is 24.3 fF/µm2, which is about 5 times that of the planar MOS capacitor [11]. It can achieve a very high FWC of 24.3 Me− and the DR to 130 dB [12]. Uchida has developed a photo-diode structure that increases the DR to 97 dB [13]. However, all three methods have the disadvantages of complicated processes and difficulty improving the yield [14,15].
Yi Zhuo proposed to reduce noise by integrating correlated double sampling (CDS) technology in the pixel, increasing the DR from 60 dB to 74 dB [16], but the internally integrated CDS will take up additional area. Qian proposed a method for subtracting the internal charge of the pixel, which not only improves the signal-to-noise ratio of the dim signal, but also avoids the saturation of the bright signal, and increases the DR to 74 dB [17]. However, there are comparators and subtractors inside the pixel, which take up too much area [18]. Ko uses the characteristics of linear pixels with high sensitivity at low illumination and logarithmic pixels with high sensitivity at high illumination to propose a linear logarithmic active pixel structure, which simultaneously obtains the DR of linear pixel and logarithmic pixel, achieving a high DR of 152 dB [19]. However, the use of two sets of pixel units will take up more area. In short, these three methods will affect the fill factor of the pixel [20].
Kuznetsov proposed to adaptively adjust the integration time in each unit of the readout circuit to ensure linearity and conversion gain (CG) under moderate light, but reduce the sensitivity when approaching the FWC. This method can increase the DR to 100 dB. However, this method of adjusting the integration time will bring a lot of trouble to the timing arrangement and the design of digital circuits [21].
In order to achieve a high DR image sensor that combines with existing processes without affecting the fill factor and simple timing, based on the definition of DR, a mathematical model is established to analyze the restriction trade-off between the noise and the FWC of the infrared image sensor. According to the trade-off between the capacitance value of the adaptive capacitor and the light intensity, the pixel structure of the adaptive capacitor is proposed, which is very sensitive to light changes in low light, but it is not easy to reach the FWC in high light. At the same time, a 12,288 × 12,288 large infrared pixel array has been used to study linearity, CG, FWC, and noise, and, ultimately, improve the DR.
To intuitively display the imaging effect of the high DR pixel proposed in this paper, MATLAB is used to simulate the output image and photon-counting histogram (PCH) of the high DR image sensor, as shown in Figure 1. Figure 1a shows the original image and its PCH. Figure 1b shows the image and its PCH after being captured by this high DR image sensor. It can be seen that the image quality is obviously improved, and the DR is extended under both high-light and low-light conditions.

Figure 1.
(a) Original image and PCH. (b) Output image and PCH of the high DR image sensor.
2. Analysis of the Restriction Trade-Off between Noise and FWC
The DR of an infrared image sensor is expressed as Equation (1) [22]
where QFWC is the number of electrons that an integrating capacitor can hold when it reaches full well and Qnoise is the equivalent number of noise electrons of the image sensor. As shown in Equation (1), increasing the DR of the infrared image sensor requires increasing the FWC while reducing the noise.
The FWC of the infrared image sensor can be expressed according to Equation (2) [23]
where q is the electronic charge, Cint is the capacitance value of the capacitor, and V is the swing of the infrared image sensor.
Equation (3) is the Qnoise of the image sensor, including all the noise generated inside the pixel, which the main part is the reset noise and shot noise during the readout process
where Vnoise is the noise voltage. Since there is a programmable gain amplifier in the post-stage readout circuit, the noise generated by the readout circuit can be ignored when converted to pixels.
From Equations (2) and (3), it can be seen that increasing the FWC requires increasing the capacitance value while decreasing the noise requires decreasing the capacitance value. Therefore, for a high-dynamic infrared image sensor, there is a restrictive trade-off between noise and FWC.
3. Adaptive Capacitor Design
Due to the restrictive trade-off between FWC and noise for a high-dynamic infrared image sensor, an adaptive capacitor with a larger capacitance value in high light and a smaller capacitance value in low light will meet the needs of the high-dynamic infrared image sensor. Since there is a natural correspondence between the gate–source voltage (Vgs) of a MOS capacitor and the capacitance value, a MOS capacitor is used as an adaptive integrating capacitor for highly dynamic pixels.
As shown in Figure 2a, three MOS capacitors with width and length of 3 µm are used, and the MOSFET types are nmos_1, nmos_2, and nmos_3, respectively. The three capacitors have the same thickness of gate oxide layer, all of which are 7.03 nm, and different threshold voltages, which are 0.62 V, 0.4 V, and 0.3 V, respectively. The simulation is carried out at 25 °C and the tt process corner. MOS capacitance values with Vgs are shown as black, purple, and blue curves in Figure 2b. It can be seen that the capacitance values of these three types of capacitors are similar in the strong inversion and accumulation regions. In the inversion region with variable capacitance values, the curves of capacitance values versus Vgs for all three types of capacitors have steep slopes, and the Vgs region with variable capacitance values is very small. Therefore, they cannot be used directly as adaptive integrating capacitors for highly dynamic pixels.
Figure 2.
(a) Structure and (b) capacitance value versus Vgs curve of adaptive integrating capacitors.
To increase the voltage range over which the capacitance value of the MOS capacitor is variable, the nmos_1, nmos_2, and nmos_3 capacitors with an area of 1 µm × 3 µm are connected in parallel to obtain a parallel capacitor with a total area of 9 µm2 as shown in Figure 2a. The simulated capacitance value of the parallel capacitor varies with Vgs at 25 °C and tt process corner, as shown by the orange curve in Figure 2b. It can be seen that the capacitance value of the parallel capacitor varies more gently with Vgs in the inversion region where Vgs is from 0 V to 1.5 V, and its capacitance value is larger than that of a single type of MOS capacitor.
The inversion MOS capacitor is obtained by grounding the substrate of the parallel capacitor as shown in Figure 2a, and its capacitance value varies with Vgs as shown by the green curve in Figure 2b. The capacitance value of the inversion MOS capacitor is only 6.5 fF when Vgs is 0 V. The capacitance value of the inversion MOS capacitor is 37.5 fF when Vgs is 1.5 V. It can be seen that it has the advantages of a large area of Vgs with variable capacitance value and a large change in capacitance value.
4. Adaptive Capacitor Infrared Image Sensor Structure
To study the real effect of inversion MOS capacitors for high-dynamic infrared image sensors, the 55 nm 1P4M CIS process platform was used to build a 12,288 × 12,288 pixel array infrared image sensor structure based on an adaptive capacitor.
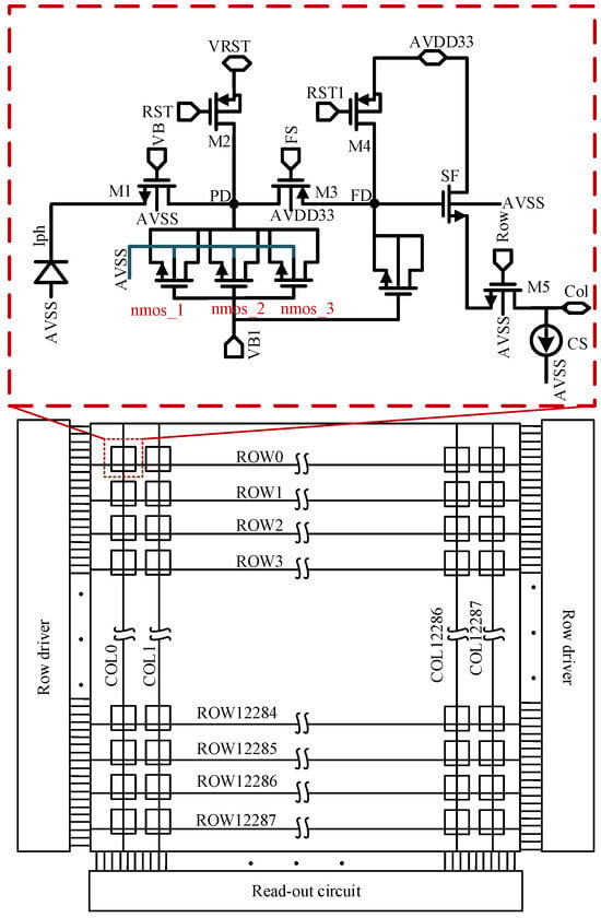
The structure of the adaptive capacitor infrared image sensor is shown in Figure 3. The red box in Figure 3 indicates the design of the adaptive capacitor pixel structure. The pixel adopts a 5-transistor (5T) structure. The innovation is that the value of integration capacitance can be adjusted adaptively according to the photo-current, thereby improving the DR of the pixel.
Figure 3.
The basic architecture of a CMOS infrared image sensor based on adapting capacitance.
As shown in Figure 3, the adaptive integration capacitor infrared image sensor mainly includes three parts: a 12,288 × 12,288 pixel array, a row driver circuit, and a readout circuit. The row driver circuit is used to transmit the global reset signal (RST), electric charge transfer control signal (FS), row reset signal (RST1), and row selection control signal (Row). The pixel unit is 5T pixels [24], including an electric charge injection transistor (M1), a global reset transistor (M2), a row selection control transistor (M5), and a source follower (SF). In addition, it also includes a photo-diode (Iph), an electric charge transfer transistor (M3), a row reset transistor (M4), and an adaptive capacitor. Define the integration node as PD and the storage node as FD node. To achieve separate testing of the pixel unit, the reset supply and the source follower supply are separated.
During the integration time (tint), VPD gradually decreases from the reset voltage VRST as the photo-current (iph) is injected, as shown in Equation (4)
The voltage Vgs across the capacitor is the difference between the gate voltage (VVB1) and the source voltage (VPD). According to Equation (4), Equation (5) is obtained.
VVB1 is a bias voltage and VRST is the reset voltage in Figure 3, both set to 3.3 V. The relationship between Vgs and Cint is shown in Equation (6).
According to the above analysis, for the high-dynamic pixel circuit in Figure 3, RST is turned on and resets the source and drain of the MOS capacitor to 3.3 V before the pixel is integrated, Vgs is 0 V. According to Equation (4), VPD gradually decreases as the integration progresses. According to Equation (6), Vgs gradually increases. Corresponding to the change of Vgs in Figure 2, with the increase in integrating electric charge, Vgs gradually increases from 0 V to 2.4 V, and the MOS capacitor works in the inversion region. The maximum value of Vgs is shown in Equation (7)
Vta is the voltage across the tail current source (CS) in Figure 3, which is measured to be 0.2 V in the current process. Vth is the threshold voltage of the SF, and it also is the smallest voltage that can be output by the SF, which is measured to be 0.7 V in the current process.
As Equation (7), in high light, the maximum Vgs can be increased to 2.4 V, while in ideal dark light, the minimum Vgs can be reduced to 0 V. Corresponding to the curve in Figure 2, the capacitance value in high light is 5.4 times that in dark light so that the adaptive capacitance infrared pixel has a larger FWC in high light and lower noise in dark light. The infrared image sensor will achieve a greater dynamic range.
Figure 4 shows the timing of the first four-row row-driver circuits. VB is a fixed bias of 1 V. The photo-electron collected in the photo-diode is injected into the integrating capacitor with low power consumption through an electric charge transfer transistor operating in the sub-threshold region. At this time, the current IDS and Vgs have an exponential relationship, as shown in Equation (8)
Figure 4.
The timing diagram of pixels.
I0 represents the saturation current, and its value is proportional to W/L; n > 1 is a non-ideal factor. According to Equation (8), IDS has nothing to do with source–drain voltage at this time. Therefore, as integration progresses, the voltage on the integrating capacitor will change greatly, but it will not affect the bias voltage of the photo-diode.
As can be seen from Figure 4, in the reset stage, RST is used as the global reset signal, which is low level first, resetting the integrating capacitor node PD. Then, the RST10-RST13 are low level at the same time to reset the transferring capacitor node FD. Secondly, the signal FS is low level to transfer the charge. Finally, in the readout stage, ROW0-ROW3 are high-level one after another during t1-t4, indicating that the signal voltages are read out row by row. The column bus voltage of pixels drops and the signal voltages are displayed. After that, RST10-RST13 are low level row by row, the column bus voltage of the pixel increases, and the reset voltages are displayed. The post-stage circuit uses CDS technology to sample signal voltages and reset voltages.
5. Layout Design and Simulation Data Analysis
To study the imaging effect of a high-dynamic infrared image sensor based on the adaptive capacitor, on the 55 nm 1P4M CIS process platform, the layout design and simulation data analysis of the infrared image sensor are carried out.
The layout design of four pixels is shown in Figure 5.
Figure 5.
A 2 × 2 pixel array layout.
To compact the layout, a 2 × 2 pixel unit is used as the smallest repeating unit of the pixel array in the layout design, and the N-well is further shared. The pixel pitch is 5.5 µm. Figure 5 shows that the integrating capacitor uses different types of NMOS capacitors to be distributed on the upper and lower sides of the layout. The PMOS reset transistor is designed in the middle to share the N-well and achieve greater space utilization and pixel voltage swing.
Using an adaptive capacitor does not occupy more chip area or affect the pixel fill factor. Because this pixel structure does not increase the number of MOSFET compared with the general 5T structure, only the type of MOS capacitor is replaced. And the area occupied by different types of MOS capacitors is also equal. The structure proposed in this paper is a back-illuminated CMOS image sensor, as shown in Figure 5. The white square is a hole connected to a HgCdTe photo-diode for growing an indium column of the flip chip. Because the HgCdTe photo-diode is stacked on the pixel circuit, the fill factor can reach 100%.
In the 12,288 × 12,288 pixel array scale infrared image sensor, the influence of the adaptive capacitor on the noise, FWC, and DR are studied. Analog simulation was carried out at 25 °C and tt process corner. Under low light with a photo-current of 10–50 pA and high light conditions with a photo-current of 50–500 pA, the column signal of infrared pixels is simulated.
Linearity is an important performance index of infrared image sensors. The linearity of the image sensor can be calculated by the curve of the CDS signal change with photo-current in Figure 6a. The CDS signal is obtained from the infrared pixel column signal, which is the difference between the reset voltage and the signal voltage. The output CDS signal less than 0.6 V is captured under low light, and the output CDS signal greater than 0.6 V is captured under high light.

Figure 6.
(a) CDS signal and (b) CG changed with photo-current.
As shown in Figure 2, the variation of Cint has only one distinct inflection point near the threshold voltage over the range of Vgs from 0 V to 2.4 V and therefore can be approximated to be segmentally linear. The relationship between VCDS and Cint can be approximated and described as Equation (9)
In this paper, the nonlinear correction circuit proposed in the literature [25] is used in the post-stage readout circuit so that the CDS signal is equal to the voltage across the variable integrating capacitor, Vgs in Equation (6). Thus, Equation (6) can be written as Equation (10).
The association with Equation (10) gives the relationship between VCDS and iph, as in Equation (11)
It can be seen that VCDS is not strictly linear with iph, but it can be approximated as such. This paper adopts a nonlinear correction circuit of replicating FD nodes proposed in the literature [25], which can perfectly solve the problem of non-linearity caused by the source follower. For the post-stage readout circuit, although the output of each stage of the readout circuit cannot be completely linear, the non-linearity of the post-stage readout circuit has been verified to be only 1%.
It is obtained that the CDS signal of the infrared pixel has good linearity in low and high light. Linearity was calculated as the maximum deviation of the CDS curve from the ideal straight line. The non-linearity is obtained by dividing the maximum deviation voltage by the voltage range of the CDS signal. Linearity is equal to 100% minus non-linearity. When the photo-current ranges from 10 pA to 50 pA, the linearity of the image sensor is calculated to be 96.7%. When the photo-current ranges from 50 pA to 500 pA, the linearity of the image sensor is calculated to be 86.6%. When the photo-current ranges from 10 pA to 500 pA, the linearity of the image sensor is calculated to be 86.5%.
Figure 2 shows that the capacitance changes with photo-current is 10–50 pA and 50–500 pA. According to Figure 2, in the area where the photo-current is 10–50 pA, the linearity of the capacitance change is good. Due to the substrate biasing effect of pixels, when photo-current in the range of 10–500 pA, the Vth changes from 1.1 V to 1 V. Owing to the Vth, the change of the capacitance has an inflection point and is nonlinear, which affects the linearity of the image sensor.
Figure 6b also illustrates this problem. Although the CG in a photo-current of 10–50 pA has a high rate of change, the change is linear. The change rate of CG in 50–500 pA photo-current is low, but there is an inflection point at 140 pA, making the change in the CG nonlinear and affecting the image sensor’s linearity. This linearity problem is consistent with the traditional pixel structure and is widespread. Due to limited space, the paper focuses on solving the high dynamic problem. In the literature [25], the non-linearity problem has been analyzed and a solution has been proposed to eliminate it.
CG is the ratio of the CDS signal to the number of photo-generated electrons [26]. The CG calculation equation is (12)
where 1 represents an electron. Therefore, the effect of the adaptive integration capacitor on the linearity and sensitivity of the image sensor can be investigated by using the curve of the CDS signal and CG.
In low light and high light, the CG of the adaptive capacitor pixel is calculated by Equation (10), and its change curve with the photo-current is shown in Figure 6b. At low light, 10–50 pA photo-current, the CG drops rapidly from 183.1 µV/e− to 40.8 µV/e−. The CG decreased slowly from 40.8 µV/e− to 8.1 µV/e− at high light with 50–500 pA photo-current. The transition region changed gently. It can be seen that in different lighting environments, the adaptive capacitor pixel has an adjustable CG. The adaptive capacitor infrared image sensor has excellent performance in low-light conditions.
The relationship between the signal-to-noise ratio of the infrared image sensor and the photo-current is Equation (13) [27].
Equation (13) represents the ratio of input signal power to average input reference noise power, where qiphtint represents the shot noise generated by the optical signal, and modeled as a white Gaussian noise process; is all the noise that affects the image sensor, and its types include fixed-pattern noise related to process variation, reset noise during readout, and 1/f noise-related temperature and channel length. The noise analysis of the adaptive capacitor pixel is shown in Figure 7.

Figure 7.
(a) The noise curve and (b) Qnoise of 5T adaptive capacitor pixel.
The noise frequency domain curve of the pixel is shown in Figure 7a. The adaptive infrared pixel noise is mainly a low-frequency signal, such as flicker noise. The noise is 7.45 µV/Hz. According to Equation (3), due to the use of an adaptive capacitor, the equivalent number of noise electrons at different Vgs changes with the change of capacitance value. The curve is shown in Figure 7b. According to Equation (6), the blue dot in the figure represents that under low light conditions, Vgs is 0 V and the noise is only 0.3 e−. The red dot in the figure represents that under high light conditions, Vgs is 1 V and the noise is 1.8 e−. It can be seen that the equivalent number of noise electrons increases with the increase in light intensity. It achieves excellent performance with low noise in low light.
To study the change in capacitance value of the adaptive integrating capacitor under different light intensities, the pixel CDS signals using the adaptive integrating capacitor and a fixed capacitance value capacitor as the integrating capacitor is compared. The curve of CDS signal variation with photo-current is shown in Figure 8. The black curve in Figure 8 shows, an adaptive capacitor used as an integrating capacitor, CDS signal change with photo-current. For 5T infrared pixels with 6.5 fF and 37.5 fF fixed capacitors, the curve of the CDS signal is in red and blue, respectively.
Figure 8.
CDS signal curve of use adapting capacitor, 6.5 fF capacitor, 37.5 fF capacitor.
It can be seen from Figure 8 that under low light conditions of 0–230 pA, the slope of the adaptive capacitor curve is closer to the red curve of 6.5 fF. Under the high light conditions of 230−1500 pA, the slope of the adaptive capacitor curve is closer to the blue curve of 37.5 fF.
To study the effectiveness of the adaptive integrating capacitor in reducing noise and increasing FWC, the pixel noise, and FWC with the adaptive capacitor are compared with those with a fixed capacitor. According to Equations (2) and (3), the noise and FWC of 5T pixels with different capacitors are shown in Figure 9.
Figure 9.
Noise and FWC of different capacitor 5T pixels.
Figure 9 shows that the adaptive capacitor pixel has less noise (0.3–1.8 e−) compared with the small capacitor of 6.5 fF, and a larger FWC (1.1 Me−) compared with the large capacitor of 37.5 fF. According to Equation (1) of DR, it can be seen that DR is determined by two factors, QFWC and Qnoise. As shown in Figure 9, the equivalent number of noise electrons of the image sensor with an adaptive capacitor is variable, so the DR calculated according to Equation (1) is 130–116 dB.
To further study the real performance of the adaptive capacitor image sensor, post-layout simulation is carried out based on a 55 nm CMOS process platform. The parameters used for post-layout simulation have been corrected based on measurements from actual sensors [27]. Under the process corner of 25 °C and tt, real performance parameters as shown in Table 1. Its various parameters are better than the pre-layout simulation under low light and high light conditions, and the consistency of pre-layout and post-layout simulation is achieved. Among them, the parasitic capacitor of the PD node is considered in the post-layout simulation of FWC. These parasitic capacitors can store additional charge, thereby increasing the FWC of the pixel circuit.
Table 1.
Post-layout simulation performance parameters of 5T infrared pixel circuit.
Since the device model files and parasitic parameter files called by the post-layout simulation have been corrected according to the measurements of the actual sensors, the performance parameters of the sensors proposed in this paper have the feasibility to be directly compared with other high-DR image sensors, as shown in Table 2. The pitch of the adaptive capacitor pixel is only 5.5 µm, which is much smaller than 16 µm of [11], 22 µm of [16], and 15 µm of [21], which is very advantageous. Compared with the highly DR method of increasing the subtractor in [12], increasing the counter in [16], or optimizing the structure of the photo-diode in [21], the adaptive capacitor design is simple. With a larger capacitor available area and FWC of 1.31 Me−. Although the DR of the literature [18] is large, the linearity is poor due to the use of logarithmic pixels. In comparison with the literature in Table 2, it is found that high DR image sensors with adaptive integrating capacitors not only have comparable DR but also have the advantage of using the existing process without affecting the fill factor and simplicity of timing.
Table 2.
Performance comparison of image sensors.
6. Conclusions
In the process of the development of infrared image sensors to small size, large FWC, and low noise, high DR imaging has practical significance. Adaptive capacitors can be widely used in various pixel structures to achieve high DR imaging. Based on the 55 nm CMOS process platform, the research on an adaptive capacitor to improve the DR is carried out in a 12,288 × 12,288 ultra-large array infrared image sensor chip. Studies have shown that under low light signals with photo-current of 10–50 pA, the capacitance is close to 6.5 fF, the CG is as high as 39.2 µV/e−, and the noise is as low as 0.43 e−; when the photo-current is 50–500 pA for high light signals, the capacitance is close to 37.5 fF, the CG is reduced to 2.3 µV/e−, the FWC is increased to 1.31 Me−, and the DR can reach 130 dB. The adaptive capacitor solves the restriction trade-off between noise and FWC in pixel design. It provides certain theoretical guidance for the design of high-performance and large-array CMOS image sensors.
Author Contributions
Conceptualization, Z.G.; methodology, Z.G. and S.L.; software, R.X.; validation, N.Y.; formal analysis, Z.G. and S.L.; investigation, R.X.; resources, R.X.; data curation, N.Y.; writing—original draft preparation, S.L.; writing—review and editing, Z.G. and S.L.; visualization, S.L.; supervision, S.L.; project administration, Z.G. and S.L.; funding acquisition, Z.G. All authors have read and agreed to the published version of the manuscript.
Funding
This research was funded by the National Natural Science Foundation of China under Grant 62171367, and in part by the Shaanxi Innovation Capability Support Project 2022TD-39.
Institutional Review Board Statement
Not applicable.
Informed Consent Statement
Not applicable.
Data Availability Statement
The data presented in this study are available on request from the corresponding author. The data are not publicly available due to privacy.
Conflicts of Interest
The authors declare no conflict of interest.
References
- Seo, M.W.; Chu, M.; Jung, H.Y.; Kim, S.; Song, J.; Lee, J.; Kim, S.Y.; Lee, J.; Byun, S.J.; Bae, D.; et al. A 2.6 e-rms low-random-noise,116.2 mW low-power 2-Mp global shutter CMOS image sensor with pixel-level ADC and in-pixel memory. In Proceedings of the 2021 Symposium on VLSI Technology, Kyoto, Japan, 13–19 June 2021; pp. 1–2. [Google Scholar]
- Kim, M.S.; Kang, D.U.; Lee, D.H.; Kim, H.; Cho, G.; Jae, M. Fast signal transfer in a large-area X-ray CMOS image sensor. J. Instrum. 2014, 9, P08011. [Google Scholar] [CrossRef]
- Xu, J.; Li, W.; Nie, K.; Han, L.; Zhao, X. A method to reduce the effect on image quality caused by resistance of column bus. IEEE Trans. Very Large-Scale Integr. (VLSI) Syst. 2019, 27, 173–181. [Google Scholar] [CrossRef]
- Kim, H.J.; Hwang, S.I.; Kwon, J.W.; Jin, D.H.; Choi, B.S.; Lee, S.G.; Park, J.H.; Shin, J.K.; Ryu, S.T. A delta-readout scheme for low-power CMOS image sensors with multi-column-parallel SAR ADCs. IEEE J. Solid-State Circuits 2016, 51, 2262–2273. [Google Scholar] [CrossRef]
- Park, H.; Yu, C.; Kim, H.; Roh, Y.; Burm, J. Low power CMOS image sensors using two step single slope ADC with bandwidth-limited comparators & voltage range extended ramp generator for battery limited application. IEEE Sens. J. 2020, 20, 2831–2838. [Google Scholar]
- Nie, K.; Zha, W.; Shi, X.; Li, J.; Xu, J.; Ma, J. A single slope ADC with row-wise noise reduction technique for CMOS image sensor. IEEE Trans. Circuits Syst. I 2020, 67, 2873–2882. [Google Scholar] [CrossRef]
- Park, I.; Jo, W.; Park, C.; Park, B.; Cheon, J.; Chae, Y. A 640 × 640 fully dynamic CMOS image sensor for always-on operation. IEEE J. Solid-State Circuit 2020, 55, 898–907. [Google Scholar] [CrossRef]
- Liu, S.; Guo, Z.; Yu, N.; Xu, R. High Dynamic Pixel Circuit Based on Variable Capacitance. In Proceedings of the 2023 6th International Conference on Electronics Technology (ICET), Chengdu, China, 12–15 May 2023; pp. 43–47. [Google Scholar]
- Cheung, V.; Westland, S.; Thomson, M. Accurate estimation of the nonlinearity of input/output response for color cameras. Color Res. Appl. 2004, 29, 406–412. [Google Scholar] [CrossRef]
- Zaitsu, K.; Matsumoto, A.; Nishida, M.; Tanaka, Y.; Yamashita, H.; Satake, Y.; Watanabe, T.; Araki, K.; Nei, N.; Nakazawa, K.; et al. A 2-layer transistor pixel stacked CMOS image sensor with oxide-based full trench isolation for large full well capacity and high quantum efficiency. In Proceedings of the 2022 IEEE Symposium on VLSI Technology and Circuits (VLSI Technology and Circuits), Honolulu, HI, USA, 12–17 June 2022; pp. 286–287. [Google Scholar]
- Kim, H.; Kim, Y.H.; Moon, S.; Kim, H.; Yoo, B.; Park, J.; Kim, S.; Koo, J.M.; Seo, S.; Shin, H.J.; et al. A 0.64 μm 4-Photodiode 1.28 μm 50Mpixel CMOS Image Sensor with 0.98 e-Temporal Noise and 20Ke-Full-Well Capacity Employing Quarter-Ring Source-Follower. In Proceedings of the 2023 IEEE International Solid-State Circuits Conference (ISSCC), San Francisco, CA, USA, 19–23 February 2023; pp. 1–3. [Google Scholar]
- Murata, M.; Kuroda, R.; Fujihara, Y.; Otsuka, Y.; Shibata, H.; Shibaguchi, T.; Kamata, Y.; Miura, N.; Kuriyama, N.; Sugawa, S. A high near-infrared sensitivity over 70-dB SNR CMOS image sensor with lateral overflow integration trench capacitor. IEEE Trans. Electron Devices 2020, 67, 1653–1659. [Google Scholar] [CrossRef]
- Uchida, T.; Yamashita, K.; Masagaki, A.; Kawamura, T.; Tokumitsu, C.; Iwabuchi, S.; Onizawa, T.; Ohura, M.; Ansai, H.; Izukashi, K. A 2.9 μm pixel CMOS image sensor for security cameras with high FWC and 97 dB single-exposure dynamic range. In Proceedings of the 2021 IEEE International Electron Devices Meeting (IEDM), San Francisco, CA, USA, 11–16 December 2021. [Google Scholar]
- Goto, M.; Honda, Y.; Nanba, M.; Iguchi, Y.; Saraya, T.; Kobayashi, M.; Higurashi, E.; Toshiyoshi, H.; Hiramoto, T. Pixel-parallel three-layer stacked CMOS image sensors using double-sided hybrid bonding of SOI wafers. IEEE Trans. Electron Devices 2023, 70, 4705–4711. [Google Scholar] [CrossRef]
- Sun, K.; Pan, L.; Wu, D.; Xu, J.; Wang, Z. A gate-controlled lateral thyristor-based pixel with low-light-level extension for high dynamic range applications. IEEE Sens. J. 2022, 22, 23856–23865. [Google Scholar] [CrossRef]
- Zhuo, Y.; Lu, W.; Yu, S.; Zhou, Y.; Kong, J.; Zhang, Y.; Chen, Z. A low-noise CTIA-based pixel with CDS for SWIR focal plane arrays. In Proceedings of the 2021 6th International Conference on Integrated Circuits and Micro-systems (ICICM), Nanjing, China, 22–24 October 2021; pp. 258–262. [Google Scholar]
- Qian, X.; Yu, H.; Chen, S.; Low, K.S. A high dynamic range CMOS image sensor with dual-exposure charge subtraction scheme. IEEE Sens. J. 2015, 15, 661–662. [Google Scholar] [CrossRef]
- Wocial, T.; Stefanov, K.; Barnes, W.; Jones, H. A method to achieve high dynamic range in a CMOS image sensor using interleaved row readout. IEEE Sens. J. 2022, 22, 21619–21627. [Google Scholar] [CrossRef]
- Kuo, K. A novel linear-logarithmic active pixel CMOS image sensor with wide dynamic range. In Proceedings of the 2021 IEEE International Midwest Symposium on Circuits and Systems (MWSCAS), Lansing, MI, USA, 9–11 August 2021; pp. 1100–1103. [Google Scholar]
- Wang, F.; Han, L.; Theuwissen, A.J. Development and evaluation of a highly linear CMOS image sensor with a digitally assisted linearity calibration. IEEE J. Solid-State Circuits 2018, 53, 2970–2981. [Google Scholar] [CrossRef]
- Kuznetsov, P.A.; Moschev, I.S. Photodetector of shortwave infrared range of format 640 × 512 elements with increased dynamic range. J. Commun. Technol. Electron. 2019, 64, 1034–1037. [Google Scholar] [CrossRef]
- Lou, S.; Qu, Y.; Zhong, G.; Cheng, Y.; Xiong, B.; Zhou, Q.; Li, Y.; Wang, X.; Chang, Y. An over 140 dB dynamic range CMOS image sensor combined DCG and logarithmic response. IEEE Trans. Electron Devices 2023, 70, 4719–4724. [Google Scholar] [CrossRef]
- Wang, F.; Theuwissen, A.J. Pixel optimizations and digital calibration methods of a CMOS image sensor targeting high linearity. IEEE Trans. Circuits Syst. I Regul. Pap. 2018, 66, 930–940. [Google Scholar] [CrossRef]
- Gao, Z.; Yang, C.; Xu, J.; Nie, K. A dynamic range enhanced readout technique with a two-step TDC for high speed linear CMOS image sensors. Sensors 2015, 15, 28224–28243. [Google Scholar] [CrossRef] [PubMed]
- Guo, Z.; Wang, B.; Liu, S.; Xu, R.; Yu, N. High-Linearity and High-Speed ROIC of Ultra-Large Array Infrared Detectors Based on Adaptive Compensation and Enhancement. Sensors 2023, 23, 5667. [Google Scholar] [CrossRef]
- Kavusi, S.; Ghosh, K.; El Gamal, A. Architectures for high dynamic range, high speed image sensor readout circuits. In Proceedings of the 2006 IFIP International Conference on Very Large-Scale Integration, Nice, France, 16–18 October 2006; pp. 36–41. [Google Scholar]
- Guo, Z.; Yu, N.; Wu, L. Research on column FPN and black level calibration in large array CMOS image sensor. Chin. J. Electron. 2021, 30, 268–274. [Google Scholar]
Disclaimer/Publisher’s Note: The statements, opinions and data contained in all publications are solely those of the individual author(s) and contributor(s) and not of MDPI and/or the editor(s). MDPI and/or the editor(s) disclaim responsibility for any injury to people or property resulting from any ideas, methods, instructions or products referred to in the content. |
© 2023 by the authors. Licensee MDPI, Basel, Switzerland. This article is an open access article distributed under the terms and conditions of the Creative Commons Attribution (CC BY) license (https://creativecommons.org/licenses/by/4.0/).