FPGA Implementation of Efficient CFAR Algorithm for Radar Systems
Abstract
1. Introduction
2. Previously Proposed CFAR Algorithms
2.1. ACCA-ODV CFAR
2.2. VI CFAR and MVI CFAR
3. Proposed CFAR Algorithm
| Algorithm 1 Pseudocode of the Proposed CFAR. |
|
4. Performance Analysis
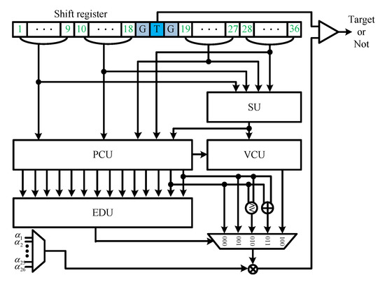
5. Hardware Architecture
5.1. Sorting Unit (SU)
5.2. Parameter-Calculation Unit (PCU)
5.3. Environmental-Decision Unit (EDU)
5.4. Comparator Unit (VCU)
5.5. Implementation and Results
6. Conclusions
Author Contributions
Funding
Institutional Review Board Statement
Informed Consent Statement
Data Availability Statement
Conflicts of Interest
References
- Weiss, M. Analysis of some modified cell-averaging CFAR processors in multiple-target situations. IEEE Trans. Aerosp. Electron. Syst. 1982, 102–114. [Google Scholar] [CrossRef]
- Gandhi, P.P.; Kassam, S.A. Analysis of CFAR processors in nonhomogeneous background. IEEE Trans. Aerosp. Electron. Syst. 1988, 24, 427–445. [Google Scholar] [CrossRef]
- Rohling, H. Radar CFAR thresholding in clutter and multiple target situations. IEEE Trans. Aerosp. Electron. Syst. 1983, AES-19, 608–621. [Google Scholar] [CrossRef]
- Gini, F.; Rangaswamy, M. Knowledge Based Radar Detection, Tracking and Classification; John Wiley & Sons: Hoboken, NJ, USA, 2008. [Google Scholar]
- Smith, M.E.; Varshney, P.K. Intelligent CFAR processor based on data variability. IEEE Trans. Aerosp. Electron. Syst. 2000, 36, 837–847. [Google Scholar] [CrossRef]
- Wang, L.; Wang, D.; Hao, C. Intelligent CFAR detector based on support vector machine. IEEE Access 2017, 5, 26965–26972. [Google Scholar] [CrossRef]
- Tabet, L.; Soltani, F. A generalized switching CFAR processor based on test cell statistics. Signal Image Video Process. 2009, 3, 265–273. [Google Scholar] [CrossRef]
- Kim, J.H.; Bell, M.R. A computationally efficient CFAR algorithm based on a goodness-of-fit test for piecewise homogeneous environments. IEEE Trans. Aerosp. Electron. Syst. 2013, 49, 1519–1535. [Google Scholar] [CrossRef]
- Wang, W.; Ji, Y.; Lin, X. A novel fusion-based ship detection method from Pol-SAR images. Sensors 2015, 15, 25072–25089. [Google Scholar] [CrossRef] [PubMed]
- Hansen, V.G.; Sawyers, J.H. Detectability loss due to “greatest of” selection in a cell-averaging CFAR. IEEE Trans. Aerosp. Electron. Syst. 1980, AES-16, 115–118. [Google Scholar] [CrossRef]
- Trunk, G.V. Range resolution of targets using automatic detectors. IEEE Trans. Aerosp. Electron. Syst. 1978, AES-14, 750–755. [Google Scholar] [CrossRef]
- Hammoudi, Z.; Soltani, F. Distributed IVI-CFAR detection in nonhomogeneous environments. Signal Process. 2004, 84, 1231–1237. [Google Scholar] [CrossRef]
- Li, Y.; Ji, Z.; Li, B.; Alterovitz, G. Switching variability index based multiple strategy CFAR detector. J. Syst. Eng. Electron. 2014, 25, 580–587. [Google Scholar]
- Shin, J.W.; Seo, Y.K.; Do, D.W.; Choi, S.M.; Kim, H.N. Modified variability-index CFAR detection robust to heterogeneous environment. In Proceedings of the International Conference on Systems and Electronic Engineering, Phuket, Thailand, 18–19 December 2012. [Google Scholar]
- Cao, Z.; Li, J.; Song, C.; Xu, Z.; Wang, X. Compressed sensing-based multitarget CFAR detection algorithm for FMCW radar. IEEE Trans. Geosci. Remote Sens. 2021, 59, 9160–9172. [Google Scholar] [CrossRef]
- Jiang, W.; Huang, Y.; Yang, J. Automatic censoring CFAR detector based on ordered data difference for low-flying helicopter safety. Sensors 2016, 16, 1055. [Google Scholar] [CrossRef] [PubMed]
- Onumanyi, A.J.; Bello-Salau, H.; Adejo, A.O.; Ohize, H.; Oloyede, M.O.; Paulson, E.; Aibinu, A.M. A discriminant analysis-based automatic ordered statistics scheme for radar systems. Phys. Commun. 2020, 43, 1–16. [Google Scholar] [CrossRef]
- Farrouki, A.; Barkat, M. Automatic censoring CFAR detector based on ordered data variability for nonhomogeneous environments. IEEE Proc.-Radar, Sonar Navig. 2005, 152, 43–51. [Google Scholar] [CrossRef]
- Sunny, S.P.; Prakash Narayanan, M. Parallel sorting based OS-CFAR Implementation in FPGA. In Proceedings of the OCEANS 2022-Chennai, Chennai, India, 21–24 February 2022; IEEE: Piscataway, NJ, USA, 2022; pp. 1–8. [Google Scholar]
- Zaimbashi, A.; Norouzi, Y. Automatic dual censoring cell-averaging CFAR detector in nonhomogenous environments. Signal Processing 2008, 88, 2611–2621. [Google Scholar] [CrossRef]
- Zhang, R.; Sheng, W.; Ma, X. Improved switching CFAR detector for nonhomogeneous environments. Signal Process. 2013, 93, 35–48. [Google Scholar] [CrossRef]
- Djemal, R.; Belwafi, K.; Kaaniche, W.; Alshebeili, S.A. An FPGA-based implementation of HW/SW architecture for CFAR radar target detector. In Proceedings of the ICM 2011 Proceeding, Hammamet, Tunisia, 19–22 December 2011; IEEE: Piscataway, NJ, USA, 2011; pp. 1–6. [Google Scholar]
- Djemal, R.; Belwafi, K.; Alshebeili, S. An adaptive CFAR embedded system architecture for target detection. Des. Autom. Embed. Syst. 2013, 17, 109–127. [Google Scholar] [CrossRef]
- Djemal, R.; Belwafi, K.; Kaaniche, W.; Alshebeili, S.A. A novel hardware/software embedded system based on automatic censored target detection for radar systems. AEU-Int. J. Electron. Commun. 2013, 67, 301–312. [Google Scholar] [CrossRef]
- Msadaa, S.; Lahbib, Y.; Mami, A. A SoPC FPGA implementing of an enhanced parallel CFAR architecture. In Proceedings of the 2022 IEEE 9th International Conference on Sciences of Electronics, Technologies of Information and Telecommunications (SETIT), Hammamet, Tunisia, 28–30 May 2022; IEEE: Piscataway, NJ, USA, 2022; pp. 441–446. [Google Scholar]
- Perez-Andrade, R.; Cumplido, R.; Feregrino-Uribe, C.; del Campo, F.M. A versatile hardware architecture for a constant false alarm rate processor based on a linear insertion sorter. Digit. Signal Process. 2010, 20, 1733–1747. [Google Scholar] [CrossRef]
- Hwang, Y.T.; Chen, Y.C.; Hong, C.R.; Pei, Y.T.; Chang, C.H.; Huang, J.C. Design and FPGA implementation of a FMCW radar baseband processor. In Proceedings of the 2012 IEEE Asia Pacific Conference on Circuits and Systems, Kaohsiung, Taiwan, 2–5 December 2012; IEEE: Piscataway, NJ, USA, 2012; pp. 392–395. [Google Scholar]
- Sana, S.; Ahsan, F.; Khan, S. Design and implementation of multimode CFAR processor. In Proceedings of the 2016 19th International Multi-Topic Conference (INMIC), Islamabad, Pakistan, 5–6 December 2016; IEEE: Piscataway, NJ, USA, 2016; pp. 1–6. [Google Scholar]
- Bharti, V.K.; Patel, V. Realization of real time adaptive CFAR processor for homing application in marine environment. In Proceedings of the 2018 Conference on Signal Processing And Communication Engineering Systems (SPACES), Vijayawada, India, 4–5 January 2018; IEEE: Piscataway, NJ, USA, 2018; pp. 185–188. [Google Scholar]
- Zhao, J.; Jiang, R.; Yang, H.; Wang, X.; Gao, H. Reconfigurable hardware architecture for mean level and log-t CFAR detectors in FPGA implementations. IEICE Electron. Express 2019, 16, 1–6. [Google Scholar] [CrossRef]
- Alsuwailem, A.M.; Alshebeili, S.A.; Alhowaish, M.; Qasim, S.M. Field programmable gate array-based design and realisation of automatic censored cell averaging constant false alarm rate detector based on ordered data variability. IET Circuits Devices Syst. 2009, 3, 12–21. [Google Scholar] [CrossRef]
- Choi, Y.; Jeong, D.; Lee, M.; Lee, W.; Jung, Y. Fpga implementation of the range-doppler algorithm for real-time synthetic aperture radar imaging. Electronics 2021, 10, 2133. [Google Scholar] [CrossRef]




















| Reference Window Size | Guard Cell Size | CNR | Number of Partition Windows | Size of Partition Window | Number of Trials | Noise Power | ||
|---|---|---|---|---|---|---|---|---|
| 36 | 1 | 10 dB | 4 | 9 | 1 dB |
| ⋯ | Mask Enable | ||||
|---|---|---|---|---|---|
| × | × | ⋯ | × | 0 | 0000_0000_0000 |
| × | × | ⋯ | 0 | 1 | 1000_0000_0000 |
| ⋯ | ⋯ | ||||
| × | 1 | ⋯ | 1 | 1 | 1111_1111_1110 |
| 1 | 1 | ⋯ | 1 | 1 | 1111_1111_1111 |
| Unit | LUT | Registers |
|---|---|---|
| SU | 3189 | 1846 |
| PCU | 3531 | 1351 |
| EDU | 579 | 105 |
| VCU | 371 | 194 |
| Top Block | 8260 | 3823 |
| Fmax | 118.39 MHz | |
| Ref. | Platform | Algorithm | Resource | Fmax (MHz) | Operation Time | Process (nm) | Tnorm | |
|---|---|---|---|---|---|---|---|---|
| LUT | Register (Slices) | |||||||
| [22] | Altera Stratix IV | ACOSD 1 | 4273 | 3074 | 250 | 0.45 s | 40 | 0.23 s |
| [23] | Altera Stratix II | ACOSD 1 | N/A | N/A | 100 | 110 ms | 90 | 24.44 ms |
| [24] | Altera Stratix IV | ACOSD 1, CA, OS | 11,094 | 11,192 | 200 | 0.27 s | 40 | 0.16 s |
| [25] | Xilinx Zynq 7000 | ACOSD 1 | 10,441 | 12,688 | 148 | 0.24 s | 28 | 0.17 s |
| [26] | Xilinx Virtex-IV | CA, GO, SO, OSCA 2, OSGO 3, OSSO 4 | 690 | 1364 | N/A | 84 ms | 90 | 18.67 ms |
| [27] | Xilinx Virtex-IV | CA, OS | 11,197 | 6027 | 59 | N/A | 90 | N/A |
| [28] | Xilinx Virtex-6 | CA, OS, TM | 9272 | 5004 | N/A | 503 ms | 40 | 251.5 ms |
| [29] | Xilinx KCU105 | OS, OSCA 2, OSGO 3, OSSO 4 | 5697 | 2923 | 100 | 0.26 s | 20 | 0.26 s |
| [30] | Xilinx Kintex-7 | Mean Level, Log-t | 99,650 | 27,082 | 100 | 83 s | 28 | 59.29 s |
| [31] | Altera Stratix II | ACCA-ODV | 18,861 | 5943 | 109.37 | 0.21 s | 90 | 0.05 s |
| Proposed | Altera Stratix II | MVI, ACCA-ODV | 8260 | 3823 | 118.39 | 0.6 s | 90 | 0.13 s |
Disclaimer/Publisher’s Note: The statements, opinions and data contained in all publications are solely those of the individual author(s) and contributor(s) and not of MDPI and/or the editor(s). MDPI and/or the editor(s) disclaim responsibility for any injury to people or property resulting from any ideas, methods, instructions or products referred to in the content. |
© 2023 by the authors. Licensee MDPI, Basel, Switzerland. This article is an open access article distributed under the terms and conditions of the Creative Commons Attribution (CC BY) license (https://creativecommons.org/licenses/by/4.0/).
Share and Cite
Sim, Y.; Heo, J.; Jung, Y.; Lee, S.; Jung, Y. FPGA Implementation of Efficient CFAR Algorithm for Radar Systems. Sensors 2023, 23, 954. https://doi.org/10.3390/s23020954
Sim Y, Heo J, Jung Y, Lee S, Jung Y. FPGA Implementation of Efficient CFAR Algorithm for Radar Systems. Sensors. 2023; 23(2):954. https://doi.org/10.3390/s23020954
Chicago/Turabian StyleSim, Yunseong, Jinmoo Heo, Yongchul Jung, Seongjoo Lee, and Yunho Jung. 2023. "FPGA Implementation of Efficient CFAR Algorithm for Radar Systems" Sensors 23, no. 2: 954. https://doi.org/10.3390/s23020954
APA StyleSim, Y., Heo, J., Jung, Y., Lee, S., & Jung, Y. (2023). FPGA Implementation of Efficient CFAR Algorithm for Radar Systems. Sensors, 23(2), 954. https://doi.org/10.3390/s23020954

