The Design of a Low Noise, Multi-Channel Recording System for Use in Implanted Peripheral Nerve Interfaces
Abstract
:1. Introduction
1.1. Neural Recording
1.2. Recording Challenges of MECs
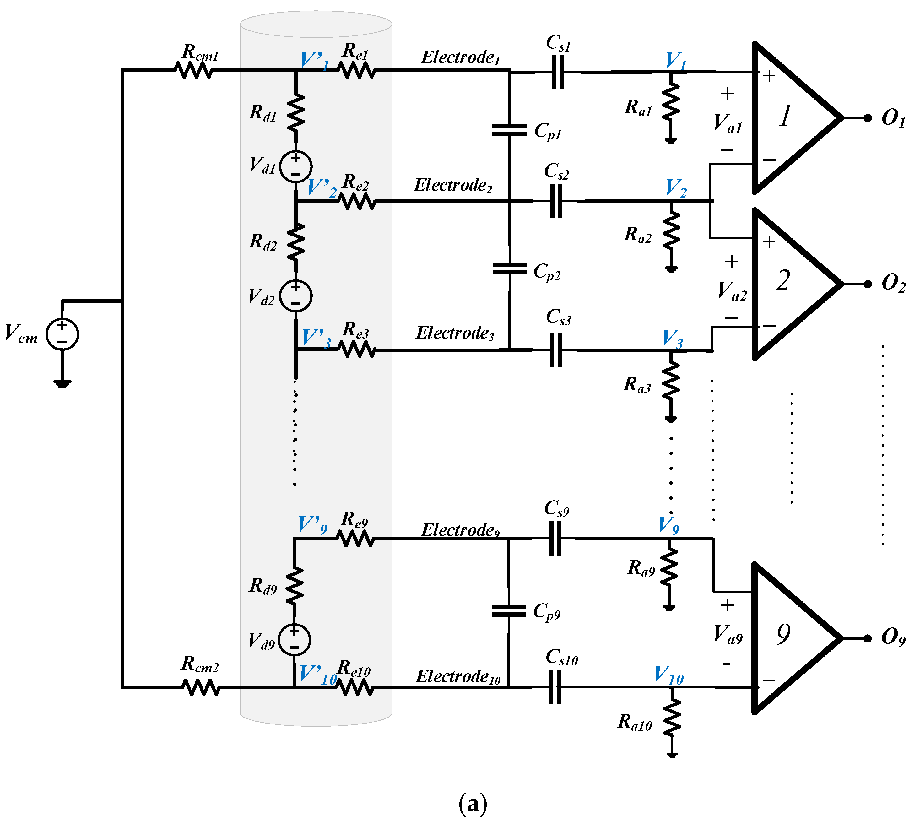
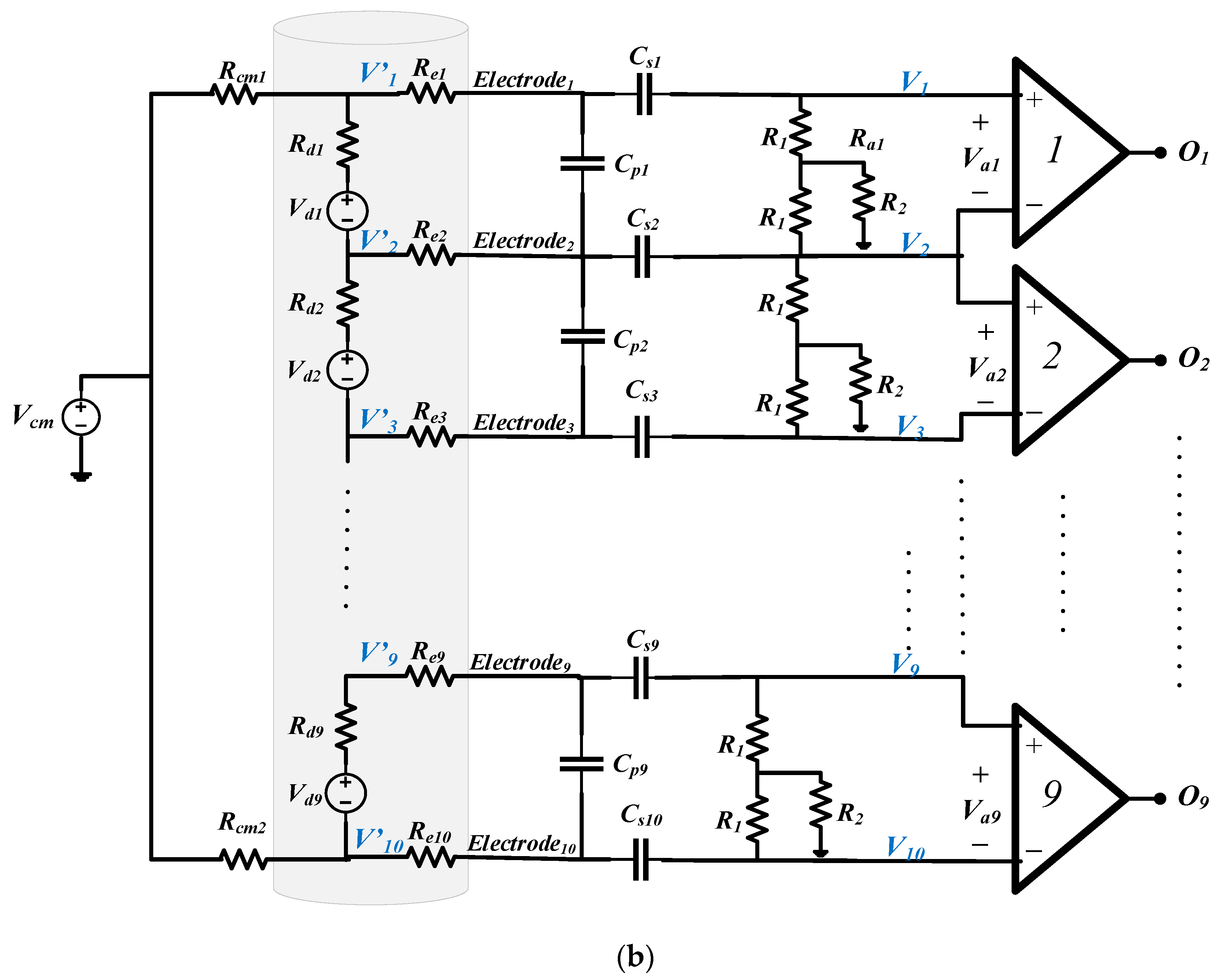
2. Interface Circuits
2.1. Common-Mode Rejection Ratio (CMRR)
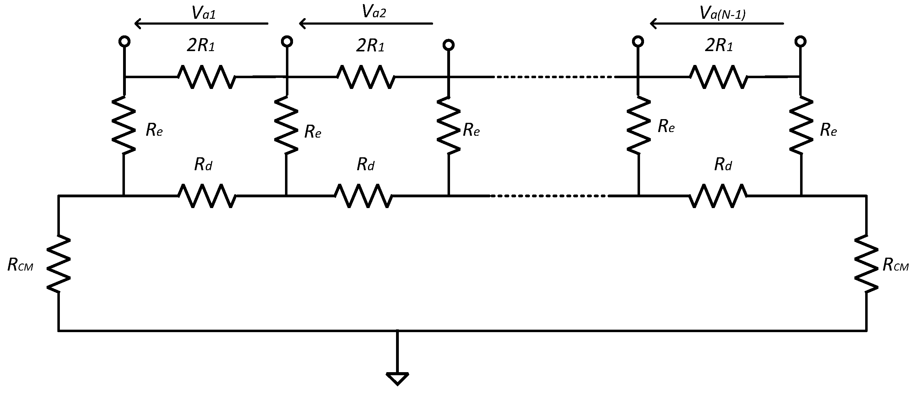
2.1.1. ‘Type 1’ Biasing Structure
- Rai >> Rei;
- Rai >> Rcmi and
- Rai >> Rdi; all i
2.1.2. ‘Type 2’ Biasing Structure
2.2. Crosstalk between the Channels
2.2.1. ‘Type 1’ Biasing Structure
2.2.2. ‘Type 2’ Biasing Structure
2.3. Noise Analysis
2.3.1. Thermal Noise

2.3.2. Amplifier Noise
3. Electrode Impedance Mismatch
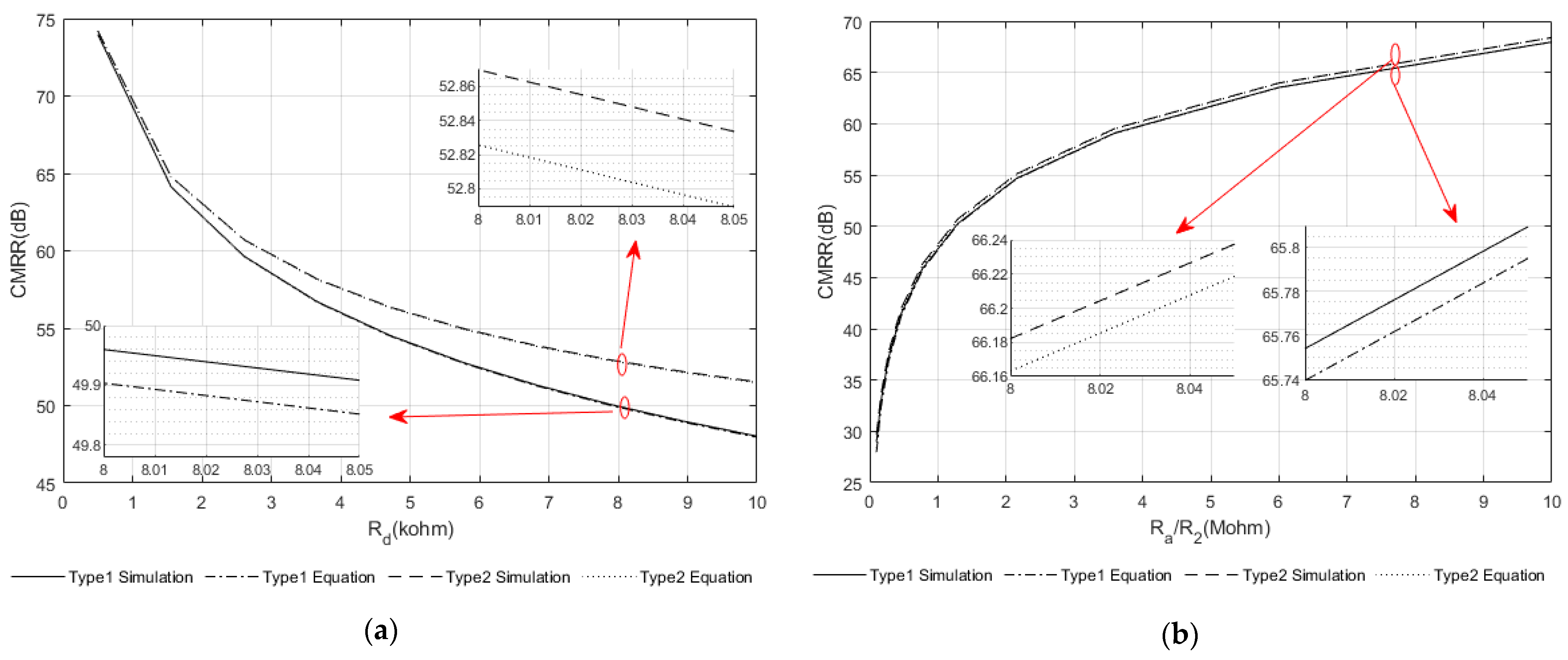
4. Validation by Simulation
4.1. Accuracy of the Approximate Equations
4.2. Simulation of the Complete System
5. Discussion
5.1. Validity of Assumptions
5.1.1. Use of a Simulation-Based Analytical Study
5.1.2. The Use of Gaussian Noise Models
5.2. Optimisation of Component Values
6. Conclusions
Author Contributions
Funding
Institutional Review Board Statement
Informed Consent Statement
Data Availability Statement
Conflicts of Interest
Appendix A
Example of the Symbolic Calculation of Common-Mode (CM) Gain Using Matlab
| a = | (A2) |
| 36Ga9Gcm2Gd7Ge2 + 210Ga9Gcm2Gd6Ge3 + 462Ga9Gcm2Gd5Ge4 + 495Ga9Gcm2Gd4Ge5 + 286Ga9Gcm2Gd3Ge6 + 91Ga9Gcm2Gd2Ge7 + | |
| 15Ga9Gcm2GdGe8 + Ga9Gcm2Ge9 + 8Ga9GcmGd8Ge2 + 120Ga9GcmGd7Ge3 + 462Ga9GcmGd6Ge4 + 792Ga9GcmGd5Ge5 + 715Ga9GcmGd4Ge6 | |
| + 364Ga9GcmGd3Ge7 + 105Ga9GcmGd2Ge8 + 16Ga9GcmGdGe9 + Ga9GcmGe10 + 288Ga8Gcm2Gd7Ge3 + 1470Ga8Gcm2Gd6Ge4 + | |
| 2772Ga8Gcm2Gd5Ge5 + 2475Ga8Gcm2Gd4Ge6 + 1144Ga8Gcm2Gd3Ge7 + 273Ga8Gcm2Gd2Ge8 + 30Ga8Gcm2GdGe9 + Ga8Gcm2Ge10 + | |
| 64Ga8GcmGd8Ge3 + 840Ga8GcmGd7Ge4 + 2772Ga8GcmGd6Ge5 + 3960Ga8GcmGd5Ge6 + 2860Ga8GcmGd4Ge7 + 1092Ga8GcmGd3Ge8 + | |
| 210Ga8GcmGd2Ge9 + 16Ga8GcmGdGe10 + 1008Ga7Gcm2Gd7Ge4 + 4410Ga7Gcm2Gd6Ge5 + 6930Ga7Gcm2Gd5Ge6 + 4950Ga7Gcm2Gd4Ge7 + | |
| 1716Ga7Gcm2Gd3Ge8 + 273Ga7Gcm2Gd2Ge9 + 15Ga7Gcm2GdGe10 + 224Ga7GcmGd8Ge4 + 2520Ga7GcmGd7Ge5 + 6930Ga7GcmGd6Ge6 + | |
| 7920Ga7GcmGd5Ge7 + 4290Ga7GcmGd4Ge8 + 1092Ga7GcmGd3Ge9 + 105Ga7GcmGd2Ge10 + 2016Ga6Gcm2Gd7Ge5 + 7350Ga6Gcm2Gd6Ge6 + | |
| 9240Ga6Gcm2Gd5Ge7 + 4950Ga6Gcm2Gd4Ge8 + 1144Ga6Gcm2Gd3Ge9 + 91Ga6Gcm2Gd2Ge10 + 448Ga6GcmGd8Ge5 + 4200Ga6GcmGd7Ge6 + | |
| 9240Ga6GcmGd6Ge7 + 7920Ga6GcmGd5Ge8 + 2860Ga6GcmGd4Ge9 + 364Ga6GcmGd3Ge10 + 2520Ga5Gcm2Gd7Ge6 + 7350Ga5Gcm2Gd6Ge7 + | |
| 6930Ga5Gcm2Gd5Ge8 + 2475Ga5Gcm2Gd4Ge9 + 286Ga5Gcm2Gd3Ge10 + 560Ga5GcmGd8Ge6 + 4200Ga5GcmGd7Ge7 + 6930Ga5GcmGd6Ge8 + | |
| 3960Ga5GcmGd5Ge9 + 715Ga5GcmGd4Ge10 + 2016Ga4Gcm2Gd7Ge7 + 4410Ga4Gcm2Gd6Ge8 + 2772Ga4Gcm2Gd5Ge9 + 495Ga4Gcm2Gd4Ge10 | |
| + 448Ga4GcmGd8Ge7 + 2520Ga4GcmGd7Ge8 + 2772Ga4GcmGd6Ge9 + 792Ga4GcmGd5Ge10 + 1008Ga3Gcm2Gd7Ge8 | |
| + 1470Ga3Gcm2Gd6Ge9 + 462Ga3Gcm2Gd5Ge10 + 224Ga3GcmGd8Ge8 + 840Ga3GcmGd7Ge9 + 462Ga3GcmGd6Ge10 + 288Ga2Gcm2Gd7Ge9 + | |
| 210Ga2Gcm2Gd6Ge10 + 64Ga2GcmGd8Ge9 + 120Ga2GcmGd7Ge10 + 36GaGcm2Gd7Ge10 + 8GaGcmGd8Ge10 | |
| b = | (A3) |
| 9Ga10Gcm2Gd8 + 120Ga10Gcm2Gd7Ge + 462Ga10Gcm2Gd6Ge2 + 792Ga10Gcm2Gd5Ge3 + 715Ga10Gcm2Gd4Ge4 + 364Ga10Gcm2Gd3Ge5 + | |
| 105Ga10Gcm2Gd2Ge6 + 16Ga10Gcm2GdGe7 + Ga10Gcm2Ge8 + 2Ga10GcmGd9 + 90Ga10GcmGd8Ge + 660Ga10GcmGd7Ge2 + | |
| 1848Ga10GcmGd6Ge3 + 2574Ga10GcmGd5Ge4 + 2002Ga10GcmGd4Ge5 + 910Ga10GcmGd3Ge6 + 240Ga10GcmGd2Ge7 + 34Ga10GcmGdGe8 + | |
| 2Ga10GcmGe9 + 10Ga10Gd9Ge + 165Ga10Gd8Ge2 + 792Ga10Gd7Ge3 + 1716Ga10Gd6Ge4 + 2002Ga10Gd5Ge5 + 1365Ga10Gd4Ge6 + | |
| 560Ga10Gd3Ge7 + 136Ga10Gd2Ge8 + 18Ga10GdGe9 + Ga10Ge10 + 90Ga9Gcm2Gd8Ge + 1080Ga9Gcm2Gd7Ge2 + 3696Ga9Gcm2Gd6Ge3 + | |
| 5544Ga9Gcm2Gd5Ge4 + 4290Ga9Gcm2Gd4Ge5 + 1820Ga9Gcm2Gd3Ge6 + 420Ga9Gcm2Gd2Ge7 + 48Ga9Gcm2GdGe8 + 2Ga9Gcm2Ge9 + | |
| 20Ga9GcmGd9Ge + 810Ga9GcmGd8Ge2 + 5280Ga9GcmGd7Ge3 + 12,936Ga9GcmGd6Ge4 + 15,444Ga9GcmGd5Ge5 + 10,010Ga9GcmGd4Ge6 + | |
| 3640Ga9GcmGd3Ge7 + 720Ga9GcmGd2Ge8 + 68Ga9GcmGdGe9 + 2Ga9GcmGe10 + 90Ga9Gd9Ge2 + 1320Ga9Gd8Ge3 + 5544Ga9Gd7Ge4 + | |
| 10,296Ga9Gd6Ge5 + 10,010Ga9Gd5Ge6 + 5460Ga9Gd4Ge7 + 1680Ga9Gd3Ge8 + 272Ga9Gd2Ge9 + 18Ga9GdGe10 + 405Ga8Gcm2Gd8Ge2 + | |
| 4320Ga8Gcm2Gd7Ge3 + 12,936Ga8Gcm2Gd6Ge4 + 16,632Ga8Gcm2Gd5Ge5 + 10,725Ga8Gcm2Gd4Ge6 + 3640Ga8Gcm2Gd3Ge7 + | |
| 630Ga8Gcm2Gd2Ge8 + 48Ga8Gcm2GdGe9 + Ga8Gcm2Ge10 + 90Ga8GcmGd9Ge2 + 3240Ga8GcmGd8Ge3 + 18,480Ga8GcmGd7Ge4 + | |
| 38,808Ga8GcmGd6Ge5 + 38,610Ga8GcmGd5Ge6 + 20,020Ga8GcmGd4Ge7 + 5460Ga8GcmGd3Ge8 + 720Ga8GcmGd2Ge9 + 34Ga8GcmGdGe10 | |
| + 360Ga8Gd9Ge3 + 4620Ga8Gd8Ge4 + 16,632Ga8Gd7Ge5 + 25,740Ga8Gd6Ge6 + 20,020Ga8Gd5Ge7 + 8190Ga8Gd4Ge8 + 1680Ga8Gd3Ge9 | |
| + 136Ga8Gd2Ge10 + 1080Ga7Gcm2Gd8Ge3 + 10,080Ga7Gcm2Gd7Ge4 + 25,872Ga7Gcm2Gd6Ge5 + 27,720Ga7Gcm2Gd5Ge6 + | |
| 14,300Ga7Gcm2Gd4Ge7 + 3640Ga7Gcm2Gd3Ge8 + 420Ga7Gcm2Gd2Ge9 + 16Ga7Gcm2GdGe10 + 240Ga7GcmGd9Ge3 + 7560Ga7GcmGd8Ge4 + | |
| 36,960Ga7GcmGd7Ge5 + 64,680Ga7GcmGd6Ge6 + 51,480Ga7GcmGd5Ge7 + 20,020Ga7GcmGd4Ge8 + 3640Ga7GcmGd3Ge9 + | |
| 240Ga7GcmGd2Ge10 + 840Ga7Gd9Ge4 + 9240Ga7Gd8Ge5 + 27,720Ga7Gd7Ge6 + 34,320Ga7Gd6Ge7 + 20,020Ga7Gd5Ge8 + 5460Ga7Gd4Ge9 | |
| + 560Ga7Gd3Ge10 + 1890Ga6Gcm2Gd8Ge4 + 15,120Ga6Gcm2Gd7Ge5 + 32,340Ga6Gcm2Gd6Ge6 + 27,720Ga6Gcm2Gd5Ge7 + | |
| 10,725Ga6Gcm2Gd4Ge8 + 1820Ga6Gcm2Gd3Ge9 + 105Ga6Gcm2Gd2Ge10 + 420Ga6GcmGd9Ge4 + 11,340Ga6GcmGd8Ge5 + | |
| 46,200Ga6GcmGd7Ge6 + 64,680Ga6GcmGd6Ge7 + 38,610Ga6GcmGd5Ge8 + 10,010Ga6GcmGd4Ge9 + 910Ga6GcmGd3Ge10 + 1260Ga6Gd9Ge5 | |
| + 11,550Ga6Gd8Ge6 + 27,720Ga6Gd7Ge7 + 25,740Ga6Gd6Ge8 + 10,010Ga6Gd5Ge9 + 1365Ga6Gd4Ge10 + 2268Ga5Gcm2Gd8Ge5 + | |
| 15,120Ga5Gcm2Gd7Ge6 + 25,872Ga5Gcm2Gd6Ge7 + 16,632Ga5Gcm2Gd5Ge8 + 4290Ga5Gcm2Gd4Ge9 + 364Ga5Gcm2Gd3Ge10 + | |
| 504Ga5GcmGd9Ge5 + 11,340Ga5GcmGd8Ge6 + 36,960Ga5GcmGd7Ge7 + 38,808Ga5GcmGd6Ge8 + 15,444Ga5GcmGd5Ge9 + | |
| 2002Ga5GcmGd4Ge10 + 1260Ga5Gd9Ge6 + 9240Ga5Gd8Ge7 + 16,632Ga5Gd7Ge8 + 10,296Ga5Gd6Ge9 + 2002Ga5Gd5Ge10 + | |
| 1890Ga4Gcm2Gd8Ge6 + 10,080Ga4Gcm2Gd7Ge7 + 12,936Ga4Gcm2Gd6Ge8 + 5544Ga4Gcm2Gd5Ge9 + 715Ga4Gcm2Gd4Ge10 + | |
| 420Ga4GcmGd9Ge6 + 7560Ga4GcmGd8Ge7 + 18,480Ga4GcmGd7Ge8 + 12,936Ga4GcmGd6Ge9 + 2574Ga4GcmGd5Ge10 + 840Ga4Gd9Ge7 + | |
| 4620Ga4Gd8Ge8 + 5544Ga4Gd7Ge9 + 1716Ga4Gd6Ge10 + 1080Ga3Gcm2Gd8Ge7 + 4320Ga3Gcm2Gd7Ge8 + 3696Ga3Gcm2Gd6Ge9 + | |
| 792Ga3Gcm2Gd5Ge10 + 240Ga3GcmGd9Ge7 + 3240Ga3GcmGd8Ge8 + 5280Ga3GcmGd7Ge9 + 1848Ga3GcmGd6Ge10 + 360Ga3Gd9Ge8 + | |
| 1320Ga3Gd8Ge9 + 792Ga3Gd7Ge10 + 405Ga2Gcm2Gd8Ge8 + 1080Ga2Gcm2Gd7Ge9 + 462Ga2Gcm2Gd6Ge10 + 90Ga2GcmGd9Ge8 + | |
| 810Ga2GcmGd8Ge9 + 660Ga2GcmGd7Ge10 + 90Ga2Gd9Ge9 + 165Ga2Gd8Ge10 | |
| + 90GaGcm2Gd8Ge9 + 120GaGcm2Gd7Ge10 + 20GaGcmGd9Ge9 + 90GaGcmGd8Ge10 + 10GaGd9Ge10 + 9Gcm2Gd8Ge10 + 2GcmGd9Ge10 |
References
- Haugland, M. A flexible method for fabrication of nerve cuff electrodes. In Proceedings of the 18th Annual International Conference of the IEEE Engineering in Medicine and Biology Society, Amsterdam, The Netherlands, 31 October–3 November 1996; Volume 1, pp. 359–360. [Google Scholar]
- Kawai, K.; Tanaka, T.; Baba, H.; Bunker, M.; Ikeda, A.; Inoue, Y.; Kameyama, S.; Kaneko, S.; Kato, A.; Nozawa, T. Outcome of vagus nerve stimulation for drug-resistant epilepsy: The first three years of a prospective Japanese registry. Epileptic Disord. 2017, 19, 327–338. [Google Scholar] [CrossRef] [PubMed]
- Purser, M.F.; Mladsi, D.M.; Beckman, A.; Barion, F.; Forsey, J. Expected budget impact and health outcomes of expanded use of vagus nerve stimulation therapy for drug-resistant epilepsy. Adv. Ther. 2018, 35, 1686–1696. [Google Scholar] [CrossRef]
- Metcalfe, B.W.; Nielsen, T.N.; de N Donaldson, N.; Hunter, A.J.; Taylor, J. First demonstration of velocity selective recording from the pig vagus using a nerve cuff shows respiration afferents. Biomed. Eng. Lett. 2018, 8, 127–136. [Google Scholar] [CrossRef] [PubMed] [Green Version]
- Metcalfe, B.W.; Nielsen, T.; Taylor, J. Velocity selective recording: A demonstration of effectiveness on the vagus nerve in pig. In Proceedings of the 2018 40th Annual International Conference of the IEEE Engineering in Medicine and Biology Society (EMBC), Honolulu, HI, USA, 18–21 July 2018; pp. 1–4. [Google Scholar]
- Pflaum, C.; Riso, R.R.; Wiesspeiner, G. Performance of alternative amplifier configurations for tripolar nerve cuff recorded ENG. In Proceedings of the 18th Annual International Conference of the IEEE Engineering in Medicine and Biology Society, Amsterdam, The Netherlands, 31 October–3 November 1996; Volume 1, pp. 375–376. [Google Scholar]
- Koh, R.G.; Nachman, A.I.; Zariffa, J. Use of spatiotemporal templates for pathway discrimination in peripheral nerve recordings: A simulation study. J. Neural Eng. 2016, 14, 016013. [Google Scholar] [CrossRef] [PubMed] [Green Version]
- Silveira, C.; Brunton, E.; Spendiff, S.; Nazarpour, K. Influence of nerve cuff channel count and implantation site on the separability of afferent ENG. J. Neural Eng. 2018, 15, 046004. [Google Scholar] [CrossRef] [PubMed]
- Aristovich, K.; Donegá, M.; Blochet, C.; Avery, J.; Hannan, S.; Chew, D.J.; Holder, D. Imaging fast neural traffic at fascicular level with electrical impedance tomography: Proof of principle in rat sciatic nerve. J. Neural Eng. 2018, 15, 056025. [Google Scholar] [CrossRef] [PubMed]
- Yoshida, K.; Kurstjens, G.; Hennings, K. Experimental validation of the nerve conduction velocity selective recording technique using a multi-contact cuff electrode. Med. Eng. Phys. 2009, 31, 1261–1270. [Google Scholar] [CrossRef] [PubMed]
- Taylor, J.; Donaldson, N.; Winter, J. Multiple-electrode nerve cuffs for low-velocity and velocity-selective neural recording. Med. Biol. Eng. Comput. 2004, 42, 634–643. [Google Scholar] [CrossRef] [PubMed]
- Donaldson, N.; Rieger, R.; Schuettler, M.; Taylor, J. Noise and selectivity of velocity-selective multi-electrode nerve cuffs. Med. Biol. Eng. Comput. 2008, 46, 1005–1018. [Google Scholar] [CrossRef] [PubMed]
- Metcalfe, B.W.; Chew, D.J.; Clarke, C.T.; Donaldson, N.D.N.; Taylor, J.T. A new method for spike extraction using velocity selective recording demonstrated with physiological ENG in Rat. J. Neurosci. Methods 2015, 251, 47–55. [Google Scholar] [CrossRef] [PubMed] [Green Version]
- Rieger, R.; Taylor, J.; Demosthenous, A.; Donaldson, N.; Langlois, P.J. Design of a low-noise preamplifier for nerve cuff electrode recording. IEEE J. Solid-State Circuits 2003, 38, 1373–1379. [Google Scholar] [CrossRef]
- Rahal, M.; Winter, J.; Taylor, J.; Donaldson, N. An improved configuration for the reduction of EMG in electrode cuff recordings: A theoretical approach. IEEE Trans. Biomed. Eng. 2000, 47, 1281–1284. [Google Scholar] [CrossRef] [PubMed]
- Casas, O.; Pallas-Areny, R. Optimal bias circuit for instrumentation amplifiers. In Proceedings of the 14th Imeko World Congress, Tampere, Finland, 2–6 June 1997; pp. 143–148. [Google Scholar]
- Stein, R.; Pearson, K. Predicted amplitude and form of action potentials recorded from unmyelinated nerve fibres. J. Theor. Biol. 1971, 32, 539–558. [Google Scholar] [CrossRef]








| 1 | 2 | … | 10 | 11 | 12 | 13 | 14 | 20 | |
|---|---|---|---|---|---|---|---|---|---|
| 1 | Ge1 + Ga1 | 0 | … | 0 | −Ge1 | 0 | 0 | 0 | 0 |
| 2 | 0 | Ge2 + Ga2 | … | 0 | 0 | −Ge2 | 0 | 0 | 0 |
| : | : | : | : | : | : | : | : | : | : |
| 10 | 0 | 0 | … | Ge10 + Ga10 | 0 | 0 | 0 | 0 | −Ge10 |
| 11 | −Ge1 | 0 | … | 0 | Gcm1 + Ge1 + Gd1 | −Gd1 | 0 | 0 | 0 |
| 12 | 0 | −Ge2 | … | 0 | −Gd1 | Ge2 + Gd1 + Gd2 | −Gd2 | 0 | 0 |
| 13 | 0 | 0 | … | 0 | 0 | −Gd2 | Ge3 + Gd2 + Gd3 | −Gd3 | 0 |
| : | : | : | : | : | : | : | : | : | : |
| 20 | 0 | 0 | … | −Ge10 | 0 | 0 | 0 | 0 | Gcm2 + Ge10 + Gd9 |
| Description | ‘Type 1’ Circuit | ‘Type 2’ Circuit | Equations No. |
|---|---|---|---|
| Common-Mode Gain | (5), (6) | ||
| Crosstalk Between Channels | (11), (12) | ||
| Total Thermal Noise Density | (13) | ||
| Total Input-Referred rms Noise Density | (14) | ||
| Electrodes | 2—Wire Impedance Measurements (100 mV, 1 kHz) |
|---|---|
| 1–2 | 2.4 kΩ/−59° |
| 2–3 | 2.0 kΩ/−58° |
| 3–4 | 2.6 kΩ/−59° |
| 4–5 | 3.3 kΩ/−60° |
| 5–6 | 3.9 kΩ/−51° |
| 6–7 | 2.5 kΩ/−47° |
| 7–8 | 1.7 kΩ/−61° |
| 8–9 | 1.4 kΩ/−59° |
| 9–10 | 1.3 kΩ/−60° |
| Reference-1 | 1.1 kΩ/−48° |
| Reference-10 | 1.1 kΩ/−48° |
| Structure | Common-Mode Gain | Differential Mode Gain |
|---|---|---|
| ‘Type 1’ | ||
| ‘Type 2’ |
| Structure | Common-Mode Gain | Differential Mode Gain |
|---|---|---|
| ‘Type 1’ | ||
| ‘Type 2’ |
| Parameter | Variables Held Constant | Swept Variables |
|---|---|---|
| both circuits | ||
| CMRR | R2 = Ra = 10 MΩ | Rd, Ra (or R2 for Type 2) |
| Crosstalk | R1 = 10 kΩ | Rd, Rcm |
| Thermal noise | Rcm = Rd = 1 kΩ | Rd |
| Amplifier current noise | Rd, Rcm |
| Parameter | Specifications |
|---|---|
| Technology | 0.35 µm 4-metal 2-poly CMOS |
| Power supply | ±1.5 V |
| Midband Gain | 79.7 dB |
| −3 dB frequencies | |
| Lower | 258 Hz |
| Upper | 24.1 kHz |
| CMRR (@3 KHz) | 77.5 dB (AV,CM = 1.29) |
| PSRR(@3KHz) | |
| VDD | 50.57 dB |
| VSS | 40.2 dB |
| Adjacent channel interference(crosstalk) | <−100.1 dB |
| Total input-referred voltage noise density@3 kHz | |
| Total input-referred current noise density@3 kHz | |
| Total input-referred rms voltage noise 1 Hz–31 kHz for a source resistance of 1 kΩ |
| Parameter | Calculation | Simulation |
|---|---|---|
| Min(CMRR) (@3 KHz) | 65.29 dB | 65.08 dB |
| Adjacent channel interference (crosstalk) | −20.83 dB | −20.81 dB |
| Total input-referred voltage noise density@3 kHz |
Publisher’s Note: MDPI stays neutral with regard to jurisdictional claims in published maps and institutional affiliations. |
© 2022 by the authors. Licensee MDPI, Basel, Switzerland. This article is an open access article distributed under the terms and conditions of the Creative Commons Attribution (CC BY) license (https://creativecommons.org/licenses/by/4.0/).
Share and Cite
Sadrafshari, S.; Metcalfe, B.; Donaldson, N.; Granger, N.; Prager, J.; Taylor, J. The Design of a Low Noise, Multi-Channel Recording System for Use in Implanted Peripheral Nerve Interfaces. Sensors 2022, 22, 3450. https://doi.org/10.3390/s22093450
Sadrafshari S, Metcalfe B, Donaldson N, Granger N, Prager J, Taylor J. The Design of a Low Noise, Multi-Channel Recording System for Use in Implanted Peripheral Nerve Interfaces. Sensors. 2022; 22(9):3450. https://doi.org/10.3390/s22093450
Chicago/Turabian StyleSadrafshari, Shamin, Benjamin Metcalfe, Nick Donaldson, Nicolas Granger, Jon Prager, and John Taylor. 2022. "The Design of a Low Noise, Multi-Channel Recording System for Use in Implanted Peripheral Nerve Interfaces" Sensors 22, no. 9: 3450. https://doi.org/10.3390/s22093450
APA StyleSadrafshari, S., Metcalfe, B., Donaldson, N., Granger, N., Prager, J., & Taylor, J. (2022). The Design of a Low Noise, Multi-Channel Recording System for Use in Implanted Peripheral Nerve Interfaces. Sensors, 22(9), 3450. https://doi.org/10.3390/s22093450

