LC Passive Wireless Sensor System Based on Two Switches for Detection of Triple Parameters
Abstract
:1. Introduction
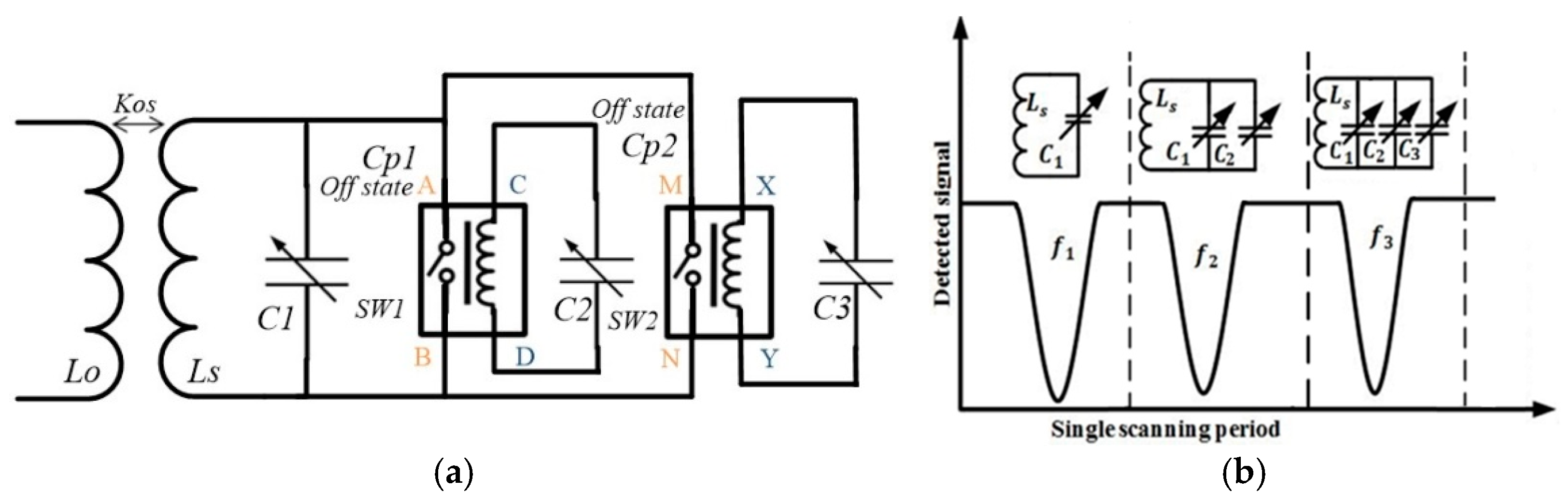
2. Operation Principle
2.1. Analysis
2.2. Evaluation and Comparison
2.3. Simulations
3. Experiments and Results
4. Conclusions and Future Work
Author Contributions
Funding
Institutional Review Board Statement
Informed Consent Statement
Acknowledgments
Conflicts of Interest
References
- Cong, P.; Ko, W.H.; Young, D.J. Wireless Batteryless Implantable Blood Pressure Monitoring Microsystem for Small Laboratory Animals. IEEE Sens. J. 2010, 10, 243–254. [Google Scholar] [CrossRef]
- Chen, P.; Saati, S.; Varma, R.; Humayun, M.S.; Tai, Y. Wireless Intraocular Pressure Sensing Using Microfabricated Minimally Invasive Flexible-Coiled LC Sensor Implant. J. Microelectromech. Syst. 2010, 19, 721–734. [Google Scholar] [CrossRef]
- Usman, M.; Waseem, M.; Khan, D.; Manan, A.; Ullah, S.; Iqbal, M.M.; Faheem, Z.B. PD Based Cost Effective and Accurate Calorimeter Temperature Control and Measurement System. In Proceedings of the 2020 IEEE International Conference on Sustainable Engineering and Creative Computing (ICSECC), Cikarang, Indonesia, 16–17 December 2020; pp. 189–193. [Google Scholar]
- Jamal, H.; Waseem, M.; Sajjad, I.A.; Anjum, A.; Khan, M.S. Low-Cost Feedback Control Thermal Protection System for 3-Phase Distribution Transformer Using Microcontroller. In Proceedings of the 2018 IEEE International Conference on Smart Energy Grid Engineering (SEGE), Oshawa, ON, Canada, 12–15 August 2018; pp. 200–204. [Google Scholar]
- Horton, B.E.; Schweitzer, S.; DeRouin, A.J.; Ong, K.G. A Varactor-Based, Inductively Coupled Wireless pH Sensor. IEEE Sens. J. 2011, 11, 1061–1066. [Google Scholar] [CrossRef]
- Harpster, T.J.; Hauvespre, S.; Dokmeci, M.R.; Najafi, K. A passive humidity monitoring system for in situ remote wireless testing of micropackages. J. Microelectromech. Syst. 2002, 11, 61–67. [Google Scholar] [CrossRef]
- Waseem, M.; Lin, Z.; Ding, Y.; Wen, F.; Liu, S.; Palu, I. Technologies and Practical Implementations of Air-conditioner Based Demand Response. J. Mod. Power Syst. Clean Energy 2021, 9, 1395–1413. [Google Scholar] [CrossRef]
- Nopper, R.; Has, R.; Reindl, L. A Wireless Sensor Readout System—Circuit Concept, Simulation, and Accuracy. IEEE Trans. Instrum. Meas. 2011, 60, 2976–2983. [Google Scholar] [CrossRef]
- Ong, K.G.; Grimes, C.A.; Robbins, C.L.; Singh, R.S. Design and application of a wireless, passive, resonant-circuit environmental monitoring sensor. Sens. Actuators A Phys. 2001, 93, 33–43. [Google Scholar] [CrossRef]
- Sattar, M.K.; Fayyaz, S.; Waseem, M.; Saddique, M.S.; Usama, M.; Ilyas, H.B. Smart Modular Helmet with an Innovative Information Relaying System. Eng. Proc. 2021, 12, 94. [Google Scholar]
- Iqbal, M.M.; Waseem, M.; Manan, A.; Liaqat, R.; Muqeet, A.; Wasaya, A. IoT-Enabled Smart Home Energy Management Strategy for DR Actions in Smart Grid Paradigm. In Proceedings of the 2021 International Bhurban Conference on Applied Sciences and Technologies (IBCAST), Islamabad, Pakistan, 12–16 January 2021; pp. 352–357. [Google Scholar]
- Bhadra, S.; Bridges, G.E.; Thomson, D.J.; Freund, M.S. A wireless passive sensor for pH monitoring employing temperature compensation. In Proceedings of the SENSORS, 2011 IEEE, Limerick, Ireland, 28–31 October 2011; pp. 1522–1525. [Google Scholar]
- Ren, Q.Y.; Wang, L.F.; Huang, J.Q.; Zhang, C.; Huang, Q.A. Simultaneous Remote Sensing of Temperature and Humidity by LC-Type Passive Wireless Sensors. J. Microelectromech. Syst. 2015, 24, 1117–1123. [Google Scholar] [CrossRef]
- Zhang, C.; Huang, J.-Q.; Huang, Q.-A. Design of LC-type passive wireless multi-parameter sensor. In Proceedings of the 8th Annual IEEE International Conference on Nano/Micro Engineered and Molecular Systems, Suzhou, China, 7–10 April 2013; pp. 256–259. [Google Scholar]
- Dong, L.; Wang, L.F.; Huang, Q.A. Implementation of Multiparameter Monitoring by an LC-Type Passive Wireless Sensor Through Specific Winding Stacked Inductors. IEEE Internet Things J. 2015, 2, 168–174. [Google Scholar] [CrossRef]
- Dong, L.; Wang, L.F.; Huang, Q.A. An LC Passive Wireless Multifunctional Sensor Using a Relay Switch. IEEE Sens. J. 2016, 16, 4968–4973. [Google Scholar] [CrossRef]
- Jonah, O.; Georgakopoulos, S.V. Wireless Power Transfer in Concrete via Strongly Coupled Magnetic Resonance. IEEE Trans. Antennas Propag. 2013, 61, 1378–1384. [Google Scholar] [CrossRef]
- Khan, D.; Hu, P.; Habib, S.; Waseem, M.; Lin, Z.; Ahmed, E.M. A resonant damping control and analysis for LCL-type grid-connected inverter. Energy Rep. 2022, 8, 911–928. [Google Scholar] [CrossRef]
- Ruiz-Garcia, L.; Lunadei, L.; Barreiro, P.; Robla, I. A Review of Wireless Sensor Technologies and Applications in Agriculture and Food Industry: State of the Art and Current Trends. Sensors 2009, 9, 4728–4750. [Google Scholar] [CrossRef] [PubMed] [Green Version]
- Chen, L.Y.; Tee, B.C.K.; Chortos, A.L.; Schwartz, G.; Tse, V.; Lipomi, D.J.; Wong, H.S.P.; McConnell, M.V.; Bao, Z. Continuous wireless pressure monitoring and mapping with ultra-small passive sensors for health monitoring and critical care. Nat. Commun. 2014, 5, 5028. [Google Scholar] [CrossRef] [Green Version]
- Waseem, M.; Lin, Z.; Liu, S.; Zhang, Z.; Aziz, T.; Khan, D. Fuzzy compromised solution-based novel home appliances scheduling and demand response with optimal dispatch of distributed energy resources. Appl. Energy 2021, 290, 116761. [Google Scholar] [CrossRef]
- Waseem, M.; Lin, Z.; Yang, L. Data-Driven Load Forecasting of Air Conditioners for Demand Response Using Levenberg–Marquardt Algorithm-Based ANN. Big Data Cogn. Comput. 2019, 3, 36. [Google Scholar] [CrossRef] [Green Version]
- Mannoor, M.S.; Tao, H.; Clayton, J.D.; Sengupta, A.; Kaplan, D.L.; Naik, R.R.; Verma, N.; Omenetto, F.G.; McAlpine, M.C. Graphene-based wireless bacteria detection on tooth enamel. Nat. Commun. 2012, 3, 763. [Google Scholar] [CrossRef]
- Harpster, T.J.; Stark, B.; Najafi, K. A passive wireless integrated humidity sensor. In Proceedings of the Technical Digest. MEMS 2001, 14th IEEE International Conference on Micro Electro Mechanical Systems (Cat. No.01CH37090), Interlaken, Switzerland, 25 January 2001; pp. 553–557. [Google Scholar]
- Zhang, C.; Wang, L.F.; Huang, J.Q.; Huang, Q.A. An LC-Type Passive Wireless Humidity Sensor System with Portable Telemetry Unit. J. Microelectromech. Syst. 2015, 24, 575–581. [Google Scholar] [CrossRef]
- Yeon, P.; Kumar, A.; Ghovanloo, M. Wireless coil array sensors for monitoring hermetic failure of millimeter-sized biomedical implants. In Proceedings of the 2017 IEEE 60th International Midwest Symposium on Circuits and Systems (MWSCAS), Boston, MA, USA, 6–9 August 2017; pp. 631–634. [Google Scholar]
- Sattar, M.K.; Waseem, M.; Fayyaz, S.; Kalsoom, R.; Hussain, H.A.; Saddique, M.S. IOT Based Fault Detection and Protection of Power Transformer in the Smart Grid. Eng. Proc. 2021, 12, 7. [Google Scholar]
- Waseem, M.; Lin, Z.; Liu, S.; Jinai, Z.; Rizwan, M.; Sajjad, I.A. Optimal BRA based electric demand prediction strategy considering instance-based learning of the forecast factors. Int. Trans. Electr. Energy Syst. 2021, 31, e12967. [Google Scholar] [CrossRef]
- Deng, W.J.; Wang, L.F.; Dong, L.; Huang, Q.A. Symmetric LC Circuit Configurations for Passive Wireless Multifunctional Sensors. J. Microelectromech. Syst. 2019, 28, 344–350. [Google Scholar] [CrossRef]








| Approaches | Number of Parameters | Limitations | Inducement |
|---|---|---|---|
| Two quantities of detected resonant frequency signal | Two | Lower measuring sensitivity, lower signal strength, lower accuracy | Working principle |
| Array of inductors capacitor circuit | Two | Larger chip area, higher cost, lower measuring sensitivity, signal strength | Individual resonant circuits |
| Stacked inductors circuits | Two | Transmitting signal shifts, detected signal missing or shift, higher cost, lower measuring sensitivity | Strong mutual coupling |
| Two partly overlapped inductors system | Two | Limited measuring range, lower signal strength, lower measuring sensitivity, higher cost | Interrogation distance |
| Specific winding stacked inductors system | Two | Limited measuring sensitivity, lower signal strength, higher cost, limited interrogating distance | Small mutual inductance |
| Two parallel LC circuits using single relay switch | Two | Limited measuring sensitivity, limited signal strength, higher cost, larger chip area, distorted detected signal, limited interrogating range | Relay switch |
Publisher’s Note: MDPI stays neutral with regard to jurisdictional claims in published maps and institutional affiliations. |
© 2022 by the authors. Licensee MDPI, Basel, Switzerland. This article is an open access article distributed under the terms and conditions of the Creative Commons Attribution (CC BY) license (https://creativecommons.org/licenses/by/4.0/).
Share and Cite
Mustafa, M.; Rizwan, M.; Kashif, M.; Khan, T.; Waseem, M.; Annuk, A. LC Passive Wireless Sensor System Based on Two Switches for Detection of Triple Parameters. Sensors 2022, 22, 3024. https://doi.org/10.3390/s22083024
Mustafa M, Rizwan M, Kashif M, Khan T, Waseem M, Annuk A. LC Passive Wireless Sensor System Based on Two Switches for Detection of Triple Parameters. Sensors. 2022; 22(8):3024. https://doi.org/10.3390/s22083024
Chicago/Turabian StyleMustafa, Muhammad, Mian Rizwan, Muhammad Kashif, Tahir Khan, Muhammad Waseem, and Andres Annuk. 2022. "LC Passive Wireless Sensor System Based on Two Switches for Detection of Triple Parameters" Sensors 22, no. 8: 3024. https://doi.org/10.3390/s22083024
APA StyleMustafa, M., Rizwan, M., Kashif, M., Khan, T., Waseem, M., & Annuk, A. (2022). LC Passive Wireless Sensor System Based on Two Switches for Detection of Triple Parameters. Sensors, 22(8), 3024. https://doi.org/10.3390/s22083024

