Quartz Crystal Microbalance with Impedance Analysis Based on Virtual Instruments: Experimental Study
Abstract
:1. Introduction
2. Principles of the Methods
2.1. The QCM Sensor and Equivalent Electrical Model
2.2. Impedance Analysis Methods
2.3. Shunt and Stray Capacitance Compensation
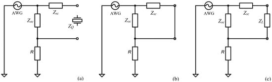
2.4. Stray Impedance Compensation
2.5. Shunt and Stray Capacitance Compensation in VIA
3. Materials and Method
3.1. Virtual Impedance Analyzer
3.2. Computation of the QCM Sensor Parameters
3.2.1. Method 1: Resonance Frequencies
3.2.2. Method 2: Quality Factor
3.2.3. Method 3: Shunt and Stray Capacitance Compensation
4. Results and Discussion
4.1. QCM Sensor Impedance Analysis in Air
4.2. QCM Sensor Impedance Analysis in Liquids
4.3. Performances of the Virtual Impedance Analyzer
5. Conclusions
Funding
Institutional Review Board Statement
Informed Consent Statement
Conflicts of Interest
References
- Sauerbrey, G. Use of quartz crystals for weighing thin layers and for microweighing. Z. Physik. 1959, 155, 206–222. [Google Scholar] [CrossRef]
- Kanazawa, K.K.; Gordon, J.G., II. The oscillation frequency of a quartz resonator in contact with a liquid. Anal. Chim. Acta 1985, 175, 99–105. [Google Scholar] [CrossRef]
- Reed, C.E.; Kanazawa, K.K.; Kaufman, J.H. Physical description of a viscoelastically loaded AT-cut quartz resonator. J. Appl. Phys. 1990, 68, 1993–2001. [Google Scholar] [CrossRef]
- Zimmermann, B.; Lucklum, R.; Hauptmann, P.; Rabe, J.; Büttgenbach, S. Electrical characterisation of high-frequency thicknessshear-mode resonators by impedance analysis. Sens. Actuators B Chem. 2001, 76, 47–57. [Google Scholar] [CrossRef]
- Noël, M.; Topart, P.A. High frequency impedance analysis of quartz microbalances I. General considerations. Anal. Chem. 1994, 66, 484–491. [Google Scholar] [CrossRef]
- Behrends, R.; Kaatze, U. A high frequency shear wave impedance spectrometer for low viscosity liquids. Meas. Sci. Technol. 2001, 12, 519–524. [Google Scholar] [CrossRef]
- Arnau, A. A review of interface electronic systems for AT-cut quartz crystal microbalance applications in liquids. Sensors 2008, 8, 370–411. [Google Scholar] [CrossRef] [Green Version]
- Alassi, A.; Benammar, M.; Brett, D. Quartz crystal microbalance electronic interfacing systems: A review. Sensors 2017, 17, 2799. [Google Scholar] [CrossRef] [Green Version]
- Johannsmann, D.; Langhoff, A.; Leppin, C. Studying soft interfaces with shear waves: Principles and applications of the Quartz Crystal Microbalance (QCM). Sensors 2021, 21, 3490. [Google Scholar] [CrossRef]
- Rickert, J.; Brecht, A.; Göpel, W. Quartz crystal microbalances for quantitative biosensing and characterizing protein multilayers. Biosens. Bioelectron. 1997, 12, 567–575. [Google Scholar] [CrossRef]
- Bunde, R.L.; Jarvi, E.J.; Rosentreter, J.J. Piezoelectric quartz crystal biosensors. Talanta 1998, 46, 1223–1236. [Google Scholar] [CrossRef]
- Marx, K.A. Quartz crystal microbalance: A useful tool for studying thin polymer films and complex biomolecular systems at the solution-surface interface. Biomacromolecules 2003, 4, 1099–1120. [Google Scholar] [CrossRef] [PubMed] [Green Version]
- Cular, S.; Branch, D.W.; Bhethanabotla, V.R.; Meyer, G.D.; Craighead, H.G. Removal of nonspecifically bound proteins on microarrays using surface acoustic waves. IEEE Sens. J. 2008, 8, 314–320. [Google Scholar] [CrossRef]
- Bahos, F.A.; Sainz-Vidal, A.; Sánchez-Pérez, C.; Saniger, J.M.; Gràcia, I.; Saniger-Alba, M.M.; Matatagui, D. ZIF nanocrystal-based Surface Acoustic Wave (SAW) electronic nose to detect diabetes in human breath. Biosensors 2019, 9, 4. [Google Scholar] [CrossRef] [Green Version]
- Homola, J.; Yee, S.S.; Gauglitz, G. Surface plasmon resonance sensors: Review. Sens. Actuators B Chem. 1999, 54, 3–15. [Google Scholar] [CrossRef]
- Minunni, M.; Mascini, M.; Tombelli, S. Analytical applications of QCM-based nucleic acid biosensors. In Piezoelectric Sensors; Springer: Berlin/Heidelberg, Germany, 2007; pp. 211–235. [Google Scholar]
- Höök, F.; Kasemo, B. The QCM-D Technique for probing biomacromolecular recognition reactions. In Piezoelectric Sensors; Springer: Berlin/Heidelberg, Germany, 2007; pp. 425–447. [Google Scholar]
- Dickert, F.L.; Lieberzeit, P.A. Imprinted polymers in chemical recognition for mass-sensitive devices. In Piezoelectric Sensors; Springer: Berlin/Heidelberg, Germany, 2007; pp. 173–210. [Google Scholar]
- Johannsmann, D. Studies of viscoelasticity with the QCM. In Piezoelectric Sensors; Springer: Berlin/Heidelberg, Germany, 2007; pp. 49–109. [Google Scholar]
- Fort, A.; Panzardi, E.; Vignoli, V.; Tani, M.; Landi, E.; Mugnaini, M.; Vaccarella, P. An adaptive measurement system for the simultaneous evaluation of frequency shift and series resistance of QCM in liquid. Sensors 2021, 21, 678. [Google Scholar] [CrossRef]
- Beck, R.; Pittermann, U.; Weil, K.G. Impedance analysis of quartz oscillators, contacted on one side with a liquid. Ber. Bunsenges. Phys. Chem. 1988, 92, 1363–1368. [Google Scholar] [CrossRef]
- Kasper, M.; Traxler, L.; Salopek, J.; Grabmayr, H.; Ebner, A.; Kienberger, F. Broadband 120 MHz impedance Quartz Crystal Microbalance (QCM) with calibrated resistance and quantitative dissipation for biosensing measurements at higher harmonic frequencies. Biosensors 2016, 6, 23. [Google Scholar] [CrossRef] [Green Version]
- Rodahl, M.; Hook, F.; Krozer, A.; Brzezinski, P.; Kasemo, B. Quartz-crystal microbalance setup for frequency and Q-factor measurements in gaseous and liquid environments. Rev. Sci. Instrum. 1995, 66, 3924–3930. [Google Scholar] [CrossRef] [Green Version]
- Rodahl, M.; Kasemo, B. A simple setup to simultaneously measure the resonant frequency and the absolute dissipation factor of a quartz crystal microbalance. Rev. Sci. Instrum. 1996, 67, 3238–3241. [Google Scholar] [CrossRef] [Green Version]
- Rodahl, M.; Kasemo, B. Frequency and dissipation-factor responses to localized liquid deposits on a QCM electrode. Sens. Actuators B 1996, 37, 111–116. [Google Scholar] [CrossRef]
- Fernández, R.; Calero, M.; Jiménez, Y.; Arnau, A. A real-time method for improving stability of monolithic quartz crystal microbalance operating under harsh environmental conditions. Sensors 2021, 21, 4166. [Google Scholar] [CrossRef] [PubMed]
- Fernández, R.; García, P.; García, M.; García, J.; Jiménez, Y.; Arnau, A. Design and validation of a 150 MHz HFFQCM sensor for bio-sensing applications. Sensors 2017, 17, 2057. [Google Scholar] [CrossRef] [PubMed]
- March, C.; García, J.V.; Sánchez, Á.; Arnau, A.; Jiménez, Y.; García, P.; Manclús, J.J.; Montoya, Á. High-frequency phase shift measurement greatly enhances the sensitivity of QCM immunosensors. Biosens. Bioelectron. 2015, 65, 1–8. [Google Scholar] [CrossRef]
- Cervera-Chiner, L.; Juan-Borrás, M.; March, C.; Arnau, A.; Escriche, I.; Montoya, Á.; Jiménez, Y. High Fundamental Frequency Quartz Crystal Microbalance (HFF-QCM) immunosensor for pesticide detection in honey. Food Control 2018, 92, 1–6. [Google Scholar] [CrossRef] [Green Version]
- Wudy, F.; Multerer, M.; Stock, C.; Schmeer, G.; Gores, H.J. Rapid impedance scanning QCM for electrochemical applications based on miniaturized hardware and high-performance curve fitting. Electrochim. Acta. 2008, 53, 6568–6574. [Google Scholar] [CrossRef]
- Spoelder, H.J. Virtual instrumentation and virtual environments. IEEE Instrum. Meas. Mag. 1999, 2, 14–19. [Google Scholar] [CrossRef]
- Rodríguez, A.; Valverde, J.; Portilla, J.; Otero, A.; Riesgo, T.; De la Torre, E. FPGA-Based high-performance embedded systems for adaptive edge computing in cyber-physical systems: The ARTICo3 Framework. Sensors 2018, 18, 1877. [Google Scholar] [CrossRef] [Green Version]
- Impedance Measurement Handbook. Available online: https://assets.testequity.com/te1/Documents/pdf/keysight/impedance-measurement-handbook.pdf (accessed on 11 January 2022).
- STEMlab 125-14 Starter Kit. Available online: https://redpitaya.com/product/stemlab-125-14/ (accessed on 11 January 2022).
- Xu, Z.; Yao, J.; Wang, Z.; Liu, Y.; Wang, H.; Chen, B.; Wu, H. Development of a portable electrical impedance tomography system for biomedical applications. IEEE Sens. J. 2018, 18, 8117–8124. [Google Scholar] [CrossRef]
- Analod Discovery 2 Reference Manual. Available online: https://digilent.com/reference/test-and-measurement/analog-discovery-2/reference-manual (accessed on 11 January 2022).
- Ojarand, J.; Min, M.; Koel, A. Multichannel electrical impedance spectroscopy analyzer with microfluidic sensors. Sensors 2019, 19, 1891. [Google Scholar] [CrossRef] [Green Version]
- Grout, I.; Mullin, L. Hardware considerations for tensor implementation and analysis using the field programmable gate array. Electronics 2018, 7, 320. [Google Scholar] [CrossRef] [Green Version]
- Rendon-Hernandez, A.A.; Smith, S.E.; Halim, M.A.; Arnold, D.P. Hybrid piezo/magnetic electromechanical transformer. Micromachines 2021, 12, 1214. [Google Scholar] [CrossRef] [PubMed]
- Analog Discovery Impedance Analyzer. Available online: https://digilent.com/reference/add-ons/impedance-analyzer/start?redirect=1 (accessed on 11 January 2022).
- Analog Discovery Impedance Analyzer Schematic. Available online: https://digilent.com/reference/_media/reference/instrumentation/analog_discovery_impedance_analyzer_sch.pdf (accessed on 11 January 2022).
- Esmeryan, K.D.; McHale, G.; Trabi, C.L.; Geraldi, N.R.; Newton, M.I. Manipulated wettability of a superhydrophobic quartz crystal microbalance through electrowetting. J. Phys. D Appl. Phys. 2013, 46, 345307–345316. [Google Scholar] [CrossRef]











| BVD Model | Method 1 | Method 2 | Method 3 | LMA |
|---|---|---|---|---|
| Rs (Ω) | 12.9016 | 12.9016 | 12.90135 | 13.1224 |
| Ls (mH) | 9.0838 | 8.8889 | 8.8889 | 9.0834 |
| Cs (fF) | 27.9979 | 28.4990 | 28.4995 | 27.8889 |
| Cp (pF) | 7.5165 | 7.6812 | 0 | 7.5200 |
Publisher’s Note: MDPI stays neutral with regard to jurisdictional claims in published maps and institutional affiliations. |
© 2022 by the author. Licensee MDPI, Basel, Switzerland. This article is an open access article distributed under the terms and conditions of the Creative Commons Attribution (CC BY) license (https://creativecommons.org/licenses/by/4.0/).
Share and Cite
Burda, I. Quartz Crystal Microbalance with Impedance Analysis Based on Virtual Instruments: Experimental Study. Sensors 2022, 22, 1506. https://doi.org/10.3390/s22041506
Burda I. Quartz Crystal Microbalance with Impedance Analysis Based on Virtual Instruments: Experimental Study. Sensors. 2022; 22(4):1506. https://doi.org/10.3390/s22041506
Chicago/Turabian StyleBurda, Ioan. 2022. "Quartz Crystal Microbalance with Impedance Analysis Based on Virtual Instruments: Experimental Study" Sensors 22, no. 4: 1506. https://doi.org/10.3390/s22041506
APA StyleBurda, I. (2022). Quartz Crystal Microbalance with Impedance Analysis Based on Virtual Instruments: Experimental Study. Sensors, 22(4), 1506. https://doi.org/10.3390/s22041506
