Decision Support System for Emergencies in Microgrids
Abstract
1. Introduction
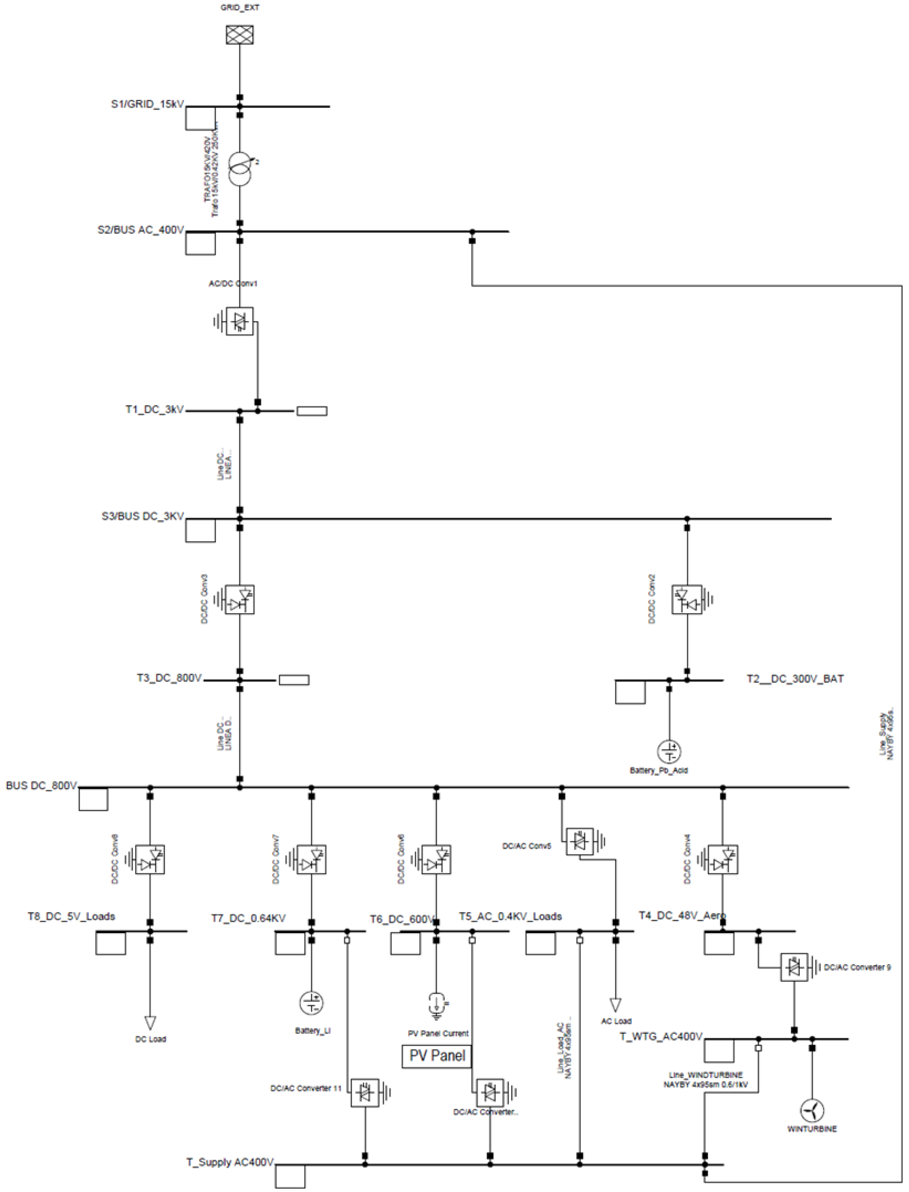
2. Methodology
3. Use Cases
4. Results
4.1. Results of Case 1
4.2. Results of Case 2
4.3. Results of Case 3




| Case 1 | Case 2 | Case 3 | |
|---|---|---|---|
| RES covering the load | 100% | 83.2% | 35.2% |
| Main RES | PV | PV | WG |
| BESS covering the load (both, if connected) | 0% | 16.8% | 64.8% |
| Overall SOC reduction for BESS 1 | −9.3% | 26.2% | 56.8% |
| Overall SOC reduction for BESS 2 | N/A | −9.0% | 0% |
5. Conclusions
Author Contributions
Funding
Institutional Review Board Statement
Informed Consent Statement
Data Availability Statement
Acknowledgments
Conflicts of Interest
Appendix A

References
- Chen, C.; Duan, S.; Cai, T.; Liu, B.; Hu, G. Smart Energy Management System for Optimal Microgrid Economic Operation. IET Renew. Power Gener. 2011, 5, 258. [Google Scholar] [CrossRef]
- Liu, X.; Wang, P.; Loh, P.C. A Hybrid AC/DC Microgrid and Its Coordination Control. IEEE Trans. Smart Grid 2011, 2, 278–286. [Google Scholar] [CrossRef]
- Kanchev, H.; Lu, D.; Colas, F.; Lazarov, V.; Francois, B. Energy Management and Operational Planning of a Microgrid With a PV-Based Active Generator for Smart Grid Applications. IEEE Trans. Ind. Electron. 2011, 58, 4583–4592. [Google Scholar] [CrossRef]
- Noghreian, E.; Koofigar, H.R. Power Control of Hybrid Energy Systems with Renewable Sources (Wind-Photovoltaic) Using Switched Systems Strategy. Sustain. Energy Grids Netw. 2020, 21, 100280. [Google Scholar] [CrossRef]
- Pramangioulis, D.; Atsonios, K.; Nikolopoulos, N.; Rakopoulos, D.; Grammelis, P.; Kakaras, E. A Methodology for Determination and Definition of Key Performance Indicators for Smart Grids Development in Island Energy Systems. Energies 2019, 12, 242. [Google Scholar] [CrossRef]
- Dekka, A.; Ghaffari, R.; Venkatesh, B.; Wu, B. A Survey on Energy Storage Technologies in Power Systems. In Proceedings of the 2015 IEEE Electrical Power and Energy Conference (EPEC), London, ON, Canada, 26–28 October 2015; pp. 105–111. [Google Scholar]
- Luo, X.; Wang, J.; Dooner, M.; Clarke, J. Overview of Current Development in Electrical Energy Storage Technologies and the Application Potential in Power System Operation. Appl. Energy 2015, 137, 511–536. [Google Scholar] [CrossRef]
- Bhattacharjee, A.; Samanta, H.; Ghosh, A.; Mallick, T.K.; Sengupta, S.; Saha, H. Optimized Integration of Hybrid Renewable Sources with Long-Life Battery Energy Storage in Microgrids for Peak Power Shaving and Demand Side Management under Different Tariff Scenario. Energy Technol. 2021, 9, 2100199. [Google Scholar] [CrossRef]
- Georgious, R.; Refaat, R.; Garcia, J.; Daoud, A.A. Review on Energy Storage Systems in Microgrids. Electronics 2021, 10, 2134. [Google Scholar] [CrossRef]
- Fotopoulou, M.; Rakopoulos, D.; Trigkas, D.; Stergiopoulos, F.; Blanas, O.; Voutetakis, S. State of the Art of Low and Medium Voltage Direct Current (DC) Microgrids. Energies 2021, 14, 5595. [Google Scholar] [CrossRef]
- Husein, M.; Chung, I.-Y. Optimal Design and Financial Feasibility of a University Campus Microgrid Considering Renewable Energy Incentives. Appl. Energy 2018, 225, 273–289. [Google Scholar] [CrossRef]
- Chen, C.; Wang, J.; Ton, D. Modernizing Distribution System Restoration to Achieve Grid Resiliency Against Extreme Weather Events: An Integrated Solution. Proc. IEEE 2017, 105, 1267–1288. [Google Scholar] [CrossRef]
- Mashayekh, S.; Stadler, M.; Cardoso, G.; Heleno, M. A Mixed Integer Linear Programming Approach for Optimal DER Portfolio, Sizing, and Placement in Multi-Energy Microgrids. Appl. Energy 2017, 187, 154–168. [Google Scholar] [CrossRef]
- Jayakrishnan, R.; Sruthy, V. Fault Ride through Augmentation of Microgrid. In Proceedings of the 2015 International Conference on Technological Advancements in Power and Energy (TAP Energy), Kollam, India, 24–26 June 2015; pp. 357–362. [Google Scholar]
- Fotopoulou, M.C.; Rakopoulos, D.C. Assessment of Smart Grid Operation Under Emergency Situations. In Proceedings of the 14th International Conference on Sustainable Energy & Environmental Protection SEEP 2022, London, UK, 12 September 2022; p. 6. [Google Scholar]
- Lopes, J.A.P.; Moreira, C.L.; Madureira, A.G. Defining Control Strategies for MicroGrids Islanded Operation. IEEE Trans. Power Syst. 2006, 21, 916–924. [Google Scholar] [CrossRef]
- Lobato Miguélez, E.; Egido Cortés, I.; Rouco Rodríguez, L.; López Camino, G. An Overview of Ancillary Services in Spain. Electr. Power Syst. Res. 2008, 78, 515–523. [Google Scholar] [CrossRef]
- Miao, M.; Li, Y.; Wang, Z.; Ouyang, L.; Liu, F.; Lee, K.Y.; Tan, Y. An Emergency Energy Management for AC/DC Micro-Grids in Industrial Park. IFAC-PapersOnLine 2018, 51, 251–255. [Google Scholar] [CrossRef]
- Zhu, J.; Yuan, Y.; Wang, W. An Exact Microgrid Formation Model for Load Restoration in Resilient Distribution System. Int. J. Electr. Power Energy Syst. 2020, 116, 105568. [Google Scholar] [CrossRef]
- Lamedica, R.; Santini, E.; Teodori, S.; Romito, D.Z. Electrical Loads Management in Energy Emergency Conditions. Int. J. Electr. Power Energy Syst. 2015, 66, 86–96. [Google Scholar] [CrossRef]
- Shafiee, Q.; Guerrero, J.M.; Vasquez, J.C. Distributed Secondary Control for Islanded Microgrids—A Novel Approach. IEEE Trans. Power Electron. 2014, 29, 1018–1031. [Google Scholar] [CrossRef]
- Azim, R.; Cui, H.; Li, F. Power Management Strategy Combining Energy Storage and Demand Response for Microgrid Emergency Autonomous Operation. In Proceedings of the 2016 IEEE PES Asia-Pacific Power and Energy Engineering Conference (APPEEC), Xi’an, China, 25–28 October 2016; pp. 2620–2625. [Google Scholar]
- Xu, Z.; Yang, P.; Zheng, Q.; Zeng, Z. Study on Black Start Strategy of Microgrid with PV and Multiple Energy Storage Systems. In Proceedings of the 2015 18th International Conference on Electrical Machines and Systems (ICEMS), Pattaya, Thailand, 25–28 October 2015; pp. 402–408. [Google Scholar]
- Bassey, O.; Chen, B.; Butler-Purry, K.L. Sequential Service Restoration in Distribution Systems and Microgrids Integrating Frequency Response and Varying Switching Interval. In Proceedings of the 2018 IEEE Texas Power and Energy Conference (TPEC), College Station, TX, USA, 8–9 February 2018; pp. 1–6. [Google Scholar]
- Chen, B.; Chen, C.; Wang, J.; Butler-Purry, K.L. Sequential Service Restoration for Unbalanced Distribution Systems and Microgrids. IEEE Trans. Power Syst. 2018, 33, 1507–1520. [Google Scholar] [CrossRef]
- Resende, F.O.; Gil, N.J.; Lopes, J.A.P. Service Restoration on Distribution Systems Using Multi-MicroGrids. Euro. Trans. Electr. Power 2011, 21, 1327–1342. [Google Scholar] [CrossRef]
- Li, J.; Su, J.; Yang, X.; Zhao, T. Study on Microgrid Operation Control and Black Start. In Proceedings of the 2011 4th International Conference on Electric Utility Deregulation and Restructuring and Power Technologies (DRPT), Weihai, China, 6–9 July 2011; pp. 1652–1655. [Google Scholar]
- Wang, J.; Mu, L.; Zhang, F.; Zhang, X. A Parallel Restoration for Black Start of Microgrids Considering Characteristics of Distributed Generations. Energies 2017, 11, 1. [Google Scholar] [CrossRef]
- Lopes, J.A.P.; Moreira, C.L.; Madureira, A.G.; Resende, F.O.; Wu, X.; Jayawarna, N.; Zhang, Y.; Jenkins, N.; Kanellos, F.; Hatziargyriou, N. Control Strategies for Microgrids Emergency Operation. In Proceedings of the 2005 International Conference on Future Power Systems, Amsterdam, The Netherlands, 18 November 2005; p. 6. [Google Scholar]
- Adibi, M.M.; Martins, N. Power System Restoration Dynamics Issues. In Proceedings of the 2008 IEEE Power and Energy Society General Meeting—Conversion and Delivery of Electrical Energy in the 21st Century, Pittsburgh, PA, USA, 20–24 July 2008; pp. 1–8. [Google Scholar]
- Hart, W.E.; Laird, C.D.; Watson, J.-P.; Woodruff, D.L.; Hackebeil, G.A.; Nicholson, B.L.; Siirola, J.D. Pyomo—Optimization Modeling in Python; Springer Optimization and Its Applications; Springer International Publishing: Cham, Switzerland, 2017; Volume 67, ISBN 978-3-319-58819-3. [Google Scholar]
- DIgSILENT. DIgSILENT Power System Solutions. Available online: https://www.digsilent.de/en/powerfactory.html (accessed on 17 October 2022).
- Moreira, C.L.; Resende, F.O.; Lopes, J.A.P. Using Low Voltage MicroGrids for Service Restoration. IEEE Trans. Power Syst. 2007, 22, 395–403. [Google Scholar] [CrossRef]
- Computational Infrastructure for Operations Research Bonmin (Basic Open-Source Mixed INteger Programming). Available online: https://projects.coin-or.org/Bonmin (accessed on 31 August 2021).
- CIEMAT Centre for Energy, Environmental and Technological Research. Available online: https://www.ciemat.es/ (accessed on 17 October 2022).
- CORDIS EU Research Results towards Intelligent DC-Based Hybrid Grids Optimizing the Network Performance. Available online: https://cordis.europa.eu/project/id/957769 (accessed on 17 November 2022).
- Conseil International des Grands Réseaux Électriques; Comité d’études C6. Benchmark Systems for Network Integration of Renewable and Distributed Energy Resources; 21 rue d’Artois, 75008; CIGRÉ: Paris, France, 2014; ISBN 978-2-85873-270-8. [Google Scholar]
- Renewables Ninja. Available online: https://www.renewables.ninja/ (accessed on 6 June 2022).
- Fotopoulou, M.; Rakopoulos, D.; Petridis, S. Development of a Multi-Dimensional Key Performance Indicators’ Framework for the Holistic Performance Assessment of Smart Grids. In Proceedings of the 35th International Conference on Efficiency, Cost, Optimization, Simulation and Environmental Impact of Energy Systems ECOS 2022, Copenhagen, Denmark, 3 July 2022. [Google Scholar]









| Component | Nominal Values |
|---|---|
| PV | Installed power: 15 kW |
| Daily production for simulated day: 71.39 kWh | |
| WG | Installed power: 5 kW |
| Daily production for simulated day: 40.08 kWh | |
| BESS 1 | Usable energy: 50 kWh |
| Nominal power: 15 kW | |
| Main BESS: yes | |
| BESS 2 | Usable energy: 15 kWh |
| Nominal power: 5 kW | |
| Main BESS: no | |
| Load | Installed load: 12 kW |
| Daily demand: 162.08 kWh |
| Case 1 | Case 2 | Case 3 | |
|---|---|---|---|
| Emergency description | Disconnection of BESS 2 | Malfunction in the main grid | Blackout |
| Solution | Modified dispatch, without BESS 2 | Islanded operation | Black start |
| Mode | Grid-following | Grid-forming | Grid-forming |
| Duration | Three hours | Six hours | Three hours |
| Interval | 13:00–16:00 | 13:00–19:00 | 18:00–21:00 |
Publisher’s Note: MDPI stays neutral with regard to jurisdictional claims in published maps and institutional affiliations. |
© 2022 by the authors. Licensee MDPI, Basel, Switzerland. This article is an open access article distributed under the terms and conditions of the Creative Commons Attribution (CC BY) license (https://creativecommons.org/licenses/by/4.0/).
Share and Cite
Fotopoulou, M.; Rakopoulos, D.; Petridis, S. Decision Support System for Emergencies in Microgrids. Sensors 2022, 22, 9457. https://doi.org/10.3390/s22239457
Fotopoulou M, Rakopoulos D, Petridis S. Decision Support System for Emergencies in Microgrids. Sensors. 2022; 22(23):9457. https://doi.org/10.3390/s22239457
Chicago/Turabian StyleFotopoulou, Maria, Dimitrios Rakopoulos, and Stefanos Petridis. 2022. "Decision Support System for Emergencies in Microgrids" Sensors 22, no. 23: 9457. https://doi.org/10.3390/s22239457
APA StyleFotopoulou, M., Rakopoulos, D., & Petridis, S. (2022). Decision Support System for Emergencies in Microgrids. Sensors, 22(23), 9457. https://doi.org/10.3390/s22239457

