Next Article in Journal
Towards Accurate Ground Plane Normal Estimation from Ego-Motion
Next Article in Special Issue
Design of Precision-Aware Subthreshold-Based MOSFET Voltage Reference
Previous Article in Journal
Effect of Face Blurring on Human Pose Estimation: Ensuring Subject Privacy for Medical and Occupational Health Applications
Previous Article in Special Issue
Multi-Currency Integrated Serial Number Recognition Model of Images Acquired by Banknote Counters
 
 
Font Type:
Arial Georgia Verdana
Font Size:
Aa Aa Aa
Line Spacing:
Column Width:
Background:
Article

Synthesis of High-Input Impedance Electronically Tunable Voltage-Mode Second-Order Low-Pass, Band-Pass, and High-Pass Filters Based on LT1228 Integrated Circuits

Department of Electronic Engineering, Ming Chi University of Technology, Taipei 24301, Taiwan
*
Author to whom correspondence should be addressed.
Sensors 2022, 22(23), 9379; https://doi.org/10.3390/s22239379
Submission received: 31 October 2022 / Revised: 27 November 2022 / Accepted: 30 November 2022 / Published: 1 December 2022
(This article belongs to the Special Issue Feature Papers in Electronic Sensors)

Abstract

This paper introduces two new high-input impedance electronically tunable voltage-mode (VM) multifunction second-order architectures with band-pass (BP), low-pass (LP), and high-pass (HP) filters. Both proposed architectures have one input and five outputs, implemented employing three commercial LT1228 integrated circuits (ICs), two grounded capacitors, and five resistors. Both proposed architectures also feature one high-impedance input port and three low-impedance output ports for easy connection to other VM configurations without the need for VM buffers. The two proposed VM LT1228-based second-order multifunction filters simultaneously provide BP, LP, and HP filter transfer functions at Vo1, Vo2, and Vo3 output terminals. The pole angular frequencies and the quality factors of the two proposed VM LT1228-based second-order multifunction filters can be electronically and orthogonally adjusted by the bias currents from their corresponding commercial LT1228 ICs, and can be independently adjusted in special cases. In addition, both proposed VM LT1228-based second-order multifunction filters have two independent gain-controlled BP and LP filter transfer functions at Vo4 and Vo5 output terminals, respectively. Based on the three commercial LT1228 ICs and several passive components, simulations and experimental measurements are provided to verify the theoretical predictions and demonstrate the performance of the two proposed high-input impedance electronically tunable VM LT1228-based second-order multifunction filters. The measured input 1-dB power gain compression point (P1dB), third-order IMD (IMD3), third-order intercept (TOI) point, and spurious-free dynamic range (SFDR) of the first proposed filter were −7.1 dBm, −48.84 dBc, 4.133 dBm, and 45.02 dBc, respectively. The measured input P1dB, IMD3, TOI, and SFDR of the second proposed filter were −7 dBm, −49.65 dBc, 4.316 dBm, and 45.88 dBc, respectively. Both proposed filters use a topology synthesis method based on the VM second-order non-inverting/inverting HP filter transfer functions to generate the BP, LP and HP filter transfer functions simultaneously, making them suitable for applications in three-way crossover networks.

1. Introduction

Electronically tunable active filters and oscillators designed with active components are widely used in sensor applications such as electrocardiography systems [1], biosensors [2], electronically tunable LC oscillators [3], and phase-sensitive detection [4]. Especially in the electronic sensor systems, electronically tunable active filters are used to filter out noise in the sensor systems [5]. An interesting dual-output MOSFET-only filter without any passive components is also presented in [6]. It has proven to be an effective solution for high frequency ranges. Electronically tunable voltage-mode (VM) high-pass filter (HPF), band-pass filter (BPF), and low-pass filter (LPF) topologies suitable for integrated circuit (IC) structures have been a constant endeavor of circuit designers, and have become very important architecture circuits in sensors, analog systems, electrical and electronic engineering works. The choice of active building blocks (ABBs) plays an important role in analog filter design because one expects VM second-order multifunction filters with high input and low output impedances to allow cascading of the VM circuits. Therefore, many circuit architecture studies use different high-performance ABBs to implement different kinds of filters and oscillators [7,8,9,10,11,12,13,14,15,16,17,18,19,20,21,22]. In [22], a high-input impedance VM second-order filter based on four second-generation current conveyor (CCII) active components and six passive components is proposed. The filter can simultaneously implement LP, BP, HP, band-reject (BR), and all-pass (AP) filters from the same circuit configuration, but the filter lacks the low-output impedances. In [23,24], three current feedback amplifier (CFA) active components and six passive components are used in each VM second-order filter circuit design. The technique of [23,24] is implemented with three commercially available AD844 ICs, but neither the pole angular frequency (ωo) nor the quality factor (Q) can be electronically adjusted. In [25], four CFA active components, seven/eight passive components, and one/two switches (SWs) are used in each VM second-order filter circuit design. Each circuit in [25] is implemented using four commercially available AD844 ICs, allowing four different filter responses simultaneously, but the parameters ωo and Q of each circuit still cannot be electronically adjusted. In [26,27], three voltage differencing differential difference amplifier (VDDDA) active components and three passive components are used in the VM second-order filter circuit design. Each technology has the ability to electronically adjust ωo and Q, enabling simultaneous implementation of LP, BP, HP, BR, and AP filters, but each circuit requires six commercial ICs to implement the VM filter architecture, namely three LM13700 and three AD830 ICs. In [28], two voltage differencing differential input buffered amplifier (VD-DIBA) active components and four passive components are used in the VM second-order filter circuit design. The circuit also has the ability to electronically adjust ωo and Q, enabling simultaneous implementation of LP, BP, HP, and BR filters, but the circuit is implemented using four commercial ICs, namely two LM13700 and two AD830 ICs. Two electronically tunable VM second-order filters based on five operational transconductance amplifiers (OTAs) have been designed and developed [29,30], but these two configurations suffer from low-output impedance and the use of five LT1228 ICs. In [31], four OTAs and two grounded capacitors are used in the design of an electronically tunable VM second-order filter, but the technique is still implemented using five commercially available LT1228 ICs.
Due to its wide transconductance amplifier, high voltage-gain, large signal bandwidth, wide supply voltage, high accuracy, and high drive capability, the commercially available LT1228 IC is an interesting electronically tunable active component suitable for many circuit designs. As a result, many active VM second-order filters, oscillators, inductance simulators, and wave generators based on the attractive commercial LT1228 ICs were proposed in the literature [32,33,34,35,36,37,38,39,40,41,42,43,44,45,46,47,48]. The LT1228 implements gain-controlled through a transconductance gm at the front end and a CFA at the back end, and combines these two amplifiers into an 8-pin package [49]. It operates on any supply voltage between 4 V (±2 V) and 30 V (±15 V) [49]. The LT1228’s first-stage gm transconductance amplifier has a high-impedance differential input pair and a high-impedance current output to provide a wide range of voltage-to-current conversion. The LT1228’s second stage CFA has a low-output impedance and a wide voltage-gain range, making it ideal for driving low-impedance loads and avoiding loading effects. According to [32], two interesting independent amplitude VM BPFs are proposed, but both the HPF and LPF cannot be simultaneously obtained in each circuit configuration. The high-fidelity three-way speaker system uses one HPF, one BPF, and one LPF to connect the tweeter, midrange, and woofer, so the HPF, BPF, and LPF structures must be simultaneously implemented in the circuit design [31,33]. An interesting LT1228-based electronically tunable VM second-order multifunction filter is presented in [33], which simultaneously implements HPF, BPF, and LPF transfer functions from the same circuit configuration. According to [33], the circuit has the following features: (i) The filter can simultaneously generate VM second-order HPF, BPF, and LPF transfer functions, and is suitable for three-way crossover networks. (ii) The parameters of the filter, ωo and Q, permit for electronic and orthogonal controllability. (iii) The HPF and BPF responses provide low-output impedance, and can be directly cascaded to other VM circuits without the use of additional VM buffers.
In this paper, two new synthesis methods for VM LT1228-based second-order multifunction filters based on non-inverting/inverting HPF transfer functions are designed and developed. Each of the two proposed designed and synthesized VM second-order multifunction filters uses three commercial LT1228s, five resistors, and two grounded capacitors, which is one more resistor than the filter topology implemented in [33], to achieve two independent gain-controlled filter responses. Both the designed and the synthesized VM second-order multifunction filters have the following advantages.
(i)
The filter can simultaneously generate HPF, BPF, and LPF second-order transfer functions, and is suitable for three-way crossover networks.
(ii)
The parameters of the filter, ωo and Q, permit for electronic and orthogonal controllability.
(iii)
The filter parameter Q has independent and electronic tuning capability.
(iv)
The filter provides a high-impedance input suitable for cascading voltage input stages.
(v)
The HPF, BPF, and LPF responses provide low-impedance outputs suitable for cascading voltage output stages.
(vi)
Passive components do not require matching conditions.
(vii)
The passband gains of the LPF and BPF responses can be controlled effectively and independently without affecting the filter parameters ωo and Q.
(viii)
Synthesis methods of the filter topologies based on VM non-inverting/inverting HPF second-order transfer functions.
In addition to the three advantages (i) to (iii) realized in [33], these two new circuits provide the functions (iv) to (viii). In Table 1, the main characteristics of the two proposed LT1228-based electronically tunable VM second-order multifunction filters are compared with previous VM second-order multifunction filters implemented using commercially available ICs technology. As shown in Table 1, the two proposed LT1228-based electronically tunable VM second-order multifunction filters have independent gain-controlled LPF and BPF functions and satisfy all the main (i) to (viii) advantages. Both proposed filters use a topology synthesis method based on the VM second-order non-inverting/inverting HPF transfer functions to generate the BPF, LPF, and HPF transfer functions simultaneously, making them suitable for applications in three-way crossover networks [33]. To confirm the circuit performances of both proposed VM multifunction filters, PSpice simulation, measurement and theoretical calculation results are performed using three LT1228 ICs and several passive components.

2. Theory and Implementation of VM Second-Order Multifunction Filters Based on Non-Inverting/Inverting HPF Transfer Functions

2.1. First Proposed Synthesis Principle and Analysis Theory Based on Inverting HPF Transfer Function

To synthesize the first proposed VM second-order multifunction filter design system block, the VM inverting HPF (IHPF) second-order transfer function with two integrator time constants τ1 and τ2 and a voltage passband gain k1 can be considered as the following function.
V IHPF V in = k 1 s 2 s 2 + s k 1 τ 1 + 1 τ 1 τ 2
where VIHPF is one of the output voltages of the first proposed filter, and Vin is the input voltage signal of the circuit.
To decompose the VM IHPF second-order transfer function into the VM non-inverting LPF (NLPF) and non-inverting BPF (NBPF) transfer functions, the terms of Equation (1) can be cross-multiplied first, and then divided by s2 to obtain
V IHPF = k 1 s τ 1 V IHPF 1 s 2 τ 1 τ 2 V IHPF k 1 V in
Rearranging Equation (2) can be rewritten as
V IHPF = ( k 1 + 1 s τ 2 ) ( 1 s τ 1 V IHPF ) k 1 V in
Let
V NBPF = 1 s τ 1 V IHPF
This indicates that the NBPF signal can be achieved by cascading the IHPF signal with an inverting loss integrator, and Equation (3) becomes
V IHPF = k 1 V NBPF + 1 s τ 2 V NBPF k 1 V in
Let
V NLPF = 1 s τ 2 V NBPF
This means that the NLPF signal can be achieved by cascading the NBPF signal with a non-inverting loss integrator, and Equation (6) becomes
V IHPF = k 1 V NBPF + V NLPF k 1 V in
According to Equations (4), (6), and (7), the first proposed VM second-order multifunction filter system structure can be synthesized. The output signals of NLPF and NBPF, and the first filter parameters of ωo and Q can be derived as follows.
V NBPF V in = s k 1 τ 1 s 2 + s k 1 τ 1 + 1 τ 1 τ 2
V NLPF V in = k 1 1 τ 1 τ 2 s 2 + s k 1 τ 1 + 1 τ 1 τ 2
ω o = 1 τ 1 τ 2
Q = 1 k 1 τ 1 τ 2
Equations (10) and (11) indicate that the parameter Q can be independently tuned by adjusting the voltage gain building block of k1 without affecting the parameter ωo. In the special case of τ1 = τ2 = τ, the parameter ωo can also be independently tuned by τ without affecting the parameter Q. Based on the DC bias current IB of the corresponding LT1228, the first proposed filter parameters of ωo and Q can be controlled electronically and orthogonally.
In Equation (1), the VM IHPF second-order transfer function is decomposed into the VM NLPF and NBPF second-order transfer functions, and the synthesis of the system block diagram can be achieved. Equations (4), (6), and (7) can be rearranged as Equation (12) in the form of an input–output matrix, and the system block diagram synthesis for the first proposed VM LT1228-based filter design is shown in Figure 1. It uses one input voltage node and three output voltage nodes, and consists of a non-inverting lossless integrator, an inverting lossless integrator, and a voltage gain building block.
[ 1 0 1 s τ 1 1 s τ 2 1 0 k 1 1 1 ] [ V NBPF V NLPF V IHPF ] = [ 0 0 k 1 V in ]
In Figure 1, taking the system blocks of τ1 = C1/gm1, τ2 = C2/gm2 and k1 = gm3R, Equation (12) can be rewritten as
[ 1 0 g m 1 sC 1 g m 2 sC 2 1 0 g m 3 R 1 1 ] [ V NBPF V NLPF V IHPF ] = [ 0 0 g m 3 RV in ]
where C1 and C2 are two capacitors, gm1, gm2, and gm3 are three LT1228 transconductance amplifiers, and R is a resistor. Solving Equation (13), the parameters ωo and Q of the first filter and the three VM second-order transfer functions of the NBPF, NLPF and IHPF can be obtained as follows.
V NBPF V in = sC 2 g m 1 g m 3 R s 2 C 1 C 2 + sC 2 g m 1 g m 3 R + g m 1 g m 2
V NLPF V in = g m 1 g m 2 g m 3 R s 2 C 1 C 2 + sC 2 g m 1 g m 3 R + g m 1 g m 2
V IHPF V in = s 2 C 1 C 2 g m 3 R s 2 C 1 C 2 + sC 2 g m 1 g m 3 R + g m 1 g m 2
ω o = g m 1 g m 2 C 1 C 2
Q = 1 g m 3 R C 1 g m 2 C 2 g m 1
Equations (17) and (18) indicate that the parameter Q can be independently tuned by adjusting gm3 and/or R without affecting the parameter ωo. In the special case of C1 = C2, and gm1 = gm2= gm, the parameter ωo can also be independently tuned by gm without affecting the parameter Q. Based on the DC bias current IB of the corresponding LT1228, the filter parameters of ωo and Q can be controlled electronically and orthogonally. Based on Figure 1 and Equation (13), Section 2.2 discusses the first proposed high-input impedance electronically tunable VM one-input five-output second-order multifunction filter based on three LT1228 ICs.

2.2. First Proposed VM LT1228-Based Second-Order Multifunction Filter

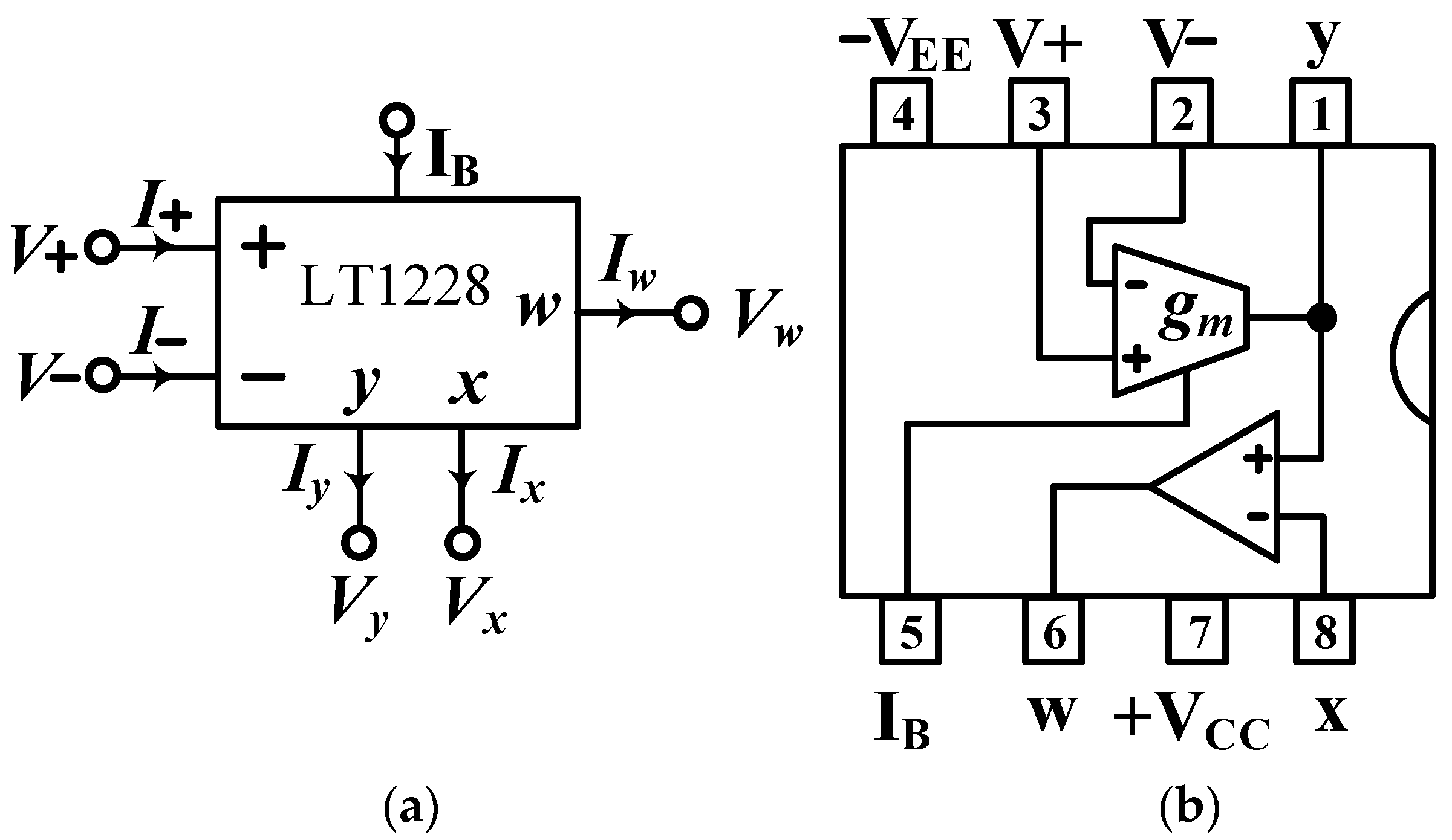
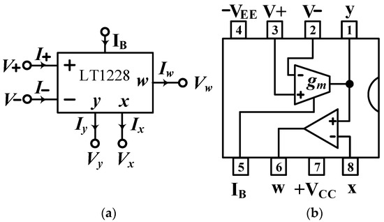
The LT1228 contains a gm transconductance amplifier with a DC bias current IB and a wide range of voltage-gain [33,49]. Figure 2a,b show the circuit symbol for the commercial LT1228 IC and the package for the 8-pin IC configuration, respectively. In Figure 2b, the gm transconductance differential voltages of V+ and V− have high-input impedance, the current output at Y terminal has high-output impedance, and the voltage at X terminal follows the voltage at Y terminal. The W terminal voltage has good linearity and can be directly connected to an external low resistance value. Therefore, the W terminal of the commercial LT1228 IC is suitable for driving low-impedance loads such as loudspeakers and cables. The supply voltages of VCC and VEE are the positive and negative supply voltages of the commercial LT1228 IC. The port factors of the LT1228 with high-input impedance V+ and V−, low-output impedance W and high-output impedance Y are important in the design of any analog circuits. Figure 3 shows the equivalent circuit of a commercial LT1228 IC, whose ideal property relations can be described by [32,33]:
[ I v + I v I y V x V w ] = [ 0 0 0 0 0 0 0 0 0 0 g m g m 0 0 0 0 0 1 0 0 0 0 0 R T 0 ] [ V + V V y I x I w ]
where RT is the transresistance gain of LT1228 and ideal value of RT is close to infinity. The transconductance gm of LT1228 depends on the IB and the gm-value can be described as [32,49]
g m = 10 I B = V CC V EE 2 V BE R B
where RB is the bias current control resistor.
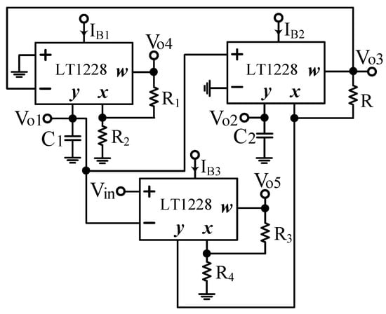
Based on the synthesis of the system block diagram in Figure 1, the first proposed VM LT1228-based second-order multifunction filter configuration using three commercial LT1228s, five resistors, and two capacitors connected to the ground is shown in Figure 4. The nodal analysis of the first proposed VM LT1228-based second-order multifunction filter configuration can be written as follows.
V o 1 = g m 1 sC 1 V o 3
V o 2 = g m 2 sC 2 V o 1
V o 3 = g m 3 R ( V o 1 V in ) + V o 2
V o 4 = ( 1 + R 1 R 2 ) V o 1
V o 5 = ( 1 + R 3 R 4 ) V o 2
Equations (21)–(23) can be rearranged in the form of an input–output matrix equation as follows.
[ 1 0 g m 1 sC 1 g m 2 sC 2 1 0 g m 3 R 1 1 ] [ V o 1 V o 2 V o 3 ] = [ 0 0 g m 3 RV in ]
Equation (26) is the same as Equation (13), if we let the outputs Vo1 = VNBPF, Vo2 = VNLPF, and Vo3 = VIHPF. Therefore, the first proposed VM LT1228-based second-order multifunction filter proposed in Figure 4 simultaneously provides the NBPF, NLPF, and IHPF transfer functions at the Vo1, Vo2, and Vo3 outputs, respectively, as shown in Equations (27)–(29).
V o 1 V in = sC 2 g m 1 g m 3 R s 2 C 1 C 2 + sC 2 g m 1 g m 3 R + g m 1 g m 2
V o 2 V in = g m 1 g m 2 g m 3 R s 2 C 1 C 2 + sC 2 g m 1 g m 3 R + g m 1 g m 2
V o 3 V in = s 2 C 1 C 2 g m 3 R s 2 C 1 C 2 + sC 2 g m 1 g m 3 R + g m 1 g m 2
Based on Equations (27)–(29), the first proposed filter parameters of ωo and Q are the same as Equations (17) and (18). According to Equations (24) and (25), the first proposed VM LT1228-based second-order multifunction filter has two independent gain-controlled BPF and LPF transfer functions at Vo4 and Vo5 output terminals, respectively, as shown in Equations (30) and (31).
V o 4 V in = ( 1 + R 1 R 2 ) sC 2 g m 1 g m 3 R s 2 C 1 C 2 + sC 2 g m 1 g m 3 R + g m 1 g m 2
V o 5 V in = ( 1 + R 3 R 4 ) g m 1 g m 2 g m 3 R s 2 C 1 C 2 + sC 2 g m 1 g m 3 R + g m 1 g m 2
In Equations (30) and (31), the first filter has two independent gain-controlled BPF and LPF transfer functions at the Vo4 and Vo5 outputs, and its four resistors of R1, R2, R3 and R4 can be tuned to independent gain control without affecting the design parameters of ωo and Q. In Figure 4, the three output voltage nodes Vo3, Vo4, and Vo5 are connected to the corresponding W terminal of each LT1228 to provide low output impedance. If C1 = C2 = C, gm1 = gm2 = 10IB1 and gm3 = 10IB3, the parameters ωo and Q in Equations (17) and (18) can be rewritten as
ω o = 10 I B 1 C
Q = 1 10 I B 3 R
In this particular case, the parameter ωo can be tuned electronically and independently by the bias current IB1 of LT1228 without affecting the parameter Q, and the parameter Q can also be tuned electronically and independently by the bias current IB3 of LT1228 without affecting the parameter ωo.

2.3. Second Proposed Synthesis Principle and Analysis Theory Based on Non-Inverting HPF Transfer Function

To synthesize the second proposed VM second-order multifunction filter design system block, the VM non-inverting HPF (NHPF) second-order transfer function with two integrator time constants τ3 and τ4 and a voltage passband gain k2 can be considered as the following function.
V NHPF V in = k 2 s 2 s 2 + s k 2 τ 3 + 1 τ 3 τ 4
where VNHPF is one of the output voltages of the second proposed filter, and Vin is the input voltage signal of the circuit
To decompose the VM NHPF second-order transfer function into the VM inverting LPF (ILPF) and NBPF transfer functions, the terms of Equation (34) can be cross-multiplied first, and then divided by s2 to obtain
V NHPF = k 2 s τ 3 V NHPF 1 s 2 τ 3 τ 4 V NHPF + k 2 V in
Rearranging Equation (35) can be rewritten as
V NHPF = ( k 2 + 1 s τ 4 ) ( 1 s τ 3 V NHPF ) + k 2 V in
Let
V NBPF = 1 s τ 3 V NHPF
This indicates that the NBPF signal can be achieved by cascading the NHPF signal with a non-inverting loss integrator, and Equation (37) becomes
V NHPF = k 2 V NBPF 1 s τ 4 V NBPF + k 2 V in
Let
V ILPF = 1 s τ 4 V NBPF
This means that the ILPF signal can be achieved by cascading the NBPF signal with an inverting loss integrator, and Equation (39) becomes
V NHPF = k 2 V NBPF + V ILPF + k 2 V in
According to Equations (37), (39), and (40), the second proposed VM second-order multifunction filter system structure can be synthesized. The output signals of NBPF and ILPF, and the second filter parameters of ωo and Q can be derived as follows.
V NBPF V in = s k 2 τ 3 s 2 + s k 2 τ 3 + 1 τ 3 τ 4
V ILPF V in = k 2 1 τ 3 τ 4 s 2 + s k 2 τ 3 + 1 τ 3 τ 4
ω o = 1 τ 3 τ 4
Q = 1 k 2 τ 3 τ 4
Equations (43) and (44) indicate that the parameter Q can be independently tuned by adjusting the voltage gain building block of k2 without affecting the parameter ωo. In the special case of τ3 = τ4 = τ, the parameter ωo can also be independently tuned by τ without affecting the parameter Q. Based on the DC bias current IB of the corresponding LT1228, the second proposed filter parameters of ωo and Q can be controlled electronically and orthogonally.
In Equation (34), the VM NHPF second-order transfer function is decomposed into the VM NBPF and ILPF second-order transfer functions, and the synthesis of the system block diagram can be achieved. Equations (37), (39), and (40) can be rearranged as Equation (45) in the form of an input–output matrix equation, and the system block diagram synthesis for the second proposed VM LT1228-based second-order multifunction filter design is shown in Figure 5. It uses one input voltage node and three output voltage nodes, and consists of a non-inverting lossless integrator, an inverting lossless integrator, and a voltage gain building block.
[ 1 0 1 s τ 3 1 s τ 4 1 0 k 2 1 1 ] [ V NBPF V ILPF V NHPF ] = [ 0 0 k 2 V in ]
In Figure 5, taking the system blocks of τ3 = C3/gm4, τ4 = C4/gm5, and k2 = gm6R, Equation (45) can be rewritten as
[ 1 0 g m 4 sC 3 g m 5 sC 4 1 0 g m 6 R 1 1 ] [ V NBPF V ILPF V NHPF ] = [ 0 0 g m 6 RV in ]
where C3 and C4 are two capacitors, gm4, gm5, and gm6 are three LT1228 transconductance amplifiers, and R is a resistor. Solving Equation (46), the parameters ωo and Q of the second filter and the three VM second-order transfer functions of the NBPF, ILPF, and NHPF can be obtained as follows.
V NBPF V in = sC 4 g m 4 g m 6 R s 2 C 3 C 4 + sC 4 g m 4 g m 6 R + g m 4 g m 5
V ILPF V in = g m 4 g m 5 g m 6 R s 2 C 3 C 4 + sC 4 g m 4 g m 6 R + g m 4 g m 5
V NHPF V in = s 2 C 3 C 4 g m 6 R s 2 C 3 C 4 + sC 4 g m 4 g m 6 R + g m 4 g m 5
ω o = g m 4 g m 5 C 3 C 4
Q = 1 g m 6 R C 3 g m 5 C 4 g m 4
Equations (50) and (51) indicate that the parameter Q can be independently tuned by adjusting gm6 and/or R without affecting the parameter ωo. In the special case of C3 = C4, and gm4 = gm5 = gm, the parameter ωo can also be independently tuned by gm without affecting the parameter Q. Based on the DC bias current IB of the corresponding LT1228, the filter parameters of ωo and Q can be controlled electronically and orthogonally. Based on Figure 5 and Equation (46), Section 2.4 discusses the second proposed high-input impedance electronically tunable VM one-input five-output second-order multifunction filter based on three LT1228 ICs.

2.4. Second Proposed VM LT1228-Based Second-Order Multifunction Filter

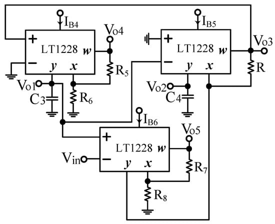
Based on the synthesis of the system block diagram in Figure 5, the second proposed VM LT1228-based second-order multifunction filter configuration using three commercial LT1228s, five resistors and two capacitors connected to the ground is shown in Figure 6. The nodal analysis of the second proposed VM LT1228-based second-order multifunction filter configuration can be written as follows.
V o 1 = g m 4 sC 3 V o 3
V o 2 = g m 5 sC 4 V o 1
V o 3 = g m 3 R ( V in V o 1 ) + V o 2
V o 4 = ( 1 + R 5 R 6 ) V o 1
V o 5 = ( 1 + R 7 R 8 ) V o 2
Equations (52)–(54) can be rearranged in the form of an input–output matrix equation as follows.
[ 1 0 g m 4 sC 3 g m 5 sC 4 1 0 g m 6 R 1 1 ] [ V o 1 V o 2 V o 3 ] = [ 0 0 g m 6 RV in ]
Equation (57) is the same as Equation (46), if we let the outputs Vo1 = VNBPF, Vo2 = VILPF, and Vo3 = VNHPF. Therefore, the second proposed VM LT1228-based second-order multifunction filter proposed in Figure 6 simultaneously provides the NBPF, ILPF, and NHPF transfer functions at the Vo1, Vo2, and Vo3 outputs, respectively, as shown in Equations (58)–(60).
V o 1 V in = sC 4 g m 4 g m 6 R s 2 C 3 C 4 + sC 4 g m 4 g m 6 R + g m 4 g m 5
V o 2 V in = g m 4 g m 5 g m 6 R s 2 C 3 C 4 + sC 4 g m 4 g m 6 R + g m 4 g m 5
V o 3 V in = s 2 C 3 C 4 g m 6 R s 2 C 3 C 4 + sC 4 g m 4 g m 6 R + g m 4 g m 5
Based on Equations (58)–(60), the second proposed filter parameters of ωo and Q are the same as Equations (50) and (51). According to Equations (55) and (56), the second proposed VM LT1228-based second-order multifunction filter has two independent gain-controlled BPF and LPF transfer functions at Vo4 and Vo5 output terminals, respectively, as shown in Equations (61) and (62).
V o 4 V in = ( 1 + R 5 R 6 ) ( sC 4 g m 4 g m 6 R s 2 C 3 C 4 + sC 4 g m 4 g m 6 R + g m 4 g m 5 )
V o 5 V in = ( 1 + R 7 R 8 ) ( g m 4 g m 5 g m 6 R s 2 C 3 C 4 + sC 4 g m 4 g m 6 R + g m 4 g m 5 )
In Equations (61) and (62), the second filter has two independent gain-controlled BPF and LPF transfer functions at the Vo4 and Vo5 outputs, and its four resistors of R5, R6, R7, and R8 can be tuned to independent gain control without affecting the design parameters of ωo and Q. In Figure 6, the three output voltage nodes Vo3, Vo4, and Vo5 are connected to the corresponding W terminal of each LT1228 to provide low output impedance. If C = C3 = C4, gm4 = gm5 = 10IB4, and gm6 = 10IB6, the parameters ωo and Q in Equations (50) and (51) can be rewritten as
ω o = 10 I B 4 C
Q = 1 10 I B 6 R
In this particular case, the parameter ωo can be tuned electronically and independently by the bias current IB4 of LT1228 without affecting the parameter Q, and the parameter Q can also be tuned electronically and independently by the bias current IB6 of LT1228 without affecting the parameter ωo.

3. Simulation and Experimental Results

To verify the operation of the two proposed filter topologies in Figure 4 and Figure 6, OrCAD PSpice simulations and experimental verifications were performed based on three commercially available LT1228 ICs. Figure 7 and Figure 8 show the top and bottom views of the printed circuit board (PCB) hardware implementation of the two proposed VM LT1228-based second-order multifunction filters in Figure 4 and Figure 6, respectively. The supply voltage for each circuit is ±15 V. Each power dissipation (PD) calculated in Figure 7 and Figure 8 using the Keithley 2231A-30-3 power supply is 0.69 W. Figure 9 and Figure 10 illustrate the experimental hardware setup used to verify the filter topologies designed in Figure 4 and Figure 6, respectively.

3.1. Verification of the First Proposed VM LT1228-Based Multifunction Filter

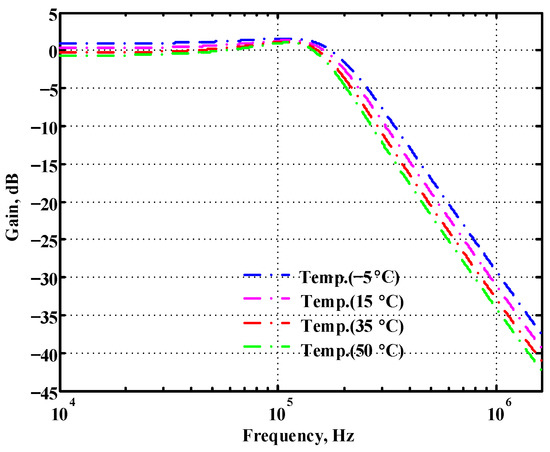
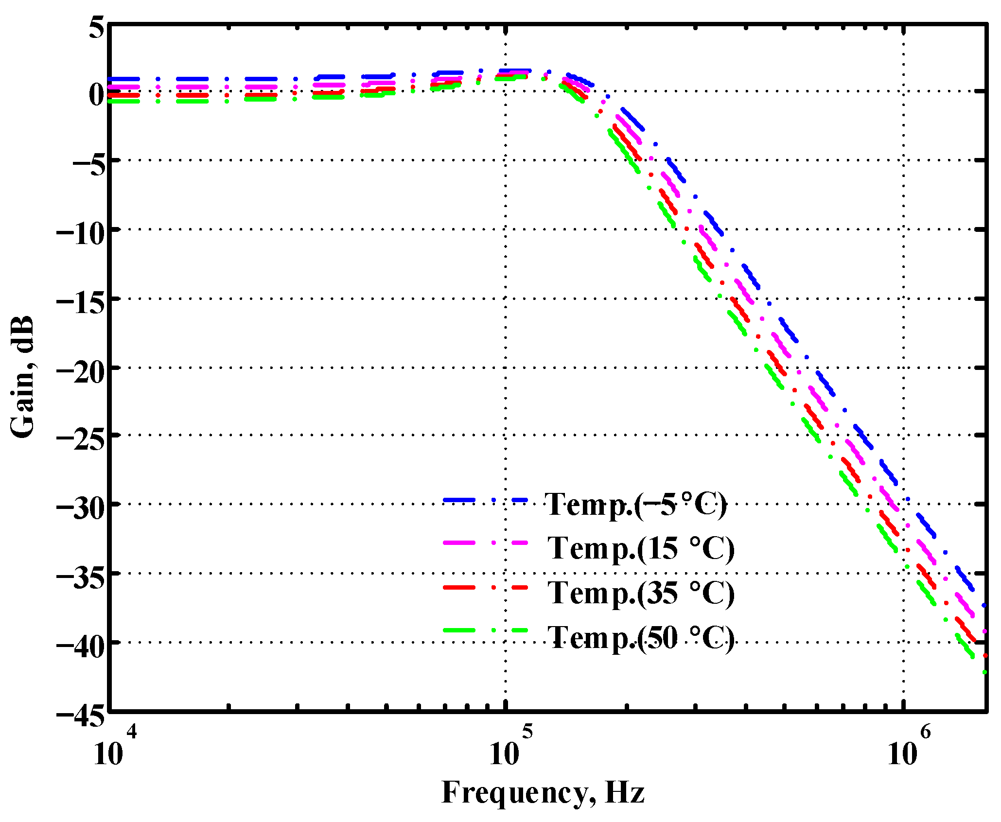
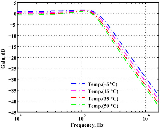
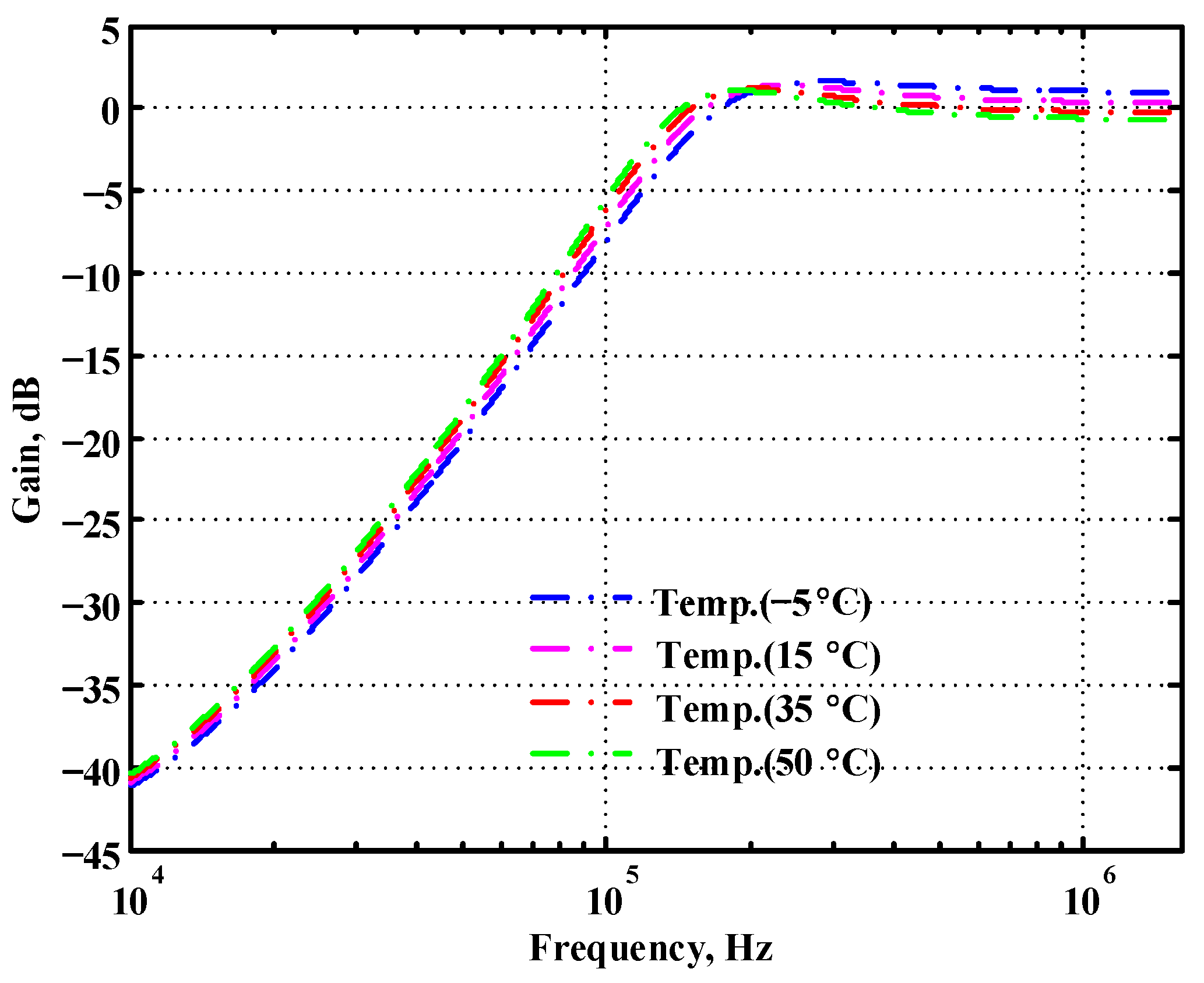
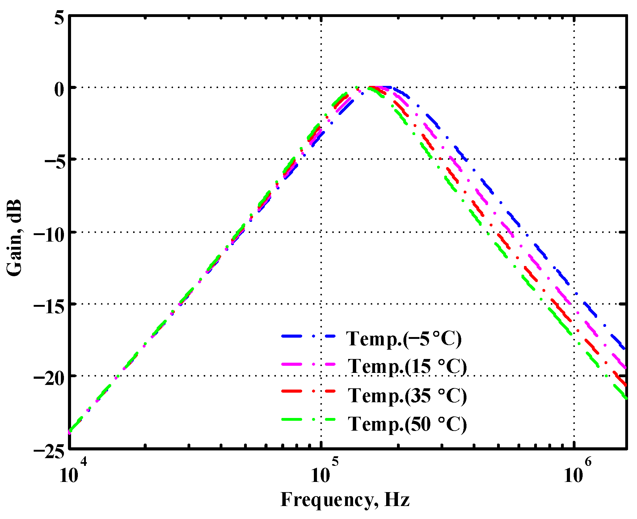
To verify the operability of the first proposed VM LT1228-based multifunction filter at fo = 159.15 kHz and Q = 1, two capacitors C1 = C2 = 1 nF, five resistors R = R1 = R2 = R3 = R4 = 1 kΩ, and three commercial LT1228 ICs with bias currents of IB1 = IB2 = IB3 = 100 μA were chosen. Figure 11, Figure 12, Figure 13, Figure 14 and Figure 15 illustrate the simulation results of the filter magnitude and phase responses of the first proposed circuit in Figure 4. From Figure 11, Figure 12, Figure 13, Figure 14 and Figure 15, the first proposed VM LT1228-based multifunction filter provides five output responses in the frequency-domain. Figure 16 shows that the simulation results of the Q-value can specify the recommended independent control without affecting the pole frequency. In Figure 16, the simulated Q-value was varied for Q = {2.56, 4.06, 5.01, 5.95} via the three bias currents IB1 = IB2 = 100 μA and IB3 = {40, 25, 20, 16.6} μA. This is expected since the output swing distortion limits the Q-value below 6, and the Q-value error remains below 2%. Figure 17 shows the frequency tunability results of the first proposed filter simulated at the Vo1 output voltage. In Figure 17, the simulated pole frequency was varied for fo = {46.77, 125.02, 235.5, 961.61} kHz via the three bias currents IB1 = IB2 = {30, 80, 150, 600} μA and IB3 = 100 μA. Figure 16 and Figure 17 confirm that the first VM multifunction filter provides electronic control of the fo and Q parameters. Figure 18 and Figure 19 show the frequency tunability results of the first proposed filter simulated at the Vo2 and Vo3 output voltages, respectively. In Figure 18, the simulated pole frequency was varied for fo = {46.61, 124.25, 387.61, 927.25} kHz via the three bias currents IB1 = IB2 = {30, 80, 250, 600} μA and IB3 = 100 μA. In Figure 19, the simulated pole frequency was varied for fo = {46.63, 124.39, 389.22, 936.26} kHz via the three bias currents IB1 = IB2 = {30, 80, 250, 600} μA and IB3 = 100 μA. To demonstrate the stability of the first proposed multifunction filter at different temperatures, the NBPF (Vo1), NLPF (Vo2), and IHPF (Vo3) of the first circuit are operated at different temperatures. Figure 20, Figure 21 and Figure 22 show the NBPF, NLPF, and IHPF operating at different temperatures, respectively. From Figure 20, Figure 21 and Figure 22 it can be seen that the temperature varies from −5° to 50°. The simulated NBPF varies from 174.18 kHz to 144.54 kHz, which affects the operating pole frequency of 159.15 kHz in the range of 9.44% to −9.17%. The simulated NLPF varies from 173.78 kHz to 144.21 kHz, which affects the operating pole frequency of 159.15 kHz in the range 9.19% to −9.38%. The simulated IHPF varies from 174.18 kHz to 144.54 kHz, which affects the operating pole frequency of 159.15 kHz in the range 9.44% to −9.17%. Figure 23, Figure 24, Figure 25, Figure 26 and Figure 27 illustrate the time-domain characteristics of the first proposed circuit when the frequency and amplitude of the input sine wave are 159.15 kHz and 180 m Vpp, respectively. Table 2 shows the measured phase error between the output and input waveforms at an operating pole frequency of 159.15 kHz. In Table 2, the maximum phase error measured in the time-domain at an operating pole frequency of 159.15 kHz is less than 0.97°. Figure 28 shows the NBPF total harmonic distortion (THD) measured at Vo1 versus different input voltage signals. In Figure 28, the THD is below 2% when the input peak-to-peak voltage increases to 220 m Vpp. Figure 29 illustrates the simulated noise performance at the Vo1 output voltage of the first proposed circuit. As shown in Figure 29, the total equivalent input and output noise voltages at the operating pole frequency were 86.33 and 86.44 nV/ Hz , respectively. Figure 30, Figure 31, Figure 32, Figure 33 and Figure 34 show the first filter magnitude and phase responses measured by the Keysight E5061B-3L5 network analyzer for the first proposed circuit in Figure 4. Figure 35, Figure 36, Figure 37, Figure 38 and Figure 39 illustrate the calculated, simulated, and measured filter amplitude and phase responses for the first proposed circuit in Figure 4. Based on the ideal pole phase marked in the frequency-domain characteristics, Table 3 shows the simulated and measured pole frequency errors for the first proposed circuit. In Table 3, the maximum percentage error of the pole frequency measured in the frequency-domain is less than 1.22%. According to Figure 35, Figure 36, Figure 37, Figure 38 and Figure 39 and Table 3, the amplitude and phase responses of the first proposed circuit agree with the simulated and measured results.
In both simulations and measurements, the bias current IB of commercial LT1228 IC was tuned in the range of 30 to 600 μA, making the first filter’s pole frequency fo easily adjustable in the range of 47.74 to 954.92 kHz. Figure 40 and Figure 41 show the frequency tunability results of the first proposed filter measured at the Vo1 output voltage. In Figure 40, the measured pole frequency varied for fo = {94.92, 189.21, 349.03, 635.39} kHz via the three bias currents IB1 = IB2 = {60, 120, 220, 400} μA and IB3 = 100 μA. In Figure 41, the measured pole frequency varied for fo = {47.2, 126.56, 236.18, 951.94} kHz via the three bias currents IB1 = IB2 = {30, 80, 150, 600} μA and IB3 = 100 μA. Figure 42 and Figure 43 illustrate the calculated, simulated, and measured filter amplitude responses at the Vo1 output voltage. As shown in Figure 42 and Figure 43, the electronic tunability of the first filter parameter fo does not affect the parameter Q. Figure 44 shows the quality factor tunability results for the first proposed filter at the Vo1 output voltage. In Figure 44, the measured quality factor varied for Q = {0.92, 1.56, 1.97, 2.79} via the three bias currents IB1 = IB2 = 100 μA and IB3 = {142, 66.6, 50, 33.3} μA. Figure 45 illustrates the calculated, simulated, and measured amplitude responses of the first filter at the Vo1 output voltage. As shown in Figure 45, the electronic tunability of the first filter parameter Q does not affect the parameter fo. To show the linearity of the first proposed VM LT1228-based multifunction filter in Figure 4, a 1-dB power gain compression point (P1dB) of the NBPF was measured at the Vo1 output voltage. Figure 46 shows that the measured input P1dB point is approximately −7.1 dBm. Figure 47 shows the spectrum analysis measured at the Vo1 output voltage of the first proposed circuit when the frequency and amplitude of the input sine wave are 159.15 kHz and 180 m Vpp, respectively. As shown in Figure 47, the spurious-free dynamic range (SFDR) between the first tone and the highest spur of the other levels is 45.02 dBc. To show the non-linearity of the first proposed circuit in Figure 4, a two-tone test has been performed. The intermodulation distortion (IMD) performance of the first proposed circuit at the Vo1 output voltage is further investigated using equal-amplitude two-tone signals with frequencies f1 = 158.15 kHz and f2 = 160.15 kHz. Using the Keysight-Agilent N9000A CXA signal analyzer, Figure 48 illustrates the IMD results measured at the Vo1 output voltage of the first proposed circuit. In Figure 48, the third-order IMD (IMD3) and third-order intercept (TOI) point were measured as −48.84 dBc and 4.133 dBm, respectively. Table 4 summarizes the measured performance of the first proposed VM LT1228-based second-order multifunction filter.

3.2. Verification of the Second Proposed VM LT1228-Based Multifunction Filter

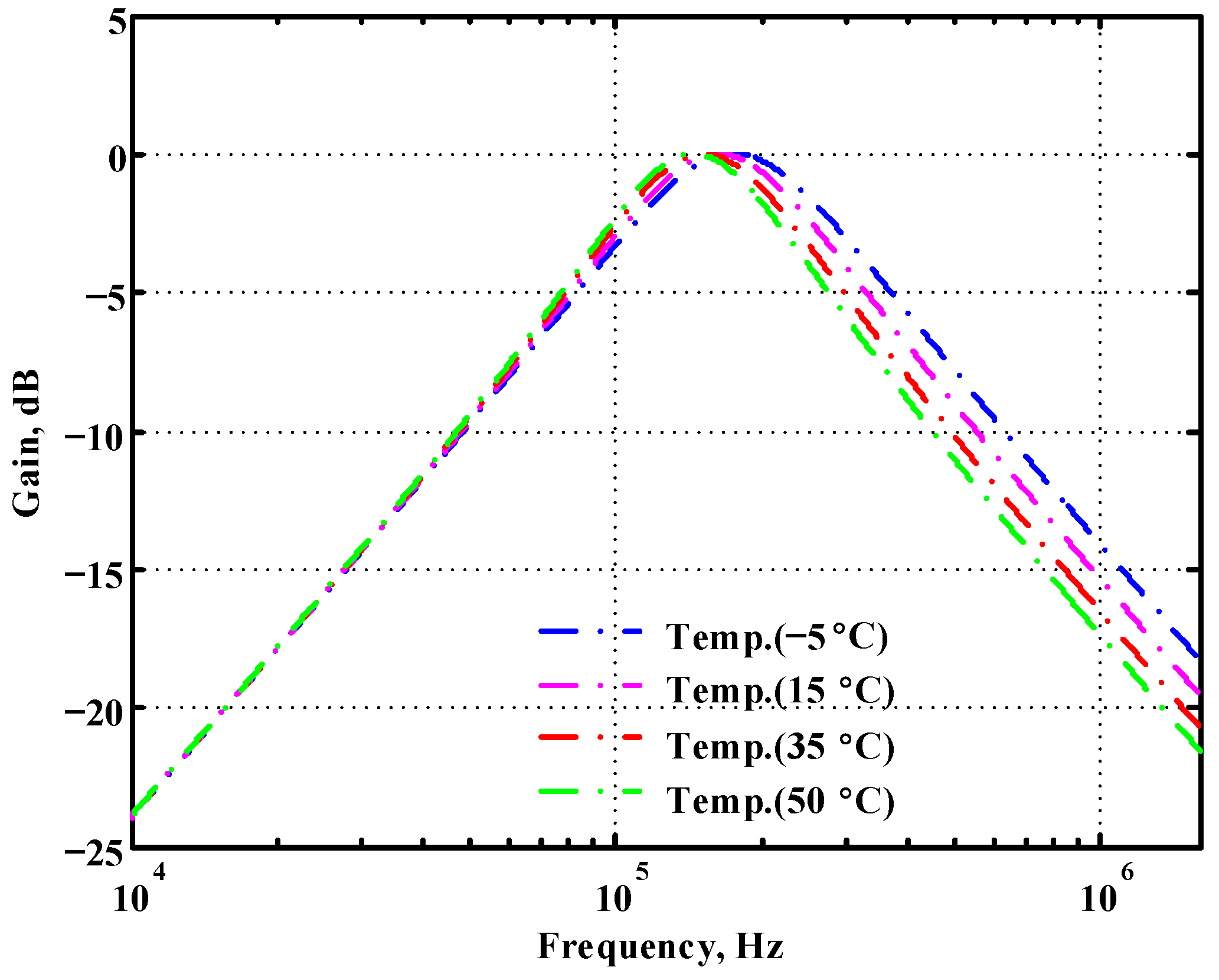
To verify the operability of the second proposed VM LT1228-based multifunction filter at fo = 159.15 kHz and Q = 1, two capacitors C3 = C4 = 1 nF, five resistors R = R5 = R6 = R7 = R8 = 1 kΩ, and three commercial LT1228 ICs with bias currents of IB4 = IB5 = IB6 = 100 μA were chosen. Figure 49, Figure 50, Figure 51, Figure 52 and Figure 53 illustrate the simulation results of the filter magnitude and phase responses of the second proposed circuit in Figure 6. From Figure 49, Figure 50, Figure 51, Figure 52 and Figure 53, the second proposed VM LT1228-based multifunction filter provides five output responses in the frequency-domain. Figure 54 shows that the simulation results of the Q-value can specify the recommended independent control without affecting the pole frequency. In Figure 54, the simulated Q-value varied for Q = {2.56, 4.06, 5.01, 5.95} via the three bias currents IB4 = IB5 = 100 μA and IB6 = {40, 25, 20, 16.6} μA. This is expected since the output swing distortion limits the Q-value below 6, and the Q-value error remains below 2%. Figure 55 shows the frequency tunability results of the second proposed filter simulated at the Vo1 output voltage. In Figure 55, the simulated pole frequency was varied for fo = {46.77, 125.02, 235.5, 879.02} kHz via the three bias currents IB4 = IB5 = {30, 80, 150, 550} μA and IB6 = 100 μA. Figure 54 and Figure 55 confirm that the second VM multifunction filter provides electronic control of the fo and Q parameters. Figure 56 and Figure 57 show the frequency tunability results of the second proposed filter simulated at the Vo2 and Vo3 output voltages, respectively. In Figure 56, the simulated pole frequency was varied for fo = {46.55, 124.16, 387.25, 849.18} kHz via the three bias currents IB4 = IB5 = {30, 80, 250, 550} μA and IB6 = 100 μA. In Figure 57, the simulated pole frequency was varied for fo = {46.66, 124.45, 389.04, 857.03} kHz via the three bias currents IB4 = IB5 = {30, 80, 250, 550} μA and IB6 = 100 μA. To demonstrate the stability of the second proposed multifunction filter at different temperatures, the NBPF (Vo1), ILPF (Vo2), and NHPF (Vo3) of the second circuit are operated at different temperatures. Figure 58, Figure 59 and Figure 60 show the NBPF, ILPF, and NHPF operating at different temperatures, respectively. From Figure 58, Figure 59 and Figure 60, the temperature varies from −5° to 50°. The simulated NBPF varied from 174.18 kHz to 144.54 kHz, which affects the operating pole frequency of 159.15 kHz in the range of 9.44% to −9.17%. The simulated ILPF varied from 173.78 kHz to 144.21 kHz, which affects the operating pole frequency of 159.15 kHz in the range 9.19% to −9.38%. The simulated NHPF varied from 174.18 kHz to 144.54 kHz, which affects the operating pole frequency of 159.15 kHz in the range 9.44% to −9.17%. Figure 61, Figure 62, Figure 63, Figure 64 and Figure 65 illustrate the calculated, simulated, and measured filter amplitude and phase responses of the second proposed circuit in Figure 6. Based on the ideal pole phase marked in the frequency-domain characteristics, Table 5 shows the simulated and measured pole frequency errors for the second proposed circuit. In Table 5, the maximum percentage error of the pole frequency measured in the frequency-domain is less than 1.55%. According to Figure 61, Figure 62, Figure 63, Figure 64 and Figure 65 and Table 5, the amplitude and phase responses of the second proposed circuit were in agreement with the simulated and measured results. Figure 66 and Figure 67 illustrate the calculated, simulated, and measured amplitude responses of the second filter at the Vo1 output voltage. In Figure 66, the measured pole frequency was varied for fo = {47.71, 127.01, 237.05, 887.34} kHz via the three bias currents IB4 = IB5 = {30, 80, 150, 550} μA and IB6 = 100 μA. In Figure 67, the measured quality factor varied for Q = {0.88, 1.62, 2.05, 2.9} via the three bias currents IB4 = IB5 = 100 μA and IB6 = {142, 66.6, 50, 33.3} μA. Figure 68, Figure 69, Figure 70, Figure 71 and Figure 72 illustrate the time-domain characteristics of the second proposed circuit when the frequency and amplitude of the input sine wave are 159.15 kHz and 180 m Vpp, respectively. Table 6 shows the measured phase error between the output and input waveforms at an operating pole frequency of 159.15 kHz. In Table 6, the maximum phase error measured in the time-domain at an operating pole frequency of 159.15 kHz is less than 2.55°. Figure 73 shows the spectrum of the second proposed filter measured at the Vo1 output voltage. In Figure 73, the frequency and amplitude of the input sine wave were 159.15 kHz and 180 m Vpp, respectively. As shown in Figure 73, the SFDR between the first tone and the highest spur of the other levels is 45.88 dBc, and the calculated THD value is 0.6%. Figure 74 shows the THD measured at Vo1 versus different input voltage signals. In Figure 74, the THD is below 2% when the input peak-to-peak voltage increases to 220 m Vpp. The P1dB performance of the second proposed circuit is measured at the Vo1 output voltage, and the measured input P1dB point is approximately −7 dBm, as shown in Figure 75. The IMD performance of the second proposed circuit NBPF at the Vo1 output voltage is investigated using equal-amplitude two-tone signals with frequencies f1 = 158.15 kHz and f2 = 160.15 kHz. Figure 76 shows the IMD results in Figure 6 for the second proposed circuit NBPF at the Vo1 output voltage. In Figure 76, the IMD3 and TOI point were measured as −49.65 dBc and 4.316 dBm, respectively. Table 7 summarizes the measured performance of the second proposed VM LT1228-based second-order multifunction filter.

4. Conclusions

This paper presents the syntheses of two new VM electronically tunable one-input five-output second-order BPF, LPF, and HPF transfer functions based on three LT1228 ICs. Both configurations with a single input voltage terminal and five output voltage terminals use three commercial LT1228 ICs and seven passive components. These two newly synthesized VM second-order multifunction filters can simultaneously provide the following eight attractive advantages: (i) Both circuits can generate BPF, LPF, and HPF transfer functions simultaneously, making them suitable for use in three-way crossover networks. (ii) Both circuits have one high-impedance input, making them suitable for cascading input voltages. (iii) Both circuits have three low-impedance outputs, making them suitable for cascading three output voltages. (iv) The parameters ωo and Q of the two filters permit electronic and orthogonal tuning. (v) The parameter Q of the two filters has independent and electronic tuning capability. (vi) Passive components do not require matching conditions. (vii) The passband gains of the BPF and LPF responses can be controlled effectively and independently without affecting the filter parameters ωo and Q. (viii) Synthesis method of the electronically tunable VM second-order multifunction filter topologies based on the non-inverting/inverting HPF second-order transfer functions. Circuit design and implementation results were obtained to demonstrate these two VM LT1228-based second-order multifunction filters. The measured input P1dB, IMD3, TOI, and SFDR of the first filter were −7.1 dBm, −48.84 dBc, 4.133 dBm, and 45.02 dBc, respectively. The measured input P1dB, IMD3, TOI, and SFDR of the second filter were −7 dBm, −49.65 dBc, 4.316 dBm, and 45.88 dBc, respectively. Both circuits use a topology synthesis method based on the VM second-order non-inverting/inverting HP filter transfer functions to generate the BP, LP, and HP filter transfer functions simultaneously, making them suitable for three-way crossover network high-fidelity loudspeaker applications. Three commercial LT1228 ICs and seven passive components were used in OrCAD PSpice simulations and experimental measurements to verify the operation of the two proposed VM LT1228-based second-order multifunction filter topologies.

Author Contributions

Methodology and writing—original draft preparation H.-P.C.; formal analysis and investigation, H.-P.C., S.-J.C. and C.-Y.C.; Software, S.-J.C. and C.-Y.C.; Validation, H.-P.C., S.-J.C. and C.-Y.C. All authors have read and agreed to the published version of the manuscript.

Funding

This research received no external funding.

Institutional Review Board Statement

Not applicable

Informed Consent Statement

Not applicable.

Data Availability Statement

Not applicable.

Conflicts of Interest

The authors declare no conflict of interest.

References

  1. Kumngern, M.; Aupithak, N.; Khateb, F.; Kulej, T. 0.5 V Fifth-order butterworth low-pass filter using multiple-input OTA for ECG applications. Sensors 2020, 20, 7343. [Google Scholar] [CrossRef] [PubMed]
  2. Prommee, P.; Wongprommoon, N.; Kumngern, M.; Jaikla, W. Low-voltage low-pass and band-pass elliptic filters based on log-domain approach suitable for biosensors. Sensors 2019, 19, 5581. [Google Scholar] [CrossRef] [PubMed]
  3. Sotner, R.; Jerabek, J.; Polak, L.; Theumer, R.; Langhammer, L. Electronic tunability and cancellation of serial losses in wire coils. Sensors 2022, 22, 7373. [Google Scholar] [CrossRef] [PubMed]
  4. Márquez, A.; Pérez-Bailón, J.; Calvo, B.; Medrano, N.; Martínez, P.A. A CMOS self-contained quadrature signal generator for SoC impedance spectroscopy. Sensors 2018, 18, 1382. [Google Scholar] [CrossRef]
  5. Zhao, Z.; Tong, H.; Deng, Y.; Xu, W.; Zhang, Y.; Ye, H. Single-lead fetal ECG extraction based on a parallel marginalized particle filter. Sensors 2017, 17, 1456. [Google Scholar] [CrossRef]
  6. Akbari, M.; Hussein, S.M.; Hashim, Y.; Tang, K.T. An adjustable dual-output current mode MOSFET-only filter. IEEE Trans. Circuits Syst. II Exp. Briefs 2021, 68, 1817–1821. [Google Scholar] [CrossRef]
  7. Alpaslan, H.; Yuce, E. DVCC+ based multifunction and universal filters with the high input impedance features. Analog. Integr. Circuits Signal Processing 2020, 103, 325–335. [Google Scholar] [CrossRef]
  8. Jaikla, W.; Khateb, F.; Kulej, T.; Pitaksuttayaprot, K. Universal filter based on compact CMOS structure of VDDDA. Sensors 2021, 21, 1683. [Google Scholar] [CrossRef]
  9. Abaci, A.; Alpaslan, H.; Yuce, E. First-order all-pass filters comprising one modified DDCC. J. Circuits Syst. Comput. 2022, 31, 2250184. [Google Scholar] [CrossRef]
  10. Supavarasuwat, P.; Kumngern, M.; Sangyaem, S.; Jaikla, W.; Khateb, F. Cascadable independently and electronically tunable voltage-mode universal filter with grounded passive components. AEU Int. J. Electron. Commun. 2018, 84, 290–299. [Google Scholar] [CrossRef]
  11. Yuce, E.; Verma, R.; Pandey, N.; Minaei, S. New CFOA-based first-order all-pass filters and their applications. AEU Int. J. Electron. Commun. 2019, 103, 57–63. [Google Scholar] [CrossRef]
  12. Unuk, T.; Yuce, E. A mixed-mode filter with DVCCs and grounded passive components only. Int. J. Electron. Commun. 2022, 144, 154063. [Google Scholar] [CrossRef]
  13. Arora, T.S.; Singh, A.K. A new voltage mode sinusoidal quadrature oscillator employing second generation voltage conveyor. Int. J. Electron. Commun. 2022, 154, 154304. [Google Scholar] [CrossRef]
  14. Yucehan, T.; Yuce, E. CCII-based voltage-mode and current-mode high-order filters with gains and grounded passive elements only. Int. J. Electron. Commun. 2022, 155, 154346. [Google Scholar] [CrossRef]
  15. Raj, A.; Bhaskar, D.R.; Senani, R.; Kumar, P. Extension of recently proposed two-CFOA-GC all pass filters to the realisation of first order universal active filters. Int. J. Electron. Commun. 2022, 146, 154119. [Google Scholar] [CrossRef]
  16. Tseng, S.Y.; Wu, R.B. Synthesis of chebyshev/elliptic filters using minimum acoustic wave resonators. IEEE Access 2019, 7, 103456–103462. [Google Scholar] [CrossRef]
  17. Prommee, P.; Karawanich, K.; Khateb, F.; Kulej, T. Voltage-mode elliptic band-pass filter based on multiple-input transconductor. IEEE Access 2021, 9, 32582–32590. [Google Scholar] [CrossRef]
  18. Kumngern, M.; Khateb, F.; Kulej, T.; Psychalions, C. Multiple-input universal filter and quadrature oscillator using multiple-input operational transconductance amplifiers. IEEE Access 2021, 9, 56253–56263. [Google Scholar] [CrossRef]
  19. Khateb, F.; Kumngern, M.; Kulej, T.; Biolek, D. 0.5 V differential difference transconductance amplifier and its application in voltage-mode universal filter. IEEE Access 2022, 10, 43209–43220. [Google Scholar] [CrossRef]
  20. Chen, H.P.; Wang, S.F.; Ku, Y.; Yi, Y.C.; Li, Y.F.; Chen, Y.H. Four unity/variable gain first-order cascaded voltage-mode all-pass filters and their fully uncoupled quadrature sinusoidal oscillator applications. Sensors 2022, 22, 6250. [Google Scholar] [CrossRef]
  21. Horng, J.W.; Hou, C.L.; Chang, C.M.; Chung, W.Y. Voltage-mode universal biquadratic filters with one input and five outputs. Analog Integr. Circuits Signal Processing 2006, 47, 73–83. [Google Scholar] [CrossRef]
  22. Horng, J.W.; Chiu, W.Y. High input impedance voltage-mode biquad with one input and five outputs employing four CCII ICs. Indian J. Pure Appl. Phys. 2016, 54, 577–582. [Google Scholar]
  23. Wang, S.F.; Chen, H.P.; Ku, Y.; Zhong, M.X. Voltage-mode multifunction biquad filter and its application as fully-uncoupled quadrature oscillator based on current-feedback operational amplifiers. Sensors 2020, 20, 6681. [Google Scholar] [CrossRef] [PubMed]
  24. Wang, S.F.; Chen, H.P.; Ku, Y.; Zhong, M.X. Analytical synthesis of high-pass, band-pass and low-pass biquadratic filters and its quadrature oscillator application using current-feedback operational amplifiers. IEEE Access 2021, 9, 13330–13343. [Google Scholar] [CrossRef]
  25. Bhaskar, D.R.; Raj, A.; Senani, R. Three new CFOA-based SIMO-type universal active filter configurations with unrivalled features. AEU Int. J. Electron. Commun. 2022, 153, 154285. [Google Scholar] [CrossRef]
  26. Tuntrakool, S.; Kumngern, M.; Sotner, R.; Herencsar, N.; Suwanjan, P.; Jaikla, W. High input impedance voltage-mode universal filter and its modification as quadrature oscillator using VDDDAs. Indian J. Pure Appl. Phys. 2017, 55, 324–332. [Google Scholar]
  27. Huaihongthong, P.; Chaichana, A.; Suwanjan, P.; Siripongdee, S.; Sunthonkanokpong, W.; Supavarasuwat, P.; Jaikla, W.; Khateb, F. Single-input multiple-output voltage-mode shadow filter based on VDDDAs. AEU Int. J. Electron. Commun. 2019, 103, 13–23. [Google Scholar] [CrossRef]
  28. Jaikla, W.; Siripongdee, S.; Khateb, F.; Sotner, R.; Silapan, P.; Suwanjan, P.; Chaichana, A. Synthesis of biquad filters using two VD-DIBAs with independent control of quality factor and natural frequency. AEU Int. J. Electron. Commun. 2021, 132, 153601. [Google Scholar] [CrossRef]
  29. Wang, S.F.; Chen, H.P.; Ku, Y.; Lin, Y.C. Versatile tunable voltage-mode biquadratic filter and its application in quadrature oscillator. Sensors 2019, 19, 2349. [Google Scholar] [CrossRef]
  30. Wang, S.F.; Chen, H.P.; Ku, Y.; Yang, C.M. Independently tunable voltage-mode OTA-C biquadratic filter with five inputs and three outputs and its fully-uncoupled quadrature sinusoidal oscillator application. AEU Int. J. Electron. Commun. 2019, 110, 152822. [Google Scholar] [CrossRef]
  31. Wang, S.F.; Chen, H.P.; Ku, Y.; Lee, C.L. Versatile voltage-mode biquadratic filter and quadrature oscillator using four OTAs and two grounded capacitors. Electronics 2020, 9, 1493. [Google Scholar] [CrossRef]
  32. Wang, S.F.; Chen, H.P.; Ku, Y.; Chen, W.Y. Isomorphic circuits of independent amplitude tunable voltage-mode bandpass filters and quadrature sinusoidal oscillators. Appl. Sci. 2021, 11, 7431. [Google Scholar] [CrossRef]
  33. Wai, M.P.P.; Suwanjan, P.; Jaikla, W.; Chaichana, A. Electronically and orthogonally tunable SITO voltage-mode multifunction biquad filter using LT1228s. Elektron. Elektrotechnika 2021, 27, 11–17. [Google Scholar] [CrossRef]
  34. Wai, M.P.P.; Jaikla, W.; Suwanjan, P.; Sunthonkanokpong, W. Single input multiple output voltage mode universal filters with electronic controllability using commercially available ICs. In Proceedings of the 2020 17th International Conference on Electrical Engineering/Electronics, Computer, Telecommunications and Information Technology (ECTI-CON), Phuket, Thailand, 24–27 June 2020; pp. 607–610. Available online: https://ieeexplore.ieee.org/document/9158223 (accessed on 4 August 2020).
  35. Wai, M.P.P.; Chaichana, A.; Jaikla, W.; Siripongdee, S.; Suwanjan, P. One input voltage and three output voltage universal biquad filters with orthogonal tune of frequency and bandwidth. Int. J. Electr. Comput. Eng. 2021, 11, 2962–2973. [Google Scholar]
  36. Olsak, M.; Vrba, K.; Matejicek, L. Electronically tunable high-order highpass filters with minimum of components. Electr. Eng. 2003, 54, 57–62. [Google Scholar]
  37. Siripongdee, S.; Jaikla, W. Electronically controllable grounded inductance simulators using single commercially available IC: LT1228. AEU-Int. J. Electron. Commun. 2017, 76, 1–10. [Google Scholar] [CrossRef]
  38. Siripongdee, S.; Jaikla, W. Universal filter using single commercially available IC: LT1228. In Proceedings of the 2016 the 3rd International Conference on Mechatronics and Mechanical Engineering, (MATEC Web Conf.), Kuala Lumpur, Malaysia, 28–30 November 2017; Volume 95, p. 14022. Available online: https://www.matec-conferences.org/articles/matecconf/abs/2017/09/matecconf_icmme2017_14002/matecconf_icmme2017_14002.html (accessed on 9 February 2017).
  39. Rungsa, S.; Jantakun, A. Single commercially available IC: LT1228 based sinusoidal oscillator. Przegląd Elektrotechniczny 2019, 95, 218–222. [Google Scholar] [CrossRef]
  40. Suwanjan, P.; Siripongdee, S.; Jaikla, W. Three-inputs single-output voltage-mode universal filter with orthogonal control using single commercially available IC. In Proceedings of the 2017 European Conference on Electrical Engineering and Computer Science (EECS), Bern, Switzerland, 17–19 November 2017; pp. 454–457. Available online: https://ieeexplore.ieee.org/document/8412066 (accessed on 19 July 2018).
  41. Klungtong, S.; Thanapatay, D.; Jaikla, W. Three-input single-output voltage-mode multifunction filter with electronic controllability based on single commercially available IC. Act. Passiv. Electron. Compon. 2017, 2017, 5240751. [Google Scholar] [CrossRef]
  42. Chaichana, A.; Siripongdee, S.; Jaikla, W. Electronically adjustable voltage-mode first-order allpass filter using single commercially available IC. In Proceedings of the 2019 International Conference on Smart Materials Applications (ICSMA), Tokyo, Japan, 19–22 January 2019; pp. 19–22. Available online: https://iopscience.iop.org/article/10.1088/1757-899X/559/1/012009 (accessed on 1 June 2019).
  43. Roongmuanpha, N.; Suesut, T.; Tangsrirat, W. Electronically tunable triple-input single-output voltage-mode biquadratic filter implemented with single integrated circuit package. Adv. Sci. Technol. Eng. Syst. J. 2021, 6, 1120–1127. Available online: https://www.astesj.com/v06/i01/p125/ (accessed on 25 February 2021). [CrossRef]
  44. Onanong, N.; Supavarasuwat, P.; Angamnuaysiri, D.; Siripongdee, S.; Chaichana, A.; Jaikla, W.; Suwanjan, P. Design of electronically controllable multifunction active filter with amplitude controllability using two commercially available ICs. J. Electr. Comput. Eng. 2022, 2022, 4932284. [Google Scholar] [CrossRef]
  45. Angkun, K.; Kaewon, R.; Silapan, P. A square wave and sinusoidal quadrature oscillator based-on LT1228. In Proceedings of the 2021 18th International Conference on Electrical Engineering/Electronics, Computer, Telecommunications and Information Technology (ECTI-CON), Chiang Mai, Thailand, 19–22 May 2021; pp. 833–836. Available online: https://ieeexplore.ieee.org/document/9454933 (accessed on 18 June 2021).
  46. Singh, G.; Garima. Universal biquad fractional order filter using single LT1228 IC. In Proceedings of the 2020 IEEE International Conference for Innovation in Technology (INOCON), Bangluru, India, 6–8 November 2020; pp. 1–6. Available online: https://ieeexplore.ieee.org/document/9298397 (accessed on 1 January 2021).
  47. Thanyaratsakul, N.; Tanthong, A.; Tritummanurak, T.; Keawon, R.; Paponpen, K.; Silapan, P.; Jaikla, W. Single LT1228 based electronically controllable sawtooth generator. In Proceedings of the 2021 9th International Electrical Engineering Congress (iEECON), Pattaya, Thailand, 10–12 March 2021; pp. 349–352. Available online: https://ieeexplore.ieee.org/document/9440332 (accessed on 31 May 2021).
  48. Silapan, P.; Choykhuntod, P.; Kaewon, R.; Jaikla, W. Duty-cycle electronically tunable triangular/square wave generator using LT1228 commercially available ICs for capacitive sensor interfacing. Sensors 2022, 22, 4922. [Google Scholar] [CrossRef]
  49. Linear Technology Corporation. LT1228—100 MHz Current Feedback Amplifier with DC Gain Control, Linear Technology Corporation Version Number D. 2012. Available online: http://www.linear.com/product/LT1228 (accessed on 12 May 2019).
Figure 1. Synthesis of the first proposed VM LT1228-based filter system module with two integrator loops and a voltage gain building block.
Figure 1. Synthesis of the first proposed VM LT1228-based filter system module with two integrator loops and a voltage gain building block.
Sensors 22 09379 g001
Figure 2. LT1228 (a) circuit symbol, and (b) IC package in an 8-pin configuration.
Figure 2. LT1228 (a) circuit symbol, and (b) IC package in an 8-pin configuration.
Sensors 22 09379 g002
Figure 3. Equivalent circuit of LT1228.
Figure 3. Equivalent circuit of LT1228.
Sensors 22 09379 g003
Figure 4. First proposed VM LT1228-based second-order multifunction filter configuration.
Figure 4. First proposed VM LT1228-based second-order multifunction filter configuration.
Sensors 22 09379 g004
Figure 5. Synthesis of the second proposed VM LT1228-based filter system module with two integrator loops and a voltage gain building block.
Figure 5. Synthesis of the second proposed VM LT1228-based filter system module with two integrator loops and a voltage gain building block.
Sensors 22 09379 g005
Figure 6. Second proposed VM LT1228-based second-order multifunction filter configuration.
Figure 6. Second proposed VM LT1228-based second-order multifunction filter configuration.
Sensors 22 09379 g006
Figure 7. (a) Top and (b) bottom photos of the first proposed VM LT1228-based multifunction filter PCB hardware implementation in Figure 4.
Figure 7. (a) Top and (b) bottom photos of the first proposed VM LT1228-based multifunction filter PCB hardware implementation in Figure 4.
Sensors 22 09379 g007
Figure 8. (a) Top and (b) bottom photos of the second proposed VM LT1228-based multifunction filter PCB hardware implementation in Figure 6.
Figure 8. (a) Top and (b) bottom photos of the second proposed VM LT1228-based multifunction filter PCB hardware implementation in Figure 6.
Sensors 22 09379 g008
Figure 9. Experimental hardware setup of the first proposed VM LT1228-based multifunction filter in Figure 4.
Figure 9. Experimental hardware setup of the first proposed VM LT1228-based multifunction filter in Figure 4.
Sensors 22 09379 g009
Figure 10. Experimental hardware setup of the second proposed VM LT1228-based multifunction filter in Figure 6.
Figure 10. Experimental hardware setup of the second proposed VM LT1228-based multifunction filter in Figure 6.
Sensors 22 09379 g010
Figure 11. Simulated gain and phase frequency response of the first proposed circuit at Vo1.
Figure 11. Simulated gain and phase frequency response of the first proposed circuit at Vo1.
Sensors 22 09379 g011
Figure 12. Simulated gain and phase frequency response of the first proposed circuit at Vo2.
Figure 12. Simulated gain and phase frequency response of the first proposed circuit at Vo2.
Sensors 22 09379 g012
Figure 13. Simulated gain and phase frequency response of the first proposed circuit at Vo3.
Figure 13. Simulated gain and phase frequency response of the first proposed circuit at Vo3.
Sensors 22 09379 g013
Figure 14. Simulated gain and phase frequency response of the first proposed circuit at Vo4.
Figure 14. Simulated gain and phase frequency response of the first proposed circuit at Vo4.
Sensors 22 09379 g014
Figure 15. Simulated gain and phase frequency response of the first proposed circuit at Vo5.
Figure 15. Simulated gain and phase frequency response of the first proposed circuit at Vo5.
Sensors 22 09379 g015
Figure 16. Simulated gain response of the first proposed circuit at Vo1 by changing Q and keeping fo constant.
Figure 16. Simulated gain response of the first proposed circuit at Vo1 by changing Q and keeping fo constant.
Sensors 22 09379 g016
Figure 17. Simulated gain response of the first proposed circuit at Vo1 by changing fo and keeping Q constant.
Figure 17. Simulated gain response of the first proposed circuit at Vo1 by changing fo and keeping Q constant.
Sensors 22 09379 g017
Figure 18. Simulated gain response of the first proposed circuit at Vo2 by changing fo and keeping Q constant.
Figure 18. Simulated gain response of the first proposed circuit at Vo2 by changing fo and keeping Q constant.
Sensors 22 09379 g018
Figure 19. Simulated gain response of the first proposed circuit at Vo3 by changing fo and keeping Q constant.
Figure 19. Simulated gain response of the first proposed circuit at Vo3 by changing fo and keeping Q constant.
Sensors 22 09379 g019
Figure 20. Simulated temperature variation at Vo1 for the first proposed circuit.
Figure 20. Simulated temperature variation at Vo1 for the first proposed circuit.
Sensors 22 09379 g020
Figure 21. Simulated temperature variation at Vo2 for the first proposed circuit.
Figure 21. Simulated temperature variation at Vo2 for the first proposed circuit.
Sensors 22 09379 g021
Figure 22. Simulated temperature variation at Vo3 for the first proposed circuit.
Figure 22. Simulated temperature variation at Vo3 for the first proposed circuit.
Sensors 22 09379 g022
Figure 23. Measured output and input characteristics of the first proposed circuit at Vo1.
Figure 23. Measured output and input characteristics of the first proposed circuit at Vo1.
Sensors 22 09379 g023
Figure 24. Measured output and input characteristics of the first proposed circuit at Vo2.
Figure 24. Measured output and input characteristics of the first proposed circuit at Vo2.
Sensors 22 09379 g024
Figure 25. Measured output and input characteristics of the first proposed circuit at Vo3.
Figure 25. Measured output and input characteristics of the first proposed circuit at Vo3.
Sensors 22 09379 g025
Figure 26. Measured output and input characteristics of the first proposed circuit at Vo4.
Figure 26. Measured output and input characteristics of the first proposed circuit at Vo4.
Sensors 22 09379 g026
Figure 27. Measured output and input characteristics of the first proposed circuit at Vo5.
Figure 27. Measured output and input characteristics of the first proposed circuit at Vo5.
Sensors 22 09379 g027
Figure 28. Measured THD of the first proposed circuit at Vo1 in Figure 4 versus peak-to-peak input voltage signal at 159.15 kHz.
Figure 28. Measured THD of the first proposed circuit at Vo1 in Figure 4 versus peak-to-peak input voltage signal at 159.15 kHz.
Sensors 22 09379 g028
Figure 29. Simulated noise performance of the first proposed circuit at Vo1.
Figure 29. Simulated noise performance of the first proposed circuit at Vo1.
Sensors 22 09379 g029
Figure 30. Frequency-domain characteristics of the measured amplitude and phase responses of the first proposed circuit at Vo1.
Figure 30. Frequency-domain characteristics of the measured amplitude and phase responses of the first proposed circuit at Vo1.
Sensors 22 09379 g030
Figure 31. Frequency-domain characteristics of the measured amplitude and phase responses of the first proposed circuit at Vo2.
Figure 31. Frequency-domain characteristics of the measured amplitude and phase responses of the first proposed circuit at Vo2.
Sensors 22 09379 g031
Figure 32. Frequency-domain characteristics of the measured amplitude and phase responses of the first proposed circuit at Vo3.
Figure 32. Frequency-domain characteristics of the measured amplitude and phase responses of the first proposed circuit at Vo3.
Sensors 22 09379 g032
Figure 33. Frequency-domain characteristics of the measured amplitude and phase responses of the first proposed circuit at Vo4.
Figure 33. Frequency-domain characteristics of the measured amplitude and phase responses of the first proposed circuit at Vo4.
Sensors 22 09379 g033
Figure 34. Frequency-domain characteristics of the measured amplitude and phase responses of the first proposed circuit at Vo5.
Figure 34. Frequency-domain characteristics of the measured amplitude and phase responses of the first proposed circuit at Vo5.
Sensors 22 09379 g034
Figure 35. Simulated, measured, and theoretical comparison results of the first proposed circuit at Vo1.
Figure 35. Simulated, measured, and theoretical comparison results of the first proposed circuit at Vo1.
Sensors 22 09379 g035
Figure 36. Simulated, measured, and theoretical comparison results of the first proposed circuit at Vo2.
Figure 36. Simulated, measured, and theoretical comparison results of the first proposed circuit at Vo2.
Sensors 22 09379 g036
Figure 37. Simulated, measured, and theoretical comparison results of the first proposed circuit at Vo3.
Figure 37. Simulated, measured, and theoretical comparison results of the first proposed circuit at Vo3.
Sensors 22 09379 g037
Figure 38. Simulated, measured, and theoretical comparison results of the first proposed circuit at Vo4.
Figure 38. Simulated, measured, and theoretical comparison results of the first proposed circuit at Vo4.
Sensors 22 09379 g038
Figure 39. Simulated, measured, and theoretical comparison results of the first proposed circuit at Vo5.
Figure 39. Simulated, measured, and theoretical comparison results of the first proposed circuit at Vo5.
Sensors 22 09379 g039
Figure 40. Electronic tunability fo measured at Vo1 from 94.92 to 635.39 kHz for the first proposed circuit without affecting the Q value.
Figure 40. Electronic tunability fo measured at Vo1 from 94.92 to 635.39 kHz for the first proposed circuit without affecting the Q value.
Sensors 22 09379 g040
Figure 41. Electronic tunability fo measured at Vo1 from 47.2 to 951.94 kHz for the first proposed circuit without affecting the Q value.
Figure 41. Electronic tunability fo measured at Vo1 from 47.2 to 951.94 kHz for the first proposed circuit without affecting the Q value.
Sensors 22 09379 g041
Figure 42. Simulated, measured, and theoretical comparison results of the electronic tunability fo at Vo1 in Figure 40 without affecting the Q value.
Figure 42. Simulated, measured, and theoretical comparison results of the electronic tunability fo at Vo1 in Figure 40 without affecting the Q value.
Sensors 22 09379 g042
Figure 43. Simulated, measured, and theoretical comparison results of the electronic tenability fo at Vo1 in Figure 41 without affecting the Q value.
Figure 43. Simulated, measured, and theoretical comparison results of the electronic tenability fo at Vo1 in Figure 41 without affecting the Q value.
Sensors 22 09379 g043
Figure 44. Measured electronic tunability Q of the first proposed circuit at Vo1 without affecting the fo value.
Figure 44. Measured electronic tunability Q of the first proposed circuit at Vo1 without affecting the fo value.
Sensors 22 09379 g044
Figure 45. Simulated, measured, and theoretical comparison results of the electronic tunability Q for the first proposed circuit at Vo1 without affecting the fo value.
Figure 45. Simulated, measured, and theoretical comparison results of the electronic tunability Q for the first proposed circuit at Vo1 without affecting the fo value.
Sensors 22 09379 g045
Figure 46. Measured results of the P1dB point of the first proposed circuit at Vo1.
Figure 46. Measured results of the P1dB point of the first proposed circuit at Vo1.
Sensors 22 09379 g046
Figure 47. Measured results of the SFDR of the first proposed circuit at Vo1.
Figure 47. Measured results of the SFDR of the first proposed circuit at Vo1.
Sensors 22 09379 g047
Figure 48. Measured results of the IMD of the first proposed circuit at Vo1.
Figure 48. Measured results of the IMD of the first proposed circuit at Vo1.
Sensors 22 09379 g048
Figure 49. Simulated gain and phase frequency response of the second proposed circuit at Vo1.
Figure 49. Simulated gain and phase frequency response of the second proposed circuit at Vo1.
Sensors 22 09379 g049
Figure 50. Simulated gain and phase frequency response of the second proposed circuit at Vo2.
Figure 50. Simulated gain and phase frequency response of the second proposed circuit at Vo2.
Sensors 22 09379 g050
Figure 51. Simulated gain and phase frequency response of the second proposed circuit at Vo3.
Figure 51. Simulated gain and phase frequency response of the second proposed circuit at Vo3.
Sensors 22 09379 g051
Figure 52. Simulated gain and phase frequency response of the second proposed circuit at Vo4.
Figure 52. Simulated gain and phase frequency response of the second proposed circuit at Vo4.
Sensors 22 09379 g052
Figure 53. Simulated gain and phase frequency response of the second proposed circuit at Vo5.
Figure 53. Simulated gain and phase frequency response of the second proposed circuit at Vo5.
Sensors 22 09379 g053
Figure 54. Simulated gain response of the second proposed circuit at Vo1 by changing Q and keeping fo constant.
Figure 54. Simulated gain response of the second proposed circuit at Vo1 by changing Q and keeping fo constant.
Sensors 22 09379 g054
Figure 55. Simulated gain response of the second proposed circuit at Vo1 by changing fo and keeping Q constant.
Figure 55. Simulated gain response of the second proposed circuit at Vo1 by changing fo and keeping Q constant.
Sensors 22 09379 g055
Figure 56. Simulated gain response of the second proposed circuit at Vo2 by changing fo and keeping Q constant.
Figure 56. Simulated gain response of the second proposed circuit at Vo2 by changing fo and keeping Q constant.
Sensors 22 09379 g056
Figure 57. Simulated gain response of the second proposed circuit at Vo3 by changing fo and keeping Q constant.
Figure 57. Simulated gain response of the second proposed circuit at Vo3 by changing fo and keeping Q constant.
Sensors 22 09379 g057
Figure 58. Simulated temperature variation at Vo1 for the second proposed circuit.
Figure 58. Simulated temperature variation at Vo1 for the second proposed circuit.
Sensors 22 09379 g058
Figure 59. Simulated temperature variation at Vo2 for the second proposed circuit.
Figure 59. Simulated temperature variation at Vo2 for the second proposed circuit.
Sensors 22 09379 g059
Figure 60. Simulated temperature variation at Vo3 for the second proposed circuit.
Figure 60. Simulated temperature variation at Vo3 for the second proposed circuit.
Sensors 22 09379 g060
Figure 61. Simulated, measured, and theoretical comparison results of the second proposed circuit at Vo1.
Figure 61. Simulated, measured, and theoretical comparison results of the second proposed circuit at Vo1.
Sensors 22 09379 g061
Figure 62. Simulated, measured, and theoretical comparison results of the second proposed circuit at Vo2.
Figure 62. Simulated, measured, and theoretical comparison results of the second proposed circuit at Vo2.
Sensors 22 09379 g062
Figure 63. Simulated, measured, and theoretical comparison results of the second proposed circuit at Vo3.
Figure 63. Simulated, measured, and theoretical comparison results of the second proposed circuit at Vo3.
Sensors 22 09379 g063
Figure 64. Simulated, measured, and theoretical comparison results of the second proposed circuit at Vo4.
Figure 64. Simulated, measured, and theoretical comparison results of the second proposed circuit at Vo4.
Sensors 22 09379 g064
Figure 65. Simulated, measured, and theoretical comparison results of the second proposed circuit at Vo5.
Figure 65. Simulated, measured, and theoretical comparison results of the second proposed circuit at Vo5.
Sensors 22 09379 g065
Figure 66. Simulated, measured, and theoretical comparison results of the electronic tunability fo for the second proposed circuit at Vo1 without affecting the Q value.
Figure 66. Simulated, measured, and theoretical comparison results of the electronic tunability fo for the second proposed circuit at Vo1 without affecting the Q value.
Sensors 22 09379 g066
Figure 67. Simulated, measured, and theoretical comparison results of the electronic tunability Q for the second proposed circuit at Vo1 without affecting the fo value.
Figure 67. Simulated, measured, and theoretical comparison results of the electronic tunability Q for the second proposed circuit at Vo1 without affecting the fo value.
Sensors 22 09379 g067
Figure 68. Measured output and input characteristics of the second proposed circuit at Vo1.
Figure 68. Measured output and input characteristics of the second proposed circuit at Vo1.
Sensors 22 09379 g068
Figure 69. Measured output and input characteristics of the second proposed circuit at Vo2.
Figure 69. Measured output and input characteristics of the second proposed circuit at Vo2.
Sensors 22 09379 g069
Figure 70. Measured output and input characteristics of the second proposed circuit at Vo3.
Figure 70. Measured output and input characteristics of the second proposed circuit at Vo3.
Sensors 22 09379 g070
Figure 71. Measured output and input characteristics of the second proposed circuit at Vo4.
Figure 71. Measured output and input characteristics of the second proposed circuit at Vo4.
Sensors 22 09379 g071
Figure 72. Measured output and input characteristics of the second proposed circuit at Vo5.
Figure 72. Measured output and input characteristics of the second proposed circuit at Vo5.
Sensors 22 09379 g072
Figure 73. Measured output spectrum of Figure 68.
Figure 73. Measured output spectrum of Figure 68.
Sensors 22 09379 g073
Figure 74. Measured THD of the second proposed circuit at Vo1 in Figure 6 versus peak-to-peak input voltage signal at 159.15 kHz.
Figure 74. Measured THD of the second proposed circuit at Vo1 in Figure 6 versus peak-to-peak input voltage signal at 159.15 kHz.
Sensors 22 09379 g074
Figure 75. Measured results of the P1dB point of the second proposed circuit at Vo1.
Figure 75. Measured results of the P1dB point of the second proposed circuit at Vo1.
Sensors 22 09379 g075
Figure 76. Measured results of the IMD3 of the second proposed circuit at Vo1.
Figure 76. Measured results of the IMD3 of the second proposed circuit at Vo1.
Sensors 22 09379 g076
Table 1. Comparison of recent electronically tunable VM second-order multifunction filter specifications.
Table 1. Comparison of recent electronically tunable VM second-order multifunction filter specifications.
Ref.ABB and Passive Elements UsedNo. of Commercial ICs RealizedNo. of Filtering Functions at the Same TimeNo. of Low Output Impedance Filtering Functions UsedOnly High-Input Impedance UsedOnly Two Grounded Capacitors UsedSimultaneous Realization of Filtering FunctionsIndependent Gain-Controlled Filtering FunctionsOrthogonal Electronic Control of Q and foIndependent Electronic Control Q without Affecting foQ-Value or Q Tuning RangePole Frequency fo or fo Tuning Range (kHz)
ABBPassive
[22]4 CCII2C + 4R450yesyesLPF, BPF, HPF, BRF, APF anonono<515
[23]3 CFA2C + 4R333yesyesLPF, BPF, BRFnonono1.1–449–197
[24]3 CFA2C + 4R333yesyesLPF, BPF, HPFnonono0.6–1.686–170
[25]4 CFA in filter 1a2C + 5R + 2SW444yesyesLPF, BPF, BRF, HPF/APFnonono0.3–3.2150
[25]4 CFA in filter 1b2C + 6R + 2SW444yesyesLPF, BPF, BRF, HPF/APFnonono<0.722–210
[25]4 CFA in filter 1c2C + 6R + 1SW444yesyesLPF, BPF, BRF, HPF/APFnonono0.3–3.322–210
[26]3 VDDDA2C + 1R563yesyesLPF, 2 BPF, HPF, BRF, APFnoyesyes0.3–26.61047
[27]3 VDDDA2C + 1R552yesyesLPF, BPF, HPF, BRF, APFnoyesyes1–4.5625–1500
[28]2 VD-DIBA2C + 2R442yesyesLPF, BPF, HPF, BRFnonono2–566–144
[29]5 OTA2C530yesyesLPF, BPF, BRFnoyesyes1–3156–472
[30]5 OTA2C530yesyesLPF, BPF, BRFnoyesyes1–2.9107–284
[31]4 OTA2C530yesyesLPF, BPF, BRFnoyesyes1–1.7106–213
[32]3 LT1228 in filter 2a2C + 3R332yesyes3 BPF1 BPFnono1–2.9161
[32]3 LT1228 in filter 3a2C + 3R332yesyes3 BPF1 BPFnono1–2.9165
[33]3 LT12282C + 4R332noyesHPF, BPF, LPFnoyesyes0.4–1.7100–373
[34]2 LT1228 in filter 12C + 3R232noyesHPF a, BPF a, LPF anonono<1.6135–826
[34]2 LT1228 in filter 22C + 3R232noyesHPF a, BPF a, LPF anonono<1.644.3–275
[35]2 LT1228 in filter 2a2C + 5R232noyesHPF a, BPF a, LPF anonono0.9–4.557–205
[35]2 LT1228 in filter 2b2C + 5R232noyesHPF a, BPF a, LPF anonono0.9–4.599
Circuit 13 LT12282C + 5R353yesyesHPF, 2 BPF, 2 LPF1 LPF, 1 BPFyesyes0.7–646–961
Circuit 23 LT12282C + 5R353yesyes1 HPF, 2 BPF, 2 LPF1 LPF, 1 BPFyesyes0.7–646–879
Note: ABB: active building block; a requirements for resistor matching conditions.
Table 2. Time domain characteristics of the output phase errors of the first proposed filter measured at 159.15 kHz.
Table 2. Time domain characteristics of the output phase errors of the first proposed filter measured at 159.15 kHz.
Output TerminalOperating Pole PhaseOutput Phase Error
TheoreticalMeasured
Vo1−0.143°−0.143°
Vo2−90°−90.97°−0.97°
Vo3−90°−90.27°−0.27°
Vo4−0.601°−0.601°
Vo5−90°−90.13°−0.13°
Table 3. Frequency-domain characteristics of the pole frequency error measured at ideal pole phase for the first proposed circuit.
Table 3. Frequency-domain characteristics of the pole frequency error measured at ideal pole phase for the first proposed circuit.
Output TerminalFilter Pole FrequencyPercentage Error of the Pole Frequency
TheoreticalSimulatedMeasuredSimulatedMeasured
Vo1159.15 kHz155.59 kHz157.2 kHz−2.23%−1.22%
Vo2159.15 kHz155.23 kHz158.37 kHz−2.46%−0.49%
Vo3159.15 kHz155.59 kHz157.58 kHz−2.23%−0.98%
Vo4159.15 kHz155.23 kHz158.38 kHz−2.46%−0.48%
Vo5159.15 kHz154.88 kHz158.76 kHz−2.68%−0.24%
Table 4. Summary of the measured performance of the first proposed VM LT1228-based second-order multifunction filter.
Table 4. Summary of the measured performance of the first proposed VM LT1228-based second-order multifunction filter.
Factor
Power Supply (V)PD (W)Pole Frequency (kHz)Pole Frequency Tuning Range (kHz)P1dB (dBm)IMD3 (dBc)TOI (dBm)SFDR (dBc)
±150.69157.247.2–951.94−7.1−48.844.13345.02
Table 5. Frequency-domain characteristics of the pole frequency error measured at ideal pole phase for the second proposed circuit.
Table 5. Frequency-domain characteristics of the pole frequency error measured at ideal pole phase for the second proposed circuit.
Output TerminalFilter Pole FrequencyPercentage Error of the Pole Frequency
TheoreticalSimulatedMeasuredSimulatedMeasured
Vo1159.15 kHz155.59 kHz157.55 kHz−2.23%−1%
Vo2159.15 kHz155.23 kHz158.22 kHz−2.46%−0.58%
Vo3159.15 kHz155.59 kHz156.67 kHz−2.23%−1.55%
Vo4159.15 kHz155.23 kHz157.71 kHz−2.46%−0.9%
Vo5159.15 kHz154.88 kHz158.98 kHz−2.68%−0.1%
Table 6. Time-domain characteristics of the output phase error measured for the second proposed circuit at an operating pole frequency of 159.15 kHz.
Table 6. Time-domain characteristics of the output phase error measured for the second proposed circuit at an operating pole frequency of 159.15 kHz.
Output TerminalOperating Pole PhaseOutput Phase Error
TheoreticalMeasured
Vo1−0.544°−0.544°
Vo290°90.41°0.41°
Vo390°88.08°−1.92°
Vo4−0.401°−0.401°
Vo590°87.45°−2.55°
Table 7. Summary of the measured performance of the second proposed VM LT1228-based second-order multifunction filter.
Table 7. Summary of the measured performance of the second proposed VM LT1228-based second-order multifunction filter.
Factor
Power Supply (V)PD (W)Pole Frequency (kHz)Pole Frequency Tuning Range (kHz)P1dB (dBm)IMD3 (dBc)TOI (dBm)SFDR (dBc)
±150.69157.5547.71–887.34−7−49.654.31645.88
Publisher’s Note: MDPI stays neutral with regard to jurisdictional claims in published maps and institutional affiliations.

Share and Cite

MDPI and ACS Style

Chen, H.-P.; Chen, S.-J.; Chang, C.-Y. Synthesis of High-Input Impedance Electronically Tunable Voltage-Mode Second-Order Low-Pass, Band-Pass, and High-Pass Filters Based on LT1228 Integrated Circuits. Sensors 2022, 22, 9379. https://doi.org/10.3390/s22239379

AMA Style

Chen H-P, Chen S-J, Chang C-Y. Synthesis of High-Input Impedance Electronically Tunable Voltage-Mode Second-Order Low-Pass, Band-Pass, and High-Pass Filters Based on LT1228 Integrated Circuits. Sensors. 2022; 22(23):9379. https://doi.org/10.3390/s22239379

Chicago/Turabian Style

Chen, Hua-Pin, Shih-Jun Chen, and Chih-Yang Chang. 2022. "Synthesis of High-Input Impedance Electronically Tunable Voltage-Mode Second-Order Low-Pass, Band-Pass, and High-Pass Filters Based on LT1228 Integrated Circuits" Sensors 22, no. 23: 9379. https://doi.org/10.3390/s22239379

APA Style

Chen, H.-P., Chen, S.-J., & Chang, C.-Y. (2022). Synthesis of High-Input Impedance Electronically Tunable Voltage-Mode Second-Order Low-Pass, Band-Pass, and High-Pass Filters Based on LT1228 Integrated Circuits. Sensors, 22(23), 9379. https://doi.org/10.3390/s22239379

Note that from the first issue of 2016, this journal uses article numbers instead of page numbers. See further details here.

Article Metrics

Back to TopTop