A Fully-Integrated Ambient RF Energy Harvesting System with 423-μW Output Power
Abstract
:1. Introduction
2. System Architecture
3. Circuit Details
3.1. Rectifier
3.2. Impedance Matching Network
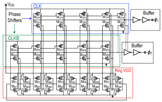
3.3. Proposed SAB-RVCO
3.4. Charge-Pump Realization
3.5. Control Circuit
4. Post-Layout Simulation Results and Comparison
5. Conclusions
Author Contributions
Funding
Informed Consent Statement
Data Availability Statement
Conflicts of Interest
References
- Basim, M.; Khan, D.; Ain, Q.U.; Shehzad, K.; Shah, S.A.A.; Jang, B.-G.; Pu, Y.-G.; Yoo, J.-M.; Kim, J.-T.; Lee, K.-Y. A Highly Efficient RF-DC Converter for Energy Harvesting Applications Using a Threshold Voltage Cancellation Scheme. Sensors 2022, 22, 2659. [Google Scholar] [CrossRef] [PubMed]
- Luo, Y.; Pu, L.; Wang, G.; Zhao, Y. RF energy harvesting wireless communications: Rf environment, device hardware and practical issues. Sensors 2019, 19, 3010. [Google Scholar] [CrossRef] [PubMed] [Green Version]
- Bouchouicha, D.; Dupont, F.; Latrach, M.; Ventura, L. Ambient RF energy harvesting. In Proceedings of the International Conference on Renewable Energies and Power Quality, Granada, Spain, 23–25 March 2010; pp. 2–6. [Google Scholar]
- Piñuela, M.; Mitcheson, P.D.; Lucyszyn, S. Ambient RF energy harvesting in urban and semi-urban environments. IEEE Trans. Microw. Theory Tech. 2013, 61, 2715–2726. [Google Scholar] [CrossRef]
- Chun, A.C.C.; Ramiah, H.; Mekhilef, S. Wide Power Dynamic Range CMOS RF-DC Rectifier for RF Energy Harvesting System: A Review. IEEE Access 2022, 10, 23948–23963. [Google Scholar] [CrossRef]
- Martins, R.P.; Mak, P.I.; Chan, C.H.; Yin, J.; Zhu, Y.; Chen, Y.; Lu, Y.; Law, M.K.; Sin, S.W. Bird’s-eye view of analog and mixed-signal chips for the 21st century. Int. J. Circuit Theory Appl. 2021, 49, 746–761. [Google Scholar] [CrossRef]
- Martins, R.P.; Mak, P.-I.; Sin, S.-W.; Law, M.-K.; Zhu, Y.; Lu, Y.; Yin, J.; Chan, C.-H.; Chen, Y.; Un, K.-F. Revisiting the Frontiers of Analog and Mixed-Signal Integrated Circuits Architectures and Techniques towards the future Internet of Everything (IoE) Applications. Found. Trends Integr. Circuits Syst. 2021, 1, 72–216. [Google Scholar] [CrossRef]
- Xu, P.; Flandre, D.; Bol, D. Analysis, modeling, and design of a 2.45-GHz RF energy harvester for SWIPT IoT smart sensors. IEEE J. Solid-State Circuits 2019, 54, 2717–2729. [Google Scholar] [CrossRef]
- ITU. Pandemic in the Internet Age: From Second Wave to New Normal, Recovery, Adaptation and Resilience. Available online: https://www.itu.int/myitu/media/Publications/2021-Publications/Pandemic-in-the-Internetage.pdf (accessed on 15 October 2021).
- Zhang, Z.; Zhan, C.; Law, M.-K.; Jiang, Y.; Mak, P.-I.; Martins, R.P. A High-Efficiency Dual-Antenna RF Energy Harvesting System Using Full-Energy Extraction With Improved Input Power Response. IEEE Open J. Circuits Syst. 2021, 2, 436–444. [Google Scholar] [CrossRef]
- Markandeya, H.S.; Roy, K. Low-power system for detection of symptomatic patterns in audio biological signals. IEEE Trans. Very Large Scale Integr. (VLSI) Syst. 2016, 24, 2679–2688. [Google Scholar] [CrossRef]
- Kim, H.; Kim, S.; Van Helleputte, N.; Artes, A.; Konijnenburg, M.; Huisken, J.; Van Hoof, C.; Yazicioglu, R.F. A configurable and low-power mixed signal SoC for portable ECG monitoring applications. IEEE Trans. Biomed. Circuits Syst. 2013, 8, 257–267. [Google Scholar] [CrossRef]
- Bayasi, N.; Tekeste, T.; Saleh, H.; Mohammad, B.; Khandoker, A.; Ismail, M. Low-power ECG-based processor for predicting ventricular arrhythmia. IEEE Trans. Very Large Scale Integr. (VLSI) Syst. 2015, 24, 1962–1974. [Google Scholar] [CrossRef]
- Liu, Z.; Hsu, Y.-P.; Fahs, B.; Hella, M.M. An RF-DC Converter IC With On-Chip Adaptive Impedance Matching and 307-µW Peak Output Power for Health Monitoring Applications. IEEE Trans. Very Large Scale Integr. (VLSI) Syst. 2018, 26, 1565–1574. [Google Scholar] [CrossRef]
- Kuhn, V.; Lahuec, C.; Seguin, F.; Person, C. A multi-band stacked RF energy harvester with RF-to-DC efficiency up to 84%. IEEE Trans. Microw. Theory Tech. 2015, 63, 1768–1778. [Google Scholar] [CrossRef]
- Belleville, M.; Cantatore, E.; Fanet, H.; Fiorini, P.; Nicole, P.; Pelgrom, M.; Piguet, C.; Hahn, R.; Van Hoof, C.; Vullers, R. Energy Autonomous Systems: Future Trends in Devices, Technology, and Systems. 2009. Available online: https://pure.tue.nl/ws/portalfiles/portal/3255966/675451.pdf (accessed on 8 May 2022).
- Kumar, P.K.; Ramiah, H.; Ahmad, M.Y.; Chong, G.; Rajendran, J. Analysis of a Single-Frequency Multi-Channel Ambient RF Energy Harvesting in CMOS Technology. In Proceedings of the 2019 IEEE Asia Pacific Conference on Circuits and Systems (APCCAS), Bangkok, Thailand, 11–14 November 2019; pp. 97–100. [Google Scholar]
- Kim, H.; Maeng, J.; Park, I.; Jeon, J.; Lim, D.; Kim, C. A 90.2% Peak Efficiency Multi-Input Single-Inductor Multi-Output Energy Harvesting Interface With Double-Conversion Rejection Technique and Buck-Based Dual-Conversion Mode. IEEE J. Solid-State Circuits 2020, 56, 961–971. [Google Scholar] [CrossRef]
- Poo, C.M.; Chong, G.; Ramiah, H. A dual-input extended-dynamic-PCE rectifier for dedicated far-field RF energy harvesting systems. Analog Integr. Circuits Signal Process. 2021, 107, 567–573. [Google Scholar] [CrossRef]
- Heo, B.-R.; Kwon, I. A Dual-Band Wide-Input-Range Adaptive CMOS RF–DC Converter for Ambient RF Energy Harvesting. Sensors 2021, 21, 7483. [Google Scholar] [CrossRef]
- Song, C.; Huang, Y.; Carter, P.; Zhou, J.; Yuan, S.; Xu, Q.; Kod, M. A novel six-band dual CP rectenna using improved impedance matching technique for ambient RF energy harvesting. IEEE Trans. Antennas Propag. 2016, 64, 3160–3171. [Google Scholar] [CrossRef] [Green Version]
- Li, C.-H.; Yu, M.-C.; Lin, H.-J. A compact 0.9-/2.6-GHz dual-band RF energy harvester using SiP technique. IEEE Microw. Wirel. Compon. Lett. 2017, 27, 666–668. [Google Scholar] [CrossRef]
- Nagaveni, S.; Kaddi, P.; Khandekar, A.; Dutta, A. Resistance compression dual-band differential CMOS RF energy harvester under modulated signal excitation. IEEE Trans. Circuits Syst. I Regul. Pap. 2020, 67, 4053–4062. [Google Scholar] [CrossRef]
- Lau, W.W.Y.; Ho, H.W.; Siek, L. Deep neural network (DNN) optimized design of 2.45 GHz CMOS rectifier with 73.6% peak efficiency for RF energy harvesting. IEEE Trans. Circuits Syst. I Regul. Pap. 2020, 67, 4322–4333. [Google Scholar] [CrossRef]
- Masuch, J.; Delgado-Restituto, M.; Milosevic, D.; Baltus, P. Co-integration of an RF energy harvester into a 2.4 GHz transceiver. IEEE J. Solid-State Circuits 2013, 48, 1565–1574. [Google Scholar] [CrossRef]
- Gonçalves, H.; Martins, M.; Fernandes, J. Fully integrated energy harvesting circuit with− 25-dBm sensitivity using transformer matching. IEEE Trans. Circuits Syst. II Express Briefs 2015, 62, 446–450. [Google Scholar] [CrossRef]
- Soltani, N.; Yuan, F. A high-gain power-matching technique for efficient radio-frequency power harvest of passive wireless microsystems. IEEE Trans. Circuits Syst. I Regul. Pap. 2010, 57, 2685–2695. [Google Scholar] [CrossRef]
- Lerdsitsomboon, W. Technique for integration of a wireless switch in a 2.4 GHz single chip radio. IEEE J. Solid-State Circuits 2010, 46, 368–377. [Google Scholar] [CrossRef]
- Lian, W.X.; Ramiah, H.; Chong, G.; PC, K.K. A Differential RF Front-end CMOS Transformer Matching for Ambient RF Energy Harvesting Systems. In Proceedings of the 2021 IEEE Asia Pacific Conference on Circuit and Systems (APCCAS), Penang, Malaysia, 22–26 November 2021; pp. 133–136. [Google Scholar]
- Churchill, K.K.P.; Chong, G.; Ramiah, H.; Ahmad, M.Y.; Rajendran, J. Low-voltage capacitive-based step-up DC-DC converters for RF energy harvesting system: A review. IEEE Access 2020, 8, 186393–186407. [Google Scholar] [CrossRef]
- De Donno, D.; Catarinucci, L.; Tarricone, L. An UHF RFID energy-harvesting system enhanced by a DC-DC charge pump in silicon-on-insulator technology. IEEE Microw. Wirel. Compon. Lett. 2013, 23, 315–317. [Google Scholar] [CrossRef] [Green Version]
- Moghaddam, A.K.; Chuah, J.H.; Ramiah, H.; Ahmadian, J.; Mak, P.-I.; Martins, R.P. A 73.9%-efficiency CMOS rectifier using a lower DC feeding (LDCF) self-body-biasing technique for far-field RF energy-harvesting systems. IEEE Trans. Circuits Syst. I Regul. Pap. 2017, 64, 992–1002. [Google Scholar] [CrossRef]
- Kotani, K.; Sasaki, A.; Ito, T. High-efficiency differential-drive CMOS rectifier for UHF RFIDs. IEEE J. Solid-State Circuits 2009, 44, 3011–3018. [Google Scholar] [CrossRef]
- Abouzied, M.A.; Sánchez-Sinencio, E. Low-input power-level CMOS RF energy-harvesting front end. IEEE Trans. Microw. Theory Tech. 2015, 63, 3794–3805. [Google Scholar] [CrossRef]
- Zhai, B.; Blaauw, D.; Sylvester, D.; Flautner, K. The limit of dynamic voltage scaling and insomniac dynamic voltage scaling. IEEE Trans. Very Large Scale Integr. (VLSI) Syst. 2005, 13, 1239–1252. [Google Scholar] [CrossRef]
- Razavi, B. Design of Analog CMOS Integrated Circuits; Tsinghua University Press Co., Ltd.: Beijing, China, 2005. [Google Scholar]
- Assaderaghi, F.; Sinitsky, D.; Parke, S.A.; Bokor, J.; Ko, P.K.; Hu, C. Dynamic threshold-voltage MOSFET (DTMOS) for ultra-low voltage VLSI. IEEE Trans. Electron Devices 1997, 44, 414–422. [Google Scholar] [CrossRef] [Green Version]
- Narendra, S.; Tschanz, J.; Hofsheier, J.; Bloechel, B.; Vangal, S.; Hoskote, Y.; Tang, S.; Somasekhar, D.; Keshavarzi, A.; Erraguntla, V. Ultra-low voltage circuits and processor in 180 nm to 90 nm technologies with a swapped-body biasing technique. In Proceedings of the 2004 IEEE International Solid-State Circuits Conference (IEEE Cat. No. 04CH37519), San Francisco, CA, USA, 15–19 February 2004; pp. 156–518. [Google Scholar]
- Chang, Y.; Chouhan, S.S.; Halonen, K. A novel forward body biasing technique for subthreshold ring oscillators. In Proceedings of the 2015 European Conference on Circuit Theory and Design (ECCTD), Trondheim, Norway, 24–26 August 2015; pp. 1–4. [Google Scholar]
- Shirazi, N.C.; Jannesari, A.; Torkzadeh, P. Self-start-up fully integrated DC-DC step-up converter using body biasing technique for energy harvesting applications. AEU-Int. J. Electron. Commun. 2018, 95, 24–35. [Google Scholar] [CrossRef]
- Lin, L.; Quang, K.T.; Alioto, M. Transistor sizing strategy for simultaneous energy-delay optimization in CMOS buffers. In Proceedings of the 2017 IEEE international symposium on circuits and systems (ISCAS), Baltimore, MD, USA, 28–31 May 2017; pp. 1–4. [Google Scholar]
- Deen, M.J.; Kazemeini, M.H.; Naseh, S. Ultra-low power VCOs-performance characteristics and modeling. In Proceedings of the Fourth IEEE International Caracas Conference on Devices, Circuits and Systems (Cat. No. 02TH8611), Oranjestad, The Netherlands, 19–19 April 2002; p. C033. [Google Scholar]
- Razavi, B. The ring oscillator [a circuit for all seasons]. IEEE Solid-State Circuits Mag. 2019, 11, 10–81. [Google Scholar] [CrossRef]
- Jung, W.; Oh, S.; Bang, S.; Lee, Y.; Foo, Z.; Kim, G.; Zhang, Y.; Sylvester, D.; Blaauw, D. An ultra-low power fully integrated energy harvester based on self-oscillating switched-capacitor voltage doubler. IEEE J. Solid-State Circuits 2014, 49, 2800–2811. [Google Scholar] [CrossRef]
- Ballo, A.; Grasso, A.D.; Palumbo, G. A high-performance charge pump topology for very-low-voltage applications. IEEE Trans. Circuits Syst. II Express Briefs 2019, 67, 1304–1308. [Google Scholar] [CrossRef]
- Ballo, A.; Grasso, A.D.; Giustolisi, G.; Palumbo, G. Optimized charge pump with clock booster for reduced rise time or silicon area. IEEE Trans. Circuits Syst. II Express Briefs 2019, 66, 1977–1981. [Google Scholar] [CrossRef]
- Pakkirisami Churchill, K.K.; Ramiah, H.; Chong, G.; Ahmad, M.Y.; Yin, J.; Mak, P.-I.; Martins, R.P. A 0.15-V, 44.73% PCE charge pump with CMOS differential ring-VCO for energy harvesting systems. Analog Integr. Circuits Signal Process. 2022, 111, 35–43. [Google Scholar] [CrossRef]
- Yi, H.; Yin, J.; Mak, P.-I.; Martins, R.P. A 0.032-mm 2 0.15-V three-stage charge-pump scheme using a differential bootstrapped ring-VCO for energy-harvesting applications. IEEE Trans. Circuits Syst. II Express Briefs 2017, 65, 146–150. [Google Scholar] [CrossRef]
- Lu, Y.; Dai, H.; Huang, M.; Law, M.-K.; Sin, S.-W.; Seng-Pan, U.; Martins, R.P. A wide input range dual-path CMOS rectifier for RF energy harvesting. IEEE Trans. Circuits Syst. II Express Briefs 2016, 64, 166–170. [Google Scholar] [CrossRef]
- Khan, D.; Oh, S.J.; Shehzad, K.; Basim, M.; Verma, D.; Pu, Y.G.; Lee, M.; Hwang, K.C.; Yang, Y.; Lee, K.-Y. An efficient reconfigurable RF-DC converter with wide input power range for RF energy harvesting. IEEE Access 2020, 8, 79310–79318. [Google Scholar] [CrossRef]













| Power | 1 µW | 10 µW | 100 µW | 1 mW |
|---|---|---|---|---|
| Device | 32 kHz Quarts oscillator | Wearable, Calculator, Passive RFID | Hearing Aid, Sensors [12,13] | Active RFID, Miniature FM receiver, Health monitoring [14] |
| Device Parameter | ||
|---|---|---|
| Rectifier | MDP | 12 µ |
| MDN | 6 µ | |
| Cc | 2 pF | |
| Charge Pump | MP | 4 µ |
| MN | 2 µ | |
| Cp | 5 pF | |
| BP | 2 µ | |
| BN | 1 µ | |
| RVCO Power Consumption @0.2 V is 953 pW | MP/MSP/MCP | 12 µ |
| MN/MSN/MCN | 6 µ | |
| MPB | 6 µ | |
| MNB | 3 µ | |
| Reference | This Work | [14] | [22] | [23] | [24] | [25] | [26] | [27] | [28] | [29] |
|---|---|---|---|---|---|---|---|---|---|---|
| CMOS Technology | 180-nm | 130-nm | 180-nm | 180-nm | 65-nm | 130-nm | 130-nm | 180-nm | 130-nm | 65-nm |
| Frequency (GHz) | 2.4 | 0.9 | 0.93 & 2.63 | 0.914, 2.4 | 2.45 | 2.4 | 1.3 | 3.85 | 2.4/5.8 | 0.9 |
| IMN Topology | LC | LC | LC | Transmission line | LC | TX | TX | TX | LC | TX |
| Type of IMN | On-chip | Off-chip | IPD | Off-chip | Off-chip | On-chip | On-chip | On-chip | On-chip | On-chip |
| Additional Technique | Rectifier stacking, Charge pump | Off-chip Inductor, PCB | Dual band, high-Q IPD passive components, | RCN, PCB | DC-boosted gate | Switch NMOS | Voltage gain, reduce dead zone | - | Bond wire inductor | Step-up stacked transformer |
| Rectifier | 3 × 3 + 6 stage CP | 5 stage | 5 stage, Dickson topology | 3 stage | 2 stage | 5 + 4 stage rectifier | 18-stage Half wave rectifier | Dual half-wave rectifier | 5 stage Diode based | 5 stage |
| Sensitivity @1 V | −14.1 dBm | −12.3 dBm | −16,−15.4 dBm | −16 dBm | −12 dBm | −10 dBm | −11 dBm | −12 dBm | −13 dBm | −16.5 dBm |
| Peak PCE | 21.15% @0 dBm † | 29.3% @ 0.2 dBm | 23.3% @−1 dBm * | 43.1&36.5% * | 73.6% @ −6 dBm * | 15.9% @0 dBm † | 0.03% † | 1.58% † | 14% @0 dBm † | <1% |
| Power at Peak PCE | 423 μW † | 307 μW * | 185 μW * | 43 μW * | 184.73 μW * | 159 μW † | - | - | 140 μW † | - |
| Size | 1.02 mm2 | 0.17 mm2 * (PCB) * | 11.6 mm2 * | 6.1 × 3.24 cm2 (FR4) * | 1 mm2 (PCB) * | 2.08 mm2 | 0.05 mm2 | 0.04 mm2 | 1.02 mm2 | 0.28 mm2 |
Publisher’s Note: MDPI stays neutral with regard to jurisdictional claims in published maps and institutional affiliations. |
© 2022 by the authors. Licensee MDPI, Basel, Switzerland. This article is an open access article distributed under the terms and conditions of the Creative Commons Attribution (CC BY) license (https://creativecommons.org/licenses/by/4.0/).
Share and Cite
Pakkirisami Churchill, K.K.; Ramiah, H.; Chong, G.; Chen, Y.; Mak, P.-I.; Martins, R.P. A Fully-Integrated Ambient RF Energy Harvesting System with 423-μW Output Power. Sensors 2022, 22, 4415. https://doi.org/10.3390/s22124415
Pakkirisami Churchill KK, Ramiah H, Chong G, Chen Y, Mak P-I, Martins RP. A Fully-Integrated Ambient RF Energy Harvesting System with 423-μW Output Power. Sensors. 2022; 22(12):4415. https://doi.org/10.3390/s22124415
Chicago/Turabian StylePakkirisami Churchill, Kishore Kumar, Harikrishnan Ramiah, Gabriel Chong, Yong Chen, Pui-In Mak, and Rui P. Martins. 2022. "A Fully-Integrated Ambient RF Energy Harvesting System with 423-μW Output Power" Sensors 22, no. 12: 4415. https://doi.org/10.3390/s22124415
APA StylePakkirisami Churchill, K. K., Ramiah, H., Chong, G., Chen, Y., Mak, P.-I., & Martins, R. P. (2022). A Fully-Integrated Ambient RF Energy Harvesting System with 423-μW Output Power. Sensors, 22(12), 4415. https://doi.org/10.3390/s22124415

