Implementation of a Six-Layer Smart Factory Architecture with Special Focus on Transdisciplinary Engineering Education
Abstract
1. Introduction
2. Transdisciplinary Engineering Education 4.0: Target Groups and Learning Outcomes
3. Digitalization and Low-Cost Layer Architecture: Structure and CNC-Lathe Integration
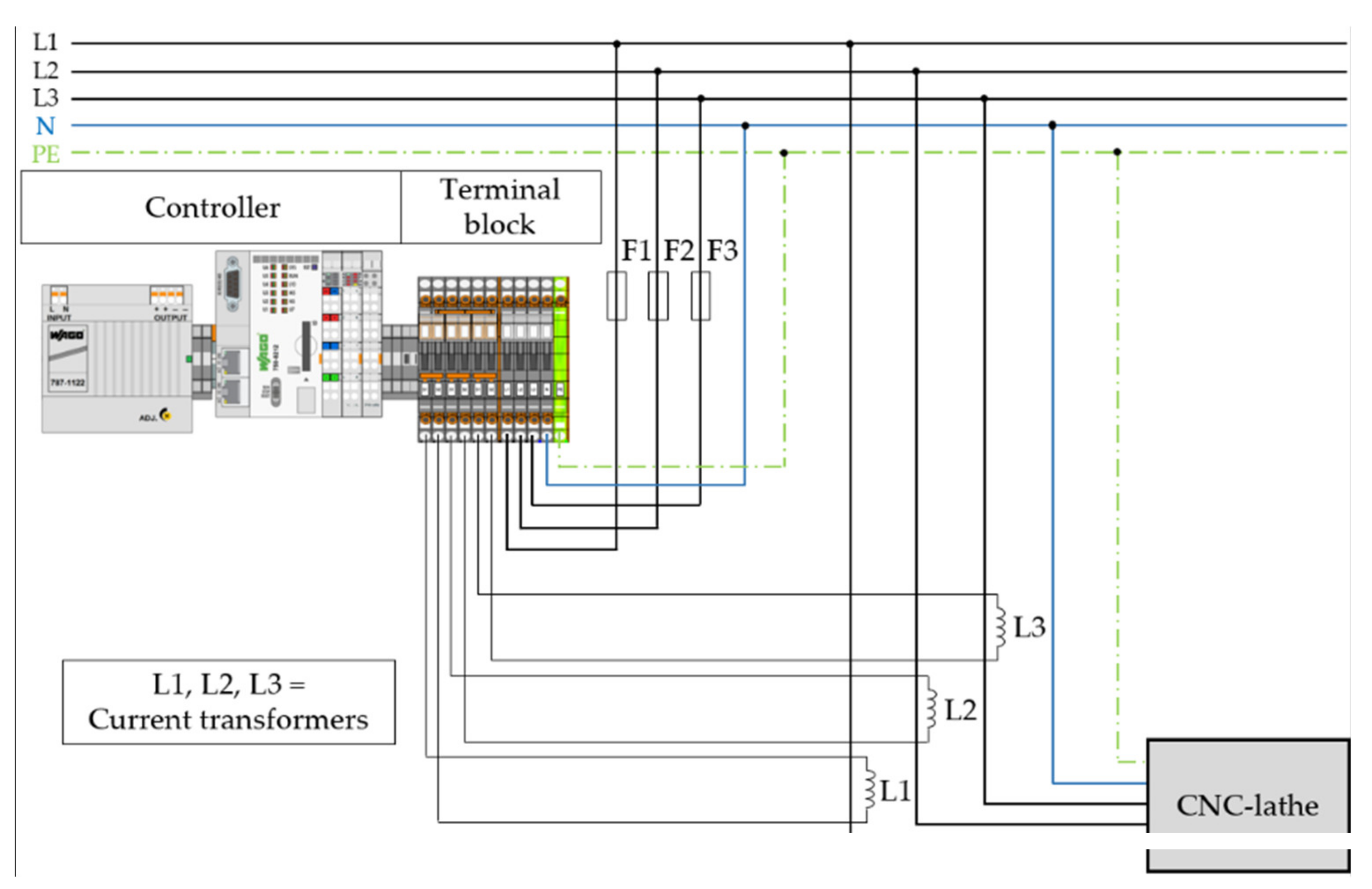
4. Data Gathering for Initial Condition Monitoring and Further Analysis: A Case Study
- Off;
- On but not working (idle time);
- Working (real machining time).
5. Integration of Numerical Simulation and Implementation of a High Frequency DAQ Architecture
- Temperature;
- Dilation of the respective specimen;
- Resulting Force;
- Displacement.
6. Results and Discussion
- To gain an overview about the most important fundamentals of networking technologies and corresponding protocols in the manufacturing environment;
- To deepen knowledge on manufacturing related data science by working with different amounts and homogeneous as well as heterogeneous data sets;
- To be able to work with different types of DAQ systems used in industrial practice;
- To optimize interfaces and investigate interface-related efficiency and effectivity concerns in-person or remotely;
- To enhance knowledge about common programming languages and machine learning technologies in manufacturing by working with real data from machining processes;
- To obtain an overview of interactive project management and how (near) real-time adaption of required parameters (e.g., cost changes) can affect project outcomes;
- To raise awareness about the importance of transdisciplinary communication and education in the manufacturing field.
- Extending the framework with other, more complex machine systems (e.g., hydraulic presses, ovens);
- Extending the framework with more complex machine systems by developing predicting algorithms including thermo-mechanical properties of materials;
- How many different channels (different values from sensors, e.g., pressure, force, dilation, temperature) are needed for each respective machine system? (specification of needed input modules);
- Which frequency is needed for each channel? (avoidance of aliasing, dependent on the process and respective material characteristics);
- What kind of database is applicable within the respective company? (considering internal know-how and experience);
- How resilient does the physical hardware and software have to be? (dirt, dust, temperature, accessibility, space);
- What IT-infrastructure serves as a basis for the framework? (Windows, Linux, other server—OS);
- What kind of GUI/HMI do respective employees favor?
- 7.
- What sampling rate is sufficient to obtain enough data for an accurate material behavior prediction? (e.g., recrystallization behavior of the investigated material under defined process parameters)
- 8.
- How accurate are implemented DAQ systems? Is it possible to confirm resulting data?
7. Conclusions and Outlook
Author Contributions
Funding
Institutional Review Board Statement
Informed Consent Statement
Data Availability Statement
Conflicts of Interest
References
- Culot, G.; Orzes, G.; Sartor, M.; Nassimbeni, G. The future of manufacturing: A Delphi-based scenario analysis on Industry 4.0. Technol. Forecast. Soc. Chang. 2020, 157, 120092. [Google Scholar] [CrossRef]
- Oztemel, E.; Gursev, S. Literature review of Industry 4.0 and related technologies. J. Intell. Manuf. 2020, 31, 127–182. [Google Scholar] [CrossRef]
- Almada-Lobo, F. The Industry 4.0 revolution and the future of Manufacturing Execution Systems (MES). J. Innov. Manag. 2016, 3, 16–21. [Google Scholar] [CrossRef]
- Frank, A.G.; Dalenogare, L.S.; Ayala, N.F. Industry 4.0 technologies: Implementation patterns in manufacturing companies. Int. J. Prod. Econ. 2019, 210, 15–26. [Google Scholar] [CrossRef]
- Stock, T.; Seliger, G. Opportunities of Sustainable Manufacturing in Industry 4.0. Procedia CIRP 2016, 40, 536–541. [Google Scholar] [CrossRef]
- Vaidya, S.; Ambad, P.; Bhosle, S. Industry 4.0—A Glimpse. Procedia Manuf. 2018, 20, 233–238. [Google Scholar] [CrossRef]
- DIN SPEC 91345:2016-04, Referenzarchitekturmodell Industrie 4.0 (RAMI4.0); Beuth Verlag GmbH: Berlin, Germany, 2016.
- Pisching, M.A.; Pessoa, M.A.; Junqueira, F.; dos Santos Filho, D.J.; Miyagi, P.E. An architecture based on RAMI 4.0 to discover equipment to process operations required by products. Comput. Ind. Eng. 2018, 125, 574–591. [Google Scholar] [CrossRef]
- Uslar, M.; Rohjans, S.; Neureiter, C.; Pröstl Andrén, F.; Velasquez, J.; Steinbrink, C.; Efthymiou, V.; Migliavacca, G.; Horsmanheimo, S.; Brunner, H.; et al. Applying the Smart Grid Architecture Model for Designing and Validating System-of-Systems in the Power and Energy Domain: A European Perspective. Energies 2019, 12, 258. [Google Scholar] [CrossRef]
- Trunzer, E.; Calà, A.; Leitão, P.; Gepp, M.; Kinghorst, J.; Lüder, A.; Schauerte, H.; Reifferscheid, M.; Vogel-Heuser, B. System architectures for Industrie 4.0 applications. Prod. Eng. 2019, 13, 247–257. [Google Scholar] [CrossRef]
- Mourtzis, D.; Gargallis, A.; Zogopoulos, V. Modelling of Customer Oriented Applications in Product Lifecycle using RAMI 4.0. Procedia Manuf. 2019, 28, 31–36. [Google Scholar] [CrossRef]
- Schmid, H.A. Creating the architecture of a manufacturing framework by design patterns. ACM SIGPLAN Not. 1995, 30, 370–384. [Google Scholar] [CrossRef]
- Williams, T.J.; Bernus, P.; Brosvic, J.; Chen, D.; Doumeingts, G.; Nemes, L.; Nevins, J.L.; Vallespir, B.; Vlietstra, J.; Zoetekouw, D. Architectures for integrating manufacturing activities and enterprises. Comput. Ind. 1994, 24, 111–139. [Google Scholar] [CrossRef]
- Devedzic, V.; Radovic, D. A framework for building intelligent manufacturing systems. IEEE Trans. Syst. Man Cybern. C 1999, 29, 422–439. [Google Scholar] [CrossRef]
- Zyrianoff, I.; Heideker, A.; Silva, D.; Kleinschmidt, J.; Soininen, J.-P.; Salmon Cinotti, T.; Kamienski, C. Architecting and Deploying IoT Smart Applications: A Performance-Oriented Approach. Sensors 2019, 20, 84. [Google Scholar] [CrossRef] [PubMed]
- Ungurean, I.; Gaitan, N.C. A Software Architecture for the Industrial Internet of Things-A Conceptual Model. Sensors 2020, 20, 5603. [Google Scholar] [CrossRef]
- González, I.; Calderón, A.J.; Portalo, J.M. Innovative Multi-Layered Architecture for Heterogeneous Automation and Monitoring Systems: Application Case of a Photovoltaic Smart Microgrid. Sustainability 2021, 13, 2234. [Google Scholar] [CrossRef]
- Culot, G.; Nassimbeni, G.; Orzes, G.; Sartor, M. Behind the definition of Industry 4.0: Analysis and open questions. Int. J. Prod. Econ. 2020, 226, 107617. [Google Scholar] [CrossRef]
- Sommer, L. Industrial revolution—Industry 4.0: Are German manufacturing SMEs the first victims of this revolution? J. Ind. Eng. Manag. 2015, 8, 1512–1532. [Google Scholar] [CrossRef]
- Moeuf, A.; Pellerin, R.; Lamouri, S.; Tamayo-Giraldo, S.; Barbaray, R. The industrial management of SMEs in the era of Industry 4.0. Int. J. Prod. Res. 2018, 56, 1118–1136. [Google Scholar] [CrossRef]
- Cevik Onar, S.; Ustundag, A.; Kadaifci, Ç.; Oztaysi, B. The Changing Role of Engineering Education in Industry 4.0 Era. In Industry 4.0: Managing the Digital Transformation; Ustundag, A., Cevikcan, E., Eds.; Springer International Publishing: Cham, Switzerland, 2018; pp. 137–151. ISBN 978-3-319-57869-9. [Google Scholar]
- Ghobakhloo, M.; Fathi, M. Corporate survival in Industry 4.0 era: The enabling role of lean-digitized manufacturing. J. Manuf. Technol. Manag. 2020, 31, 1–30. [Google Scholar] [CrossRef]
- Hoellthaler, G.; Braunreuther, S.; Reinhart, G. Digital Lean Production An Approach to Identify Potentials for the Migration to a Digitalized Production System in SMEs from a Lean Perspective. Procedia CIRP 2018, 67, 522–527. [Google Scholar] [CrossRef]
- Hoellthaler, G.; Braunreuther, S.; Reinhart, G. Requirements for a methodology for the assessment and selection of technologies of digitalization for lean production systems. Procedia CIRP 2019, 79, 198–203. [Google Scholar] [CrossRef]
- Harteis, C. Machines, Change and Work: An Educational View on the Digitalization of Work. In The Impact of Digitalization in the Workplace; Harteis, C., Ed.; Springer International Publishing: Cham, Switzerland, 2018; pp. 1–10. ISBN 978-3-319-63256-8. [Google Scholar]
- Kobus, J.; Westner, M.; Strahringer, S.; Strode, D. Enabling digitization by implementing Lean IT: Lessons learned. TQM 2018, 30, 764–778. [Google Scholar] [CrossRef]
- Branca, T.A.; Fornai, B.; Colla, V.; Murri, M.M.; Streppa, E.; Schröder, A.J. The Challenge of Digitalization in the Steel Sector. Metals 2020, 10, 288. [Google Scholar] [CrossRef]
- Matt, D.T.; Modrák, V.; Zsifkovits, H. Industry 4.0 for SMEs; Springer International Publishing: Cham, Switzerland, 2020; ISBN 978-3-030-25424-7. [Google Scholar]
- Peukert, S.; Treber, S.; Balz, S.; Haefner, B.; Lanza, G. Process model for the successful implementation and demonstration of SME-based industry 4.0 showcases in global production networks. Prod. Eng. 2020, 14, 275–288. [Google Scholar] [CrossRef]
- Asgary, A.; Ozdemir, A.I.; Özyürek, H. Small and Medium Enterprises and Global Risks: Evidence from Manufacturing SMEs in Turkey. Int. J. Disaster Risk Sci. 2020, 11, 59–73. [Google Scholar] [CrossRef]
- Chandler, V. The economic impact of the Canada small business financing program. Small Bus. Econ. 2012, 39, 253–264. [Google Scholar] [CrossRef]
- Eniola, A.; Ektebang, H. SME firms performance in Nigeria: Competitive advantage and its impact. Int. J. Res. Stud. Manag. 2014, 3. [Google Scholar] [CrossRef]
- Knol, W.H.; Slomp, J.; Schouteten, R.L.; Lauche, K. Implementing lean practices in manufacturing SMEs: Testing ‘critical success factors’ using Necessary Condition Analysis. Int. J. Prod. Res. 2018, 56, 3955–3973. [Google Scholar] [CrossRef]
- Contreras Pérez, J.D.; Cano Buitrón, R.E.; García Melo, J.I. Methodology for the Retrofitting of Manufacturing Resources for Migration of SME Towards Industry 4.0. In Applied Informatics; Florez, H., Diaz, C., Chavarriaga, J., Eds.; Springer International Publishing: Cham, Switzerland, 2018; pp. 337–351. ISBN 978-3-030-01534-3. [Google Scholar]
- Ho, T.C.; Ahmad, N.H.; Ramayah, T. Competitive Capabilities and Business Performance among Manufacturing SMEs: Evidence from an Emerging Economy, Malaysia. J. Asia-Pac. Bus. 2016, 17, 37–58. [Google Scholar] [CrossRef]
- Benešová, A.; Tupa, J. Requirements for Education and Qualification of People in Industry 4.0. Procedia Manuf. 2017, 11, 2195–2202. [Google Scholar] [CrossRef]
- Ralph, B.J.; Pacher, C.; Woschank, M. Conceptualization of the Lecture ‘Digitalization and Digital Transformation in Metal Forming’ based on Implications from Contemporary Teaching and Learning Theories. In Proceedings of the 2nd African International Conference on Industrial Engineering and Operations Management, Harare, Zimbabwe, 7–10 December 2020; pp. 703–712, ISBN 978-1-7923-6123-4. [Google Scholar]
- Ralph, B.J.; Schwarz, A.; Stockinger, M. An Implementation Approach for an Academic Learning Factory for the Metal Forming Industry with Special Focus on Digital Twins and Finite Element Analysis. Procedia Manuf. 2020, 45, 253–258. [Google Scholar] [CrossRef]
- Dobrilovic, D.; Brtka, V.; Stojanov, Z.; Jotanovic, G.; Perakovic, D.; Jausevac, G. A Model for Working Environment Monitoring in Smart Manufacturing. Appl. Sci. 2021, 11, 2850. [Google Scholar] [CrossRef]
- Böhner, J.; Weeber, M.; Kuebler, F.; Steinhilper, R. Developing a Learning Factory to Increase Resource Efficiency in Composite Manufacturing Processes. Procedia CIRP 2015, 32, 64–69. [Google Scholar] [CrossRef]
- Faller, C.; Feldmüller, D. Industry 4.0 Learning Factory for regional SMEs. Procedia CIRP 2015, 32, 88–91. [Google Scholar] [CrossRef]
- Baena, F.; Guarin, A.; Mora, J.; Sauza, J.; Retat, S. Learning Factory: The Path to Industry 4.0. Procedia Manuf. 2017, 9, 73–80. [Google Scholar] [CrossRef]
- Abele, E.; Metternich, J.; Tisch, M.; Chryssolouris, G.; Sihn, W.; ElMaraghy, H.; Hummel, V.; Ranz, F. Learning Factories for Research, Education, and Training. Procedia CIRP 2015, 32, 1–6. [Google Scholar] [CrossRef]
- Prinz, C.; Morlock, F.; Freith, S.; Kreggenfeld, N.; Kreimeier, D.; Kuhlenkötter, B. Learning Factory Modules for Smart Factories in Industrie 4.0. Procedia CIRP 2016, 54, 113–118. [Google Scholar] [CrossRef]
- Krill, P. Python Soars Past Java in Tiobe Language Index: Python Ranks as the Second Most Popular Programming Language in the November index, with C First and Java Slipping to Third Place. Available online: https://www.infoworld.com/article/3596069/python-soars-past-java-in-tiobe-language-index.html (accessed on 16 April 2021).
- Martinez, P.; Ahmad, R.; Al-Hussein, M. A vision-based system for pre-inspection of steel frame manufacturing. Autom. Constr. 2019, 97, 151–163. [Google Scholar] [CrossRef]
- Mckinney, W. Python for Data Analysis; O’reilly Editions: Sebastopol, CA, USA, 2012; ISBN 978-1-449-31979-3. [Google Scholar]
- Ari, N.; Ustazhanov, M. Matplotlib in python. In Proceedings of the 2014 11th International Conference on Electronics, Computer and Computation (ICECCO), Abuja, Nigeria, 29 September–1 October 2014; pp. 1–6, ISBN 978-1-4799-4106-3. [Google Scholar]
- Ranjani, J.; Sheela, A.; Meena, K.P. Combination of NumPy, SciPy and Matplotlib/Pylab -a good alternative methodology to MATLAB—A Comparative analysis. In Proceedings of the 2019 1st International Conference on Innovations in Information and Communication Technology (ICIICT), Chennai, India, 25–26 April 2019; pp. 1–5, ISBN 978-1-7281-1604-4. [Google Scholar]
- Summerfield, M. Rapid GUI Programming with Python and Qt: The Definitive Guide to PyQt Programming, 1st ed.; Addison-Wesley Professional: Boston, MA, USA, 2015; ISBN 978-0-13-235418-9. [Google Scholar]
- Krogh, J.W. MySQL Connector/Python Revealed: SQL and NoSQL Data Storage Using MySQL for Python Programmers; Apress: Berkeley, CA, USA, 2018; ISBN 978-1-4842-3694-9. [Google Scholar]
- Okulicz, K. Virtual reality-based approach to manufacturing process planning. Int. J. Prod. Res. 2004, 42, 3493–3504. [Google Scholar] [CrossRef]
- Galambos, P.; Csapó, Á.; Zentay, P.; Fülöp, I.M.; Haidegger, T.; Baranyi, P.; Rudas, I.J. Design, programming and orchestration of heterogeneous manufacturing systems through VR-powered remote collaboration. Robot. Comput. Integr. Manuf. 2015, 33, 68–77. [Google Scholar] [CrossRef]
- Kusiak, A. Smart manufacturing must embrace big data. Nature 2017, 544, 23–25. [Google Scholar] [CrossRef] [PubMed]
- ElMaraghy, H.A. Flexible and reconfigurable manufacturing systems paradigms. Int. J. Flex. Manuf. Syst. 2005, 17, 261–276. [Google Scholar] [CrossRef]
- Körner, U.; Müller-Thur, K.; Lunau, T.; Dragano, N.; Angerer, P.; Buchner, A. Perceived stress in human-machine interaction in modern manufacturing environments-Results of a qualitative interview study. Stress Health 2019, 35, 187–199. [Google Scholar] [CrossRef]
- Pacaux-Lemoine, M.-P.; Trentesaux, D.; Zambrano Rey, G.; Millot, P. Designing intelligent manufacturing systems through Human-Machine Cooperation principles: A human-centered approach. Comput. Ind. Eng. 2017, 111, 581–595. [Google Scholar] [CrossRef]
- Werner, M.R.; Fahrner, W.R. Review on materials, microsensors, systems and devices for high-temperature and harsh-environment applications. IEEE Trans. Ind. Electron. 2001, 48, 249–257. [Google Scholar] [CrossRef]
- Fomunyam, K.G. Education and the Fourth Industrial Revolution: Challenges and Possibilities For Engineering Education. Int. J. Mech. Eng. Technol. (IJMET) 2019, 10, 23–25. [Google Scholar]
- Kovacs, O. The dark corners of industry 4.0—Grounding economic governance 2.0. Technol. Soc. 2018, 55, 140–145. [Google Scholar] [CrossRef]
- Sony, M. Industry 4.0 and lean management: A proposed integration model and research propositions. Prod. Manuf. Res. 2018, 6, 416–432. [Google Scholar] [CrossRef]
- Ramirez-Mendoza, R.A.; Morales-Menendez, R.; Iqbal, H.; Parra-Saldivar, R. Engineering Education 4.0:—proposal for a new Curricula. In Proceedings of the 2018 IEEE Global Engineering Education Conference (EDUCON), Tenerife, Canary Islands, Spain, 17–20 April 2018; pp. 1273–1282, ISBN 978-1-5386-2957-4. [Google Scholar]
- Brougham, D.; Haar, J. Smart Technology, Artificial Intelligence, Robotics, and Algorithms (STARA): Employees’ perceptions of our future workplace. J. Manag. Org. 2018, 24, 239–257. [Google Scholar] [CrossRef]
- Ghobakhloo, M. Industry 4.0, digitization, and opportunities for sustainability. J. Clean. Prod. 2020, 252, 119869. [Google Scholar] [CrossRef]
- Van der Walt, S.; Colbert, S.C.; Varoquaux, G. The NumPy Array: A Structure for Efficient Numerical Computation. Comput. Sci. Eng. 2011, 13, 22–30. [Google Scholar] [CrossRef]
- Rostami, H.; Dantan, J.-Y.; Homri, L. Review of data mining applications for quality assessment in manufacturing industry: Support vector machines. Int. J. Metrol. Qual. Eng. 2015, 6, 401. [Google Scholar] [CrossRef]
- Kim, A.; Oh, K.; Jung, J.-Y.; Kim, B. Imbalanced classification of manufacturing quality conditions using cost-sensitive decision tree ensembles. Int. J. Comput. Integr. Manuf. 2018, 31, 701–717. [Google Scholar] [CrossRef]
- Bergman, G.; Oldenburg, M. A finite element model for thermomechanical analysis of sheet metal forming. Int. J. Numer. Methods Eng. 2004, 59, 1167–1186. [Google Scholar] [CrossRef]
- Bontcheva, N.; Petzov, G. Microstructure evolution during metal forming processes. Comput. Mater. Sci. 2003, 28, 563–573. [Google Scholar] [CrossRef]
- Pietrzyk, M. Through-process modelling of microstructure evolution in hot forming of steels. J. Mater. Process. Technol. 2002, 125–126, 53–62. [Google Scholar] [CrossRef]
- Bennett, C.J.; Leen, S.B.; Williams, E.J.; Shipway, P.H.; Hyde, T.H. A critical analysis of plastic flow behaviour in axisymmetric isothermal and Gleeble compression testing. Comput. Mater. Sci. 2010, 50, 125–137. [Google Scholar] [CrossRef]
- Chobaut, N.; Carron, D.; Arsène, S.; Schloth, P.; Drezet, J.-M. Quench induced residual stress prediction in heat treatable 7xxx aluminium alloy thick plates using Gleeble interrupted quench tests. J. Mater. Process. Technol. 2015, 222, 373–380. [Google Scholar] [CrossRef]
- Hsieh, R.-I.; Liou, H.-Y.; Pan, Y.-T. Effects of Cooling Time and Alloying Elements on the Microstructure of the Gleeble-Simulated Heat-Affected Zone of 22% Cr Duplex Stainless Steels. J. Mater. Eng. Perform. 2001, 10, 526–536. [Google Scholar] [CrossRef]
- Liu, W.; Lu, F.; Yang, R.; Tang, X.; Cui, H. Gleeble simulation of the HAZ in Inconel 617 welding. J. Mater. Process. Technol. 2015, 225, 221–228. [Google Scholar] [CrossRef]
- Thomas, G.A.; Speer, J.G.; Matlock, D.K. Quenched and Partitioned Microstructures Produced via Gleeble Simulations of Hot-Strip Mill Cooling Practices. Metall. Mater. Trans. A 2011, 42, 3652–3659. [Google Scholar] [CrossRef]
- Dour, G.; Dargusch, M.; Davidson, C. Recommendations and guidelines for the performance of accurate heat transfer measurements in rapid forming processes. Int. J. Heat Mass Transf. 2006, 49, 1773–1789. [Google Scholar] [CrossRef]
- Hauser, F.E. Techniques for measuring stress-strain relations at high strain rates. Exp. Mech. 1966, 6, 395–402. [Google Scholar] [CrossRef]
- Hu, S.Y.; Yu, H.B. Application of PDA Industry Data Acquisition System in Analysis of the Reason of Strip Blocked in Hot Mill. AMR 2012, 591–593, 1758–1761. [Google Scholar] [CrossRef]
- Yi-bin, Q.; Xiao-jie, W.; Xiang-chao, L. Digital distance control system research and implementation. Procedia Earth Planet. Sci. 2009, 1, 1375–1379. [Google Scholar] [CrossRef][Green Version]
- Cimino, C.; Negri, E.; Fumagalli, L. Review of digital twin applications in manufacturing. Comput. Ind. 2019, 113, 103130. [Google Scholar] [CrossRef]
- Kritzinger, W.; Karner, M.; Traar, G.; Henjes, J.; Sihn, W. Digital Twin in manufacturing: A categorical literature review and classification. IFAC-PapersOnLine 2018, 51, 1016–1022. [Google Scholar] [CrossRef]
- Wank, A.; Adolph, S.; Anokhin, O.; Arndt, A.; Anderl, R.; Metternich, J. Using a Learning Factory Approach to Transfer Industrie 4.0 Approaches to Small- and Medium-sized Enterprises. Procedia CIRP 2016, 54, 89–94. [Google Scholar] [CrossRef]
- Bader, S.R.; Wolff, C.; Vössing, M.; Schmidt, J.-P. Towards Enabling Cyber-Physical Systems in Brownfield Environments. In Exploring Service Science; Satzger, G., Patrício, L., Zaki, M., Kühl, N., Hottum, P., Eds.; Springer International Publishing: Cham, Switzerland, 2018; pp. 165–176. ISBN 978-3-030-00712-6. [Google Scholar]
- Damianov, D.; Demirova, S. Principles of Designing Automated Logistics Systems—Hybrid Component of Cyber-Physical Systems. In Proceedings of the 2018 International Conference on High Technology for Sustainable Development (HiTech), Sofia, Bulgaria, 11–14 June 2018; pp. 1–4, ISBN 978-1-5386-7039-2. [Google Scholar]
- Park, K.T.; Son, Y.H.; Noh, S.D. The architectural framework of a cyber physical logistics system for digital-twin-based supply chain control. Int. J. Prod. Res. 2020, 1–22. [Google Scholar] [CrossRef]
- Winkelhaus, S.; Grosse, E.H. Logistics 4.0: A systematic review towards a new logistics system. Int. J. Prod. Res. 2020, 58, 18–43. [Google Scholar] [CrossRef]
- Phillips, B.; Gamess, E.; Krishnaprasad, S. An Evaluation of Machine Learning-based Anomaly Detection in a SCADA System Using the Modbus Protocol. In Proceedings of the ACM SE ‘20: 2020 ACM Southeast Conference, Tampa, FL, USA, 2–4 April 2020; Chang, M., Lo, D., Gamess, E., Eds.; ACM: New York, NY, USA, 2020; pp. 188–196, ISBN 9781450371056. [Google Scholar]
- Gu, X.; Liu, G.; Li, B. (Eds.) Machine Learning and Intelligent Communications; Springer International Publishing: Cham, Switzerland, 2018; ISBN 978-3-319-73446-0. [Google Scholar]
- Li, S.-C.; Huang, Y.; Tai, B.-C.; Lin, C.-T. Using Data Mining Methods to Detect Simulated Intrusions on a Modbus Network. In Proceedings of the 2017 IEEE 7th International Symposium on Cloud and Service Computing (SC2), Kanazawa, Japan, 22–25 November 2017; pp. 143–148, ISBN 978-1-5386-5862-8. [Google Scholar]
















| Engineering Focus | Associated Programs at the Montanuniversität Leoben |
|---|---|
| Energy | Industrial Energy Technology |
| Materials | Materials Science |
| Process and Product | Metallurgy; Mechanical Engineering; Industrial Logistics |
| Recycling | Industrial Environmental Protection and Process Technology; Recycling |
| Role | Admin | Project Leader | Project Member | Technician | Other Personnel |
|---|---|---|---|---|---|
| Overview | X | X | X | X | X |
| Detail view | E/M/P | E/M/P | M/P | M | - |
| Set new project activities | X | X | - | - | - |
| Budget & cost details | X | X | - | - | - |
| Employee details | X | X | - | - | - |
| Change milestones | X | X | - | - | - |
| Change budget | X | - | - | - | - |
| Test No. | Type of Testing |
|---|---|
| 1 | X− transition of tool turret |
| 2 | X+ transition of tool turret |
| 3 | Z− transition of tool turret |
| 4 | Z+ transition of tool turret |
| 5 | Z− transition of tailstock |
| 6 | Z+ transition of tailstock |
| 7 | Counterclockwise rotation with 1000 rpm of main spindle |
| 8 | Clockwise rotation with 1000 rpm of main spindle |
| 9 | Counterclockwise rotation with 2000 rpm of main spindle |
| 10 | Clockwise rotation with 2000 rpm of main spindle |
| 11 | Counterclockwise rotation with 3000 rpm of main spindle |
| 12 | Clockwise rotation with 3000 rpm of main spindle |
| 13 | Counterclockwise rotation with 4200 rpm of main spindle |
| 14 | Clockwise rotation with 4200 rpm of main spindle |
| 15 | Full 360°rotation of tool turret |
| Test No. | Initial Diameter (mm) | End Diameter (mm) | Cooling | Rotational Speed (1/s) | Feed in (mm) | Cutting Speed (mm/s) |
|---|---|---|---|---|---|---|
| 16 | 68.0 | 62.0 | Yes | 10 | 0.5 | 1.5 |
| 17 | 62.0 | 55.0 | Yes | 10 | 0.5 | 1.5 |
| 18 | 55.0 | 45.0 | Yes | 10 | 0.5 | 1.5 |
| 19 | 45.0 | 35.0 | Yes | 10 | 0.5 | 1.5 |
| 20 | 35.0 | 25.0 | No | 10 | 0.5 | 1.5 |
| 21 | 25.0 | 18.0 | No | 10 | 0.5 | 1.5 |
| 22 | 18.0 | 10.0 | Yes | 10 | 0.5 | 1.5 |
| Data Points Real Machining | Data Points Idle Machining | |
|---|---|---|
| Sum | 19,960 | 174 |
| Right | 19,440 | 173 |
| Wrong | 520 | 1 |
| % Wrong | 0.026 | 0.0057 |
| Test No. | Peak (W) | Mean (W) | Standard Deviation (W) |
|---|---|---|---|
| 1 | 1400.52 | 1373.97 | 22.45 |
| 2 | 1506.73 | 14,447.17 | 41.40 |
| 3 | 1470.10 | 1453.34 | 11.17 |
| 4 | 1497.68 | 1417.77 | 23.17 |
| 5 | 1480.63 | 1416.03 | 39.87 |
| 6 | 1394.20 | 1379.81 | 11.69 |
| 7 | 5081.58 | 2053.05 | 2198.34 |
| 8 | 10,064.27 | 2586.07 | 1864.12 |
| 9 | 20,644.23 | 1979.91 | 5508.34 |
| 10 | 20,754.51 | 2997.70 | 6094.99 |
| 11 | 20,723.80 | 4685.71 | 8261.15 |
| 12 | 20,752.01 | 607.02 | 10,746.6 |
| 13 | 21,175.08 | 5664.18 | 7751.18 |
| 14 | 22,137.44 | 3658.69 | 11,133.24 |
| 15 | 3374.98 | 1949.28 | 864.02 |
| 16 | 6879.55 | 2840.18 | 403.78 |
| 17 | 4655.05 | 2731.31 | 406.98 |
| 18 | 4590.80 | 2676.75 | 405.01 |
| 19 | 4929.11 | 2599.64 | 423.23 |
| 12 | 6070.17 | 2140.74 | 409.52 |
| 21 | 4245.32 | 2035.68 | 449.24 |
| 22 | 4556.87 | 2270.27 | 717.81 |
Publisher’s Note: MDPI stays neutral with regard to jurisdictional claims in published maps and institutional affiliations. |
© 2021 by the authors. Licensee MDPI, Basel, Switzerland. This article is an open access article distributed under the terms and conditions of the Creative Commons Attribution (CC BY) license (https://creativecommons.org/licenses/by/4.0/).
Share and Cite
Ralph, B.J.; Sorger, M.; Schödinger, B.; Schmölzer, H.-J.; Hartl, K.; Stockinger, M. Implementation of a Six-Layer Smart Factory Architecture with Special Focus on Transdisciplinary Engineering Education. Sensors 2021, 21, 2944. https://doi.org/10.3390/s21092944
Ralph BJ, Sorger M, Schödinger B, Schmölzer H-J, Hartl K, Stockinger M. Implementation of a Six-Layer Smart Factory Architecture with Special Focus on Transdisciplinary Engineering Education. Sensors. 2021; 21(9):2944. https://doi.org/10.3390/s21092944
Chicago/Turabian StyleRalph, Benjamin James, Marcel Sorger, Benjamin Schödinger, Hans-Jörg Schmölzer, Karin Hartl, and Martin Stockinger. 2021. "Implementation of a Six-Layer Smart Factory Architecture with Special Focus on Transdisciplinary Engineering Education" Sensors 21, no. 9: 2944. https://doi.org/10.3390/s21092944
APA StyleRalph, B. J., Sorger, M., Schödinger, B., Schmölzer, H.-J., Hartl, K., & Stockinger, M. (2021). Implementation of a Six-Layer Smart Factory Architecture with Special Focus on Transdisciplinary Engineering Education. Sensors, 21(9), 2944. https://doi.org/10.3390/s21092944

