Next Article in Journal
A New Model for Predicting Rate of Penetration Using an Artificial Neural Network
Previous Article in Journal
A Trajectory Collaboration Based Map Matching Approach for Low-Sampling-Rate GPS Trajectories
 
 
Font Type:
Arial Georgia Verdana
Font Size:
Aa Aa Aa
Line Spacing:
Column Width:
Background:
Article

A 0.6-µW Chopper Amplifier Using a Noise-Efficient DC Servo Loop and Squeezed-Inverter Stage for Power-Efficient Biopotential Sensing

School of Electronics and Information, Information and Communication System-on-chip (SoC) Research Center, Kyung Hee University, Yongin 17104, Korea
*
Author to whom correspondence should be addressed.
Sensors 2020, 20(7), 2059; https://doi.org/10.3390/s20072059
Submission received: 3 March 2020 / Revised: 28 March 2020 / Accepted: 2 April 2020 / Published: 6 April 2020
(This article belongs to the Section Electronic Sensors)

Abstract

To realize an ultra-low-power and low-noise instrumentation amplifier (IA) for neural and biopotential signal sensing, we investigate two design techniques. The first technique uses a noise-efficient DC servo loop (DSL), which has been shown to be a high noise contributor. The proposed approach offers several advantages: (i) both the electrode offset and the input offset are rejected, (ii) a large capacitor is not needed in the DSL, (iii) by removing the charge dividing effect, the input-referred noise (IRN) is reduced, (iv) the noise from the DSL is further reduced by the gain of the first stage and by the transconductance ratio, and (v) the proposed DSL allows interfacing with a squeezed-inverter (SQI) stage. The proposed technique reduces the noise from the DSL to 12.5% of the overall noise. The second technique is to optimize noise performance using an SQI stage. Because the SQI stage is biased at a saturation limit of 2VDSAT, the bias current can be increased to reduce noise while maintaining low power consumption. The challenge of handling the mismatch in the SQI stage is addressed using a shared common-mode feedback (CMFB) loop, which achieves a common-mode rejection ratio (CMRR) of 105 dB. Using the proposed technique, a capacitively-coupled chopper instrumentation amplifier (CCIA) was fabricated using a 0.18-µm CMOS process. The measured result of the CCIA shows a relatively low noise density of 88 nV/rtHz and an integrated noise of 1.5 µVrms. These results correspond to a favorable noise efficiency factor (NEF) of 5.9 and a power efficiency factor (PEF) of 11.4.

1. Introduction

Recently, there is a growing interest in wearable, portable, and personal health monitoring. By detecting abnormal health conditions during daily monitoring, this approach provides a new method of preventive healthcare. Monitoring human biopotential and neural signals is also important for early diagnosis and medical treatment [1]. Concerning the biopotential monitoring applications, sensors and their interfaces providing high-quality signals are of great importance. Besides, these sensor devices demand both long operating time and a compact form factor. A battery is widely used, however, it requires frequent battery recharging or replacement, and there is a limit in its size for some applications such as implantable sensors. To achieve a compact form factor by reducing the volume of the battery, low power consumption is in great demand for wearable and portable sensor devices.
Signals from humans have an amplitude of around 1 mV for an electrocardiogram (ECG) and from 10 to 100 µV for an electroencephalogram (EEG) over a frequency band from 0.5 to 150 Hz [2]. The local field potential (LFP) has a typical amplitude of 1 mV over 1 to 200 Hz. These low-frequency signals must first be amplified before any signal processing can be applied. One issue with amplification is the overlap of these signals with 1/f noise. To mitigate the effect of 1/f noise, a chopping technique can be applied for instrumentation amplifiers (IAs) [3,4,5,6,7,8,9,10,11,12]. Another issue is the electrode offset voltage VEOS generated at the tissue-electrode interface by electrochemical effects. To reject VEOS, a DC servo loop (DSL) has been used in a capacitively-coupled chopper instrumentation amplifier (CCIA) [3]. This approach has the advantage of removing bulky external capacitors. However, the DSL achieves the VEOS rejection by increased input-referred noise (IRN). The IRN V n , in 2 ¯ of a CCIA can be expressed as [3]
V n , in 2 ¯ = C in + C fb + C hp + C P C in 2 V n , in , Gm 2 ¯
where V n , in , Gm 2 ¯ represents the input-referred noise of a transconductor. The Cin, Cfb, and CP are the input, feedback, and parasitic capacitors that are connected to the input of the CCIA, respectively. The Chp is the capacitor in the DSL which is used to create a high-pass corner to reject VEOS. When a large Chp is used, the result (1) shows that it increases the IRN by charge dividing, causing the DSL to be a high noise contributor; previous studies often neglected this important issue. For example, the IRN increases from 0.7 to 6.7 µVrms [4] and from 2.8 to 4.7 µVrms [6] when the DSL is enabled. Thus, in these cases, the DSL contributes 89.5% [4] and 40.4% [6] of the overall noise. The increased noise significantly degrades both the noise efficiency factor (NEF) [7] and the power efficiency factor (PEF) [10].
Several methods have been proposed to improve the DSL. In [5], a digitally-assisted foreground calibration is used to allow the DSL to handle residual offset. In [7], a dual DSL which consists of coarse and fine DSLs reduces the value of Chp from 670 to 100 fF. In [8], the output of a DSL is connected to the cascode branch of a transconductor to mitigate the charge dividing effect. Nevertheless, these CCIAs consume 3.48 µW [7] and 2.13 µW [8], which results in relatively high PEFs of 18.3 and 10.5 (over a 10-kHz bandwidth), respectively. The results indicate that previous work suffers from high noise contribution from the DSL and achieves a relatively low noise-power efficiency.
In this paper, we investigate two design techniques to realize a 0.6-μW chopper amplifier with a PEF of 11.4 over a 200-Hz bandwidth. The first technique optimizes noise performance using a squeezed-inverter (SQI) stage. Because the SQI stage allows for the reduction of the supply voltage to a saturation limit of 2VDSAT, its bias current can be increased to reduce noise. The second technique is to reduce the relatively high noise from the DSL. Unlike conventional DSLs, which are connected to the input of the CCIA through Chp, we apply the output of the DSL to the body of a transconductor. The proposed approach not only removes the charge dividing effect but also reduces the noise by the transconductance ratio and the open-loop gain. Furthermore, this approach solves the problem of interfacing the DSL to the SQI stage, which has a different supply voltage. Using this approach, the noise contribution of the DSL is reduced to 12.5%. The fabricated CCIA achieves a relatively low noise density of 88 nV/rtHz with an integrated noise of 1.5 μVrms. The result corresponds to a favorable NEF of 5.9 and a PEF of 11.4 by consuming only 0.68 μW, demonstrating a power-efficient low-noise amplifier.

2. Design

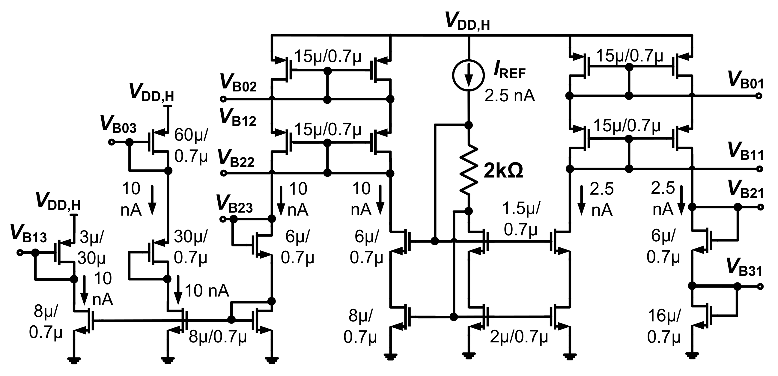
Figure 1 shows the schematic of the proposed CCIA. The input transconductor Gm1 is realized using an SQI stage biased at VDD,L = 0.2 V. The transconductors Gm2, Gm3, and Gm4 are folded-cascode, two-stage opamp, and common source stages biased at VDD,H = 0.8 V, respectively. Transconductor Gm3 is used as the integrator in the DSL. We consider the input offset voltages VOSi (i = 1 to 3) for Gmi. The input Vin is up-modulated to chopping frequency fCH by the chopper CHin, then down-modulated to baseband by CHout. The common-mode (CM) voltage VCM2 = VDD,H/2, which bypasses the chopper CHout, is used to bias Gm2 through pseudo-resistors Rb1,2. A Miller capacitor Cm1,2 is used for stability. The mid-band gain of the CCIA is defined by input capacitor Cin1,2 and feedback capacitor Cfb1.2. The current consumptions of Gm1, Gm2, Gm3, and Gm4 are 1.61 µA, 60 nA, 210 nA, and 80 nA, respectively.
Although the SQI stage provides low noise operation, interfacing it with the DSL poses a challenge. This is because the input range of the SQI stage is limited by VDD,L = 0.2 V, while the DSL senses the output Vout with a wide swing. We believe that this is one reason why previous studies do not implement a DSL [10]. To solve this problem, we modify the conventional DSL by connecting the output VO,DSL of the DSL to Gm2 using the body terminal. We note that this approach is different from the previous approach wherein the output of the DSL is connected to the virtual ground node of the input transconductor through Chp [3,4,6]. The proposed approach offers several advantages: (1) because the proposed DSL uses Gm2 instead of Chp, the charge dividing effect is removed and noise from the DSL is reduced, (2) the noise from DSL is further reduced by the open-loop voltage gain AV1 of Gm1 as well as by the square of the transconductance ratio, and (3) by rejecting both VEOS and VOS2, output offset is suppressed.
Figure 2 shows the simplified model of the proposed CCIA. Offset voltage VOS1 creates an output ripple due to finite amplifier bandwidth. The amplitude of the output ripple can be expressed as Vout,ripple = (VOS1AV1Gm2)/(2Cm1,2fCH) [4]. To suppress this ripple, we use capacitors Cb1,2 in front of CHout. Because VOS1 is blocked by Cb1,2, the residual ripple appearing at fCH can be neglected. Both VOS2 and VEOS create output offset Vout,OS at the output. The rejection of VEOS and VOS2 is explained as follows: When VEOS is up-modulated to fCH, it is partially suppressed by Cfb1,2 at the virtual input node of Gm1. The residual offset VEOS,ω existing at fCH can be expressed as VEOS,ω = VEOS Cin1,2/(AVCfb1.2), where AV is the overall open-loop voltage gain of the amplifier. This residual offset is amplified by AV1. Simulation results show that AV1 is 29 dB with a low-pass corner of 954 kHz. Additionally, a high-pass corner frequency of 1 Hz is created by Cin1,2 and bias resistor R1,2 inside Gm1 (See Figure 3). Then, VEOS,ω is down-converted by CHout to create an offset voltage VEOS,Gm2 = AV1VEOS,ω at the input of Gm2. We observe the sum of offset voltages, VOS2,tot = VOS2 + VEOS,Gm2, at the input of Gm2. Transconductors Gm2 and Gm4 have a low-pass characteristic with a 3-dB frequency of about 10 Hz, and VOS2,tot generates offset current IO,Gm2 at the output of Gm2. The offset current is integrated by Gm4, which creates the output offset Vout,OS. This is sensed by the DSL, then VO,DSL is applied to the body of the differential pair of Gm2. The generated current IO,DSL = Gmb2VO,DSL compensates IO,Gm2. The DSL continues integrating, and Vout,OS is suppressed by the amount 1/LG(s), where the loop gain LG can be expressed as LG(s) = gmb1,2/(s2Cm1,2RDSL1,2 CDSL1,2).
The selection of fCH involves considering the various tradeoff between input impedance, output ripple, and residual offset. Vout,ripple can be reduced by increasing fCH. One drawback of increasing fCH is that it reduces the input impedance Zin. Besides, there is greater charge injection and clock feed-through during the switching of the chopper [13]. To determine suitable fCH, we perform periodic steady-state (PSS) and periodic noise analysis (PNOISE) simulations. Considering the tradeoff and the amplifier bandwidth, we select fCH = 10 kHz.

3. Circuit Implementation

Figure 3a shows a schematic of the Gm1 implemented using an SQI stage [10] modified to improve the common-mode rejection ratio (CMRR). The transistors in the SQI stage are biased in the subthreshold region using VDD,L = 0.2 V. The IRN of the Gm1 can be expressed as
V n , in , Gm 1 2 ¯ = 8 k T g m , n + g m , p 4 k T n U th I DC
where IDC = 800 nA is the bias current, gm,n and gm,p are the transconductance of Mn1 and Mp1, respectively, Uth = 26 mV is the thermal voltage, and n = 1.5 is the subthreshold factor [9]. The SQI stage reduces the noise by increasing IDC. Because the supply voltage is reduced to a saturation limit of 2VDSAT~0.2 V, both low noise and low power operation can be achieved.
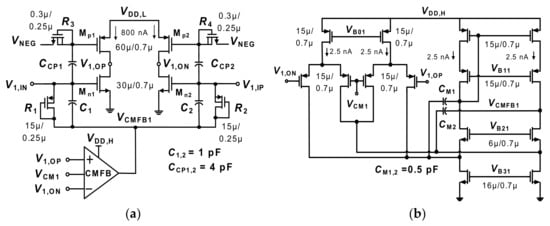
To generate IDC, bias voltages beyond supply rails are used for Mn1 and Mp1. The bias voltage for Mn1 is pushed above the supply rail by using a common-mode feedback (CMFB) loop. The bias voltage VNEG for Mp1 is pushed below the ground by using a negative voltage generator, which is applied to the gate of Mp1 through a pseudo-resistor R3,4. Because the transistors work in the subthreshold region without a tail current source, balancing the bias current for the input pair is challenging. To address this, we use a shared CMFB loop. Figure 3b shows the schematic of the CMFB circuit for the SQI stage. It monitors the CM voltage of outputs V1,ON and V1,OP. Then, the output VCMFB1 of the CMFB circuit is applied to the gate of Mn1,,2 through pseudo-resistors R1,2. Because any change in VCMFB1 affects the input pair by the same amount, this approach provides balanced bias currents for the SQI stage.
Figure 4a shows the schematic of the negative voltage generator. It consists of a 1/10-scaled current replica, two switched-capacitor (SC) paths, a level shifter, and a folded-cascode (FC) amplifier. The SC network consists of the main path and a low noise replica. The FC amplifier and the main SC path generate the bias voltage VG for M1B by regulating VD to VDD,L/2. The replica path is responsible for copying VG to generate VNEG. The current mirror defines an 80 nA through M1B, which is the 1/10-scaled current of Mp1,2. The negative voltage generator draws 18 nA from VDD,H and 80 nA from VDD,L. Figure 4b shows the statistical distribution of VNEG obtained from Monte Carlo simulations. The result shows an average value of −177.3 mV with a standard deviation of 12.4 mV.
Figure 5a,b shows the statistical distributions of the bias current and the output CM voltage obtained from 200 Monte Carlo simulations. Both random mismatch and process variations are considered. The result shows an average bias current of 766 nA with a standard deviation of 62 nA. The output CM voltage shows an average value of 98.3 mV with a standard deviation of 3.4 mV. Compared to previous work which uses two separate CMFB loops [10], the proposed approach increases the CMRR from 85 to 105 dB. This indicates that the proposed shared CMFB loop is effective in improving CMRR. Figure 5c shows the gain of the SQI stage depending on temperatures as a function of VDD,L. Because the transistors are biased in the subthreshold region, the increased threshold voltage with temperature reduces the gain [10]. We note that the SQI stage still provides a gain >20 dB when VDD,L is reduced to 0.15 V at 70 °C. At room temperature, the SQI stage achieves a gain of 29 dB with VDD,L = 0.2 V.
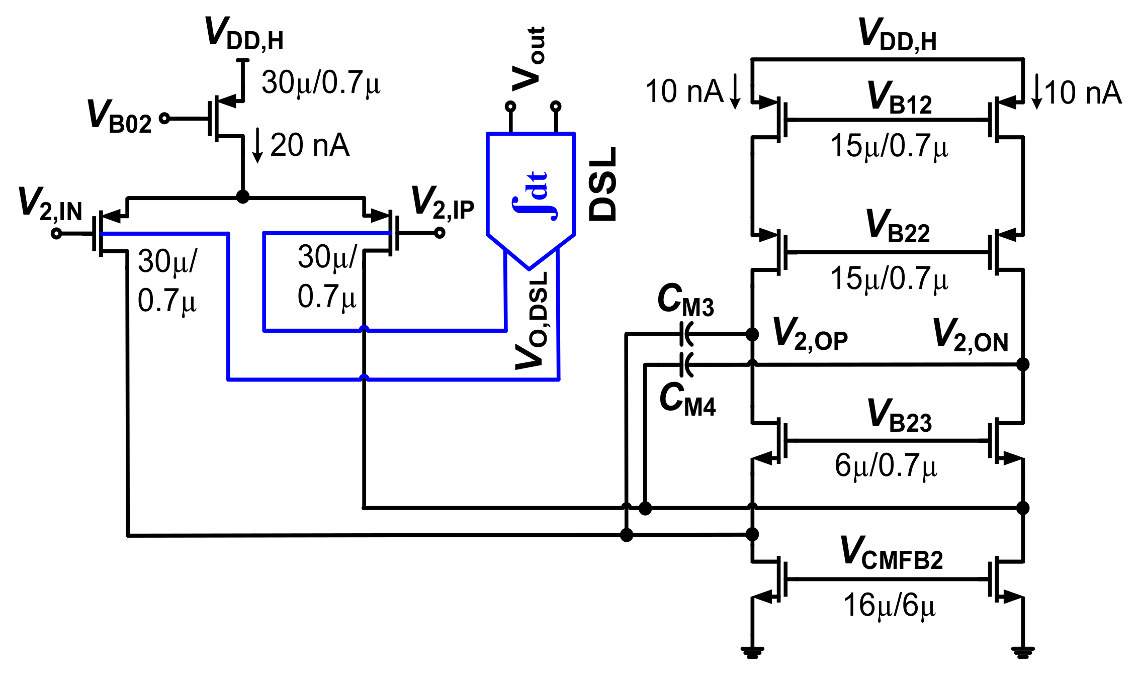
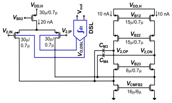
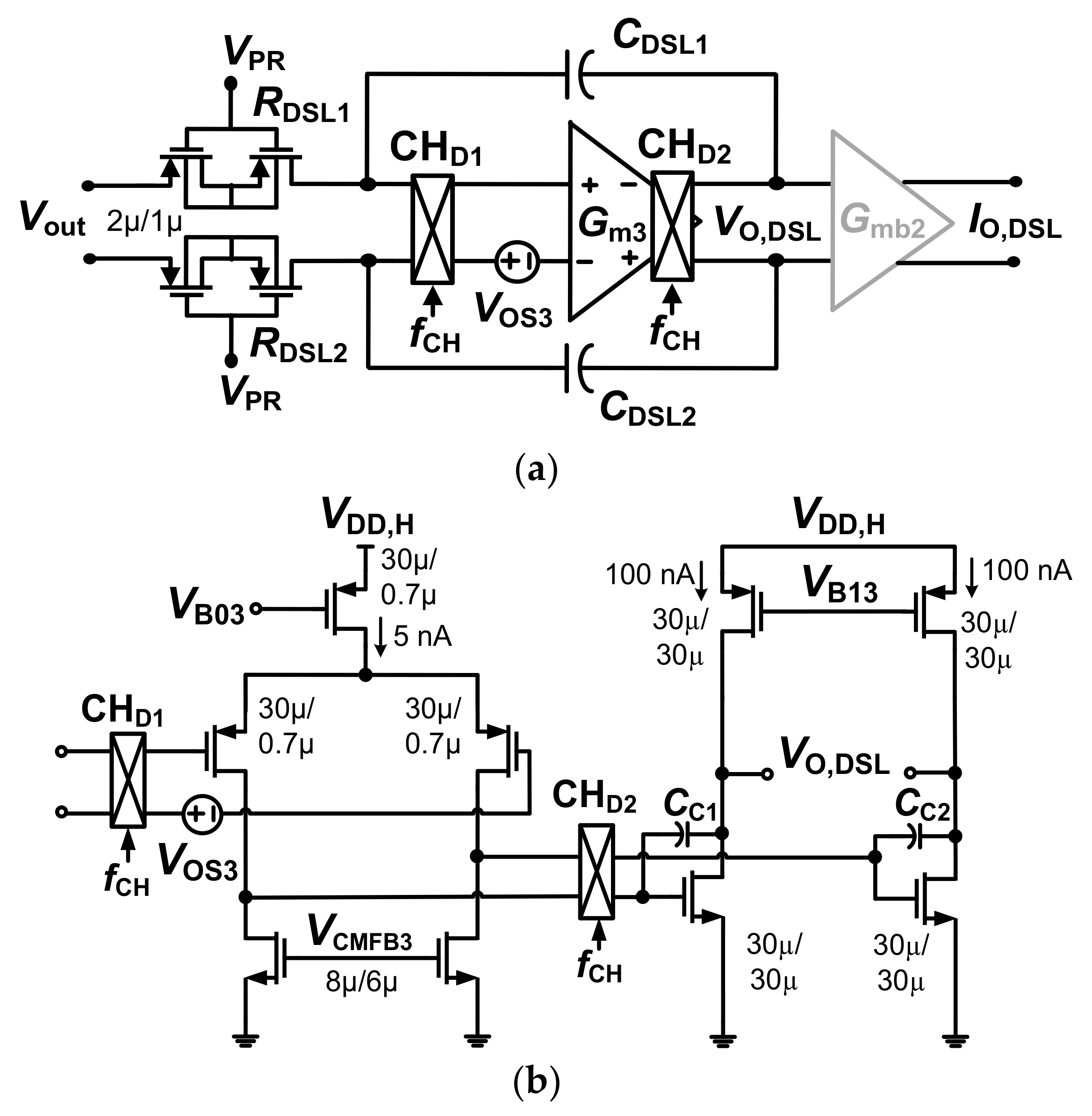
Figure 6 shows a schematic of Gm2 with the body-controlled DSL. The bias current of Gm2 is 40 nA. The CMFB circuit (not shown) generates the output VCMFB2 using a 20 nA bias current (See Table 1 for the power consumed by the CMFB circuits). The overall current of Gm2 is only 60 nA. Figure 7a shows a schematic of the DSL. The RDSL1,2 and CDSL1,2 are the resistors and capacitors in the DSL, respectively. RDSL1,2 is a variable pseudo-resistor controlled by VPR, which is realized by cascading floating PMOS transistors. The input of Gm3 is associated with offset VOS3. Voltage VOS3 can disturb Vout of the CCIA similarly to other offsets (VOS1, VOS2, VEOS,Gm2). To reduce the effect of VOS3, two choppers, CHD1 and CHD2, are added to the integrator. Because the bandwidth of the integrator is relatively narrow (~30 mHz), VOS3 is up-modulated to the outside of the integrator’s bandwidth by CHD2. Figure 7b shows a schematic of the two-stage opamp for Gm3. The first stage is biased using 5 nA. The second stage is biased at 200 nA for enhanced swing. The CMFB circuit generates VCMFB3 using a 5 nA bias current. The overall current is 210 nA.
The transfer function of the DSL has a low-pass characteristic for Vout. It can be expressed as −gmb1,2/(sRDSL1,2CDSL1,2), where gmb1,2 is the body transconductance integrated into Gm2. Within the feedback loop, the DSL creates a high-pass corner to reject VEOS. Using the condition Cfb1,2 << Cin1,2, the transfer function of the CCIA can be expressed as
H ( s ) A V 1 g m 1 , 2 C m 1 , 2 s s + η ω ugb / β A V 1 s + β A V 1 g m 1 , 2 / C m 1 , 2
where gm1,2 is the transconductance of the input pair of the Gm2, η = (gmb1,2/gm1,2) ≈ 0.25, ωugb = 2πfugb = 1/(RDSL1,2CDSL1,2) is the unity-gain frequency of the integrator, and β = Cfb1,2/Cin1,2 is the feedback factor. Using (2), we obtain a high-pass corner frequency fhp = (η/βAV1) fugb.
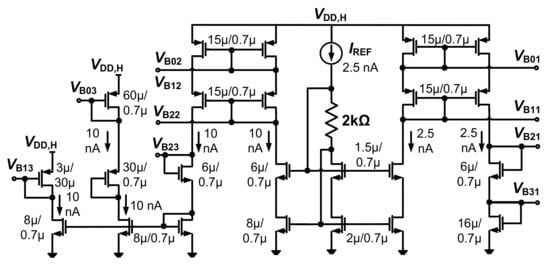
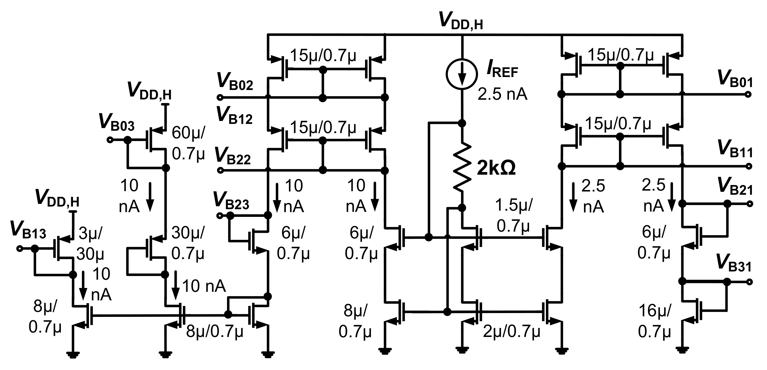
Because fhp created by the DSL depends on the value of pseudo-resistor, we investigate the variability of RDSL1,2. Figure 8a shows the value of the RDSL1,2 as a function of temperature for various VPR. The resistance increases with VPR while it decreases with temperature. Figure 8b shows the statistical distribution of the resistance obtained from Monte Carlo simulations at 27 °C and VPR = 0.4 V. The result shows that the average value of RDSL1,2 is 34.1 GΩ with a standard deviation of 1.6 GΩ. Figure 9 shows a schematic of the bias generator. It consists of a constant-gm current reference and six branches to generate the bias voltages for the amplifier. Overall current consumption is 47.5 nA.
The proposed CCIA uses a narrow margin for the stacked transistors in the SQI stage. Therefore, we investigate the effect of supply and temperature on the performance of the amplifier. Figure 10 shows the effect of VDD,L on the bias current (SQI stage only), noise, and bandwidth. When VDD,L is increased, it is tracked by VD and VG in the negative generator, which increases VNEG to keep the bias current. When VDD,L is reduced below 0.15 V, the two stacked transistors are driven in the deep subthreshold region, which reduces the current and the gain. We note that the CCIA still operates with an integrated noise < 1.5 μVrms when VDD,L is reduced to 0.15 V. The amplifier bandwidth gradually increases with VDD,L, which agrees with the previous result [10].
Because VDD,L is relatively low, an external electromagnetic interference can affect the sensor interface. In the proposed CCIA, the differential input signal VIN is up-modulated to fCH while the CM signal is not chopped. Therefore, chopping provides some means of rejection of external interference. In the case when the external interference exists at around fCH, it can affect the CCIA, however, this is well beyond the amplifier bandwidth (1–200 Hz). When the CCIA is used for the sensor readout, a theoretical input range calculated using a gain of 40 dB and the maximum output swing of 0.8 Vpp is 8 mVpp, which agrees with the measured value of 6 mV. Because the input is capacitively-coupled, it provides a relatively high DC blocking allowed by the voltage rating of Cin1,2.
Figure 11 shows the effect of temperature on the amplifier. The bias current increases with the temperature as expected from the constant-gm current reference, which increases VNEG. The two temperature-dependent parameters of the subthreshold current are mobility and the threshold voltage [14]. The increased threshold voltage with temperature reduces the gain Av. The bandwidth can be expressed as BW = ωp(1+βAv), where ωp is the 3-dB frequency and β is the feedback factor. Furthermore, the increased temperature reduces the bandwidth [15,16]. The amplifier achieves an integrated noise of less than 2 µVrms over the temperature range from −5 °C to 45 °C.
The IRN of the CCIA, V n , i n 2 ¯ , can be expressed as
V n , in 2 ¯ = C tot C in 1 , 2 2 V n , in , Gm 1 2 ¯ + 1 A V 1 V n , in , Gm 2 2 ¯ + V n , out , DSL 2 ¯ g mb 1 , 2 g m 1 , 2 2 = C tot C in 1 , 2 2 4 k T n U th I DC + 8 k T n A V 1 g m 1 , 2 1 + g m 3 , 4 + g m 9 , 10 g m 1 , 2 + 2 A V 1 g mb 1 , 2 g m 1 , 2 2 8 k T n R DSL 1 , 2 + V n , in , OTA 2 ¯ 1 s R DSL 1 , 2 C DSL 1 , 2 2
where Ctot = Cin1,2 + Cfb1,2 + Cp, V n , in , Gm 1 2 ¯ and V n , in , Gm 2 2 ¯ are the input-referred noise of Gm1 and Gm2, respectively, V n , out , DSL 2 ¯ is the output-referred noise of the DSL, and gmi represents the transconductance of the transistors in Gm2. The noise from the DSL includes the thermal noise of RDSL1,2 and the noise V n , in , OTA 2 ¯ = 1.8 nV/√Hz of the two-stage opamp. We note that V n , out , DSL 2 ¯ is not only multiplied by (gmb1,2/gm1,2)2 << 1, but is also reduced by AV1 = 29 dB. Using the values gm1,2 = 0.7 µS, gm3,4 = 0.35 µS, gm9,10 = 0.7 µS, Cin1,2 = 4 pF, Cfb1,2 = 40 fF, and Cp = 66.5 fF, we obtain V n , i n 2 ¯ = 84.2 nV/√Hz. Using the shot noise model [10], we obtain a similar value for V n , i n 2 ¯ . Over the signal bandwidth of 200 Hz, the integrated noise contributions from Gm1, Gm2, DSL, and the other blocks are 44.9%, 39.1%, 12.5%, and 3.5%, respectively.

4. Measured Results

Figure 12 shows a microphotograph of the CCIA fabricated using a 180-nm CMOS process. The core area is 0.19 mm2. The supply voltages VDD,L and VDD,H are generated using external power supplies. Figure 13 shows the measured frequency response of the CCIA. The result shows a mid-band gain of 40 dB with a 3-dB bandwidth of 800 Hz. The high-pass corner fhp was successfully created using the proposed DSL and varies from 0.36 to 2.4 Hz when VPR is changed from 0.68 to 0.35 V. Figure 14 shows that the measured low-frequency CMRR > 105 dB. The power supply rejection ratios (PSRRs) measured at VDD,L and VDD,H show that low-frequency PSRRL > 80 dB and PSRRH > 75 dB, respectively.
Figure 15 shows the measured noise spectral density. The input-referred noise density is 88 nV/rtHz, which is slightly higher than the calculated value of 84.2 nV/rtHz. When the DSL is enabled, the noise integrated from 1 to 200 Hz increases from 1.3 to 1.5 μVrms. We note that the noise contribution from the DSL is just 12.5%, which is much lower than the previous results of 89.5% [4] and 40.4% [6]. Figure 16 shows the measured output of the CCIA for prerecorded human EEG (~100 μV) and ECG (~1 mV) input signals [17]. Table 1 shows the power breakdown of the proposed CCIA.
Table 2 shows a performance comparison with the state of the art. The tradeoff between the noise and power can be evaluated using PEF as
PEF = V ni ,   rms 2 2 P DC π U th 4 k T B W = NEF 2 V DD
where Vni,rms is the input-referred root-mean-square (rms) noise voltage, PDC is the power consumption, and BW is the amplifier bandwidth. The previous approaches [4,7,12] use relatively-high currents to reduce noise. Because a high supply voltage VDD > 1 V is used except for in [6], the large power consumption >1.8 µW leads to a relatively high PEF. By using the SQI stage with an ultra-low voltage, the proposed CCIA achieves a competitive noise performance of 1.5 μVrms at a relatively low power of 0.61 µW (0.68 µW including bias generators). Our work achieves a good PEF of 10.2 (11.4 with bias generators) which is the lowest of the work shown in Table 2. Besides, the proposed CCIA has the lowest noise contribution of 12.5% from the DSL. The work in [10] achieves a good NEF/PEF = 2.1/1.6, however, their design does not include a DSL. Therefore, direct comparison is difficult. Although the dual power approach requires additional buck converter, a high-efficiency (>80%) converter consuming sub-nW can be used for voltage step-down [18,19].

5. Conclusions

In this paper, we investigated a sub-μW chopper amplifier using a noise-efficient DSL and power-efficient SQI stage. The proposed DSL not only removes the charge dividing effect but also reduces noise caused by both the transconductance ratio and the open-loop gain. Using the proposed approach, the noise contribution from the DSL is reduced to below 12.5%, which is much lower than the value seen in previous work. For power efficiency, we use an SQI stage biased by a supply voltage reduced to the 2VDSAT saturation limit. The challenge of biasing the SQI stage and interfacing with a DSL having a different supply domain is addressed. Measurement of the fabricated CCIA shows an IRN of 1.5 μVrms with the DSL enabled. The noise density is 88 nV/rtHz at a 40 dB gain when consuming 0.6 µW. The PEF is 11.4, which compares favorably with the state of the art.

Author Contributions

X.T.P. designed the circuit, performed the experimental work, and wrote the manuscript. N.T.N. performed noise analysis and revised the manuscript. V.T.N. performed circuit simulations and revised the manuscript. J.-W.L. conceived the project, organized the paper content, and edited the manuscript. All authors have read and agreed to the published version of the manuscript.

Funding

This research was supported by the Basic Science Research Program through the National Research Foundation of Korea (NRF-2018R1A2A2A05018621).

Acknowledgments

The chip fabrication and CAD tools were made available through the IDEC (IC Design Education Center).

Conflicts of Interest

The authors declare no conflict of interest.

References

  1. Jiang, X.; Bian, G.-B.; Tian, Z. Removal of artifacts from EEG signals: A review. Sensors 2019, 19, 987. [Google Scholar] [CrossRef] [PubMed]
  2. Lopez-Gordo, M.A.; Sanchez-Morillo, D.; Pelayo Valle, F. Dry EEG electrode. Sensors 2014, 14, 12847–12870. [Google Scholar] [CrossRef] [PubMed]
  3. Denison, T.; Consoer, K.; Santa, W.; Avestruz, A.-T.; Cooley, J.; Kelly, A. A 2 μW 100 nV/Hz chopper-stabilized instrumentation amplifier for chronic measurement of neural field potentials. IEEE J. Solid State Circuits 2007, 42, 2934–2945. [Google Scholar] [CrossRef]
  4. Fan, Q.; Sebastiano, F.; Huijsing, J.H.; Makinwa, K.A.A. A 1.8 μW 60 nV/Hz capacitively-coupled chopper instrumentation amplifier in 65 nm CMOS for wireless sensor nodes. IEEE J. Solid State Circuits 2011, 46, 1534–1543. [Google Scholar] [CrossRef]
  5. Xu, J.; Yazicioglu, R.; Grundlehner, B.; Harpe, P.; Makinwa, K.A.A.; Van Hoof, C. A 160 μW 8-channel active electrode system for EEG monitoring. IEEE Trans. Biomed. Circuits Syst. 2011, 5, 555–567. [Google Scholar] [CrossRef] [PubMed]
  6. Zhu, Z.; Bai, W. 0.5 V 1.3 µV analog front-end CMOS circuit. IEEE Trans. Circuits Syst. II Express Briefs 2016, 63, 523–527. [Google Scholar] [CrossRef]
  7. Zheng, J.; Ki, W.-H.; Hu, L.; Tsui, C.-Y. Chopper capacitively coupled instrumentation amplifier capable of handling large electrode offset for biopotential recordings. IEEE Trans. Circuits Syst. II Express Briefs 2017, 64, 1392–1396. [Google Scholar] [CrossRef]
  8. Wu, J.; Law, M.K.; Mak, P.I.; Martins, R.P. A 2-μW 45-nV/Hz readout front end with multiple-chopping active-high-pass ripple reduction loop and pseudo feedback DC servo loop. IEEE Trans. Circuits Syst. II Express Briefs 2016, 63, 351–355. [Google Scholar] [CrossRef]
  9. Huang, G.; Yin, T.; Wu, Q.; Zhu, Y.; Yang, H.A. 1.3 μW 0.7 μVRMS chopper current-reuse instrumentation amplifier for EEG applications. In Proceedings of the 2015 IEEE International Symposium on Circuits and Systems (ISCAS), Lisbon, Portugal, 24–27 May 2015. [Google Scholar]
  10. Yaul, F.M.; Chandrakasan, A.P. A noise-efficient 36 nV/Hz chopper amplifier using an inverter-based 0.2-V supply input stage. IEEE J. Solid State Circuits 2017, 52, 3032–3042. [Google Scholar] [CrossRef]
  11. Chandrakumar, H.; Marković, D. A simple area-efficient ripple rejection technique for chopped biosignal amplifiers. IEEE Trans. Circuits Syst. II Express Briefs 2015, 62, 189–193. [Google Scholar] [CrossRef]
  12. Chandrakumar, H.; Marković, D. An 80-mVpp linear-input range, 1.6-GΩ, low-power chopper amplifier for closed-loop neural recording that is tolerant to 650-mVpp common-mode interference. IEEE J. Solid State Circuits 2017, 52, 2811–2828. [Google Scholar] [CrossRef]
  13. Wu, R.; Huijsing, J.H.; Makinwa, K.A.A. Precision Instrumentation Amplifiers and Read-Out Integrated Circuits; Springer: Berlin/Heidelberg, Germany, 2013. [Google Scholar]
  14. Tsividis, Y. Operation and Modeling of the MOS Transitor; McGraw-Hill: New York, NY, USA, 1999. [Google Scholar]
  15. Davis, C.; Finvers, I.A. 14-bit high-temperature ΣΔ modulation in standard CMOS. IEEE J. Solid State Circuits 2003, 38, 976–986. [Google Scholar] [CrossRef]
  16. Shoucair, F. Scaling, subthreshold and leakage current matching characteristics in high temperature (25–250 °C) VLSI CMOS devices. IEEE Trans. Compon. Hybrids Manufact. Technol. 1989, 12, 780–788. [Google Scholar] [CrossRef]
  17. Goldberger, A.L.; Amaral, L.A.N.; Glass, L.; Hausdorff, J.M.; Ivanov, P.C. PhysioBank, PhysioToolkit, and PhysioNet: Components of a new research resource for complex physiologic signals. Circulation 2000, 101, e215–e220. [Google Scholar] [CrossRef] [PubMed]
  18. Ramadass, Y.K.; Chandrakasan, A.P. Minimum energy tracking loop with embedded DC–DC converter enabling ultra-low-voltage operation down to 250 mV in 65 nm CMOS. IEEE J. Solid State Circuits 2008, 43, 256–265. [Google Scholar] [CrossRef]
  19. Paidimarri, A.; Chandrakasan, A.P. A wide dynamic range buck converter with sub-nW quiescent power. IEEE J. Solid State Circuits 2017, 52, 3119–3131. [Google Scholar] [CrossRef]
Figure 1. Schematic of the proposed capacitively-coupled chopper instrumentation amplifier (CCIA) using body-controlled DC servo loop (DSL). Cin1,2 = 4 pF, Cfb1,2 = 40 fF, Cb1,2 = 3 pF, Cm1,2 = 4 pF, Rm1,2 = 4 MΩ, and CDSL1,2 = 5 pF.
Figure 1. Schematic of the proposed capacitively-coupled chopper instrumentation amplifier (CCIA) using body-controlled DC servo loop (DSL). Cin1,2 = 4 pF, Cfb1,2 = 40 fF, Cb1,2 = 3 pF, Cm1,2 = 4 pF, Rm1,2 = 4 MΩ, and CDSL1,2 = 5 pF.
Sensors 20 02059 g001
Figure 2. A simplified model of the proposed CCIA.
Figure 2. A simplified model of the proposed CCIA.
Sensors 20 02059 g002
Figure 3. (a) Schematic of the squeezed-inverter stage using the shared common-mode feedback (CMFB). VCM1 = 0.1 V, VNEG = −0.18 V, and VCMFB1 = 0.098 V (nominal value). (b) Schematic of the proposed CMFB circuit. VB01 = 0.57 V, VB11 = 0.28 V, VB21 = 0.49 V, and VB31 = 0.23 V.
Figure 3. (a) Schematic of the squeezed-inverter stage using the shared common-mode feedback (CMFB). VCM1 = 0.1 V, VNEG = −0.18 V, and VCMFB1 = 0.098 V (nominal value). (b) Schematic of the proposed CMFB circuit. VB01 = 0.57 V, VB11 = 0.28 V, VB21 = 0.49 V, and VB31 = 0.23 V.
Sensors 20 02059 g003
Figure 4. (a) Schematic of the negative voltage generator, (b) statistical distribution of VNEG.
Figure 4. (a) Schematic of the negative voltage generator, (b) statistical distribution of VNEG.
Sensors 20 02059 g004
Figure 5. Monte Carlo simulation results for the (a) bias current, (b) output common-mode (CM) voltage of the squeezed-inverter (SQI) stage. (c) simulated gain of the SQI stage depending on VDD,L and temperature.
Figure 5. Monte Carlo simulation results for the (a) bias current, (b) output common-mode (CM) voltage of the squeezed-inverter (SQI) stage. (c) simulated gain of the SQI stage depending on VDD,L and temperature.
Sensors 20 02059 g005
Figure 6. Schematic of transconductor Gm2 with body-controlled DSL. CM3,4 = 0.5 pF. VB02 = VB12 = 0.52 V, VB22 = 0.18 V, VB23 = 0.6 V, and VCMFB2 = 0.28 V (nominal value).
Figure 6. Schematic of transconductor Gm2 with body-controlled DSL. CM3,4 = 0.5 pF. VB02 = VB12 = 0.52 V, VB22 = 0.18 V, VB23 = 0.6 V, and VCMFB2 = 0.28 V (nominal value).
Sensors 20 02059 g006
Figure 7. (a) schematic of the DSL and (b) schematic of the two-stage opamp Gm3. CDSL1,2 = 5 pF, CC1,2 = 0.5 pF. VB03 = 0.57 V, VB13 = 0.34 V, and VCMFB3 = 0.29 V (nominal value).
Figure 7. (a) schematic of the DSL and (b) schematic of the two-stage opamp Gm3. CDSL1,2 = 5 pF, CC1,2 = 0.5 pF. VB03 = 0.57 V, VB13 = 0.34 V, and VCMFB3 = 0.29 V (nominal value).
Sensors 20 02059 g007
Figure 8. (a) simulated value of the pseudo-resistor as a function of temperature for various VPR and (b) Monte Carlo simulation result of the pseudo resistor value at VPR = 0.4 V.
Figure 8. (a) simulated value of the pseudo-resistor as a function of temperature for various VPR and (b) Monte Carlo simulation result of the pseudo resistor value at VPR = 0.4 V.
Sensors 20 02059 g008
Figure 9. Schematic of the bias generator.
Figure 9. Schematic of the bias generator.
Sensors 20 02059 g009
Figure 10. Simulated results showing the effect of VDD,L on the noise and bandwidth of the proposed CCIA.
Figure 10. Simulated results showing the effect of VDD,L on the noise and bandwidth of the proposed CCIA.
Sensors 20 02059 g010
Figure 11. Simulated bias current, noise, and bandwidth depending on temperature.
Figure 11. Simulated bias current, noise, and bandwidth depending on temperature.
Sensors 20 02059 g011
Figure 12. Chip microphotograph of the proposed CCIA.
Figure 12. Chip microphotograph of the proposed CCIA.
Sensors 20 02059 g012
Figure 13. The measured frequency response.
Figure 13. The measured frequency response.
Sensors 20 02059 g013
Figure 14. Measured CMRR and power supply rejection ratio (PSRR) as a function of frequency.
Figure 14. Measured CMRR and power supply rejection ratio (PSRR) as a function of frequency.
Sensors 20 02059 g014
Figure 15. Measured input-referred noise voltage spectral density.
Figure 15. Measured input-referred noise voltage spectral density.
Sensors 20 02059 g015
Figure 16. Measured output of the CCIA.
Figure 16. Measured output of the CCIA.
Sensors 20 02059 g016
Table 1. Power breakdown.
Table 1. Power breakdown.
BlockComponentsCurrent (nA)Voltage (V)
Gm1
(SQI stage)
Input pair16000.2
CMFB100.8
Gm2
(Folded-cascode)
Input pair200.8
Cascode branch + CMFB400.8
Gm3
(Two-stage opamp)
Input pair50.8
Common source + CMFB2050.8
Gm4
(Common-source)
Input pair800.8
Bias circuitsCurrent mirror800.2
Bias generators65.50.8
Total power676.4 nW
Table 2. Performance summary and comparison.
Table 2. Performance summary and comparison.
[3][4][6][7][12]This Work
Power (µW)2.01.80.63.482.80.61/0.68
Supply (V)1.81.00.51.21.20.2/0.8
Current (µA)1.11.81.22.92.31.6/0.36
1.68 /0.43
Input cap. (pF)151212201.04
Gain (dB)4140 404025.740
CMRR (dB)1001341068578105
Noise (µVrms)1.06.74.7N/A1.81.5
Noise floor (nV/rtHz)10060140478088
Bandwidth (Hz)100100250N/A200200
DSL noise contribution (%)N/A89.540.426N/A12.5
NEF */PEF *5.4/52.537.4/13987.5/27.93.9/18.37.4/66.45.7/10.2
5.9 /11.4
Tech. (nm)8006518013040180
Area (mm2)1.70.31.00.30.070.19
* Including DSL, Including bias circuits. When the additional power (84 nW) of an 80% efficient buck converter is included, NEF/PEF increases to 6.5/12.6.

Share and Cite

MDPI and ACS Style

Pham, X.T.; Nguyen, N.T.; Nguyen, V.T.; Lee, J.-W. A 0.6-µW Chopper Amplifier Using a Noise-Efficient DC Servo Loop and Squeezed-Inverter Stage for Power-Efficient Biopotential Sensing. Sensors 2020, 20, 2059. https://doi.org/10.3390/s20072059

AMA Style

Pham XT, Nguyen NT, Nguyen VT, Lee J-W. A 0.6-µW Chopper Amplifier Using a Noise-Efficient DC Servo Loop and Squeezed-Inverter Stage for Power-Efficient Biopotential Sensing. Sensors. 2020; 20(7):2059. https://doi.org/10.3390/s20072059

Chicago/Turabian Style

Pham, Xuan Thanh, Ngoc Tan Nguyen, Van Truong Nguyen, and Jong-Wook Lee. 2020. "A 0.6-µW Chopper Amplifier Using a Noise-Efficient DC Servo Loop and Squeezed-Inverter Stage for Power-Efficient Biopotential Sensing" Sensors 20, no. 7: 2059. https://doi.org/10.3390/s20072059

APA Style

Pham, X. T., Nguyen, N. T., Nguyen, V. T., & Lee, J.-W. (2020). A 0.6-µW Chopper Amplifier Using a Noise-Efficient DC Servo Loop and Squeezed-Inverter Stage for Power-Efficient Biopotential Sensing. Sensors, 20(7), 2059. https://doi.org/10.3390/s20072059

Note that from the first issue of 2016, this journal uses article numbers instead of page numbers. See further details here.

Article Metrics

Back to TopTop