A Highly Accurate, Polynomial-Based Digital Temperature Compensation for Piezoresistive Pressure Sensor in 180 nm CMOS Technology
Abstract
1. Introduction
2. Proposed Pressure Sensor Interface Architecture with Temperature Compensation
3. Proposed Temperature Compensation
- 1
- The MC selects the NTC sensor path from MUX and applies default values from memory for the gauge factor GFNTC, PGA offset OFNTC and gain GNTC for NTC sensor.
- 2
- The NTC gauge factor is set to its central value and the PGA offset and gain is determined automatically by the MC for the NTC sensor. For offset cancelation, the minimum temperature is applied and the PGA is tuned to make ADC output nearest to zero. Then the highest temperature is applied and PGA gain is tuned to get the highest possible value of ADC output.
- 3
- To find out the temperature compensation parameters, fixed pressure is applied at the PRT sensor input. The temperature of chip is changed from minimum TMIN to maximum TMAX. Due to non-linear temperature-dependent PRT characteristics, the sensor output voltages decreases when temperature is swept from TMIN to TMAX with even fix pressure at its input. Three values of the pressure code from ADC output in digital format are achieved when the temperature values are −40 °C (minimum), 25 °C (mid) and 150 °C (maximum), respectively. These values give the three points P1, P2 and P3 for the complex temperature-dependent pressure characteristics of PRT sensor as shown in Figure 4. The second-degree polynomial representing this relationship is give as in Equation (1):where a, b and c are the coefficients of polynomial, T is temperature and PT is the temperature-dependent pressure value. This polynomial is valid if temperature is swept at different constant input pressure.
- 4
- Compensation characteristic is computed from the temperature-dependent pressure characteristics with three polynomial points `P1,`P2 and `P3 and is given in Equation (2) as follows:
- 5
- Since the coefficients A, B and C may have very small values depending on the curve shape for different sensors, so for digital implement with enhanced accuracy of the polynomial, the scaling technique is introduced. Both sides of the equation are multiplied by a suitable number 2SF so that the smallest coefficient has significant integer value, where SF is scaling factor.
- 6
- The memory is programmed with compensated parameters of gauge facture GFNTC, PGA offset OFNTC, PGA gain GNTC and compensation polynomial coefficients AS, BS, C and scaling factor SF. After reset, these parameters are automatically loaded from memory and are used during temperature compensation.
4. Temperature-Compensation Controller (TCC)
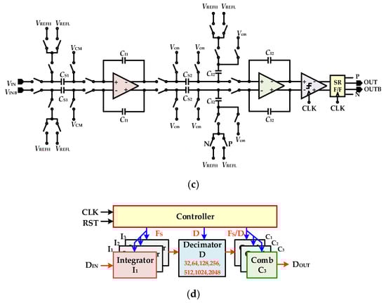
5. Sigma-Delta Analog-to-Digital Converter
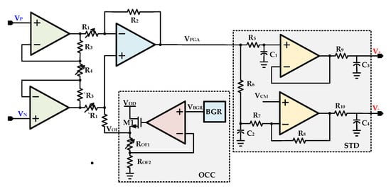
6. Programmable Gain Amplifier with Offset Compensation and Single to Differential Circuits
7. Experimental Results
8. Conclusions
Author Contributions
Funding
Conflicts of Interest
References
- Czarnocki, W.; Ding, X.; Schuster, J.P.; Roeckner, B. Programmable CMOS Integrated pressure sensor. SAE Trans. 1999, 108, 1929–1933. [Google Scholar]
- Chiou, J.A. Pressure sensors in automotive applications and future challenges. Proc. Micro-Electro-Mech. Syst. Symp. Asme Int. Mech. Eng. Congr. Expo. 1999, 1, 525–530. [Google Scholar]
- DeHennis, A.D.; Wise, K.D. A wireless microsystem for the remote sensing of pressure, temperature, and relative humidity. J. Microelectromech. Syst. 2005, 14, 12–22. [Google Scholar] [CrossRef]
- Wang, Y.; Maeda, M.R.; Fukunaga, M.; Watanabe, K. A smart thermal environment monitor based on IEEE 1451.2 standard for global networking. IEEE Trans. Instrum. Meas. 2005, 54, 1321–1326. [Google Scholar] [CrossRef]
- Automotive Electronics Council. Failure Mechanism Based Stress Test Qualification for Integrated Circuits; AEC-Q100-Rev. H; Automotive Electronics Council: Luton, UK, 2014. [Google Scholar]
- Nie, M.; Gao, Y. The analytical calibration model of temperature effects on a silicon piezoresistive pressure sensor. AIP Adv. 2017, 7, 035120. [Google Scholar] [CrossRef]
- Lee, D.S.; Cho, S.H.; Ryu, H.; Pu, Y.; Yoo, S.; Lee, M.; Hwang, K.C.; Yang, Y.; Lee, K.-Y. A Highly linear, AEC-Q100 compliant signal conditioning ic for automotive piezo-resistive pressure sensors. IEEE Trans. Ind. Electron. 2018, 65, 7363–7373. [Google Scholar] [CrossRef]
- Aryafar, M.; Hamedi, M.; Ganjeh, M. A novel temperature compensated piezoresistive pressure sensor. Measurement 2015, 63, 25–29. [Google Scholar] [CrossRef]
- Perraud, E. Theoretical model of performance of a silicon piezoresistive pressure sensor. Sens. Actuators A Phys. 1996, 57, 245–252. [Google Scholar] [CrossRef]
- Yao, Z.; Liang, T.; Jia, P.; Hong, Y.; Qi, L.; Lei, C.; Zhang, B.; Li, W.; Zhang, D.; Xiong, J. Passive resistor temperature compensation for a high-temperature piezoresistive pressure sensor. Sensors 2016, 16, 1142. [Google Scholar] [CrossRef]
- Yao, Z.; Liang, T.; Jia, P.; Hong, Y.; Qi, L.; Lei, C.; Zhang, B.; Xiong, J. A high-temperature piezoresistive pressure sensor with an integrated signal-conditioning circuit. Sensors 2016, 16, 913. [Google Scholar] [CrossRef]
- Lee, D.S.; Tiwari, H.D.; Kim, S.Y.; Lee, J.; Park, H.G.; Pu, Y.G.; Seo, M.; Lee, K.-Y. A highly linear, small area analog front end with gain and offset compensation for automotive capacitive pressure sensors in 0.35 μm CMOS. IEEE Sens. J. 2015, 15, 1967–1976. [Google Scholar] [CrossRef]
- Mailand, M.; Getzlaff, S.; Richter, R.; Apel, S.; Breitmeyer, D.; Meyer, U.; Bohme, E.; Schreiber, R.; Tows, K.; Gunther, D. A standard low-noise sensor interface for 0.66nJ/step-energy-efficient, mobile barometric-pressure-based altitude sensing. In Proceedings of the IEEE International Conference on Sensors, Baltimore, MD, USA, 3–6 November 2013; pp. 1–4. [Google Scholar]
- Zhou, G.; Zhao, Y.; Guo, F.; Xu, W. A Smart high accuracy silicon piezoresistive pressure sensor temperature compensation system. Sensors 2014, 14, 12174–12190. [Google Scholar] [CrossRef] [PubMed]
- Patra, J.C.; Kot, A.C.; Panda, G. An intelligent pressure sensor using neural networks. IEEE Trans. Instrum. Meas. 2000, 49, 829–834. [Google Scholar] [CrossRef]
- Patra, J.C.; van den Bos, A. Modeling of an intelligent pressure sensor using functional link artificial neural networks. ISA Trans. 2000, 39, 15–27. [Google Scholar] [CrossRef]
- Pramanik, C.; Islam, T.; Saha, H. Temperature compensation of piezoresistive micro-machined porous silicon pressure sensor by ann. Microelectron. Reliab. 2006, 46, 343–351. [Google Scholar] [CrossRef]
- Futane, N.; Chowdhury, S.R.; Chowdhury, C.R.; Saha, H. Ann based cmos asic design for improved temperature-drift compensation of piezoresistive micro-machined high resolution pressure sensor. Microelectron. Reliab. 2010, 50, 282–291. [Google Scholar] [CrossRef]
- Ali, I.; Rikhan, B.S.; Kim, D.-G.; Lee, D.-S.; Rehman, M.R.U.; Abbasizadeh, H.; Asif, M.; Lee, M.; Hwang, K.C.; Yang, Y.; et al. Design of a low-power, small-area AEC-Q100-compliant SENT transmitter in signal conditioning IC for automotive pressure and temperature complex sensors in 180 Nm CMOS Technology. Sensors 2018, 18, 1555. [Google Scholar] [CrossRef]
- Ali, I.; Abbasizadeh, H.; Rehman, M.R.U.; Asif, M.; Oh, S.J.; Pu, Y.G.; Lee, M.; Hwang, K.C.; Yang, Y.; Lee, K.-Y. An ultra-low power, adaptive all-digital frequency-locked loop with gain estimation and constant current DCO. IEEE Access 2020, 8, 97215–97230. [Google Scholar] [CrossRef]
- Ali, I.; Asif, M.; Rehman, M.R.U.; Khan, D.; Yingge, H.; Kim, S.J.; Pu, Y.; Yoo, S.-S.; Lee, K.-Y. A highly reliable, 5.8 GHz DSRC wake-up receiver with an intelligent digital controller for an ETC system. Sensors 2020, 20, 4012. [Google Scholar] [CrossRef]
- Chen, M.; Liu, Y.T.; Xiao, J.B.; Chen, J. A CMOS detection chip for amperometric sensors with chopper stabilized incremental ΔΣ ADC. J. Semicond. 2016, 37, 065004. [Google Scholar]
- Verma, D.; Shehzad, K.; Khan, D.; Ain, Q.A.; Kim, S.J.; Lee, D.; Pu, Y.; Lee, M.; Hwang, K.C.; Yang, Y.; et al. A Design of 8 fJ/conversion-step 10-bit 8MS/s low power asynchronous SAR ADC for IEEE 802.15.1 IoT sensor based applications. IEEE Access 2020, 8, 85869–85879. [Google Scholar] [CrossRef]
- Kim, S.; Na, S.-I.; Yang, Y.; Kim, S. A 2-MHz BW 82-dB DR continuous-time delta-sigma modulator with a capacitor-based voltage DAC for ELD compensation. IEEE Trans. Very Large Scale Integr. (VLSI) Syst. 2018, 26, 1999–2006. [Google Scholar] [CrossRef]
- Shehzad, K.; Verma, D.; Khan, D.; Ain, Q.U.; Basim, M.; Kim, S.J.; Pu, Y.; Hwang, K.C.; Yang, Y.; Lee, K.-Y. Design of a low power 10-b 8-MS/s asynchronous SAR ADC with on-chip reference voltage generator. Electronics 2020, 9, 872. [Google Scholar] [CrossRef]
- Tao, S.; Rusu, A. A comparative design study of continuous-time incremental sigma-delta ADC architectures. Int. J. Circuit Theory 2016, 44, 2147–2163. [Google Scholar] [CrossRef]
- Guo, Z.; Lu, C.; Wang, Y.; Liu, D.; Huang, M.; Li, X. Design and experimental research of a temperature compensation system for silicon-on-sapphire pressure sensors. IEEE Sens. J. 2017, 17, 709–715. [Google Scholar] [CrossRef]
















| Grade | Ambient Operating Temperature Range |
|---|---|
| Grade 0 | −40 °C to +150 °C |
| Grade 1 | −40 °C to +125 °C |
| Grade 2 | −40 °C to +105 °C |
| Grade 3 | −40 °C to +85 °C |
| Grade 4 | 0 °C to +70 °C |
| Parameter | Value |
|---|---|
| CMOS process | 180 nm |
| Occupied area | 0.0837 mm2 |
| Gate count | 1.386 K |
| Supply voltage | 1.8 V |
| Current consumption | 764 nA |
| Power consumption | 1.375 µW |
| Clock Frequency | 10 MHz |
| Polynomial | 2nd Order |
| Scalable | Yes |
| Configurable architecture | Yes |
| Parameter | [7] | [12] | [13] | [27] | This Work |
|---|---|---|---|---|---|
| CMOS process (µm) | 0.35 | 0.35 | 0.18 | - | 0.18 |
| System clock (MHz) | 4 | 8.96 | 4 | - | 10 |
| Power consumption (mW) 1 | 23.5 | 25 | 11.8–64.8 | 20 | 22.5 |
| Pressure sensor type | PRT | Capacitive | PRT | SOS 2 | PRT |
| Temperature range (°C) | −40–+150 | −30–120 | −40–+85 | −20–+140 | −40–+150 |
| Temperature method | LUT 3 | LUT 3 | Digital | Software | PDTC 4 |
| Temperature sensor | PTAT | BGR | PTAT | RTD 5 | NTC |
| ADC type | Flash | Flash | Charge balancing | Sigma-Delta | Sigma-Delta |
| ADC resolution | 4 | 4-bit | 16 | 24 | 14 |
| Deviation (%) FS 6 | 0.5 | 1.0 | 0.1 | 0.3 | 0.068 |
© 2020 by the authors. Licensee MDPI, Basel, Switzerland. This article is an open access article distributed under the terms and conditions of the Creative Commons Attribution (CC BY) license (http://creativecommons.org/licenses/by/4.0/).
Share and Cite
Ali, I.; Asif, M.; Shehzad, K.; Rehman, M.R.U.; Kim, D.G.; Rikan, B.S.; Pu, Y.; Yoo, S.S.; Lee, K.-Y. A Highly Accurate, Polynomial-Based Digital Temperature Compensation for Piezoresistive Pressure Sensor in 180 nm CMOS Technology. Sensors 2020, 20, 5256. https://doi.org/10.3390/s20185256
Ali I, Asif M, Shehzad K, Rehman MRU, Kim DG, Rikan BS, Pu Y, Yoo SS, Lee K-Y. A Highly Accurate, Polynomial-Based Digital Temperature Compensation for Piezoresistive Pressure Sensor in 180 nm CMOS Technology. Sensors. 2020; 20(18):5256. https://doi.org/10.3390/s20185256
Chicago/Turabian StyleAli, Imran, Muhammad Asif, Khuram Shehzad, Muhammad Riaz Ur Rehman, Dong Gyu Kim, Behnam Samadpoor Rikan, YoungGun Pu, Sang Sun Yoo, and Kang-Yoon Lee. 2020. "A Highly Accurate, Polynomial-Based Digital Temperature Compensation for Piezoresistive Pressure Sensor in 180 nm CMOS Technology" Sensors 20, no. 18: 5256. https://doi.org/10.3390/s20185256
APA StyleAli, I., Asif, M., Shehzad, K., Rehman, M. R. U., Kim, D. G., Rikan, B. S., Pu, Y., Yoo, S. S., & Lee, K.-Y. (2020). A Highly Accurate, Polynomial-Based Digital Temperature Compensation for Piezoresistive Pressure Sensor in 180 nm CMOS Technology. Sensors, 20(18), 5256. https://doi.org/10.3390/s20185256

