Integrated Rogowski Coil Sensor for Press-Pack Insulated Gate Bipolar Transistor Chips
Abstract
1. Introduction
2. Design and Simulation of PCB Rogowski Coil Sensor
2.1. The Design of the Single PCB Rogowski Coil
2.2. Design of the Integrated PCB Rogowski Coil
2.3. Impedance Analysis of Rogowski Coil
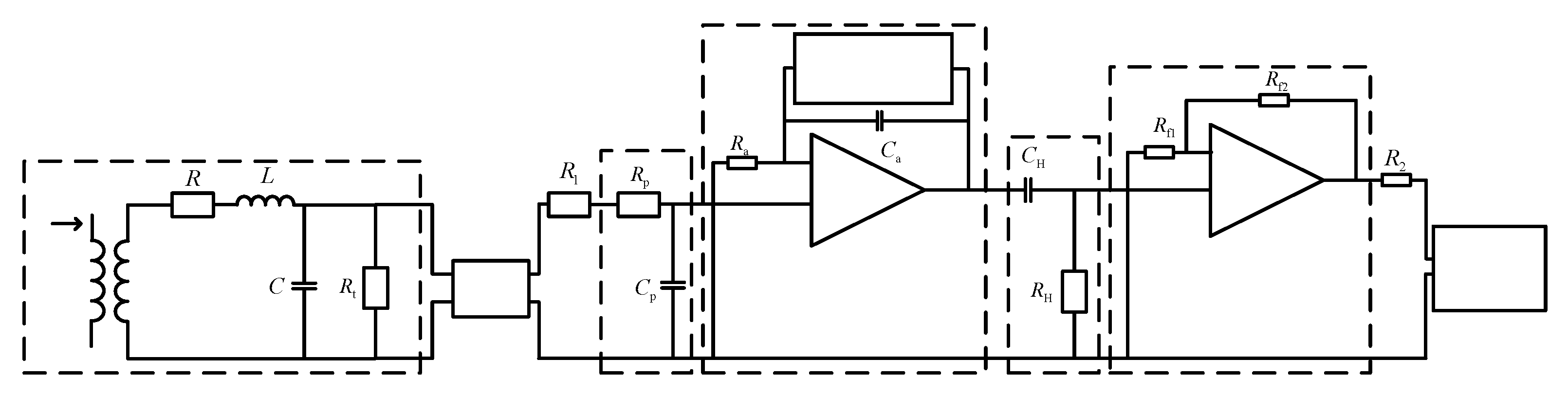
3. Overall Circuit Design and Simulation Based on Compound Integrator
3.1. Simulation Analysis of Alternating Current (AC) Scanning of PCB Rogowski Coil Sensor
3.2. Transient Simulation Analysis of PCB Rogowski Coil Sensor
4. Verification of PCB Rogowski Coil Sensor
4.1. Experiment of Surge Catastrophe Signal of Rogowski Coil Sensor
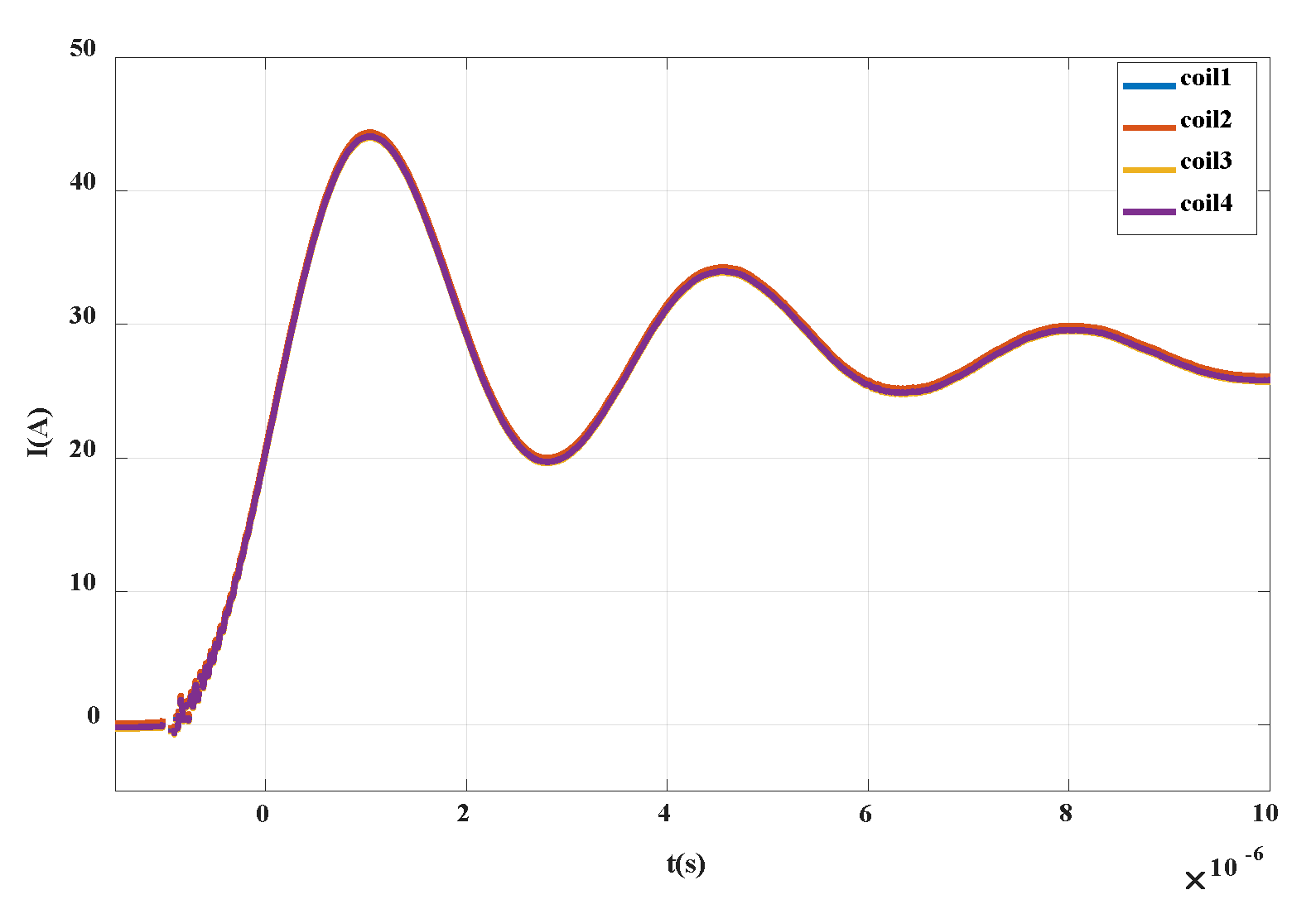
4.2. The Measurement Experiment of the Transient Current of the Crimp IGBT Chip
5. Conclusions
Author Contributions
Funding
Conflicts of Interest
References
- Bock, B.; Krafft, E.; Steimel, A. Measurement of multiple chip current in a Press-Pack IGBT using Rogowski Coils. In Proceedings of the 10th European Conference on Power Electronics an Applications (EPE), Toulouse, France, 2–4 September 2003. [Google Scholar]
- Müsing, A.; Ortiz, G.; Kolar, J.W. Optimization of the current distribution in press-pack high power IGBT modules. In Proceedings of the 2010 International Power Electronics Conference, Sapporo, Japan, 21–24 June 2010; pp. 1139–1146. [Google Scholar]
- Alvarez, R.; Bernet, S. A new delay time compensation principle for parallel connected IGBTs. IEEE Energy Convers. Congr. Expo. (ECCE) 2011. [Google Scholar] [CrossRef]
- Alvarez, R.; Bernet, S. Sinusoidal Current Operation of Delay-Time Compensation for Parallel-Connected IGBTs. IEEE Trans. Ind. Appl. 2012, 50, 3485–3493. [Google Scholar] [CrossRef]
- Mo, S.; Zhao, Z.; Sun, P.; Lu, Y.; Tang, X. Influence of package parasitic inductance on transient current distribution characteristics of press pack igbt. In Proceedings of the 2017 Sixth Asia-Pacific Conference on Antennas and Propagation (APCAP), Xi’an, China, 16–19 October 2017. [Google Scholar]
- Long, H.Y.; Sweet, M.R.; Narayanan, E.M.S.; Li, G. Reliability study and modelling of IGBT press-pack power modules. In Proceedings of the 2017 IEEE Applied Power Electronics Conference and Exposition (APEC), Tampa, FL, USA, 26–30 March 2017; pp. 2711–2717. [Google Scholar]
- Zhu, N.; Chen, M.; Yan, R.; Mantooth, A.; Xu, D. Die Current Balancing of a Press-Pack SiC MOSFET. In Proceedings of the 2018 IEEE Energy Conversion Congress and Exposition (ECCE), Portland, OR, USA, 23–27 September 2018; pp. 5824–5830. [Google Scholar]
- Chen, Z.; Zhang, X.; Pan, Y.; Li, J. Research on the Current Distribution Characteristics within a Single Chip of press pack IGBT. In Proceedings of the 2018 IEEE International Power Electronics and Application Conference and Exposition (PEAC), Shenzhen, China, 4–7 November 2018. [Google Scholar]
- Xianwei, M.; Mengyue, H.; Heli, M.; Yangchun, C.; Jun, Z. Research on the Measuring System for IGBT Current Distribution. In Proceedings of the 2018 IEEE International Conference on High Voltage Engineering and Application (ICHVE), Athens, Greece, 10–13 September 2018. [Google Scholar]
- Deng, Z. Influence of Uneven Pressure Distribution on Current Distribution in Paralleled Multi-Chips Press Pack IGBT. Smart Grid 2020. [Google Scholar] [CrossRef]
- Li, H.Y.; Jiang, G.X. A Rogowski coil of nS order for measuring fast-rising high current. Adv. Technol. Electr. Eng. Energy 1989, 40–45. [Google Scholar]
- Li, H.Y.; Yu, C.Y.; Jiang, G.X. Development of nanosecond Rogowsky coil. J. Xi’an Jiaotong Univ. 1991, 25, 41–46. [Google Scholar]
- Bing, W.; Zhen, F.; Yujuan, W.; Dynasty, G.Y.; Bing, M. Frequency response analysis of passive RC integrator. High Volt. Technol. 2008, 34, 53–56. [Google Scholar]
- Gerber, D.; Guillod, T.; Biela, J. IGBT gate-drive with PCB Rogowski Coil for improved short circuit detection and current turn-off capability. In Proceedings of the IEEE Pulsed Power Conference, Chicago, IL, USA, 19–23 June 2011; pp. 1359–1364. [Google Scholar]
- Gerber, D.; Guillod, T.; Leutwyler, R.; Biela, J. Gate Unit with Improved Short-Circuit Detection and Turn-Off Capability for 4.5-kV Press-Pack IGBTs Operated at 4-kA Pulse Current. IEEE Trans. Plasma Sci. 2013, 41, 2641–2648. [Google Scholar] [CrossRef]
- Minjiang, X. Research on the Characteristics and Application Technology of Traveling Wave Based on Rogowski coil. Ph.D. thesis, Shandong University, Shandong, China, 2013. [Google Scholar]
- Liu, Y.; Xie, X.; Hu, Y.; Qian, Y.; Sheng, G.; Jiang, X. A Novel Transient Fault Current Sensor Based on the PCB Rogowski Coil for Overhead Transmission. Sensors 2016, 16, 742. [Google Scholar] [CrossRef] [PubMed]
- Tao, T.; Zhao, Z.; Ma, W.; Pan, Q.; Hu, A. Design of PCB Rogowski Coil and Analysis of Anti-interference Property. IEEE Trans. Electromagn. Compat. 2016, 58, 344–355. [Google Scholar] [CrossRef]
- Koga, M.; Tsukuda, M.; Nakashima, K.; Omura, I. Application-specific micro Rogowski Coil for power modules-Design tool, novel coil pattern and demonstration. In Proceedings of the CIPS 2016, 9th International Conference on Integrated Power Electronics Systems, Nuremberg, Germany, 8–10 March 2016. [Google Scholar]
- Tsukuda, M.; Koga, M.; Nakashima, K.; Omura, I. Micro PCB Rogowski Coil for current monitoring and protection of high voltage power modules. Microelectron. Reliab. 2016, 64, 479–483. [Google Scholar] [CrossRef]
- Tsukuda, M.; Nakashima, K.; Tabata, S.; Hasegawa, K.; Omura, I. Clamp type built-in current sensor using PCB in high-voltage power modules. Microelectron. Reliab. 2017, 76, 517–521. [Google Scholar] [CrossRef]
- Jun, Y.; Li, G.; Liu, H.; Yang, G.; Ling, G. Design of a flexible rogowski coil with active integrator applied in lightning current collection. In Proceedings of the 2016 33rd International Conference on Lightning Protection (ICLP), Estoril, Portugal, 25–30 September 2016. [Google Scholar]
- Habrych, M.; Wisniewski, G.; Miedzinski, B.; Lisowiec, A.; Fjałkowski, Z. HDI PCB Rogowski Coils for Automated Electrical Power System Applications. IEEE Trans. Power Deliv. 2018, 33, 1536–1544. [Google Scholar] [CrossRef]
- Lei, M.; Zhen, X.; Changqing, Y. Screen-Returned PCB Rogowski Coil for the Switch Current Measurement of SiC Devices. In Proceedings of the 2019 IEEE Applied Power Electronics Conference and Exposition (APEC), Anaheim, CA, USA, 17–21 March 2019; pp. 958–964. [Google Scholar]
- Gu, P.Y.; Chen, Q.; Li, H.B.; Hu, C.; Gong, H.; Jiao, Y. PCB Rogowski Coils for 300kA Current Measurement on a Multi-Split Conductor. IEEE Sens. J. 2019, 19, 6786–6794. [Google Scholar] [CrossRef]
- Ming, L.; Xin, Z.; Liu, W.; Loh, P.C. Structure and modelling of four-layer screen-returned PCB Rogowski coil with very few turns for high-bandwidth SiC current measurement. IET Power Electron. 2020, 13, 765–775. [Google Scholar] [CrossRef]
- Wang, J.; Chen, W.; Chen, P. A Design Method of Pcb Rogowski Coil in Limited Space and Modified Integral Circuit. IEEE Sens. J. 2020, 20, 5801–5808. [Google Scholar] [CrossRef]
- Rogowski, W.; Steinhaus, W. Die Messung der magnetischen Spannung. Archiv. Für Elektrotechnik 1912, 1, 141–150. [Google Scholar] [CrossRef]
- Ramboz, J.D. Machinable Rogowski Coil, design and calibration. IEEE Trans. Instrum. Meas. 1996, 45, 511–515. [Google Scholar] [CrossRef]
- Wang, C.; Chen, Y.; Zhang, G.; Zhou, Z. Design of Printed-Circuit Board Rogowski Coil for Highly Accurate Current Measurement. In Proceedings of the International Conference on Mechatronics and Automation, Harbin, China, 5–9 August 2007; pp. 3801–3806. [Google Scholar]
- Ahmed, A.; Coulbeck, L.; Castellazzi, A.; Johnson, C.M. Design and test of a PCB Rogowski coil for very high dI/dt detection. In Proceedings of the 15th International Power Electronics and Motion Control Conference, EPE-PEMC 2012 ECCE Europe, Novi Sad, Serbia, 4–6 September 2012. [Google Scholar]
- Electromagnetic Compatibility–Test and Measurement Techniques–Surge Immunity Test. Available online: https://global.ihs.com/doc_detail.cfm?document_name=IEC%2061000%2D4%2D5&item_s_key=00223184 (accessed on 2 May 2020).
- Semiconductor Devices-Discrete Devices-Part9: Insulated-Gate Bipolar Transistors (IGBTs). Available online: https://webstore.iec.ch/publication/32214 (accessed on 2 May 2020).























| Name | Coil1 | Coil2 | Coil3 | Coil4 |
|---|---|---|---|---|
| B1 | 0.0444 | 0.0287 | 0.0198 | 0.0347 |
| B2 | 0.0383 | 0.0205 | 0.0013 | 0.0342 |
| B3 | 0.0292 | 0.0191 | 0.0160 | 2.7923 |
| B4 | 0.0337 | 0.0261 | 0.0349 | 0.0055 |
| B5 | 0.0322 | 0.0258 | 2.8324 | 0.0159 |
| B6 | 0.0466 | 0.0536 | 0.0220 | 0.0195 |
| B7 | 0.0203 | 0.0689 | 0.0072 | 0.0111 |
| B8 | 0.0161 | 2.7808 | 0.0450 | 0.0134 |
| B9 | 2.7385 | 0.0046 | 0.0031 | 0.0104 |
| B10 | 0.0428 | 0.0124 | 0.0050 | 0.0145 |
| B11 | 0.0835 | 0.0076 | 0.0035 | 0.0145 |
| Turns | Inner Edge | Outer Edge | Thickness | Line Width | Internal Resistance | Capacitance | Self Inductance | Mutual Inductance |
|---|---|---|---|---|---|---|---|---|
| 76 | 9.6 mm | 15.8 mm | 1 mm | 3.5 mil | 1.401 Ω | 0.9 pF | 411 nH | 5.41 nH |
| Specification and Model | LSG-506B |
|---|---|
| the front | 10 μs ± 30% |
| Pulse width | 700 μs ± 20% |
| peak value | 0–6 kV |
| Surge polarity | Positive/negative/positive negative alternation |
| Output impedance | 40 Ω, 15 Ω ± 10% |
| atmospheric pressure | 86–106 KPa |
| Rated working voltage | 220 V ± 10% 50/60 Hz |
© 2020 by the authors. Licensee MDPI, Basel, Switzerland. This article is an open access article distributed under the terms and conditions of the Creative Commons Attribution (CC BY) license (http://creativecommons.org/licenses/by/4.0/).
Share and Cite
Jiao, C.; Zhang, Z.; Zhao, Z.; Zhang, X. Integrated Rogowski Coil Sensor for Press-Pack Insulated Gate Bipolar Transistor Chips. Sensors 2020, 20, 4080. https://doi.org/10.3390/s20154080
Jiao C, Zhang Z, Zhao Z, Zhang X. Integrated Rogowski Coil Sensor for Press-Pack Insulated Gate Bipolar Transistor Chips. Sensors. 2020; 20(15):4080. https://doi.org/10.3390/s20154080
Chicago/Turabian StyleJiao, Chaoqun, Zuoming Zhang, Zhibin Zhao, and Xiumin Zhang. 2020. "Integrated Rogowski Coil Sensor for Press-Pack Insulated Gate Bipolar Transistor Chips" Sensors 20, no. 15: 4080. https://doi.org/10.3390/s20154080
APA StyleJiao, C., Zhang, Z., Zhao, Z., & Zhang, X. (2020). Integrated Rogowski Coil Sensor for Press-Pack Insulated Gate Bipolar Transistor Chips. Sensors, 20(15), 4080. https://doi.org/10.3390/s20154080
