Low-Profile Slotted Metamaterial Antenna Based on Bi Slot Microstrip Patch for 5G Application
Abstract
1. Introduction
2. Antenna Design and Methodology
2.1. Antenna Geometry
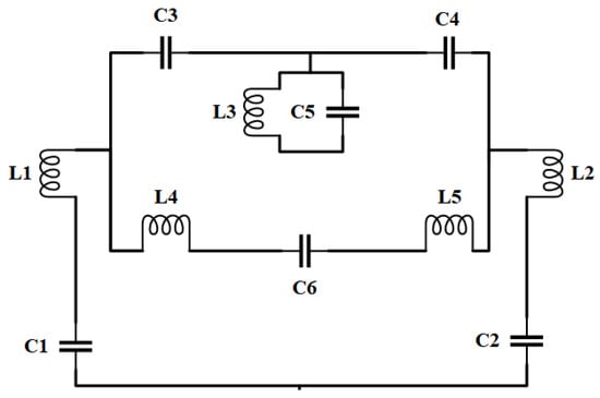
2.2. Transmission Line Principle Analysis of VMA Geometry
2.3. Metamaterial DNG Unit Cell Design Development and Refinement
2.4. Parametric Study of Antenna
2.5. Field Analysis and Surface Current
3. Experimental Results and Discussion
4. Conclusions
Author Contributions
Conflicts of Interest
References
- Khan, S.; Eibert, T.F. A miniaturized frequency selective surface sub-reflector for X and Ku-bands. In Proceedings of the 2018 11th German Microwave Conference (GeMiC), Freiburg, Germany, 12–14 March 2018; IEEE: Piscataway, NJ, USA, 2018; pp. 184–186. [Google Scholar]
- Mohamad, S.; Momeni, A.; Abadi, H.; Behdad, N. Wideband multi-beam antenna apertures using metamaterial-based superstrates. In Proceedings of the 2014 IEEE Antennas and Propagation Society International Symposium (APSURSI), Memphis, TN, USA, 6–11 July 2014; IEEE: Piscataway, NJ, USA, 2014; pp. 926–927. [Google Scholar]
- Sun, K.; Han, S.; Choi, J.H.; Lee, J.K. Miniaturized Active Metamaterial Resonant Antenna With Improved Radiation Performance Based on Negative-Resistance-Enhanced CRLH Transmission Lines. IEEE Antennas Wirel. Propag. Lett. 2018, 17, 1162–1165. [Google Scholar] [CrossRef]
- Ibrahim, M.I.; Safwat, A.M.; El-Hennawy, H. Single/dual-band CSRR-loaded differential-fed square patch antenna with monopolar radiation pattern. In Proceedings of the 2016 33rd National Radio Science Conference (NRSC), Aswan, Egypt, 22–25 February 2016; IEEE: Piscataway, NJ, USA, 2016; pp. 81–86. [Google Scholar]
- Hussine, U.U.; Islam, M.T.; Misran, N. Analysis of Microstrip Patch Antenna for L1 and L2 for Global Positioning System Applications. J. Kejuruter. 2013, 24, 29–33. [Google Scholar]
- Islam, M.T.; Samsuzzaman, M.; Kibria, S.; Islam, M.T. Experimental breast phantoms for estimation of breast tumor using microwave imaging systems. IEEE Access 2018, 6, 78587–78597. [Google Scholar] [CrossRef]
- Rokunuzzaman, M.; Samsuzzaman, M.; Islam, M.T. Unidirectional wideband 3-D antenna for human head-imaging application. IEEE Antennas Wirel. Propag. Lett. 2016, 16, 169–172. [Google Scholar] [CrossRef]
- Islam, M.T.; Islam, M.; Samsuzzaman, M.; Faruque, M.R.I.; Misran, N. A negative index metamaterial-inspired UWB antenna with an integration of complementary SRR and CLS unit cells for microwave imaging sensor applications. Sensors 2015, 15, 11601–11627. [Google Scholar] [CrossRef]
- Salim, A.; Lim, S. Review of recent metamaterial microfluidic sensors. Sensors 2018, 18, 232. [Google Scholar] [CrossRef]
- Raghavan, S.; Rajeshkumar, V. An overview of metamaterials in biomedical applications. Prog. Electromagn. Res. 2013, 25, 369. [Google Scholar]
- Kaur, M.; Sivia, J.S. ANN and FA Based Design of Hybrid Fractal Antenna for ISM Band Applications. Prog. Electromagn. Res. 2020, 98, 127–140. [Google Scholar] [CrossRef]
- Islam, S.S.; Faruque, M.R.I.; Islam, M.T. A near zero refractive index metamaterial for electromagnetic invisibility cloaking operation. Materials 2015, 8, 4790–4804. [Google Scholar] [CrossRef]
- Faruque, M.R.I.; Islam, M.T.; Misran, N. Evaluation of specific absorption rate (SAR) reduction for PIFA antenna using metamaterials. Frequenz 2010, 64, 144–149. [Google Scholar] [CrossRef]
- Ma, S.; Zhai, H.; Wei, Z.; Zhou, X.; Zheng, L.; Li, J. A high-selectivity dual-polarization filtering antenna with metamaterial for 5G application. Microw. Opt. Technol. Lett. 2019, 61, 63–67. [Google Scholar] [CrossRef]
- Zhao, Y.; Shen, Z.; Wu, W. Wideband and low-profile H-plane ridged SIW horn antenna mounted on a large conducting plane. IEEE Trans. Antennas Propag. 2014, 62, 5895–5900. [Google Scholar] [CrossRef]
- Chen, Z.; Shen, Z. Wideband flush-mounted surface wave antenna of very low profile. IEEE Trans. Antennas Propag. 2015, 63, 2430–2438. [Google Scholar] [CrossRef]
- Hu, Z.; Shen, Z.; Wu, W.; Lu, J. Low-profile log-periodic monopole array. IEEE Trans. Antennas Propag. 2015, 63, 5484–5491. [Google Scholar] [CrossRef]
- Chen, Q.; Hu, Z.; Shen, Z.; Wu, W. 2–18 GHz conformal low-profile log-periodic array on a cylindrical conductor. IEEE Trans. Antennas Propag. 2017, 66, 729–736. [Google Scholar] [CrossRef]
- Almutawa, A.T.; Mumcu, G. Small artificial magnetic conductor backed log-periodic microstrip patch antenna. IET Microw. Antennas Propag. 2013, 7, 1137–1144. [Google Scholar] [CrossRef]
- Yang, F.; Rahmat-Samii, Y. Electromagnetic Band Gap Structures in Antenna Engineering; Cambridge University Press: Cambridge, UK, 2009. [Google Scholar]
- Feresidis, A.P.; Goussetis, G.; Wang, S.; Vardaxoglou, J.C. Artificial magnetic conductor surfaces and their application to low-profile high-gain planar antennas. IEEE Trans. Antennas Propag. 2005, 53, 209–215. [Google Scholar] [CrossRef]
- Foroozesh, A.; Shafai, L. Investigation into the application of artificial magnetic conductors to bandwidth broadening, gain enhancement and beam shaping of low profile and conventional monopole antennas. IEEE Trans. Antennas Propag. 2010, 59, 4–20. [Google Scholar] [CrossRef]
- Vallecchi, A.; Capolino, F. Thin high-impedance metamaterial substrate and its use in low profile antennas suitable for system integration. In Proceedings of the 2009 59th Electronic Components and Technology Conference, San Diego, CA, USA, 26–29 May 2009; IEEE: Piscataway, NJ, USA, 2009; pp. 777–783. [Google Scholar]
- Donzelli, G.; Vallecchi, A.; Capolino, F.; Schuchinsky, A. Metamaterial made of paired planar conductors: Particle resonances, phenomena and properties. Metamaterials 2009, 3, 10–27. [Google Scholar] [CrossRef]
- Vallecchi, A.; Capolino, F.; Schuchinsky, A. 2-D isotropic effective negative refractive index metamaterial in planar technology. IEEE Microw. Wirel. Compon. Lett. 2009, 19, 269–271. [Google Scholar] [CrossRef]
- Vallecchi, A.; Capolino, F. Metamaterials based on pairs of tightly coupled scatterers. In Theory and Phenomena of Metamaterials; CRC Press: Boca Raton, FL, USA, 2017; pp. 19-1–19-47. [Google Scholar]
- Vallecchi, A.; Capolino, F.; De Luis, J.; De Flaviis, F. A low profile folded dipole antenna on a reactive high impedance substrate. In Proceedings of the 2009 International Conference on Electromagnetics in Advanced Applications, Torino, Italy, 14–18 September 2009; IEEE: Piscataway, NJ, USA, 2009; pp. 1062–1065. [Google Scholar]
- Gibson, P. The vivaldi aerial. In Proceedings of the 1979 9th European Microwave Conference, Brighton, UK, 17–20 September 1979; IEEE: Piscataway, NJ, USA, 1979; pp. 101–105. [Google Scholar]
- Lee, J.; Livingston, S.; Koenig, R. A low-profile wide-band (5:1) dual-pol array. IEEE Antennas Wirel. Propag. Lett. 2003, 2, 46–49. [Google Scholar] [CrossRef]
- Dai, L.H.; Tan, C.; Zhou, Y.J. Ultrawideband Low-Profile and Miniaturized Spoof Plasmonic Vivaldi Antenna for Base Station. Appl. Sci. 2020, 10, 2429. [Google Scholar] [CrossRef]
- Natarajan, R.; Gulam Nabi Alsath, M.; Kanagasabai, M.; Bilvam, S.; Meiyalagan, S. Integrated Vivaldi antenna for UWB/diversity applications in vehicular environment. Int. J. RF Microw. Comput. Aided Eng. 2020, 30, e21989. [Google Scholar] [CrossRef]
- Yin, Z.; He, G.; Yang, X.-X.; Gao, S. Miniaturized Ultra-Wideband Half-Mode Vivaldi Antenna Based on Mirror Image Theory. IEEE Antennas Wirel. Propag. Lett. 2020, 19, 695–699. [Google Scholar] [CrossRef]
- Garg, R.; Bhartia, P.; Bahl, I.J.; Ittipiboon, A. Microstrip Antenna Design Handbook; Artech House: Norwood, MA, USA, 2001. [Google Scholar]
- Balanis, C.A. Antenna Theory: Analysis and Design; John Wiley & Sons: Hoboken, NJ, USA, 2016. [Google Scholar]
- Pues, H.; Van de Capelle, A. Accurate transmission-line model for the rectangular microstrip antenna. In IEE Proceedings H (Microwaves, Optics and Antennas); IET: London, UK, 1984; pp. 334–340. [Google Scholar]
- Hoque, A.; Tariqul Islam, M.; Almutairi, A.; Alam, T.; Jit Singh, M.; Amin, N. A Polarization Independent Quasi-TEM Metamaterial Absorber for X and Ku Band Sensing Applications. Sensors 2018, 18, 4209. [Google Scholar] [CrossRef]
- Bahl, I.; Bhartia, P.J.N.Y. April, Microwave Solid State Circuit Design; Wiley: Hoboken, NJ, USA, 2003. [Google Scholar]
- Hoque, A.; Islam, M.T.; Azim, R.; Singh, M.J.; Mat, K.; Cho, M. A New Split Pitch Square Shape Metamaterial Absorber for X band Application. In Proceedings of the International Conference on Space Science and Communication (IconSpace2019), Johor bahru, Malaysia, 28–30 July 2019; IEEE Xplore: Johor bahru, Malaysia, 2019. [Google Scholar]
- Lanka Subrahmanya, V. Pattern Analysis of “The Rectangular Microstrip Patch Antenna”; University of Borås/School of Engineering: Borås, Sweden, 2009. [Google Scholar]
- Wentworth, S.M. Fundamentals of Electromagnetics with Engineering Applications; John Wiley & Sons Incorporated: Hoboken, NJ, USA, 2005. [Google Scholar]
- Elrashidi, A.; Elleithy, K.; Bajwa, H. Performance Analysis of a Microstrip Printed Antenna Conformed on Cylindrical Body at Resonance Frequency 4.6 GHz for TM01 Mode. Procedia Comput. Sci. 2012, 10, 775–784. [Google Scholar] [CrossRef]
- Ashkenazy, J.; Shtrikman, S.; Treves, D. Electric surface current model for the analysis of microstrip antennas on cylindrical bodies. IEEE Trans. Antennas Propag. 1985, 33, 295–300. [Google Scholar] [CrossRef]
- Luk, K.-M.; Lee, K.-F.; Dahele, J.S. Analysis of the cylindrical-rectangular patch antenna. IEEE Trans. Antennas Propag. 1989, 37, 143–147. [Google Scholar]
- Bailey, M.; Deshpande, M. Analysis of Rectangular Microstrip Antennas; NASA Langley Research Center: Hampton, VA, USA, 1984.
- Ajose, S. Design formulas for impedance matching using a Hermite line. In IEE Proceedings H (Microwaves, Antennas and Propagation); IET: London, UK, 1986; pp. 319–320. [Google Scholar]
- Jacobs, J.; De Villiers, J.J. Gaussian-process-regression-based design of ultrawide-band and dual-band CPW-fed slot antennas. J. Electromagn. Waves Appl. 2010, 24, 1763–1772. [Google Scholar] [CrossRef]
- Priyadarshi, R.; Singh, M.P.; Tripathi, H.; Sharma, P. Design and performance analysis of vivaldi antenna at very high frequency. In Proceedings of the 2017 Fourth International Conference on Image Information Processing (ICIIP), Shimla, India, 21–23 December 2017; IEEE: Piscataway, NJ, USA, 2017; pp. 1–4. [Google Scholar]
- Setijadi, E.; Hendrantoro, G. Radiation Pattern Analysis and Modelling of Coplanar Vivaldi Antenna Element for Linear Array Pattern Evaluation. Prog. Electromagn. Res. 2019, 84, 79–96. [Google Scholar]
- Khalili Palandi, N.; Nozhat, N.; Basiri, R.J. Design and fabrication of small and low profile microstrip monopole antenna using CRLH-TL structures. J. Electromagn. Waves Appl. 2019, 33, 1749–1763. [Google Scholar] [CrossRef]
- Hamad, E.K.; Abdelaziz, A. Metamaterial superstrate microstrip patch antenna for 5G wireless communication based on the theory of characteristic modes. J. Electr. Eng. 2019, 70, 187–197. [Google Scholar] [CrossRef]
- Li, R.; Zhang, Q.; Kuang, Y.; Chen, X.; Xiao, Z.; Zhang, J. Design of a miniaturized antenna based on split ring resonators for 5G wireless communications. In Proceedings of the 2019 Cross Strait Quad-Regional Radio Science and Wireless Technology Conference (CSQRWC), Taiyuan, China, 18–21 July 2019; IEEE: Piscataway, NJ, USA, 2019; pp. 1–4. [Google Scholar]
- Arya, A.K.; Kim, S.J.; Kim, S. A Dual-Band Antenna for LTE-R and 5G Lower Frequency Operations. Prog. Electromagn. Res. Lett. 2020, 88, 113–119. [Google Scholar] [CrossRef]
- Turkmen-Kucuksari, O.; Kocakaya, A.; Çimen, S.; Çakır, G. High constant gain modified antipodal Vivaldi antenna incorporated with a phase compensation lens and a frequency selective surface. Int. J. Electron. Commun. 2020, 113, 152975. [Google Scholar] [CrossRef]













| Parameter | a | b | c | d | e | f | g | h | i |
| Value (mm) | 60 | 40 | 35.20 | 15.72 | 5.60 | 11.20 | 7.12 | 4.66 | 5.01 |
| Parameter | j | k | l | m | n | o | p | q | gl |
| Value (mm) | 17.52 | 24.80 | 11.19 | 5.30 | 4.32 | 2.40 | 14.50 | 1.0 | 20 |
| Reference | Design Technique | Dimension (mm) | Operating Frequency Band (GHz) | Maximum Realized Gain (dBi) | Efficiency (%) | Remarks |
|---|---|---|---|---|---|---|
| [50] | Characteristic model | 20 × 20 × 1.6 | 5–20 | 9 | 82–87 | Superstrate metamaterial used for performance enhancement |
| [49] | CRLH-TL method | 30 × 30 × 1.6 | 0–10 | 5.2 | 78 | Monopole antenna |
| [52] | Stacking | 180 × 60 | 0.5–4 | 6.1 | NR | 5G lower frequency |
| [51] | Split Ring method | 40 × 45 × 1.57 | 3–4 | 7.43 | NR | No experimental evaluation |
| [14] | Filtering | 40 × 40 | 3–5 | 9 | NR | Bulky in size |
| [53] | FSS | 134.5 × 178.14 × 177 | 3–10 | 13.9 | NR | Bulky in size |
| Proposed antenna | DNG metamaterial loaded | 60 × 40 × 1.52 | 2–5 | 7.14 | 80 | Low profile and directive |
© 2020 by the authors. Licensee MDPI, Basel, Switzerland. This article is an open access article distributed under the terms and conditions of the Creative Commons Attribution (CC BY) license (http://creativecommons.org/licenses/by/4.0/).
Share and Cite
Hoque, A.; Islam, M.T.; Almutairi, A.F. Low-Profile Slotted Metamaterial Antenna Based on Bi Slot Microstrip Patch for 5G Application. Sensors 2020, 20, 3323. https://doi.org/10.3390/s20113323
Hoque A, Islam MT, Almutairi AF. Low-Profile Slotted Metamaterial Antenna Based on Bi Slot Microstrip Patch for 5G Application. Sensors. 2020; 20(11):3323. https://doi.org/10.3390/s20113323
Chicago/Turabian StyleHoque, Ahasanul, Mohammad Tariqul Islam, and Ali F. Almutairi. 2020. "Low-Profile Slotted Metamaterial Antenna Based on Bi Slot Microstrip Patch for 5G Application" Sensors 20, no. 11: 3323. https://doi.org/10.3390/s20113323
APA StyleHoque, A., Islam, M. T., & Almutairi, A. F. (2020). Low-Profile Slotted Metamaterial Antenna Based on Bi Slot Microstrip Patch for 5G Application. Sensors, 20(11), 3323. https://doi.org/10.3390/s20113323

