Partial Discharge Detection Using a Spherical Electromagnetic Sensor
Abstract
1. Introduction
2. Ultra-Wide-Band Antenna Sensor
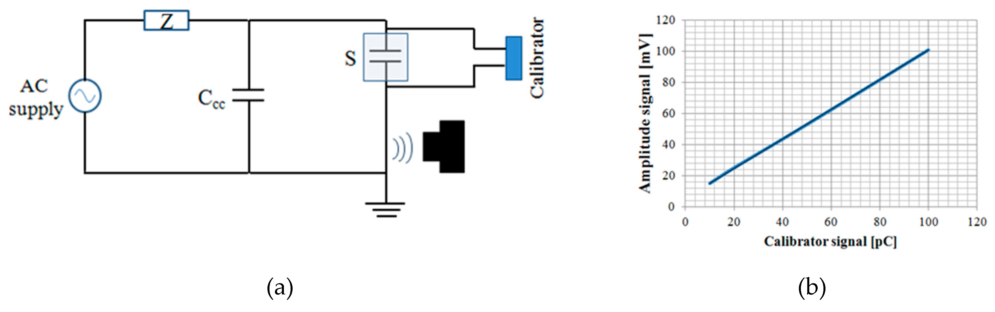
3. Sensor Behavior and Free-Space Radiometric PD Measurements
4. Basic PD Phenomena Characterization: Internal, Surface, and Corona Discharges
5. Simultaneous Presence of Different PD Phenomena
6. Other Applications of the Antenna Sensor
6.1. The Detection of PD Under Square Wave Voltage
6.2. The Continuous Periodic DC Waveform
6.3. Simultaneous Measurement of PD and Space Charge
7. Conclusions
Author Contributions
Conflicts of Interest
References
- Smit, J.J.; Gulski, E.; Wester, F.J. Economical and technical aspects of advanced PD diagnostics to support condition based maintenance of HV assets. In Proceedings of the Transmission and Distribution Conference and Exhibition, Yokohama, Japan, 6–10 October 2002. [Google Scholar]
- Okabe, S.; Ueta, G.; Wada, H.; Okubo, H. Partial discharge-induced degradation characteristics of insulating materials of gas-filled power transformers. IEEE Trans. Dielectr. Electr. Insul. 2010, 17, 1715–1723. [Google Scholar] [CrossRef]
- Lopez-Roldan, J.; Tang, T.; Gaskin, M. Optimisation of a sensor for onsite detection of partial discharges in power transformers by the UHF method. IEEE Trans. Dielectr. Electr. Insul. 2008, 15, 1634–1639. [Google Scholar] [CrossRef]
- Zhang, C.; Dong, M.; Ren, M.; Huang, W.; Zhou, J.; Gao, X.; Albarracìn, R. Partial Discharge Monitoring on Metal-Enclosed Switchgear with Distributed Non-Contact Sensors. Sensors 2018, 18, 551. [Google Scholar] [CrossRef] [PubMed]
- Han, X.; Li, J.; Zhang, L.; Pang, P.; Shen, S. A Novel PD Detection Technique for Use in GIS Based on a Combination of UHF and Optical Sensors. IEEE Trans. Instrum. Meas. 2018, 99, 1–8. [Google Scholar] [CrossRef]
- Rodrigo Mor, A.; Castro Heredia, L.C.; Muñoz, F.A. A Novel Approach for Partial Discharge Measurements on GIS Using HFCT Sensors. Sensors 2018, 18, 4482. [Google Scholar] [CrossRef] [PubMed]
- Candela, R.; Di Stefano, A.; Fiscelli, G.; Franchi Bononi, S.; De Rai, L. A novel partial discharge detection system based on wireless technology. In Proceedings of the AEIT Annual Conference, Palermo, Italy, 3–5 October 2013. [Google Scholar]
- Candela, R.; Di Stefano, A.; Fiscelli, G.; Giaconia, G.C. Portable Partial Discharge Detection Device. Patent EP2297589/WO2009150627, 11 June 2009. [Google Scholar]
- Candela, R.; Di Stefano, A.; Fiscelli, G.; Franchi Bononi, S.; Giaconia, G.C.; Gualano, A. Test procedures for use of wireless partial discharges instrumentation in HV networks. In Proceedings of the CIGRÉ, Paris, France, 24–29 August 2014. [Google Scholar]
- Ardila-Rey, J.A.; Rojas-Moreno, M.V.; Martínez-Tarifa, J.M.; Robles, G. Inductive Sensor Performance in Partial Discharges and Noise Separation by Means of Spectral Power Ratios. Sensors 2014, 14, 3408–3427. [Google Scholar] [CrossRef] [PubMed]
- Robles, G.; Fresno, J.M.; Martínez-Tarifa, J.M. Separation of Radio-Frequency Sources and Localization of Partial Discharges in Noisy Environments. Sensors 2015, 15, 9882–9898. [Google Scholar] [CrossRef] [PubMed]
- Boya, C.; Robles, G.; Parrado-Hernández, E.; Ruiz-Llata, M. Detection of Partial Discharge Sources Using UHF Sensors and Blind Signal Separation. Sensors 2017, 17, 2625. [Google Scholar] [CrossRef] [PubMed]
- Li, P.; Zhou, W.; Yang, S.; Liu, Y.; Tian, Y.; Wang, Y. A Novel Method for Separating and Locating Multiple Partial Discharge Sources in a Substation. Sensors 2017, 17, 247. [Google Scholar] [CrossRef] [PubMed]
- Robles, G.; Sánchez-Fernández, M.; Albarracín Sánchez, R.; Rojas-Moreno, M.V.; Rajo-Iglesias, E.; Martínez-Tarifa, J.M. Antenna Parametrization for the Detection of Partial Discharges. IEEE Trans. Instrum. Meas. 2013, 62, 932–941. [Google Scholar] [CrossRef]
- Shibuya, Y.; Matsumoto, S.; Tanaka, M.; Muto, H.; Kaneda, Y. Electromagnetic waves from partial discharges and their detection using patch antenna. IEEE Trans. Dielectr. Electr. Insul. 2010, 17, 862–871. [Google Scholar] [CrossRef]
- Ala, G.; Candela, R.; Viola, F. Detection of Radiated EM Transients by Exploiting Compact Spherical Antenna Features. Recent Adv. Electr. Electron. Eng. 2011, 4, 202–208. [Google Scholar] [CrossRef]
- Candela, R.; Contin, A. A portable instrument for the location and identification of defects generating PD. In Proceedings of the Electrical Insulation Conference (EIC), Annapolis, MD, USA, 5–8 June 2011. [Google Scholar]
- High-Voltage Test Techniques—Partial Discharge Measurements. Available online: http://tavanayrianik.ir/IEC.60270.2000.BRITISH.pdf (accessed on 27 February 2019).
- Madonia, A.; Riva Sanseverino, E.; Romano, P.; Troia, I.; Franchi Bononi, S.; Albertini, M.; Giannini, S.; Mazzanti, G. Wireless partial discharge tracking on cross-linked polyethylene MV and HV cables. IEEE Electr. Insul. Mag. 2018, 34, 8–17. [Google Scholar] [CrossRef]
- Jaber, A.A.; Lazaridis, P.I.; Moradzadeh, M.; Gloveret, I.A.; Zaharis, Z.D.; Vieira, M.F.Q.; Judd, M.D.; Atkinson, R.C. Calibration of free-space radiometric partial discharge measurements. IEEE Trans. Dielectr. Electr. Insul. 2017, 24, 3004–3014. [Google Scholar] [CrossRef]
- Martínez-Tarifa, J.M.; Robles, G.; Rojas-Moreno, M.V.; Sanz-Feito, J. Partial discharge pulse shape recognition using an inductive loop sensor. Meas. Sci. Technol. 2010, 21, 105706. [Google Scholar] [CrossRef]
- Romano, P.; Hammarstöm, T.; Bengtsson, T.; Imburgia, A.; Madonia, A.; Viola, F.; Gubanski, S. Partial discharges at different voltage waveshapes: Comparison between two different acquisition systems. IEEE Trans. Dielectr. Electr. Insul. 2018, 25, 584–593. [Google Scholar] [CrossRef]
- Romano, P.; Presti, G.; Imburgia, A.; Candela, R. A new approach to partial discharge detection under DC voltage. IEEE Electr. Insul. Mag. 2018, 34, 32–41. [Google Scholar] [CrossRef]
- Imburgia, A.; Romano, P.; Viola, F.; Madonia, A.; Candela, R.; Troia, I. Space charges and partial discharges simultaneous measurements under DC stress. In Proceedings of the Conference on Electrical Insulation and Dielectric Phenomena (CEIDP), Toronto, ON, Canada, 17–20 October 2016. [Google Scholar]
- Imburgia, A.; Miceli, R.; Sanseverino, E.R.; Romano, P.; Viola, F. Review of space charge measurement systems: Acoustic, thermal and optical methods. IEEE Trans. Dielectr. Electr. Insul. 2016, 23, 3126–3142. [Google Scholar] [CrossRef]




















| Sensor | |
| Type: | Electromagnetic, based on a patented Ultra Wide Band antenna, also providing AC synch signal |
| Bandwidth: | 0.5–100 MHz |
| PD sensitivity: | Down to 1 pC |
| Synch sensitivity: | Down to about 150 VAC (at 10 cm) |
| Synch frequency: | From 10 Hz to 1 KHz |
| Acquisition Unit | |
| Sampling frequency: | 200 MS/s |
| Bandwidth: | 100 MHz |
| Gain: | From 0 dB to 40 dB |
| Trigger: | Digital, fully configurable |
| Synch resolution: | 16 bit (5 μs) |
| Timestamp resolution: | 5 ns |
| Processing: | Real-time filtering, high-speed pattern only, TDR |
| Repetition Rate | |
| Full pulse waveform: | Ethernet >10,000 pps, WiFi: >3,000-6,000 pps |
| Pattern only: | Ethernet >50,000 pps, WiFi: >10,000 pps |
| Interfaces: | Wireless 802.11 b/g (WiFi), Optical Fiber Ethernet (100-Base FX, optional) |
| Remote Synch: | Wireless RF interface @ 868 MHz |
| Working mode: | Local, remote and monitoring |
| Power supply: | 12 V, 200 mA |
| Backup battery: | Li-Po 7.4 V, 2200 mAh |
| Autonomy in battery mode: | About 5 h |
| Weight: | About 400 g (depending on options) |
| Working temperature: | From −25 °C to 70 °C |
| Dimensions: | 160 mm × 120 mm × 130 mm (LxWxH) |
| Case: | Rugged ABS plastic with IP67 protection rating |
© 2019 by the authors. Licensee MDPI, Basel, Switzerland. This article is an open access article distributed under the terms and conditions of the Creative Commons Attribution (CC BY) license (http://creativecommons.org/licenses/by/4.0/).
Share and Cite
Romano, P.; Imburgia, A.; Ala, G. Partial Discharge Detection Using a Spherical Electromagnetic Sensor. Sensors 2019, 19, 1014. https://doi.org/10.3390/s19051014
Romano P, Imburgia A, Ala G. Partial Discharge Detection Using a Spherical Electromagnetic Sensor. Sensors. 2019; 19(5):1014. https://doi.org/10.3390/s19051014
Chicago/Turabian StyleRomano, Pietro, Antonino Imburgia, and Guido Ala. 2019. "Partial Discharge Detection Using a Spherical Electromagnetic Sensor" Sensors 19, no. 5: 1014. https://doi.org/10.3390/s19051014
APA StyleRomano, P., Imburgia, A., & Ala, G. (2019). Partial Discharge Detection Using a Spherical Electromagnetic Sensor. Sensors, 19(5), 1014. https://doi.org/10.3390/s19051014
