Real-Time Underwater Image Recognition with FPGA Embedded System for Convolutional Neural Network
Abstract
1. Introduction
2. Methodology
3. System Structure
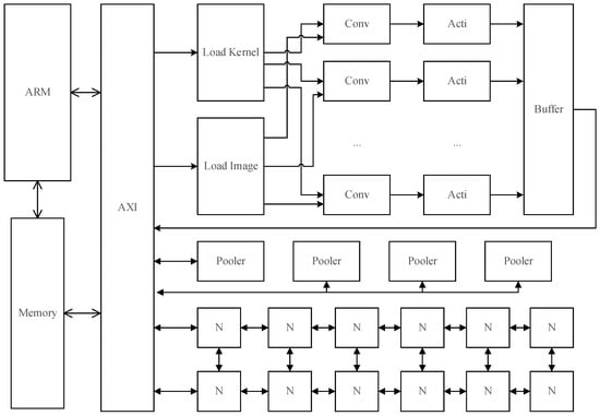
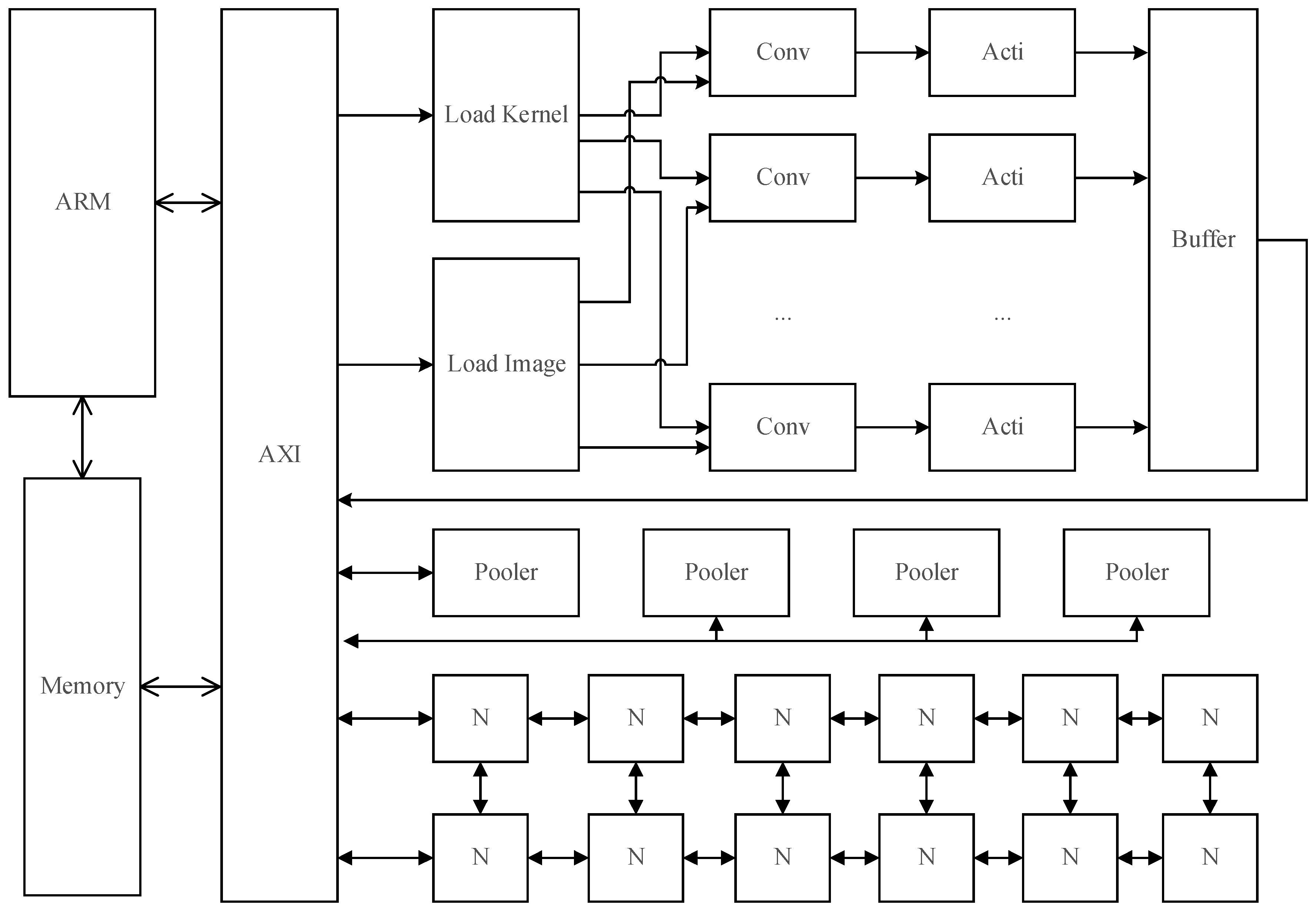
3.1. Architecture
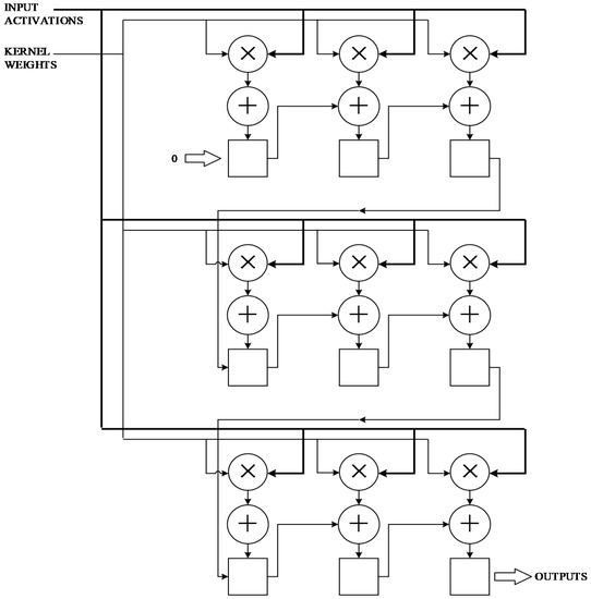
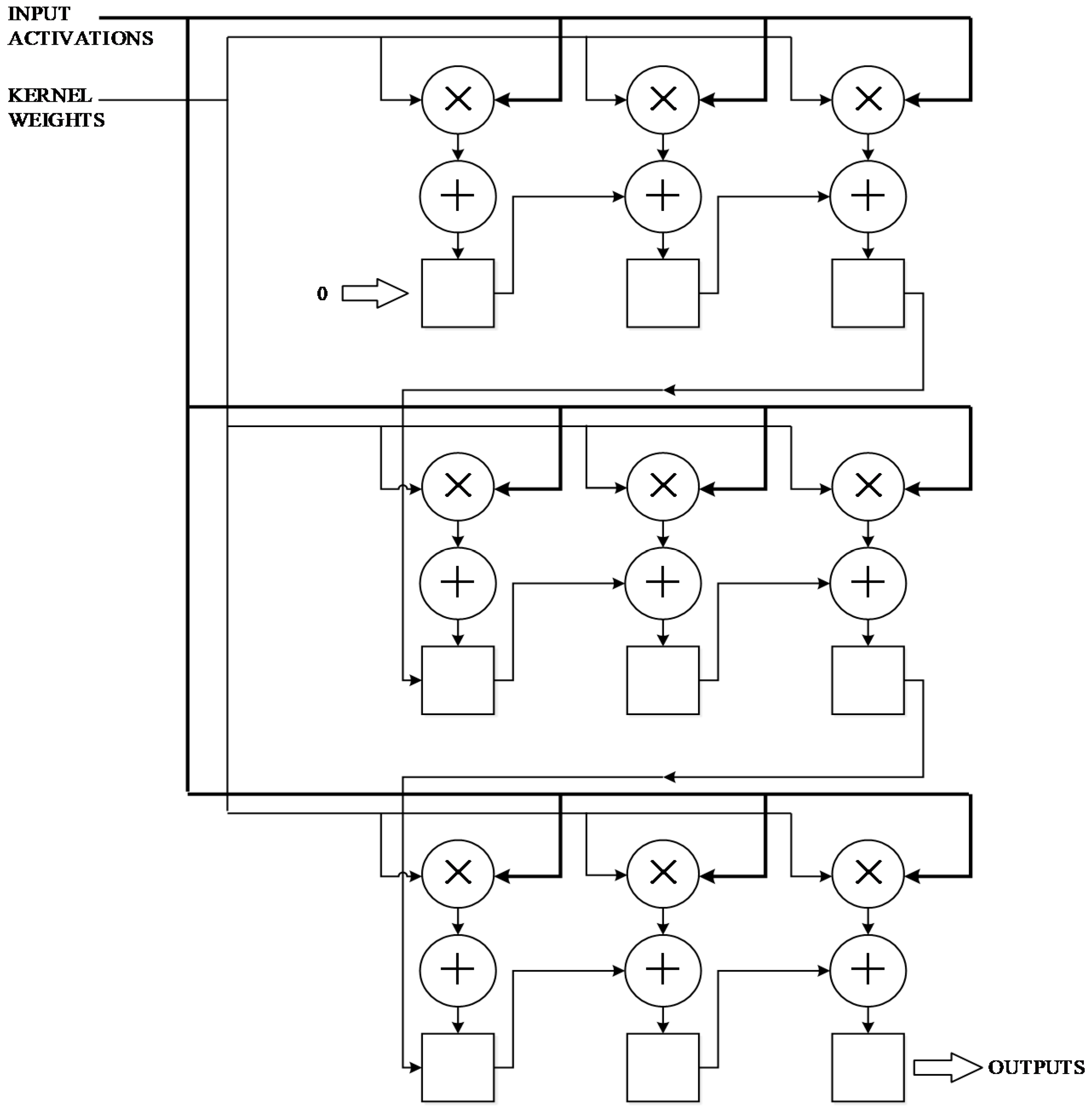
3.2. Convolution Layer Design
3.3. Fully-Connected Layers Design
4. Experiment Setup
4.1. Evaluation Criteria
4.2. Experiment Result
5. Conclusions
Author Contributions
Funding
Conflicts of Interest
References
- Marsh, L.; Copley, J.T.; Huvenne, V.A.; Tyler, P.A. Getting the bigger picture: Using precision Remotely Operated Vehicle (ROV) videography to acquire high-definition mosaic images of newly discovered hydrothermal vents in the Southern Ocean. Deep Sea Res. Part II Top. Stud. Oceanogr. 2013, 92, 124–135. [Google Scholar] [CrossRef]
- Jiang, Y.; Gou, Y.; Zhang, T.; Wang, K.; Hu, C. A machine learning approach to argo data analysis in a thermocline. Sensors 2017, 17, 2225. [Google Scholar] [CrossRef] [PubMed]
- Jiang, Y.; Zhao, M.; Hu, C.; He, L.; Bai, H.; Wang, J. A parallel FP-growth algorithm on World Ocean Atlas data with multi-core CPU. The journal of Supercomputing. 2018, 1–14. [Google Scholar] [CrossRef]
- Zerr, B.; Mailfert, G.; Bertholom, A.; Ayreault, H. Sidescan sonar image processing for auv navigation. In Proceedings of the Europe Oceans 2005, Brest, France, 20–23 June 2005; Volume 1, pp. 124–130. [Google Scholar] [CrossRef]
- Allotta, B.; Caiti, A.; Costanzi, R.; Fanelli, F.; Fenucci, D.; Meli, E.; Ridolfi, A. A new AUV navigation system exploiting unscented Kalman filter. Ocean Eng. 2016, 113, 121–132. [Google Scholar] [CrossRef]
- Degalahal, V.; Tuan, T. Methodology for high level estimation of FPGA power consumption. In Proceedings of the ACM 2005 Asia and South Pacific Design Automation Conference, Shanghai, China, 18–21 January 2005; pp. 657–660. [Google Scholar] [CrossRef]
- Guan, Y.; Yuan, Z.; Sun, G.; Cong, J. FPGA-based accelerator for long short-term memory recurrent neural networks. In Proceedings of the 2017 22nd Asia and South Pacific Design Automation Conference (ASP-DAC), Chiba, Japan, 16–19 January 2017; pp. 629–634. [Google Scholar] [CrossRef]
- Jiang, Y.; Zhang, T.; Gou, Y.; He, L.; Bai, H.; Hu, C. High-resolution temperature and salinity model analysis using support vector regression. J. Ambient Intell. Hum. Comput. 2018, 1–9. [Google Scholar] [CrossRef]
- Nuno-Maganda, M.A.; Arias-Estrada, M.O. Real-time FPGA-based architecture for bicubic interpolation: An application for digital image scaling. In Proceedings of the International Conference on Reconfigurable Computing and FPGAs, Puebla City, Mexico, 28–30 September 2005; Volume 1. [Google Scholar] [CrossRef]
- Klein, B.; Hochgürtel, S.; Krämer, I.; Bell, A.; Meyer, K.; Güsten, R. High-resolution wide-band fast Fourier transform spectrometers. Astron. Astrophys. 2012, 542, L3. [Google Scholar] [CrossRef]
- Lifeng, W.; Shanqing, H.; Teng, L. Design and implementation of multi-rate data exchange system for radar signal processing. In Proceedings of the IET International Radar Conference, Guilin, China, 20–22 April 2009. [Google Scholar] [CrossRef]
- Nane, R.; Sima, V.M.; Pilato, C.; Choi, J.; Koen, B. A survey and evaluation of FPGA high-level synthesis tools. IEEE Trans. Comput.-Aided Des. Integr. Circuits Syst. 2016, 35, 1591–1604. [Google Scholar] [CrossRef]
- Farabet, C.; LeCun, Y.; Kavukcuoglu, K.; Culurciello, E.; Martini, B.; Akselrod, P.; Talay, S. Large-scale FPGA-based convolutional networks. In Scaling up Machine Learning: Parallel and Distributed Approaches; Cambridge University Press: Cambridge, UK, 2011; pp. 399–419. [Google Scholar]
- Choi, Y.; Cong, J.; Fang, Z.; Hao, Y.; Reinman, G.; Peng, W. A quantitative analysis on microarchitectures of modern CPU-FPGA platforms. In Proceedings of the ACM 53rd Annual Design Automation Conference, Austin, TX, USA, 5–9 June 2016; p. 109. [Google Scholar] [CrossRef]
- LeCun, Y.; Bengio, Y.; Hinton, G. Deep learning. Nature 2015, 521, 436. [Google Scholar] [CrossRef] [PubMed]
- Bilen, H.; Fernando, B.; Gavves, E.; Vedaldi, A.; Gould, S. Dynamic image networks for action recognition. In Proceedings of the IEEE Conference on Computer Vision and Pattern Recognition, Las Vegas, NV, USA, 27–30 June 2016; pp. 3034–3042. [Google Scholar] [CrossRef]
- Zhang, X.; Zou, J.; Ming, X.; He, K.; Sun, J. Efficient and accurate approximations of nonlinear convolutional networks. In Proceedings of the IEEE Conference on Computer Vision and Pattern Recognition, Boston, MA, USA, 7–12 June 2015; pp. 1984–1992. [Google Scholar] [CrossRef]
- Jaderberg, M.; Vedaldi, A.; Zisserman, A. Speeding up convolutional neural networks with low rank expansions. arXiv, 2014; arXiv:1405.3866. [Google Scholar]
- Krizhevsky, A.; Sutskever, I.; Hinton, G.E. Imagenet classification with deep convolutional neural networks. In Proceedings of the 25th International Conference on Neural Information Processing Systems, Lake Tahoe, NV, USA, 3–6 December 2012. [Google Scholar]
- Tompson, J.J.; Jain, A.; LeCun, Y.; Bregler, C. Joint training of a convolutional network and a graphical model for human pose estimation. In Proceedings of the NIPS 2014: Neural Information Processing Systems Conference, Montreal, Canada, 8–13 December 2014; pp. 1799–1807. [Google Scholar]
- Hinton, G.; Deng, L.; Yu, D.; Dahl, G.; Mohamed, A.R.; Jaitly, N.; Senior, A.; Vanhoucke, V.; Nguyen, P.; Sainath, T.N.; et al. Deep neural networks for acoustic modeling in speech recognition: The shared views of four research groups. IEEE Signal Process. Mag. 2012, 29, 82–97. [Google Scholar] [CrossRef]
- Silver, D.; Schrittwieser, J.; Simonyan, K.; Antonoglou, I.; Huang, A.; Guez, A.; Hurbert, T.; Baker, L.; Lai, M.; Bolton, A.; et al. Mastering the game of Go without human knowledge. Nature 2017, 550, 354. [Google Scholar] [CrossRef] [PubMed]
- Wang, C.; Gong, L.; Yu, Q.; Xi, L.; Xie, Y.; Zhou, X. DLAU: A scalable deep learning accelerator unit on FPGA. IEEE Trans. Comput.-Aided Des. Integr. Circuits Syst. 2017, 36, 513–517. [Google Scholar] [CrossRef]
- Qiu, J.; Wang, J.; Yao, S.; Cuo, K.; Li, B.; Zhou, E.; Yu, J.; Tang, T.; Xu, N.; Song, S.; et al. Going deeper with embedded fpga platform for convolutional neural network. In Proceedings of the 2016 ACM/SIGDA International Symposium on Field-Programmable Gate Arrays, Monterey, CA, USA, 21–23 February 2016; pp. 26–35. [Google Scholar] [CrossRef]
- Guo, J.; Yin, S.; Ouyang, P.; Liu, L.; Wei, S. Bit-Width Based Resource Partitioning for CNN Acceleration on FPGA. In Proceedings of the 2017 IEEE 25th Annual International Symposium on Field-Programmable Custom Computing Machines (FCCM), Napa, CA, USA, 30 April–2 May 2017; p. 31. [Google Scholar] [CrossRef]
- Farabet, C.; Poulet, C.; Han, J.Y.; Lecun, Y. Cnp: An fpga-based processor for convolutional networks. In Proceedings of the 2009 IEEE International Conference on Field Programmable Logic and Applications (FPL 2009), Prague, Czech Republic, 31 August–2 September 2009; pp. 32–37. [Google Scholar] [CrossRef]
- Del Sozzo, E.; Di Tucci, L.; Santambrogio, M.D. A highly scalable and efficient parallel design of N-body simulation on FPGA. In Proceedings of the 2017 IEEE International Parallel and Distributed Processing Symposium Workshops (IPDPSW), Lake Buena Vista, FL, USA, 29 May–2 June 2017; pp. 241–246. [Google Scholar] [CrossRef]
- Bouvrie, J. Notes on Convolutional Neural Networks. Available online: http://cogprints.org/5869/ (accessed on 15 January 2019).
- Xilinx, Inc. Xilinx Zynq-7000 All Programmable SoC Accelerates the Development of Trusted Systems at ARM TechCon 2012; Xilinx Inc.: San Jose, CA, USA, 2012. [Google Scholar]
- Schmidhuber, J. Deep learning in neural networks: An overview. Neural Netw. 2015, 61, 85–117. [Google Scholar] [CrossRef]









| Sum | Water | Algae | Rock | Bubble | |
|---|---|---|---|---|---|
| shallow water | 4056 | 1661 | 652 | 1188 | 555 |
| middle water | 4836 | 1789 | 877 | 1820 | 350 |
| weak light | 5508 | 1456 | 1879 | 2173 | - |
| Loss | Accuracy | |
|---|---|---|
| Shallow water | 0.59 | 0.887 |
| Middle water | 0.44 | 0.923 |
| Weak light | 0.43 | 0.861 |
| Loss1 | Acc1 | Time1 | Loss2 | Acc2 | Time2 | |
|---|---|---|---|---|---|---|
| Shallow water | 0.61 | 0.872 | 8.0 s | 0.61 | 0.872 | 4.0 s |
| Middle water | 0.48 | 0.920 | 8.0 s | 0.48 | 0.920 | 4.1 s |
| Weak light | 0.44 | 0.865 | 9.9 s | 0.42 | 0.865 | 4.5 s |
| Lossf | Accf | Timef | Lossc | Accc | Timec | Losse | Acce | Timee | |
|---|---|---|---|---|---|---|---|---|---|
| Test1 | 0.61 | 0.872 | 4.0 s | 0.60 | 0.872 | <1 s | 0.60 | 0.872 | 479.6 s |
| Test2 | 0.48 | 0.920 | 4.1 s | 0.48 | 0.920 | <1 s | 0.48 | 0.920 | 572.9 s |
| Test3 | 0.44 | 0.865 | 4.5 s | 0.42 | 0.865 | <1 s | 0.42 | 0.865 | 656.3 s |
© 2019 by the authors. Licensee MDPI, Basel, Switzerland. This article is an open access article distributed under the terms and conditions of the Creative Commons Attribution (CC BY) license (http://creativecommons.org/licenses/by/4.0/).
Share and Cite
Zhao, M.; Hu, C.; Wei, F.; Wang, K.; Wang, C.; Jiang, Y. Real-Time Underwater Image Recognition with FPGA Embedded System for Convolutional Neural Network. Sensors 2019, 19, 350. https://doi.org/10.3390/s19020350
Zhao M, Hu C, Wei F, Wang K, Wang C, Jiang Y. Real-Time Underwater Image Recognition with FPGA Embedded System for Convolutional Neural Network. Sensors. 2019; 19(2):350. https://doi.org/10.3390/s19020350
Chicago/Turabian StyleZhao, Minghao, Chengquan Hu, Fenglin Wei, Kai Wang, Chong Wang, and Yu Jiang. 2019. "Real-Time Underwater Image Recognition with FPGA Embedded System for Convolutional Neural Network" Sensors 19, no. 2: 350. https://doi.org/10.3390/s19020350
APA StyleZhao, M., Hu, C., Wei, F., Wang, K., Wang, C., & Jiang, Y. (2019). Real-Time Underwater Image Recognition with FPGA Embedded System for Convolutional Neural Network. Sensors, 19(2), 350. https://doi.org/10.3390/s19020350
