A Wearable Wrist Band-Type System for Multimodal Biometrics Integrated with Multispectral Skin Photomatrix and Electrocardiogram Sensors
Abstract
1. Introduction
2. Background
2.1. Multispectral Skin Photomatrix (MSP) Biometrics
2.2. Electrocardiogram (ECG) Biometrics
2.3. Distance Based Biometrics Authentication
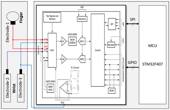
3. Methods
3.1. System Configuration of WSB
3.2. ECG Signal Processing
3.3. MSP Signal Processing
3.4. User Template Guided Filter for MSP Signal
3.5. Single Threshold Multimodal Majority Voting
| Algorithm 1 Majority Voting Based Decision Level Fusion |
|
4. Experimental Results
4.1. Data Acquisition
- (1)
- participants placed their right index finger on the outer facing ECG electrode,
- (2)
- the ECG data stream was acquired for 30 s,
- (3)
- participants removed their right index finger from the ECG electrode,
- (4)
- participants then donned device C on their right wrist; MSP data from both devices A and C were simultaneously acquired from five runs of four cycles in the Red/IR mode (for approximately 20 s),
- (5)
- participants removed devices A and C (Red/IR mode),
- (6)
- participants donned devices B and D (Yellow/IR mode),
- (7)
- MSP data from both these devices were acquired with five runs of four cycles in the Yellow/IR mode (for approximately 20 s),
- (8)
- Finally, participants removed the devices and data capture was finished.
4.2. Data Pre-Processing and Evaluation Criteria
4.3. Proposed Methods Description and Authentication Results
5. Discussion
6. Conclusions
Author Contributions
Funding
Conflicts of Interest
Abbreviations
| ECG | Electrocardiogram |
| EEG | Electroencephalogram |
| Equal Error Rate | |
| False Acceptance Rate | |
| False Rejection Rate | |
| False Rejection Rate at | |
| GF | Guided Filter |
| GLRT | Generalized Likelihood Ratio Test |
| HR | Heart Rate |
| MSP | Multispectral Skin Photomatrix |
| MV | Majority Voting |
| PD | Photodiode |
| Probability of Detection at | |
| WSB | Wearable Security Band |
References
- Jain, A.; Hong, L.; Pankanti, S. Biometric identification. Commun. ACM 2000, 43, 90–98. [Google Scholar] [CrossRef]
- Prabhakar, S.; Pankanti, S.; Jain, A.K. Biometric recognition: Security and privacy concerns. IEEE Secur. Priv. 2003, 1, 33–42. [Google Scholar] [CrossRef]
- Ortega-Garcia, J.; Bigun, J.; Reynolds, D.; Gonzalez-Rodriguez, J. Authentication gets personal with biometrics. IEEE Signal Process. Mag. 2004, 21, 50–62. [Google Scholar] [CrossRef]
- Jain, A.K.; Ross, A.; Prabhakar, S. An Introduction to Biometric Recognition. IEEE Trans. Circuits Syst. Video Technol. 2004, 14, 4–20. [Google Scholar] [CrossRef]
- Unar, J.A.; Seng, W.C.; Abbasi, A. A review of biometric technology along with trends and prospects. Pattern Recognit. 2014, 47, 2673–2688. [Google Scholar] [CrossRef]
- Bhardwaj, I.; Londhe, N.D.; Kopparapu, S.K. A spoof resistant multibiometric system based on the physiological and behavioral characteristics of fingerprint. Pattern Recognit. 2017, 62, 214–224. [Google Scholar] [CrossRef]
- Al-Maadeed, S.; Bourif, M.; Bouridane, A.; Jiang, R. Low-quality facial biometric verification via dictionary-based random pooling. Pattern Recognit. 2016, 52, 238–248. [Google Scholar] [CrossRef]
- Belcher, C.; Du, Y. A Selective Feature Information Approach for Iris Image-Quality Measure. IEEE Trans. Inf. Forensics Secur. 2008, 3, 572–577. [Google Scholar] [CrossRef]
- Kumar, A.; Prathyusha, K.V. Personal Authentication Using Hand Vein Triangulation and Knuckle Shape. IEEE Trans. Image Process. 2009, 18, 2127–2136. [Google Scholar] [CrossRef] [PubMed]
- Wang, J.; Wang, G. Quality-Specific Hand Vein Recognition System. IEEE Trans. Inf. Forensics Secur. 2017, 12, 2599–2610. [Google Scholar] [CrossRef]
- Chen, Y.; Atnafu, A.D.; Schlattner, I.; Weldtsadik, W.T.; Roh, M.C.; Kim, H.J.; Lee, S.W.; Blankertz, B.; Fazli, S. A High-Security EEG-Based Login System with RSVP Stimuli and Dry Electrodes. IEEE Trans. Inf. Forensics Secur. 2016, 11, 2635–2647. [Google Scholar] [CrossRef]
- Nakamura, T.; Goverdovsky, V.; Mandic, D.P. In-ear EEG biometrics for feasible and readily collectable real-world person authentication. IEEE Trans. Inf. Forensics Secur. 2017, 13, 648–661. [Google Scholar] [CrossRef]
- Odinaka, I.; Lai, P.H.; Kaplan, A.D.; O’Sullivan, J.A.; Sirevaag, E.J.; Rohrbaugh, J.W. ECG Biometric Recognition: A Comparative Analysis. IEEE Trans. Inf. Forensics Secur. 2012, 7, 1812–1824. [Google Scholar] [CrossRef]
- Chun, S.Y. Single pulse ECG-based small scale user authentication using guided filtering. In Proceedings of the 2016 International Conference on Biometrics (ICB), Halmstad, Sweden, 13–16 June 2016; pp. 1–7. [Google Scholar]
- Chun, S.Y. Small Scale Single Pulse ECG-based Authentication using GLRT that Considers T Wave Shift and Adaptive Template Update with Prior Information. In Proceedings of the 23rd International Conference on Pattern Recognition (ICPR), Cancun, Mexico, 4–8 December 2016; pp. 3038–3043. [Google Scholar]
- Jo, Y.C.; Kim, H.N.; Kang, J.H.; Hong, H.K.; Choi, Y.S.; Jung, S.W.; Kim, S.P. Novel wearable-type biometric devices based on skin tissue optics with multispectral LED–photodiode matrix. Jpn. J. Appl. Phys. 2017, 56, 04CM01. [Google Scholar]
- Blasco, J.; Chen, T.M.; Tapiador, J.; Peris-Lopez, P. A Survey of Wearable Biometric Recognition Systems. ACM Comput. Surv. 2016, 49, 1–35. [Google Scholar] [CrossRef]
- Gofman, M.I.; Mitra, S. Multimodal biometrics for enhanced mobile device security. Commun. ACM 2016, 59, 58–65. [Google Scholar] [CrossRef]
- Snelick, R.; Uludag, U.; Mink, A.; Indovina, M.; Jain, A. Large-scale evaluation of multimodal biometric authentication using state-of-the-art systems. IEEE Trans. Pattern Anal. Mach. Intell. 2005, 27, 450–455. [Google Scholar] [CrossRef] [PubMed]
- Nagar, A.; Nandakumar, K.; Jain, A.K. Multibiometric Cryptosystems Based on Feature-Level Fusion. IEEE Trans. Inf. Forensics Secur. 2012, 7, 255–268. [Google Scholar] [CrossRef]
- Wild, P.; Radu, P.; Chen, L.; Ferryman, J. Robust multimodal face and fingerprint fusion in the presence of spoofing attacks. Pattern Recognit. 2016, 50, 17–25. [Google Scholar] [CrossRef]
- Aronowitz, H.; Li, M.; Toledo-Ronen, O.; Harary, S.; Geva, A.; Ben-David, S.; Rendel, A.; Hoory, R.; Ratha, N.; Pankanti, S.; et al. Multi-modal biometrics for mobile authentication. In Proceedings of the 2014 IEEE/IAPR International Joint Conference on Biometrics, Clearwater, FL, USA, 29 September–2 Octorber 2014; pp. 1–8. [Google Scholar]
- Gasti, P.; Sedenka, J.; Yang, Q.; Zhou, G.; Balagani, K.S. Secure, Fast, and Energy-Efficient Outsourced Authentication for Smartphones. IEEE Trans. Inf. Forensics Secur. 2016, 11, 2556–2571. [Google Scholar] [CrossRef]
- Chun, S.Y.; Kang, J.H.; Kim, H.; Lee, C.; Oakley, I.; Kim, S.P. ECG based user authentication for wearable devices using short time Fourier transform. In Proceedings of the 39th International Conference on Telecommunications and Signal Processing (TSP), Vienna, Austria, 27–29 June 2016; pp. 656–659. [Google Scholar]
- Zhang, Q.; Zhou, D. Deep Arm/Ear-ECG Image Learning for Highly Wearable Biometric Human Identification. Ann. Biomed. Eng. 2018, 46, 122–134. [Google Scholar] [CrossRef] [PubMed]
- Raghavendra, R.; Busch, C. A low cost wrist vein sensor for biometric authentication. In Proceedings of the IEEE International Conference on Imaging Systems and Techniques, Chania, Greece, 4–6 October 2016; pp. 201–205. [Google Scholar]
- Zhou, Y.; Liu, Y.; Feng, Q.; Yang, F.; Huang, J.; Nie, Y. Palm-Vein Classification Based on Principal Orientation Features. PLoS ONE 2014, 9, e112429. [Google Scholar] [CrossRef] [PubMed]
- Zhang, D.; Guo, Z.; Gong, Y. Multispectral Biometrics: Systems and Applications; Springer: Berlin/Heidelberg, Germany, 2015. [Google Scholar]
- Akhtar, Z.; Micheloni, C.; Foresti, G.L. Biometric Liveness Detection: Challenges and Research Opportunities. IEEE Secur. Privacy 2015, 13, 63–72. [Google Scholar] [CrossRef]
- Sriram, J.C.; Shin, M.; Choudhury, T.; Kotz, D. Activity-aware ECG-based patient authentication for remote health monitoring. In Proceedings of the International Conference on Multimodal Interfaces and the Workshop on Machine Learning for Multimodal Interfaces, Cambridge, MA, USA, 2–6 November 2009; pp. 297–304. [Google Scholar]
- Coutinho, D.P.; Fred, A.L.N.; Figueiredo, M.A.T. One-Lead ECG-based Personal Identification Using Ziv-Merhav Cross Parsing. In Proceedings of the 20th International Conference on Pattern Recognition, Istanbul, Turkey, 23–26 August 2010; pp. 3858–3861. [Google Scholar]
- Kim, H.; Nguyen, M.P.; Chun, S.Y. Cancelable ECG biometrics using GLRT and performance improvement using guided filter with irreversible guide signal. In Proceedings of the 39th Annual International Conference of the IEEE Engineering in Medicine and Biology Society (EMBC), Jeju Island, Korea, 11–15 July 2017; pp. 454–457. [Google Scholar]
- Fira, C.M.; Goras, L.; Barabasa, C. ECG compressed sensing based on classification in compressed space and specified dictionaries. In Proceedings of the European Signal Processing Conference, Barcelona, Spain, 29 August–2 September 2011; pp. 1573–1577. [Google Scholar]
- Irvine, J.M.; Israel, S.A. A Sequential Procedure for Individual Identity Verification Using ECG. EURASIP J. Adv. Signal Process. 2009, 2009, 243215. [Google Scholar] [CrossRef]
- Porée, F.; Kervio, G.; Carrault, G. ECG biometric analysis in different physiological recording conditions. Signal Image Video Process. 2016, 10, 267–276. [Google Scholar] [CrossRef]
- Israel, S.A.; Irvine, J.M.; Cheng, A.; Wiederhold, M.D.; Wiederhold, B.K. ECG to identify individuals. Pattern Recognit. 2005, 38, 133–142. [Google Scholar] [CrossRef]
- Sung, D.; Kim, J.; Koh, M.; Park, K. ECG authentication in post-exercise situation. In Proceedings of the 39th Annual International Conference of the IEEE Engineering in Medicine and Biology Society (EMBC), Jeju Island, Korea, 11–15 July 2017; pp. 446–449. [Google Scholar]
- Lugovaya, T.S. Biometric hUman Identification Based on Electrocardiogram. Ph.D. Thesis, Faculty of Computing Technologies and Informatics, Electrotechnical University “LETI”, Saint-Petersburg, Russian Federation, 2005. [Google Scholar]
- Nemati, E.; Deen, M.J.; Mondal, T. A wireless wearable ECG sensor for long-term applications. IEEE Commun. Mag. 2012, 50, 36–43. [Google Scholar] [CrossRef]
- Elgendi, M.; Eskofier, B.; Dokos, S.; Abbott, D. Revisiting QRS Detection Methodologies for Portable, Wearable, Battery-Operated, and Wireless ECG Systems. PLoS ONE 2014, 9, e84018. [Google Scholar] [CrossRef] [PubMed]
- Arteaga-Falconi, J.S.; Al Osman, H.; El Saddik, A. ECG Authentication for Mobile Devices. IEEE Trans. Instrum. Meas. 2016, 65, 591–600. [Google Scholar] [CrossRef]
- Kang, S.J.; Lee, S.Y.; Cho, H.I.; Park, H. ECG Authentication System Design Based on Signal Analysis in Mobile and Wearable Devices. IEEE Signal Process. Lett. 2016, 23, 805–808. [Google Scholar] [CrossRef]
- Ye, C.; Coimbra, M.T.; Kumar, B.V.K.V. Investigation of human identification using two-lead electrocardiogram (ECG) signals. In Proceedings of the 4th IEEE International Conference on Biometrics: Theory Applications and Systems (BTAS), Washington, DC, USA, 27–29 September 2010; pp. 1–8. [Google Scholar]
- Yin, S.; Ma, Y.; Liu, Y.; Bae, C.; Kim, S.; He, J.; Cao, Y.; Seo, J. Low-Power ECG Biometric Authentication for Wearable Systems Featuring Sparse Memory Compression. In Proceedings of the International Conference on Machine Learning Workshop, New York, NY, USA, 19–24 June 2016. [Google Scholar]
- Derawi, M. Wireless Chest-Based ECG Biometrics. In Computer Science and Its Applications; Springer: Berlin/Heidelberg, Germany, 2015; pp. 567–579. [Google Scholar]
- Luo, S.; Johnston, P. A review of electrocardiogram filtering. J. Electrocardiol. 2010, 43, 486–496. [Google Scholar] [CrossRef] [PubMed]
- He, K.; Sun, J.; Tang, X. Guided image filtering. IEEE Trans. Pattern Anal. Mach. Intell. 2013, 35, 1397–1409. [Google Scholar] [CrossRef] [PubMed]
- Gomez-Barrero, M.; Maiorana, E.; Galbally, J.; Campisi, P.; Fierrez, J. Multi-biometric template protection based on Homomorphic Encryption. Pattern Recognit. 2017, 67, 149–163. [Google Scholar] [CrossRef]
- Boyer, R.S.; Moore, J.S. MJRTY—A Fast Majority Vote Algorithm. In Automated Reasoning; Springer: Dordrecht, The Netherlands, 1991; pp. 105–117. [Google Scholar]
- Alonso, L.; Reingold, E.M. Analysis of Boyer and Moore’s MJRTY algorithm. Inf. Process. Lett. 2013, 113, 495–497. [Google Scholar] [CrossRef]
- Jain, A.K.; Nandakumar, K.; Ross, A. Score normalization in multimodal biometric systems. Pattern Recognit. 2005, 38, 2270–2285. [Google Scholar] [CrossRef]
- Alsaade, F.; Ariyaeeinia, A.; Malegaonkar, A.; Pillay, S. Qualitative fusion of normalised scores in multimodal biometrics. Pattern Recognit. Lett. 2009, 30, 564–569. [Google Scholar] [CrossRef]
- Pan, J.; Tompkins, W.J. A real-time QRS detection algorithm. IEEE Trans. Biomed. Eng. 1985, 32, 230–236. [Google Scholar] [CrossRef] [PubMed]












| Modality | |||||||
|---|---|---|---|---|---|---|---|
| ECG + MSP Integrated in WSB | ECG + Separate MSP Sensor | ||||||
| [%] | [%] | [%] | [%] | [%] | [%] | ||
| MV(AND) | no GF | 2.8 | 86.3 | 17.9 | 0.3 | 100 | 2.8 |
| GF | 2.8 | 85.0 | 14.0 | 0.2 | 100 | 1.9 | |
| GF | 2.6 | 85.7 | 16.4 | 0.2 | 100 | 2.4 | |
| MV(OR) | no GF | 0.4 | 99.9 | 41.0 | 0.1 | 100 | 0.3 |
| GF | 0.2 | 100 | 45.9 | 0.1 | 100 | 0.3 | |
| GF | 0.2 | 100 | 21.0 | 0.1 | 100 | 0.2 | |
© 2018 by the authors. Licensee MDPI, Basel, Switzerland. This article is an open access article distributed under the terms and conditions of the Creative Commons Attribution (CC BY) license (http://creativecommons.org/licenses/by/4.0/).
Share and Cite
Kim, H.; Kim, H.; Chun, S.Y.; Kang, J.-H.; Oakley, I.; Lee, Y.; Ryu, J.O.; Kim, M.J.; Park, I.K.; Hong, H.K.; et al. A Wearable Wrist Band-Type System for Multimodal Biometrics Integrated with Multispectral Skin Photomatrix and Electrocardiogram Sensors. Sensors 2018, 18, 2738. https://doi.org/10.3390/s18082738
Kim H, Kim H, Chun SY, Kang J-H, Oakley I, Lee Y, Ryu JO, Kim MJ, Park IK, Hong HK, et al. A Wearable Wrist Band-Type System for Multimodal Biometrics Integrated with Multispectral Skin Photomatrix and Electrocardiogram Sensors. Sensors. 2018; 18(8):2738. https://doi.org/10.3390/s18082738
Chicago/Turabian StyleKim, Hanvit, Haena Kim, Se Young Chun, Jae-Hwan Kang, Ian Oakley, Youryang Lee, Jun Oh Ryu, Min Joon Kim, In Kyu Park, Hyuck Ki Hong, and et al. 2018. "A Wearable Wrist Band-Type System for Multimodal Biometrics Integrated with Multispectral Skin Photomatrix and Electrocardiogram Sensors" Sensors 18, no. 8: 2738. https://doi.org/10.3390/s18082738
APA StyleKim, H., Kim, H., Chun, S. Y., Kang, J.-H., Oakley, I., Lee, Y., Ryu, J. O., Kim, M. J., Park, I. K., Hong, H. K., Jo, Y. C., & Kim, S.-P. (2018). A Wearable Wrist Band-Type System for Multimodal Biometrics Integrated with Multispectral Skin Photomatrix and Electrocardiogram Sensors. Sensors, 18(8), 2738. https://doi.org/10.3390/s18082738

