A Review of Biomimetic and Biodegradable Magnetic Scaffolds for Bone Tissue Engineering and Oncology
Abstract
1. Introduction
1.1. Scaffolds for Bone Tissue Engineering
1.2. Biomaterials Used for Bone Tissue Engineering
2. Biomaterials Used in Magnetic Polymeric Scaffolds Designed for Bone Regeneration
2.1. Magnetic Scaffold Manufacturing Technique
2.2. Magnetic Nanoparticles Used for Scaffold Loading
2.3. Biopolymers for Magnetic Scaffolds
2.3.1. Natural Biopolymers
2.3.2. Synthetic Biopolymers
3. Structural and Morphological Aspects of Polymeric Scaffolds Loaded with MNPs
4. Properties of Polymeric Scaffolds Loaded with MNPs
5. Magnetic Nanoparticle Content and Magnetic Properties of Scaffolds Loaded with MNPs
6. Magnetic Field Effects on Biocompatibility and Osteogenesis
7. Animal Testing
8. Potential Clinical Applications of Polymeric Scaffolds Loaded with MNPs
9. Conclusions and Future Perspectives
Author Contributions
Funding
Institutional Review Board Statement
Informed Consent Statement
Data Availability Statement
Conflicts of Interest
References
- Antoniac, I.; Laptoiu, D.; Tecu, C.; Milea, C.; Gradinaru, S. Synthetic Materials for Osteochondral Tissue Engineering. Adv. Exp. Med. Biol. 2018, 1058, 31–52. [Google Scholar] [CrossRef]
- Antoniac, I.; Manescu (Paltanea), V.; Paltanea, G.; Antoniac, A.; Nemoianu, I.V.; Petrescu, M.I.; Dura, H.; Bodog, A.D. Additive Manufactured Magnesium-Based Scaffolds for Tissue Engineering. Materials 2022, 15, 8693. [Google Scholar] [CrossRef]
- Cavalu, S.; Antoniac, I.V.; Mohan, A.; Bodog, F.; Doicin, C.; Mates, I.; Ulmeanu, M.; Murzac, R.; Semenescu, A. Nanoparticles and Nanostructured Surface Fabrication for Innovative Cranial and Maxillofacial Surgery. Materials 2020, 13, 5391. [Google Scholar] [CrossRef] [PubMed]
- Oryan, A.; Bigham-Sadegh, A.; Abbasi-Teshnizi, F. Effects of Osteogenic Medium on Healing of the Experimental Critical Bone Defect in a Rabbit Model. Bone 2014, 63, 53–60. [Google Scholar] [CrossRef]
- Ortolani, A.; Bianchi, M.; Mosca, M.; Caravelli, S.; Fuiano, M.; Marcacci, M.; Russo, A. The Prospective Opportunities Offered by Magnetic Scaffolds for Bone Tissue Engineering: A Review. Joints 2016, 4, 228–235. [Google Scholar] [CrossRef] [PubMed]
- Cavalu, S.; Fritea, L.; Brocks, M.; Barbaro, K.; Murvai, G.; Costea, T.O.; Antoniac, I.; Verona, C.; Romani, M.; Latini, A.; et al. Novel Hybrid Composites Based on PVA/SeTiO2 Nanoparticles and Natural Hydroxyapatite for Orthopedic Applications: Correlations between Structural, Morphological and Biocompatibility Properties. Materials 2020, 13, 2077. [Google Scholar] [CrossRef] [PubMed]
- Marinescu, R.; Antoniac, I.; Laptoiu, D.; Antoniac, A.; Grecu, D. Complications Related to Biocomposite Screw Fixation in ACL Reconstruction Based on Clinical Experience and Retrieval Analysis. Mater. Plast. 2015, 52, 340–344. [Google Scholar]
- Carbonell-Blasco, P.; Martín-Martínez, J.M.; Antoniac, I.V. Synthesis and Characterization of Polyurethane Sealants Containing Rosin Intended for Sealing Defect in Annulus for Disc Regeneration. Int. J. Adhes. Adhes. 2013, 42, 11–20. [Google Scholar] [CrossRef]
- Fierro, F.A.; Nolta, J.; Adamopoulos, I.E. Concise Review: Stem Cells in OsteoImmunology. Stem Cells 2017, 35, 1461–1467. [Google Scholar] [CrossRef]
- Allori, A.C.; Sailon, A.M.; Warren, S.M. Biological Basis of Bone Formation, Remodeling, and Repair—Part I: Biochemical Signaling Molecules. Tissue Eng. Part B Rev. 2008, 14, 259–273. [Google Scholar] [CrossRef]
- Antoniac, I.; Miculescu, M.; Mănescu (Păltânea), V.; Stere, A.; Quan, P.H.; Păltânea, G.; Robu, A.; Earar, K. Magnesium-Based Alloys Used in Orthopedic Surgery. Materials 2022, 15, 1148. [Google Scholar] [CrossRef] [PubMed]
- Quan, P.H.; Antoniac, I.; Miculescu, F.; Antoniac, A.; Manescu (Paltanea), V.; Robu, A.; Bița, A.-I.; Miculescu, M.; Saceleanu, A.; Bodog, A.D.; et al. Fluoride Treatment and In vitro Corrosion Behavior of Mg-Nd-Y-Zn-Zr Alloys Type. Materials 2022, 15, 566. [Google Scholar] [CrossRef]
- Schemitsch, E.H. Size Matters: Defining Critical in Bone Defect Size! J. Orthop. Trauma 2017, 31, S20–S22. [Google Scholar] [CrossRef]
- Xue, N.; Ding, X.; Huang, R.; Jiang, R.; Huang, H.; Pan, X.; Min, W.; Chen, J.; Duan, J.-A.; Liu, P.; et al. Bone Tissue Engineering in the Treatment of Bone Defects. Pharmaceuticals 2022, 15, 879. [Google Scholar] [CrossRef] [PubMed]
- Antoniac, I.V.; Burcea, M.; Ionescu, R.D.; Balta, F. IOL’s Opacification: A Complex Analysis Based on the Clinical Aspects, Biomaterials Used and Surface Characterization of Explanted IOL’s. Mater. Plast. 2015, 52, 109–112. [Google Scholar]
- Savin, C.; Murariu, A.; Gavrila, L.; Balan, A. Dental Material Biocompatibility: A Cross-Sectional Study. Int. J. Med. Dent. 2017, 21, 94–97. [Google Scholar]
- Fernandez-Yague, M.A.; Abbah, S.A.; McNamara, L.; Zeugolis, D.I.; Pandit, A.; Biggs, M.J. Biomimetic Approaches in Bone Tissue Engineering: Integrating Biological and Physicomechanical Strategies. Adv. Drug Deliv. Rev. 2015, 84, 1–29. [Google Scholar] [CrossRef]
- Guazzo, R.; Gardin, C.; Bellin, G.; Sbricoli, L.; Ferroni, L.; Ludovichetti, F.S.; Piattelli, A.; Antoniac, I.; Bressan, E.; Zavan, B. Graphene-Based Nanomaterials for Tissue Engineering in the Dental Field. Nanomaterials 2018, 8, 349. [Google Scholar] [CrossRef]
- Romanec, C.; Rosu, S.; Macovei, G.; Scutariu, M.M.; Dragomir, B.; Olteanu, N.D. Morphofunctional Features in Angle Second Class Malocclusion on Dental Gypsum Models. Mater. Plast. 2018, 55, 686–690. [Google Scholar] [CrossRef]
- Manjua, A.C.; Cabral, J.M.S.; Portugal, C.A.M.; Ferreira, F.C. Magnetic Stimulation of the Angiogenic Potential of Mesenchymal Stromal Cells in Vascular Tissue Engineering. Sci. Technol. Adv. Mater. 2021, 22, 461–480. [Google Scholar] [CrossRef]
- Sarosi, C.; Biris, A.R.; Antoniac, A.; Boboia, S.; Alb, C.; Antoniac, I.; Moldovan, M. The Nanofiller Effect on Properties of Experimental Graphene Dental Nanocomposites. J. Adhes. Sci. Technol. 2016, 30, 1779–1794. [Google Scholar] [CrossRef]
- Cavalu, S.; Kamel, E.; Laslo, V.; Fritea, L.; Costea, T.; Antoniac, I.V.; Vasile, E.; Antoniac, A.; Semenescu, A.; Mohan, A.; et al. Eco-Friendly, Facile and Rapid Way for Synthesis of Selenium Nanoparticles Production, Structural and Morphological Characterisation. Rev. Chim. 2018, 68, 2963–2966. [Google Scholar] [CrossRef]
- Bud, E.S.; Bocanet, V.I.; Muntean, M.H.; Vlasa, A.; Bucur, S.M.; Păcurar, M.; Dragomir, B.R.; Olteanu, C.D.; Bud, A. Accuracy of Three-Dimensional (3D) Printed Dental Digital Models Generated with Three Types of Resin Polymers by Extra-Oral Optical Scanning. J. Clin. Med. 2021, 10, 1908. [Google Scholar] [CrossRef] [PubMed]
- Giannitelli, S.M.; Accoto, D.; Trombetta, M.; Rainer, A. Current Trends in the Design of Scaffolds for Computer-Aided Tissue Engineering. Acta Biomater. 2014, 10, 580–594. [Google Scholar] [CrossRef]
- Prasadh, S.; Wong, R.C.W. Unraveling the Mechanical Strength of Biomaterials Used as a Bone Scaffold in Oral and Maxillofacial Defects. Oral Sci. Int. 2018, 15, 48–55. [Google Scholar] [CrossRef]
- Corobea, M.S.; Albu, M.G.; Ion, R.; Cimpean, A.; Miculescu, F.; Antoniac, I.V.; Raditoiu, V.; Sirbu, I.; Stoenescu, M.; Voicu, S.I.; et al. Modification of Titanium Surface with Collagen and Doxycycline as a New Approach in Dental Implants. J. Adhes. Sci. Technol. 2015, 29, 2537–2550. [Google Scholar] [CrossRef]
- Petreus, T.; Stoica, B.A.; Petreus, O.; Goriuc, A.; Cotrutz, C.-E.; Antoniac, I.-V.; Barbu-Tudoran, L. Preparation and Cytocompatibility Evaluation for Hydrosoluble Phosphorous Acid-Derivatized Cellulose as Tissue Engineering Scaffold Material. J. Mater. Sci. Mater. Med. 2014, 25, 1115–1127. [Google Scholar] [CrossRef] [PubMed]
- Stratton, S.; Shelke, N.B.; Hoshino, K.; Rudraiah, S.; Kumbar, S.G. Bioactive Polymeric Scaffolds for Tissue Engineering. Bioact. Mater. 2016, 1, 93–108. [Google Scholar] [CrossRef] [PubMed]
- Raut, H.K.; Das, R.; Liu, Z.; Liu, X.; Ramakrishna, S. Biocompatibility of Biomaterials for Tissue Regeneration or Replacement. Biotechnol. J. 2020, 15, 2000160. [Google Scholar] [CrossRef]
- Hollister, S.J.; Maddox, R.D.; Taboas, J.M. Optimal Design and Fabrication of Scaffolds to Mimic Tissue Properties and Satisfy Biological Constraints. Biomaterials 2002, 23, 4095–4103. [Google Scholar] [CrossRef]
- Sabir, M.I.; Xu, X.; Li, L. A Review on Biodegradable Polymeric Materials for Bone Tissue Engineering Applications. J. Mater. Sci. 2009, 44, 5713–5724. [Google Scholar] [CrossRef]
- Babaie, E.; Bhaduri, S.B. Fabrication Aspects of Porous Biomaterials in Orthopedic Applications: A Review. ACS Biomater. Sci. Eng. 2018, 4, 1–39. [Google Scholar] [CrossRef] [PubMed]
- Streza, A.; Antoniac, A.; Manescu (Paltanea), V.; Paltanea, G.; Robu, A.; Dura, H.; Verestiuc, L.; Stanica, E.; Voicu, S.I.; Antoniac, I.; et al. Effect of Filler Types on Cellulose-Acetate-Based Composite Used as Coatings for Biodegradable Magnesium Implants for Trauma. Materials 2023, 16, 554. [Google Scholar] [CrossRef] [PubMed]
- Morouço, P.; Biscaia, S.; Viana, T.; Franco, M.; Malça, C.; Mateus, A.; Moura, C.; Ferreira, F.C.; Mitchell, G.; Alves, N.M. Fabrication of Poly(ε -Caprolactone) Scaffolds Reinforced with Cellulose Nanofibers, with and without the Addition of Hydroxyapatite Nanoparticles. BioMed Res. Int. 2016, 2016, 1596157. [Google Scholar] [CrossRef] [PubMed]
- Mohan, A.G.; Ciurea, A.V.; Antoniac, I.; Manescu (Paltanea), V.; Bodog, A.; Maghiar, O.; Marcut, L.; Ghiurau, A.; Bodog, F. Cranioplasty after Two Giant Intraosseous Angiolipomas of the Cranium: Case Report and Literature Review. Healthcare 2022, 10, 655. [Google Scholar] [CrossRef]
- Liu, Y.; Nelson, T.; Chakroff, J.; Cromeens, B.; Johnson, J.; Lannutti, J.; Besner, G.E. Comparison of Polyglycolic Acid, Polycaprolactone, and Collagen as Scaffolds for the Production of Tissue Engineered Intestine. J. Biomed. Mater. Res. 2019, 107, 750–760. [Google Scholar] [CrossRef] [PubMed]
- Mavrodin, C.I.; Pariza, G.; Ion, D.; Antoniac, V.I. Abdominal Compartment Syndrome—A Major Complication of Large Incisional Hernia Surgery. Chirurgia 2013, 108, 414–417. [Google Scholar] [PubMed]
- Cirstoiu, M.; Cirstoiu, C.; Antoniac, I.; Munteanu, O. Levonorgestrel-Releasing Intrauterine Systems: Device Design, Biomaterials, Mechanism of Action and Surgical Technique. Mater. Plast. 2015, 52, 258–262. [Google Scholar]
- Jazayeri, H.E.; Rodriguez-Romero, M.; Razavi, M.; Tahriri, M.; Ganjawalla, K.; Rasoulianboroujeni, M.; Malekoshoaraie, M.H.; Khoshroo, K.; Tayebi, L. The Cross-Disciplinary Emergence of 3D Printed Bioceramic Scaffolds in Orthopedic Bioengineering. Ceram. Int. 2018, 44, 1–9. [Google Scholar] [CrossRef]
- Cavalu, S.; Antoniac, I.V.; Fritea, L.; Mates, I.M.; Milea, C.; Laslo, V.; Vicas, S.; Mohan, A. Surface Modifications of the Titanium Mesh for Cranioplasty Using Selenium Nanoparticles Coating. J. Adhes. Sci. Technol. 2018, 32, 2509–2522. [Google Scholar] [CrossRef]
- Abbasian, M.; Massoumi, B.; Mohammad-Rezaei, R.; Samadian, H.; Jaymand, M. Scaffolding Polymeric Biomaterials: Are Naturally Occurring Biological Macromolecules More Appropriate for Tissue Engineering? Int. J. Biol. Macromol. 2019, 134, 673–694. [Google Scholar] [CrossRef]
- Pupilli, F.; Ruffini, A.; Dapporto, M.; Tavoni, M.; Tampieri, A.; Sprio, S. Design Strategies and Biomimetic Approaches for Calcium Phosphate Scaffolds in Bone Tissue Regeneration. Biomimetics 2022, 7, 112. [Google Scholar] [CrossRef]
- Russo, T.; De Santis, R.; Peluso, V.; Gloria, A. Multifunctional Bioactive Magnetic Scaffolds with Tailored Features for Bone Tissue Engineering. In Magnetic Nanoparticles in Human Health and Medicine; John Wiley & Sons, Ltd.: Hoboken, NJ, USA, 2021; pp. 87–112. ISBN 978-1-119-75472-5. [Google Scholar]
- Campodoni, E.; Velez, M.; Fragogeorgi, E.; Morales, I.; Presa, P.D.L.; Stanicki, D.; Dozio, S.M.; Xanthopoulos, S.; Bouziotis, P.; Dermisiadou, E.; et al. Magnetic and Radio-Labeled Bio-Hybrid Scaffolds to Promote and Track in vivo the Progress of Bone Regeneration. Biomater. Sci. 2021, 9, 7575–7590. [Google Scholar] [CrossRef] [PubMed]
- Koons, G.L.; Diba, M.; Mikos, A.G. Materials Design for Bone-Tissue Engineering. Nat. Rev. Mater. 2020, 5, 584–603. [Google Scholar] [CrossRef]
- Maia, F.R.; Bastos, A.R.; Oliveira, J.M.; Correlo, V.M.; Reis, R.L. Recent Approaches towards Bone Tissue Engineering. Bone 2022, 154, 116256. [Google Scholar] [CrossRef]
- Russo, A.; Panseri, S.; Shelyakova, T.; Sandri, M.; Dionigi, C.; Ortolani, A.; Meikle, S.; Lacey, J.; Tampieri, A.; Dediu, V.; et al. Critical Long Bone Defect Treated by Magnetic Scaffolds and Fixed by Permanent Magnets. In Proceedings of the 2nd Global Congress on NanoEngineering for Medicine and Biology, Boston, MA, USA, 4–6 February 2013. [Google Scholar] [CrossRef]
- Mazzoni, E.; Iaquinta, M.R.; Lanzillotti, C.; Mazziotta, C.; Maritati, M.; Montesi, M.; Sprio, S.; Tampieri, A.; Tognon, M.; Martini, F. Bioactive Materials for Soft Tissue Repair. Front. Bioeng. Biotechnol. 2021, 9, 613787. [Google Scholar] [CrossRef] [PubMed]
- Tampieri, A.; Ruffini, A.; Ballardini, A.; Montesi, M.; Panseri, S.; Salamanna, F.; Fini, M.; Sprio, S. Heterogeneous Chemistry in the 3-D State: An Original Approach to Generate Bioactive, Mechanically-Competent Bone Scaffolds. Biomater. Sci. 2018, 7, 307–321. [Google Scholar] [CrossRef]
- Catauro, M.; Blanco, I.; De Santis, R.; Russo, T.; Crescente, G. Synthesis of Glass Nanocomposite Powders: Structure, Thermal, and Antibacterial Study. Macromol. Symp. 2021, 395, 2000200. [Google Scholar] [CrossRef]
- Daskalakis, E.; Huang, B.; Vyas, C.; Acar, A.A.; Fallah, A.; Cooper, G.; Weightman, A.; Koc, B.; Blunn, G.; Bartolo, P. Novel 3D Bioglass Scaffolds for Bone Tissue Regeneration. Polymers 2022, 14, 445. [Google Scholar] [CrossRef]
- Xiao, W.; Zaeem, M.A.; Bal, B.S.; Rahaman, M.N. Creation of Bioactive Glass (13–93) Scaffolds for Structural Bone Repair Using a Combined Finite Element Modeling and Rapid Prototyping Approach. Mater. Sci. Eng. C Mater. Biol. Appl. 2016, 68, 651–662. [Google Scholar] [CrossRef]
- Fucile, P.; Onofrio, I.; Papallo, I.; Gallicchio, V.; Rega, A.; D’Antò, V.; Improta, G.; De Santis, R.; Gloria, A.; Russo, T. Strategies for the Design of Additively Manufactured Nanocomposite Scaffolds for Hard Tissue Regeneration. Acta IMEKO 2020, 9, 53–59. [Google Scholar] [CrossRef]
- Mano, J.F.; Silva, G.A.; Azevedo, H.S.; Malafaya, P.B.; Sousa, R.A.; Silva, S.S.; Boesel, L.F.; Oliveira, J.M.; Santos, T.C.; Marques, A.P.; et al. Natural Origin Biodegradable Systems in Tissue Engineering and Regenerative Medicine: Present Status and Some Moving Trends. J. R. Soc. Interface 2007, 4, 999–1030. [Google Scholar] [CrossRef]
- Gloria, A.; De Santis, R.; Ambrosio, L. Polymer-Based Composite Scaffolds for Tissue Engineering. J. Appl. Biomater. Biomech. 2010, 8, 57–67. [Google Scholar] [PubMed]
- George, A.M.; Reddy Peddireddy, S.P.; Thakur, G.; Rodrigues, F.C. Biopolymer-Based Scaffolds. In Biopolymer-Based Formulations; Elsevier: Amsterdam, The Netherlands, 2020; pp. 717–749. ISBN 978-0-12-816897-4. [Google Scholar]
- John, M.; Thomas, S. Biofibres and Biocomposites. Carbohydr. Polym. 2008, 71, 343–364. [Google Scholar] [CrossRef]
- Chen, F.-M.; Liu, X. Advancing Biomaterials of Human Origin for Tissue Engineering. Prog. Polym. Sci. 2016, 53, 86–168. [Google Scholar] [CrossRef]
- Pilia, M.; Guda, T.; Appleford, M. Development of Composite Scaffolds for Load-Bearing Segmental Bone Defects. BioMed Res. Int. 2013, 2013, 458253. [Google Scholar] [CrossRef]
- Goonoo, N.; Bhaw-Luximon, A. Nanomaterials Combination for Wound Healing and Skin Regeneration. In Advanced 3D-Printed Systems and Nanosystems for Drug Delivery and Tissue Engineering; Elsevier: Amsterdam, The Netherlands, 2020; pp. 159–217. ISBN 978-0-12-818471-4. [Google Scholar]
- Donnaloja, F.; Jacchetti, E.; Soncini, M.; Raimondi, M.T. Natural and Synthetic Polymers for Bone Scaffolds Optimization. Polymers 2020, 12, 905. [Google Scholar] [CrossRef]
- Echeverria Molina, M.I.; Malollari, K.G.; Komvopoulos, K. Design Challenges in Polymeric Scaffolds for Tissue Engineering. Front. Bioeng. Biotechnol. 2021, 9, 617141. [Google Scholar] [CrossRef]
- Ye, B.; Wu, B.; Su, Y.; Sun, T.; Guo, X. Recent Advances in the Application of Natural and Synthetic Polymer-Based Scaffolds in Musculoskeletal Regeneration. Polymers 2022, 14, 4566. [Google Scholar] [CrossRef]
- Samal, S.K.; Goranov, V.; Dash, M.; Russo, A.; Shelyakova, T.; Graziosi, P.; Lungaro, L.; Riminucci, A.; Uhlarz, M.; Bañobre-López, M.; et al. Multilayered Magnetic Gelatin Membrane Scaffolds. ACS Appl. Mater. Interfaces 2015, 7, 23098–23109. [Google Scholar] [CrossRef]
- Hartley, E.; Moon, H.; Neves, A. Biodegradable Synthetic Polymers for Tissue Engineering: A Mini-Review. Reinvent. Int. J. Undergrad. Res. 2022, 15, 48–70. [Google Scholar] [CrossRef]
- Petretta, M.; Gambardella, A.; Desando, G.; Cavallo, C.; Bartolotti, I.; Shelyakova, T.; Goranov, V.; Brucale, M.; Dediu, V.A.; Fini, M.; et al. Multifunctional 3D-Printed Magnetic Polycaprolactone/Hydroxyapatite Scaffolds for Bone Tissue Engineering. Polymers 2021, 13, 3825. [Google Scholar] [CrossRef] [PubMed]
- Romano, M.; González Gómez, M.A.; Santonicola, P.; Aloi, N.; Offer, S.; Pantzke, J.; Raccosta, S.; Longo, V.; Surpi, A.; Alacqua, S.; et al. Synthesis and Characterization of a Biocompatible Nanoplatform Based on Silica-Embedded SPIONs Functionalized with Polydopamine. ACS Biomater. Sci. Eng. 2023, 9, 303–317. [Google Scholar] [CrossRef] [PubMed]
- Russo, A.; Bianchi, M.; Sartori, M.; Parrilli, A.; Panseri, S.; Ortolani, A.; Sandri, M.; Boi, M.; Salter, D.M.; Maltarello, M.C.; et al. Magnetic Forces and Magnetized Biomaterials Provide Dynamic Flux Information during Bone Regeneration. J. Mater. Sci. Mater. Med. 2016, 27, 51. [Google Scholar] [CrossRef]
- Goranov, V.; Shelyakova, T.; De Santis, R.; Haranava, Y.; Makhaniok, A.; Gloria, A.; Tampieri, A.; Russo, A.; Kon, E.; Marcacci, M.; et al. 3D Patterning of Cells in Magnetic Scaffolds for Tissue Engineering. Sci. Rep. 2020, 10, 2289. [Google Scholar] [CrossRef]
- Xia, Y.; Sun, J.; Zhao, L.; Zhang, F.; Liang, X.-J.; Guo, Y.; Weir, M.D.; Reynolds, M.A.; Gu, N.; Xu, H.H.K. Magnetic Field and Nano-Scaffolds with Stem Cells to Enhance Bone Regeneration. Biomaterials 2018, 183, 151–170. [Google Scholar] [CrossRef]
- Hu, S.; Zhou, Y.; Zhao, Y.; Xu, Y.; Zhang, F.; Gu, N.; Ma, J.; Reynolds, M.A.; Xia, Y.; Xu, H.H.K. Enhanced Bone Regeneration and Visual Monitoring via Superparamagnetic Iron Oxide Nanoparticle Scaffold in Rats. J. Tissue Eng. Regen. Med. 2018, 12, e2085–e2098. [Google Scholar] [CrossRef] [PubMed]
- Li, Y.; Ye, D.; Li, M.; Ma, M.; Gu, N. Adaptive Materials Based on Iron Oxide Nanoparticles for Bone Regeneration. ChemPhysChem 2018, 19, 1965–1979. [Google Scholar] [CrossRef]
- Fan, D.; Wang, Q.; Zhu, T.; Wang, H.; Liu, B.; Wang, Y.; Liu, Z.; Liu, X.; Fan, D.; Wang, X. Recent Advances of Magnetic Nanomaterials in Bone Tissue Repair. Front. Chem. 2020, 8, 745. [Google Scholar] [CrossRef] [PubMed]
- Domocos, D.; Popovici, R.; Bei, M.; Anchidin, O.; Todor, L.; Bodog, F.D.; Marcu, O.A.; Bodog, A.; Ciavoi, G.; Pogan, M.D. The Effect of Antioxidants on the Evolution of Precancerous Oral Lesions. Int. J. Med. Dent. 2021, 25, 154–158. [Google Scholar]
- Russo, T.; Peluso, V.; Fucile, P.; De Santis, R.; Gloria, A. Magnetism in Dentistry: Review and Future Perspectives. Appl. Sci. 2022, 12, 95. [Google Scholar] [CrossRef]
- Pourmadadi, M.; Rahmani, E.; Shamsabadipour, A.; Mahtabian, S.; Ahmadi, M.; Rahdar, A.; Díez-Pascual, A.M. Role of Iron Oxide (Fe2O3) Nanocomposites in Advanced Biomedical Applications: A State-of-the-Art Review. Nanomaterials 2022, 12, 3873. [Google Scholar] [CrossRef] [PubMed]
- Manescu Paltanea, V.; Paltanea, G.; Antoniac, I.; Vasilescu, M. Magnetic Nanoparticles Used in Oncology. Materials 2021, 14, 5948. [Google Scholar] [CrossRef] [PubMed]
- Iaquinta, M.R.; Mazzoni, E.; Bononi, I.; Rotondo, J.C.; Mazziotta, C.; Montesi, M.; Sprio, S.; Tampieri, A.; Tognon, M.; Martini, F. Adult Stem Cells for Bone Regeneration and Repair. Front. Cell Dev. Biol. 2019, 7, 268. [Google Scholar] [CrossRef] [PubMed]
- Perez, J.R.; Kouroupis, D.; Li, D.J.; Best, T.M.; Kaplan, L.; Correa, D. Tissue Engineering and Cell-Based Therapies for Fractures and Bone Defects. Front. Bioeng. Biotechnol. 2018, 6, 105. [Google Scholar] [CrossRef]
- Yue, S.; He, H.; Li, B.; Hou, T. Hydrogel as a Biomaterial for Bone Tissue Engineering: A Review. Nanomaterials 2020, 10, 1511. [Google Scholar] [CrossRef]
- Cojocaru, F.-D.; Balan, V.; Verestiuc, L. Advanced 3D Magnetic Scaffolds for Tumor-Related Bone Defects. Int. J. Mol. Sci. 2022, 23, 16190. [Google Scholar] [CrossRef]
- Peluso, V.; Rinaldi, L.; Russo, T.; Oliviero, O.; Di Vito, A.; Garbi, C.; Giudice, A.; De Santis, R.; Gloria, A.; D’Antò, V. Impact of Magnetic Stimulation on Periodontal Ligament Stem Cells. Int. J. Mol. Sci. 2022, 23, 188. [Google Scholar] [CrossRef]
- Cojocaru, F.D.; Balan, V.; Popa, I.M.; Munteanu, A.; Anghelache, A.; Verestiuc, L. Magnetic Composite Scaffolds for Potential Applications in Radiochemotherapy of Malignant Bone Tumors. Medicina 2019, 55, 153. [Google Scholar] [CrossRef]
- Shahri, M.M. Magnetic Materials and Magnetic Nanocomposites for Biomedical Application. In Harnessing Nanoscale Surface Interactions; Elsevier: Amsterdam, The Netherlands, 2019; pp. 77–95. ISBN 978-0-12-813892-2. [Google Scholar]
- Zhao, Y.; Fan, T.; Chen, J.; Su, J.; Zhi, X.; Pan, P.; Zou, L.; Zhang, Q. Magnetic Bioinspired Micro/Nanostructured Composite Scaffold for Bone Regeneration. Colloids Surf. B Biointerfaces 2019, 174, 70–79. [Google Scholar] [CrossRef]
- Lu, J.-W.; Yang, F.; Ke, Q.-F.; Xie, X.-T.; Guo, Y.-P. Magnetic Nanoparticles Modified-Porous Scaffolds for Bone Regeneration and Photothermal Therapy against Tumors. Nanomed. Nanotechnol. Biol. Med. 2018, 14, 811–822. [Google Scholar] [CrossRef] [PubMed]
- Cojocaru, F.D.; Balan, V.; Popa, M.I.; Lobiuc, A.; Antoniac, A.; Antoniac, I.V.; Verestiuc, L. Biopolymers—Calcium Phosphates Composites with Inclusions of Magnetic Nanoparticles for Bone Tissue Engineering. Int. J. Biol. Macromol. 2019, 125, 612–620. [Google Scholar] [CrossRef] [PubMed]
- Dashnyam, K.; Perez, R.A.; Singh, R.K.; Lee, E.-J.; Kim, H.-W. Hybrid Magnetic Scaffolds of Gelatin–Siloxane Incorporated with Magnetite Nanoparticles Effective for Bone Tissue Engineering. RSC Adv. 2014, 4, 40841–40851. [Google Scholar] [CrossRef]
- Samal, S.K.; Dash, M.; Shelyakova, T.; Declercq, H.A.; Uhlarz, M.; Bañobre-López, M.; Dubruel, P.; Cornelissen, M.; Herrmannsdörfer, T.; Rivas, J.; et al. Biomimetic Magnetic Silk Scaffolds. ACS Appl. Mater. Interfaces 2015, 7, 6282–6292. [Google Scholar] [CrossRef] [PubMed]
- Ganesh, N.; Ashokan, A.; Rajeshkannan, R.; Chennazhi, K.; Koyakutty, M.; Nair, S.V. Magnetic Resonance Functional Nano-Hydroxyapatite Incorporated Poly(Caprolactone) Composite Scaffolds for In Situ Monitoring of Bone Tissue Regeneration by MRI. Tissue Eng. Part A 2014, 20, 2783–2794. [Google Scholar] [CrossRef] [PubMed]
- Daňková, J.; Buzgo, M.; Vejpravová, J.; Kubíčková, S.; Sovková, V.; Vysloužilová, L.; Mantlíková, A.; Amler, E.; Nečas, A. Highly Efficient Mesenchymal Stem Cell Proliferation on Poly-ε-Caprolactone Nanofibers with Embedded Magnetic Nanoparticles. IJN 2015, 10, 7307. [Google Scholar] [CrossRef]
- De Santis, R.; Russo, A.; Gloria, A.; D’Amora, U.; Russo, T.; Panseri, S.; Sandri, M.; Tampieri, A.; Marcacci, M.; Dediu, V.A.; et al. Towards the Design of 3D Fiber-Deposited Poly(-Caprolactone)/Iron-Doped Hydroxyapatite Nanocomposite Magnetic Scaffolds for Bone Regeneration. J. Biomed. Nanotechnol. 2015, 11, 1236–1246. [Google Scholar] [CrossRef]
- Kim, J.-J.; Singh, R.K.; Seo, S.-J.; Kim, T.-H.; Kim, J.-H.; Lee, E.-J.; Kim, H.-W. Magnetic Scaffolds of Polycaprolactone with Functionalized Magnetite Nanoparticles: Physicochemical, Mechanical, and Biological Properties Effective for Bone Regeneration. RSC Adv. 2014, 4, 17325–17336. [Google Scholar] [CrossRef]
- Chen, H.; Sun, J.; Wang, Z.; Zhou, Y.; Lou, Z.; Chen, B.; Wang, P.; Guo, Z.; Tang, H.; Ma, J.; et al. Magnetic Cell–Scaffold Interface Constructed by Superparamagnetic IONP Enhanced Osteogenesis of Adipose-Derived Stem Cells. ACS Appl. Mater. Interfaces 2018, 10, 44279–44289. [Google Scholar] [CrossRef]
- Zhang, J.; Zhao, S.; Zhu, M.; Zhu, Y.; Zhang, Y.; Liu, Z.; Zhang, C. 3D-Printed Magnetic Fe3O4/MBG/PCL Composite Scaffolds with Multifunctionality of Bone Regeneration, Local Anticancer Drug Delivery and Hyperthermia. J. Mater. Chem. B 2014, 2, 7583–7595. [Google Scholar] [CrossRef]
- Shuai, C.; Yang, W.; He, C.; Peng, S.; Gao, C.; Yang, Y.; Qi, F.; Feng, P. A Magnetic Micro-Environment in Scaffolds for Stimulating Bone Regeneration. Mater. Des. 2020, 185, 108275. [Google Scholar] [CrossRef]
- Jia, L.; Yang, Z.; Sun, L.; Zhang, Q.; Guo, Y.; Chen, Y.; Dai, Y.; Xia, Y. A Three-Dimensional-Printed SPION/PLGA Scaffold for Enhanced Palate-Bone Regeneration and Concurrent Alteration of the Oral Microbiota in Rats. Mater. Sci. Eng. C 2021, 126, 112173. [Google Scholar] [CrossRef]
- Gao, C.; Deng, Y.; Feng, P.; Mao, Z.; Li, P.; Yang, B.; Deng, J.; Cao, Y.; Shuai, C.; Peng, S. Current Progress in Bioactive Ceramic Scaffolds for Bone Repair and Regeneration. Int. J. Mol. Sci. 2014, 15, 4714–4732. [Google Scholar] [CrossRef] [PubMed]
- Thavornyutikarn, B.; Chantarapanich, N.; Sitthiseripratip, K.; Thouas, G.A.; Chen, Q. Bone Tissue Engineering Scaffolding: Computer-Aided Scaffolding Techniques. Prog. Biomater. 2014, 3, 61–102. [Google Scholar] [CrossRef] [PubMed]
- Roseti, L.; Parisi, V.; Petretta, M.; Cavallo, C.; Desando, G.; Bartolotti, I.; Grigolo, B. Scaffolds for Bone Tissue Engineering: State of the Art and New Perspectives. Mater. Sci. Eng. C 2017, 78, 1246–1262. [Google Scholar] [CrossRef] [PubMed]
- Zhu, N.; Chen, X. Biofabrication of Tissue Scaffolds. In Advances in Biomaterials Science and Biomedical Applications; IntechOpen: London, UK, 2013. [Google Scholar]
- Capuana, E.; Lopresti, F.; Carfì Pavia, F.; Brucato, V.; La Carrubba, V. Solution-Based Processing for Scaffold Fabrication in Tissue Engineering Applications: A Brief Review. Polymers 2021, 13, 2041. [Google Scholar] [CrossRef]
- Dhand, C.; Ong, S.T.; Dwivedi, N.; Diaz, S.M.; Venugopal, J.R.; Navaneethan, B.; Fazil, M.H.U.T.; Liu, S.; Seitz, V.; Wintermantel, E.; et al. Bio-Inspired in Situ Crosslinking and Mineralization of Electrospun Collagen Scaffolds for Bone Tissue Engineering. Biomaterials 2016, 104, 323–338. [Google Scholar] [CrossRef]
- Giannitelli, S.M.; Basoli, F.; Mozetic, P.; Piva, P.; Bartuli, F.N.; Luciani, F.; Arcuri, C.; Trombetta, M.; Rainer, A.; Licoccia, S. Graded Porous Polyurethane Foam: A Potential Scaffold for Oro-Maxillary Bone Regeneration. Mater. Sci. Eng. C 2015, 51, 329–335. [Google Scholar] [CrossRef]
- Aboudzadeh, N.; Imani, M.; Shokrgozar, M.A.; Khavandi, A.; Javadpour, J.; Shafieyan, Y.; Farokhi, M. Fabrication and Characterization of Poly(D,L-Lactide-Co-Glycolide)/Hydroxyapatite Nanocomposite Scaffolds for Bone Tissue Regeneration. J. Biomed. Mater. Res. Part A 2010, 94A, 137–145. [Google Scholar] [CrossRef]
- Deng, Y.; Zhang, M.; Chen, X.; Pu, X.; Liao, X.; Huang, Z.; Yin, G. A Novel Akermanite/Poly (Lactic-Co-Glycolic Acid) Porous Composite Scaffold Fabricated via a Solvent Casting-Particulate Leaching Method Improved by Solvent Self-Proliferating Process. Regen. Biomater. 2017, 4, 233–242. [Google Scholar] [CrossRef]
- Qiu, K.; Chen, B.; Nie, W.; Zhou, X.; Feng, W.; Wang, W.; Chen, L.; Mo, X.; Wei, Y.; He, C. Electrophoretic Deposition of Dexamethasone-Loaded Mesoporous Silica Nanoparticles onto Poly(l-Lactic Acid)/Poly(ε-Caprolactone) Composite Scaffold for Bone Tissue Engineering. ACS Appl. Mater. Interfaces 2016, 8, 4137–4148. [Google Scholar] [CrossRef] [PubMed]
- Pavan Kalyan, B.G.; Kumar, L. 3D Printing: Applications in Tissue Engineering, Medical Devices, and Drug Delivery. AAPS PharmSciTech 2022, 23, 92. [Google Scholar] [CrossRef] [PubMed]
- Turnbull, G.; Clarke, J.; Picard, F.; Riches, P.; Jia, L.; Han, F.; Li, B.; Shu, W. 3D Bioactive Composite Scaffolds for Bone Tissue Engineering. Bioact. Mater. 2018, 3, 278–314. [Google Scholar] [CrossRef] [PubMed]
- Goswami, M.; Rekhi, P.; Debnath, M.; Ramakrishna, S. Microbial Polyhydroxyalkanoates Granules: An Approach Targeting Biopolymer for Medical Applications and Developing Bone Scaffolds. Molecules 2021, 26, 860. [Google Scholar] [CrossRef]
- Shuai, C.; Guo, W.; Gao, C.; Yang, Y.; Xu, Y.; Liu, L.; Qin, T.; Sun, H.; Yang, S.; Feng, P.; et al. Calcium Silicate Improved Bioactivity and Mechanical Properties of Poly(3-Hydroxybutyrate-Co-3-Hydroxyvalerate) Scaffolds. Polymers 2017, 9, 175. [Google Scholar] [CrossRef] [PubMed]
- Khatri, B.; Lappe, K.; Habedank, M.; Mueller, T.; Megnin, C.; Hanemann, T. Fused Deposition Modeling of ABS-Barium Titanate Composites: A Simple Route towards Tailored Dielectric Devices. Polymers 2018, 10, 666. [Google Scholar] [CrossRef]
- Timashev, P.; Kuznetsova, D.; Koroleva, A.; Prodanets, N.; Deiwick, A.; Piskun, Y.; Bardakova, K.; Dzhoyashvili, N.; Kostjuk, S.; Zagaynova, E.; et al. Novel Biodegradable Star-Shaped Polylactide Scaffolds for Bone Regeneration Fabricated by Two-Photon Polymerization. Nanomedicine 2016, 11, 1041–1053. [Google Scholar] [CrossRef]
- Chou, Y.-C.; Lee, D.; Chang, T.-M.; Hsu, Y.-H.; Yu, Y.-H.; Liu, S.-J.; Ueng, S.W.-N. Development of a Three-Dimensional (3D) Printed Biodegradable Cage to Convert Morselized Corticocancellous Bone Chips into a Structured Cortical Bone Graft. Int. J. Mol. Sci. 2016, 17, 595. [Google Scholar] [CrossRef]
- Xu, N.; Ye, X.; Wei, D.; Zhong, J.; Chen, Y.; Xu, G.; He, D. 3D Artificial Bones for Bone Repair Prepared by Computed Tomography-Guided Fused Deposition Modeling for Bone Repair. ACS Appl. Mater. Interfaces 2014, 6, 14952–14963. [Google Scholar] [CrossRef]
- Reddy, M.S.B.; Ponnamma, D.; Choudhary, R.; Sadasivuni, K.K. A Comparative Review of Natural and Synthetic Biopolymer Composite Scaffolds. Polymers 2021, 13, 1105. [Google Scholar] [CrossRef]
- Cojocaru, F.D.; Balan, V.; Tanase, C.-E.; Popa, I.M.; Butnaru, M.; Bredetean, O.; Mares, M.; Nastasa, V.; Pasca, S.; Verestiuc, L. Development and Characterisation of Microporous Biomimetic Scaffolds Loaded with Magnetic Nanoparticles as Bone Repairing Material. Ceram. Int. 2021, 47, 11209–11219. [Google Scholar] [CrossRef]
- Mohammed, L.; Gomaa, H.G.; Ragab, D.; Zhu, J. Magnetic Nanoparticles for Environmental and Biomedical Applications: A Review. Particuology 2017, 30, 1–14. [Google Scholar] [CrossRef]
- Materón, E.M.; Miyazaki, C.M.; Carr, O.; Joshi, N.; Picciani, P.H.S.; Dalmaschio, C.J.; Davis, F.; Shimizu, F.M. Magnetic Nanoparticles in Biomedical Applications: A Review. Appl. Surf. Sci. Adv. 2021, 6, 100163. [Google Scholar] [CrossRef]
- du Toit, L.C.; Kumar, P.; Choonara, Y.E.; Pillay, V. Advanced 3D-Printed Systems and Nanosystems for Drug Delivery and Tissue Engineering, 1st ed.; Woodhead Publishing Series in Biomaterials; Woodhead Publishing: Sawston, UK, 2020; ISBN 978-0-12-818471-4. [Google Scholar]
- Enriquez-Navas, P.M.; Garcia-Martin, M.L. Chapter 9—Application of Inorganic Nanoparticles for Diagnosis Based on MRI. In Frontiers of Nanoscience; de la Fuente, J.M., Grazu, V., Eds.; Nanobiotechnology; Elsevier: Amsterdam, The Netherlands, 2012; Volume 4, pp. 233–245. [Google Scholar]
- Orel, V.E.; Tselepi, M.; Mitrelias, T.; Zabolotny, M.; Shevchenko, A.; Rykhalskyi, A.; Romanov, A.; Orel, V.B.; Burlaka, A.; Lukin, S.; et al. The Comparison between Superparamagnetic and Ferromagnetic Iron Oxide Nanoparticles for Cancer Nanotherapy in the Magnetic Resonance System. Nanotechnology 2019, 30, 415701. [Google Scholar] [CrossRef] [PubMed]
- Xu, Y.; Wang, S.; Chan, H.F.; Liu, Y.; Li, H.; He, C.; Li, Z.; Chen, M. Triphenylphosphonium-Modified Poly(Ethylene Glycol)-Poly(ε-Caprolactone) Micelles for Mitochondria- Targeted Gambogic Acid Delivery. Int. J. Pharm. 2017, 522, 21–33. [Google Scholar] [CrossRef] [PubMed]
- Chan, M.S.; Liu, L.S.; Leung, H.M.; Lo, P.K. Cancer-Cell-Specific Mitochondria-Targeted Drug Delivery by Dual-Ligand-Functionalized Nanodiamonds Circumvent Drug Resistance. ACS Appl. Mater. Interfaces 2017, 9, 11780–11789. [Google Scholar] [CrossRef]
- Manjunatha, K.; Jagadeesha Angadi, V.; Srinivasamurthy, K.M.; Matteppanavar, S.; Pattar, V.K.; Mahaboob Pasha, U. Exploring the Structural, Dielectric and Magnetic Properties of 5 Mol% Bi3+-Substituted CoCr2O4 Nanoparticles. J. Supercond. Nov. Magn. 2020, 33, 1747–1757. [Google Scholar] [CrossRef]
- Singh, L.; Kruger, H.G.; Maguire, G.E.M.; Govender, T.; Parboosing, R. Development and Evaluation of Peptide-Functionalized Gold Nanoparticles for HIV Integrase Inhibition. Int. J. Pept. Res. Ther. 2019, 25, 311–322. [Google Scholar] [CrossRef]
- Pan, T.; Song, W.; Gao, H.; Li, T.; Cao, X.; Zhong, S.; Wang, Y. MiR-29b-Loaded Gold Nanoparticles Targeting to the Endoplasmic Reticulum for Synergistic Promotion of Osteogenic Differentiation. ACS Appl. Mater. Interfaces 2016, 8, 19217–19227. [Google Scholar] [CrossRef]
- Zhang, J.; Sun, A.; Xu, R.; Tao, X.; Dong, Y.; Lv, X.; Wei, D. Cell-Penetrating and Endoplasmic Reticulum-Locating TAT-IL-24-KDEL Fusion Protein Induces Tumor Apoptosis. J. Cell Physiol. 2016, 231, 84–93. [Google Scholar] [CrossRef]
- Wong, D.W.; Gan, W.L.; Teo, Y.K.; Lew, W.S. Interplay of Cell Death Signaling Pathways Mediated by Alternating Magnetic Field Gradient. Cell Death Discov. 2018, 4, 49. [Google Scholar] [CrossRef] [PubMed]
- Hoshyar, N.; Gray, S.; Han, H.; Bao, G. The Effect of Nanoparticle Size on in vivo Pharmacokinetics and Cellular Interaction. Nanomedicine 2016, 11, 673–692. [Google Scholar] [CrossRef] [PubMed]
- Li, X.; Wang, B.; Zhou, S.; Chen, W.; Chen, H.; Liang, S.; Zheng, L.; Yu, H.; Chu, R.; Wang, M.; et al. Surface Chemistry Governs the Sub-Organ Transfer, Clearance and Toxicity of Functional Gold Nanoparticles in the Liver and Kidney. J. Nanobiotechnol. 2020, 18, 45. [Google Scholar] [CrossRef] [PubMed]
- Fernández-Afonso, Y.; Asín, L.; Beola, L.; Fratila, R.M.; Gutiérrez, L. Influence of Magnetic Nanoparticle Degradation in the Frame of Magnetic Hyperthermia and Photothermal Treatments. ACS Appl. Nano Mater. 2022, 5, 16220–16230. [Google Scholar] [CrossRef]
- Gao, J.; Gu, H.; Xu, B. Multifunctional Magnetic Nanoparticles: Design, Synthesis, and Biomedical Applications. Acc. Chem. Res. 2009, 42, 1097–1107. [Google Scholar] [CrossRef]
- Wilson, D.; Materón, E.M.; Ibáñez-Redín, G.; Faria, R.C.; Correa, D.S.; Oliveira, O.N. Electrical Detection of Pathogenic Bacteria in Food Samples Using Information Visualization Methods with a Sensor Based on Magnetic Nanoparticles Functionalized with Antimicrobial Peptides. Talanta 2019, 194, 611–618. [Google Scholar] [CrossRef]
- Le, T.N.; Tran, T.D.; Kim, M.I. A Convenient Colorimetric Bacteria Detection Method Utilizing Chitosan-Coated Magnetic Nanoparticles. Nanomaterials 2020, 10, 92. [Google Scholar] [CrossRef]
- Perez, R.A.; Patel, K.D.; Kim, H.-W. Novel Magnetic Nanocomposite Injectables: Calcium Phosphate Cements Impregnated with Ultrafine Magnetic Nanoparticles for Bone Regeneration. RSC Adv. 2015, 5, 13411–13419. [Google Scholar] [CrossRef]
- Xia, Y.; Guo, Y.; Yang, Z.; Chen, H.; Ren, K.; Weir, M.D.; Chow, L.C.; Reynolds, M.A.; Zhang, F.; Gu, N.; et al. Iron Oxide Nanoparticle-Calcium Phosphate Cement Enhanced the Osteogenic Activities of Stem Cells through WNT/β-Catenin Signaling. Mater. Sci. Eng. C 2019, 104, 109955. [Google Scholar] [CrossRef]
- Dasari, A.; Xue, J.; Deb, S. Magnetic Nanoparticles in Bone Tissue Engineering. Nanomaterials 2022, 12, 757. [Google Scholar] [CrossRef]
- Lodi, M.B.; Curreli, N.; Zappia, S.; Pilia, L.; Casula, M.F.; Fiorito, S.; Catapano, I.; Desogus, F.; Pellegrino, T.; Kriegel, I.; et al. Influence of Magnetic Scaffold Loading Patterns on Their Hyperthermic Potential Against Bone Tumors. IEEE Trans. Biomed. Eng. 2022, 69, 2029–2040. [Google Scholar] [CrossRef] [PubMed]
- Singh, R.K.; Patel, K.D.; Lee, J.H.; Lee, E.-J.; Kim, J.-H.; Kim, T.-H.; Kim, H.-W. Potential of Magnetic Nanofiber Scaffolds with Mechanical and Biological Properties Applicable for Bone Regeneration. PLoS ONE 2014, 9, e91584. [Google Scholar] [CrossRef]
- Lanza, R.; Langer, R.; Vacanti, J.P.; Atala, A. (Eds.) Principles of Tissue Engineering; Academic Press: Cambridge, MA, USA, 2020; ISBN 978-0-12-818422-6. [Google Scholar]
- Ghassemi, T.; Shahroodi, A.; Ebrahimzadeh, M.H.; Mousavian, A.; Movaffagh, J.; Moradi, A. Current Concepts in Scaffolding for Bone Tissue Engineering. Arch. Bone Jt. Surg. 2018, 6, 90–99. [Google Scholar]
- Zia, K.M.; Tabasum, S.; Nasif, M.; Sultan, N.; Aslam, N.; Noreen, A.; Zuber, M. A Review on Synthesis, Properties and Applications of Natural Polymer Based Carrageenan Blends and Composites. Int. J. Biol. Macromol. 2017, 96, 282–301. [Google Scholar] [CrossRef]
- Pina, S.; Oliveira, J.M.; Reis, R.L. Biomimetic Strategies to Engineer Mineralized Human Tissues. In Handbook of Bioceramics and Biocomposites; Antoniac, I.V., Ed.; Springer International Publishing: Cham, Switzerland, 2016; pp. 503–519. ISBN 978-3-319-12460-5. [Google Scholar]
- Singh, R.; Shitiz, K.; Singh, A. Chitin and Chitosan: Biopolymers for Wound Management: Chitin and Chitosan: Biopolymers for Wound Management. Int. Wound J. 2017, 14, 1276–1289. [Google Scholar] [CrossRef] [PubMed]
- Ahmed, S.; Annu; Ali, A.; Sheikh, J. A Review on Chitosan Centred Scaffolds and Their Applications in Tissue Engineering. Int. J. Biol. Macromol. 2018, 116, 849–862. [Google Scholar] [CrossRef] [PubMed]
- Sieni, E.; Bazzolo, B.; Pieretti, F.; Zamuner, A.; Tasso, A.; Dettin, M.; Conconi, M.T. Breast Cancer Cells Grown on Hyaluronic Acid-Based Scaffolds as 3D in vitro Model for Electroporation. Bioelectrochemistry 2020, 136, 107626. [Google Scholar] [CrossRef]
- Collins, M.N.; Birkinshaw, C. Hyaluronic Acid Based Scaffolds for Tissue Engineering—A Review. Carbohydr. Polym. 2013, 92, 1262–1279. [Google Scholar] [CrossRef]
- Zheng, Z.; Patel, M.; Patel, R. Hyaluronic Acid-Based Materials for Bone Regeneration: A Review. React. Funct. Polym. 2022, 171, 105151. [Google Scholar] [CrossRef]
- Irawan, V.; Sung, T.-C.; Higuchi, A.; Ikoma, T. Collagen Scaffolds in Cartilage Tissue Engineering and Relevant Approaches for Future Development. Tissue Eng. Regen. Med. 2018, 15, 673–697. [Google Scholar] [CrossRef]
- Lu, Z.; Doulabi, B.Z.; Huang, C.; Bank, R.A.; Helder, M.N. Collagen Type II Enhances Chondrogenesis in Adipose Tissue–Derived Stem Cells by Affecting Cell Shape. Tissue Eng. Part A 2010, 16, 81–90. [Google Scholar] [CrossRef]
- Matsiko, A.; Levingstone, T.J.; O’Brien, F.J.; Gleeson, J.P. Addition of Hyaluronic Acid Improves Cellular Infiltration and Promotes Early-Stage Chondrogenesis in a Collagen-Based Scaffold for Cartilage Tissue Engineering. J. Mech. Behav. Biomed. Mater. 2012, 11, 41–52. [Google Scholar] [CrossRef] [PubMed]
- Bianchi, M.; Boi, M.; Sartori, M.; Giavaresi, G.; Lopomo, N.; Fini, M.; Dediu, A.; Tampieri, A.; Marcacci, M.; Russo, A. Nanomechanical Mapping of Bone Tissue Regenerated by Magnetic Scaffolds. J. Mater. Sci. Mater. Med. 2015, 26, 35. [Google Scholar] [CrossRef] [PubMed]
- Raucci, M.G.; Giugliano, D.; Ambrosio, L. Fundamental Properties of Bioceramics and Biocomposites. In Handbook of Bioceramics and Biocomposites; Antoniac, I.V., Ed.; Springer International Publishing: Cham, Switzerland, 2016; pp. 35–58. ISBN 978-3-319-12460-5. [Google Scholar]
- Aldana, A.A.; Abraham, G.A. Current Advances in Electrospun Gelatin-Based Scaffolds for Tissue Engineering Applications. Int. J. Pharm. 2017, 523, 441–453. [Google Scholar] [CrossRef]
- Choi, J.H.; Kim, D.K.; Song, J.E.; Oliveira, J.M.; Reis, R.L.; Khang, G. Silk Fibroin-Based Scaffold for Bone Tissue Engineering. In Novel Biomaterials for Regenerative Medicine; Chun, H.J., Park, K., Kim, C.-H., Khang, G., Eds.; Advances in Experimental Medicine and Biology; Springer: Singapore, 2018; Volume 1077, pp. 371–387. ISBN 9789811309465. [Google Scholar]
- Cheng, G.; Davoudi, Z.; Xing, X.; Yu, X.; Cheng, X.; Li, Z.; Deng, H.; Wang, Q. Advanced Silk Fibroin Biomaterials for Cartilage Regeneration. ACS Biomater. Sci. Eng. 2018, 4, 2704–2715. [Google Scholar] [CrossRef] [PubMed]
- Zhu, J. Bioactive Modification of Poly(Ethylene Glycol) Hydrogels for Tissue Engineering. Biomaterials 2010, 31, 4639–4656. [Google Scholar] [CrossRef] [PubMed]
- Ciardelli, G.; Chiono, V.; Vozzi, G.; Pracella, M.; Ahluwalia, A.; Barbani, N.; Cristallini, C.; Giusti, P. Blends of Poly-(ε-Caprolactone) and Polysaccharides in Tissue Engineering Applications. Biomacromolecules 2005, 6, 1961–1976. [Google Scholar] [CrossRef] [PubMed]
- Malikmammadov, E.; Tanir, T.E.; Kiziltay, A.; Hasirci, V.; Hasirci, N. PCL and PCL-Based Materials in Biomedical Applications. J. Biomater. Sci. Polym. Ed. 2018, 29, 863–893. [Google Scholar] [CrossRef]
- Tzeng, J.-J.; Hsiao, Y.-T.; Wu, Y.-C.; Chen, H.; Lee, S.-Y.; Lin, Y.-M. Synthesis, Characterization, and Visible Light Curing Capacity of Polycaprolactone Acrylate. BioMed Res. Int. 2018, 2018, 8719624. [Google Scholar] [CrossRef] [PubMed]
- Patrício, T.; Domingos, M.; Gloria, A.; Bártolo, P. Characterisation of PCL and PCL/PLA Scaffolds for Tissue Engineering. Procedia CIRP 2013, 5, 110–114. [Google Scholar] [CrossRef]
- Narayanan, G.; Vernekar, V.N.; Kuyinu, E.L.; Laurencin, C.T. Poly (Lactic Acid)-Based Biomaterials for Orthopaedic Regenerative Engineering. Adv. Drug Deliv. Rev. 2016, 107, 247–276. [Google Scholar] [CrossRef]
- Ghalia, M.A.; Dahman, Y. Biodegradable Poly(Lactic Acid)-Based Scaffolds: Synthesis and Biomedical Applications. J. Polym. Res. 2017, 24, 74. [Google Scholar] [CrossRef]
- Bharadwaz, A.; Jayasuriya, A.C. Recent Trends in the Application of Widely Used Natural and Synthetic Polymer Nanocomposites in Bone Tissue Regeneration. Mater. Sci. Eng. C 2020, 110, 110698. [Google Scholar] [CrossRef] [PubMed]
- Alizadeh-Osgouei, M.; Li, Y.; Wen, C. A Comprehensive Review of Biodegradable Synthetic Polymer-Ceramic Composites and Their Manufacture for Biomedical Applications. Bioact. Mater. 2019, 4, 22–36. [Google Scholar] [CrossRef] [PubMed]
- Jenkins, T.L.; Little, D. Synthetic Scaffolds for Musculoskeletal Tissue Engineering: Cellular Responses to Fiber Parameters. npj Regen. Med. 2019, 4, 15. [Google Scholar] [CrossRef]
- Safari, B.; Aghanejad, A.; Kadkhoda, J.; Aghazade, M.; Roshangar, L.; Davaran, S. Biofunctional Phosphorylated Magnetic Scaffold for Bone Tissue Engineering. Colloids Surf. B Biointerfaces 2022, 211, 112284. [Google Scholar] [CrossRef]
- Zhu, Q.; Sun, H.; Yang, D.; Tighe, S.; Liu, Y.; Zhu, Y.; Hu, M. Cellular Substrates for Cell-Based Tissue Engineering of Human Corneal Endothelial Cells. Int. J. Med. Sci. 2019, 16, 1072–1077. [Google Scholar] [CrossRef]
- Kim, J.-H.; Kang, M.S.; Eltohamy, M.; Kim, T.-H.; Kim, H.-W. Dynamic Mechanical and Nanofibrous Topological Combinatory Cues Designed for Periodontal Ligament Engineering. PLoS ONE 2016, 11, e0149967. [Google Scholar] [CrossRef]
- Bate, T.S.R.; Forbes, S.J.; Callanan, A. Controlling Electrospun Polymer Morphology for Tissue Engineering Demonstrated Using HepG2 Cell Line. J. Vis. Exp. 2020, 159, e61043. [Google Scholar] [CrossRef]
- Ghasemi-Mobarakeh, L.; Prabhakaran, M.P.; Tian, L.; Shamirzaei-Jeshvaghani, E.; Dehghani, L.; Ramakrishna, S. Structural Properties of Scaffolds: Crucial Parameters towards Stem Cells Differentiation. World J. Stem Cells 2015, 7, 728–744. [Google Scholar] [CrossRef]
- Knapik, D.M.; Perera, P.; Nam, J.; Blazek, A.D.; Rath, B.; Leblebicioglu, B.; Das, H.; Wu, L.C.; Hewett, T.E.; Agarwal, S.K.; et al. Mechanosignaling in Bone Health, Trauma and Inflammation. Antioxid. Redox Signal. 2014, 20, 970–985. [Google Scholar] [CrossRef]
- Davidson, L.A. Mechanical Design in Embryos: Mechanical Signalling, Robustness and Developmental Defects. Philos. Trans. R. Soc. B Biol. Sci. 2017, 372, 20150516. [Google Scholar] [CrossRef] [PubMed]
- Vogel, V.; Sheetz, M. Local Force and Geometry Sensing Regulate Cell Functions. Nat. Rev. Mol. Cell Biol. 2006, 7, 265–275. [Google Scholar] [CrossRef] [PubMed]
- Wang, N.; Tytell, J.D.; Ingber, D.E. Mechanotransduction at a Distance: Mechanically Coupling the Extracellular Matrix with the Nucleus. Nat. Rev. Mol. Cell Biol. 2009, 10, 75–82. [Google Scholar] [CrossRef] [PubMed]
- Ulrich, T.A.; Jain, A.; Tanner, K.; MacKay, J.L.; Kumar, S. Probing Cellular Mechanobiology in Three-Dimensional Culture with Collagen-Agarose Matrices. Biomaterials 2010, 31, 1875–1884. [Google Scholar] [CrossRef] [PubMed]
- Lee, S.-Y.; Fiorentini, G.; Szasz, A.M.; Szigeti, G.; Szasz, A.; Minnaar, C.A. Quo Vadis Oncological Hyperthermia (2020)? Front. Oncol. 2020, 10, 1690. [Google Scholar] [CrossRef]
- Datta, N.R.; Kok, H.P.; Crezee, H.; Gaipl, U.S.; Bodis, S. Integrating Loco-Regional Hyperthermia Into the Current Oncology Practice: SWOT and TOWS Analyses. Front. Oncol. 2020, 10, 819. [Google Scholar] [CrossRef]
- Espinosa, A.; Di Corato, R.; Kolosnjaj-Tabi, J.; Flaud, P.; Pellegrino, T.; Wilhelm, C. Duality of Iron Oxide Nanoparticles in Cancer Therapy: Amplification of Heating Efficiency by Magnetic Hyperthermia and Photothermal Bimodal Treatment. ACS Nano 2016, 10, 2436–2446. [Google Scholar] [CrossRef]
- Lee, H.; Shin, T.-H.; Cheon, J.; Weissleder, R. Recent Developments in Magnetic Diagnostic Systems. Chem. Rev. 2015, 115, 10690–10724. [Google Scholar] [CrossRef]
- Hendriksen, P.V.; Linderoth, S.; Oxborrow, C.A.; Morup, S. Ultrafine Maghemite Particles. II. The Spin-Canting Effect Revisited. J. Phys. Condens. Matter 1994, 6, 3091. [Google Scholar] [CrossRef]
- Wu, K.; Tu, L.; Su, D.; Wang, J.-P. Magnetic Dynamics of Ferrofluids: Mathematical Models and Experimental Investigations. J. Phys. D Appl. Phys. 2017, 50, 085005. [Google Scholar] [CrossRef]
- Roca, A.G.; Niznansky, D.; Poltierova-Vejpravova, J.; Bittova, B.; González-Fernández, M.A.; Serna, C.J.; Morales, M.P. Magnetite Nanoparticles with No Surface Spin Canting. J. Appl. Phys. 2009, 105, 114309. [Google Scholar] [CrossRef]
- Kim, T.; Shima, M. Reduced Magnetization in Magnetic Oxide Nanoparticles. J. Appl. Phys. 2007, 101, 09M516. [Google Scholar] [CrossRef]
- Park, J.; An, K.; Hwang, Y.; Park, J.-G.; Noh, H.-J.; Kim, J.-Y.; Park, J.-H.; Hwang, N.-M.; Hyeon, T. Ultra-Large-Scale Syntheses of Monodisperse Nanocrystals. Nat. Mater. 2004, 3, 891–895. [Google Scholar] [CrossRef] [PubMed]
- Stoner, E.C.; Wohlfarth, E.P. A Mechanism of Magnetic Hysteresis in Heterogeneous Alloys. Philos. Trans. R. Soc. Lond. Ser. A Math. Phys. Sci. 1948, 240, 599–642. [Google Scholar] [CrossRef]
- Wu, K.; Su, D.; Liu, J.; Saha, R.; Wang, J.-P. Magnetic Nanoparticles in Nanomedicine: A Review of Recent Advances. Nanotechnology 2019, 30, 502003. [Google Scholar] [CrossRef] [PubMed]
- Liao, W.; Lu, J.; Wang, Q.; Yan, S.; Li, Y.; Zhang, Y.; Wang, P.; Jiang, Q.; Gu, N. Osteogenesis of Iron Oxide Nanoparticles-Labeled Human Precartilaginous Stem Cells in Interpenetrating Network Printable Hydrogel. Front. Bioeng. Biotechnol. 2022, 10, 872149. [Google Scholar] [CrossRef]
- Sadeghzadeh, H.; Mehdipour, A.; Dianat-Moghadam, H.; Salehi, R.; Khoshfetrat, A.B.; Hassani, A.; Mohammadnejad, D. PCL/Col I-Based Magnetic Nanocomposite Scaffold Provides an Osteoinductive Environment for ADSCs in Osteogenic Cues-Free Media Conditions. Stem Cell Res. Ther. 2022, 13, 143. [Google Scholar] [CrossRef] [PubMed]
- Jia, Y.; Zhang, P.; Sun, Y.; Kang, Q.; Xu, J.; Zhang, C.; Chai, Y. Regeneration of Large Bone Defects Using Mesoporous Silica Coated Magnetic Nanoparticles during Distraction Osteogenesis. Nanomedicine 2019, 21, 102040. [Google Scholar] [CrossRef]
- Bin, S.; Wang, A.; Guo, W.; Yu, L.; Feng, P. Micro Magnetic Field Produced by Fe3O4 Nanoparticles in Bone Scaffold for Enhancing Cellular Activity. Polymers 2020, 12, 2045. [Google Scholar] [CrossRef]
- Håkelien, A.-M.; Bryne, J.C.; Harstad, K.G.; Lorenz, S.; Paulsen, J.; Sun, J.; Mikkelsen, T.S.; Myklebost, O.; Meza-Zepeda, L.A. The Regulatory Landscape of Osteogenic Differentiation. Stem Cells 2014, 32, 2780–2793. [Google Scholar] [CrossRef] [PubMed]
- Silva, A.S.; Santos, L.F.; Mendes, M.C.; Mano, J.F. Multi-Layer Pre-Vascularized Magnetic Cell Sheets for Bone Regeneration. Biomaterials 2020, 231, 119664. [Google Scholar] [CrossRef] [PubMed]
- Senthilkumar, N.; Sharma, P.K.; Sood, N.; Bhalla, N. Designing Magnetic Nanoparticles for in vivo Applications and Understanding Their Fate inside Human Body. Coord. Chem. Rev. 2021, 445, 214082. [Google Scholar] [CrossRef]
- Wang, Q.; Chen, B.; Cao, M.; Sun, J.; Wu, H.; Zhao, P.; Xing, J.; Yang, Y.; Zhang, X.; Ji, M.; et al. Response of MAPK Pathway to Iron Oxide Nanoparticles in vitro Treatment Promotes Osteogenic Differentiation of HBMSCs. Biomaterials 2016, 86, 11–20. [Google Scholar] [CrossRef]
- Henstock, J.R.; Rotherham, M.; El Haj, A.J. Magnetic Ion Channel Activation of TREK1 in Human Mesenchymal Stem Cells Using Nanoparticles Promotes Osteogenesis in Surrounding Cells. J. Tissue Eng. 2018, 9, 2041731418808695. [Google Scholar] [CrossRef]
- Wang, Q.; Chen, B.; Ma, F.; Lin, S.; Cao, M.; Li, Y.; Gu, N. Magnetic Iron Oxide Nanoparticles Accelerate Osteogenic Differentiation of Mesenchymal Stem Cells via Modulation of Long Noncoding RNA INZEB2. Nano Res. 2017, 10, 626–642. [Google Scholar] [CrossRef]
- ISO 10993-1:2018(En); Biological Evaluation of Medical Devices—Part 1: Evaluation and Testing within a Risk Management Process. Available online: https://www.iso.org/obp/ui/#iso:std:iso:10993:-1:ed-5:v2:en (accessed on 30 December 2022).
- Hajinasab, A.; Saber-Samandari, S.; Ahmadi, S.; Alamara, K. Preparation and Characterization of a Biocompatible Magnetic Scaffold for Biomedical Engineering. Mater. Chem. Phys. 2018, 204, 378–387. [Google Scholar] [CrossRef]
- Horner, C.B.; Hirota, K.; Liu, J.; Maldonado, M.; Hyle Park, B.; Nam, J. Magnitude-Dependent and Inversely-Related Osteogenic/Chondrogenic Differentiation of Human Mesenchymal Stem Cells under Dynamic Compressive Strain. J. Tissue Eng. Regen. Med. 2018, 12, e637–e647. [Google Scholar] [CrossRef]
- Ross, C.L. The Use of Electric, Magnetic, and Electromagnetic Field for Directed Cell Migration and Adhesion in Regenerative Medicine. Biotechnol. Prog. 2017, 33, 5–16. [Google Scholar] [CrossRef]
- Moradian, E.; Rabiee, S.M.; Haghighipour, N.; Salimi-Kenari, H. Fabrication and Physicochemical Characterization of a Novel Magnetic Nanocomposite Scaffold: Electromagnetic Field Effect on Biological Properties. Mater. Sci. Eng. C Mater. Biol. Appl. 2020, 116, 111222. [Google Scholar] [CrossRef]
- Sapir, Y.; Cohen, S.; Friedman, G.; Polyak, B. The Promotion of in vitro Vessel-like Organization of Endothelial Cells in Magnetically Responsive Alginate Scaffolds. Biomaterials 2012, 33, 4100–4109. [Google Scholar] [CrossRef]
- Reizabal, A.; Brito-Pereira, R.; Fernandes, M.M.; Castro, N.; Correia, V.; Ribeiro, C.; Costa, C.M.; Perez, L.; Vilas, J.L.; Lanceros-Méndez, S. Silk Fibroin Magnetoactive Nanocomposite Films and Membranes for Dynamic Bone Tissue Engineering Strategies. Materialia 2020, 12, 100709. [Google Scholar] [CrossRef]
- Aliramaji, S.; Zamanian, A.; Mozafari, M. Super-Paramagnetic Responsive Silk Fibroin/Chitosan/Magnetite Scaffolds with Tunable Pore Structures for Bone Tissue Engineering Applications. Mater. Sci. Eng. C Mater. Biol. Appl. 2017, 70, 736–744. [Google Scholar] [CrossRef]
- Yun, H.-M.; Ahn, S.-J.; Park, K.-R.; Kim, M.-J.; Kim, J.-J.; Jin, G.-Z.; Kim, H.-W.; Kim, E.-C. Magnetic Nanocomposite Scaffolds Combined with Static Magnetic Field in the Stimulation of Osteoblastic Differentiation and Bone Formation. Biomaterials 2016, 85, 88–98. [Google Scholar] [CrossRef] [PubMed]
- Huang, J.; Wang, D.; Chen, J.; Liu, W.; Duan, L.; You, W.; Zhu, W.; Xiong, J.; Wang, D. Osteogenic Differentiation of Bone Marrow Mesenchymal Stem Cells by Magnetic Nanoparticle Composite Scaffolds under a Pulsed Electromagnetic Field. Saudi Pharm. J. 2017, 25, 575–579. [Google Scholar] [CrossRef] [PubMed]
- Cai, Q.; Shi, Y.; Shan, D.; Jia, W.; Duan, S.; Deng, X.; Yang, X. Osteogenic Differentiation of MC3T3-E1 Cells on Poly(l-Lactide)/Fe3O4 Nanofibers with Static Magnetic Field Exposure. Mater. Sci. Eng. C 2015, 55, 166–173. [Google Scholar] [CrossRef] [PubMed]
- Liu, G.; Gao, J.; Ai, H.; Chen, X. Applications and Potential Toxicity of Magnetic Iron Oxide Nanoparticles. Small 2013, 9, 1533–1545. [Google Scholar] [CrossRef]
- Yang, L.; Kuang, H.; Zhang, W.; Aguilar, Z.P.; Xiong, Y.; Lai, W.; Xu, H.; Wei, H. Size Dependent Biodistribution and Toxicokinetics of Iron Oxide Magnetic Nanoparticles in Mice. Nanoscale 2014, 7, 625–636. [Google Scholar] [CrossRef]
- Arami, H.; Khandhar, A.; Liggitt, D.; Krishnan, K.M. In vivo Delivery, Pharmacokinetics, Biodistribution and Toxicity of Iron Oxide Nanoparticles. Chem. Soc. Rev. 2015, 44, 8576–8607. [Google Scholar] [CrossRef]
- Pham, B.T.T.; Colvin, E.K.; Pham, N.T.H.; Kim, B.J.; Fuller, E.S.; Moon, E.A.; Barbey, R.; Yuen, S.; Rickman, B.H.; Bryce, N.S.; et al. Biodistribution and Clearance of Stable Superparamagnetic Maghemite Iron Oxide Nanoparticles in Mice Following Intraperitoneal Administration. Int. J. Mol. Sci. 2018, 19, 205. [Google Scholar] [CrossRef]
- Jarockyte, G.; Daugelaite, E.; Stasys, M.; Statkute, U.; Poderys, V.; Tseng, T.-C.; Hsu, S.-H.; Karabanovas, V.; Rotomskis, R. Accumulation and Toxicity of Superparamagnetic Iron Oxide Nanoparticles in Cells and Experimental Animals. Int. J. Mol. Sci. 2016, 17, 1193. [Google Scholar] [CrossRef] [PubMed]
- Patil, R.M.; Thorat, N.D.; Shete, P.B.; Bedge, P.A.; Gavde, S.; Joshi, M.G.; Tofail, S.A.M.; Bohara, R.A. Comprehensive Cytotoxicity Studies of Superparamagnetic Iron Oxide Nanoparticles. Biochem. Biophys. Rep. 2018, 13, 63–72. [Google Scholar] [CrossRef] [PubMed]
- Rajiv, S.; Jerobin, J.; Saranya, V.; Nainawat, M.; Sharma, A.; Makwana, P.; Gayathri, C.; Bharath, L.; Singh, M.; Kumar, M.; et al. Comparative Cytotoxicity and Genotoxicity of Cobalt (II, III) Oxide, Iron (III) Oxide, Silicon Dioxide, and Aluminum Oxide Nanoparticles on Human Lymphocytes in vitro. Hum. Exp. Toxicol. 2016, 35, 170–183. [Google Scholar] [CrossRef]
- Valdiglesias, V.; Kiliç, G.; Costa, C.; Fernández-Bertólez, N.; Pásaro, E.; Teixeira, J.P.; Laffon, B. Effects of Iron Oxide Nanoparticles: Cytotoxicity, Genotoxicity, Developmental Toxicity, and Neurotoxicity. Environ. Mol. Mutagen. 2015, 56, 125–148. [Google Scholar] [CrossRef] [PubMed]
- Van de Walle, A.; Perez, J.E.; Abou-Hassan, A.; Hémadi, M.; Luciani, N.; Wilhelm, C. Magnetic Nanoparticles in Regenerative Medicine: What of Their Fate and Impact in Stem Cells? Mater. Today Nano 2020, 11, 100084. [Google Scholar] [CrossRef]
- Yarjanli, Z.; Ghaedi, K.; Esmaeili, A.; Rahgozar, S.; Zarrabi, A. Iron Oxide Nanoparticles May Damage to the Neural Tissue through Iron Accumulation, Oxidative Stress, and Protein Aggregation. BMC Neurosci. 2017, 18, 51. [Google Scholar] [CrossRef]
- Fan, J.; Tan, Y.; Jie, L.; Wu, X.; Yu, R.; Zhang, M. Biological Activity and Magnetic Resonance Imaging of Superparamagnetic Iron Oxide Nanoparticles-Labeled Adipose-Derived Stem Cells. Stem Cell Res. Ther. 2013, 4, 44. [Google Scholar] [CrossRef]
- Andreas, K.; Georgieva, R.; Ladwig, M.; Mueller, S.; Notter, M.; Sittinger, M.; Ringe, J. Highly Efficient Magnetic Stem Cell Labeling with Citrate-Coated Superparamagnetic Iron Oxide Nanoparticles for MRI Tracking. Biomaterials 2012, 33, 4515–4525. [Google Scholar] [CrossRef]
- Huang, D.-M.; Hsiao, J.-K.; Chen, Y.-C.; Chien, L.-Y.; Yao, M.; Chen, Y.-K.; Ko, B.-S.; Hsu, S.-C.; Tai, L.-A.; Cheng, H.-Y.; et al. The Promotion of Human Mesenchymal Stem Cell Proliferation by Superparamagnetic Iron Oxide Nanoparticles. Biomaterials 2009, 30, 3645–3651. [Google Scholar] [CrossRef]
- ISO 10993-2:2006 (En); Biological Evaluation of Medical Devices—Part 2: Animal Welfare Requirements. Available online: https://www.iso.org/standard/36405.html (accessed on 31 December 2022).
- Meng, J.; Xiao, B.; Zhang, Y.; Liu, J.; Xue, H.; Lei, J.; Kong, H.; Huang, Y.; Jin, Z.; Gu, N.; et al. Super-Paramagnetic Responsive Nanofibrous Scaffolds under Static Magnetic Field Enhance Osteogenesis for Bone Repair in vivo. Sci. Rep. 2013, 3, 2655. [Google Scholar] [CrossRef]
- Russo, T.; D’Amora, U.; Gloria, A.; Tunesi, M.; Sandri, M.; Rodilossi, S.; Albani, D.; Forloni, G.; Giordano, C.; Cigada, A.; et al. Systematic Analysis of Injectable Materials and 3D Rapid Prototyped Magnetic Scaffolds: From CNS Applications to Soft and Hard Tissue Repair/Regeneration. Procedia Eng. 2013, 59, 233–239. [Google Scholar] [CrossRef]
- Kuss, M.A.; Wu, S.; Wang, Y.; Untrauer, J.B.; Li, W.; Lim, J.Y.; Duan, B. Prevascularization of 3D Printed Bone Scaffolds by Bioactive Hydrogels and Cell Co-Culture. J. Biomed. Mater. Res. B Appl. Biomater. 2018, 106, 1788–1798. [Google Scholar] [CrossRef]
- Xia, Y.; Chen, H.; Zhao, Y.; Zhang, F.; Li, X.; Wang, L.; Weir, M.D.; Ma, J.; Reynolds, M.A.; Gu, N.; et al. Novel Magnetic Calcium Phosphate-Stem Cell Construct with Magnetic Field Enhances Osteogenic Differentiation and Bone Tissue Engineering. Mater. Sci. Eng. C 2019, 98, 30–41. [Google Scholar] [CrossRef] [PubMed]
- Costa, A.; Naranjo, J.D.; Londono, R.; Badylak, S.F. Biologic Scaffolds. Cold Spring Harb. Perspect. Med. 2017, 7, a025676. [Google Scholar] [CrossRef] [PubMed]
- Maglio, M.; Sartori, M.; Gambardella, A.; Shelyakova, T.; Dediu, V.A.; Santin, M.; Piñeiro, Y.; López, M.B.; Rivas, J.; Tampieri, A.; et al. Bone Regeneration Guided by a Magnetized Scaffold in an Ovine Defect Model. IJMS 2023, 24, 747. [Google Scholar] [CrossRef] [PubMed]
- Huniadi, A.; Sorian, A.; Iuhas, C.; Bodog, A.; Sandor, M.I. The Effect of Cannabis in the Treatment of Hodgkin’s Lymphoma in a Pregnant Patient—Extensive Case Report and Literature Review. J. BUON 2021, 26, 11–16. [Google Scholar]
- Panseri, S.; Russo, A.; Cunha, C.; Bondi, A.; Di Martino, A.; Patella, S.; Kon, E. Osteochondral Tissue Engineering Approaches for Articular Cartilage and Subchondral Bone Regeneration. Knee Surg. Sports Traumatol. Arthrosc. 2012, 20, 1182–1191. [Google Scholar] [CrossRef]
- Elfick, A.; Rischitor, G.; Mouras, R.; Azfer, A.; Lungaro, L.; Uhlarz, M.; Herrmannsdörfer, T.; Lucocq, J.; Gamal, W.; Bagnaninchi, P.; et al. Biosynthesis of Magnetic Nanoparticles by Human Mesenchymal Stem Cells Following Transfection with the Magnetotactic Bacterial Gene Mms6. Sci. Rep. 2017, 7, 39755. [Google Scholar] [CrossRef]
- Russo, A.; Shelyakova, T.; Casino, D.; Lopomo, N.; Strazzari, A.; Ortolani, A.; Visani, A.; Dediu, V.; Marcacci, M. A New Approach to Scaffold Fixation by Magnetic Forces: Application to Large Osteochondral Defects. Med. Eng. Phys. 2012, 34, 1287–1293. [Google Scholar] [CrossRef]
- Tampieri, A.; Landi, E.; Valentini, F.; Sandri, M.; D’Alessandro, T.; Dediu, V.; Marcacci, M. A Conceptually New Type of Bio-Hybrid Scaffold for Bone Regeneration. Nanotechnology 2011, 22, 015104. [Google Scholar] [CrossRef]
- Vakil, A.U.; Ramezani, M.; Monroe, M.B.B. Magnetically Actuated Shape Memory Polymers for On-Demand Drug Delivery. Materials 2022, 15, 7279. [Google Scholar] [CrossRef] [PubMed]
- De Paoli, V.M.; De Paoli Lacerda, S.H.; Spinu, L.; Ingber, B.; Rosenzweig, Z.; Rosenzweig, N. Effect of an Oscillating Magnetic Field on the Release Properties of Magnetic Collagen Gels. Langmuir 2006, 22, 5894–5899. [Google Scholar] [CrossRef]
- Parlanti, P.; Boni, A.; Signore, G.; Santi, M. Targeted Dendrimer-Coated Magnetic Nanoparticles for Selective Delivery of Therapeutics in Living Cells. Molecules 2020, 25, 2252. [Google Scholar] [CrossRef] [PubMed]
- Meikle, S.T.; Piñeiro, Y.; Bañobre López, M.; Rivas, J.; Santin, M. Surface Functionalization Superparamagnetic Nanoparticles Conjugated with Thermoresponsive Poly(Epsilon-Lysine) Dendrons Tethered with Carboxybetaine for the Mild Hyperthermia-Controlled Delivery of VEGF. Acta Biomater. 2016, 40, 235–242. [Google Scholar] [CrossRef] [PubMed]
- Zhao, X.; Kim, J.; Cezar, C.A.; Huebsch, N.; Lee, K.; Bouhadir, K.; Mooney, D.J. Active Scaffolds for On-Demand Drug and Cell Delivery. Proc. Natl. Acad. Sci. USA 2011, 108, 67–72. [Google Scholar] [CrossRef] [PubMed]
- Bayramoglu, G.; Altintas, B.; Arica, M.Y. Immobilization of Glucoamylase onto Polyaniline-Grafted Magnetic Hydrogel via Adsorption and Adsorption/Cross-Linking. Appl. Microbiol. Biotechnol. 2013, 97, 1149–1159. [Google Scholar] [CrossRef] [PubMed]
- The CCR Center for Cell-Based Therapy|Center for Cancer Research. Available online: https://ccr.cancer.gov/research/cancer-moonshot/center-for-cell-based-therapy (accessed on 3 January 2023).
- Qi, J.; Yu, T.; Hu, B.; Wu, H.; Ouyang, H. Current Biomaterial-Based Bone Tissue Engineering and Translational Medicine. Int. J. Mol. Sci. 2021, 22, 10233. [Google Scholar] [CrossRef]
- Helmrich, U.; Di Maggio, N.; Güven, S.; Groppa, E.; Melly, L.; Largo, R.D.; Heberer, M.; Martin, I.; Scherberich, A.; Banfi, A. Osteogenic Graft Vascularization and Bone Resorption by VEGF-Expressing Human Mesenchymal Progenitors. Biomaterials 2013, 34, 5025–5035. [Google Scholar] [CrossRef]
- Tampieri, A.; Iafisco, M.; Sandri, M.; Panseri, S.; Cunha, C.; Sprio, S.; Savini, E.; Uhlarz, M.; Herrmannsdörfer, T. Magnetic Bioinspired Hybrid Nanostructured Collagen–Hydroxyapatite Scaffolds Supporting Cell Proliferation and Tuning Regenerative Process. ACS Appl. Mater. Interfaces 2014, 6, 15697–15707. [Google Scholar] [CrossRef]
- Hoang, D.M.; Pham, P.T.; Bach, T.Q.; Ngo, A.T.L.; Nguyen, Q.T.; Phan, T.T.K.; Nguyen, G.H.; Le, P.T.T.; Hoang, V.T.; Forsyth, N.R.; et al. Stem Cell-Based Therapy for Human Diseases. Sig. Transduct. Target. Ther. 2022, 7, 1–41. [Google Scholar] [CrossRef]
- Bañobre-López, M.; Piñeiro-Redondo, Y.; Sandri, M.; Tampieri, A.; De Santis, R.; Dediu, V.A.; Rivas, J. Hyperthermia Induced in Magnetic Scaffolds for Bone Tissue Engineering. IEEE Trans. Magn. 2014, 50, 1–7. [Google Scholar] [CrossRef]
- Zhong, Y.; Li, S. New Progress in Improving the Delivery Methods of Bisphosphonates in the Treatment of Bone Tumors. DDDT 2021, 15, 4939–4959. [Google Scholar] [CrossRef]
- Li, S.; Wei, C.; Lv, Y. Preparation and Application of Magnetic Responsive Materials in Bone Tissue Engineering. Curr Stem Cell Res Ther 2020, 15, 428–440. [Google Scholar] [CrossRef]
- Whelan, J.S.; Davis, L.E. Osteosarcoma, Chondrosarcoma, and Chordoma. JCO 2018, 36, 188–193. [Google Scholar] [CrossRef]
- Tavares, F.J.T.M.; Soares, P.I.P.; Silva, J.C.; Borges, J.P. Preparation and In vitro Characterization of Magnetic CS/PVA/HA/PSPIONs Scaffolds for Magnetic Hyperthermia and Bone Regeneration. IJMS 2023, 24, 1128. [Google Scholar] [CrossRef] [PubMed]
- Cheng, X.; Wei, J.; Ge, Q.; Xing, D.; Zhou, X.; Qian, Y.; Jiang, G. The Optimized Drug Delivery Systems of Treating Cancer Bone Metastatic Osteolysis with Nanomaterials. Drug Deliv. 2021, 28, 37–53. [Google Scholar] [CrossRef] [PubMed]
- Kargozar, S.; Mollazadeh, S.; Kermani, F.; Webster, T.J.; Nazarnezhad, S.; Hamzehlou, S.; Baino, F. Hydroxyapatite Nanoparticles for Improved Cancer Theranostics. J. Funct. Biomater. 2022, 13, 100. [Google Scholar] [CrossRef] [PubMed]
- Khademhosseini, A.; Langer, R. Microengineered Hydrogels for Tissue Engineering. Biomaterials 2007, 28, 5087–5092. [Google Scholar] [CrossRef] [PubMed]
- Matsumine, A.; Takegami, K.; Asanuma, K.; Matsubara, T.; Nakamura, T.; Uchida, A.; Sudo, A. A Novel Hyperthermia Treatment for Bone Metastases Using Magnetic Materials. Int. J. Clin. Oncol. 2011, 16, 101–108. [Google Scholar] [CrossRef] [PubMed]
- Pimentel, B.; Caraballo-Vivas, R.J.; Checca, N.R.; Zverev, V.I.; Salakhova, R.T.; Makarova, L.A.; Pyatakov, A.P.; Perov, N.S.; Tishin, A.M.; Shtil, A.A.; et al. Threshold Heating Temperature for Magnetic Hyperthermia: Controlling the Heat Exchange with the Blocking Temperature of Magnetic Nanoparticles. J. Solid State Chem. 2018, 260, 34–38. [Google Scholar] [CrossRef]
- Jadhav, S.V.; Kim, B.M.; Lee, H.Y.; Im, I.C.; Rokade, A.A.; Park, S.S.; Patil, M.P.; Kim, G.D.; Yu, Y.S.; Lee, S.H. Induction Heating and in vitro Cytotoxicity Studies of MnZnFe2O4 Nanoparticles for Self-Controlled Magnetic Particle Hyperthermia. J. Alloys Compd. 2018, 745, 282–291. [Google Scholar] [CrossRef]
- Yuan, J.; Ye, Z.; Zeng, Y.; Pan, Z.; Feng, Z.; Bao, Y.; Li, Y.; Liu, X.; He, Y.; Feng, Q. Bifunctional Scaffolds for Tumor Therapy and Bone Regeneration: Synergistic Effect and Interplay between Therapeutic Agents and Scaffold Materials. Mater. Today Bio 2022, 15, 100318. [Google Scholar] [CrossRef] [PubMed]
- Bohara, R.A.; Leporatti, S. Translational Hurdles with Magnetic Nanoparticles and Current Clinical Scenario in Hyperthermia Applications. Magnetochemistry 2022, 8, 123. [Google Scholar] [CrossRef]
















| Biopolymer Type | Main Scaffold Material | MNP | Material Characterization Methods | In Vitro Tests (Cell Lines) | In Vivo Tests (Animal Model) | Reference |
|---|---|---|---|---|---|---|
| Natural | Chitosan (CS)/collagen (Col)/nano-hydroxyapatite (nHAp) | Fe3O4 | Microstructural, magnetic, mechanical, porosity, in vitro degradation, biomineralization, the release of Ca ions, measurement of swelling ratio, biocompatibility | MC3T3-E1 (rat skull osteoblasts) | Sprague–Dawley (SD) rats/middle ridge of the skull | [85] |
| Modified mesoporous bioglass (MBG)/chitosan (CS) | SrFe12O19 | Morphology, microstructural, magnetic, biocompatibility | hBMSCs (human bone marrow mesemchymal stem cells), MG-63 (human osteosarcoma) | SD rats/bilateral critical size calvarial defect | [86] | |
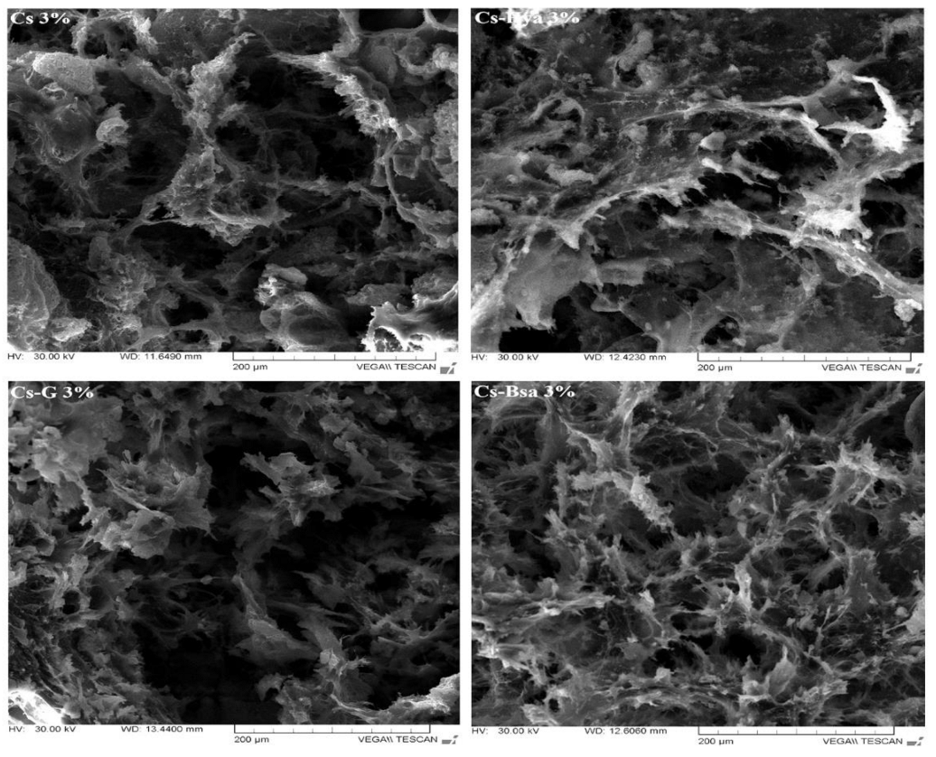
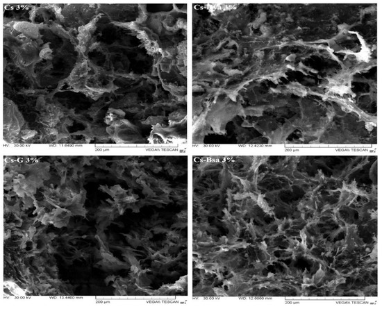
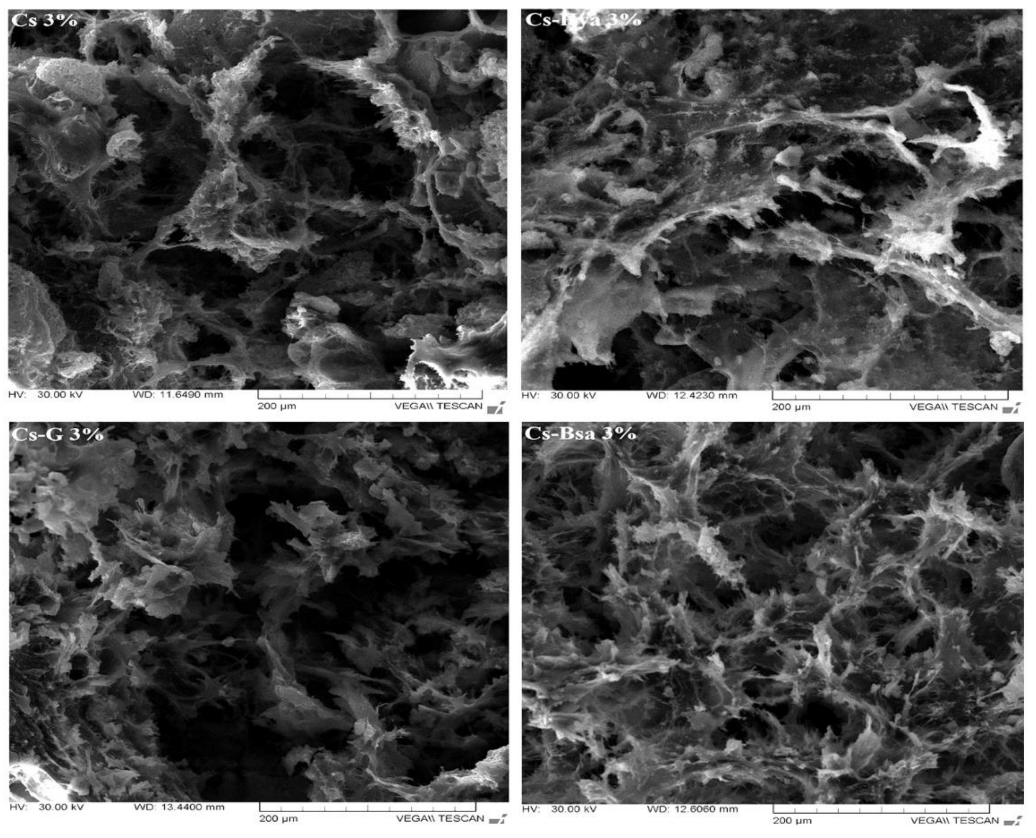
| CS, hyaluronic acid (HyA), bovine serum albumin (BSA), and gelatin (G) | Fe3O4 | Morphology, microstructural, magnetic, fluid retention, biocompatibility | MC3T3-E1, NHDF (normal human dermal fibroblast) | - | [87] | |
| Gelatin–siloxane (GS) | Fe3O4 | Microstructural, magnetic, water uptake and scaffold degradation, mechanical, in vitro apatite-forming ability | MSCs | - | [88] | |
| Silk fibroin (SF) protein | Fe3O4 | Magnetic, microstructural, magnetic hyperthermia, thermogravimetric analysis, differential scanning calorimetry, fluorescence microscopy, biocompatibility | MC3T3-E1 | - | [89] | |
| Synthetic | Poly(caprolactone) (PCL) | Multifunctional hydroxyapatite nanoparticles dopped with Eu3+ and Gd3+ (MF-nHAp) | Microstructural, contact angle measurement, mechanical, mineralization | hMSCs (human mesemchymal stem cells) | - | [90] |
| PCL | γ-Fe2O3 | Microstructural, morphology, magnetic, biocompatibility | MSCs (ilium bone marrow of miniature pig) | - | [91] | |
| PCL | FeHAp | Microstructural, mechanical, biocompatibility | BMSCs | Oryctolagus cuniculus rabbit/distal femoral epiphysis | [92] | |
| PCL | Fe3O4 | Morphological, microstructural, mechanical, magnetic, biocompatibility | MC3T3-E1 | SD rats/lateral direction from the spine (subcutaneous) | [93] | |
| Poly(lactic-co-glycolic acid) (PLGA)/PCL | γ-Fe2O3 | Morphological, mechanical, surface, biocompatibility | OriCell SD rat ADSCs (adipose-derived stem cells) | - | [94] | |
| PCL/mesoporous bioactive glass (MBG) | Fe3O4 | Microstructural, mechanical, ion dissolution and apatite formation, drug loading and release, magnetic hyperthermia, biocompatibility | hBMSCs | - | [95] | |
| Poly(L-lactic acid) (PLLA)/poly glycolic acid (PGA) | Fe3O4 | Microstructural, mechanical, magnetic, morphological, thermal, biocompatibility | MG63 | New Zealand white (NZW) rabbits/right radial diaphysis | [96] | |
| PLGA | Fe3O4 | Microstructural | - | Specific pathogen-free (SPF) SD rats/anterior maxilla | [97] |
| Method Type | Method | Advantages | Disadvantages | References |
|---|---|---|---|---|
| Conventional | Freeze drying | Scaffolds with porous structure, low stiffness, and small pores; elimination of solvent | High energy consumption, cytotoxic solvent use, and long duration of the procedure | [100,101,102] |
| Electrospinning | Versatile and low-cost method; scaffolds with fibrous polymeric structure, high surface area, and high porosity | Use of organic solvent; low thickness structures | [103] | |
| Gas foaming | Scaffolds with sponge-like structure; avoidance of toxic solvent use | Heat developed during the compression molding process, isolated pores, and a continuous skin layer | [104] | |
| Solvent-casting particulate leaching | High porosity and a controllable pore diameter through salt particle size | Presence of residual solvent; simple geometric structure; low mechanical integrity | [105,106] | |
| Thermally induced phase separation | Scaffolds with a highly porous nanoscale structure; low-cost method | Use of solvent; small-scale manufacturing | [107] | |
| Advanced | Selective laser sintering Selective laser melting | Support structure is not required; solvent-free method; control of shape architecture and porosity | Difficulty in removing support powder; expensive equipment; high temperature | [109,110,111] |
| Stereolithography | Fast method with high resolution; good surface finish | Support structure is required; use of toxic resins; brittleness and low mechanical strength of the scaffold; expensive equipment | [108] | |
| Fused deposition modeling | Controlled porosity of the structure; solvent-free method; good mechanical properties; low-cost method | Limited choice of filament material; high heat requirements; medium accuracy | [113,114,115] | |
| Binder jetting | Manufacture of scaffolds with adapted geometry; multilayered structures | Unbounded powder removal; limited pore size configuration; possibility of the binder being dissolved | [2] |
| MNP | MNP Concentration | Particle Diameter (nm) | Matrix Material | Magnetization Value [emu/g] | References |
|---|---|---|---|---|---|
| Fe3O4 | 5% | 11 | [PCL] | 1.6 | [93] |
| 10% | 3.1 | ||||
| Fe3O4 | 5% | 12 | [PCL] | 1 | [140] |
| 10% | 2.5 | ||||
| 15% | 6.5 | ||||
| 20% | 12 | ||||
| γ-Fe2O3 | 16.4% | 8 | [PCL/PLGA] | 3.56 | [94] |
| Fe3O4 | 5% | 15–20 | [PCL/MBG] | 3.1 | [95] |
| 10% | 6.2 | ||||
| 15% | 9.3 | ||||
| Fe3O4 | 2.5% | 20 | [PLLA/PGA] | 1.66 | [96] |
| 5% | 3 | ||||
| 7.5% | 6 | ||||
| 10% | 8.5 | ||||
| Fe3O4 | - | - | [CS/Col] | 0.025 | [85] |
| SrFe12O19 | 1:7 (ratio of MNPs to BG) | Plate-like with 30 nm thickness | [BG/CS] | 4.44 | [86] |
| 1:3 (ratio of MNPs to BG) | 7.68 |
| Material (Polymeric Matrix/MNPs) | Synthesis Method | Mechanical Test | Mechanical Properties | Impact on Biological Environment | Reference |
|---|---|---|---|---|---|
| [CS/Col/nHAp]/[Fe3O4] | In situ crystallization and freeze drying | Compressive stress (speed: 1 mm/min) at 20% deformation | Compressive strength of 0.465 MPa; compressive modulus of 2.5 MPa | Scaffold reinforced with MNPs exhibited increased mechanical stability that sustained cell differentiation, proliferation, and maturation | [85] |
| [CS/Col/HyA]/[[Fe3O4 SPIONs] | Biomimetic coprecipitation process and freeze drying | Primary axial compression test (speed: 1 mm/s) at 20% deformation followed by a supplementary axial compression test (speed: 1 mm/min) | Young’s modulus ranging from 75 Pa to 275 Pa | The scaffold morphology and especially the pore size and dimension correlated with adequate mechanical properties created a favorable medium for cell division | [117] |
| [GS]/[Fe3O4] | Sol–gel method combined with freeze drying | Static compression test and dynamic analysis; mechanical spectrometry in a frequency range of 0.1–10 Hz, a force range of 0.001–0.2 N, and maximum allowed strength of 10% | Storage modulus (E’) increased directly proportionally to the MNP content and varied between 100 kPa (0% wt. MNPs) and 450 kPa (3% wt. MNPs); loss modulus (E”) varied between 60 kPa for 0% wt. MNPs and 150 kPa for 3% wt. MNPs | Adding MNPs improved the resistance to deformation against compressive load and elastic behavior; these properties are beneficial for hard tissue development | [88] |
| [PCL]/[Gd/multifunctional-nHAp] | Electrospinning | Uniaxial failure test at an extension rate of 10 mm/min | Tensile strength of 3.35 MPa | Cell proliferation and protein absorption improved when MNPs were added | [90] |
| [PCL/FeHAp] | Rapid prototyping | Compression test performed at a speed of 1 mm/min and with a strain limit of 50%; indirect tensile test | Stress value at a displacement of 0.1 mm of 2 MPa | The implants exhibited high potential for tissue regeneration | [92] |
| [PCL]/[[Fe3O4] | Coprecipitation process and freeze drying | Static and dynamic mechanical analysis; mechanical spectrometry in a frequency range of 0.5–10 Hz for 10 min at room temperature | Elastic modulus of 1.4 MPa (5% wt. MNPs) and of 2.4 MPa (10% wt. MNPs) | The scaffolds proved an intense osteogenic differentiation process | [93] |
| [PLGA/PCL]/[γ-Fe2O3 SPIONs] | Electrospinning and layer-by-layer assembly of nanoparticles, followed by freeze drying | Atomic force microscopy and force spectroscopy | Young’s modulus of 1.3 GPa | The presence of nanoparticles was beneficial for cell adhesion due to the increase in surface roughness | [94] |
| [MBG/PCL]/[Fe3O4] | 3D Printing | Static compressive strength test at a speed of 0.5 mm/min and 5 kN | Compressive strength increased proportionally to the MNPs content and varied from 13.9 MPa (5% wt. MNPs) to 16.6 MPa (15% wt. MNPs) | The inclusion of MNPs stimulated cell proliferation and differentiation | [95] |
| [PLLA/PGA]/[Fe3O4] | Selective laser sintering | Compressive strength test at a speed of 0.5 mm/min | Compressive strength and Young’s modulus increased proportionally to the MNPs content and varied from 22.6 MPa/2 GPa (0% wt. MNPs) to 41 MPa/3.57 GPa (7.5% wt. MNPs) | Higher cell proliferation capabilities were put in evidence | [96] |
| [PCL]/[Fe3O4] | Electrospinning | Tensile mechanical test at a speed of 10 mm/min | Tensile strength increased with the MNPs content from 11.5 MPa (0% wt. MNPs) to 26.2 MPa (15% wt. MNPs); the addition of 20% MNPs resulted in a decrease in the tensile strength at 9.5 MPa | Good bone–cell proliferation was observed, and it was concluded that the scaffold possessed important properties for bone regeneration | [140] |
| Material (Polymeric Matrix/MNPs) | Cell Type | Cell Viability and Proliferation | Bone Marker Control Values/Magnetic Sample Values | Reference | ||||
|---|---|---|---|---|---|---|---|---|
| [PCL-P/G]/[Fe2O3] | hDPSCs | Higher values of optical density (OD) measurements on days 3, 7, and 12 (1/1.3/1.5) showed increased cell viability and proliferation (OD control values: 0.4/0.5/0.6) | ALP (ng/mg) | RUNX2 (r.u.) | BMP2 (r.u.) | OCN (r.u.) | COL1 (r.u.) | [168] |
| 7 days 1.5/6.5 21 days 4/15 | 0.9/4.2 | 0.4/3.5 | 0.5/3.9 | 0.4/5 | ||||
| [PCL]/[Fe3O4] | MSCs | Adhesion, spreading, and penetration of MSCs were enumerated at 2, 4, and 8 h; 8 h: 80%/95% | ALP (ng/mg) | OPN (fold) | BSP (fold) | COL1 (fold) | [140] | |
| 7 days 0.08/0.09 14 days 0.1/0.2 | 7 days 1/0.4 14 days 1.2/1.5 | 7 days 1/2 14 days 0.8/1.1 | 7 days 1/1.25 14 days 1.48/1 | |||||
| [PLLA/PGA]/[Fe3O4] | MG63 | CCK-8 assay on days 1, 4, and 7 (absorbance at 490 nm (au)); 1 day: 100%/100%; 4 days: 100%/145%; 7 days: 100%/135% | ALP (μM/min/mg) | [96] | ||||
| 7 days 0.38/0.45 14 days 0.62/0.92 | ||||||||
| [MBG/PCL]/[Fe3O4] | hBMSCs | CCK-8 assay on days 1, 3, and 7; 1 day: 0.15/0.15; 3 days: 0.28/0.35; 7 days: 0.35/0.7 | ALP (μM/min/mg) | RUNX2 (%) | BMP2 (%) | OCN (%) | COL1 (%) | [95] |
| 7 days 0.38/0.46 14 days 0.55/1.2 | 7 days 0.1/0.8 14 days 0.25/1.6 | 7 days 0.1/0.7 14 days 0.25/1.35 | 7 days 0.4/1.5 14 days 1/3.2 | 7 days 0.25/1.2 14 days 0.45/2.25 | ||||
| [PCL]/[MNPs] | MSCs | PicoGreen assay on days 1, 7, and 21: metabolic activity (absorbance at 490 nm (au)); 1 day: 0.5/0.5; 7 days: 0.8/1.1; 21 days: 1.4/1.7 | ALP (a.u.) | [91] | ||||
| 7 days 0.2/0.3 21 days 0.45/0.75 | ||||||||
| [MBG/CS]/[SrFe12O19] | hBMSCs | CCK-8 assay on days 1, 3, and 7 (absorbance at 450 nm (au)); 1 day: 0.4/0.51; 3 days: 0.6/0.75; 7 days: 0.65/1.1 | ALP (r.u.) | RUNX2 (r.u.) | OCN (r.u.) | COL1 (r.u.) | [86] | |
| 14 days 1/1.35 | 14 days 1/1.4 | 14 days 1/1.5 | 14 days 0.9/1.4 | |||||
| Material (Polymeric Matrix/MNPs) | Synthesis Method | EMF Characteristics | Cell Types | Biological Response | Reference |
|---|---|---|---|---|---|
| [PCL]/[Co0.6Zn0.4Fe2O4] | Electrospinning | Helmholtz coil system (12.7 cm diameter circular coils); magnetic flux density of 0.1 mT; frequency of 15 Hz; exposure time of 7 h/day; total exposure time of 14 days | L929 (mouse fibroblast cells) | In the absence of an EMF, no important differences in the viability of cells cultured on fibrous scaffolds with 1% wt., 3% wt., and 6% wt. MNPs were noticed. Asignificant improvement in cell metabolic activity was observed in all cases when an EMF was applied. Co0.6Zn0.4Fe2O4 exhibited important biocompatibility properties and was proven to stimulate cell proliferation and adhesion. | [203] |
| [Alginate]/[Fe3O4] | Freeze drying | Helmholtz coil setup; frequency of 40 Hz; sinusoidal waveform; magnetic induction of 10–15 Gs; total exposure time of 7 days | Ecs (bovine aortic endothelial cells) | Cell metabolic activity was improved between day 3 and day 7 of EMF stimulation. After this time, under the no-EMF condition, it decreased to its initial value by day 14. It was concluded that EMF stimulation combined with MNPs has a positive effect on cell activity. | [204] |
| [SF]/[CoFe2O4] | Electrospinning | Permanent magnets with a maximum magnetic field strength of 230 Oe, frequency of 0.3 Hz | MC3T3-E1 | Dynamic EMF stimulation improved cell viability, as well as cell proliferation rate and differentiation properties. The cell metabolic activity was sustained by the magnetostriction of MNPs and by the piezoelectricity exhibited by the SF. | [205] |
| [Fe-doped HAp/PCL]/[commercial Chemicell fluorescent MNPs] | Injection, extrusion, and deposition of fibers combined with the 3D bioprinting technique | NdFeB permanent magnet with 1.2 T magnetic remanence placed under the prepared culture dish | MSCs, human umbilical vein endothelial cells (HUVECs) | The viability and proliferation of cells were good in the case of magnetic scaffolds, and tissue-type tubular-like structures were noticed on fibrous scaffold surfaces covered with HUVECs, proving that the environment was adequate for osteogenesis and angiogenesis. The authors showed that the developed implant permitted magnetic manipulation of the vasculogenic and osteogenic cells. | [69] |
| [SF/CS]/[Fe3O4] | Freeze casting | A constant magnetic field with a magnetic flux density of 3 mT | MG63 | The scaffold exhibited good biocompatibility, and the application of a low magnetic field showed had beneficial influence on cell proliferation. | [206] |
| [PCL]/[Fe3O4] | Freeze drying | NdFeB disc magnet (1 mm thickness × 15 mm diameter) were placed below the culture plates to expose the cell to a north magnetic field; magnetic flux density of 15 mT | Primary mouse calvarium osteoblasts from Institute of Cancer Research (ICR) mice; HUVECs | A static magnetic field enhanced osteoblastic differentiation. Activation of integrin signaling pathways, phosphorylation of Smad 1/5/8, and upregulation of BMP2 were observed. Regarding the proliferation and differentiation of HUVECs under the influence of the magnetic field, an adequate angiogenic response was observed. | [207] |
| [nHAp/PLLA]/[Fe2O3] | Low-temperature rapid prototyping | Pulse EMF with magnetic induction of 100 mT obtained from a CLM-B-type pulse magnetic field therapy | Rabbit BMSCs | Under the influence of a pulse EMF, osteogenic differentiation was improved. Fe2O3 nanoparticles bind to the cell surface regulated and controlled the cell activity under the EMF effect. | [208] |
| [PLLA]/[Fe3O4] | Electrospinning | A static magnetic field with magnetic induction of 100 mT | MC3T3-E1 | Due to the magnetic feature of PLLA/Fe3O4 under a static magnetic field, an enhanced proliferation of osteoblasts was put in evidence. | [209] |
Disclaimer/Publisher’s Note: The statements, opinions and data contained in all publications are solely those of the individual author(s) and contributor(s) and not of MDPI and/or the editor(s). MDPI and/or the editor(s) disclaim responsibility for any injury to people or property resulting from any ideas, methods, instructions or products referred to in the content. |
© 2023 by the authors. Licensee MDPI, Basel, Switzerland. This article is an open access article distributed under the terms and conditions of the Creative Commons Attribution (CC BY) license (https://creativecommons.org/licenses/by/4.0/).
Share and Cite
Paltanea, G.; Manescu, V.; Antoniac, I.; Antoniac, A.; Nemoianu, I.V.; Robu, A.; Dura, H. A Review of Biomimetic and Biodegradable Magnetic Scaffolds for Bone Tissue Engineering and Oncology. Int. J. Mol. Sci. 2023, 24, 4312. https://doi.org/10.3390/ijms24054312
Paltanea G, Manescu V, Antoniac I, Antoniac A, Nemoianu IV, Robu A, Dura H. A Review of Biomimetic and Biodegradable Magnetic Scaffolds for Bone Tissue Engineering and Oncology. International Journal of Molecular Sciences. 2023; 24(5):4312. https://doi.org/10.3390/ijms24054312
Chicago/Turabian StylePaltanea, Gheorghe, Veronica Manescu (Paltanea), Iulian Antoniac, Aurora Antoniac, Iosif Vasile Nemoianu, Alina Robu, and Horatiu Dura. 2023. "A Review of Biomimetic and Biodegradable Magnetic Scaffolds for Bone Tissue Engineering and Oncology" International Journal of Molecular Sciences 24, no. 5: 4312. https://doi.org/10.3390/ijms24054312
APA StylePaltanea, G., Manescu, V., Antoniac, I., Antoniac, A., Nemoianu, I. V., Robu, A., & Dura, H. (2023). A Review of Biomimetic and Biodegradable Magnetic Scaffolds for Bone Tissue Engineering and Oncology. International Journal of Molecular Sciences, 24(5), 4312. https://doi.org/10.3390/ijms24054312

