Root-Zone CO2 Concentration Affects Partitioning and Assimilation of Carbon in Oriental Melon Seedlings
Abstract
:1. Introduction
2. Results
2.1. Root-Zone 13CO2 Concentration Affects the Abundance of 13C in Different Positions of Oriental Melon Plants
2.2. Root-Zone 13CO2 Concentration Affects the Abundance of 13C in Roots, Stems and Leaves of Oriental Melon
2.3. Root-Zone 13CO2 Concentration Affects the Distribution of Carbon in Roots, Stems and Leaves of Oriental Melon
2.4. Root-Zone 13CO2 Concentration Affects the Distribution Proportion of Carbon in Roots, Stems and Leaves of Oriental Melon
2.5. Root-Zone 13CO2 Concentration Affects the Accumulation of Biomass in Roots, Stems and Leaves of Oriental Melon
2.6. Root-Zone 13CO2 Concentration Affects the Total Carbon Content in Roots, Stems and Leaves of Oriental Melon
2.7. Root-Zone 13CO2 Concentration Affects the Accumulation of Carbon in Roots, Stems and Leaves of Oriental Melon
2.8. Root-Zone CO2 Concentration Affects the Activities of Carbon Assimilation-Related Enzymes in Oriental Melon
2.9. Root-Zone CO2 Concentration Affects the Expression of Carbon Assimilation-Related Enzyme Genes in Oriental Melon
3. Discussion
3.1. High Root-Zone CO2 Affects Oriental Melon’s Root Carbon Absorption and Distribution
3.2. Elevated Root-Zone CO2 Affects Carbon Assimilation of Oriental Melon Seedlings
4. Materials and Methods
4.1. Plant Materials and Growth Conditions
4.2. Isotopic 13CO2 Feeding Experiment
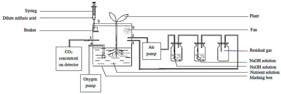
4.2.1. Root-Zone CO2 Concentration Treatment
4.2.2. Sampling Period and Method
4.3. Measurement Indicators and Methods
4.3.1. Determination of Carbon Content and δ13C Value
4.3.2. Determination of Carbon Assimilation-Related Enzyme Activity and Gene Expression
4.4. Statistical Analysis
5. Conclusions
Author Contributions
Funding
Conflicts of Interest
References
- Hamada, Y.; Tanaka, T. Dynamics of carbon dioxide in soil profiles based on long-term field observation. Hydrol. Process. 2001, 15, 1829–1845. [Google Scholar] [CrossRef]
- Greenway, H.; Armstrong, W.; Colmer, T.D. Conditions leading to high CO2 (>5 kPa) in waterlogged-flooded soils and possible effects on root growth and metabolism. Ann. Bot. 2006, 98, 9–32. [Google Scholar] [CrossRef]
- Kuzyakov, Y. Sources of CO2 efflux from soil and review of partitioning methods. Soil Biol. Biochem. 2006, 38, 425–448. [Google Scholar] [CrossRef]
- Nakano, Y. Response of tomato root systems to environmental stress under soilless culture. Jpn. Agric. Res. Q. 2007, 41, 7–15. [Google Scholar] [CrossRef]
- Teskey, R.O.; Saveyn, A.; Steppe, K.; McGuire, M.A. Origin, fate and significance of CO2 in tree stems. New Phytol. 2008, 177, 17–32. [Google Scholar] [CrossRef]
- Pendall, E.; Bridgham, S.; Hanson, P.J.; Hungate, B. Below-ground process responses to elevated CO2 and temperature: A discussion of observations, measurement methods, and models. New Phytol. 2004, 162, 311–322. [Google Scholar] [CrossRef]
- Gregory, P.J. Roots, rhizosphere and soil: The route to a better understanding of soil science? Eur. J. Soil Sci. 2006, 57, 2–12. [Google Scholar] [CrossRef]
- Hinsinger, P.; Bengough, A.G.; Vetterlein, D.; Young, I.M. Rhizosphere: Biophysics, biogeochemistry and ecological relevance. Plant Soil 2009, 321, 117–152. [Google Scholar] [CrossRef]
- Helliwell, K.E. The roles of B vitamins in phytoplankton nutrition: New perspectives and prospects. New Phytol. 2017, 216, 62–68. [Google Scholar] [CrossRef]
- Ford, C.R.; Wurzburger, N.; Hendrick, R.L.; Teskey, R.O. Soil DIC uptake and fixation in Pinus taeda seedlings and its C contribution to plant tissues and ectomycorrhizal fungi. Tree Physiol. 2007, 27, 375–383. [Google Scholar] [CrossRef]
- Aubrey, D.P.; Teskey, R.O. Root-derived CO2 efflux via xylem stream rivals soil CO2 efflux. New Phytol. 2009, 184, 35–40. [Google Scholar] [CrossRef] [PubMed]
- Wu, Y.Y.; Xing, D.K. Effect of bicarbonate treatment on photosynthetic assimilation of inorganic carbon in two plant species of Moraceae. Photosynthetica 2012, 50, 587–594. [Google Scholar] [CrossRef]
- Rao, S.; Wu, Y. Root-derived bicarbonate assimilation in response to variable water deficit in Camptotheca acuminate seedlings. Photosynth. Res. 2017, 134, 59–70. [Google Scholar] [CrossRef] [PubMed]
- Ostle, N.; Ineson, P.; Benham, D.; Sleep, D. Carbon assimilation and turnover in grassland vegetation using an in situ 13CO2 pulse labelling system. Rapid Commun. Mass Spectrom. 2000, 14, 1345–1350. [Google Scholar] [CrossRef]
- Johnson, D.; Leake, J.R.; Ostle, N.; Ineson, P.; Read, D.J. In situ 13CO2 pulse-labelling of upland grassland demonstrates a rapid pathway of carbon flux from arbuscular mycorrhizal mycelia to the soil. New Phytol. 2002, 153, 327–334. [Google Scholar] [CrossRef]
- Bradford, M.A.; Fierer, N.; Jackson, R.B.; Maddox, T.R.; Reynolds, J.F. Nonlinear root-derived carbon sequestration across a gradient of nitrogen and phosphorous deposition in experimental mesocosms. Glob. Chang. Biol. 2008, 14, 1113–1124. [Google Scholar] [CrossRef]
- Ge, T.; Li, B.; Zhu, Z.; Hu, Y.; Yuan, H.; Dorodnikov, M.; Jones, D.L.; Wu, J.; Kuzyakov, Y. Rice rhizodeposition and its utilization by microbial groups depends on N fertilization. Biol. Fertil. Soils 2017, 53, 37–48. [Google Scholar] [CrossRef]
- Kuzyakov, Y.; Domanski, G. Model for rhizodeposition and CO2 efflux from plant soil and its validation by 14C pulse tracing of ryegrass. Plant Soil 2002, 239, 87–102. [Google Scholar] [CrossRef]
- Leake, J.R.; Ostle, N.J.; Rangel-Castro, J.I.; Johnson, D. Carbon fluxes from plants through soil organisms determined by field 13CO2 pulse-labelling in an upland grassland. Appl. Soil Ecol. 2006, 33, 152–175. [Google Scholar] [CrossRef]
- McGuire, M.A.; Cerasoli, S.; Teskey, R.O. CO2 fluxes and respiration of branch segments of sycamore (Platanus occidentalis L.) examined at different sap velocities, branch diameters, and temperatures. J. Exp. Bot. 2007, 58, 2159–2168. [Google Scholar] [CrossRef]
- Saveyn, A.; Steppe, K.; McGuire, M.A.; Lemeur, R.; Teskey, R.O. Stem respiration and carbon dioxide efflux of young Populus deltoides trees in relation to temperature and xylem carbon dioxide concentration. Oecologia 2008, 154, 637–649. [Google Scholar] [CrossRef] [PubMed]
- Rao, S.; Wu, Y.; Rui, W. Bicarbonate stimulates nonstructural carbohydrate pools of Camptotheca acuminata. Physiol. Plant. 2019, 165, 780–789. [Google Scholar] [CrossRef] [PubMed]
- Sawada, S.; Usuda, H.; Tsukui, T. Participation of inorganic orthophosphate in regulation of the ribulose-1,5-bisphosphate carboxylase activity in response to changes in the photosynthetic source-sink balance. Plant Cell Physiol. 1992, 33, 943–949. [Google Scholar]
- Parry, M.A.J.; Madgwick, P.J.; Carvahlo, J.F.C.; Andralojc, P.J. Prospects for increasing photosynthesis by overcoming the limitations of Rubisco. J. Agric. Sci. 2007, 145, 31–43. [Google Scholar] [CrossRef]
- Jiang, D.A.; Lu, Q.; Weng, X.Y.; Zhen, B.S.; Xi, H.F. Regulation of Rubisco carboxylation activity and photosynthetic rate by Rubisco activase during leaf senesce in rice. J. Zhejiang Univ. Agric. Life Sci. 2000, 26, 119–124. [Google Scholar]
- Henkes, S.; Sonnewald, U.; Badur, R.; Flachmann, R.; Stitt, M. A small decrease of plastid transketolase activity in antisense tobacco transformants has dramatic effects on photosynthesis and phenylpropanoid metabolism. Plant Cell 2001, 13, 535–551. [Google Scholar] [CrossRef]
- Raines, C.A. The Calvin cycle revisited. Photosynth. Res. 2003, 75, 1–10. [Google Scholar] [CrossRef]
- Raines, C.A.; Harrison, E.P.; Olcer, H.; Lloyd, J.C. Investigating the role of the thiol-regulated enzyme sedohept-uheptulose-1,7-bisphosphatase in the control of photosynthesis. Physiol. Plant 2000, 110, 303–308. [Google Scholar] [CrossRef]
- Li, R.; Qiu, Z.; Wang, X.; Gong, P.; Xu, Q.; Yu, Q.; Guan, Y. Pooled CRISPR/Cas9 reveals redundant roles of plastidial phosphoglycerate kinases in carbon fixation and metabolism. Plant J. 2019, 98, 1078–1089. [Google Scholar] [CrossRef]
- Yu, A.; Xie, Y.; Pan, X.; Zhang, H.; Cao, P.; Su, X.; Chang, W.; Li, M. Photosynthetic phosphoribulokinase structures: Enzymatic mechanisms and the redox regulation of the Calvin-Benson-Bassham cycle. Plant Cell 2020, 32, 1556–1573. [Google Scholar] [CrossRef]
- Simkin, A.J.; Mcausland, L.; Headland, L.R.; Lawson, T.; Raines, C.A. Multigene manipulation of photosynthetic carbon assimilation increases CO2 fixation and biomass yield in tobacco. J. Exp. Bot. 2015, 66, 4075–4090. [Google Scholar] [CrossRef] [PubMed]
- He, Z.; Xiong, J.; Kent, A.D.; Deng, Y.; Xue, K.; Wang, G.; Wu, L.; Van Nostrand, J.D.; Zhou, J. Distinct responses of soil microbial communities to elevated CO2 and O3 in a soybean agro-ecosystem. ISME J. 2014, 8, 714–726. [Google Scholar] [CrossRef] [PubMed] [Green Version]
- Aljazairi, S.; Arias, C.; Nogues, S. Carbon and nitrogen allocation and partitioning in traditional and modern wheat genotypes under preindustrial and future CO2 conditions. Plant Biol. 2015, 17, 647–659. [Google Scholar] [CrossRef] [PubMed]
- Shimono, H.; Kondo, M.; Evans, J.R. Internal transport of CO2 from the root-zone to plant shoot is pH dependent. Physiol. Plant. 2019, 165, 451–463. [Google Scholar] [CrossRef]
- Byun, C.; Kim, S.Y.; Kang, H. Elevated concentrations of CO2 and nitrogen alter DOC release and soil phenolic content in wetland microcosms. Ecoscience 2020, 27, 119–126. [Google Scholar] [CrossRef]
- Bloemen, J.; McGuire, M.A.; Aubrey, D.P.; Teskey, R.O.; Steppe, K. Assimilation of xylem-transported CO2 is dependent on transpiration rate but is small relative to atmospheric fixation. J. Exp. Bot. 2013, 64, 2129–2138. [Google Scholar] [CrossRef]
- Van der Westhuizen, M.M.; Cramer, M.D. The influence of elevated rhizosphere dissolved inorganic carbon concentrations on respiratory O2 and CO2 flux in tomato roots. J. Exp. Bot. 1998, 49, 1977–1985. [Google Scholar] [CrossRef]
- Cramer, M.D.; Richards, M.B. The effect of rhizosphere dissolved inorganic carbon on gas exchange characteristics and growth rates of tomato seedlings. J. Exp. Bot. 1999, 50, 79–87. [Google Scholar] [CrossRef]
- Chen, X.; Yin, Z.; Yin, Y.; Xu, C.; Wang, W.; Liu, Y.; Li, T. Effects of Elevated Root-Zone CO2 on Root Morphology and Nitrogen Metabolism Revealed by Physiological and Transcriptome Analysis in Oriental Melon Seedling Roots. Int. J. Mol. Sci. 2020, 21, 803. [Google Scholar] [CrossRef]
- Rowland-Bamford, A.J.; Allen, L.H., Jr.; Baker, J.T.; Boote, K.J. Carbon dioxide effects on carbohydrate status and partitioning in rice. J. Exp. Bot. 1990, 41, 1601–1608. [Google Scholar] [CrossRef]
- Rowland-Bamford, A.J.; Baker, J.T.; Allen, L.H.; Bowes, G. Acclimation of rice to changing atmospheric carbon dioxide concentration. Plant Cell Environ. 1991, 14, 577–583. [Google Scholar] [CrossRef]
- Kuzyakov, Y.; Domanski, G. Carbon input by plants into the soil. Review. J. Plant Nutr. Soil Sci. 2000, 163, 421–431. [Google Scholar] [CrossRef]
- Chen, Q.; Ding, N.; Zhu, Z.L.; Peng, L.; Ge, S.F.; Jiang, Y.M. Effects of nitrogen-supply levels on leaf senescence and characteristics of distribution and utilization of 13C and 15N in Fuji 3 apple grafted on different stocks. J. Appl. Ecol. 2017, 28, 2239–2246. [Google Scholar]
- Fan, F.; Zhang, F.; Qu, Z.; Lu, Y. Plant carbon partitioning below ground in the presence of different neighboring species. Soil Biol. Biochem. 2008, 40, 2266–2272. [Google Scholar] [CrossRef]
- Li, D.; Dong, J.; Gruda, N.S.; Li, X.; Duan, Z. Elevated root-zone temperature promotes the growth and alleviates the photosynthetic acclimation of cucumber plants exposed to elevated [CO2]. Environ. Exp. Bot. 2022, 194, 104694. [Google Scholar] [CrossRef]
- Viktor, A.; Cramer, M.D. Variation in root-zone CO2 concentration modifies isotopic fractionation of carbon and nitrogen in tomato seedlings. New Phytol. 2003, 157, 45–54. [Google Scholar] [CrossRef]
- Hou, X.; Ji, L.; Wang, Z. Response of net primary productivity and C accumulation of plant communities in desert steppe and semiarid steppe with different land use types during two hydrologically contrasting growing seasons. Acta Ecol. Sin. 2014, 34, 6256–6264. [Google Scholar]
- Zhu, C.; Ziska, L.; Zhu, J.; Zeng, Q.; Xie, Z.; Tang, H.; Jia, X.; Hasegawa, T. The temporal and species dynamics of photosynthetic acclimation in flag leaves of rice (Oryza sativa) and wheat (Triticum aestivum) under elevated carbon dioxide. Physiol. Plant. 2012, 145, 395–405. [Google Scholar] [CrossRef]
- Leibar-Porcel, E. The Influence of Root-Zone Bicarbonate and Carbon Dioxide Enrichment on Lettuce, Pepper and Tomato Growth. Ph.D. Thesis, Lancaster University, Lancaster, UK, 2020. [Google Scholar]
- Uprety, D.C.; Rabha, B.K. Effect of elevated CO2 and moisture stress on the carbon and nitrogen contents in Brassica juncea. Biol. Plant. 1999, 42, 133–136. [Google Scholar] [CrossRef]
- Kim, H.Y.; Lieffering, M.; Miura, S.; Kobayashi, K.; Okada, M. Growth and nitrogen uptake of CO2-enriched rice under field conditions. New Phytol. 2001, 150, 223–229. [Google Scholar] [CrossRef]
- Long, S.P.; Ainsworth, E.A.; Rogers, A.; Ort, D.R. Rising atmospheric carbon dioxide: Plants FACE the future. Annu. Rev. Plant Biol. 2004, 55, 591–628. [Google Scholar] [CrossRef] [PubMed]
- Cheng, W.; Sakai, H.; Yagi, K.; Hasegawa, T. Interactions of elevated [CO2] and night temperature on rice growth and yield. Agric. For. Meteorol. 2009, 149, 51–58. [Google Scholar] [CrossRef]
- Hong, F.; Zhou, J.; Liu, C.; Yang, F.; Wu, C.; Zheng, L.; Yang, P. Effect of nano-TiO2 on photochemical reaction of chloroplasts of spinach. Biol. Trace Elem. Res. 2005, 105, 269–279. [Google Scholar] [CrossRef]
- Dos Santos, B.M.; Balbuena, T.S. Carbon assimilation in Eucalyptus urophylla grown under high atmospheric CO2 concentrations: A proteomics perspective. J. Proteom. 2017, 150, 252–257. [Google Scholar] [CrossRef] [PubMed] [Green Version]
- Noomen, M.F.; Skidmore, A.K. The effects of high soil CO2 concentrations on leaf reflectance of maize plants. Int. J. Remote Sens. 2009, 30, 481–497. [Google Scholar] [CrossRef]
- Li, X.; Kang, S.; Li, F.; Zhang, X.; Huo, Z. Light supplement and carbon dioxide enrichment affect yield and quality of off-season pepper. Agron. J. 2017, 109, 2107–2118. [Google Scholar] [CrossRef]
- Leibar-Porcel, E.; McAinsh, M.R.; Dodd, I.C. Elevated Root-Zone Dissolved Inorganic Carbon Alters Plant Nutrition of Lettuce and Pepper Grown Hydroponically and Aeroponically. Agronomy 2020, 10, 403. [Google Scholar] [CrossRef] [Green Version]












| Gene | Primers Sequences 5′-3′ | Accession Number |
|---|---|---|
| Actin | (F)AAGGCAAACAGGGAGAAGATGA | |
| (R)AGCAAGGTCGAGACGTAGGATA | ||
| CmRubisco | (F)TCGCAAGAACAACGACATCAC | MELO3C012252.2 |
| (R)TCACGGTAAACGAATCCACTG | ||
| CmRCA | (F)CAACGATGTGGAGGGTTTTTAC | MELO3C008231.2 |
| (R)TATGTCTGCTGCTTCACGGTAC | ||
| CmFBA | (F)AAGGTGCTCGTTTTGCTAAGTG | MELO3C005333.2 |
| (R)TGTCCTGTCAATGGAATGGTCT | ||
| CmFBPase | (F)TCTCGTCGCTTCTCCCTTCA | MELO3C018610.2 |
| (R)GCCATCACAGCAACTTTTCCA | ||
| CmSBPase | (F)GTTCCAGGCTACGAAAGGGT | MELO3C025149.2 |
| (R)AAATCCCAGATAATCAATGATGCT | ||
| CmTK | (F)GGTTCAATCGGGACCGTTTC | MELO3C006200.2 |
| (R)CCTCAACACCAGGAGTCTCAAAG | ||
| CmPRK | (F)ACAGTCTCTACAGCCAAGTCCCT | MELO3C013811.2 |
| (R)AAGTGCTTTTCCCACACCCT | ||
| CmPGK | (F)CTTGGATAGAGCATACCCATACG | MELO3C009351.2 |
| (R)CAACTCCCCTGGATAACTACACAC |
Publisher’s Note: MDPI stays neutral with regard to jurisdictional claims in published maps and institutional affiliations. |
© 2022 by the authors. Licensee MDPI, Basel, Switzerland. This article is an open access article distributed under the terms and conditions of the Creative Commons Attribution (CC BY) license (https://creativecommons.org/licenses/by/4.0/).
Share and Cite
Han, X.; Jing, Y.; Xu, C.; Gao, L.; Li, M.; Liu, Y.; Qi, H. Root-Zone CO2 Concentration Affects Partitioning and Assimilation of Carbon in Oriental Melon Seedlings. Int. J. Mol. Sci. 2022, 23, 10694. https://doi.org/10.3390/ijms231810694
Han X, Jing Y, Xu C, Gao L, Li M, Liu Y, Qi H. Root-Zone CO2 Concentration Affects Partitioning and Assimilation of Carbon in Oriental Melon Seedlings. International Journal of Molecular Sciences. 2022; 23(18):10694. https://doi.org/10.3390/ijms231810694
Chicago/Turabian StyleHan, Xintong, Yuna Jing, Chuanqiang Xu, Lijia Gao, Minghui Li, Yiling Liu, and Hongyan Qi. 2022. "Root-Zone CO2 Concentration Affects Partitioning and Assimilation of Carbon in Oriental Melon Seedlings" International Journal of Molecular Sciences 23, no. 18: 10694. https://doi.org/10.3390/ijms231810694
APA StyleHan, X., Jing, Y., Xu, C., Gao, L., Li, M., Liu, Y., & Qi, H. (2022). Root-Zone CO2 Concentration Affects Partitioning and Assimilation of Carbon in Oriental Melon Seedlings. International Journal of Molecular Sciences, 23(18), 10694. https://doi.org/10.3390/ijms231810694

