Sign in to use this feature.

Years

Between: -

Subjects

remove_circle_outline
remove_circle_outline
remove_circle_outline
remove_circle_outline
remove_circle_outline
remove_circle_outline
remove_circle_outline
remove_circle_outline

Journals

Article Types

Countries / Regions

Search Results (12)

Search Parameters:
Keywords = non-heritage packaging

Order results
Result details
Results per page
Select all
Export citation of selected articles as:
8 pages, 4348 KB  
Proceeding Paper
Effect of Artificial Ageing on Mechanical Properties of Recycled Polypropylene Hollow Chamber Sheets
by Stamatina Theochari, Agathi Anthoula Kaminari, Angelos Kaldellis, Athanasios Karabotsos, Isidoros Iakovidis, Stavros Chionopoulos, Theano Vlachou and Athina Georgia Alexopoulou
Eng. Proc. 2025, 119(1), 12; https://doi.org/10.3390/engproc2025119012 - 11 Dec 2025
Viewed by 75
Abstract
Packaging materials made from polypropylene (PP) can be used to protect cultural heritage objects from damage ensuring their long-life preservation. This research work concerns the assessment of recycled polypropylene hollow chamber sheets as potential packaging materials for archival collections and cultural heritage objects. [...] Read more.
Packaging materials made from polypropylene (PP) can be used to protect cultural heritage objects from damage ensuring their long-life preservation. This research work concerns the assessment of recycled polypropylene hollow chamber sheets as potential packaging materials for archival collections and cultural heritage objects. It was carried out through a multidisciplinary diagnostic methodology combining mechanical methods, non-destructive imaging techniques in visible light (VIS), and ultraviolet-induced visible luminescence (UVL), as well as handheld digital microscopy, colorimetry, glossimetry, and SEM microanalysis. The results showed that the condition and mechanical performance of the specimens are affected by the ageing process. Full article
Show Figures

Figure 1

23 pages, 4800 KB  
Article
From Images to Words: How Packaging Style Affects Brand Preference in Heritage Food
by Haiyan Wang, Lingrong Lin, Honghai Wang, Xiaoye Jin and Chenhan Ruan
Foods 2025, 14(22), 3858; https://doi.org/10.3390/foods14223858 - 11 Nov 2025
Viewed by 1024
Abstract
Food, specifically those with heritage attributes, stands as one of the distinctive forms of Intangible Cultural Heritage (ICH). To promote and preserve such heritage, brands have increasingly focused on incorporating heritage elements into the packaging. This research employs three studies conducted in China [...] Read more.
Food, specifically those with heritage attributes, stands as one of the distinctive forms of Intangible Cultural Heritage (ICH). To promote and preserve such heritage, brands have increasingly focused on incorporating heritage elements into the packaging. This research employs three studies conducted in China to explore how different representation styles of heritage elements (verbal vs. non-verbal) shape consumer brand preferences in food packaging. Study 1 confirmed that food packaging featuring heritage elements effectively enhances consumer brand preference. Moreover, consumers exhibit stronger preference for the verbal elements over the non-verbal ones for heritage food due to construal level theory. Study 1 also demonstrated the mediating role of perceived value. Study 2 validated that such an effect remained significant within a tourism shopping context. In addition, Study 3 revealed the moderating effect of purchase motivation. When purchasing food as a gift, consumers tend to adopt a more abstract processing level (e.g., symbolic meaning, cultural connotation), which enhances the effect of verbal heritage elements on brand preference, whereas for self-use purchases, consumers shift to a concrete processing level (e.g., taste or price), thus enhancing the effect of non-verbal representation style. This research enriches the research on heritage element application in food marketing, and offers suggestions for packaging design for heritage food. Full article
Show Figures

Figure 1

21 pages, 14576 KB  
Article
The 3D Visibility of Rust: Micro Computed Tomography Investigations of a Roman Iron Nail from Aguntum
by Gerald Degenhart, Simon Wagner, Peter Tropper, Ulrike Töchterle and Martin Auer
Minerals 2025, 15(9), 939; https://doi.org/10.3390/min15090939 - 3 Sep 2025
Viewed by 584
Abstract
The restoration of iron finds is still a particularly complex area within the science of archaeological conservation, as severe signs of corrosion occur from the moment of recovery and the associated radical change in environmental parameters. The results of this study show that [...] Read more.
The restoration of iron finds is still a particularly complex area within the science of archaeological conservation, as severe signs of corrosion occur from the moment of recovery and the associated radical change in environmental parameters. The results of this study show that it is possible to create three-dimensional models of an iron find using non-invasive µCT examinations to identify the different layers and phases of corrosion based on mineralogical investigations and thus to assess the state of preservation of the iron object. The resulting visibility of the corrosion zones provides an important basis for further treatment of iron artefacts after recovery (packaging, desalination, storage, etc.), since the goal is the long-term preservation of cultural heritage made of iron. Full article
Show Figures

Figure 1

24 pages, 3299 KB  
Article
Sustainable Application and Evaluation of the Novel Stingray Model in Non-Heritage Packaging: The Case of Clay Sculptures in Joon County
by Qichao Song and Zhaoyi Bai
Appl. Sci. 2025, 15(11), 6033; https://doi.org/10.3390/app15116033 - 27 May 2025
Viewed by 893
Abstract
Generative tools often lack the guidance of scientific design methods in the design of non-heritage products. This study proposes a new Stingray model, which collects perceptual vocabularies of modeling and other aspects by integrating the perceptual engineering method to clarify the design direction [...] Read more.
Generative tools often lack the guidance of scientific design methods in the design of non-heritage products. This study proposes a new Stingray model, which collects perceptual vocabularies of modeling and other aspects by integrating the perceptual engineering method to clarify the design direction and establishes the design objectives by ranking the importance of the vocabularies using the Analytic Hierarchy Process (AHP) hierarchical analysis method. Taking the Joon County clay sculpture as an example, this study uses generative tools to achieve the innovation of packaging patterns, selects sustainable materials such as straw to complete the sustainable non-heritage packaging design, and verifies its feasibility using the TOPSIS method. The results show that the new Stingray model effectively integrates multiple design methods and solves the subjectivity and feasibility deficiencies of a single model. Meanwhile, the system-guided generative tool significantly improved design efficiency and simplified program adjustment. This study provides theoretical support for generative tools and opens a new path for the sustainable development of non-heritage packaging. Full article
Show Figures

Figure 1

30 pages, 5223 KB  
Article
Trends and Future Directions in Analysing Attractiveness of Geoparks Using an Automated Merging Method of Multiple Databases—R-Based Bibliometric Analysis
by Judith Nyulas, Ștefan Dezsi, Adrian Niță, Raluca-Andreea Toma and Ana-Maria Lazăr
Land 2024, 13(10), 1627; https://doi.org/10.3390/land13101627 - 7 Oct 2024
Cited by 3 | Viewed by 3056
Abstract
Since their creation, geoparks have been among the fastest growing natural environments. Their attractiveness is one of the most important factors for the success of this natural destination. Despite their importance, a bibliometric analysis on geopark attractiveness is missing from the studied databases. [...] Read more.
Since their creation, geoparks have been among the fastest growing natural environments. Their attractiveness is one of the most important factors for the success of this natural destination. Despite their importance, a bibliometric analysis on geopark attractiveness is missing from the studied databases. The aim of this paper is to synthesise a heterogeneous body of knowledge of geoparks in terms of attractiveness, highlighting the evolution and breadth of the research field. To achieve this, the following objectives were set: (a) to adopt a method based on functions provided by the bibliometrix package to automatically combine databases, namely WoS, Scopus, PubMed and Dimensions, detailing the method used and (b) to analyse the bibliometric indicators in order to identify the trends in the literature and the possible directions for future research. The applied methodology was based on bibliometric analysis using R for non-coders. From the 707 documents retrieved, the validation process resulted in 349 eligible documents published between 2002 and 2024, on which the analysis was carried out. The current study elaborated a method and examined the key information on the topic trends, which were given by production performance, productivity trends, spatial analysis and abstract approach analysis. Additionally, strategic mapping of the conceptual context was performed. Thus, the result provides a description of the automatic method with practical applications. As discerned from the three-dimensional analysis (spatial, temporal and size), the emerging research directions within scientific creativity encompassed (1) forms of tourism practiced in geoparks, especially focused on ecotourism and volcanic tourism; (2) geomorphological features, mineral springs and mud volcanoes; (3) aesthetic aspects, scenic sites and mining heritage; and (4) methodology, data analysis and modelling methods across different regions and countries. Full article
(This article belongs to the Special Issue Landscape Heritage: Geomorphology, Geoheritage and Geoparks)
Show Figures

Figure 1

23 pages, 4263 KB  
Review
Zein-Based Nanoparticles as Active Platforms for Sustainable Applications: Recent Advances and Perspectives
by Emilia Oleandro, Mariamelia Stanzione, Giovanna Giuliana Buonocore and Marino Lavorgna
Nanomaterials 2024, 14(5), 414; https://doi.org/10.3390/nano14050414 - 23 Feb 2024
Cited by 42 | Viewed by 8043 | Correction
Abstract
Nanomaterials, due to their unique structural and functional features, are widely investigated for potential applications in a wide range of industrial sectors. In this context, protein-based nanoparticles, given proteins’ abundance, non-toxicity, and stability, offer a promising and sustainable methodology for encapsulation and protection, [...] Read more.
Nanomaterials, due to their unique structural and functional features, are widely investigated for potential applications in a wide range of industrial sectors. In this context, protein-based nanoparticles, given proteins’ abundance, non-toxicity, and stability, offer a promising and sustainable methodology for encapsulation and protection, and can be used in engineered nanocarriers that are capable of releasing active compounds on demand. Zein is a plant-based protein extracted from corn, and it is biocompatible, biodegradable, and amphiphilic. Several approaches and technologies are currently involved in zein-based nanoparticle preparation, such as antisolvent precipitation, spray drying, supercritical processes, coacervation, and emulsion procedures. Thanks to their peculiar characteristics, zein-based nanoparticles are widely used as nanocarriers of active compounds in targeted application fields such as drug delivery, bioimaging, or soft tissue engineering, as reported by others. The main goal of this review is to investigate the use of zein-based nanocarriers for different advanced applications including food/food packaging, cosmetics, and agriculture, which are attracting researchers’ efforts, and to exploit the future potential development of zein NPs in the field of cultural heritage, which is still relatively unexplored. Moreover, the presented overview focuses on several preparation methods (i.e., antisolvent processes, spry drying), correlating the different analyzed methodologies to NPs’ structural and functional properties and their capability to act as carriers of bioactive compounds, both to preserve their activity and to tune their release in specific working conditions. Full article
Show Figures

Figure 1

16 pages, 7344 KB  
Article
Large Scale Optical Projection Tomography without the Use of Refractive-Index-Matching Liquid
by Petros Ioannis Stavroulakis, Theodore Ganetsos and Xenophon Zabulis
Sensors 2023, 23(24), 9814; https://doi.org/10.3390/s23249814 - 14 Dec 2023
Cited by 2 | Viewed by 2231
Abstract
The practical, rapid, and accurate optical 3D reconstruction of transparent objects with contemporary non-contact optical techniques, has been an open challenge in the field of optical metrology. The combination of refraction, reflection, and transmission in transparent objects makes it very hard to use [...] Read more.
The practical, rapid, and accurate optical 3D reconstruction of transparent objects with contemporary non-contact optical techniques, has been an open challenge in the field of optical metrology. The combination of refraction, reflection, and transmission in transparent objects makes it very hard to use common off-the-shelf 3D reconstruction solutions to accurately reconstruct transparent objects in three dimensions without completely coating the object with an opaque material. We demonstrate in this work that a specific class of transparent objects can indeed be reconstructed without the use of opaque spray coatings, via Optical Projection Tomography (OPT). Particularly, the 3D reconstruction of large thin-walled hollow transparent objects can be achieved via OPT, without the use of refractive-index-matching liquid, accurately enough for use in both cultural heritage and beverage packaging industry applications. We compare 3D reconstructions of our proposed OPT method to those achieved by an industrial-grade 3D scanner and report average shape differences of ±0.34 mm for ‘shelled’ hollow objects and ±0.92 mm for ‘non-shelled’ hollow objects. A disadvantage of using OPT, which was noticed on the thicker ‘non-shelled’ hollow objects, as opposed to the ‘shelled’ hollow objects, was that it induced partial filling of hollow areas and the deformation of embossed features. Full article
(This article belongs to the Section Sensing and Imaging)
Show Figures

Figure 1

24 pages, 6392 KB  
Article
3D Reality-Based Survey and Retopology for Structural Analysis of Cultural Heritage
by Sara Gonizzi Barsanti, Mario Guagliano and Adriana Rossi
Sensors 2022, 22(24), 9593; https://doi.org/10.3390/s22249593 - 7 Dec 2022
Cited by 15 | Viewed by 2902
Abstract
Cultural heritage’s structural changes and damages can influence the mechanical behaviour of artefacts and buildings. The use of finite element methods (FEM) for mechanical analysis is largely used in modelling stress behaviour. The workflow involves the use of CAD 3D models and the [...] Read more.
Cultural heritage’s structural changes and damages can influence the mechanical behaviour of artefacts and buildings. The use of finite element methods (FEM) for mechanical analysis is largely used in modelling stress behaviour. The workflow involves the use of CAD 3D models and the use of non-uniform rational B-spline (NURBS) surfaces. For cultural heritage objects, altered by the time elapsed since their creation, the representation created with the CAD model may introduce an extreme level of approximation, leading to wrong simulation results. The focus of this work is to present an alternative method intending to generate the most accurate 3D representation of a real artefact from highly accurate 3D reality-based models, simplifying the original models to make them suitable for finite element analysis (FEA) software. The approach proposed, and tested on three different case studies, was based on the intelligent use of retopology procedures to create a simplified model to be converted to a mathematical one made by NURBS surfaces, which is also suitable for being processed by volumetric meshes typically embedded in standard FEM packages. This allowed us to obtain FEA results that were closer to the actual mechanical behaviour of the analysed heritage asset. Full article
(This article belongs to the Special Issue Intelligent Point Cloud Processing, Sensing and Understanding)
Show Figures

Figure 1

16 pages, 4390 KB  
Article
3D Structure from 2D Dimensional Images Using Structure from Motion Algorithms
by Ismail Elkhrachy
Sustainability 2022, 14(9), 5399; https://doi.org/10.3390/su14095399 - 30 Apr 2022
Cited by 21 | Viewed by 4496
Abstract
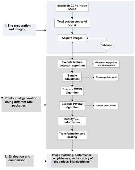
Natural disasters and human interference have endangered heritage structures around the world. Therefore, 3D modeling of buildings is important for historical preservation, particularly in low-income and war-affected countries. The majority of 3D structure surveying acquisition approaches, terrestrial laser scanning (TLS), total station measurements, [...] Read more.
Natural disasters and human interference have endangered heritage structures around the world. Therefore, 3D modeling of buildings is important for historical preservation, particularly in low-income and war-affected countries. The majority of 3D structure surveying acquisition approaches, terrestrial laser scanning (TLS), total station measurements, or traditional photogrammetry require either high-cost technologies or professional user supervision. Structure from motion (SfM) approaches address both of these issues by allowing a non-expert user to produce a dense point cloud for real structures by taking a few 2D photographs with a digital camera and processing them with highly automated and freely available data processing tools. The state of the art for the SfM technique is presented in this paper. Agisoft Metashape, VisualSFM, and Regard3D, three well-known types of SfM software, were examined and compared. The 3D point cloud was scaled and transformed into a local coordinates system using total station instruments that were used to obtain some ground control points (GCPs). Ninety-six 2D digital photographs for the historical Emara Palace in Najran, Saudi Arabia, were obtained as data input, and the image matching, bundle adjustment (BA), completeness, and accuracy of three used packages were calculated and compared. Full article
Show Figures

Figure 1

14 pages, 2115 KB  
Article
Sustainable Packaging Material Based on PCL Nanofibers and Lavandula luisieri Essential Oil, to Preserve Museological Textiles
by Ester F. Ferreira, Cláudia Mouro, Lúcia Silva and Isabel C. Gouveia
Polymers 2022, 14(3), 597; https://doi.org/10.3390/polym14030597 - 2 Feb 2022
Cited by 12 | Viewed by 3528
Abstract
The connection with textiles is one of the oldest traditions in humanity, and in the historical scenario, textiles and clothing deal with material culture. Therefore, preservation is of the utmost importance to keep this important heritage. Packaging and protection of museological textiles is [...] Read more.
The connection with textiles is one of the oldest traditions in humanity, and in the historical scenario, textiles and clothing deal with material culture. Therefore, preservation is of the utmost importance to keep this important heritage. Packaging and protection of museological textiles is imperative due to the risks that these articles suffer, mainly concerning the attack of microorganisms that promote the acceleration of their degradation, and it is still necessary to create a proper packing material. In the present work we describe a bibliographic review about the museological scenario, focused on the packaging for preservation of textile articles, as well as the techniques usually used in preventive material conservation. Future perpsctives for the improvement in the conservation of museological textiles are also given. This research aims to produce a sustainable material based on polycaprolactone (PCL), with and without antimicrobial function by incorporating Lavandula luisieri essential oil (EO), in the form of a non-woven substrate for museological packaging. A comparison was made with the most frequently used materials, such as raw cotton and a non-woven polyester. The results demonstrated that both PCL and PCL + EO obtained a good characterization for museological application with good breaking strength and excellent whiteness index. In addition, PCL + EO showed a high bacterial reduction when compared with other protective materials frequently used in museums. Therefore, these findings emphasize the potential use of this material as an innovative protective antibacterial museological packaging solution, able to safeguard and preserve textile museum and clothing collections for longer and for future generations. Full article
(This article belongs to the Special Issue Fabrication and Application of Electrospun Nanofibers)
Show Figures

Figure 1

11 pages, 4155 KB  
Technical Note
BIM Supported Surveying and Imaging Combination for Heritage Conservation
by Pedro Martín-Lerones, David Olmedo, Ana López-Vidal, Jaime Gómez-García-Bermejo and Eduardo Zalama
Remote Sens. 2021, 13(8), 1584; https://doi.org/10.3390/rs13081584 - 19 Apr 2021
Cited by 34 | Viewed by 4413
Abstract
As the basis for analysis and management of heritage assets, 3D laser scanning and photogrammetric 3D reconstruction have been probed as adequate techniques for point cloud data acquisition. The European Directive 2014/24/EU imposes BIM Level 2 for government centrally procured projects as a [...] Read more.
As the basis for analysis and management of heritage assets, 3D laser scanning and photogrammetric 3D reconstruction have been probed as adequate techniques for point cloud data acquisition. The European Directive 2014/24/EU imposes BIM Level 2 for government centrally procured projects as a collaborative process of producing federated discipline-specific models. Although BIM software resources are intensified and increasingly growing, distinct specifications for heritage (H-BIM) are essential to driving particular processes and tools to efficiency shifting from point clouds to meaningful information ready to be exchanged using non-proprietary formats, such as Industry Foundation Classes (IFC). This paper details a procedure for processing enriched 3D point clouds into the REVIT software package due to its worldwide popularity and how closely it integrates with the BIM concept. The procedure will be additionally supported by a tailored plug-in to make high-quality 3D digital survey datasets usable together with 2D imaging, enhancing the capability to depict contextualized important graphical data to properly planning conservation actions. As a practical example, a 2D/3D enhanced combination is worked to accurately include into a BIM project, the length, orientation, and width of a big crack on the walls of the Castle of Torrelobatón (Spain) as a representative heritage building. Full article
(This article belongs to the Section Engineering Remote Sensing)
Show Figures

Graphical abstract

20 pages, 2337 KB  
Article
Minimal Camera Networks for 3D Image Based Modeling of Cultural Heritage Objects
by Bashar Alsadik, Markus Gerke, George Vosselman, Afrah Daham and Luma Jasim
Sensors 2014, 14(4), 5785-5804; https://doi.org/10.3390/s140405785 - 25 Mar 2014
Cited by 39 | Viewed by 10542
Abstract
3D modeling of cultural heritage objects like artifacts, statues and buildings is nowadays an important tool for virtual museums, preservation and restoration. In this paper, we introduce a method to automatically design a minimal imaging network for the 3D modeling of cultural heritage [...] Read more.
3D modeling of cultural heritage objects like artifacts, statues and buildings is nowadays an important tool for virtual museums, preservation and restoration. In this paper, we introduce a method to automatically design a minimal imaging network for the 3D modeling of cultural heritage objects. This becomes important for reducing the image capture time and processing when documenting large and complex sites. Moreover, such a minimal camera network design is desirable for imaging non-digitally documented artifacts in museums and other archeological sites to avoid disturbing the visitors for a long time and/or moving delicate precious objects to complete the documentation task. The developed method is tested on the Iraqi famous statue “Lamassu”. Lamassu is a human-headed winged bull of over 4.25 m in height from the era of Ashurnasirpal II (883–859 BC). Close-range photogrammetry is used for the 3D modeling task where a dense ordered imaging network of 45 high resolution images were captured around Lamassu with an object sample distance of 1 mm. These images constitute a dense network and the aim of our study was to apply our method to reduce the number of images for the 3D modeling and at the same time preserve pre-defined point accuracy. Temporary control points were fixed evenly on the body of Lamassu and measured by using a total station for the external validation and scaling purpose. Two network filtering methods are implemented and three different software packages are used to investigate the efficiency of the image orientation and modeling of the statue in the filtered (reduced) image networks. Internal and external validation results prove that minimal image networks can provide highly accurate records and efficiency in terms of visualization, completeness, processing time (>60% reduction) and the final accuracy of 1 mm. Full article
(This article belongs to the Special Issue Sensors for Cultural Heritage Diagnostics)
Show Figures

Graphical abstract

Back to TopTop