Sign in to use this feature.

Years

Between: -

Subjects

remove_circle_outline
remove_circle_outline
remove_circle_outline
remove_circle_outline

Journals

Article Types

Countries / Regions

Search Results (11)

Search Parameters:
Keywords = helicopter main gearbox

Order results
Result details
Results per page
Select all
Export citation of selected articles as:
27 pages, 2150 KB  
Article
Conceptual Retrofit of a Hydrogen–Electric VTOL Rotorcraft: The Hawk Demonstrator Simulation
by Jubayer Ahmed Sajid, Seeyama Hossain, Ivan Grgić and Mirko Karakašić
Designs 2026, 10(1), 9; https://doi.org/10.3390/designs10010009 - 24 Jan 2026
Viewed by 382
Abstract
Decarbonisation of the aviation sector is essential for achieving global-climate targets, with hydrogen propulsion emerging as a viable alternative to battery–electric systems for vertical flight. Unlike previous studies focusing on clean-sheet eVTOL concepts or fixed-wing platforms, this work provides a comprehensive retrofit evaluation [...] Read more.
Decarbonisation of the aviation sector is essential for achieving global-climate targets, with hydrogen propulsion emerging as a viable alternative to battery–electric systems for vertical flight. Unlike previous studies focusing on clean-sheet eVTOL concepts or fixed-wing platforms, this work provides a comprehensive retrofit evaluation of a two-seat light helicopter (Cabri G2/Robinson R22 class) to a hydrogen–electric hybrid powertrain built around a Toyota TFCM2-B PEM fuel cell (85 kW net), a 30 kg lithium-ion buffer battery, and 700 bar Type-IV hydrogen storage totalling 5 kg, aligned with the Vertical Flight Society (VFS) mission profile. The mass breakdown, mission energy equations, and segment-wise hydrogen use for a 100 km sortie are documented using a single main rotor with a radius of R = 3.39 m, with power-by-segment calculations taken from the team’s final proposal. Screening-level simulations are used solely for architectural assessment; no experimental validation is performed. Mission analysis indicates a 100 km operational range with only 3.06 kg of hydrogen consumption (39% fuel reserve). The main contribution is a quantified demonstration of a practical retrofit pathway for light rotorcraft, showing approximately 1.8–2.2 times greater range (100 km vs. 45–55 km battery-only baseline, including respective safety reserves). The Hawk demonstrates a 28% reduction in total propulsion system mass (199 kg including PEMFC stack and balance-of-plant 109 kg, H2 storage 20 kg, battery 30 kg, and motor with gearbox 40 kg) compared to a battery-only configuration (254.5 kg battery pack, plus equivalent 40 kg motor and gearbox), representing approximately 32% system-level mass savings when thermal-management subsystems (15 kg) are included for both configurations. Full article
(This article belongs to the Section Mechanical Engineering Design)
Show Figures

Figure 1

24 pages, 4655 KB  
Article
Effect of Bearing Support Parameters on the Radial and Angular Deformation of Rotor Shaft Gear Based on CRDRS Support Configuration with Intermediate Bearing Support
by Xiaojie Yuan, Xiaoyu Che, Rupeng Zhu and Weifang Chen
Machines 2025, 13(6), 513; https://doi.org/10.3390/machines13060513 - 12 Jun 2025
Cited by 1 | Viewed by 1799
Abstract
The rotor shaft is a critical component responsible for transmitting engine power to the helicopter’s rotor. Deformation of the rotor shaft can affect the meshing performance of the output stage gears in the main gearbox, thereby affecting load transfer efficiency. By adjusting the [...] Read more.
The rotor shaft is a critical component responsible for transmitting engine power to the helicopter’s rotor. Deformation of the rotor shaft can affect the meshing performance of the output stage gears in the main gearbox, thereby affecting load transfer efficiency. By adjusting the support parameters of the rotor shaft, deformation at critical positions can be minimized, and the meshing performance of the output stage gears can be improved. Therefore, it is imperative to investigate the influence of rotor shaft support parameters on the deformation of the rotor shaft. This paper takes coaxial reversing dual rotor shaft (CRDRS) support configuration with intermediate bearing support as object. Utilizing Timoshenko beam theory, a rotor shaft model is developed, and static equations are derived based on the Lagrange equations. The relaxation iteration method is employed for a two-level iterative solution, and the effects of bearing support positions and support stiffness on the radial and angular deformations of rotor shaft gears under two support configurations, simply supported outer rotor shaft–cantilever-supported inner rotor shaft, and simply supported outer rotor shaft–simply supported inner rotor shaft, are analyzed. The findings indicate that the radial and angular deformations of gear s1 are consistently smaller than those of gear s2 in the CRDRS system. This difference is particularly pronounced in the selection of support configuration. The bearing support position plays a dominant role in gear deformation, exhibiting a monotonic linear relationship. In contrast, although adjustments in bearing support stiffness also follow a linear pattern in influencing deformation, their impact is relatively limited. Overall, optimal design should prioritize the adjustment of bearing positions, particularly the layout of b3 relative to s2, while complementing it with coordinated modifications to the stiffness of bearings b2, b3, and b4 to effectively enhance the static characteristics of the dual-rotor shaft gears. Full article
(This article belongs to the Section Machine Design and Theory)
Show Figures

Figure 1

21 pages, 9740 KB  
Article
Development of a High-Performance Low-Weight Hydraulic Damper for Active Vibration Control of the Main Rotor on Helicopters—Part 2: Preliminary Experimental Validation
by Antonio Carlo Bertolino, Matteo Gaidano, Stefano Smorto, Paolo Giovanni Porro and Massimo Sorli
Aerospace 2023, 10(10), 868; https://doi.org/10.3390/aerospace10100868 - 5 Oct 2023
Cited by 3 | Viewed by 2627
Abstract
Vibrations generated by the main rotor-gearbox assembly in a helicopter are the principal cause of damage to cockpit instruments and crew discomfort in terms of cabin noise. The principal path of vibration transmission to the fuselage is through the gearbox’s rigid support struts. [...] Read more.
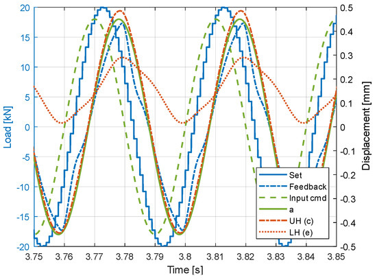
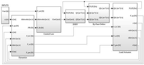
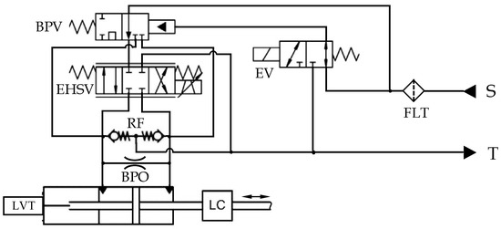
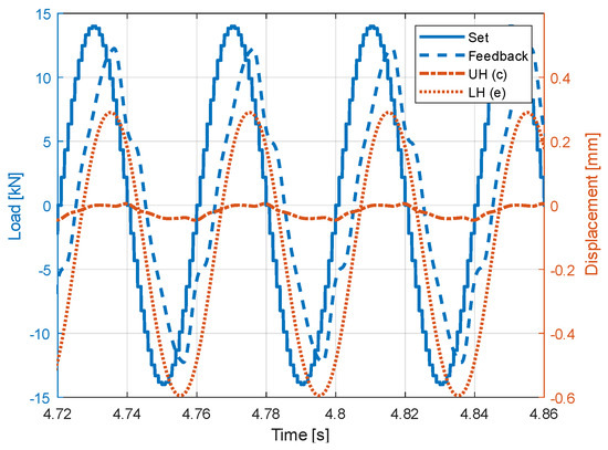
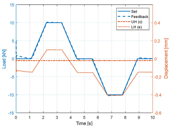
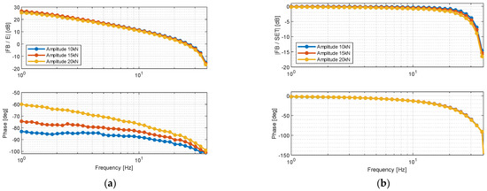
Vibrations generated by the main rotor-gearbox assembly in a helicopter are the principal cause of damage to cockpit instruments and crew discomfort in terms of cabin noise. The principal path of vibration transmission to the fuselage is through the gearbox’s rigid support struts. This article is Part 2 of a two-part paper presenting an innovative solution involving the replacement of rigid struts with low-weight, high-performance active dampers for vibration control developed by Elettronica Aster S.p.A. Part 1 provided a comprehensive overview of the system layout obtained through a model-based design process and presented a thorough description of the adopted nonlinear mathematical model. Part 2 focuses on the physical realization of the damper and its dedicated experimental test bench. The mathematical model parameter fitting procedure is presented in detail, as it has been used to help in the definition and optimization of the control schemes and the verification of the expected performance. The experimental results obtained in Part 2 not only demonstrate the compliance of the active damper prototype with the acceptance tests outlined in the ATP but also provide compelling evidence reinforcing the promise of the presented solution for effective vibration reduction. Full article
(This article belongs to the Special Issue Advances in Rotorcraft Dynamics)
Show Figures

Figure 1

20 pages, 3349 KB  
Article
Development of a High-Performance Low-Weight Hydraulic Damper for Active Vibration Control of the Main Rotor on Helicopters—Part 1: Design and Mathematical Model
by Antonio Carlo Bertolino, Matteo Gaidano, Stefano Smorto, Paolo Giovanni Porro and Massimo Sorli
Aerospace 2023, 10(5), 391; https://doi.org/10.3390/aerospace10050391 - 24 Apr 2023
Cited by 7 | Viewed by 5832
Abstract
The helicopter vibrations generated by the main rotor/gearbox assembly are the principal cause of damage to cockpit instruments and discomfort of the crew in terms of cabin noise. The principal path of vibration transmission to the fuselage is through the gearbox rigid support [...] Read more.
The helicopter vibrations generated by the main rotor/gearbox assembly are the principal cause of damage to cockpit instruments and discomfort of the crew in terms of cabin noise. The principal path of vibration transmission to the fuselage is through the gearbox rigid support struts. With the aim of reducing these vibrations, this paper presents the design of a low-weight high-performance active damper for vibration control developed by Elettronica Aster S.p.A. The system is intended to replace the conventional struts and is composed of an electro-hydraulic actuator hosted within a compliant structure. This parallel nested structure allows the system to reach a high-power density. A physics-based mathematical model was used as a design digital twin to optimize the performance to meet the strict requirements. The active damper was designed for a reference application of a 15-seat medium-sized twin-engine helicopter. The model was used to perform the tests specified in the acceptance and testing procedure document, showing the compliance with the requirements of the current design. The damper physical realization, test bench design, experimental campaign, and model validation will be presented in Part 2. Full article
(This article belongs to the Section Aeronautics)
Show Figures

Figure 1

18 pages, 3115 KB  
Article
Reverse Design of a Novel Coupling Strut for Vibration Attenuation in the Helicopter Cabin
by Ming Ding, Jinhui Jiang, Fang Zhang, Xiao Liang and Nansun Shen
Aerospace 2022, 9(12), 843; https://doi.org/10.3390/aerospace9120843 - 18 Dec 2022
Cited by 3 | Viewed by 2229
Abstract
Helicopter gearbox support strut is one of the main research objects in the field of vibration and noise control in helicopter cabins. Aiming to further widen the vibration attenuation range of traditional Bragg periodic struts, a novel type of Local resonance (LR)/Bragg coupling [...] Read more.
Helicopter gearbox support strut is one of the main research objects in the field of vibration and noise control in helicopter cabins. Aiming to further widen the vibration attenuation range of traditional Bragg periodic struts, a novel type of Local resonance (LR)/Bragg coupling periodic strut with graded parameters as well as the reverse design method is proposed. Combined with the spectral element method (SEM) and the transfer matrix method (TMM), the analytical expression of the transform relationship of longitudinal vibrations through the coupling strut is yielded. The impacts of different parameters on the boundaries of bandgaps are explored according to the results of simulation analysis. On this basis, the gradient of parameters is determined, and then all unknown structural parameters can also be determined. Compared with the traditional Bragg periodic struts and the LR/Bragg coupling periodic strut with non-graded parameters, the presented strut has an obvious advantage of widening the low-frequency bandgaps below 500 Hz. Full article
Show Figures

Figure 1

17 pages, 5688 KB  
Article
Usage Monitoring of Helicopter Gearboxes with ADS-B Flight Data
by David Hünemohr, Jörg Litzba and Farid Rahimi
Aerospace 2022, 9(11), 647; https://doi.org/10.3390/aerospace9110647 - 25 Oct 2022
Cited by 5 | Viewed by 5350
Abstract
Health and usage monitoring systems (HUMS) are the basis for condition-based maintenance of helicopters. One of the most critical systems in terms of safety and maintenance expense that can be monitored by HUMS are the main gearboxes of helicopters with turbine engines. While [...] Read more.
Health and usage monitoring systems (HUMS) are the basis for condition-based maintenance of helicopters. One of the most critical systems in terms of safety and maintenance expense that can be monitored by HUMS are the main gearboxes of helicopters with turbine engines. While the health monitoring part of HUMS aims to model the health state from the collected sensor data with advanced algorithms, such as machine learning, the usage monitoring part tracks the time of use and operating parameters of the system, such as load, to determine lifetime consumption. In the presented work, a combination of automatic dependent surveillance-broadcast (ADS-B) flight data with a generic helicopter performance model is used to acquire torque profiles of the gearboxes. With damage accumulation methods, the load spectra are transformed to aggregated indicators that reflect the individual gearbox usage. The methodology is applied to samples of two helicopters from a five-year ADS-B data set of German helicopter emergency medical services (HEMS) acquired for the study. The results demonstrate the feasibility of the generic approach, which can support maintenance scheduling and new usage-based maintenance services independent of direct access to installed HUMS. Full article
Show Figures

Figure 1

29 pages, 12929 KB  
Article
A Fault Detection Method Based on an Oil Temperature Forecasting Model Using an Improved Deep Deterministic Policy Gradient Algorithm in the Helicopter Gearbox
by Lei Wei, Zhe Cheng, Junsheng Cheng, Niaoqing Hu and Yi Yang
Entropy 2022, 24(10), 1394; https://doi.org/10.3390/e24101394 - 30 Sep 2022
Cited by 6 | Viewed by 2494
Abstract
The main gearbox is very important for the operation safety of helicopters, and the oil temperature reflects the health degree of the gearbox; therefore establishing an accurate oil temperature forecasting model is an important step for reliable fault detection. Firstly, in order to [...] Read more.
The main gearbox is very important for the operation safety of helicopters, and the oil temperature reflects the health degree of the gearbox; therefore establishing an accurate oil temperature forecasting model is an important step for reliable fault detection. Firstly, in order to achieve accurate gearbox oil temperature forecasting, an improved deep deterministic policy gradient algorithm with a CNN–LSTM basic learner is proposed, which can excavate the complex relationship between oil temperature and working condition. Secondly, a reward incentive function is designed to accelerate the training time costs and to stabilize the model. Further, a variable variance exploration strategy is proposed to enable the agents of the model to fully explore the state space in the early training stage and to gradually converge in the training later stage. Thirdly, a multi-critics network structure is adopted to solve the problem of inaccurate Q-value estimation, which is the key to improving the prediction accuracy of the model. Finally, KDE is introduced to determine the fault threshold to judge whether the residual error is abnormal after EWMA processing. The experimental results show that the proposed model achieves higher prediction accuracy and shorter fault detection time costs. Full article
Show Figures

Figure 1

15 pages, 5683 KB  
Article
CFD Investigation into Flow Characteristics of a Special Splash Lubrication in Light Helicopters
by He Liu, Yu Dai, Jifu Jia and Xiang Zhu
Aerospace 2022, 9(9), 482; https://doi.org/10.3390/aerospace9090482 - 29 Aug 2022
Cited by 4 | Viewed by 3500
Abstract
Lubricating oil flow characteristics are the primary concern in the main reducer of light helicopters. To improve the lubricating performance of the main reducer, a special lubrication system is innovatively constructed by adding two oil-guiding tubes to the hub of the output gear, [...] Read more.
Lubricating oil flow characteristics are the primary concern in the main reducer of light helicopters. To improve the lubricating performance of the main reducer, a special lubrication system is innovatively constructed by adding two oil-guiding tubes to the hub of the output gear, and the influence of the oil-guiding tubes is investigated through CFD (computational fluid dynamics) techniques. A CFD model of the gearbox integrated with the VOF (volume of fluid) technique was established to explore the flow characteristics of the oil–air two-phase flow inside the gearing system. To validate the proposed CFD model, a specialized testing rig is devised and manufactured to examine the features of oil distribution. The effects of the structure parameters of the oil-guiding tubes and operating conditions on the lubrication performance are explored. Comparing experimental and numerical findings reveals that the inner diameter of the oil-guiding tube and the rotational speed of the driven gear have a significant influence on the lubrication performance. In contrast, the length of the installation end of the oil-guiding tube, its angle, and the oil-immersion depth show little impact. Full article
(This article belongs to the Section Aeronautics)
Show Figures

Figure 1

15 pages, 5974 KB  
Article
Performance of a New Aeronautic Oil-Guiding Splash Lubrication System
by Yu Dai, Xi Chen, Duan Yang, Lanjin Xu and Xiang Zhu
Lubricants 2022, 10(6), 130; https://doi.org/10.3390/lubricants10060130 - 18 Jun 2022
Cited by 3 | Viewed by 3752
Abstract
Among ever-increasing demands for low power consumption, low weight, and compact reducer systems, an oil-guiding splash lubrication method integrating the oil-guiding cylinder and pipes is suggested to be more suitable for light helicopters, instead of conventional splash or oil jet lubrication. Aiming at [...] Read more.
Among ever-increasing demands for low power consumption, low weight, and compact reducer systems, an oil-guiding splash lubrication method integrating the oil-guiding cylinder and pipes is suggested to be more suitable for light helicopters, instead of conventional splash or oil jet lubrication. Aiming at improving the lubrication and cooling performance of this special lubrication method, this paper introduces an oil-guiding channel to increase oil quantity reaching the driving gear, bearings, and spline. Firstly, the lubrication and cooling effect of the oil-guiding channel in the main gearbox is investigated at various speeds and oil depths by leveraging with a computational fluid dynamics (CFD) technique. Then, a specialized test bench is set up and utilized for experiments to verify the CFD study. These results show that the numerical results are very satisfactory with the data of experimentation, and the maximum value of relative errors is no more than 15%. What is more, the oil flow rate passing through the monitoring plane with the oil-guiding channel is much greater than that without the channel by about three orders of magnitude. It also suggests that the oil-guiding channel could dramatically increase the lubricating oil in the meshing gear pair, and significantly improve the lubrication and cooling effect. Full article
(This article belongs to the Special Issue Gear Load-Independent Power Losses)
Show Figures

Figure 1

15 pages, 3856 KB  
Article
Axial-Flux Permanent-Magnet Dual-Rotor Generator for a Counter-Rotating Wind Turbine
by Filip Kutt, Krzysztof Blecharz and Dariusz Karkosiński
Energies 2020, 13(11), 2833; https://doi.org/10.3390/en13112833 - 2 Jun 2020
Cited by 31 | Viewed by 10733
Abstract
Coaxial counter-rotating propellers have been widely applied in ships and helicopters for improving the propulsion efficiency and offsetting system reactive torques. Lately, the counter-rotating concept has been introduced into the wind turbine design. Distributed wind power generation systems often require a novel approach [...] Read more.
Coaxial counter-rotating propellers have been widely applied in ships and helicopters for improving the propulsion efficiency and offsetting system reactive torques. Lately, the counter-rotating concept has been introduced into the wind turbine design. Distributed wind power generation systems often require a novel approach in generator design. In this paper, prototype development of axial-flux generator with a counter-rotating field and armature is presented. The design process was composed of three main steps: analytical calculation, FEM simulation and prototype experimental measurements. The key aspect in the prototype development was the mechanical construction of two rotating components of the generator. Sturdy construction was achieved using two points of contact between both rotors via the placement of the bearing between the inner and outer rotor. The experimental analysis of the prototype generator has been conducted in the laboratory at the dynamometer test stand equipped with a torque sensor. The general premise for the development of such a machine was an investigation into the possibility of developing a dual rotor wind turbine. The proposed solution had to meet certain criteria such as relatively simple construction of the generator and the direct coupling between the generator and the wind turbines. The simple construction and the lack of any gearbox would allow for such a system to be constructed relatively cheaply, which is a key aspect in further system development. Full article
(This article belongs to the Special Issue Electrical Machine Design 2020)
Show Figures

Figure 1

17 pages, 6585 KB  
Article
Design and Physical Prototyping of a Novel Braking System for a Helicopter Rotor
by Julian D. Booker, Richard J. Lock and David Drury
Designs 2019, 3(3), 40; https://doi.org/10.3390/designs3030040 - 28 Jul 2019
Cited by 1 | Viewed by 9660
Abstract
The aim of this paper was to demonstrate the improved functionality and performance of an electromechanical brake for a helicopter main rotor, which to date has been hydraulically actuated using a disc brake and caliper arrangement. Increasingly, designers seek higher performing solutions to [...] Read more.
The aim of this paper was to demonstrate the improved functionality and performance of an electromechanical brake for a helicopter main rotor, which to date has been hydraulically actuated using a disc brake and caliper arrangement. Increasingly, designers seek higher performing solutions to traditional problems through the integration of modern actuation and control strategies. This electromechanical device is required to constrain the helicopter tail rotor shaft protruding from the main rotor gearbox to allow safe taxiing and storage of the helicopter. A systematic and rigorous design methodology was used to converge on an effective solution which satisfied a very demanding specification. The design was further detailed and optimized, leading to the development of a prototype at a high technology readiness level that was tested within a bespoke rig, simulating the torque requirements found on a helicopter main rotor using the torque and position control. The design was shown to meet the required holding torque whilst providing additional functionality of continuous holding capability and meeting the challenging volumetric constraints. Full article
Show Figures

Figure 1

Back to TopTop