Sign in to use this feature.

Years

Between: -

Subjects

remove_circle_outline
remove_circle_outline
remove_circle_outline
remove_circle_outline
remove_circle_outline
remove_circle_outline
remove_circle_outline
remove_circle_outline
remove_circle_outline

Journals

remove_circle_outline
remove_circle_outline
remove_circle_outline
remove_circle_outline
remove_circle_outline
remove_circle_outline
remove_circle_outline
remove_circle_outline
remove_circle_outline
remove_circle_outline
remove_circle_outline
remove_circle_outline
remove_circle_outline
remove_circle_outline
remove_circle_outline
remove_circle_outline
remove_circle_outline
remove_circle_outline

Article Types

Countries / Regions

remove_circle_outline
remove_circle_outline
remove_circle_outline
remove_circle_outline
remove_circle_outline
remove_circle_outline
remove_circle_outline

Search Results (2,321)

Search Parameters:
Keywords = electrical resistance measurement

Order results
Result details
Results per page
Select all
Export citation of selected articles as:
23 pages, 1082 KB  
Article
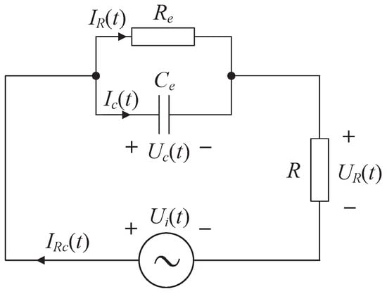
A Circuit Model of a Charged Water Body Based on the Fractional Order Resistance-Capacitance Network
by Shisheng Liu, Yonghao Zeng, Weijia Zheng, Weijian Lin and Meijin Lin
Electronics 2025, 14(20), 3975; https://doi.org/10.3390/electronics14203975 - 10 Oct 2025
Abstract
Designing an effective electrical model for charged water bodies is of great significance in reducing the risk of electric shock in water and enhancing the safety and reliability of electrical equipment. Aiming to resolve the problems faced in using existing charged water body [...] Read more.
Designing an effective electrical model for charged water bodies is of great significance in reducing the risk of electric shock in water and enhancing the safety and reliability of electrical equipment. Aiming to resolve the problems faced in using existing charged water body modeling methods, a practical circuit model of a charged water body is developed. The basic units of the model are simply constructed using fractional-order resistance–capacitance (RC) parallel circuits. The state variables of the model can be obtained by solving the circuit equations. In addition, a practical method for obtaining the circuit model parameters is also developed. This enables the estimation of the characteristics of charged water bodies under different conditions through model simulation. The effectiveness of the proposed method is verified by comparing the estimated voltage and leakage current of the model with the actual measured values. The comparison results show that the estimated value of the model is close to the actual characteristics of the charged water body. Full article
Show Figures

Figure 1

14 pages, 3474 KB  
Article
Silk Fibroin Protective Coating for Washable and Reusable Textile Electronics
by Anna Baranowska-Korczyc, Dorota Kowalczyk and Małgorzata Cieślak
Int. J. Mol. Sci. 2025, 26(20), 9848; https://doi.org/10.3390/ijms26209848 - 10 Oct 2025
Abstract
In this study, a new way of protecting textile wearable electronics is proposed. A natural product, silk fibroin, known for its high biocompatibility, biodegradability, and low cytotoxicity, was selected to cover the functionalized fabric to improve its stability and enable washability. Silk fabric [...] Read more.
In this study, a new way of protecting textile wearable electronics is proposed. A natural product, silk fibroin, known for its high biocompatibility, biodegradability, and low cytotoxicity, was selected to cover the functionalized fabric to improve its stability and enable washability. Silk fabric was selected as a non-toxic material, suitable for further application on skin and for wearable devices. Silk fabric was functionalized with various amounts of high-pressure carbon monoxide single-walled carbon nanotubes (HiPCO SWNTs). HiPCO SWNTs made the fabric electroconductive, but they are easily washed out of the fabric. The fabric functionalized with HiPCO SWNTs was covered with silk fibroin (SF) protein, which was subsequently crystallized by ethanol vapor to make it insoluble in water. The functionalization and silk fibroin coverage processes were studied using electrical resistance measurements, infrared and Raman spectroscopies, thermogravimetric technique, and surface wettability analysis. The coverage of the fabric with crystallized silk fibroin enables the washing process. The resistance of the functionalized fabric with silk fibroin did not increase significantly. The presented silk fibroin coating can facilitate the construction of future wearable electronics, protect the electroconductive nanomaterials on the fabric surface, and make textile structures reusable. Full article
(This article belongs to the Collection 30th Anniversary of IJMS: Updates and Advances in Biochemistry)
Show Figures

Figure 1

15 pages, 2459 KB  
Article
Conductometric Chemosensor for Saccharides Based on Thin Films of Poly(3-Thienylboronic) Acid: Measurements of Transversal Resistance
by Berfinsu Kaya, Yulia Efremenko and Vladimir M. Mirsky
Biosensors 2025, 15(10), 679; https://doi.org/10.3390/bios15100679 - 9 Oct 2025
Viewed by 57
Abstract
Poly(3-thienylboronic acid) (PThBA) has recently been suggested as a conducting polymer with affinity for saccharides. In this study, thin films of this compound were deposited onto gold electrodes. The system obtained was studied as a possible chemical sensor. The measurements were performed by [...] Read more.
Poly(3-thienylboronic acid) (PThBA) has recently been suggested as a conducting polymer with affinity for saccharides. In this study, thin films of this compound were deposited onto gold electrodes. The system obtained was studied as a possible chemical sensor. The measurements were performed by impedance spectroscopy using potassium ferro/ferricyanide as a redox mediator. The thickness of the polymer and the deposition of the adhesive sublayer were optimized to achieve a compromise between the blocking of defects in the polymer layer and the unnecessary increase in the internal resistance of this conductometric sensor. A comparative study of the influence of fructose, glucose, and sorbitol on transversal polymer resistance was conducted. The binding constants for these saccharides were extracted from the concentration dependencies of sensor conductance. Among them, sorbitol showed the highest affinity with a binding constant up to ~15,000 L·mol−1, followed by fructose (~8700 L·mol−1) and glucose (~4500 L·mol−1). In order to exclude the contribution of the analyte tautomers on the obtained binding constants, measurements of ethylene glycol were also performed. The effects of pH and the redox state of PThBA on its affinity properties were studied, revealing higher affinities at alkaline pH and in oxidized state of the chemosensitive polymer. The developed system has the capacity to be applied in chemical sensors and virtual sensor arrays with electrical affinity control. Full article
Show Figures

Graphical abstract

14 pages, 3567 KB  
Article
Structural and Electrical Properties of Si-Doped β-Ga2O3 Thin Films Deposited by RF Sputtering: Effects of Oxygen Flow Ratio and Post-Annealing Temperature
by Haechan Kim, Yuta Kubota, Nobuhiro Matsushita, Gonjae Lee and Jeongsoo Hong
Coatings 2025, 15(10), 1181; https://doi.org/10.3390/coatings15101181 - 9 Oct 2025
Viewed by 96
Abstract
Beta-gallium oxide (β-Ga2O3) is a semiconductor with an ultra-wide bandgap, high optical transparency, and excellent electrical properties, which can be finely tuned for a wide range of electronic devices. This study optimized the process conditions for fabricating β-Ga2 [...] Read more.
Beta-gallium oxide (β-Ga2O3) is a semiconductor with an ultra-wide bandgap, high optical transparency, and excellent electrical properties, which can be finely tuned for a wide range of electronic devices. This study optimized the process conditions for fabricating β-Ga2O3 thin films with desired electrical characteristics. β-Ga2O3 films were deposited on (100) Si substrates via RF magnetron sputtering with varying O2 flow rates and post-annealed at temperatures ranging from 600 °C to 800 °C. The structural and electrical properties of the films were analyzed using X-ray diffraction (XRD) spectroscopy, scanning electron microscopy (SEM), and Hall effect measurements. The XRD results confirmed the formation of nanocrystalline β-Ga2O3, with variations in peak intensities and shifts observed based on O2 flow rates. The films exhibited carrier concentrations exceeding 5 × 1022 cm−3, mobilities ranging from 50 to 115 cm2/Vs, and resistivity around 1 × 10−6 Ω⋅cm. This study demonstrates that the electrical properties of β-Ga2O3 thin films can be modulated during the deposition and post-annealing processes. The ability to control these properties underscores the potential of β-Ga2O3 for advanced applications in high-performance high-power devices and optoelectronic devices such as deep ultraviolet photodetectors. Full article
(This article belongs to the Special Issue Thin Films and Nanostructures Deposition Techniques)
Show Figures

Figure 1

22 pages, 3922 KB  
Article
Silicon Oxycarbide Coatings Produced by Remote Hydrogen Plasma CVD Process from Cyclic Tetramethylcyclotetrasiloxane
by Agnieszka Walkiewicz-Pietrzykowska, Krzysztof Jankowski, Romuald Brzozowski, Joanna Zakrzewska and Paweł Uznański
Coatings 2025, 15(10), 1179; https://doi.org/10.3390/coatings15101179 - 8 Oct 2025
Viewed by 320
Abstract
The development of high-speed computers and electronic memories, high-frequency communication networks, electroluminescent and photovoltaic devices, flexible displays, and more requires new materials with unique properties, such as a low dielectric constant, an adjustable refractive index, high hardness, thermal resistance, and processability. SiOC coatings [...] Read more.
The development of high-speed computers and electronic memories, high-frequency communication networks, electroluminescent and photovoltaic devices, flexible displays, and more requires new materials with unique properties, such as a low dielectric constant, an adjustable refractive index, high hardness, thermal resistance, and processability. SiOC coatings possess a number of desirable properties required by modern technologies, including good heat and UV resistance, transparency, high electrical insulation, flexibility, and solubility in commonly used organic solvents. Chemical vapor deposition (CVD) is a very useful and convenient method to produce this type of layer. In this article we present the results of studies on SiOC coatings obtained from tetramethylcyclotetrasiloxane in a remote hydrogen plasma CVD process. The elemental composition (XPS, EDS) and chemical structure (FTIR and NMR spectroscopy-13C, 29Si) of the obtained coatings were investigated. Photoluminescence analyses and ellipsometric and thermogravimetric measurements were also performed. The surface morphology was characterized using AFM and SEM. The obtained results allowed us to propose a mechanism for the initiation and growth of the SiOC layer. Full article
Show Figures

Figure 1

17 pages, 1009 KB  
Article
Physiological and Transcriptome Analysis of Drought-Tolerant Mutant ds-1 of Blue Fescue (Festuca glauca) Under Drought Stress
by Yong Zhang, Peng Han, Xuefeng Xiao, Wei Chen, Hang Liu, Hengfeng Zhang and Lu Xu
Int. J. Plant Biol. 2025, 16(4), 116; https://doi.org/10.3390/ijpb16040116 - 4 Oct 2025
Viewed by 136
Abstract
Blue fescue (Festuca glauca) is a widely used ornamental grass worldwide. Drought is an important limiting factor for the growth and development of blue fescue; therefore, cultivating new strains of blue fescue with a strong drought tolerance is of great significance [...] Read more.
Blue fescue (Festuca glauca) is a widely used ornamental grass worldwide. Drought is an important limiting factor for the growth and development of blue fescue; therefore, cultivating new strains of blue fescue with a strong drought tolerance is of great significance for its production practice. To investigate the drought tolerance mechanism of ds-1, this study subjected both ds-1 and “Festina” to a natural drought treatment and measured their physiological and biochemical indicators. A transcriptomic analysis was also conducted to explore the underlying molecular mechanisms. The results showed that, after the drought treatment, the relative water content (RWC), water use efficiency (WUE), and photosynthetic rate (Pn) of ds-1 leaves were significantly higher than those of “Festina”; in addition, the contents of H2O2 and O2, the relative electrical conductivity (REC), the malondialdehyde (MDA) content, the gas conductance (Gs), and the transpiration rate (Tr) were significantly lower than those of “Festina”. The peroxidase (POD) activity of ds-1 was significantly higher than that of “Festina”, while the superoxide dismutase (SOD) activity of ds-1 was significantly lower than that of “Festina”. The transcriptome data analysis showed that there were a total of 9475 differentially expressed genes (DEGs) between ds-1 and “Festina”. A Venn plot analysis showed 692 DEGs between ds-1—8d vs. “Festina”—8d and ds-1—16d vs. “Festina”—16d. A KEGG enrichment analysis showed that these 692 genes were mainly enriched in 86 pathways, including those related to the photosynthesis antenna protein, plant hormone signal transduction, MAPK signaling, starch and sucrose metabolism, and arginine and proline metabolism. Further screening identified genes that may be associated with drought stress, including PYL, PP2C, SnRK2, ABF, BRI1, JAZ, MYC2, Lhc, and MPK6. The qRT-PCR results indicated that the expression trends of the DEGs were consistent with the transcriptome sequencing results. Our research results can provide a basis for exploring candidate genes for drought tolerance in blue fescue. In addition, our research results provide valuable genetic resources for the development of drought-resistant ornamental grass varieties, which can help reduce water consumption in cities and decrease labor and capital investment. Full article
Show Figures

Figure 1

15 pages, 2880 KB  
Article
Double-Layered Microphysiological System Made of Polyethylene Terephthalate with Trans-Epithelial Electrical Resistance Measurement Function for Uniform Detection Sensitivity
by Naokata Kutsuzawa, Hiroko Nakamura, Laner Chen, Ryota Fujioka, Shuntaro Mori, Noriyuki Nakatani, Takahiro Yoshioka and Hiroshi Kimura
Biosensors 2025, 15(10), 663; https://doi.org/10.3390/bios15100663 (registering DOI) - 2 Oct 2025
Viewed by 223
Abstract
Microphysiological systems (MPSs) have emerged as alternatives to animal testing in drug development, following the FDA Modernization Act 2.0. Double-layer channel-type MPS chips with porous membranes are widely used for modeling various organs, including the intestines, blood–brain barrier, renal tubules, and lungs. However, [...] Read more.
Microphysiological systems (MPSs) have emerged as alternatives to animal testing in drug development, following the FDA Modernization Act 2.0. Double-layer channel-type MPS chips with porous membranes are widely used for modeling various organs, including the intestines, blood–brain barrier, renal tubules, and lungs. However, these chips faced challenges owing to optical interference caused by light scattering from the porous membrane, which hinders cell observation. Trans-epithelial electrical resistance (TEER) measurement offers a non-invasive method for assessing barrier integrity in these chips. However, existing electrode-integrated MPS chips for TEER measurement have non-uniform current densities, leading to compromised measurement accuracy. Additionally, chips made from polydimethylsiloxane have been associated with drug absorption issues. This study developed an electrode-integrated MPS chip for TEER measurement with a uniform current distribution and minimal drug absorption. Through a finite element method simulation, electrode patterns were optimized and incorporated into a polyethylene terephthalate (PET)-based chip. The device was fabricated by laminating PET films, porous membranes, and patterned gold electrodes. The chip’s performance was evaluated using a perfused Caco-2 intestinal model. TEER levels increased and peaked on day 5 when cells formed a monolayer, and then they decreased with the development of villi-like structures. Concurrently, capacitance increased, indicating microvilli formation. Exposure to staurosporine resulted in a dose-dependent reduction in TEER, which was validated by immunostaining, indicating a disruption of the tight junction. This study presents a TEER measurement MPS platform with a uniform current density and reduced drug absorption, thereby enhancing TEER measurement reliability. This system effectively monitors barrier integrity and drug responses, demonstrating its potential for non-animal drug-testing applications. Full article
Show Figures

Figure 1

23 pages, 2058 KB  
Article
Inductive Displacement Sensor Operating in an LC Oscillator System Under High Pressure Conditions—Basic Design Principles
by Janusz Nurkowski and Andrzej Nowakowski
Sensors 2025, 25(19), 6078; https://doi.org/10.3390/s25196078 - 2 Oct 2025
Viewed by 277
Abstract
The paper presents some design principles of an inductive displacement transducer for measuring the displacement of rock specimens under high hydrostatic pressure. It consists of a single-layer, coreless solenoid mounted directly onto the specimen and connected to an LC oscillator located outside the [...] Read more.
The paper presents some design principles of an inductive displacement transducer for measuring the displacement of rock specimens under high hydrostatic pressure. It consists of a single-layer, coreless solenoid mounted directly onto the specimen and connected to an LC oscillator located outside the pressure chamber, in which it serves as the inductive component. The specimen’s deformation changes the coil’s length and inductance, thereby altering the oscillator’s resonant frequency. Paired with a reference coil, the system achieves strain resolution of ~100 nm at pressures exceeding 400 MPa. Sensor design challenges include both electrical parameters (inductance and resistance of the sensor, capacitance of the resonant circuit) and mechanical parameters (number and diameter of coil turns, their positional stability, wire diameter). The basic requirement is to achieve stable oscillations (i.e., a high Q-factor of the resonant circuit) while maintaining maximum sensor sensitivity. Miniaturization of the sensor and minimizing the tensile force at its mounting points on the specimen are also essential. Improvement of certain sensor parameters often leads to the degradation of others; therefore, the design requires a compromise depending on the specific measurement conditions. This article presents the mathematical interdependencies among key sensor parameters, facilitating optimized sensor design. Full article
(This article belongs to the Topic AI Sensors and Transducers)
Show Figures

Figure 1

35 pages, 5230 KB  
Article
Electrochemical Performances of Li-Ion Batteries Based on LiFePO4 Cathodes Supported by Bio-Sourced Activated Carbon from Millet Cob (MC) and Water Hyacinth (WH)
by Wend-Waoga Anthelme Zemane and Oumarou Savadogo
Batteries 2025, 11(10), 361; https://doi.org/10.3390/batteries11100361 - 30 Sep 2025
Viewed by 378
Abstract
The electrochemical performance of Li-ion batteries employing LiFePO4 (LFP) cathodes supported by bio-sourced activated carbon derived from millet cob (MC) and water hyacinth (WH) were systematically investigated. Carbon activation was carried out using potassium hydroxide (KOH) at varying mass ratios of KOH [...] Read more.
The electrochemical performance of Li-ion batteries employing LiFePO4 (LFP) cathodes supported by bio-sourced activated carbon derived from millet cob (MC) and water hyacinth (WH) were systematically investigated. Carbon activation was carried out using potassium hydroxide (KOH) at varying mass ratios of KOH to precursor material: 1:1, 2:1, and 5:1 for both WH and MC-derived carbon. The physical properties (X-ray diffraction patterns, BET surface area, micropore and mesopore volume, conductivity, etc.) and electrochemical performance (specific capacity, discharge at various current rates, electrochemical impedance measurement, etc.) were determined. Material characterization revealed that the activated carbon derived from MC exhibits an amorphous structure, whereas that obtained from WH is predominantly crystalline. High specific surface areas were achieved with activated carbons synthesized using a low KOH-to-carbon mass ratio (1:1), reaching 413.03 m2·g−1 for WH and 216.34 m2·g−1 for MC. However, larger average pore diameters were observed at higher activation ratios (5:1), measuring 8.38 nm for KOH/WH and 5.28 nm for KOH/MC. For both biomass-derived carbons, optimal electrical conductivity was obtained at a 2:1 activation ratio, with values of 14.7 × 10−3 S·cm−1 for KOH/WH and 8.42 × 10−3 S·cm−1 for KOH/MC. The electrochemical performance of coin cells based on cathodes composed of 85% LiFePO4, 8% of these activated carbons, and 7% polyvinylidene fluoride (PVDF) as a binder, with lithium metal as the anode were studied. The LiFePO4/C (LFP/C) cathodes exhibited specific capacities of up to 160 mAh·g−1 at a current rate of C/12 and 110 mAh·g−1 at 5C. Both LFP/MC and LFP/WH cathodes exhibit optimal energy density at specific values of pore size, pore volume, charge transfer resistance (Rct), and diffusion coefficient (DLi), reflecting a favorable balance between ionic transport, accessible surface area, and charge conduction. Maximum energy densities relative to active mass were recorded at 544 mWh·g−1 for LFP/MC 2:1, 554 mWh·g−1 for LFP/WH 2:1, and 568 mWh·g−1 for the reference LFP/graphite system. These performance results demonstrate that the development of high-performing bio-sourced activated carbon depends on the optimization of various parameters, including chemical composition, specific surface area, pore volume and size distribution, as well as electrical conductivity. Full article
Show Figures

Figure 1

20 pages, 4712 KB  
Article
Waste Marble Slurry as Partial Substitution for Cement: Effect of Water-to-Cement Ratio
by Zoi S. Metaxa, Sevasti Koryfidou, Lazaros Grigoriadis, Effrosyni Christodoulou, Athanasios Ekmektsis and Athanasios C. Mitropoulos
Appl. Sci. 2025, 15(19), 10451; https://doi.org/10.3390/app151910451 - 26 Sep 2025
Viewed by 283
Abstract
This study investigates the potential of waste marble slurry as a partial replacement for ordinary Portland cement, with particular emphases on the influence of the water-to-cement (w/c) ratio and the objectives of determining the effect of water content and the optimum marble slurry [...] Read more.
This study investigates the potential of waste marble slurry as a partial replacement for ordinary Portland cement, with particular emphases on the influence of the water-to-cement (w/c) ratio and the objectives of determining the effect of water content and the optimum marble slurry concentration. Cement pastes were prepared with three w/c ratios (0.3, 0.4, and 0.5) and five substitution levels of marble slurry (0%, 5%, 10%, 15%, and 20%). Workability was assessed through mini slump flow tests, while mechanical performance was evaluated via compressive and flexural mechanical tests. The initial and final setting times were also investigated. Electrical resistivity measurements, combined with X-ray diffraction (XRD), Fourier-transform infrared spectroscopy (FTIR), and scanning electron microscopy (SEM), were used to examine chemical composition and microstructure. Results showed that marble slurry behaves as an inert filler, rather than a reactive component. Its incorporation, up to 10%, significantly improves the fresh properties and mechanical performance of mixes with higher w/c ratios (0.4 and 0.5). At lower w/c ratios (0.3), strength was adversely affected due to insufficient hydration. Electrical resistivity measurements indicated that pastes with w/c = 0.5 and up to 10% slurry replacement became slightly more resistant to electrical current, whereas mixes with lower w/c ratios (0.3 and 0.4) showed only minor reductions at 5% and 10% cement substitution. SEM imaging demonstrated a denser microstructure when marble slurry was incorporated, consistent with a filler effect. Marble slurry was also found to accelerate the setting of cement pastes, an effect most evident at lower w/c ratios and higher substitution levels. Overall, the findings highlight that waste marble slurry can be effectively utilized at moderate replacement levels in cement-based materials, contributing to sustainable construction practices by reducing cement consumption and marble waste disposal. Full article
Show Figures

Figure 1

19 pages, 3344 KB  
Article
Grease Film Behavior in Ball Bearings
by Denis Cojocaru, Gelu Ianuș, Vlad Cârlescu, Bogdan Chiriac and Dumitru Olaru
Lubricants 2025, 13(10), 429; https://doi.org/10.3390/lubricants13100429 - 25 Sep 2025
Viewed by 339
Abstract
To the film thicknesses of grease-lubricated ball bearings, the viscosity of the base oil is considered in the Elastohydrodynamic Lubrication (EHL) equations. For very low speeds, the grease film thickness is much larger than the calculated base oil film thickness. Initially, the grease [...] Read more.
To the film thicknesses of grease-lubricated ball bearings, the viscosity of the base oil is considered in the Elastohydrodynamic Lubrication (EHL) equations. For very low speeds, the grease film thickness is much larger than the calculated base oil film thickness. Initially, the grease film thickness decreases with speed to a minimum value, followed by an increase, thus generating a “V-shape pattern”. To evidence this behavior of grease film in a ball bearing, the authors used the method of measuring electrical resistance. Using an oil with a viscosity close to a grease base oil viscosity, a relationship was obtained between the electrical resistance of the ball bearing and the average film thickness in the ball–race contacts. Based on this relationship, the variation in the grease film thickness was obtained by measuring electrical resistance at a bearing speed between 1 and 500 rpm for short running periods of 60 s. A “V-shape pattern” was evidenced with a minimum value of grease film thickness at around 10 rpm. Additionally, the electrical resistance methodology was considered, evidencing the good stability of the film thickness for long operation time at speeds between 200 rpm and 1500 rpm. After 8 running hours, minor fragmentation of the soap filaments was observed under the scanning electron microscope compared to the fresh grease structure, without affecting the thickness of the grease film. Full article
Show Figures

Figure 1

15 pages, 2035 KB  
Article
Real-Time Technique for Semiconductor Material Parameter Measurement Under Continuous Neutron Irradiation with High Integral Fluence
by Ivan S. Vasil’evskii, Aleksey N. Klochkov, Pavel V. Nekrasov, Aleksander N. Vinichenko, Nikolay I. Kargin, Almas Yskakov, Maksim V. Bulavin, Aleksey V. Galushko, Askhat Bekbayev, Bagdaulet Mukhametuly, Elmira Myrzabekova, Nurdaulet Shegebayev, Dana Kulikbayeva, Rassim Nurulin, Aru Nurkasova and Ruslan Baitugulov
Electronics 2025, 14(19), 3802; https://doi.org/10.3390/electronics14193802 - 25 Sep 2025
Viewed by 289
Abstract
The degradation of the electronic properties of semiconductor materials and electronic devices under neutron irradiation is a critical issue for the development of electronic systems intended for use in nuclear and thermonuclear energy facilities. This study presents a methodology for real-time measurement of [...] Read more.
The degradation of the electronic properties of semiconductor materials and electronic devices under neutron irradiation is a critical issue for the development of electronic systems intended for use in nuclear and thermonuclear energy facilities. This study presents a methodology for real-time measurement of the electrical parameters of semiconductor structures during neutron irradiation in a high-flux reactor environment. A specially designed irradiation fixture with an electrical measurement system was developed and implemented at the WWR-K research reactor. The system enables simultaneous measurement of electrical conductivity and the Hall effect, with automatic temperature control and remote data acquisition. The sealed fixture, equipped with radiation-resistant wiring and a temperature control, allows for continuous measurement of remote material properties at neutron fluences exceeding 1018 cm−2, eliminating the limitations associated with post-irradiation handling of radioactive samples. The technique was successfully applied to the two different InGaAs-based heterostructures, revealing distinct mechanisms of radiation-induced modification: degradation of mobility and carrier concentration in the InGaAs quantum well structure on GaAs substrate, and transmutation-induced doping effects in the heterostructure on InP substrate. The developed methodology provides a reliable platform for evaluating radiation resistance and optimizing materials for magnetic sensors and electronic components designed for high-radiation environments. Full article
(This article belongs to the Special Issue Radiation Effects on Advanced Electronic Devices and Circuits)
Show Figures

Graphical abstract

14 pages, 1486 KB  
Article
Optically Controlled Bias-Free Frequency Reconfigurable Antenna
by Karam Mudhafar Younus, Khalil Sayidmarie, Kamel Sultan and Amin Abbosh
Sensors 2025, 25(19), 5951; https://doi.org/10.3390/s25195951 - 24 Sep 2025
Viewed by 364
Abstract
A bias-free antenna tuning technique that eliminates conventional DC biasing networks is presented. The tuning mechanism is based on a Light-Dependent Resistor (LDR) embedded within the antenna structure. Optical illumination is used to modulate the LDR’s resistance, thereby altering the antenna’s effective electrical [...] Read more.
A bias-free antenna tuning technique that eliminates conventional DC biasing networks is presented. The tuning mechanism is based on a Light-Dependent Resistor (LDR) embedded within the antenna structure. Optical illumination is used to modulate the LDR’s resistance, thereby altering the antenna’s effective electrical length and enabling tuning of its resonant frequency and operating bands. By removing the need for bias lines, RF chokes, blocking capacitors, and control circuitry, the proposed approach minimizes parasitic effects, losses, biasing energy, and routing complexity. This makes it particularly suitable for compact and energy-constrained platforms, such as Internet of Things (IoT) devices. As proof of concept, an LDR is integrated into a ring monopole antenna, achieving tri-band operation in both high and low resistance states. In the high-resistance (OFF) state, the fabricated prototype operates across 2.1–3.1 GHz, 3.5–4 GHz, and 5–7 GHz. In the low-resistance (ON) state, the LDR bridges the two arcs of the monopole, extending the current path and shifting the lowest band to 1.36–2.35 GHz, with only minor changes to the mid and upper bands. The antenna maintains linear polarization across all bands and switching states, with measured gains reaching up to 5.3 dBi. Owing to its compact, bias-free, and low-cost architecture, the proposed design is well-suited for integration into portable wireless devices, low-power IoT nodes, and rapidly deployable communications systems where electrical biasing is impractical. Full article
(This article belongs to the Special Issue Microwave Components in Sensing Design and Signal Processing)
Show Figures

Figure 1

17 pages, 3704 KB  
Article
Study on the Charge Characteristics and Migration Characteristics of Amorphous Alloy Core Debris
by Wenxu Yu and Xiangyu Guan
Materials 2025, 18(18), 4415; https://doi.org/10.3390/ma18184415 - 22 Sep 2025
Viewed by 290
Abstract
Compared with a traditional distribution transformer with silicon steel sheet as the core material, the no-load loss of an amorphous alloy transformer is greatly reduced due to its core using iron-based amorphous metal material, which has been applied in many countries. However, due [...] Read more.
Compared with a traditional distribution transformer with silicon steel sheet as the core material, the no-load loss of an amorphous alloy transformer is greatly reduced due to its core using iron-based amorphous metal material, which has been applied in many countries. However, due to the brittleness of its amorphous strip, an amorphous alloy transformer is prone to debris in the process of production, transportation and work. The charge and migration characteristics of these debris will reduce the insulation strength of the transformer oil and endanger the safe operation of the transformer. In this paper, a charge measurement platform of amorphous alloy debris is set up, and the charging characteristics of amorphous alloy core debris under different flow velocities, particle radius and plate electric field strength are obtained. The results show that with an increase in pipeline flow velocity, the charge-to-mass ratio of the debris increases first and then decreases. With an increase in electric field strength, the charge-to-mass ratio of the debris increases; with an increase in the number of debris, the charge-to-mass ratio of the debris decreases; with an increase in debris size, the charge-to-mass ratio of the debris increases. The debris with different charge-to-mass ratios and types obtained from the above experiments are added to the simulation model of an amorphous alloy transformer. The lattice Boltzmann method (LBM) coupled with the discrete element method (DEM) is used to simulate the migration process of metal particles in an amorphous alloy transformer under the combined action of gravity, buoyancy, electric field force and oil flow resistance under electrothermal excitation boundary. The results show that the trajectory of the debris is related to the initial position, electric field strength and oil flow velocity. The LBM–DEM calculation model and charge measurement platform proposed in this paper can provide a reference for studying the charge mechanism and migration characteristics of amorphous alloy core debris in insulating oil. Full article
(This article belongs to the Section Metals and Alloys)
Show Figures

Figure 1

18 pages, 4035 KB  
Article
Application of a Multi-Frequency Electromagnetic Method for Boundary Detection of Isolated Permafrost
by Yi Wu, Changlei Dai, Yunhu Shang, Lei Yang, Kai Gao and Wenzhao Xu
Sensors 2025, 25(18), 5907; https://doi.org/10.3390/s25185907 - 21 Sep 2025
Viewed by 374
Abstract
Isolated permafrost is widely distributed in freeze–thaw transition zones, characterized by blurred boundaries and strong spatial variability. Traditional methods such as drilling and electrical resistivity surveys are often limited in achieving efficient and continuous boundary identification. This study focuses on a typical isolated [...] Read more.
Isolated permafrost is widely distributed in freeze–thaw transition zones, characterized by blurred boundaries and strong spatial variability. Traditional methods such as drilling and electrical resistivity surveys are often limited in achieving efficient and continuous boundary identification. This study focuses on a typical isolated permafrost region in Northeast China and proposes a boundary detection strategy based on multi-frequency electromagnetic (EM) measurements using the GEM-2 sensor. By designing multiple frequency combinations and applying joint inversion, a boundary identification framework was developed and validated against borehole data. Results show that the multi-frequency joint inversion method improves the spatial identification accuracy of permafrost boundaries compared to traditional point-based techniques. In areas lacking boreholes, the method still demonstrates coherent boundary imaging and strong adaptability to geomorphological conditions. The multi-frequency joint inversion strategy significantly enhances imaging continuity and effectively captures electrical variations in complex freeze–thaw transition zones. Overall, this study establishes a complete non-invasive technical workflow—“acquisition–inversion–validation–imaging”—providing an efficient and scalable tool for engineering site selection, foundation design, and permafrost degradation monitoring. It also offers a methodological paradigm for electromagnetic frequency optimization and subsurface electrical boundary modeling. Full article
(This article belongs to the Section Electronic Sensors)
Show Figures

Figure 1

Back to TopTop