A Circuit Model of a Charged Water Body Based on the Fractional Order Resistance-Capacitance Network
Abstract
1. Introduction
2. Preliminary Knowledge
2.1. Fractional Calculus
2.2. Definition of Caputo Fractional Calculus
3. RC Network-Based Model
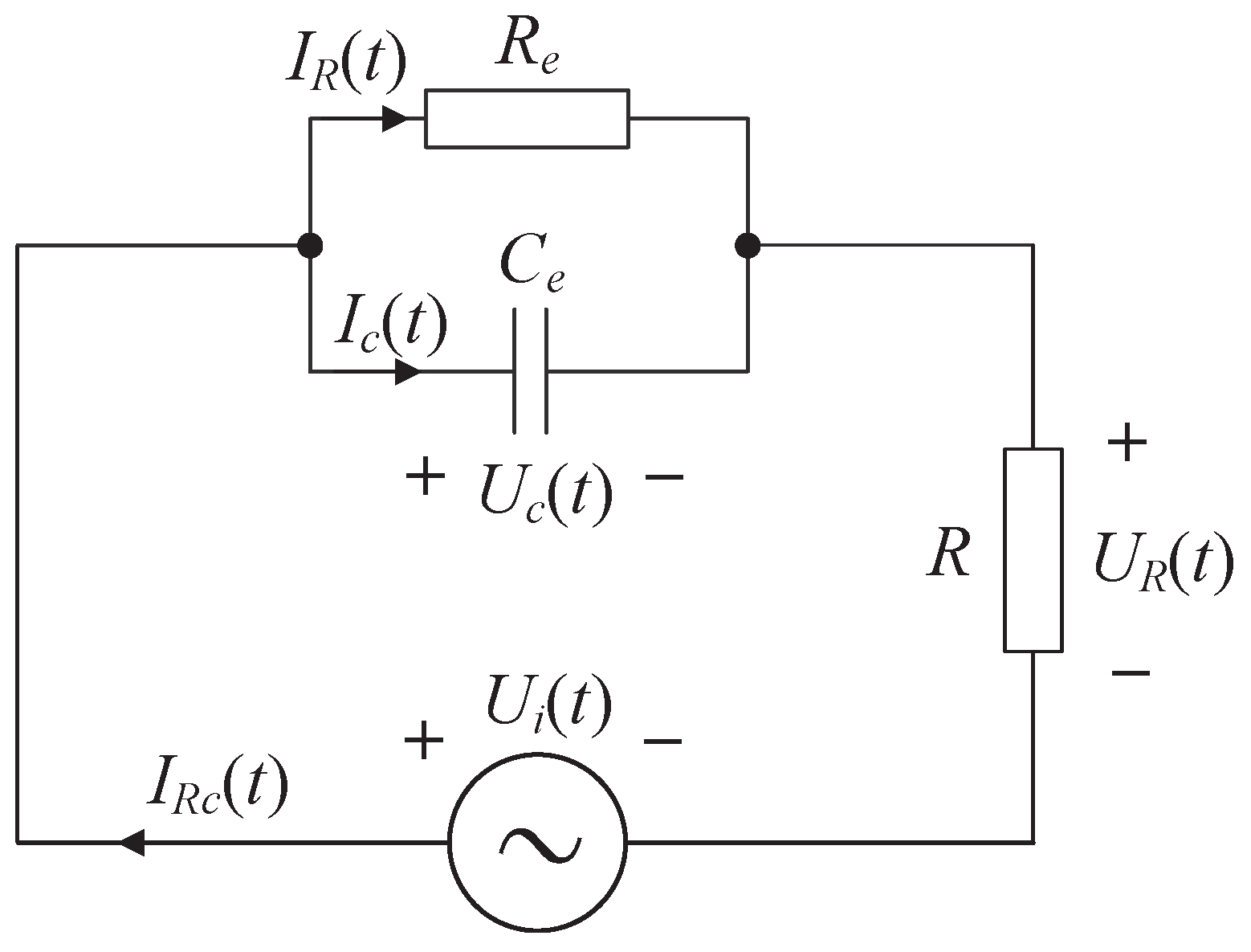
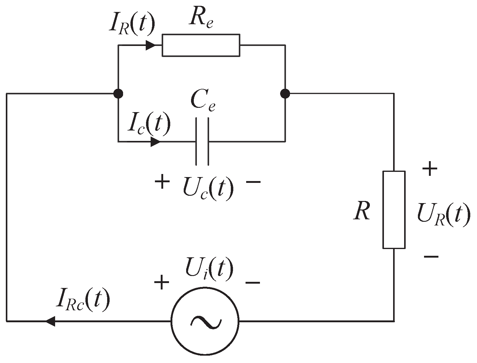
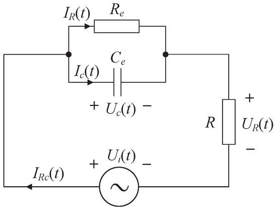
3.1. Basic Unit
3.2. Node Mathematical Model
3.3. Node Classification and Boundary Conditions
- A.
- Internal Nodes
- (1)
- Internal passive node:
- (2)
- Internal active node:
- (3)
- Internal grounded node:
- B.
- Upper Boundary Nodes
- (1)
- Upper boundary grounded node:
- (2)
- Upper boundary insulated node:
- C.
- Lower Boundary Nodes
- (1)
- Lower boundary grounded node:
- (2)
- Lower boundary insulated node:
- D.
- Solution for for node state variables
4. Model Parameter Acquisition
4.1. Network Setup
4.2. Acquisition of Resistance R
4.3. Acquisition of Capacitance C and Fractional Order
5. Model Verification
6. Conclusions
Author Contributions
Funding
Data Availability Statement
Conflicts of Interest
References
- Giri, S.; Waghmode, A.; Tumram, N.K. Study of different facets of electrocution deaths: A 5-year review. Egypt. J. Forensic Sci. 2019, 9, 1. [Google Scholar] [CrossRef]
- Pongyart, N.; Somboon, T.; Weerasakul, W.; Buaprathoom, S.; Buaprathoom, J. Development of an Autonomous Robotic Boat for Localization of Electricity Leakage in Water. In Proceedings of the 2023 Research, Invention, and Innovation Congress: Innovative Electricals and Electronics (RI2C), Bangkok, Thailand, 24–25 August 2023; IEEE: Piscataway, NJ, USA, 2023; pp. 143–146. [Google Scholar]
- Kadan-Jamal, K.; Jog, A.; Sophocleous, M.; Desagani, D.; Teig-Sussholz, O.; Georgiou, J.; Avni, A.; Shacham-Diamand, Y. A study on the dielectric behaviour of plant cell suspensions using wideband electrical impedance spectroscopy (WB-EIS). In Proceedings of the 2020 IEEE SENSORS, Rotterdam, The Netherlands, 25–28 October 2020; IEEE: Piscataway, NJ, USA, 2020; pp. 1–4. [Google Scholar]
- Hlova, A.; Litynskyy, S.; Muzychuk, Y.; Muzychuk, A. Numerical solution of initial boundary-value problem for homogeneous wave equation with dynamic boundary conditions using Laguerre transform on time variable and boundary element method. In Proceedings of the 2021 IEEE 26th International Seminar/Workshop on Direct and Inverse Problems of Electromagnetic and Acoustic Wave Theory (DIPED), Tbilisi, Georgia, 8–10 September 2021; IEEE: Piscataway, NJ, USA, 2021; pp. 222–227. [Google Scholar]
- Rao, S.S. The Finite Element Method in Engineering; Elsevier: Amsterdam, The Netherlands, 2010. [Google Scholar]
- Meng, R.; Cao, L.; Zhang, Q. Study on the performance of variable-order fractional viscoelastic models to the order function parameters. Appl. Math. Model. 2023, 121, 430–444. [Google Scholar] [CrossRef]
- Grabowski, D.; Jakubowska-Ciszek, A.; Klimas, M. Fractional-Order Model of Electric Arc Furnace. IEEE Trans. Power Deliv. 2023, 38, 3761–3770. [Google Scholar] [CrossRef]
- Sun, H.; Zhang, Y.; Baleanu, D.; Chen, W.; Chen, Y. A new collection of real world applications of fractional calculus in science and engineering. Commun. Nonlinear Sci. Numer. Simulat. 2018, 64, 219–231. [Google Scholar] [CrossRef]
- Lenzi, E.; Zola, R.; Rossato, R.; Ribeiro, H.; Vieira, D.; Evangelista, L. Asymptotic behaviors of the Poisson-Nernst-Planck model, generalizations and best adjust of experimental data. Sci. Rep. 2017, 226, 40–45. [Google Scholar] [CrossRef]
- Rasoolzadeh, A.; Hashemi, S.A.; Pahlevani, M. A fractional-order state estimation method for supercapacitor energy storage. Electronics 2025, 14, 3231. [Google Scholar] [CrossRef]
- Fouda, M.; Elwakil, A.; Radwan, A.; Allagui, A. Power and energy analysis of fractional-order electrical energy storage devices. Energy 2016, 111, 785–792. [Google Scholar] [CrossRef]
- Elwakil, A.; Radwan, A.; Freeborn, T.; Allagui, A.; Maundy, B.; Fouda, M. Low-voltage commercial super-capacitor response to periodic linear-with-time current excitation: A case study. IET Circ. Dev. Syst. 2017, 11, 189–195. [Google Scholar] [CrossRef]
- Zhang, Q.; Wei, K. A comparative study of fractional-order models for supercapacitors in electric vehicles. Int. J. Electrochem. Sci. 2024, 19, 100441. [Google Scholar] [CrossRef]
- Podlubny, I. Fractional Differential Equations; Academic Press: New York, NY, USA, 1999. [Google Scholar]
- Fu, B.; Freeborn, T. Electrical equivalent network modeling of forearm tissue bioimpedance. In Proceedings of the 2019 SoutheastCon, Huntsville, AL, USA, 11–14 April 2019; IEEE: Piscataway, NJ, USA, 2019; pp. 1–7. [Google Scholar]
- Aouane, S.; Claverie, R.; Techer, D.; Durickovic, I.; Rousseau, L.; Poulichet, P.; Francais, O. Cole-Cole parameter extraction from electrical impedance spectroscopy for real-time monitoring of vegetal tissue: Case study with a single celery stalk. In Proceedings of the 2021 International Workshop on Impedance Spectroscopy (IWIS), Chemnitz, Germany, 9 September–1 October 2021; IEEE: Piscataway, NJ, USA, 2021; pp. 48–51. [Google Scholar]
- AboBakr, A.; Mohsen, M.; Said, L.A.; Madian, A.H.; Elwakil, A.S.; Radwan, A.G. Banana ripening and corresponding variations in bio-impedance and glucose levels. In Proceedings of the 2019 Novel Intelligent and Leading Emerging Sciences Conference (NILES), Giza, Egypt, 28–30 October 2019; IEEE: Piscataway, NJ, USA, 2019; Volume 1, pp. 130–133. [Google Scholar]
- Mahata, S.; Ghosh, A.; Kar, R.; Mandal, D.; Saha, S. Approximation of fractional order wood tissue impedance model using flower pollination algorithm. In Proceedings of the 2018 15th International Conference on Electrical Engineering/Electronics, Computer, Telecommunications and Information Technology (ECTI-CON), Chiang Rai, Thailand, 18–21 July 2018; IEEE: Piscataway, NJ, USA, 2018; pp. 664–667. [Google Scholar]
- Aboalnaga, B.M.; Said, L.A.; Madian, A.H.; Elwakil, A.S.; Radwan, A.G. Cole Bio-Impedance Model Variations in Daucus Carota Sativus Under Heating and Freezing Conditions. IEEE Access 2019, 7, 113254–113263. [Google Scholar] [CrossRef]
- Chen, Y. Impulse Response Invariant Discretization of Fractional Order Integrators/Differentiators. Filter Design and Analysis, MATLAB Central. 2008. Available online: http://www.mathworks.com/matlabcentral/fileexchange/21342-impulse-response-invariant-discretization-of-fractional-order-integrators-differentiators (accessed on 22 September 2025).
- Simić, M.; Freeborn, T.J.; Veletić, M.; Seoane, F.; Stojanović, G.M. Parameter Estimation of the Single-Dispersion Fractional Cole-Impedance Model With the Embedded Hardware. IEEE Sens. J. 2023, 23, 12978–12987. [Google Scholar] [CrossRef]
- De Santis, V.; Martynyuk, V.; Lampasi, A.; Fedula, M.; Ortigueira, M.D. Fractional-order circuit models of the human body impedance for compliance tests against contact currents. AEU-Int. J. Electron. Commun. 2017, 78, 238–244. [Google Scholar] [CrossRef]



























Disclaimer/Publisher’s Note: The statements, opinions and data contained in all publications are solely those of the individual author(s) and contributor(s) and not of MDPI and/or the editor(s). MDPI and/or the editor(s) disclaim responsibility for any injury to people or property resulting from any ideas, methods, instructions or products referred to in the content. |
© 2025 by the authors. Licensee MDPI, Basel, Switzerland. This article is an open access article distributed under the terms and conditions of the Creative Commons Attribution (CC BY) license (https://creativecommons.org/licenses/by/4.0/).
Share and Cite
Liu, S.; Zeng, Y.; Zheng, W.; Lin, W.; Lin, M. A Circuit Model of a Charged Water Body Based on the Fractional Order Resistance-Capacitance Network. Electronics 2025, 14, 3975. https://doi.org/10.3390/electronics14203975
Liu S, Zeng Y, Zheng W, Lin W, Lin M. A Circuit Model of a Charged Water Body Based on the Fractional Order Resistance-Capacitance Network. Electronics. 2025; 14(20):3975. https://doi.org/10.3390/electronics14203975
Chicago/Turabian StyleLiu, Shisheng, Yonghao Zeng, Weijia Zheng, Weijian Lin, and Meijin Lin. 2025. "A Circuit Model of a Charged Water Body Based on the Fractional Order Resistance-Capacitance Network" Electronics 14, no. 20: 3975. https://doi.org/10.3390/electronics14203975
APA StyleLiu, S., Zeng, Y., Zheng, W., Lin, W., & Lin, M. (2025). A Circuit Model of a Charged Water Body Based on the Fractional Order Resistance-Capacitance Network. Electronics, 14(20), 3975. https://doi.org/10.3390/electronics14203975

