Sign in to use this feature.

Years

Between: -

Subjects

remove_circle_outline
remove_circle_outline
remove_circle_outline
remove_circle_outline
remove_circle_outline
remove_circle_outline
remove_circle_outline
remove_circle_outline
remove_circle_outline

Journals

Article Types

Countries / Regions

Search Results (66)

Search Parameters:
Keywords = choice overload

Order results
Result details
Results per page
Select all
Export citation of selected articles as:
22 pages, 7015 KB  
Article
Induction Motor Fault Diagnosis Using Low-Cost MEMS Acoustic Sensors and Multilayer Neural Networks
by Seon Min Yoo, Hwi Gyo Lee, Wang Ke Hao and In Soo Lee
Appl. Sci. 2025, 15(17), 9379; https://doi.org/10.3390/app15179379 - 26 Aug 2025
Viewed by 656
Abstract
Induction motors are the dominant choice in industrial applications due to their robustness, structural simplicity, and high reliability. However, extended operation under extreme conditions, such as high temperatures, overload, and contamination, accelerates the degradation of internal components and increases the likelihood of faults. [...] Read more.
Induction motors are the dominant choice in industrial applications due to their robustness, structural simplicity, and high reliability. However, extended operation under extreme conditions, such as high temperatures, overload, and contamination, accelerates the degradation of internal components and increases the likelihood of faults. These faults are challenging to detect, as they typically develop gradually without clear external indicators. To address this issue, the present study proposes a cost-effective fault diagnosis system utilizing low-cost MEMS acoustic sensors in conjunction with a lightweight multilayer neural network (MNN). The same MNN architecture is employed to systematically compare three types of input feature representations: raw time-domain waveforms, FFT-based statistical features, and PCA-compressed FFT features. A total of 5040 samples were used to train, validate, and test the model for classifying three conditions: normal, rotor fault, and bearing fault. The time-domain approach achieved 90.6% accuracy, misclassifying 102 samples. In comparison, FFT-based statistical features yielded 99.8% accuracy with only two misclassifications. The FFT + PCA method produced similar performance while reducing dimensionality, making it more suitable for resource-constrained environments. These results demonstrate that acoustic-based fault diagnosis provides a practical and economical solution for industrial applications. Full article
(This article belongs to the Special Issue Artificial Intelligence in Machinery Fault Diagnosis)
Show Figures

Figure 1

14 pages, 732 KB  
Article
Application of Fuzzy AHP for Medication Decision Making in Iron-Chelating Medications for Thalassemia
by Saeed Barzegari, Hosein Rostamian, Ehsan Firoozi-Majd and Ibrahim Arpaci
Pharmacy 2025, 13(3), 86; https://doi.org/10.3390/pharmacy13030086 - 15 Jun 2025
Viewed by 631
Abstract
Iron overload is a significant concern for patients with thalassemia and often necessitates the use of iron-chelating agents to mitigate the associated complications. Selecting the most appropriate chelation therapy from the available options is a complex decision for healthcare professionals. To support this [...] Read more.
Iron overload is a significant concern for patients with thalassemia and often necessitates the use of iron-chelating agents to mitigate the associated complications. Selecting the most appropriate chelation therapy from the available options is a complex decision for healthcare professionals. To support this decision-making process, this study investigates the application of the “Fuzzy Analytic Hierarchy Process” (FAHP) for medication selection in thalassemia patients requiring iron-chelation therapy. In this study, 20 hematologists participated, and matrices related to the FAHP model were used to evaluate three primary iron chelators: deferoxamine, deferasirox, and deferiprone. The results revealed that deferiprone was the most effective choice, while deferasirox outperformed the others in terms of cost and patient satisfaction. Notably, deferoxamine exhibits the highest rate of side effects, followed by deferiprone and deferasirox. The results obtained from the FAHP analysis indicated a consensus among experts and highlighted deferasirox as the optimal choice for treating chronic iron overload in thalassemia patients. The study demonstrates the practical applicability of the FAHP methodology in guiding informed decisions for iron-chelation therapy. It provides insights to help healthcare professionals optimize treatment strategies for patients with thalassemia. Full article
Show Figures

Figure 1

24 pages, 552 KB  
Review
The Effects of Nudging on Diversity and Inclusion: A Systematic Literature Review
by Sara Mikaeili and Marco Tagliabue
Soc. Sci. 2025, 14(6), 325; https://doi.org/10.3390/socsci14060325 - 23 May 2025
Viewed by 2310
Abstract
Diversity and inclusion in organizational settings are still under-researched themes despite their societal relevance. In this preregistered systematic literature review, we examine how nudging as an agency-preserving intervention tool can create a more inclusive and diverse workplace. Nudging is rooted in behavioral economics [...] Read more.
Diversity and inclusion in organizational settings are still under-researched themes despite their societal relevance. In this preregistered systematic literature review, we examine how nudging as an agency-preserving intervention tool can create a more inclusive and diverse workplace. Nudging is rooted in behavioral economics and aims to influence decision-making processes without restricting freedom of choice. Inclusion refers to creating a work environment where everyone feels valued and encouraged to contribute. Diversity reaches beyond demographic factors, fostering more innovative and creative organizational practices, and better decisions. We searched for applications nudging towards diversity and inclusion initiatives at the workplace in four databases: PsycINFO, Scopus, EBSCOhost, and Web of Science. Peer-reviewed articles published in the last 15 years were included regardless of article type in organizational settings were included. Nine studies met our inclusion criteria. Based on their findings, we show a positive association between the use of nudging techniques to create more inclusive and diverse workplaces and advance a classification of nudge types in this domain. We discuss the importance of being aware of the potential drawbacks and negative consequences of using nudging interventions. Potential drawbacks that may arise include lack of autonomy and overload. Further research is needed to explore which nudging techniques are most effective in promoting diversity and inclusion. Full article
Show Figures

Figure 1

14 pages, 1356 KB  
Article
Weigh-In-Motion Placement for Overloaded Truck Enforcement Considering Traffic Loadings and Disruptions
by Yunkyeong Jung, Daijiro Mizutani and Jinwoo Lee
Sustainability 2025, 17(3), 826; https://doi.org/10.3390/su17030826 - 21 Jan 2025
Viewed by 1761
Abstract
Overloaded trucks directly contribute to road infrastructure deterioration and undermine safety, posing significant challenges to sustainability. This makes enforcement to reduce their numbers and impacts essential. Weigh-in-motion (WIM) systems use road-embedded sensors to measure truck weights and enforce regulations. However, WIM cannot be [...] Read more.
Overloaded trucks directly contribute to road infrastructure deterioration and undermine safety, posing significant challenges to sustainability. This makes enforcement to reduce their numbers and impacts essential. Weigh-in-motion (WIM) systems use road-embedded sensors to measure truck weights and enforce regulations. However, WIM cannot be installed on all routes, and some overloaded truck drivers can detour to avoid them instead of giving up overloading if the detour penalty is still lower than the extra profit from overloading. This paper focuses on optimal WIM location planning for overloaded truck management, incorporating a demand shift and user equilibrium model based on the utility functions of overloaded and non-overloaded trucks. The presented framework includes an upper-level problem for WIM placement and a lower-level problem for demand shifts and traffic assignments among overloaded trucks, non-overloaded trucks, and light-duty vehicles for a given WIM placement. Particularly, at the upper level, the primary objective is to minimize the traffic loadings, i.e., the expected equivalent single-axle load–kilometers per unit time, with the secondary objective of minimizing the total traffic disruptions over the target network. Simulations and sensitivity analyses are conducted through a numerical example. Consequently, this study proposes an optimal WIM placement framework that considers drivers’ utility-based route choice and social costs such as ESAL and traffic congestion. Full article
(This article belongs to the Section Sustainable Transportation)
Show Figures

Figure 1

18 pages, 616 KB  
Review
Fluids, Vasopressors, and Inotropes to Restore Heart–Vessel Coupling in Sepsis: Treatment Options and Perspectives
by Francesca Innocenti, Vittorio Palmieri and Riccardo Pini
Anesth. Res. 2024, 1(2), 128-145; https://doi.org/10.3390/anesthres1020013 - 14 Sep 2024
Cited by 1 | Viewed by 2283
Abstract
Sepsis is a complex syndrome with heterogeneous clinical presentation and outcome, characterized by an abnormal inflammatory response, potentially leading to multiorgan damage and hemodynamic instability. Early resuscitation with fluids and timely control of the source of sepsis are key treatment targets in septic [...] Read more.
Sepsis is a complex syndrome with heterogeneous clinical presentation and outcome, characterized by an abnormal inflammatory response, potentially leading to multiorgan damage and hemodynamic instability. Early resuscitation with fluids and timely control of the source of sepsis are key treatment targets in septic patients. Recommendations on when to add vasopressors and inotropes are mostly empirical and anecdotal, therefore remaining a topic of debate. This narrative review was developed to present and discuss current options in the early management of hemodynamic derangement induced by sepsis. We discuss the strengths and drawbacks of the recommended treatment with fluids and how to optimize volume resuscitation in order to avoid fluid overload or under-resuscitation. The choice and timing of vasopressor use represent hot topics in the early management of septic patients. We describe the advantages and limitations of the early introduction of vasopressors and new catecholamine-sparing strategies. We conclude with a description of the inotropes, considering that the heart plays a key role in the pathophysiology of septic shock. Full article
Show Figures

Figure 1

13 pages, 475 KB  
Article
Mate Choice Plurality, Choice Overload, and Singlehood: Are More Options Always Better?
by Menelaos Apostolou, Loukia Constantinidou and Antonios Kagialis
Behav. Sci. 2024, 14(8), 703; https://doi.org/10.3390/bs14080703 - 12 Aug 2024
Cited by 2 | Viewed by 3329
Abstract
A lack of options can make it challenging for individuals to find a desirable intimate partner. Conversely, an abundance of choices might lead to mate choice overload, making it difficult to determine the most suitable match. Additionally, having numerous alternatives after entering a [...] Read more.
A lack of options can make it challenging for individuals to find a desirable intimate partner. Conversely, an abundance of choices might lead to mate choice overload, making it difficult to determine the most suitable match. Additionally, having numerous alternatives after entering a relationship could undermine its stability by decreasing satisfaction with the current partner. The present research aimed to examine the effects of mate choice plurality on singlehood status and the willingness to stay in a relationship within the Greek cultural context. Specifically, we employed closed-ended questionnaires, which included instruments developed using AI, with a sample of 804 Greek-speaking participants. We found that participants who perceived they had a wider range of potential romantic partners reported a lower likelihood of being single. Furthermore, more perceived mate choices were associated with fewer years spent as single. However, mate choice plurality was also linked to higher choice overload, which, in turn, increased the likelihood of being single rather than in an intimate relationship. Moreover, more perceived mate choices were associated with more regrets about being in the current relationship. These regrets were linked to lower relationship satisfaction and ultimately contributed to a decreased willingness to stay in the relationship. Notably, this indirect effect was significant only for male participants. Full article
(This article belongs to the Special Issue Psychology of Mate Choice, Romantic Relationships and Sexuality)
Show Figures

Figure 1

23 pages, 2873 KB  
Article
Optimization Design of Permanent Magnet Synchronous Motor Based on Multi-Objective Artificial Hummingbird Algorithm
by Shaoru Zhang, Hui Yan, Likun Yang, Hua Zhao, Xiuju Du and Jielu Zhang
Actuators 2024, 13(7), 243; https://doi.org/10.3390/act13070243 - 27 Jun 2024
Cited by 5 | Viewed by 2322
Abstract
The interior permanent magnet synchronous motor (IPMSM) is known for its high output torque, strong overload capacity, and high power density, making it a popular choice in the electric vehicle industry. This paper proposes an improved multi-objective artificial hummingbird algorithm that combines chaotic [...] Read more.
The interior permanent magnet synchronous motor (IPMSM) is known for its high output torque, strong overload capacity, and high power density, making it a popular choice in the electric vehicle industry. This paper proposes an improved multi-objective artificial hummingbird algorithm that combines chaotic mapping, adaptive weights, and dynamic crowding entropy. An optimization strategy that combines the Taguchi method with the Improved Multi-Objective Artificial Hummingbird Algorithm (IMOAHA), is proposed to minimize torque ripple and back electromotive force in the interior permanent magnet synchronous motor while simultaneously increasing the average torque of the motor. Taking the 8-pole 48-slot interior permanent magnet synchronous motor as an example, the optimization objectives include back electromotive force, average torque, and torque ripple. The rotor-related structural parameters are used as optimization variables. First, the Taguchi method is employed to identify parameters that significantly influence the optimization objectives. Subsequently, response surface fitting is used to establish the relationship between the optimization objectives and parameters. Finally, the multi-objective artificial hummingbird algorithm is utilized for optimization. By comparing the finite element analysis of the motor models before and after optimization, it is evident that the improved multi-objective artificial hummingbird algorithm can effectively enhance the performance of the interior permanent magnet synchronous motor. Full article
Show Figures

Figure 1

17 pages, 6793 KB  
Article
Physics of the Unsteady Response of Turbine Cascade to Pulsed Flow Conditions
by Pierre Bertojo, Nicolas Binder and Jeremie Gressier
Int. J. Turbomach. Propuls. Power 2024, 9(2), 19; https://doi.org/10.3390/ijtpp9020019 - 27 May 2024
Viewed by 1650
Abstract
The present contribution is in direct continuation of previous work which aimed at demonstrating the possible benefit of the unsteady feeding of turbines. Some numerical analyses of the flow inside a skeletal cascade revealed that instantaneous overloading occurs on the blades. However, such [...] Read more.
The present contribution is in direct continuation of previous work which aimed at demonstrating the possible benefit of the unsteady feeding of turbines. Some numerical analyses of the flow inside a skeletal cascade revealed that instantaneous overloading occurs on the blades. However, such an academic case is far from a realistic configuration. The present paper investigates the influence of a simplified thickness distribution to check whether the instantaneous benefit is still observed. Based on numerical simulations, an analysis of the physical origin of the overloading is proposed on a single blade. It results in the choice of a triangular thickness distribution, which should promote the physical phenomena responsible for the overloading. A parametric study of such a distribution demonstrates that it is possible to obtain instantaneous performance very close to the optimum of the flat plate. Conclusions drawn from the single-blade analysis are extended to cascades and stator–rotor configurations and show an increase in the complexity of physical phenomena. Ultimately, the aim is to optimize the geometric shape to obtain maximum overloading. Consequently, the same type of study was carried out for the expansion phase, and similar results were obtained. Full article
Show Figures

Figure 1

9 pages, 263 KB  
Review
Challenges of Iron Chelation in Thalassemic Children
by Alkistis Adramerina and Marina Economou
Thalass. Rep. 2024, 14(1), 1-9; https://doi.org/10.3390/thalassrep14010001 - 1 Feb 2024
Cited by 4 | Viewed by 6305
Abstract
Thalassemia treatment still relies on supportive care, mainly including blood transfusion and iron chelation therapy. Iron chelation is considered the main factor responsible for the marked improvement in survival rates of thalassemic patients. Hemosiderosis may be prevented if appropriate chelation therapy is offered [...] Read more.
Thalassemia treatment still relies on supportive care, mainly including blood transfusion and iron chelation therapy. Iron chelation is considered the main factor responsible for the marked improvement in survival rates of thalassemic patients. Hemosiderosis may be prevented if appropriate chelation therapy is offered from early childhood, with timely dose adjustments according to changing body weight and close monitoring of organ iron load. With three iron chelators currently available, the choice of appropriate chelation, either as monotherapy or combined therapy, should be individualized depending on the iron overload of target organs, patient’s age, presence of adverse events and compliance issues, given known limitations related to each agent’s administration. Full article
(This article belongs to the Section Conventional Treatment of Thalassemia)
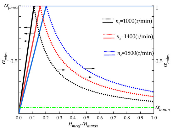
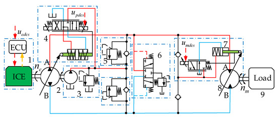
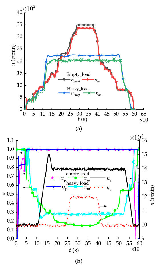
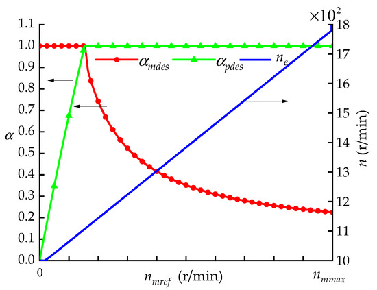
20 pages, 4792 KB  
Article
An Energy-Efficient Adaptive Speed-Regulating Method for Pump-Controlled Motor Hydrostatic Drive Powertrains
by Huashuai Wang, Yanbin Zhang, Zhangshun An and Rongsheng Liu
Processes 2024, 12(1), 25; https://doi.org/10.3390/pr12010025 - 21 Dec 2023
Cited by 5 | Viewed by 1391
Abstract
In this paper, a closed hydrostatic drive powertrain (HSDP) composed of an engine, a variable pump, a variable motor, and an energy-efficient adaptive speed-regulating controller (ADC) based on power following is proposed and investigated. The controller can more than guarantee accurate regulation of [...] Read more.
In this paper, a closed hydrostatic drive powertrain (HSDP) composed of an engine, a variable pump, a variable motor, and an energy-efficient adaptive speed-regulating controller (ADC) based on power following is proposed and investigated. The controller can more than guarantee accurate regulation of motor speed through online efficiency estimation based on established loss models of the pump and the motor. It also facilitates the optimal efficiency control of the engine and hydrostatic system through two redundant control freedoms of the HSDP system, making an energy-saving adjustment of the motor speed. At the same time, the controller can prevent engine overload stall and high system pressure by limiting the displacement of the pumps and motors in real time based on the system loads to improve the automatic adaptability of the system to varying loads. Field testing experiments performed by means of a heavy transportation vehicle under different conditions were conducted to verify the efficacy of the proposed controller. The results showed that the average errors of motor speed were 3.3% under empty load conditions and 9.6% under heavy load conditions. In terms of energy saving, comparison tests involving a rule-based controller (RBC) and the ADC were carried out, and the results showed that the energy-saving ratio of the ADC was at least 11.5% and up to 25.8% under empty load conditions and at least 2.8% and up to 9% under heavy load conditions. The ADC controller showed good performance in terms of speed control, load adaptability, and energy saving and a superior advantage due to its simple structure and ease of implementation. Therefore, the proposed controller is an excellent choice for the real-time control of machinery with an HSDP system, especially heavy-duty machinery. Full article
Show Figures

Figure 1

15 pages, 1298 KB  
Article
Psychological Factors of Vaccination Intent among Healthcare Providers, Parents, and Laypeople
by Kaja Damnjanović, Sandra Ilić, Marija Kušić, Milica Lazić and Dragoslav Popović
Vaccines 2023, 11(12), 1816; https://doi.org/10.3390/vaccines11121816 - 4 Dec 2023
Cited by 5 | Viewed by 2792
Abstract
The interrelatedness of social-structural aspects and psychological features with vaccination intention provides the context to explore personal psychological features related to vaccination. Specifically, we focused on general decision making and vaccine-related dispositions, and their contribution to the intention to vaccinate, within post-pandemic circumstances, [...] Read more.
The interrelatedness of social-structural aspects and psychological features with vaccination intention provides the context to explore personal psychological features related to vaccination. Specifically, we focused on general decision making and vaccine-related dispositions, and their contribution to the intention to vaccinate, within post-pandemic circumstances, after the imposed possibility of choosing a vaccine brand. Our study aimed to map the function (promotive, protective, risk, vulnerability) of a set of personal psychological aspects in the intention to vaccinate among people holding different social roles regarding the vaccination. We surveyed three samples of people: healthcare providers (HPs), parents, and laypeople, within the post-pandemic context. Negative vaccine attitudes lower intention to vaccinate in all regression models (all βs ranging from −0.128 to −0.983, all ps < 0.01). The main results indicate that, regardless of the sample/social role, there is a shared attitudinal core for positive vaccination intention. This core consists of [high] trust in large corporations, government, and healthcare systems, as well as perceived consensus on vaccine safety/efficacy and experience of freedom (protective factors), and [low] vaccination conspiracy beliefs, trust in social media, and choice overload (risk and vulnerability factors, respectively). There are no common promotive factors of intention to vaccinate: for parents, perceived consensus on vaccines, and trust in corporations and the healthcare system, play such roles; for HPs, the experience of freedom is obtained as a unique promotive factor. In contrast, for laypeople, no unique promotive factors were found. Our findings provide insights into the function of psychological factors of vaccination intention across different social roles, particularly healthcare providers, parents, and laypeople, and emphasize the need for tailored immunization interventions in the post-pandemic landscape. Full article
(This article belongs to the Special Issue Promoting Vaccination in the Post-COVID-19 Era)
Show Figures

Figure 1

20 pages, 2302 KB  
Article
Personalized E-Learning Recommender System Based on Autoencoders
by Lamyae El Youbi El Idrissi, Ismail Akharraz and Abdelaziz Ahaitouf
Appl. Syst. Innov. 2023, 6(6), 102; https://doi.org/10.3390/asi6060102 - 27 Oct 2023
Cited by 20 | Viewed by 6798
Abstract
Through the Internet, learners can access available information on e-learning platforms to facilitate their studies or to acquire new skills. However, finding the right information for their specific needs among the numerous available choices is a tedious task due to information overload. Recommender [...] Read more.
Through the Internet, learners can access available information on e-learning platforms to facilitate their studies or to acquire new skills. However, finding the right information for their specific needs among the numerous available choices is a tedious task due to information overload. Recommender systems are a good solution to personalize e-learning by proposing useful and relevant information adapted to each learner using a set of techniques and algorithms. Collaborative filtering (CF) is one of the techniques widely used in such systems. However, the high dimensions and sparsity of the data are major problems. Since the concept of deep learning has grown in popularity, various studies have emerged to improve this form of filtering. In this work, we used an autoencoder, which is a powerful model in data dimension reduction, feature extraction and data reconstruction, to learn and predict student preferences in an e-learning recommendation system based on collaborative filtering. Experimental results obtained using the database created by Kulkarni et al. show that this model is more accurate and outperforms models based on K-nearest neighbor (KNN), singular value decomposition (SVD), singular value decomposition plus plus (SVD++) and non-negative matrix factorization (NMF) in terms of the root-mean-square error (RMSE) and mean absolute error (MAE). Full article
(This article belongs to the Special Issue Advancements in Deep Learning and Its Applications)
Show Figures

Figure 1

26 pages, 1164 KB  
Article
The Impact of Consumer’s Adaptation to the Creative Culture of Theme Parks on Review Usefulness
by Shugang Li, Qian Dou, Hui Chen and Zhaoxu Yu
Sustainability 2023, 15(17), 12859; https://doi.org/10.3390/su151712859 - 25 Aug 2023
Cited by 1 | Viewed by 3975
Abstract
In the era of information overload and repetitive reviews, there has been limited exploration into the influence of consumers’ cultural adaptation to creative symbols in theme parks on the usefulness of online reviews, which is significant for enhancing tourism experiences, targeted marketing, personalized [...] Read more.
In the era of information overload and repetitive reviews, there has been limited exploration into the influence of consumers’ cultural adaptation to creative symbols in theme parks on the usefulness of online reviews, which is significant for enhancing tourism experiences, targeted marketing, personalized services, and informed tourism choices. This study aims to bridge this gap by examining how cultural adaptation factors interact and impact the review usefulness, and by considering the role of cultural adaptation in simplifying information during consumer decision-making processes. Additionally, the study investigates how consumers’ decision reference points, represented by advanced ticket levels, moderate their attention to attribute consistency when evaluating the review usefulness. A sample of 5929 valid consumer reviews of Disney theme parks from 2019 to 2022 on Meituan.com is analyzed using latent semantic analysis and Tobit regression to test the proposed hypotheses. We find that high symbolic creativity reviews stimulate cultural adaptation and increase attention to service attributes when evaluating review usefulness. Moreover, advanced ticket levels do not moderate the usefulness of extremely negative reviews. However, they do have a moderating effect on the usefulness of extremely positive reviews, with the direction of moderation differing based on the levels of symbolic creativity. Full article
(This article belongs to the Collection Advances in Marketing and Managing Tourism Destinations)
Show Figures

Figure 1

6 pages, 816 KB  
Proceeding Paper
How Much Rationality Is Needed for Decision Making?
by Annette Grathoff
Comput. Sci. Math. Forum 2023, 8(1), 12; https://doi.org/10.3390/cmsf2023008012 - 10 Aug 2023
Viewed by 1076
Abstract
The Braess paradox (discovered in 1968 by the German mathematician Dietrich Braess) describes how a possible relief of a system, by introducing new possibilities to distribute load or local density in flows inside the system, can actually increase stress on the system. It [...] Read more.
The Braess paradox (discovered in 1968 by the German mathematician Dietrich Braess) describes how a possible relief of a system, by introducing new possibilities to distribute load or local density in flows inside the system, can actually increase stress on the system. It is most often researched in a world of rational decision-makers, who are assumed to cause the worsening situation due to rational optimization of individual interests. In strongly complex networks, the exploitation of new possibilities most probably needs rational decision-makers who can see the use of new possibilities for them. Interestingly, a mechanical analogy of the situation also exists, where new possibilities—in this case for forces in a system to attack—lead to a loss of stability inside the system. In this example, a string that was introduced to relieve the load on two springs leads to counter-intuitive overloading. With the perspective that the evolution of information processing systems is already beginning in a physical and chemical pre-biotic world, this is an interesting case that might give further insight into how and when choices between many possibilities could threaten the function of a system rather than making it more durable and adaptable. The example is discussed based on a review of literature from the humanities as well as the natural sciences. Full article
(This article belongs to the Proceedings of 2023 International Summit on the Study of Information)
Show Figures

Figure 1

10 pages, 1972 KB  
Article
Acute Changes in Right Ventricular Function in Pediatric Patients with Pulmonary Valve Stenosis Undergoing Percutaneous Valvuloplasty: A Speckle-Tracking Study
by Domenico Sirico, Giulia Spigariol, Heba Talat Mahmoud, Alessia Basso, Elena Cuppini, Martina Avesani, Jolanda Sabatino, Biagio Castaldi and Giovanni Di Salvo
J. Clin. Med. 2023, 12(13), 4344; https://doi.org/10.3390/jcm12134344 - 28 Jun 2023
Cited by 3 | Viewed by 1603
Abstract
Introduction: Pulmonary valve stenosis determines multiple effects on the right ventricular dimension and function. Percutaneous balloon valvuloplasty is the treatment of choice in severe pulmonary valve stenosis in patients of all ages. However, little is known regarding right ventricular function immediate changes after [...] Read more.
Introduction: Pulmonary valve stenosis determines multiple effects on the right ventricular dimension and function. Percutaneous balloon valvuloplasty is the treatment of choice in severe pulmonary valve stenosis in patients of all ages. However, little is known regarding right ventricular function immediate changes after percutaneous balloon dilation. Pediatric patients with isolated pulmonary valve stenosis represent a pure clinical model of chronic RV pressure overload not affected by other confounders or comorbidities. Aim of the study: This study seeks to explore right ventricle (RV) mechanics in pediatric patients early after percutaneous balloon pulmonary valvuloplasty (BPV) for valvar pulmonary stenosis (PS). Materials and Methods: Forty-three pediatric patients (19 males), mean age 3.2 ± 4.9 years old, with severe pulmonary valve stenosis and indication for percutaneous balloon valvuloplasty were recruited. All patients underwent standard transthoracic echocardiography (TTE), and speckle-tracking echocardiography (STE) with an analysis of right ventricle free-wall longitudinal strain (RVFWLS) one day before and one day after the procedure. For each patient, we collected invasive parameters during the interventional procedure before and after BPV. Results: After the procedure, there was an immediate significant reduction in both peak-to-peak transpulmonary gradient (peak-to-peak PG) and ratio between the right ventricle and aortic systolic pressure (RV/AoP) with a drop of ∆29.3 ± 14.67 mmHg and ∆0.43 ± 0.03, respectively. Post-procedural echocardiography showed peak and mean transvalvar pressure gradient drop (∆50 ± 32.23 and ∆31 ± 17.97, respectively). The degree of pulmonary valve regurgitation was mild in 8% of patients before the procedure, affecting 29% of our patients post-BPV (p = 0.007). The analysis of right ventricular mechanics showed a significant improvement of fractional area change (FAC) immediately after BPV (40.11% vs. 44.42%, p = 0.01). On the other hand, right ventricular longitudinal systolic function parameters, TAPSE and global RVFWLS, did not improve significantly after intervention. The segmental analysis of the RVFWLS showed a significant regional increase in the myocardial deformation of the apical segments. Conclusions: Percutaneous BPV represents an efficient and safe procedure to relieve severe pulmonary valve stenosis. The analysis of the right ventricular function on echocardiography demonstrated an immediate global systolic function improvement, while longitudinal systolic function was persistently impaired 24 h after intervention, possibly due to the necessity of a longer recovery time. Full article
(This article belongs to the Special Issue Management of Pediatric Congenital Heart Disease)
Show Figures

Figure 1

Back to TopTop