Abstract
The work is devoted to the results of processing electromagnetic radiation signals obtained during laboratory loading of marble and diabase samples using a technique for determining the parameters of microcracks, developed and published by the author earlier. As a result of such processing, certain patterns were found in the nature of the evolution of the oscillatory process ensemble of microcracks. For example, solitary non-linear waves almost always preceded a sequence of High Frequency traces. Equations for straight lines approximating High Frequency traces in logarithmic coordinates, close to the equation of the Gutenberg–Richter law. Due to the similarity of seismic processes at different scale levels, the results of modeling at the microscale level can be used to describe seismic processes at the macroscale level, for example, to study the processes occurring immediately before destruction and at the time of destruction in order to search for repeatability and regularities. The regularities obtained can be used in the development of a predictive criterion that makes it possible to predict the time of one or another geophysical (seismic) event.
1. Introduction
The proposed work is a continuation of the author’s research, begun in earlier works, and is a practical application of the “Model for determining the parameters of microcracks …” (hereinafter referred to as the Model) [1] to electromagnetic radiation (EMR) signals during the destruction of marble and diabase samples under laboratory conditions of uniaxial loading. The layout of the laboratory setup for these purposes is given in the Appendix A. These studies are based on the techniques developed by the author as part of the development of time-and-spectrum analysis.
Let us take a brief historical tour on these works. In the article [2], the author developed a method for constructing time-and-spectrum tables, which allows determining the signal structure (EMR), and a step-by-step algorithm of work is given. In study [3], the transition from time-and-spectrum analysis to time-and-spatial type of the analysis was made, correspondences were established between the parameters of the spectrum of the EMR signal and the parameters of microcracks that generate this signal. Additionally, as a result of the use of Fractal analysis elements, a qualitative assessment of the magnitude of the fracture surface in the loaded geomaterial was made. After that, it was logical to move from a qualitative assessment to a quantitative description of the parameters of an ensemble of microcracks that took part in the fracture process—this was conducted in [1]. Due to the fact that the Model is pioneering in its field, it is important to have as many additional confirmations of its adequacy as possible; for this purpose, a large amount of experimental data was processed and encouraging results were obtained, which are fully confirmed by the results of other authors, obtained in this field of research either theoretically, or using other methods, or obtained in other areas of research and using other methods. For example, in the kink (topological soliton, dislocation in the Frenkel–Kontorova model) in study [4], the shape of the kink obtained by theoretical calculations is close to the shape of a solitary wave in the form of a kink, presented here. Further, such a phenomenon as self-compression of a wave packet [5] (Benjamin-Fejer instability) is widely known in optics, in microwave physics, and oscillations similar in form to this phenomenon take place in this work. The work [5] gives a theoretical explanation of the reason why the vertices of the sequence of solitons obtained theoretically lie on the same straight line. In this work, such a phenomenon is observed, shown in one of the graphs further in the text. Further, such a phenomenon as cnoidal waves observed in this work is one of the solutions of the KdV equation. At the end of this excursion, let us pay attention to standing waves, widely known in geophysics and other fields [6], also obtained in this work. Deformation solitons were discovered and studied using an optical setup in [7].
The study of the dynamics of the oscillatory process of microcracks is also important from the point of view of determining the patterns that immediately precede the fracture process. This kind of information is needed to develop a predictive criterion that makes it possible to predict the moment of destruction of the object under study. In study [8], as well as in this article further in the text, an analogy is shown between the phenomenon discovered and described in [1] and named by the author of the HF-trace and the Gutenberg-Richter law for microscales. As a result of this, and also, as a result of the self-similarity of seismic processes, it is possible to apply the results obtained here to macro-scale seismic processes, this can be attributed to rock bursts and earthquakes.
2. Goals and Tasks
The main purpose of the proposed article is to study the wave and oscillatory processes occurring in loaded samples of rock and structural materials during their destruction, in order to determine the repeatability and patterns that lead to the formation of a main crack and the destruction of the sample under study. The above processes are a reflection of the evolution of the field of microcracks occurring in the volume of the material under study. To describe the evolution of the field, such parameters are used as the characteristic sizes of microcracks involved in the formation of this field, as well as the number of microcracks of a certain characteristic size, and the change in these parameters under the action under load over time. These parameters are determined for each test sample using the EMR signals obtained using a laboratory stand, the block diagram of which is given in the Appendix A using the Model [1].
3. Solution Methods
As is already known [9], there is a universal physical cause that leads both to the destruction of objects and to earthquakes. “This reason is the evolution of the field of microcracks in the medium under the action of stress concentration. In the course of this evolution, microcracks are enlarged, new areas of increased fracturing appear, and main cracks develop”. It is also known that [10]: “in structurally inhomogeneous media, which are all rocks, localized plastic deformation has a wave character and propagates in the form of nonlinear plastic waves. The wave nature of plastic deformation and the discrete nature of the areas of compressive and tensile stresses lead to the metamorphic differentiation of matter. An estimate of the wavelengths shows that they are related to the characteristic sizes of the structures of different levels”.
The block diagram of the installation for studying the processes of destruction of samples of geomaterial is given in the Appendix A. Electromagnetic radiation and load sensors are connected to the test sample. The sample is placed in a press that creates a uniaxial load. The sensors are connected to the measuring equipment, which, in turn, is connected to the input ports of the computer. Under the action of the load, microcracks appear in the sample, on the banks and at the tops of which charges are formed, during the movement of which an electromagnetic field is generated. More details about the mechanisms of formation of this field are written in [2]. This field is recorded by the sensor and fed into the measuring path of the equipment. When registering the EMI signals and the load from the marble sample, the sampling frequency fd = 250 kHz was used. While recording the signals from the diabase sample, a sampling frequency fd of 125 kHz was applied. For these signals, a forced downsampling to 25 kHz was performed by decimating the original sequences (the purpose of this procedure is described in [2]). When constructing time-and spectrum tables, a 512-point FFT was used. The distance between the rows of the tables was chosen to be ten td (sampling time of the original sequence, equal to 40 μs), i.e., 0.4 ms. Next, the procedure for calculating the parameters of microcracks was performed, which was described in detail in [1].
4. Numerical Calculations, Graphic Dependencies
In the presented work, electromagnetic radiation signals were used, obtained in the laboratory of rock mechanics of the Institute of Mining of the Siberian Branch of the Russian Academy of Sciences under uniaxial loading of samples of white fine-grained marble of the Iskitim deposit 2 × 3.3 × 4.1 cm and diabase, of a similar size, from the Tashtagol deposit. The following sequence of actions was applied to this signal:
- (1)
- Using a visual assessment of the oscillograms, in accordance with the algorithm [2], fragments of the EMR signals were selected for further processing;
- (2)
- For the selected fragments, time-and-spectrum tables (TST) were built, in accordance with the methodology described in [2], the fields of these tables contain information about the spectral components of the EMR signal at discrete times;
- (3)
- Further, TST are transformed into space-and-time tables (STT) (the method of these transformations is described in [1]), whose fields contain information about the characteristic sizes of microcracks and their number at discrete times. Then, for selected fragments, from the point of view of the type and form of the oscillatory process, graphic dependences N = f (L) are constructed; this paper presents the most interesting of them. Additionally, the article analyzes fragments of the obtained dependencies N = f(L), which have the property of logarithmic scale invariance (scaling). This phenomenon occurs in various areas of human knowledge. The closest to the topic of the presented work is scaling in seismology. In the 1850s, Beno Guttenberg and Charles Richter showed that there is a logarithmically invariant regular relationship between the number and amplitudes (energy) of earthquakes (the Gutenberg–Richter law). The author in [8] shows an analogy between the dependencies characteristic of the Guttenberg–Richter law and dependencies that reflect the phenomenon called the High-Frequency Trace (HF-trace). In this paper, similar dependencies are shown; the equations describing them are close to the equation characteristic of the Gutenberg–Richter law.
4.1. Selected Fragments of EMR Signals and the Results of Their Processing for Marble Samples
All experimental data used in this work were kindly provided by G. I. Kulakov and G. E. Yakovitskaya, employees of the Laboratory of Rock Mechanics of the Institute of Mining, Siberian Branch of the Russian Academy of Sciences, during the author’s work on the method of constructing time-and-spectrum tables.
4.2. Description of Graphic Dependencies
4.2.1. Sample M1
Figure 1a,b show EMR and load signals, respectively. Figure 1c shows 38 graphs lying in the time interval of 0.0–14.8 ms, the time interval between the graphs is 0.4 ms, which corresponds to the time interval between the lines of the TST. Here, all graphs practically merge into one, the discrepancy is visible in the region of small sizes L of microcracks. Thus, in a given period of time, the ratio of the number of microcracks of a certain size remains unchanged, however, these microcracks fluctuate, because electromagnetic radiation is generated. Therefore, there is a sequence of standing waves.
Figure 1.
Graphic dependencies for a sample of marble M1. (a,b) shows the EMR and load signals, respectively. (c–e) show the dependence of the number of microcracks on their characteristic sizes: along the abscissa axis—the characteristic dimensions of microcracks in [cm], along the ordinate axis—the number of microcracks.
A standing wave is an alternating electromagnetic field with a time-invariant distribution of amplitudes along the line [11] (in our case, the field determined by the dependence of the number of microcracks on their characteristic sizes, constructed on the basis of electromagnetic field data). The points at which the intensity of the electric or magnetic field reaches a maximum are called the antinodes of the corresponding field. The points at which the tensions drop to zero are called the nodes of the corresponding field. Standing waves [6] are natural oscillations of finite media, which have the following features:
- (1)
- For a standing wave, the product of frequency and wavelength is a conserved quantity, and it characterizes the speed of wave propagation,
- (2)
- For a standing wave, the product of frequency and amplitude is a conserved quantity, and it characterizes the speed of the pulsation of the standing wave.
These properties are a consequence of the conservation law for potential and kinetic energy. In those regions of the medium where the amplitudes of the oscillation modes are maximum, the particles of the medium have the maximum kinetic energy, and in the nodes of the modes, the kinetic energy is minimal. Thus, the fractalization of the environment occurs.
Figure 1d shows three dependencies for time points 15.2 ms (plot 1), 15.6 ms (plot 2), and 16.0 ms (plot 3). As will be shown below, on the Log N = f(Log L) graph, here, the HF-trace phenomenon [1] is observed, modulated by vibrations of microcracks of various sizes (the main property of this phenomenon is the almost linear inversely proportional dependence of the number of microcracks on their characteristic sizes). In the size range of 0.128–0.066 cm, a standing wave is observed, which remains almost unchanged throughout the entire time interval (see the next graph). Figure 1e shows the curves for the time interval 16.4–28.0 ms. It combines the phenomena of HF-trace, standing waves with superimposed vibrations of small microcracks.
4.2.2. Sample M2
Here, Figure 2a,b show EMR signals and loads, respectively. Figure 2c shows the dependences for a time period of 0.0–17.2 ms, which practically merge into one curve, therefore, a sequence of standing waves is observed here. Figure 2d shows two curves related to the time point 17.6–18.0 ms, and they represent transients from oscillations of the standing wave type, to the complex non-linear oscillations depicted in Figure 2e. Here, 5 curves are shown, close to each other in configuration, belonging to the time interval 20.0–21.6 ms and representing vibrations of microcracks of small sizes, close to sinusoidal, superimposed on vibrations of microcracks of larger sizes. Figure 2f refers to the moment of time 22.0 ms and represents a sequence of solitary waves of different amplitudes. Figure 2g shows a single solitary wave and refers to the time 22.4 ms. The term solitary wave was introduced by Scott Russell [12]. Nowadays, a solitary wave is any (usually bell-shaped) flat wave impulse that moves in one direction in space and retains its shape. Any bell-shaped function u(x − Vt) is a solitary wave traveling along the x-axis with velocity V. The solitary wave-type solution for the KdV equation is given by the following formula [13].
u = −2η2sech2[η(x − 4η2t)]
Figure 2.
Graphic Dependencies for a Sample of Marble M2. (a,b) shows the EMR and load signals, respectively. (c–i) show the dependence of the number of microcracks on their characteristic sizes: along the abscissa axis—the characteristic dimensions of microcracks in [cm], along the ordinate axis—the number of microcracks.
Figure 2h refers to the time moment 22.8 ms and represents a HF-trace phenomenon modulated by vibrations of microcracks with sizes from 0.128 cm to 0.01356 cm, and to a lesser extent, vibrations of microcracks of small sizes. Figure 2i shows the sequences related to the time interval 22.8–28.0 ms, which are a phenomena of the HF type—a trace modulated by vibrations of microcracks of small sizes. The angle of inclination of these sequences to the abscissa axis changes in a wave-like manner, and when plotting these dependences in the 3D format N = f(L, t), a two-dimensional solitary wave is obtained. This will be demonstrated later, using similar plots for diabase as an example.
4.2.3. Sample M3
Here, Figure 3a,b show dependences for EMR signals and load, respectively. Figure 3c shows sequences of standing waves merging almost into one curve—time interval: 0.8–15.6 ms. Further, Figure 3d shows the transition processes from standing waves to oscillations of another type, the time interval is 16.6–18.8 ms. The following Figure 3e shows the superposition of oscillations of various modes close to sinusoidal, the time interval is 20.8–22.4 ms. Figure 3f shows a sequence of solitary waves, with the time 22.8 ms. The next two Figure 3g,h illustrate the processes of formation of a single solitary wave, which passes into the HF-trace at the next moment of time, and the time interval is 22.8–23.2 ms. Figure 3i shows the HF phenomenon—a trace modulated by standing waves in the size range of microcracks 0.128–0.03357 cm and 0.01693–0.01234 cm. Further, Figure 3j shows sequences of high-frequency traces with oscillations of small microcracks and standing waves from the previous Figure. The angle of inclination of these dependences to the abscissa axis changes in a wave-like manner, and when plotting the dependence N = f(L, t), a two-dimensional solitary wave is obtained.

Figure 3.
Graphic Dependencies for a Sample of Marble M3. (a,b) shows the EMR and load signals, respectively. (c–j) show the dependence of the number of microcracks on their characteristic sizes: along the abscissa axis—the characteristic dimensions of microcracks in [cm], along the ordinate axis—the number of microcracks.
4.2.4. Sample M4
Here, similarly, Figure 4a,b show the EMR and load signals, respectively. Figure 4c shows sequences of standing waves in the time interval 0.0–9.6 ms. Figure 4d shows the sequences of solitary waves passing at the next moment of time to a phenomenon of the HF-trace type, the moment of time is 10.0 ms. Figure 4e,f show phenomena of the HF-trace type, single, time point 10.4 ms and sequences of HF-trace with a varying angle of inclination to the abscissa axis in the time interval 10.8–39.6 ms. Here, a two-dimensional solitary wave is also formed.
Figure 4.
Graphic Dependencies for a Sample of Marble M4. (a,b) shows the EMR and load signals, respectively. (c–f) show the dependence of the number of microcracks on their characteristic sizes: along the abscissa axis—the characteristic dimensions of microcracks in [cm], along the ordinate axis—the number of microcracks.
4.2.5. Sample M5
The EMI signals and loads are shown in Figure 5a,b; further on, Figure 5c shows sequences of standing waves—time interval 0.0–13.2 ms. Then, in para Figure 5d–f, the processes of decay of standing waves into vibrations of microcracks of small sizes are shown with the transition to the HF phenomenon—a wake modulated by vibrations of microcracks of different sizes.
Figure 5.
Graphic Dependencies for a Sample of Marble M5. (a,b) shows the EMR and load signals, respectively. (c–f) show the dependence of the number of microcracks on their characteristic sizes: along the abscissa axis—the characteristic dimensions of microcracks in [cm], along the ordinate axis—the number of microcracks.
4.2.6. Sample M6
Similarly, here, the EMR signals and loads are shown in Figure 6a,b. Then, on Figure 6c, relating to the time interval 0.0–2.4 ms, weakly ordered oscillations (small signs of the HF-trace phenomenon are noticeable) of microcracks of small sizes are shown. Then, Figure 6d shows two dependencies illustrating the occurrence of complex oscillations of the sinusoid type with superimposed oscillations of small microcracks, and the time points are 2.8 ms and 3.2 ms. Further, Figure 6e shows sequences of slightly ordered vibrations of small microcracks, and the time interval is −14.4–28.4 ms. Figure 6f shows three dependences showing signs of the RF trace phenomenon modulated by sinusoidal oscillations, and the time interval is 14.4–15.2 ms. Figure 6g shows three dependences illustrating the occurrence of oscillations of the cnoidal wave type, the time interval is 15.2–16.4 ms. Figure 6h shows a sequence of wave packets having a similar configuration but differing in amplitude. Next, Figure 6i illustrates a sequence of standing waves formed by oscillations close to the previous Figure, and the time interval is 18.0–28.0 ms.
Figure 6.
Graphic Dependencies for a Sample of Marble M6. (a,b) shows the EMR and load signals, respectively. (c–i) show the dependence of the number of microcracks on their characteristic sizes: along the abscissa axis—the characteristic dimensions of microcracks in [cm], along the ordinate axis—the number of microcracks.
4.2.7. Sample M7
Figure 7a,b show the oscillograms of the EMR signals and the load. Figure 7c shows oscillations of microcracks of small sizes, which have weak signs of the HF-trace phenomenon, as well as a standing wave in the size range of microcracks 0.128–0.066 cm, with a time interval 0.0–5.2 ms. Figure 7d shows three dependencies representing a HF-type phenomenon—a trace with superimposed oscillations of small microcracks. Dependences have a different angle of inclination to the abscissa axis, the time interval is 5.6–6.4 ms. Figure 7e shows three sequences of solitary waves, and the time interval is 6.8–7.6 ms. The next Figure 7f shows the processes of transformation of oscillations, similar to the previous graph, to a wave packet with a self-compression effect or modulation instability. “The instability of Benjamin Fejer, which plays an important role in many physical applications, is a manifestation of the fact that a monochromatic wave is often unstable and generates local behavior similar to an impulse or a soliton” [13]. Further, Figure 7g,h show the processes of transformation of oscillations from the previous graph, into a sequence of solitary waves forming standing waves.

Figure 7.
Graphic Dependencies for a Sample of Marble M7. (a,b) shows the EMR and load signals, respectively. (c–h) show the dependence of the number of microcracks on their characteristic sizes: along the abscissa axis—the characteristic dimensions of microcracks in [cm], along the ordinate axis—the number of microcracks.
4.2.8. Diabase Sample
Similar to the previous graphs, here, Figure 8a,b show the waveforms of the EMR and load signals. Further, in Figure 8c, one can see the sequences of oscillations relative to the short wavelength. Moreover, in the size range: 2.048–0.02528 cm, the sequences degenerate into the so-called “tail”. There are some indications that we are observing sequences of solitary waves (soliton-like oscillations) here. First, wave packets of various durations are clearly distinguished. Secondly, the tops of the waves (on the chart, such tops are connected by line segments and marked with the number 1) lie on the same straight line. “This fact has a simple explanation: the point is that the soliton velocity is equal to c = u0/3, where u0 is the amplitude, i.e., speed is proportional to amplitude. Therefore, the distance ∆x = ct = u0t/3 traveled by the soliton in time t from the point x = c0t corresponding to the “initial” position of the perturbation which is proportional to u0. In other words, all solitons came out of the same point, and therefore, the distance they traveled is proportional to the speed” [5]. At the same time, these sequences are standing waves and refer to the time interval 0.0–2.4 ms. Figure 8d shows a kink-shaped solitary wave, which is also a standing wave, and the time interval is 20.0–39.0 ms. A 3D graph of this phenomenon in the form of a kink surface is shown in the Figure 9 below in the text. Figure 8e shows two curves: 1—time point 39.2 ms, 2—soliton-like oscillation modulated by vibrations of small microcracks, time point 39.6 ms, which then, on Figure 8f, forms a soliton-like standing wave, time interval—40.0–41.2 ms. This wave, in turn, transforms into a standing wave with a self-compression effect (modulation instability, Benjamin-Fejér instability), time interval: 41.6–43.6 ms, Figure 8g. Figure 8h shows three curves: 1—time point 88.8 ms, 2—time point 89.2 ms, 3—time point—89.6 ms. If the first oscillation has a shape close to sinusoidal with an increasing amplitude as the size of microcracks decreases, then the last oscillation is closer to the shape of a cnoidal wave, also with an increasing amplitude. Figure 8i shows: 1—a sequence of solitary waves, time point—89.6 ms, 2—sequences of dependencies displaying phenomena such as HF-trace, time interval = 90.0–100.4 ms. These graphs have an almost linear inverse—proportional dependence of the number of microcracks on their size. The angle of inclination of these dependences to the abscissa axis changes in waves and when constructing a 3D graph Log N = f(Log L, t), forms a two-dimensional solitary wave (the graph is given below in the text). Figure 8j shows: 1—a sequence of two solitary waves, time point—101.6 ms, which is converted into a sequence of more complex oscillations forming standing waves, time interval 102.0–103.6. This sequence, in turn, led to the formation of waves close to cnoidal in shape, shown in Figure 8k: 1—133.6 ms, 2—134.0 ms, 3—134.4 ms. Figure 8l is similar to Figure 2i, the difference is that here, the solitary wave, shown by the number 1, is not represented by a full period. The number 2 indicates the sequence of dependencies; the angle of inclination to the abscissa axis changes in a wave-like manner, displaying the HF-trace phenomenon, and when plotted in 3D format, it also forms a two-dimensional solitary wave as shown in the Figure 10 below.

Figure 8.
Plots for Diabase Sample. (a,b) shows the EMR and load signals, respectively. (c–l) show the dependence of the number of microcracks on their characteristic sizes: along the abscissa axis—the characteristic dimensions of microcracks in [cm], along the ordinate axis—the number of microcracks.
Figure 9.
(to Figure 8d) The surface of a solitary, standing wave in the form of a kink.
Figure 10.
(to Figure 8i,l, reprinted from [8]). Surfaces in the form of two-dimensional solitary waves.
5. Discussion of Results, Conclusions
The study of the evolution dynamics of the field of microcracks, including various types of oscillatory processes localized in certain areas of microcrack sizes and time intervals, is important for the reasons given below. Due to the similarity of seismic processes at different scale levels, the results of modeling at the microscale level can be used to describe seismic processes at the macroscale level, for example, to study the processes occurring immediately before destruction and at the time of destruction in order to search for repeatability and regularities. The regularities obtained can be used in the development of a predictive criterion that makes it possible to predict the time of one or another geophysical (seismic) event. One of these regularities is the dependence of the HF-trace type. As shown in study [8] and in this paper, this phenomenon is an analog of the Guttenberg–Richter law for microscales. The graphic dependencies that display these processes at the micro level are practically parallel to the graphic dependencies for the Gutenberg–Richter law at the macro level, as shown in Figure 11. The HF-trace phenomenon is present in an explicit or implicit form in almost all the acts of destruction presented here. Therefore, it can be taken as a pattern that can serve as a starting point for transferring the results of modeling seismic events at microscales to macroscale seismic events, for example, rock bursts and earthquakes. Let us pay attention to the phenomena preceding the HF wake. For a diabase sample, these are sequences of one-dimensional solitary waves and soliton-like oscillations, preceded by standing waves formed by soliton-like oscillations (Figure 8g,k). For a marble sample, these are standing waves (Figure 1c), single solitary waves, sequences of solitary waves (Figure 2c), (Figure 3c), (Figure 4c). (Figure 5c), (Figure 6c,e), (Figure 7c). Here it is necessary to note the fact that the phenomenon of high-frequency trace is not always the final act in the destruction processes presented here. According to the author, this can be explained by the memory of the geomaterial, i.e., the sample was loaded in the mountain massif, then processed in the laboratory, as a consequence, it formed internal centers of tension and clusters of microcracks. Therefore, each sample, even before it is placed in the test bench, is at a certain stage of destruction, different from other samples. Standing waves play a key role because they are natural oscillations of the system and reflect the processes of fragmentation and fractalization of the geo-environment under load. The processes displayed by the HF-trace phenomenon, due to scale invariance, are a reflection of the processes of formation of a self-similar fractal cluster of microcracks, which is a fracture surface. In general, the set of destruction processes represented here by graphs is proposed to be described as follows: standing waves form the boundaries of lumpiness (future faults) in the geomaterial. Solitary waves represent the processes of transition from fragmentation to the formation of a fracture surface—HF-trace.
Figure 11.
Graphical dependencies for areas of the HF-trace phenomenon with logarithmic scale invariance. (1) refers to Figure 8l), time point—140.4 ms, equation of a straight line Y = −0.9355X − 2.5. (2) refers to Figure 8i), time point—135.6 ms, equation of a straight line Y = −0.8958X − 2.5. (3) refers to Figure 1d), curve 3, time point—16.0 ms, equation of a straight line Y = −1. 2081X − 2.5. (4) refers to Figure 1d), curve 1, time point—15.2 ms, equation of a straight line Y = −1. 04346X − 2.5. (5) refers to Figure 1c), point in time—2.4. ms, equation of a straight line Y = −1.1679X − 2.5. (6) this straight line is built point by point for the equation of the Gutenberg–Richter law Y = −0.9813X + 5.9463.
The author sees a further direction of research in the formalization of already discovered regularities, a more detailed study of the processes leading to these regularities, as well as an attempt to create a similar Model for acoustic signals published in [1].
Funding
This research received no external funding.
Conflicts of Interest
The authors declare no conflict of interest.
Appendix A
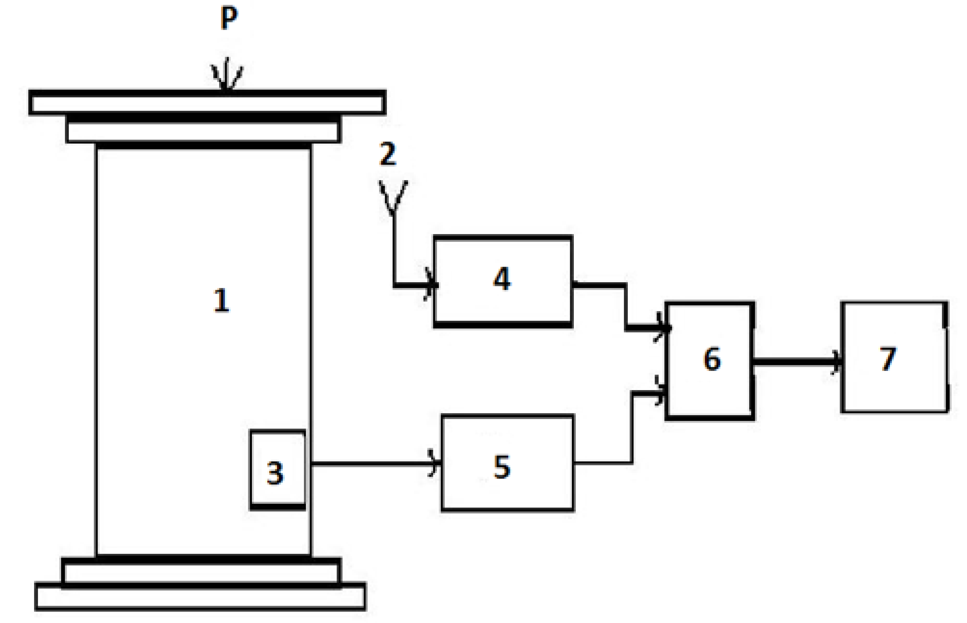
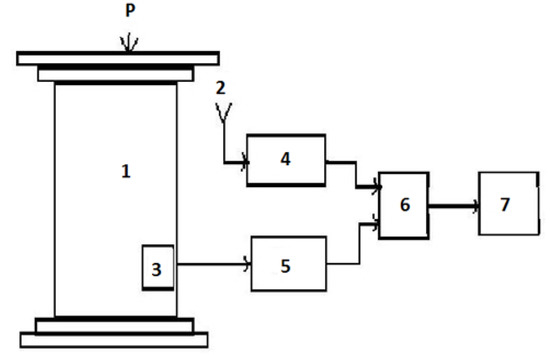
Figure A1.
Structural diagram of a laboratory stand for studying EMR during rock destruction: 1—sample; 2—EMR sensor; 3—load sensor; 4, 5—measuring amplifiers; 6—recording system; 7—computer.
Figure A1.
Structural diagram of a laboratory stand for studying EMR during rock destruction: 1—sample; 2—EMR sensor; 3—load sensor; 4, 5—measuring amplifiers; 6—recording system; 7—computer.

References
- Borisov, V.D. Determining the Parameters of Microcracks from Their Electromagnetic Radiation Signals. J. Appl. Mech. Tech. Phys. 2018, 59, 112–119. [Google Scholar] [CrossRef]
- Borisov, V.D. Time-and-Spectrum Analysis to Study Rock Failure Dynamics. J. Min. Sci. 2015, 41, 332–341. [Google Scholar] [CrossRef]
- Borisov, V.D. Fractal properties of spectrum characteristics of electromagnetic radiation under failure of rocks and structural materials. J. Min. Sci. 2007, 43, 150–170. [Google Scholar] [CrossRef]
- Manevich, L.I. Solitons in polymer physics. High Mol. Compd. Series 2001, 43, 2215–2288. [Google Scholar]
- Kadomtsev, B.B.; Karpman, V.I. Nonlinear waves. UFN 1971, 103, 193–232. [Google Scholar] [CrossRef]
- Müller, H. Logarithmic Fractal Scale Invariance of Physical Characteristics as a Universal Criterion for Assessing the Dynamic Properties of Oscillatory Processes. Ph.D. Thesis, University of Global Scaling LLC, Moscow, Russia, 2008. [Google Scholar]
- Dreiden, G.V. Formation and propagation of strain solitons in a nonlinearly elastic solid. JTF 1988, 58, 2040. [Google Scholar]
- Borisov, V.D. Microscale phenomena of logarithmic invariance under destruction of rock samples by signals of their electromagnetic radiation. Lond. J. Eng. Res. LJP 2019, 19, 1–12. [Google Scholar]
- Alekseev, A.S.; Glinsky, B.M.; Kovalevsky, V.V.; Khayretdinov, M.S. Theoretical and experimental foundations for the study of dilatance zones by vibroseismic methods. In Proceedings of the International Conference on Mathematical Methods in Geophysics “MMG—2008”, Novosibirsk, Russia, 30 July 2008. [Google Scholar]
- Egorushkin, V.E. Dynamics of plastic deformation. Izv. universities. Physics 1992, 4, 19–41. [Google Scholar]
- Khaikin, S.E. Electromagnetic Oscillations and Waves; State Energy Publishing House: Leningrad, Moscow, 1959. [Google Scholar]
- Rassell, J.S. Report on Waves. In British Association Reports; British Association for the Advancement of Science: London, UK, 1844. [Google Scholar]
- Bullaf, M.; Wadati, H.; Gibbs; et al. Solitons: Trans. from English/Ed. R. Bullafa, F. Codri. Moscow, Mir (1983).
Publisher’s Note: MDPI stays neutral with regard to jurisdictional claims in published maps and institutional affiliations. |
© 2022 by the author. Licensee MDPI, Basel, Switzerland. This article is an open access article distributed under the terms and conditions of the Creative Commons Attribution (CC BY) license (https://creativecommons.org/licenses/by/4.0/).













