Investigating Degradation in Extrusion-Processed Bio-Based Composites Enhanced with Clay Nanofillers
Abstract
1. Introduction
2. Materials and Methods
2.1. Materials and Twin-Screw Extrusion Process
2.2. Testing Sample Biodegradation
2.3. FTIR Analysis
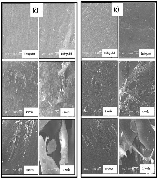
2.4. SEM Observations
3. Results
3.1. FTIR Analysis of Biodegraded Samples
3.2. Morphological Study by SEM
4. Discussion
5. Conclusions
Author Contributions
Funding
Data Availability Statement
Conflicts of Interest
References
- Sukhanova, A.; Boyandin, A.; Ertiletskaya, N.; Shalygina, T.; Shabanov, A.; Vasiliev, A.; Obvertkin, I.; Brott, V.; Prokopchuk, Y.; Samoilo, A. Composite Polymer Granules Based on Poly-ε-Caprolactone and Montmorillonite Prepared by Solution-Casting and Melt Extrusion. Polymers 2023, 15, 4099. [Google Scholar] [CrossRef] [PubMed]
- Tjong, S.C. Structural and mechanical properties of polymer nanocomposites. Mater. Sci. Eng. 2006, 53, 73–197. [Google Scholar] [CrossRef]
- Chen, B.; Evans, J.R.G.; Greenwell, H.C.; Boulet, P.; Coveney, P.V.; Bowden, A.A.; Whiting, A. A critical appraisal of polymer-clay nancomposites. Chem. Soc. Rev. 2008, 3, 568–594. [Google Scholar] [CrossRef] [PubMed]
- Teepakakorn, A.; Ogawa, M. Self-healing polymer-clay hybrids by facile complexation of a waterborne polymer with a clay. Mat. Adv. 2021, 2, 3770–3776. [Google Scholar] [CrossRef]
- Huang, J.; Lu, X.; Zhang, N.; Yang, L.; Yan, M. Study on the proprieties of nano-Tio2/polybutylene succinate composites prepared by vane extruder. Polym. Compos. 2014, 35, 53–59. [Google Scholar] [CrossRef]
- Sharma, S.; Poddar, M.K.; Moholkar, V.S. Enhancement of thermal and mechanical properties of poly(MMA-co-BA)/cloisite 30B nanocomposites by ultrasound-assisted in-situ emulsion polymerization. Ultrason. Sonochemistry 2017, 36, 212–225. [Google Scholar] [CrossRef] [PubMed]
- Ray, S.S.; Bousmina, M. Biodegradable polymers and their layered silicate nanocomposites: In greening the 21st centuary materials world. Prog. Mater. Sci. 2005, 50, 962–1079. [Google Scholar] [CrossRef]
- Kenig, S. Processing of Polymer Nanocomposites. In Manufacturing Techniques for Polymer Matrix Composites (PMCs); Hanser: Munich, Germany, 2019; pp. 56–67. [Google Scholar]
- Hassan, H.; Ait Hocine, N.; Médéric, P.; Deffarges, M.; Poirot, N. Thermal and mechanical properties of PA12/C30B nanocomposites in relationship with nanstructures. J. Appl. Polym. Sci. 2015, 131, 364–376. [Google Scholar] [CrossRef]
- Taktak, S.; Fakhfakh, S.; Rondot, S.; Tara, A.; Jbara, O. Temperature effects on electric charge transport processes and electron emission in PBS-clay nanocomposites submitted to electron bombardment. J. Appl. Phys. 2023, 56, 405301. [Google Scholar] [CrossRef]
- Di Maro, M.; Giraldi, D.; Menichetti, S.; Losio, S.; Stagnaro, P.; Utzeri, R.; Cerofolini, L.; Fragai, M.; Viglianisi, C. Mechanochemical synthesis of polypropylene-based macromolecular stabilizers. React. Funct. Polym. 2024, 197, 105858. [Google Scholar] [CrossRef]
- Bencharki, M.; Rondot, S.; Tara, A.; Jbara, O.; Berzin, F. Electrical and mechanical properties of partially bio-based PP/PBS blends nanocomposites elaborated by twin-screw extrusion. J. Appl. Polym. Sci. 2021, 138, 51401. [Google Scholar] [CrossRef]
- Chai, X.; Liu, Y.; He, C.; Lin, J.; Zheng, G.; Zhang, F. Biodegradation of Wheat Straw/PLA Composites by Four Kinds of Microorganisms. J. Nat. Fibers 2023, 20, 2237677. [Google Scholar] [CrossRef]
- Srikanth, M.; Sandeep, T.S.R.S.; Sucharitha, K.; Godi, S. Biodegradation of plastic polymers by fungi: A brief review. Bioresour. Bioprocess. 2022, 9, 42. [Google Scholar] [CrossRef] [PubMed]
- Stoleru, E.; Hitruc, E.G.; Vasile, C.; Oprică, L. Biodegradation of poly(lactic acid)/chitosan stratified composites in presence of the Phanerochaete chrysosporium fungus. Polym. Degrad. Stab. 2017, 143, 118–129. [Google Scholar] [CrossRef]
- Shimpi, N.; Borane, M.; Mishra, S.; Kadam, M.; Sonawane, S.S. Biodegradation of Isotactic Polypropylene (iPP)/Poly(lactic acid) (PLA) and iPP/PLA/Nano Calcium Carbonates Using Phanerochaete chrysosporium. Adv. Polym. Technol. 2018, 37, 522–530. [Google Scholar] [CrossRef]
- Susanti, E.; Ardyati, T.; Suharjono, S.; Aulani’am, A. Characterization of Lignin Peroxidase from the Suspected Novel Strain Phanerochaete chrysosporium ITB Isolate. Indones. J. Chem. 2022, 22, 1386–1395. [Google Scholar] [CrossRef]
- Platnieks, O.; Barkane, A.; Ijudina, N.; Gaidukova, G.; Thakur, V.K.; Gaidukovs, S. Sustainable tetra pak recycled cellulose/Poly(Butylene succinate) based woody-like composites for a circular economy. J. Clean. Prod. 2020, 270, 122321. [Google Scholar] [CrossRef]
- Ranjbar, N.; Mehrali, M.; Behnia, A.; Pordsari, A.J.; Mehrali, M.; Alengaram, U.J.; Jumaat, M.Z. A Comprehensive Study of the Polypropylene Fiber Reinforced Fly Ash Based Geopolymer. PLoS ONE. 2016, 11, 0147546. [Google Scholar] [CrossRef] [PubMed]
- Mansoori, Y.; Akhtarparast, A.; Zamanloo, M.R.; Imanzadeh, G.; Masooleh, M.T. Polymer-Montmorillonite nanocomposites: Chemical grafting of polyvinyl acetate onto cloisite 20A. Polym. Compos. 2011, 32, 1225–1234. [Google Scholar] [CrossRef]
- Chonde, S.G.; Bhosale, P.R.; Raut, P.D. Studies on degradation of synthetic polymer nylon 6 by lignolytic fungus Phanerochaete chrysosporium NCIM 1073. J. Environ. Res. Dev. 2012, 6, 709–714. [Google Scholar]
- Corti, A.; Sudhakar, M.; Chiellini, E. Assessment of the whole environmental degradation of oxo-biodegradable linear low density polyethylene (LLDPE) films designed for mulching applications. J. Polym. Environ. 2012, 20, 1007–1018. [Google Scholar] [CrossRef]
- De Lima, S.M.; Lima, M.A.G.; De Almeida, Y.M.B.; Vinhas, G.M. Polyethylene/amphiprotic blends as alternative for decreasing plastics residues in the environment. Polym. Bull. 2008, 60, 301–311. [Google Scholar] [CrossRef]
- Sasek, V.; Vitasek, J.; Chromcov, D.; Prokopova, I.; Brozek, J.; Nahlik, J. Biodegradation of synthetic polymers by composting and fungal treatment. Folia Microb. 2006, 51, 425–430. [Google Scholar] [CrossRef] [PubMed]
- Iiyoshi, Y.; Tsutsumi, Y.; Nishida, T. Polyethylene degradation by lignin degradation fungi and manganese peroxidase. J. Wood Sci. 1998, 44, 222–229. [Google Scholar] [CrossRef]
- Mikulasova, M.; Kosikova, B.; Alexy, P.; Kacik, F.; Urgelova, E. Effect of blending lignin biopolymer on the biodegradability of polyolefin plastics. World J. Microbiol. Biotechnol. 2001, 17, 601–607. [Google Scholar] [CrossRef]
- Roldan-Carrillo, T.; Rodriguez-Vazquez, R.; Diaz-Cervantes, D.; Vazquez-Torres, H.; Manzur-Guzman, A.; Torres-Dominguez, A. Strach-based plastic polymer degradation by the white rot fungus Phanerochaete Chrysosporium grown on sugarcane bagasse pith: Enzyme production. Bioresour. Technol. 2003, 86, 1–5. [Google Scholar] [CrossRef] [PubMed]
- Wiles, D.M.; Scott, G. Polyolefins with controlled environmental degradability. Polym. Degrad. Stab. 2006, 91, 1581–1592. [Google Scholar] [CrossRef]








| Wavenumber (cm−1) | Functional Groups | Molecular Vibration Modes |
|---|---|---|
| 802, 918 and 959 | C-OH | Shearing |
| 1046 | O-C-C | Stretching |
| 1053 | C-O-C | Asymmetric stretching |
| 1310 | O=C-O- | Stretching |
| 1716 | C=O | Stretching |
| 2850 | CH2 | Stretching |
| Wavenumber (cm−1) | Functional Groups | Molecular Vibration Modes |
|---|---|---|
| 808 and 840 | CH2 | Wagging |
| 898 | CH3 | Asymmetric rocking |
| 972 | C-C | Asymmetric and symmetric stretching |
| 998 | CH3 | Asymmetric rocking |
| CH | Shearing | |
| CH2 | Scissoring | |
| 1160 | C-C | Asymmetric stretching |
| CH3 | Asymmetric rocking | |
| CH | Shearing | |
| 1375 | CH3 | Symmetric shearing |
| CH2 | Wagging | |
| C-H | Shearing | |
| C-C | Stretching | |
| 1456 | CH3 | Asymmetric shearing |
| 2839 | CH2 | Shearing |
| CH2 | Symmetric torsion | |
| 2872 | CH3 | Symmetric torsion |
| 2920 | CH2 | Asymmetric torsion |
| 2952 | CH3 | Asymmetric torsion |
| Wavenumber (cm−1) | Functional Groups | Molecular Vibration Modes |
|---|---|---|
| 912 | Al-O and Mg-O | Stretching |
| 1010 and 1110 | O-Si-O | Stretching |
| 1467 | CH2 | Shearing |
| 2848 | CH2 | Symmetric stretching |
| 2929 | CH2 | Asymmetric stretching |
| 3636 | OH of silicate | Stretching |
Disclaimer/Publisher’s Note: The statements, opinions and data contained in all publications are solely those of the individual author(s) and contributor(s) and not of MDPI and/or the editor(s). MDPI and/or the editor(s) disclaim responsibility for any injury to people or property resulting from any ideas, methods, instructions or products referred to in the content. |
© 2024 by the authors. Licensee MDPI, Basel, Switzerland. This article is an open access article distributed under the terms and conditions of the Creative Commons Attribution (CC BY) license (https://creativecommons.org/licenses/by/4.0/).
Share and Cite
Tara, A.; Bencharki, M.; Gainvors-Claisse, A.; Berzin, F.; Jbara, O.; Rondot, S. Investigating Degradation in Extrusion-Processed Bio-Based Composites Enhanced with Clay Nanofillers. Biomass 2024, 4, 658-670. https://doi.org/10.3390/biomass4030036
Tara A, Bencharki M, Gainvors-Claisse A, Berzin F, Jbara O, Rondot S. Investigating Degradation in Extrusion-Processed Bio-Based Composites Enhanced with Clay Nanofillers. Biomass. 2024; 4(3):658-670. https://doi.org/10.3390/biomass4030036
Chicago/Turabian StyleTara, Ahmed, Mouhja Bencharki, Angélique Gainvors-Claisse, Françoise Berzin, Omar Jbara, and Sébastien Rondot. 2024. "Investigating Degradation in Extrusion-Processed Bio-Based Composites Enhanced with Clay Nanofillers" Biomass 4, no. 3: 658-670. https://doi.org/10.3390/biomass4030036
APA StyleTara, A., Bencharki, M., Gainvors-Claisse, A., Berzin, F., Jbara, O., & Rondot, S. (2024). Investigating Degradation in Extrusion-Processed Bio-Based Composites Enhanced with Clay Nanofillers. Biomass, 4(3), 658-670. https://doi.org/10.3390/biomass4030036

