Time-Dependent Model for Brittle Rocks Considering the Long-Term Strength Determined from Lab Data
Abstract
:1. Introduction
2. Background
2.1. Failure in Brittle Rocks
2.2. Creep in Rock Mechanics
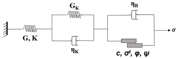
Rheological Models
2.3. Interpreting Time-to-Failure Lab Results in Brittle Rocks
- is the applied axial stress.
- is the time-to-failure;
- C is an asymptote control parameter;
- A and B are curve-fitting constants that are determined empirically.
- is the confinement, or minimum principal stress;
- is the peak strength of the rock at a given confinement level;
- is the deviator stress.
- DSR* is the modified DSR
3. Proposed Long-Term Strength (LTS) Model
- is the friction angle as shown in Figure 4.
- UCS* is the new UCS value after weakening;
- is the new cohesion after weakening;
- is the initial intact tensile strength;
- is the new tensile strength after weakening.
3.1. Effect on Applied Stress and Confinement on Secondary Strain-Rates and Viscosities
- is the secondary strain rate;
- is the equivalent Von–Mises stress;
- is the second invariant of the deviatoric stress tensor;
- and are components of the Cauchy stress tensor;
- and are curve-fitting constants.
- χ is some function of confinement;
- κ is the rate of change in secondary viscosity with changing deviator stress;
- q is the deviator stress.
- is the Maxwell (secondary) viscosity;
- q is the deviator stress (;
- is the minor principal stress.
3.2. Lab Scale Verification of Model
3.3. Tunnel Scale Model
4. Discussion
5. Conclusions
Author Contributions
Funding
Data Availability Statement
Acknowledgments
Conflicts of Interest
References
- Kaiser, P.K.; McCreath, D.R.; Tennant, D.D. Canadian Rockburst Support Handbook; Geomechanics Research Centre/MIRARCO: Sudbury, ON, Canada, 1996. [Google Scholar]
- Kaiser, P.K.; Amann, F.; Steiner, W. How highly stressed brittle rock failure impacts tunnel design. In European Rock Mechanics Symposium; Rock Mechanics and Environmental Engineering, CRC Press: Boca Raton, FL, USA, 2010; pp. 27–38. [Google Scholar]
- Coulomb, C.A. Sur une application des regles maximis et minimis a quelques problems de statique, relatives a l’architecture. Acad. R. Des. Sci. 1776, 7, 343–382. [Google Scholar]
- Hoek, E.; Brown, E.T. Underground Excavations in Rock, 1st ed.; Institution of Mining and Metallurgy: London, UK, 1980. [Google Scholar]
- Hoek, E.; Brown, E.T. The Hoek–Brown failure criterion and GSI—2018 edition. J. Rock Mech. Geotech. Eng. 2019, 11, 445–463. [Google Scholar] [CrossRef]
- Hoek, E.; Carranza, C.; Corkum, B. Hoek-brown failure criterion—2002 edition. In Proceedings of the 5th North American Rock Mechanics Symposium and the 17th Tunnelling Association of Canada Conference, Toronto, ON, Canada, 7–10 July 2002; pp. 267–273. [Google Scholar]
- Diederichs, M.S. Manuel Rocha Medal Recipient Rock Fracture and Collapse under Low Confinement Conditions. Rock Mech. Rock Eng. 2003, 36, 339–381. [Google Scholar] [CrossRef]
- Diederichs, M.S. The 2003 Canadian geotechnical colloquium: Mechanistic interpretation and practical application of damage and spalling prediction criteria for deep tunnelling. Can. Geotech. J. 2007, 44, 1082–1116. [Google Scholar] [CrossRef]
- Hoek, E.; Brown, E.T. Practical Estimates of Rock Strength. Int. J. Rock Mech. Min. Sci. Geomech. Abstr. 1997, 34, 1165–1186. [Google Scholar] [CrossRef]
- Martin, C.D. Seventeenth Canadian Geotechnical Colloquium: The effect of cohesion loss and stress path on brittle rock strength. Can. Geotech. J. 1997, 34, 698–725. [Google Scholar] [CrossRef]
- Hajiabdolmajid, V.; Kaiser, P.K.; Martin, C.D. Modelling brittle failure of rock. Int. J. Rock Mech. Min. Sci. 2002, 39, 731–741. [Google Scholar] [CrossRef]
- Cai, M.; Kaiser, P.K.; Tasaka, Y.; Maejima, T.; Morioka, H.; Minami, M. Generalized crack initiation and crack damage stress thresholds of brittle rock masses near underground excavations. Int. J. Rock Mech. Min. Sci. 2004, 41, 833–847. [Google Scholar] [CrossRef]
- Griggs, D. Creep of Rocks. J. Geol. 1939, 47, 225–251. [Google Scholar] [CrossRef]
- Kaiser, P.K. Time-Dependent Behaviour of Tunnels in Jointed Rock Masses. Ph.D. Thesis, University of Alberta, Edmonton, AB, Canada, 1979. [Google Scholar]
- Lajtai, E.Z.; Scott Duncan, E.J.; Carter, B.J. The Effect of Strain Rate on Rock Strength. Rock Mech. Rock Eng. 1991, 24, 99–109. [Google Scholar] [CrossRef]
- Pellet, F.; Hajdu, A.; Deleruyelle, F.; Besnus, F. A viscoplastic model including anisotropic damage for the time dependent behaviour of rock. Int. J. Numer. Anal. Methods Geomech. 2005, 29, 941–970. [Google Scholar] [CrossRef]
- Paraskevopoulou, C. Time-Dependency of Rocks and Implications Associated. Ph.D. Thesis, Queen’s University, Montreal, QC, Canada, 2016. [Google Scholar]
- Paraskevopoulou, C. Time-Dependent Behavior of Rock Materials. In Engineering Geology; Intech Open: Leeds, UK, 2021. [Google Scholar]
- Innocente, J.C.; Paraskevopoulou, C.; Diederichs, M.S. Estimating the long-term strength and time-to-failure of brittle rocks from laboratory testing. Int. J. Rock Mech. Min. Sci. 2021, 147, 104900. [Google Scholar] [CrossRef]
- Barton, N. Engineering classification of rock masses for the design of tunnel support. Rock Mech. 1974, 6, 189–236. [Google Scholar] [CrossRef]
- Bieniawski, Z.T. Geomechanics classification of rock—Masses and its application in tunnelling. In Proceedings of the Congress of the International Society for Rock Mechanics, Denver, CO, USA, 1–7 September 1974; National Academy of Sciences: Washingston, DC, USA, 1974; pp. 27–32. [Google Scholar]
- Martin, C.D. The Strength of Massive Lac du Bonnet Granite Around Underground Openings. Ph.D. Thesis, University of Manitoba, Winnipeg, MB, Canada, 1993. [Google Scholar]
- Diederichs, M.S. Instability of Hard Rockmasses: The Role of Tensile Damage and Relaxation. Ph.D. Thesis, University of Waterloo, Waterloo, ON, Canada, 1999. [Google Scholar]
- Marinos, P.; Hoek, E. GSI: A Geologically Friendly Tool for Rock Mass Strength Estimation. In Proceedings of the GeoEng 2000 Conference, Melbourne, Australia, 19–24 November 2000; pp. 1422–1442. [Google Scholar]
- Diederichs, M.S.; Martin, C.D. Measurement of spalling parameters from laboratory testing. In ISRM International Symposium—EUROCK 2010; Taylor & Francis Group: Lausanne, Switzerland, 2010. [Google Scholar]
- Paraskevopoulou, C.; Perras, M.A. Investigating the long-term behaviour of brittle rocks: Visco-elastic creep parameters and time-to-failure. In Proceedings of the Progressive Rock Failure Conference, Ascona, Switzerland, 5–9 June 2017; p. 4. [Google Scholar]
- Diederichs, M.S.; Day, J.J.; Ghazvinian, E.; Perras, M.; Paraskevopoulou, C.; Walton, G. Progressive brittle damage processes and failure in rock. In Proceedings of the PRF 2017: Progressive Failure and Long-Term Strength Degradation of Brittle Rocks ISRM Conference, Ascona, Switzerland, 5–9 June 2017. [Google Scholar]
- Bewick, R.P.; Kaiser, P.K.; Amann, F. Strength of massive to moderately jointed hard rock masses. J. Rock Mech. Geotech. Eng. 2019, 11, 562–575. [Google Scholar] [CrossRef]
- Tapponnier, P.; Brace, W.F. Development.of Stress-Induced Mlcrocracks m Westerly Granite. Int. J. Rock Mech. Min. Sci. Geomech. Abstr. 1976, 13, 103–112. [Google Scholar] [CrossRef]
- Hoek, E. Brittle Failure in Rock. In Rock Mechanics in Engineering Practice; Stagg, K.G., Zienkiewics, O.C., Eds.; Wiley: London, UK, 1968; pp. 99–124. [Google Scholar]
- Ottosen, N.S. Viscoelastic-viscoplastic formulas for analysis of cavities in rock salt. Int. J. Rock Mech. Min. Sci. Geomech. 1986, 23, 201–212. [Google Scholar] [CrossRef]
- Martin, C.D.; Read, R.S.; Martino, J.B. Observation of brittle failure around a circular test tunnel. Int. J. Rock Mech. Min. Sci. 1997, 34, 1065–1073. [Google Scholar] [CrossRef]
- Perras, M.; Diederichs, M.S.; Wannenmacher, H. Underground Excavation Behaviour of the Queenston Formation: Tunnel Back Analysis for Application to Shaft Damage Dimension Prediction. Rock Mech. Rock Eng. 2014, 48, 1647–1671. [Google Scholar] [CrossRef]
- Lajtai, E.Z.; Schmidtke, R.H. Delayed failure in rock loaded in uniaxial compression. Rock Mech. Rock Eng. 1986, 19, 11–25. [Google Scholar] [CrossRef]
- Diederichs, M.S.; Kaiser, P.K.; Eberhardt, E. Damage initiation and propagation in hard rock during tunnelling and the influence of near-face stress rotation. Int. J. Rock Mech. Min. Sci. 2004, 41, 785–812. [Google Scholar] [CrossRef]
- Damjanac, B.; Fairhurst, C. Evidence for a long-term strength threshold in crystalline rock. Rock Mech. Rock Eng. 2010, 43, 513–531. [Google Scholar] [CrossRef]
- Walton, G. Initial guidelines for the selection of input parameters for cohesion-weakening-friction-strengthening (CWFS) analysis of excavations in brittle rock. Tunn. Undergr. Space Technol. 2019, 84, 189–200. [Google Scholar] [CrossRef]
- Da Andeade, N.C. On the Viscous Flow in Metals, and Allied Phenomena. Proc. R. Soc. A-Math Phys. Eng. Sci. 1910, 84, 1–12. Available online: http://rspa.royalsocietypublishing.org/cgi/doi/10.1098/rspa.1910.0050 (accessed on 13 January 2021).
- Norton, F.H. The Creep of Steel at High Temperatures, 1st ed.; McGraw-Hill Book Company, Inc.: New York, NY, USA, 1929. [Google Scholar]
- Griggs, D. Experimental flow of rocks under conditions favoring recrystallization. Geol. Soc. Am. Bull. 1940, 51, 1001–1022. Available online: https://pubs.geoscienceworld.org/gsabulletin/article/51/7/1001-1022/3803 (accessed on 13 January 2021). [CrossRef]
- Le Comte, P. Creep in Rock Salt. J. Geol. 1965, 73, 469–484. [Google Scholar] [CrossRef]
- Panet, M. Time-Dependent Deformations in Underground Works. In Proceedings of the 4th International Congress on Rock Mechanics, Montreux, Switzerland, 2–8 September 1979; p. 12. [Google Scholar]
- Van Sambeek, L.L. Creep of Rock Salt under Inhomogeneous Stress Conditions; Colorado School of Mines: Golden, CO, USA, 1986. [Google Scholar]
- Aubertin, M.; Gill, D.E.; Ladanyi, B. An internal variable model for the creep of rocksalt. Rock Mech. Rock Eng. 1991, 24, 81–97. [Google Scholar] [CrossRef]
- Malan, D.F. Time-dependent behaviour of deep level tabular excavations in hard rock. Rock Mech. Rock Eng. 1999, 32, 123–155. [Google Scholar] [CrossRef]
- Hagros, A.; Johansson, E.; Hudson, J.A. Time Dependency in the Mechanical Properties of Crystalline Rocks—A Literature Survey; Posiva Oy: Eurajoki, Finland, 2008. [Google Scholar]
- Cristescu, N.D. Time Effects in Rock Mechanics. In SEM Annual Conference; Society for Experimental Mechanics Inc.: Albuquerque, NM, USA, 2009. [Google Scholar]
- Brantut, N.; Heap, M.J.; Meredith, P.G.; Baud, P. Time-dependent cracking and brittle creep in crustal rocks: A review. J. Struct. Geol. 2013, 52, 17–43. [Google Scholar] [CrossRef]
- Paraskevopoulou, C.; Diederichs, M. Analysis of time-dependent deformation in tunnels using the Convergence-Confinement Method. Tunn. Undergr. Sp. Technol. 2018, 71, 62–80. [Google Scholar] [CrossRef]
- Weaver, S.H. Creep curve of steel. Trans. Am. Soc. Mech. Eng. 1936, LVIII, 745–751. [Google Scholar]
- Hooke, R. De Potentia Restitutiva, or of Spring Explaining the Power of Springing Bodies; John Martyn Printer to the Royal Society: London, UK, 1678. [Google Scholar]
- Langer, M. The rheological behaviour of rock salt. In Proceedings of the 1st Conference on Mechanical Behaviour of of Salt, Pennsylvania State University, University Park, PA, USA, 9–11 November 1984; Trans Tech Publications Ltd.: Clausthal, Germany, 1984; pp. 201–230. [Google Scholar]
- Patchet, S.J. Rock Mechanics Studies Associated with the Development of a Deep Potash Mine. Ph.D. Thesis, University of Newcastle, Newcastle Upon Tyne, UK, 1970. [Google Scholar]
- Paraskevopoulou, C.; Perras, M.; Diederichs, M.S.; Amaan, F.; Loew, S.; Lam, T.; Jensen, M. The three stages of stress-relaxation—Observations for the long-term behaviour of rocks based on laboratory testing. J. Eng. Geol. 2017, 216, 56–75. [Google Scholar] [CrossRef]
- Barla, G. Tunnelling under Squeezing Rock Conditions. Tunnelling Mechanics—Advances in Geotechnical Engineering and Tunnelling, Eurosummer-School in Tunnel Mechanics. 2000. Available online: http://scholar.google.com/scholar?hl=en&btnG=Search&q=intitle:Tunnelling+under+squeezing+rock+conditions#0 (accessed on 15 January 2021).
- Barla, M. Tunnels in Swelling Ground. Ph.D. Thesis, University of Genoa, Genoa, Italy, 1999. [Google Scholar]
- Terzaghi, K. Rock Tunneling with Steel Supports. In Rock Defects and Loads on Tunnel Support; Proctor, R.V., White, T.L., Eds.; The Commercial Shearing and Stamping Company: Youngstown, OH, USA, 1946; pp. 15–99. [Google Scholar]
- Schowalter, W.R. Mechanics of Non-Newtonian Fluids, 1st ed; Pergamon: Oxford, UK, 1978. [Google Scholar]
- Cristescu, N. Mechanics of Elastic and Inelastic Solids. In Rock Rheology; Springer: Dordrecht, The Netherlands, 1989; Volume 7, Available online: http://link.springer.com/10.1007/978-94-009-2554-0 (accessed on 20 January 2021).
- Batchelor, G.K. An Introduction to Fluid Dynamics; Cambridge University Press: Cambridge, UK, 2000; Available online: https://www.cambridge.org/core/product/identifier/9780511800955/type/book (accessed on 20 January 2021).
- Bingham, E.C. An Investigation of the Laws of Plastic Flow. Bull. Bur. Stand. 1916, 13, 309–353. [Google Scholar] [CrossRef]
- Tanner, R.I. Engineering Rheology; Oxford University Press: Oxford, UK, 1988. [Google Scholar]
- Roylance, D. Engineering Viscoelasticity. 2001, 1–37. Available online: https://web.mit.edu/course/3/3.11/www/modules/visco.pdf (accessed on 20 January 2021).
- Debernardi, D. Viscoplastic Behaviour and Design of Tunnels; Politecnico di Torino: Torino, Italy, 2008; Available online: http://m.danieledebernardi.it/sites/danieledebernardi.it/files/Daniele_Debernardi_PhD_Thesis.pdf (accessed on 20 January 2021).
- Itasca Consulting Group I. FLAC, version 7; Constitutive Models: Theory and Implementation; Itasca Consulting Group, Inc.: Itasca, IL, USA; Minneapolis, MN, USA, 2011. [Google Scholar]
- Gioda, G.; Civdini, A. Numerical methods for the analysis of tunnel performance in squeezing rocks. Rock Mech. Rock Eng. 1996, 29, 171–193. [Google Scholar] [CrossRef]
- Goodman, R. Introduction to Rock Mechanics, 2nd ed.; John Wiley & Sons: New York, NY, USA, 1989. [Google Scholar]
- Paraskevopoulou, C.; Diederichs, M.S. A comparison of viscous models under constant strain and constant stress: Implications for tunnel analysis. In Proceedings of the World Tunnel Congress on Underground—The Way to the Future, Geneva, Switzerland, 31 May–7 June 2013. [Google Scholar]
- Paraskevopoulou, C.; Diederichs, M.S. Long-term behaviour in tunnelling: Limitations in using creep parameters. In Proceedings of the 66th Canadian Geotechnical Conference, GeoMontreal on Geoscience for Sustainability, Montreal, QC, Canada, 3–6 October 2013. [Google Scholar]
- Innocente, J.C.; Diederichs, M.S.; Paraskevopoulou, C.; Aubertin, J.D. Numerical investigation of the applicability of time-dependent models. In Proceedings of the International Society for Rock Mechanics Symposium—Eurock 2020—Hard Rock Engineering, Trondheim, Norway, 14–19 June 2020. [Google Scholar]
- Perzyna, P. Fundamental problems in viscoplasticity. Adv. Appl. Mech. 1966, 9, 244–368. [Google Scholar]
- ISRM. Suggested methods for determining the strength of rock materials in triaxial compression: Revised version. Int. J. Rock Mech. Min. Sci. Geomech. Abstr. 1983, 20, 285–290. [Google Scholar] [CrossRef]
- ASTM D7012-14e1; Standard Test Methods for Compressive Strength and Elastic Moduli of Intact Rock Core Specimens under Varying States of Stress and Temperatures. ASTM: West Conshohocken, PA, USA, 2014. Available online: www.astm.org (accessed on 20 January 2021).
- Aydan, O.; Takashi, I.; Ugur, O.; Kwasniewski, M.; Shariar, K.; Okuno, T.; Özgenoğlu, A.; Malan, D.F.; Okada, T. ISRM Suggested Methods for Determining the Creep Characteristics of Rock. Rock Mech. Rock Eng. 2013, 47. [Google Scholar]
- Schmidtke, R.H. The Strength and Static Fatigue of a Granite, an Anorthosite, and a Limestone. Master’s Thesis, University of Manitoba, Winnipeg, MB, Canada, 1986. [Google Scholar]
- Perras, M.A.; Diederichs, M.S. A Review of the Tensile Strength of Rock: Concepts and Testing. Geotech. Geol. Eng. 2014, 32, 525–546. [Google Scholar] [CrossRef]
- Lau, J.S.O.; Gorski, B.; Conlon, B.; Anderson, T. Long-Term Loading Tests on Saturated Granite and Granodiorite; Ontario Power Generation Report 06819-REP-01300-10016 R00; Nuclear Waste Management Division: Ottawa, ON, Canada, 2000. [Google Scholar]
- Potyondy, D.O. Simulating stress corrosion with a bonded-particle model for rock. Int. J. Rock Mech. Min. Sci. 2007, 44, 677–691. [Google Scholar] [CrossRef]
- Wang, M.; Cai, M. A grain-based time-to-failure creep model for brittle rocks. Comput. Geotech. 2020, 119, 103344. [Google Scholar] [CrossRef]
- Mogi, K. Pressure dependence of rock strength and transition from brittle fracture to ductile flow. Bull. Earthq. Res. Inst. 1966, 44, 215–232. [Google Scholar]
- Kaiser, P.K.; Diederichs, M.S.; Martin, C.D.; Sharp, J.; Steiner, W. Underground works in hard rock tunneling and mining. In Proceedings of the International Conference on Geotechnical and Geological Engineering; Technomic Publishing Co.: Melbourne, Australia, 2000; Volume 1, pp. 841–926. [Google Scholar]
- Bieniawski, Z.T. Mechanism of brittle fracture of rock: Part I—Theory of the fracture process. Int. J. Rock Mech. Min. Sci. Geomech. Abstr. 1967, 4, 395–406. Available online: papers3://publication/uuid/D09BB22D-D474-4C6F-A738-F7ED091B08E0 (accessed on 20 January 2021). [CrossRef]
- Wawersik, W.R.; Fairhurst, C. A study of brittle rock fracture in laboratory compression experiments. Int. J. Rock Mech. Min. Sci. 1970, 7, 561–575. [Google Scholar] [CrossRef]
- Heap, M.J.; Baud, P.; Meredith, P.G.; Bell, A.F.; Main, I.G. Time-dependent brittle creep in darley dale sandstone. J. Geophys. Res. Solid Earth 2009, 114, 1–22. [Google Scholar] [CrossRef] [Green Version]
- Heap, M.J.; Baud, P.; Meredith, P.G.; Vinciguerra, S.; Bell, A.F.; Main, I.G. Brittle creep in basalt and its application to time-dependent volcano deformation. Earth Planet. Sci. Lett. 2011, 307, 71–82. [Google Scholar] [CrossRef]
- Paraskevopoulou, C.; Diederichs, M.; Perras, M.A.; Amann, F.; Loew, S. Long-term static load laboratory testing behaviour of different rock types. In Proceedings of the 68th Canadian Geotechnical Conference, Quebec City, QC, Cananda, 20–23 September 2015; p. 7. Available online: https://www.researchgate.net/publication/282247168_Long-term_static_load_laboratory_testing_behaviour_of_different_rock_types (accessed on 20 January 2021).
- Paraskevopoulou, C.; Perras, M.; Diederichs, M.S.; Amaan, F.; Loew, S. Observations for the long-term behaviour of carboniferous limestone rocks based on laboratory testing. In Proceedings of the EUROCK Future Development of Rock Mechanics—64th Geomechanics Colloqium, Salzburg, Austria, 7–10 October 2015. [Google Scholar]
- Paraskevopoulou, C.; Perras, M.; Diederichs, M.; Loew, S.; Lam, T.; Jensen, M. Time-Dependent Behaviour of Brittle Rocks Based on Static Load Laboratory Tests. Geotech. Geol. Eng. 2018, 36, 337–376. [Google Scholar] [CrossRef]
- Zhang, H.; Wang, Z.; Zheng, Y.; Duan, P.; Ding, S. Study on tri-axial creep experiment and constitutive relation of different rock salt. Saf. Sci. 2012, 50, 801–805. [Google Scholar] [CrossRef]
- Yang, S.Q.; Xu, P.; Ranjith, P.G.; Chen, G.F.; Jing, H.W. Evaluation of creep mechanical behavior of deep-buried marble under triaxial cyclic loading. Arab J. Geosci. 2015, 8, 6567–6582. [Google Scholar] [CrossRef]
- Ngwenya, B.T.; Main, I.G.; Elphick, S.C.; Crawford, B.R.; Smart, B.G.D. A constitutive law for low-temperature creep of water-saturated sandstones. J. Geophys. Res. 2001, 106, 21811–21826. [Google Scholar] [CrossRef]
- Wu, F.; Gao, R.; Zou, Q.; Chen, J.; Liu, W.; Peng, K. Long-term strength determination and nonlinear creep damage constitutive model of salt rock based on multistage creep test: Implications for underground natural gas storage in salt cavern. Energy Sci. Eng. 2020, 8, 1592–1603. [Google Scholar] [CrossRef] [Green Version]
- Venturini, G.; Bianchi, N.; Diederichs, M. How to Quantify the Reliability of a Geological and Geotechnical Reference Model in Underground Projects. In Proceedings of the RETC 2019, Chicago, IL, USA, 16–19 June 2019; pp. 525–537. [Google Scholar]
- Skolidis, A.; Paraskevopoulou, C.; Marinos, V.; Parsons, S. Accounting for uncertainty in geotechnical design using a probabilistic approach. In Proceedings of the WTC 2020, Word Tunnelling Congress on Innovation and Sustainable Underground Serving Global Connectivity, Kuala Lumpur, Malaysia, 11–17 September 2020. [Google Scholar]
- Paraskevopoulou, C.; Skolidis, A.; Parson, S.; Marinos, V. Integrating uncertainty into geotechnical design of underground openings in tectonically undisturbed but lithologically varied sedimentary environments. Tunn. Undergr. Space Technol. J. 2021, 113, 103979. [Google Scholar] [CrossRef]
- Yau, K.; Paraskevopoulou, C.; Konstantis, S. A probabilistic approach to assess the risk of liner instability when tunnelling through karst geology using geotechnical baseline reports. In Proceedings of the WTC 2019, Word Tunnelling Congress on Tunnels and Underground Cities: Engineering and Innovation Meet Archaeology, Architecture and Art, Naples, Italy, 3–9 May 2019. [Google Scholar]
- Yau, K.; Paraskevopoulou, C.; Konstantis, S. Spatial variability of karst and effect on tunnel lining and water inflow. A probabilistic approach. Tunn. Undergr. Space Technol. J. 2020, 97, 103248. [Google Scholar] [CrossRef]
- Van der Pouw Kraan, M.; Diederichs, M.S. Behavioural uncertainty for rock tunnels: Implications for rock mass definitions or predictions in geotechnical baseline reports. In Proceedings of the World Tunnel Congress, Iguazu, Brazil, 9–14 May 2014. [Google Scholar]
- Paraskevopoulou, C.; Dallavalle, M.; Konstantis, S.; Spyridis, P.; Benardos, A. 2022. Assessing the Failure Potential of Tunnels and the Impacts on Cost Overruns and Project Delays. Tunn. Undergr. Space Technol. J. 2022, 123, 104443. [Google Scholar] [CrossRef]
- Paraskevopoulou, C.; Benardos, A. Construction cost estimation for Greek road tunnels in relation to the geotechnical conditions. In Proceedings of the International Symposium Practices and Trends for Financing and Contracting Tunnels and Underground Works (Tunnel Contracts 2012), Athens, Greece, 22–23 March 2012. [Google Scholar]
- Paraskevopoulou, C.; Benardos, A. Assessing the construction cost of tunnel projects. Tunn. Undergr. Space Technol. J. 2013, 38, 497–505. [Google Scholar] [CrossRef]
- Paraskevopoulou, C.; Boutsis, G. Cost Overruns in Tunnelling Projects: Investigating the Impact of Geological and Geotechnical Uncertainty Using Case Studies. Special Issue Underground Infrastructure Engineering of Infrastructure Journal (MDPI). Infrastructures 2020, 5, 73. [Google Scholar] [CrossRef]
- Benardos, A.; Paraskevopoulou, C.; Diederichs, M. Assessing and benchmarking the construction cost of tunnels. In Proceedings of the 66th Canadian Geotechnical Conference, GeoMontreal on Geoscience for Sustainability, Montreal, QC, Canada, 29 September–3 October 2013. [Google Scholar]
















| Strength Ratio | GSI < 55 | GSI = 55–65 | GSI = 65–80 | GSI > 80 |
|---|---|---|---|---|
| UCS/T < 9 | GSI | GSI | GSI | GSI |
| UCS/T = 9–15 | GSI | GSI | GSI | GSI or CWFS * |
| UCS/T = 15–20 | GSI | GSI or CWFS * | CWFS or GSI * | CWFS |
| UCS/T > 20 | GSI | GSI or CWFS * | CWFS | CWFS |
| Model | Mechanical Analogue | Stress, Strain-Time Behaviour |
|---|---|---|
| Maxwell | ![]() | ![]() |
| Kelvin -Voigt | ![]() | ![]() |
| Zener | ![]() | ![]() |
| Burgers | ![]() | ![]() |
| CVISC | ![]() | ![]() |
| Simplified Cividini and Gioda | ![]() | ![]() |
| Parameter | Value |
|---|---|
| K (GPa) | 58 |
| G (GPa) | 25 |
| cP (MPa) | 40 |
| cr (MPa) | 0.1 |
| φP(deg) | 50 |
| φr(deg) | 22 |
| σTP (MPa) | 8 |
| σTr (MPa) | 0 |
| ηM (Pa s) | |
| ηK (Pa s) | 4.08E + 14 |
| GK (GPa) | 107 |
| A | 1.18 |
| B | 0.084 |
| C | 3.81 |
| Parameter | Value |
|---|---|
| K (GPa) | 58 |
| G (GPa) | 25 |
| cP (MPa) | 40 |
| cr (MPa) | 0.1 |
| φP (deg) | 20 |
| φr (deg) | 50 |
| σTP (MPa) | 8 |
| σTr (MPa) | 0 |
| (%) | 0.3 |
| (%) | 0.3 |
Publisher’s Note: MDPI stays neutral with regard to jurisdictional claims in published maps and institutional affiliations. |
© 2022 by the authors. Licensee MDPI, Basel, Switzerland. This article is an open access article distributed under the terms and conditions of the Creative Commons Attribution (CC BY) license (https://creativecommons.org/licenses/by/4.0/).
Share and Cite
Innocente, J.; Paraskevopoulou, C.; Diederichs, M.S. Time-Dependent Model for Brittle Rocks Considering the Long-Term Strength Determined from Lab Data. Mining 2022, 2, 463-486. https://doi.org/10.3390/mining2030025
Innocente J, Paraskevopoulou C, Diederichs MS. Time-Dependent Model for Brittle Rocks Considering the Long-Term Strength Determined from Lab Data. Mining. 2022; 2(3):463-486. https://doi.org/10.3390/mining2030025
Chicago/Turabian StyleInnocente, James, Chrysothemis Paraskevopoulou, and Mark S. Diederichs. 2022. "Time-Dependent Model for Brittle Rocks Considering the Long-Term Strength Determined from Lab Data" Mining 2, no. 3: 463-486. https://doi.org/10.3390/mining2030025
APA StyleInnocente, J., Paraskevopoulou, C., & Diederichs, M. S. (2022). Time-Dependent Model for Brittle Rocks Considering the Long-Term Strength Determined from Lab Data. Mining, 2(3), 463-486. https://doi.org/10.3390/mining2030025













