A Review of Semiconductor Based Ionising Radiation Sensors Used in Harsh Radiation Environments and Their Applications
Abstract
Simple Summary
Abstract
1. Introduction
2. Radiation Sources and Mechanisms
2.1. Sources of Radiation
2.2. Radiation Mechanism
3. Scope of Radiation Measurement
4. Radiation Measurement Techniques
4.1. Silicon Diode Based Radiation Sensors
4.2. Silicon Photodiodes Based Radiation Sensors
4.3. Radiation Sensitive MOSFET Devices
4.4. SRAM Based Radiation Monitor
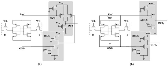
4.5. Built-In Current Sensor Based Radiation Detectors
4.6. 3-D NAND Flash Based Radiation Monitors
4.7. Memristor Based Radiation Sensor
4.8. Variable Capacitor Based Radiation Sensor
5. Sensor Performance
6. Discussion
Author Contributions
Funding
Institutional Review Board Statement
Informed Consent Statement
Data Availability Statement
Conflicts of Interest
Abbreviations
| MOSFET | metal-oxide-semiconductor fieldeffect transistors | 
| CMOS | Complementary MOSFET | 
| pMOS | p-channel MOSFET | 
| nMOS | n-channel MOSFET | 
| TID | Total ionising dose | 
| SEE | Single-event effect | 
| DD | Displacement damage | 
| NIEL | Non-ionising energy loss | 
| SEU | Single-event upset | 
| SET | Single-event transient | 
| SEFI | Single-event functional interrupt | 
| SEL | Single-event latchup | 
| SEGR | Single-event gate rupture | 
| SEB | Single-event burnout | 
| SRAM | Static random access memory | 
| RADFET | Radiation-sensitive fieldeffect transistor | 
| FOXFET | Field-oxide fieldeffect transistor | 
| FGMOS | Floating-gate MOSFET | 
| SSPM | Solid-state photomultiplier | 
| FDSOI | Fully-depleted silicon-on-insulator | 
| LET | Linear energy transfer | 
| FG | Floating gate | 
| PMT | Photomultiplier tube | 
| ADC | Analog-to-digital converter | 
| SCU | Single-cell upset | 
| MCU | Multi-cell upset | 
| COTS | Commercial off-the-shelf | 
| BICS | Built-in current sensor | 
| pBICS | pMOS activated BICS | 
| nBICS | nMOS activated BICS | 
| ReRAM | Resistive random-access-memory | 
| BOX | Buried-oxide | 
| LEO | Low Earth orbit | 
| GEO | Geosynchronous equatorial orbit | 
| ISS | International Space Station | 
| SNR | Signal-to-noise ratio | 
References
- Rossin, A.D. Dosimetry for Radiation Damage Studies. IEEE Trans. Nucl. Sci. 1964, 11, 130–136. [Google Scholar] [CrossRef][Green Version]
- Kloepper, R.M. Neutron and Gamma-Ray Rate Sensitivities of Several Dynamic Detectors Used in Radiation Effects. IEEE Trans. Nucl. Sci. 1964, 11, 137–144. [Google Scholar] [CrossRef]
- Beezhold, W.; Beutler, D.; Garth, J.; Griffin, P. A review of the 40-year history of the NSREC’S dosimetry and facilities session (1963–2003). IEEE Trans. Nucl. Sci. 2003, 50, 635–652. [Google Scholar] [CrossRef]
- Hester, D.L.; Glower, D.D.; Overton, L.J. Use of Ferroelectrics for Gamma-Ray Dosimetry. IEEE Trans. Nucl. Sci. 1964, 11, 145–154. [Google Scholar] [CrossRef]
- Birdsall, R.L.; Binder, D.; Peffley, W.M. A Strain Gage Dosimeter for Pulsed Radiation Environment. IEEE Trans. Nucl. Sci. 1968, 15, 346–349. [Google Scholar] [CrossRef]
- Sukis, D.R. Thermoluminescent Properties of CaF2: Dy TLD’S. IEEE Trans. Nucl. Sci. 1971, 18, 185–189. [Google Scholar] [CrossRef]
- Wrobel, T.F.; Berger, R.A. Silicon Calorimeter System for Gamma and Electron-Beam Radiation Dosimetry. IEEE Trans. Nucl. Sci. 1975, 22, 2314–2318. [Google Scholar] [CrossRef]
- Adams, L.; Holmes-Siedle, A. The Development of an MOS Dosimetry Unit for Use in Space. IEEE Trans. Nucl. Sci. 1978, 25, 1607–1612. [Google Scholar] [CrossRef]
- Zoutendyk, J.A.; Malone, C.J. Field Funneling and Range Straggling in Partially Depleted Silicon Surface-Barrier Detectors. IEEE Trans. Nucl. Sci. 1984, 31, 1101–1105. [Google Scholar] [CrossRef]
- Brucker, G.J.; Stassinopoulos, E.G.; Van Gunten, O.; August, L.S.; Jordan, T.M. The Damage Equivalence of Electrons, Protons, and Gamma Rays in MOS Devices. IEEE Trans. Nucl. Sci. 1982, 29, 1966–1969. [Google Scholar] [CrossRef]
- Stapor, W.J.; August, L.S.; Wilson, D.H.; Oldham, T.R.; Murray, K.M. Proton and Heavy-Ion Radiation Damage Studies in MOS Transistors. IEEE Trans. Nucl. Sci. 1985, 32, 4399–4404. [Google Scholar] [CrossRef]
- Rosenfeld, A.; Carolan, M.; Kaplan, G.; Allen, B.; Khivrich, V. MOSFET dosimeters: The role of encapsulation on dosimetric characteristics in mixed gamma-neutron and megavoltage X-ray fields. IEEE Trans. Nucl. Sci. 1995, 42, 1870–1877. [Google Scholar] [CrossRef]
- O’Connell, B.; Conneely, C.; McCarthy, C.; Doyle, J.; Lane, W.; Adams, L. Electrical performance and radiation sensitivity of stacked PMOS dosimeters under bulkbias control. IEEE Trans. Nucl. Sci. 1998, 45, 2689–2694. [Google Scholar] [CrossRef]
- Scheick, L.; McNulty, P.; Roth, D. Dosimetry based on the erasure of floating gates in the natural radiation environments in space. IEEE Trans. Nucl. Sci. 1998, 45, 2681–2688. [Google Scholar] [CrossRef]
- Martin, M.; Roth, D.; Garrison-Darrin, A.; McNulty, P.; Andreou, A. FGMOS dosimetry: Design and implementation. IEEE Trans. Nucl. Sci. 2001, 48, 2050–2055. [Google Scholar] [CrossRef]
- Zoutendyk, J.A.; Malone, C.J.; Smith, L.S. Experimental Determination of Single-Event Upset (SEU) as a Function of Collected Charge in Bipolar Integrated Circuits. IEEE Trans. Nucl. Sci. 1984, 31, 1167–1174. [Google Scholar] [CrossRef]
- Farrell, G.E.; McNulty, P.J. Microdosimetric Aspects of Proton-Induced Nuclear Reactions in Thin Layers of Silicon. IEEE Trans. Nucl. Sci. 1982, 29, 2012–2016. [Google Scholar] [CrossRef]
- Rosenfeld, A. MOSFET Dosimetry on Modern Radiation Oncology Modalities. Radiat. Prot. Dosim. 2002, 101, 393–398. [Google Scholar] [CrossRef]
- Fleetwood, D.M. Radiation Effects in a Post-Moore World. IEEE Trans. Nucl. Sci. 2021, 68, 509–545. [Google Scholar] [CrossRef]
- Benedetto, J.M.; Boesch, H.E.; McLean, F.B.; Mize, J.P. Hole Removal in Thin-Gate MOSFETs by Tunneling. IEEE Trans. Nucl. Sci. 1985, 32, 3916–3920. [Google Scholar] [CrossRef]
- Saks, N.S.; Ancona, M.G.; Modolo, J.A. Generation of Interface States by Ionizing Radiation in Very Thin MOS Oxides. IEEE Trans. Nucl. Sci. 1986, 33, 1185–1190. [Google Scholar] [CrossRef]
- Dodd, P.E.; Shaneyfelt, M.R.; Schwank, J.R.; Felix, J.A. Current and Future Challenges in Radiation Effects on CMOS Electronics. IEEE Trans. Nucl. Sci. 2010, 57, 1747–1763. [Google Scholar] [CrossRef]
- Dodd, P.; Shaneyfelt, M.; Felix, J.; Schwank, J. Production and propagation of single-event transients in high-speed digital logic ICs. IEEE Trans. Nucl. Sci. 2004, 51, 3278–3284. [Google Scholar] [CrossRef]
- Stassinopoulos, E.; Raymond, J. The space radiation environment for electronics. Proc. IEEE 1988, 76, 1423–1442. [Google Scholar] [CrossRef]
- Barth, J.; Dyer, C.; Stassinopoulos, E. Space, atmospheric, and terrestrial radiation environments. IEEE Trans. Nucl. Sci. 2003, 50, 466–482. [Google Scholar] [CrossRef]
- Normand, E. Single-event effects in avionics. IEEE Trans. Nucl. Sci. 1996, 43, 461–474. [Google Scholar] [CrossRef]
- Dunn, T.S.; Williams, J.L. Comparison of Cobalt-60 and Electron Accelerators for Radiation Sterilization. IEEE Trans. Nucl. Sci. 1979, 26, 1776–1783. [Google Scholar] [CrossRef]
- Piroue, P.A. Radiation Detectors in High Energy Physics. IEEE Trans. Nucl. Sci. 1966, 13, 54–59. [Google Scholar] [CrossRef]
- Bruzzi, M. Radiation damage in silicon detectors for high-energy physics experiments. IEEE Trans. Nucl. Sci. 2001, 48, 960–971. [Google Scholar] [CrossRef]
- Oldham, T.; McLean, F. Total ionizing dose effects in MOS oxides and devices. IEEE Trans. Nucl. Sci. 2003, 50, 483–499. [Google Scholar] [CrossRef]
- Meisenheimer, T.; Fleetwood, D. Effect of radiation-induced charge on 1/f noise in MOS devices. IEEE Trans. Nucl. Sci. 1990, 37, 1696–1702. [Google Scholar] [CrossRef]
- Fleetwood, D.; Meisenheimer, T.; Scofield, J. 1/f noise and radiation effects in MOS devices. IEEE Trans. Electron Devices 1994, 41, 1953–1964. [Google Scholar] [CrossRef]
- Baumann, R. Radiation-induced soft errors in advanced semiconductor technologies. IEEE Trans. Device Mater. Reliab. 2005, 5, 305–316. [Google Scholar] [CrossRef]
- Moll, M. Displacement Damage in Silicon Detectors for High Energy Physics. IEEE Trans. Nucl. Sci. 2018, 65, 1561–1582. [Google Scholar] [CrossRef]
- Rizzolo, S.; Le Roch, A.; Marcelot, O.; Corbière, F.; Paillet, P.; Gaillardin, M.; Magnan, P.; Goiffon, V. High Displacement Damage Dose Effects in Radiation Hardened CMOS Image Sensors. IEEE Trans. Nucl. Sci. 2020, 67, 1256–1262. [Google Scholar] [CrossRef]
- Neutron-Induced Single Event Upset (SEU) FAQ. Microsemi Corporation. Available online: https://www.microsemi.com/document-portal/doc_view/130760-neutron-seu-faq (accessed on 22 June 2021).
- Cisco 12,000 Single Event Upset Failures Overview and Work Around Summary. Cisco Systems. Available online: https://www.cisco.com/c/en/us/support/docs/field-notices/200/fn25994.html (accessed on 22 June 2021).
- Ziegler, J.; Puchner, H. SER–History, Trends and Challenges: A Guide for Designing with Memory ICs; Cypress: San Jose, CA, USA, 2004. [Google Scholar]
- Frost, C. When the Chips Are down…Neutron Detection with Micro-Pattern Gaseous Detectors, CERN. Available online: https://indico.cern.ch/event/265187/contributions/590981/attachments/472030/653484/CHIPIR-CERN151013.pdf (accessed on 22 June 2021).
- Microsoft Finds Underwater Datacenters are Reliable, Practical and Use Energy Sustainably. Microsoft Corporation. Available online: https://news.microsoft.com/innovation-stories/project-natick-underwater-datacenter (accessed on 22 June 2021).
- Ravotti, F. Dosimetry Techniques and Radiation Test Facilities for Total Ionizing Dose Testing. IEEE Trans. Nucl. Sci. 2018, 65, 1440–1464. [Google Scholar] [CrossRef]
- Kasahara, S.; Mitani, T.; Ogasawara, K.; Takashima, T.; Hirahara, M.; Asamura, K. Application of single-sided silicon strip detector to energy and charge state measurements of medium energy ions in space. Nucl. Instrum. Methods Phys. Res. Sect. Accel. Spectrometers Detect. Assoc. Equip. 2009, 603, 355–360. [Google Scholar] [CrossRef]
- Havranek, M.; Benka, T.; Hejtmanek, M.; Janoska, Z.; Kafka, V.; Kopecek, J.; Kuklova, M.; Marcisovska, M.; Marcisovsky, M.; Neue, G.; et al. MAPS sensor for radiation imaging designed in 180 nm SOI CMOS technology. J. Instrum. 2018, 13, C06004. [Google Scholar] [CrossRef]
- Wong, W.; Alozy, J.; Ballabriga, R.; Campbell, M.; Kremastiotis, I.; Llopart, X.; Poikela, T.; Sriskaran, V.; Tlustos, L.; Turecek, D. Introducing Timepix2, a frame-based pixel detector readout ASIC measuring energy deposition and arrival time. Radiat. Meas. 2020, 131, 106230. [Google Scholar] [CrossRef]
- Damulira, E.; Yusoff, M.N.S.; Omar, A.F.; Mohd Taib, N.H. A review: Photonic devices used for dosimetry in medical radiation. Sensors 2019, 19, 2226. [Google Scholar] [CrossRef]
- Zhang, L.H.; Platt, S.P.; Edwards, R.; Allabush, C. In-situ neutron dosimetry for single-event effect accelerated testing. IEEE Trans. Nucl. Sci. 2009, 56, 2070–2076. [Google Scholar] [CrossRef]
- Duan, Y.; Yao, Y.; Li, Z.; Zhou, J.; Huang, P.; Gao, W. SENSROC12: A Four-Channel Binary-Output Front-End Readout ASIC for Si-PIN-Based Personal Dosimeters. IEEE Trans. Nucl. Sci. 2019, 66, 1976–1983. [Google Scholar] [CrossRef]
- Becker, H.N.; Farr, W.H.; Zhu, D.Q. Radiation Response of Emerging High Gain, Low Noise Detectors. IEEE Trans. Nucl. Sci. 2007, 54, 1129–1135. [Google Scholar] [CrossRef]
- Bertuccio, G.; Puglisi, D.; Macera, D.; Di Liberto, R.; Lamborizio, M.; Mantovani, L. Silicon carbide detectors for in vivo dosimetry. IEEE Trans. Nucl. Sci. 2014, 61, 961–966. [Google Scholar] [CrossRef]
- Chen, X.J.; Johnson, E.B.; Staples, C.J.; Chapman, E.; Alberghini, G.; Benton, E.; Christian, J.F. Space Dosimeters Based on CMOS SSPM Technology. IEEE Trans. Nucl. Sci. 2010, 57, 3450–3455. [Google Scholar] [CrossRef]
- Chen, X.J.; Johnson, E.B.; Stapels, C.J.; Fernandez, D.; Podolsky, M.; Vogel, S.; Christian, J.F. Effects of Proton Radiation on Noise Performance in Solid-State Photomultipliers. IEEE Trans. Nucl. Sci. 2016, 63, 1109–1116. [Google Scholar] [CrossRef]
- Barnaby, H.J. Total-Ionizing-Dose Effects in Modern CMOS Technologies. IEEE Trans. Nucl. Sci. 2006, 53, 3103–3121. [Google Scholar] [CrossRef]
- McGarrity, J.M. Considerations for Hardening MOS Devices and Circuits for Low Radiation Doses. IEEE Trans. Nucl. Sci. 1980, 27, 1739–1744. [Google Scholar] [CrossRef]
- Holmes-Siedle, A.; Adams, L.; Leffler, J.S.; Lindgren, S.R. The RADFET system for real-time dosimeter in nuclear facility. IEEE Trans. Nucl. Sci. 1983, 26, 025004. [Google Scholar]
- RADFET: A review of the use of metaloxide-silicon devices as integrating dosimeters. Int. J. Radiat. Appl. Instrum. Part C Radiat. Phys. Chem. 1986, 28, 235–244. [CrossRef]
- Butson, M.J.; Rozenfeld, A.; Mathur, J.N.; Carolan, M.; Wong, T.P.; Metcalfe, P.E. A new radiotherapy surface dose detector: The MOSFET. Med. Phys. 1996, 23, 655–658. [Google Scholar] [CrossRef]
- Peet, D.; Pryor, M. Evaluation of a MOSFET radiation sensor for the measurement of entrance surface dose in diagnostic radiology. Br. J. Radiol. 1999, 72, 562–568. [Google Scholar] [CrossRef]
- Sarrabayrouse, G.; Siskos, S. Radiation dose measurment using MOSFETs. IEEE Instrum. Meas. Mag. 1998, 1, 26–34. [Google Scholar] [CrossRef]
- Lipovetzky, J.; García-Inza, M.A.; Carbonetto, S.; Carra, M.J.; Redin, E.; Sambuco Salomone, L.; Faigon, A. Field Oxide n-channel MOS Dosimeters Fabricated in CMOS Processes. IEEE Trans. Nucl. Sci. 2013, 60, 4683–4691. [Google Scholar] [CrossRef]
- Haran, A.; Jaksic, A.; Refaeli, N.; Eliyahu, A.; David, D.; Barak, J. Temperature effects and long term fading of implanted and unimplanted gate oxide RADFETs. IEEE Trans. Nucl. Sci. 2004, 51, 2917–2921. [Google Scholar] [CrossRef]
- Garcia-Inza, M.; Carbonetto, S.; Lipovetzky, J.; Carra, M.J.; Salomone, L.S.; Redin, E.G.; Faigon, A. Switched Bias Differential MOSFET Dosimeter. IEEE Trans. Nucl. Sci. 2014, 61, 1407–1413. [Google Scholar] [CrossRef]
- Carbonetto, S.; Garcia-Inza, M.; Lipovetzky, J.; Carra, M.J.; Redin, E.; Salomone, L.S.; Faigón, A. CMOS Differential and Amplified Dosimeter with Field Oxide N-Channel MOSFETs. IEEE Trans. Nucl. Sci. 2014, 61, 3466–3471. [Google Scholar] [CrossRef]
- Kassabov, J.; Nedev, N.; Smirnov, N. Radiation dosimeter based on floating gate MOS transistor. Radiat. Eff. Defects Solids 1991, 116, 155–158. [Google Scholar] [CrossRef]
- Tarr, N.; Mackay, G.; Shortt, K.; Thomson, I. A floating gate MOSFET dosimeter requiring no external bias supply. In Proceedings of the RADECS 97, Fourth European Conference on Radiation and its Effects on Components and Systems (Cat. No.97TH8294), Cannes, France, 15–19 September 1997; pp. 277–281. [Google Scholar] [CrossRef]
- Tarr, N.; Shortt, K.; Wang, Y.; Thomson, I. A sensitive, temperature-compensated, zero-bias floating gate MOSFET dosimeter. IEEE Trans. Nucl. Sci. 2004, 51, 1277–1282. [Google Scholar] [CrossRef]
- Garcia-Moreno, E.; Isern, E.; Roca, M.; Picos, R.; Font, J.; Cesari, J.; Pineda, A. Floating Gate CMOS Dosimeter With Frequency Output. IEEE Trans. Nucl. Sci. 2012, 59, 373–378. [Google Scholar] [CrossRef]
- Chatterjee, B.; Mousoulis, C.; Seo, D.H.; Kumar, A.; Maity, S.; Scott, S.M.; Valentino, D.J.; Morisette, D.T.; Peroulis, D.; Sen, S. A Wearable Real-Time CMOS Dosimeter With Integrated Zero-Bias Floating Gate Sensor and an 861-nW 18-Bit Energy-Resolution Scalable Time-Based Radiation to Digital Converter. IEEE J. Solid-State Circ. 2020, 55, 650–665. [Google Scholar] [CrossRef]
- Pikhay, E.; Roizin, Y.; Nemirovsky, Y. Ultra-low power consuming direct radiation sensors based on floating gate structures. J. Low Power Electron. Appl. 2017, 7, 20. [Google Scholar] [CrossRef]
- Garcia-Moreno, E.; Isern, E.; Roca, M.; Picos, R.; Font, J.; Cesari, J.; Pineda, A. Temperature Compensated Floating Gate MOS Radiation Sensor With Current Output. IEEE Trans. Nucl. Sci. 2013, 60, 4026–4030. [Google Scholar] [CrossRef]
- Brucoli, M.; Danzeca, S.; Brugger, M.; Masi, A.; Pineda, A.; Cesari, J.; Dusseau, L.; Wrobel, F. Floating Gate Dosimeter Suitability for Accelerator-Like Environments. IEEE Trans. Nucl. Sci. 2017, 64, 2054–2060. [Google Scholar] [CrossRef]
- Brucoli, M.; Cesari, J.; Danzeca, S.; Brugger, M.; Masi, A.; Pineda, A.; Dusseau, L.; Wrobel, F. Investigation on Passive and Autonomous Mode Operation of Floating Gate Dosimeters. IEEE Trans. Nucl. Sci. 2019, 66, 1620–1627. [Google Scholar] [CrossRef]
- Prinzie, J.; Thys, S.; Van Bockel, B.; Wang, J.; De Smedt, V.; Leroux, P. An SRAM-Based Radiation Monitor With Dynamic Voltage Control in 0.18-μm CMOS Technology. IEEE Trans. Nucl. Sci. 2019, 66, 282–289. [Google Scholar] [CrossRef]
- Harboe-Sorensen, R.; Guerre, F.X.; Roseng, A. Design, Testing and Calibration of a “Reference SEU Monitor” System. In Proceedings of the 2005 8th European Conference on Radiation and Its Effects on Components and Systems, Cap d’Agde, France, 19–23 September 2005; pp. 3–7. [Google Scholar] [CrossRef]
- Spiezia, G.; Peronnard, P.; Masi, A.; Brugger, M.; Brucoli, M.; Danzeca, S.; Alia, R.G.; Losito, R.; Mekki, J.; Oser, P.; et al. A New RadMon Version for the LHC and its Injection Lines. IEEE Trans. Nucl. Sci. 2014, 61, 3424–3431. [Google Scholar] [CrossRef]
- Harboe-Sorensen, R.; Poivey, C.; Fleurinck, N.; Puimege, K.; Zadeh, A.; Guerre, F.X.; Lochon, F.; Kaddour, M.; Li, L.; Walter, D.; et al. The Technology Demonstration Module On-Board PROBA-II. IEEE Trans. Nucl. Sci. 2011, 58, 1001–1007. [Google Scholar] [CrossRef]
- Blackmore, E.; Trinczek, M.; Jiang, K.; Sachdev, M.; Wright, D. SRAM Dosimeter for Characterizing the TRIUMF Proton and Neutron Beams. IEEE Trans. Nucl. Sci. 2019, 66, 276–281. [Google Scholar] [CrossRef]
- Tsiligiannis, G.; Danzeca, S.; García Alía, R.; Infantino, A.; Lesea, A.; Brugger, M.; Masi, A.; Gilardoni, S.; Saigné, F. Radiation Effects on Deep Submicrometer SRAM-Based FPGAs Under the CERN Mixed-Field Radiation Environment. IEEE Trans. Nucl. Sci. 2018, 65, 1511–1518. [Google Scholar] [CrossRef]
- Alía, R.G.; Tali, M.; Brugger, M.; Cecchetto, M.; Cerutti, F.; Cononetti, A.; Danzeca, S.; Esposito, L.; Fernández-Martínez, P.; Gilardoni, S.; et al. Direct Ionization Impact on Accelerator Mixed-Field Soft-Error Rate. IEEE Trans. Nucl. Sci. 2020, 67, 345–352. [Google Scholar] [CrossRef]
- Kramer, D.; Brugger, M.; Klupak, V.; Pignard, C.; Roeed, K.; Spiezia, G.; Viererbl, L.; Wijnands, T. LHC RadMon SRAM Detectors Used at Different Voltages to Determine the Thermal Neutron to High Energy Hadron Fluence Ratio. IEEE Trans. Nucl. Sci. 2011, 58, 1117–1122. [Google Scholar] [CrossRef]
- Wang, J.; Prinzie, J.; Coronetti, A.; Thys, S.; Alia, R.G.; Leroux, P. Study of SEU Sensitivity of SRAM-Based Radiation Monitors in 65-nm CMOS. IEEE Trans. Nucl. Sci. 2021, 68, 913–920. [Google Scholar] [CrossRef]
- Secondo, R.; Foucard, G.; Danzeca, S.; Losito, R.; Peronnard, P.; Masi, A.; Brugger, M.; Dusseau, L. Embedded Detection and Correction of SEU Bursts in SRAM Memories Used as Radiation Detectors. IEEE Trans. Nucl. Sci. 2016, 63, 2168–2175. [Google Scholar] [CrossRef]
- Meershoek, R.; Verhelst, B.; McInerney, R.; Thijssen, L. Functional and I/sub DDQ/ testing on a static RAM. Proc. Int. Test Conf. 1990, 1990, 929–937. [Google Scholar] [CrossRef]
- Kuo, C.; Toms, T.; Neel, B.; Jelemensky, J.; Carter, E.; Smith, P. Soft-defect detection (SDD) technique for a high-reliability CMOS SRAM. IEEE J. Solid-State Circ. 1990, 25, 61–67. [Google Scholar] [CrossRef]
- Naik, S.; Agricola, F.; Maly, W. Failure analysis of high-density CMOS SRAMs: Using realistic defect modeling and I/sub DDQ/ testing. IEEE Des. Test Comput. 1993, 10, 13–23. [Google Scholar] [CrossRef]
- Su, S.T.; Makki, R.Z. Testing of Static Random Access Memories by Monitoring Dynamic Power Supply Current. J. Electron. Test. 1992, 3, 265–278. [Google Scholar] [CrossRef]
- Yokoyama, H.; Tamamoto, H.; Narita, Y. A current testing for CMOS static RAMs. In Proceedings of the Records of the 1993 IEEE International Workshop on Memory Testing, San Jose, CA, USA, 9–10 August 1993; pp. 137–142. [Google Scholar] [CrossRef]
- Lo, J.C.; Daly, J.; Nicolaidis, M. Design of static CMOS self-checking circuits using built-in current sensing. In Proceedings of the Digest of Papers: FTCS-22: The Twenty-Second International Symposium on Fault-Tolerant Computing, Boston, MA, USA, 8–10 July 1992; pp. 104–111. [Google Scholar] [CrossRef]
- Nicolaidis, M.; Vargas, F.; Courtois, B. Design of built-in current sensors for concurrent checking in radiation environments. IEEE Trans. Nucl. Sci. 1993, 40, 1584–1590. [Google Scholar] [CrossRef]
- Neto, E.; Ribeiro, I.; Vieira, M.; Wirth, G.; Kastensmidt, F. Using Bulk Built-in Current Sensors to Detect Soft Errors. IEEE Micro 2006, 26, 10–18. [Google Scholar] [CrossRef]
- Ndai, P.; Agarwal, A.; Chen, Q.; Roy, K. A soft error monitor using switching current detection. In Proceedings of the 2005 International Conference on Computer Design, San Jose, CA, USA, 2–5 October 2005; pp. 185–190. [Google Scholar] [CrossRef]
- Bastos, R.P.; Natale, G.D.; Flottes, M.L.; Rouzeyre, B. A New Bulk Built-In Current Sensor-Based Strategy for Dealing with Long-Duration Transient Faults in Deep-Submicron Technologies. In Proceedings of the 2011 IEEE International Symposium on Defect and Fault Tolerance in VLSI and Nanotechnology Systems, Vancouver, BC, Canada, 3–5 October 2011; pp. 302–308. [Google Scholar] [CrossRef]
- Simionovski, A.; Wirth, G.I. A Bulk Built-in Current Sensor for SET detection with dynamic memory cell. In Proceedings of the 2012 IEEE 3rd Latin American Symposium on Circuits and Systems (LASCAS), Playa del Carmen, Mexico, 29 February–2 March 2012; pp. 1–4. [Google Scholar] [CrossRef]
- Bastos, R.P.; Torres, F.S.; Dutertre, J.M.; Flottes, M.L.; Di Natale, G.; Rouzeyre, B. A bulk built-in sensor for detection of fault attacks. In Proceedings of the 2013 IEEE International Symposium on Hardware-Oriented Security and Trust (HOST), Austin, TX, USA, 2–3 June 2013; pp. 51–54. [Google Scholar] [CrossRef]
- Zhang, Z.; Ren, Y.; Chen, L.; Gaspard, N.J.; Witulski, A.F.; Holman, T.W.; Bhuva, B.L.; Wen, S.J.; Sammynaiken, R. A bulk built-in voltage sensor to detect physical location of single-event transients. J. Electron. Test. 2013, 29, 249–253. [Google Scholar] [CrossRef]
- Simionovski, A.; Vaz, R.G.; Gonçalez, O.L.; Wirth, G. Impact of total ionizing dose on bulk built-in current sensors with dynamic storage cell. J. Electron. Test. 2015, 31, 411–417. [Google Scholar] [CrossRef]
- Dutertre, J.; Possamai Bastos, R.; Potin, O.; Flottes, M.; Rouzeyre, B.; Di Natale, G.; Sarafianos, A. Improving the ability of Bulk Built-In Current Sensors to detect Single Event Effects by using triple-well CMOS. Microelectron. Reliab. 2014, 54, 2289–2294. [Google Scholar] [CrossRef][Green Version]
- Cappelletti, P. Non volatile memory evolution and revolution. In Proceedings of the 2015 IEEE International Electron Devices Meeting (IEDM), Washington, DC, USA, 7–9 December 2015; pp. 10.1.1–10.1.4. [Google Scholar] [CrossRef]
- Monzio Compagnoni, C.; Goda, A.; Spinelli, A.S.; Feeley, P.; Lacaita, A.L.; Visconti, A. Reviewing the Evolution of the NAND Flash Technology. Proc. IEEE 2017, 105, 1609–1633. [Google Scholar] [CrossRef]
- Fabiano, M.; Furano, G. NAND flash storage technology for mission-critical space applications. IEEE Aerosp. Electron. Syst. Mag. 2013, 28, 30–36. [Google Scholar] [CrossRef]
- Furano, G.; Meoni, G.; Dunne, A.; Moloney, D.; Ferlet-Cavrois, V.; Tavoularis, A.; Byrne, J.; Buckley, L.; Psarakis, M.; Voss, K.O.; et al. Towards the Use of Artificial Intelligence on the Edge in Space Systems: Challenges and Opportunities. IEEE Aerosp. Electron. Syst. Mag. 2020, 35, 44–56. [Google Scholar] [CrossRef]
- Li, P.; Dang, W.; Qin, T.; Zhang, Z.; Lv, C. A Competing Risk Model of Reliability Analysis for NAND-Based SSDs in Space Application. IEEE Access 2019, 7, 23430–23441. [Google Scholar] [CrossRef]
- Alvarez, M.; Hernando, C.; Cesari, J.; Pineda, A.; Garcia-Moreno, E. Total Ionizing Dose Characterization of a Prototype Floating Gate MOSFET Dosimeter for Space Applications. IEEE Trans. Nucl. Sci. 2013, 60, 4281–4288. [Google Scholar] [CrossRef]
- Oldham, T.R.; Ladbury, R.L.; Friendlich, M.; Kim, H.S.; Berg, M.D.; Irwin, T.L.; Seidleck, C.; LaBel, K.A. SEE and TID Characterization of an Advanced Commercial 2Gbit NAND Flash Nonvolatile Memory. IEEE Trans. Nucl. Sci. 2006, 53, 3217–3222. [Google Scholar] [CrossRef]
- Irom, F.; Nguyen, D.N.; Underwood, M.L.; Virtanen, A. Effects of Scaling in SEE and TID Response of High Density NAND Flash Memories. IEEE Trans. Nucl. Sci. 2010, 57, 3329–3335. [Google Scholar] [CrossRef]
- Gerardin, S.; Bagatin, M.; Paccagnella, A.; Ferlet-Cavrois, V.; Visconti, A.; Frost, C.D. Neutron and Alpha Single Event Upsets in Advanced NAND Flash Memories. IEEE Trans. Nucl. Sci. 2014, 61, 1799–1805. [Google Scholar] [CrossRef]
- Bagatin, M.; Gerardin, S.; Paccagnella, A.; Beltrami, S.; Camerlenghi, E.; Bertuccio, M.; Costantino, A.; Zadeh, A.; Ferlet-Cavrois, V.; Santin, G.; et al. Effects of Heavy-Ion Irradiation on Vertical 3-D NAND Flash Memories. IEEE Trans. Nucl. Sci. 2018, 65, 318–325. [Google Scholar] [CrossRef]
- Chen, D.; Wilcox, E.; Ladbury, R.L.; Seidleck, C.; Kim, H.; Phan, A.; LaBel, K.A. Heavy Ion and Proton-Induced Single Event Upset Characteristics of a 3-D NAND Flash Memory. IEEE Trans. Nucl. Sci. 2018, 65, 19–26. [Google Scholar] [CrossRef]
- Bagatin, M.; Gerardin, S.; Paccagnella, A.; Beltrami, S.; Cazzaniga, C.; Frost, C.D. Atmospheric Neutron Soft Errors in 3-D NAND Flash Memories. IEEE Trans. Nucl. Sci. 2019, 66, 1361–1367. [Google Scholar] [CrossRef]
- Bagatin, M.; Gerardin, S.; Paccagnella, A.; Beltrami, S.; Costantino, A.; Poivey, C.; Santin, G.; Ferlet-Cavrois, V.; Cazzaniga, C.; Frost, C. A Heavy-Ion Detector Based on 3-D NAND Flash Memories. IEEE Trans. Nucl. Sci. 2020, 67, 154–160. [Google Scholar] [CrossRef]
- Bagatin, M.; Gerardin, S.; Paccagnella, A.; Beltrami, S. Depth Dependence of Threshold Voltage Shift in 3-D Flash Memories Exposed to X-rays. IEEE Trans. Nucl. Sci. 2021, 68, 659–664. [Google Scholar] [CrossRef]
- Andjelkovic, M.; Chen, J.; Simevski, A.; Stamenkovic, Z.; Krstic, M.; Kraemer, R. A Review of Particle Detectors for Space-Borne Self-Adaptive Fault-Tolerant Systems. In Proceedings of the 2020 IEEE East-West Design Test Symposium (EWDTS), Varna, Bulgaria, 4–7 September 2020; pp. 1–8. [Google Scholar] [CrossRef]
- Boukhobza, J.; Olivier, P. 10-Emerging Non-volatile Memories. In Flash Memory Integration; Boukhobza, J., Olivier, P., Eds.; Elsevier: Amsterdam, The Netherlands, 2017; pp. 203–224. [Google Scholar] [CrossRef]
- Carrara, S. The Birth of a New Field: Memristive Sensors. A Review. IEEE Sens. J. 2021, 21, 12370–12378. [Google Scholar] [CrossRef]
- Barnaby, H.J.; Malley, S.; Land, M.; Charnicki, S.; Kathuria, A.; Wilkens, B.; DeIonno, E.; Tong, W.M. Impact of Alpha Particles on the Electrical Characteristics of TiO2 Memristors. IEEE Trans. Nucl. Sci. 2011, 58, 2838–2844. [Google Scholar] [CrossRef]
- Marinella, M.J.; Dalton, S.M.; Mickel, P.R.; Dodd, P.E.D.; Shaneyfelt, M.R.; Bielejec, E.; Vizkelethy, G.; Kotula, P.G. Initial Assessment of the Effects of Radiation on the Electrical Characteristics of TaOx Memristive Memories. IEEE Trans. Nucl. Sci. 2012, 59, 2987–2994. [Google Scholar] [CrossRef]
- Yuan, F.; Zhang, Z.; Wang, J.C.; Pan, L.; Xu, J.; Lai, C.S. Total ionizing dose (TID) effects of γ ray radiation on switching behaviors of Ag/AlOx/Pt RRAM device. Nanoscale Res. Lett. 2014, 9, 452. [Google Scholar] [CrossRef]
- Abunahla, H.; Mohammad, B.; Mahmoud, L.; Darweesh, M.; Alhawari, M.; Jaoude, M.A.; Hitt, G.W. MemSens: Memristor-Based Radiation Sensor. IEEE Sens. J. 2018, 18, 3198–3205. [Google Scholar] [CrossRef]
- Li, Y.; Porter, W.M.; Ma, R.; Reynolds, M.A.; Gerbi, B.J.; Koester, S.J. Capacitance-Based Dosimetry of Co-60 Radiation Using Fully-Depleted Silicon-on-Insulator Devices. IEEE Trans. Nucl. Sci. 2015, 62, 3012–3019. [Google Scholar] [CrossRef]
- Li, Y.; Chaganti, V.R.S.K.; Reynolds, M.A.; Gerbi, B.J.; Koester, S.J. Demonstration of a Passive Wireless Radiation Detector Using Fully-Depleted Silicon-on-Insulator Variable Capacitors. IEEE Trans. Nucl. Sci. 2017, 64, 544–549. [Google Scholar] [CrossRef]
- Gopalan, M.S. Experimental Study of MOS Capacitors as Wireless Radiation Dose Sensors; Arizona State University: Tempe, AZ, USA, 2010. [Google Scholar]
- Scott, S.; Mousoulis, C.; Raghunathan, N.; Peroulis, D.; Valentino, D.J.; Walerow, P.A.; Salasky, M.; Rajabather, H.; Thistlethwaite, J.; McNamee, T. MOS-capacitor-based ionizing radiation sensors for occupational dosimetry applications. In Proceedings of the 2015 IEEE SENSORS, Busan, Korea, 1–4 November 2015; pp. 1–4. [Google Scholar] [CrossRef]
- Mousoulis, C.; Elmiger, C.; Singhal, M.; Xuan, Y.; McNamee, T.; Thistlethwaite, J.; Walerow, P.A.; Salasky, M.; Scott, S.; Valentino, D.J.; et al. Characterization of fading of a MOS-based sensor for occupational radiation dosimetry. In Proceedings of the 2016 IEEE SENSORS, Orlando, FL, USA, 30 October–3 November 2016; pp. 1–3. [Google Scholar] [CrossRef]
- Xuan, Y.; Mousoulis, C.; Kumar, A.; Elmiger, C.I.; Scott, S.; Valentino, D.J.; Peroulis, D. 3D MOS-capacitor-based ionizing radiation sensors. In Proceedings of the 2017 IEEE SENSORS, Glasgow, UK, 29 October–1 November 2017; pp. 1–3. [Google Scholar] [CrossRef]
- Vaidhyanathan, G.; Koester, S.J. High-Q FDSOI varactors for wireless radiation sensing. In Proceedings of the IEEE 2011 International SOI Conference, Tempe, AZ, USA, 3–6 October 2011; pp. 1–2. [Google Scholar] [CrossRef]
- Li, Y.; Porter, W.M.; Kshirsagar, C.; Roth, I.; Su, Y.; Reynolds, M.A.; Gerbi, B.J.; Koester, S.J. Fully-Depleted Silicon-on-Insulator Devices for Radiation Dosimetry in Cancer Therapy. IEEE Trans. Nucl. Sci. 2014, 61, 3443–3450. [Google Scholar] [CrossRef]
- Haddad, N.; Brown, R.; Doyle, S.; Wright, S. Radiation hardened memories for space applications. In Proceedings of the 2001 IEEE Aerospace Conference Proceedings (Cat. No.01TH8542), Big Sky, MT, USA, 10–17 March 2001; Volume 5, pp. 2281–2288. [Google Scholar] [CrossRef]
- Doyle, S.; Ramaswamy, S.; Hoang, T.; Rockett, L.; Grembowski, T.; Bumgarner, A. High performance radiation hardened static random access memory (SRAM) design for space applications. In Proceedings of the 2004 IEEE Aerospace Conference Proceedings (IEEE Cat. No.04TH8720), Big Sky, MT, USA, 6–13 March 2004; Volume 4, pp. 2284–2293. [Google Scholar] [CrossRef]
- Marinella, M.J. Radiation Effects in Advanced and Emerging Nonvolatile Memories. IEEE Trans. Nucl. Sci. 2021, 68, 546–572. [Google Scholar] [CrossRef]
- Prinzie, J.; Simanjuntak, F.M.; Leroux, P.; Prodromakis, T. Low-power electronic technologies for harsh radiation environments. Nat. Electron. 2021, 4, 243–253. [Google Scholar] [CrossRef]
- Goley, P.S.; Fleetwood, Z.E.; Cressler, J.D. Potential Limitations on Integrated Silicon Photonic Waveguides Operating in a Heavy Ion Environment. IEEE Trans. Nucl. Sci. 2018, 65, 141–148. [Google Scholar] [CrossRef]
- Du, Q.; Michon, J.; Li, B.; Kita, D.; Ma, D.; Zuo, H.; Yu, S.; Gu, T.; Agarwal, A.; Li, M.; et al. Real-time, in situ probing of gamma radiation damage with packaged integrated photonic chips. Photon. Res. 2020, 8, 186–193. [Google Scholar] [CrossRef]
- Tzintzarov, G.N.; Ildefonso, A.; Teng, J.W.; Frounchi, M.; Djikeng, A.; Iyengar, P.; Goley, P.S.; Khachatrian, A.; Hales, J.; Bahr, R.; et al. Optical Single-Event Transients Induced in Integrated Silicon-Photonic Waveguides by Two-Photon Absorption. IEEE Trans. Nucl. Sci. 2021, 68, 785–792. [Google Scholar] [CrossRef]
- Ryder, L.D.; Ryder, K.L.; Sternberg, A.L.; Kozub, J.A.; Zhang, E.X.; Linten, D.; Croes, K.; Weller, R.A.; Schrimpf, R.D.; Weiss, S.M.; et al. Single-Event Transient Response of Vertical and Lateral Waveguide-Integrated Germanium Photodiodes. IEEE Trans. Nucl. Sci. 2021, 68, 801–806. [Google Scholar] [CrossRef]











| Sensing Element | Readout Complexity | Power Overhead | Dose Sensitivity | Incident Angle/ LET Estimation | Sense Mode (SEE or TID) | Technology | 
|---|---|---|---|---|---|---|
| Silicon diode | Medium | Low/ Medium | Medium | Yes | Both | Standard CMOS | 
| Silicon photodiode | Medium | Medium | Medium | Yes | Both | Standard CMOS | 
| RADFET | Low | Medium | Medium | No | TID | Custom CMOS | 
| FOXFET | Low | Medium | Medium | No | TID | Custom CMOS | 
| FGMOS | Medium | Low/ Medium | High | No | TID | Standard CMOS | 
| SRAM | Medium | Medium | - | Yes | SEE | Standard CMOS | 
| BICS Circuit | Medium | Low | - | No | SEE | Standard CMOS | 
| 3-D NAND flash | High | High | - | Yes | SEE | Custom 3-D CMOS | 
| Memristor (ReRAM) | High | Low/ Medium | High | No | TID | Hybrid | 
| MOS varactor | Medium | Low | Medium | No | TID | Standard CMOS | 
| FDSOI varactor | Medium | Low | High | No | TID | FDSOI CMOS | 
| Sensing Element | Sensing Principle | Field of Applications | 
|---|---|---|
| Silicon diode | Voltage/current transients | In vivo radiation dosimetry, occupational dosimetry and particle detection in high energy physics environment. | 
| Silicon photodiode | Voltage/current transients | In vivo radiation dosimetry, occupational dosimetry and particle detection in high energy physics environment. | 
| RADFET | shift | In vivo radiation dosimetry, space radiation dosimetry (Van Allen probes), and dosimetry in particle accelerators. | 
| FOXFET | shift | In vivo radiation dosimetry and occupational dosimetry | 
| FGMOS | shift, | In vivo radiation dosimetry and occupational dosimetry | 
| SRAM | SEUs in memory | Radiation monitor in the space environment and particle accelerators | 
| BICS Circuit | Voltage/current transients | Radiation monitor in space environment | 
| 3-D NAND flash | shift, SEUs in memory | Radiation monitor in space environment | 
| Memristor (ReRAM) | Memresistance | Radiation dosimetry * | 
| MOS varactor | C-V characteristics | In vivo radiation dosimetry and occupational dosimetry | 
| FDSOI varactor | C-V characteristics, | In vivo radiation dosimetry and occupational dosimetry | 
| Publisher’s Note: MDPI stays neutral with regard to jurisdictional claims in published maps and institutional affiliations. | 
© 2021 by the authors. Licensee MDPI, Basel, Switzerland. This article is an open access article distributed under the terms and conditions of the Creative Commons Attribution (CC BY) license (https://creativecommons.org/licenses/by/4.0/).
Share and Cite
Karmakar, A.; Wang, J.; Prinzie, J.; De Smedt, V.; Leroux, P. A Review of Semiconductor Based Ionising Radiation Sensors Used in Harsh Radiation Environments and Their Applications. Radiation 2021, 1, 194-217. https://doi.org/10.3390/radiation1030018
Karmakar A, Wang J, Prinzie J, De Smedt V, Leroux P. A Review of Semiconductor Based Ionising Radiation Sensors Used in Harsh Radiation Environments and Their Applications. Radiation. 2021; 1(3):194-217. https://doi.org/10.3390/radiation1030018
Chicago/Turabian StyleKarmakar, Arijit, Jialei Wang, Jeffrey Prinzie, Valentijn De Smedt, and Paul Leroux. 2021. "A Review of Semiconductor Based Ionising Radiation Sensors Used in Harsh Radiation Environments and Their Applications" Radiation 1, no. 3: 194-217. https://doi.org/10.3390/radiation1030018
APA StyleKarmakar, A., Wang, J., Prinzie, J., De Smedt, V., & Leroux, P. (2021). A Review of Semiconductor Based Ionising Radiation Sensors Used in Harsh Radiation Environments and Their Applications. Radiation, 1(3), 194-217. https://doi.org/10.3390/radiation1030018
 
         
                                                



 
                         
       