Pricing Policy Applied to Power Quality Enhancement in Smart Metering Systems †
Abstract
1. Introduction
2. State of Art on Electrical Energy Pricing Policies
2.1. Simple Tariff
2.2. Flat Rate Tariff
2.3. Block Rate Tariff
2.4. Two-Part Tariff
2.5. Maximum Demand Tariff
2.6. Power Factor Tariff
2.7. KW and KVAR Tariff
2.8. Three-Part Tariff
3. Results and Discussions
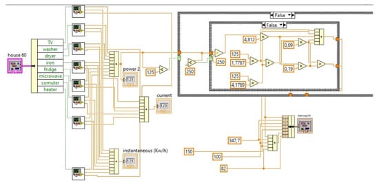
3.1. Simulated System Description
3.2. Simulation at One House Level
3.3. Proposed Pricing Policy for Power Quality Improvement
3.4. Results and Discussion
4. Conclusions
Author Contributions
Funding
Institutional Review Board Statement
Informed Consent Statement
Data Availability Statement
Conflicts of Interest
References
- Dekhandji, F.Z.; Talhaoui, S.; Arkab, Y. Power Quality Detection, Classification and Monitoring Using LABVIEW. Alger. J. Signals Syst. 2019, 4, 101–111. [Google Scholar] [CrossRef]
- Dekhandji, F.Z.; Rais, M.C. A Comparative Study of Power Quality Monitoring Using Various Techniques. In Optimizing and Measuring Smart Grid Operation and Control; IGI Global: Hershey, PA, USA, 2021; pp. 259–288. [Google Scholar]
- Dekhandji, F.Z. Detection and mitigation of power quality problems based on phasor measurment units and renewable energy systems. In Proceedings of the 3rd International Conference on Computational and Experimental Science and Engineering (ICCESEN 2016), Antalya, Turkey, 19–24 October 2016. [Google Scholar]
- Dekhandji, F.Z.; Douche, M.; Zebidi, N. DVR and D-STATCOM Mitigation Techniques of Power Quality Effects on Induction Motors. Alger. J. Signals Syst. 2017, 2, 110–129. [Google Scholar] [CrossRef]
- Chattopadhyay, S.; Mitra, M.; Sengupta, S. Electric power quality. In Electric Power Quality; Chattopadhyay, S., Mitra, M., Sengupta, S., Eds.; Springer: Dordrecht, The Netherlands, 2011; pp. 5–12. [Google Scholar]
- Kappagantu, R.; Daniel, S.A.; Yadav, A. Power quality analysis of smart grid pilot project, Puducherry. Procedia Technol. 2015, 21, 560–568. [Google Scholar] [CrossRef]
- Moses, P.S.; Deilami, S.; Masoum, A.S.; Masoum, M.A. Power quality of smart grids with plug-in electric vehicles considering battery charging profile. In Proceedings of the IEEE PES Innovative Smart Grid Technologies Conference Europe (ISGT Europe), Gothenberg, Sweden, 11–13 October 2010; pp. 1–7. [Google Scholar]
- Niitsoo, J.; Jarkovoi, M.; Taklaja, P.; Klüss, J.; Palu, I. Power quality issues concerning photovoltaic generation and electrical vehicle loads in distribution grids. Smart Grid Renew. Energy 2015, 6, 164. [Google Scholar]
- Balwani, M.R.; Thirumala, K.; Mohan, V.; Bu, S.; Thomas, M.S. Development of a Smart Meter for Power Quality-Based Tariff Implementation in a Smart Grid. Energies 2021, 14, 6171. [Google Scholar] [CrossRef]
- Viciana, E.; Alcayde, A.; Gil Montoya, F.; Baños, R.; Arrabal-Campos, F.M.; Zapata-Sierra, A.; Manzano-Agugliaro, F. OpenZmeter: An Efficient Low-Cost Energy Smart Meter and Power Quality Analyzer. Sustainability 2018, 10, 4038. [Google Scholar] [CrossRef]
- Da Silva, R.P.B.; Quadros, R.; Shaker, H.R.; da Silva, L.C.P. Effects of mixed electronic loads on the electrical energy systems considering different loading conditions with focus on power quality and billing issues. Appl. Energy. 2020, 277, 115558. [Google Scholar] [CrossRef]
- ACER European Union Agency for the Cooperation of Energy Regulatory. ACER Report on Distribution Tariff Methodologies in Europe. February 2021. Available online: https://documents.acer.europa.eu/Official_documents/Acts_of_the_Agency/Publication/ACER%20Report%20on%20D-Tariff%20Methodologies.pdf (accessed on 1 June 2022).
- Bućko, P.; Wilczyński, A. Reactive Energy Billing in Operator Tariffs in Poland. Acta Energetica 2015, 4, 4–9. [Google Scholar] [CrossRef]
- Ahmad, A.; Kashif, S.A.R.; Saqib, M.A.; Ashraf, A.; Shami, U.T. Tariff for reactive energy consumption in household appliances. Energy 2019, 186, 115818. [Google Scholar] [CrossRef]
- Jay, D.; Swarup, K.S. Game theoretical approach to novel reactive power ancillary service market mechanism. IEEE Trans. Power Syst. 2020, 36, 1298–1308. [Google Scholar] [CrossRef]
- Cerbantes, M.C.; Fernandez-Blanco, R.; Ortega-Vazquez, M.A.; Mantovani, J.R.S. Incorporating a Nodal Reactive Power Pricing Scheme Into the DisCo’s Short-Term Operation. IEEE Trans. Smart Grid 2018, 10, 3720–3731. [Google Scholar] [CrossRef]
- Chang, T.Y.; Wang, Y.; Sun, H.J. The Design of Smart Meter with Power Quality Monitoring. Electr. Meas. Instrum. 2012, 49, 74–77. [Google Scholar]
- Ramos, N.R.; Pereira, P.; Martins, J. Smart-meter in power quality. In Proceedings of the 2017 International Young Engineers Forum (YEF-ECE), Costa da Caparica, Portugal, 5 May 2017; Institute of Electrical and Electronics Engineers (IEEE): New York, NY, USA, 2017; pp. 42–46. [Google Scholar]
- Das, H.; Saikia, L. Ethernet based smart energy meter for power quality monitoring and enhancement. In Proceedings of the 2017 Recent Developments in Control, Automation & Power Engineering (RDCAPE), Noida, Indi, 26–27 October 2017; Institute of Electrical and Electronics Engineers (IEEE): New York, NY, USA, 2017; pp. 187–191. [Google Scholar]
- Madhu, G.M.; Vyjayanthi, C.; Modi, C.N. Design and Development of a Novel IoT based Smart Meter for Power Quality Monitoring in Smart Grid Infrastructure. In Proceedings of the TENCON 2019 IEEE Region 10 Conference (TENCON), Kochi, India, 17–20 October 2019; pp. 2204–2209. [Google Scholar]
- Castello, P.; Muscas, C.; Pegoraro, P.A.; Sulis, S. Low-Cost Energy Meter with Power Quality Functionalities. In Proceedings of the 24th Imeko TC, 2020; Available online: https://www.imeko.org/publications/tc4-2020/IMEKO-TC4-2020-56.pdf (accessed on 1 June 2022).
- Medvedr, D.; Conka, Z.; Kolcun, M.; Kanalik, M.; Zbojovsky, J.; Pavlik, M. Project design of the electric power quality analyzer using an open-source platform. In Proceedings of the 2018 International IEEE Conference and Workshop in Óbuda on Electrical and Power Engineering (CANDO-EPE), Budapest, Hungary, 20–21 November 2018; pp. 000169–000172. [Google Scholar]
- Amankhan, A.; Kural, A.; Temirbek, I.; Abukhan, A.; Mukashov, D.; Azamat, A.; Kudaibergenov, K.; Bagheri, M. Multi-functional Smart Electricity Metering System. In Proceedings of the 2019 IEEE International Conference on Environment and Electrical Engineering and 2019 IEEE Industrial and Commercial Power Systems Europe (EEEIC/I&CPS Europe), Genova, Italy, 11–14 June 2019; pp. 1–6. [Google Scholar]
- Xavier, M.V.E.; Boaventura, W.D.C.; Noronha, M.D. High performance power quality monitoring system. In Proceedings of the 2016 17th International Conference on Harmonics and Quality of Power (ICHQP), Belo Horizonte, Brazil, 16–19 October 2016; pp. 974–979. [Google Scholar]
- Arenas, L.D.O.; Melo, G.D.A.E.; Canesin, C.A. A Methodology for Power Quantities Calculation Applied to an FPGA-Based Smart-Energy Meter. IEEE Trans. Instrum. Meas. 2021, 70, 1–11. [Google Scholar] [CrossRef]
- Dekhandji, F.Z. Signal Processing Deployment in Power Quality Disturbance Detection and Classification. Acta Phys. Pol. A 2017, 132, 415–419. [Google Scholar] [CrossRef]
- Arrillaga, J.; Watson, N.R.; Chen, S. Power System Quality Assessment. 1.2 Disturbances; Wiley-Blackwell: Hoboken, NJ, USA, 2000. [Google Scholar]
- De Almeida, A.; Moreira, L.; Delgado, J. Power quality problems and new solutions. Int. Conf. Renew. Energies Power Quality 2003, 3, 1–45. [Google Scholar] [CrossRef]
- Bingham, R.P. Sags and Swells. Original Draft September 1994. Revised 16 February 1998. Available online: http://www.northwoodpower.ca/technicaldocuments/sags-and-swells.pdf (accessed on 1 June 2022).
- Unit V: Energy, Economic and Environmental Issues of Power Plants. Available online: https://stannescet.ac.in/cms/staff/qbank/EEE/Notes (accessed on 1 June 2022).
- Price, M.; Allmeroth, T.; Cleveland, M.; Regenwether, J. Implementing Dynamic Pricing Meter Configuration Trade-Offs; Deloitte Development LLC: Tirana, Albania, 2012. [Google Scholar]
- Dekhandji, F.Z.; Recioui, A. An Investigation into Pricing Policies in Smart Grids. Eng. Proc. 2022, 14, 15. [Google Scholar] [CrossRef]
- Dassa, K.; Recioui, A. Application of Optimization to Sizing Renewable Energy Systems and Energy Management in Microgrids: State of the Art and Trends. In Applications of Nature-Inspired Computing in Renewable Energy Systems; IGI Global: Hershey, PA, USA, 2022; pp. 60–94. [Google Scholar]
- Meehan, P.; McArdle, C.; Daniels, S. An Efficient, Scalable Time-Frequency Method for Tracking Energy Usage of Domestic Appliances Using a Two-Step Classification Algorithm. Energies 2014, 7, 7041–7066. [Google Scholar] [CrossRef]
- Mukherjee, S.; Ganguly, A.; Paul, A.K.; Kumar Datta, A. Load Flow Analysis and Reactive Power Compensation. In Proceedings of the 2018 International Conference on Computing, Power and Communication Technologies (GUCON), Greater Noida, India, 28–29 September 2018; pp. 207–211. [Google Scholar]





| Common Appliances | Estimated Wattage |
|---|---|
| TV 42″ Plasma | 240 |
| Washing Machine | 500–1000 |
| Hair Dryer | 1000–1875 |
| Clothes Iron | 1000–1500 |
| Refrigerator | 500–750 |
| Microwave Oven | 1000–2000 |
| Computer Laptop | 20–75 |
| Space Heater | 750/1500 |
Disclaimer/Publisher’s Note: The statements, opinions and data contained in all publications are solely those of the individual author(s) and contributor(s) and not of MDPI and/or the editor(s). MDPI and/or the editor(s) disclaim responsibility for any injury to people or property resulting from any ideas, methods, instructions or products referred to in the content. |
© 2023 by the authors. Licensee MDPI, Basel, Switzerland. This article is an open access article distributed under the terms and conditions of the Creative Commons Attribution (CC BY) license (https://creativecommons.org/licenses/by/4.0/).
Share and Cite
Recioui, A.; Dekhandji, F.Z. Pricing Policy Applied to Power Quality Enhancement in Smart Metering Systems. Eng. Proc. 2023, 29, 15. https://doi.org/10.3390/engproc2023029015
Recioui A, Dekhandji FZ. Pricing Policy Applied to Power Quality Enhancement in Smart Metering Systems. Engineering Proceedings. 2023; 29(1):15. https://doi.org/10.3390/engproc2023029015
Chicago/Turabian StyleRecioui, Abdelmadjid, and Fatma Zohra Dekhandji. 2023. "Pricing Policy Applied to Power Quality Enhancement in Smart Metering Systems" Engineering Proceedings 29, no. 1: 15. https://doi.org/10.3390/engproc2023029015
APA StyleRecioui, A., & Dekhandji, F. Z. (2023). Pricing Policy Applied to Power Quality Enhancement in Smart Metering Systems. Engineering Proceedings, 29(1), 15. https://doi.org/10.3390/engproc2023029015

