Abstract
A normal operating study of the ITER PF AC/DC converter system commissioning the new Takagi–Sugeno (TS) fuzzy controller is presented in this work. The performance of the PI and TS fuzzy controllers is compared. The Mamdani fuzzy controller is studied and examined; however, it suffers from a huge number of sophisticated fuzzy sets and inference rules. The TS fuzzy controller on the ITER PF system is relatively simple and straightforward to put into practice. The proposed scheme’s current response verifies the step change. Furthermore, the investigation findings show that the TS fuzzy control method outperforms the traditional PI control.
1. Introduction
The ITER AC/DC converter, currently under construction in France, is the world’s largest power supply system. A DC current supply is used to control the shape and position of plasma in a superconducting coil. The AC/DC ITER PF converters are capable of delivering on-load voltages of up to 1.05 kV and currents of up to 55 KA [1].
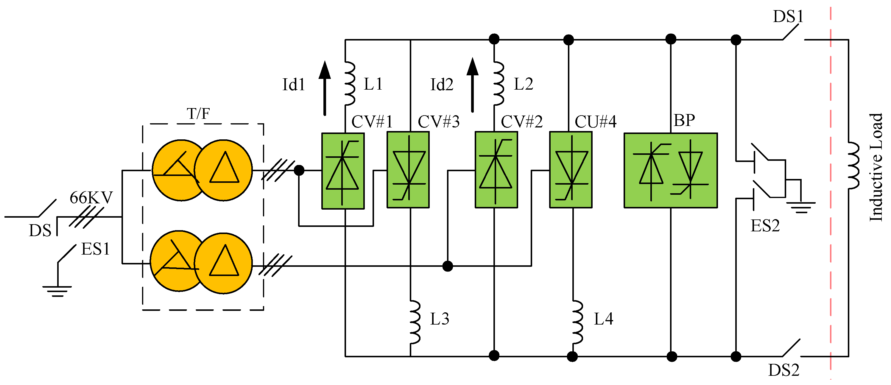
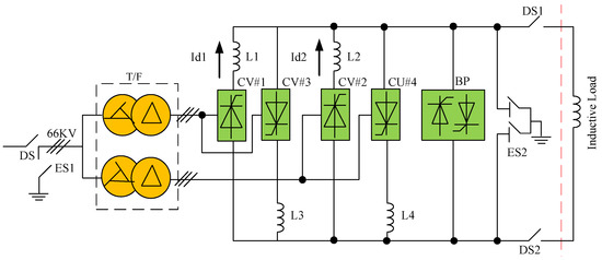
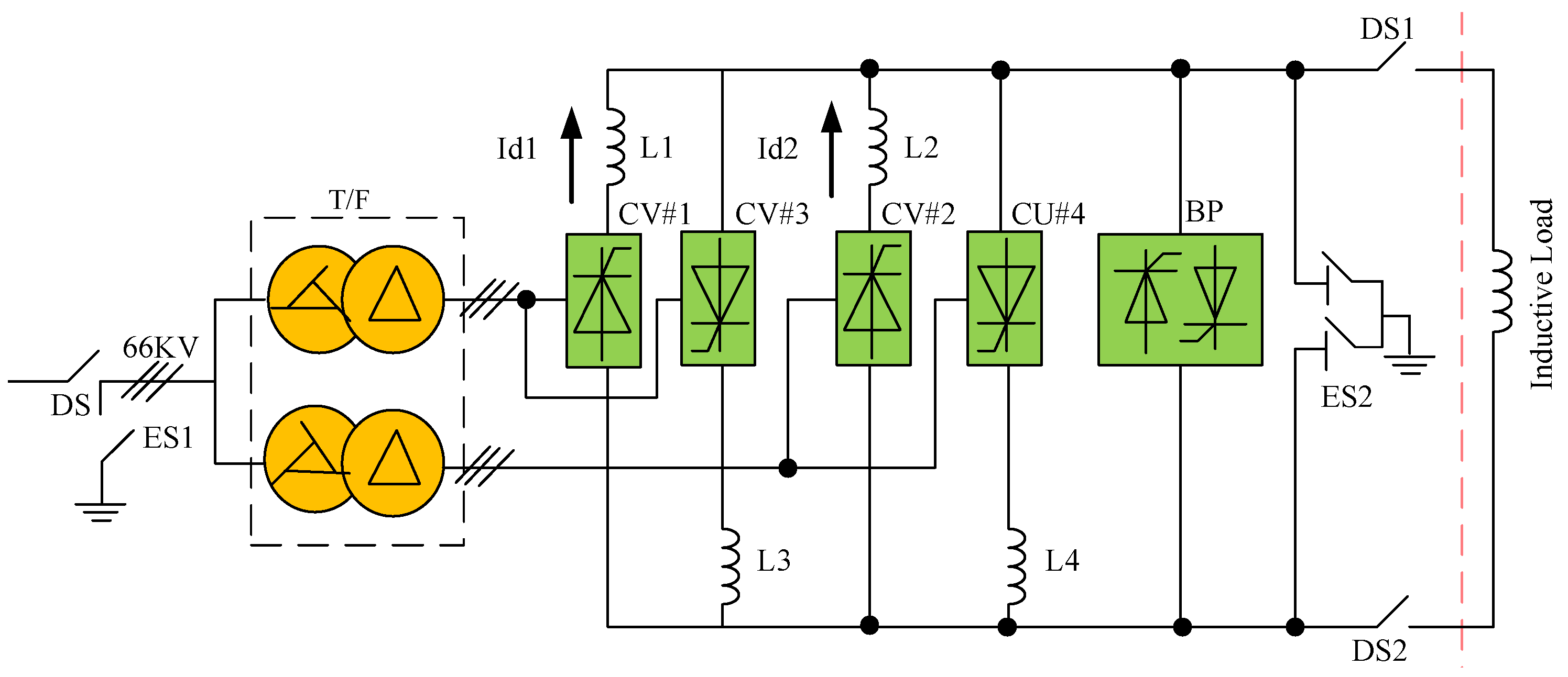
The planned topology in Figure 1 describes the ITER PF converter system. Four six-pulse bridges convert the three-phase source voltage of 66 kV into DC 1.05 kV [2]. A normal analysis is primarily conducted in parallel operation mode to validate the proposed technique.
Figure 1.
Shows the ITER PF AC/DC converter’s topology.
The high-efficiency converter employed in the ITER PF converter is critical. This power converter can supply a superconducting coil with a constant current by providing essential power to loads [3]. The essential problem is to supply a crucial load and, therefore, in parallel mode, this converter must produce a current continuously [4].
Because the power converter is nonlinear, it is challenging to regulate the plasma’s location and shape with a standard PI controller [5]. As a result, achieving a considerable load variation under strict regulations necessitates a suitable controller [6]. The ideal alteration is to adopt the fuzzy logic technique as an acceptable control method. The aim is to achieve the intended variation in load under various operation modes. As a result of their good outcomes, the TS fuzzy controller approach is used. The following are the key advantages of a typical PI controller vs. a fuzzy logic controller. To begin constructing a fuzzy controller, especially in a complicated system, (1) a mathematical model is not required; (2) instead, the inaccurate inputs and (3) nonlinear system are more trustworthy, followed by (4) stability.
The regular operation of the PF converter system at ITER for high performance is the topic of this research. The nonlinear system of choice is the PF converter model, which has a lot of moving parts. For greater performance, high quality, robustness, and dynamic behavior, a TS fuzzy controller is implemented. The following is a diagram of the paper layout. The fuzzy logic controller design is described in Section 2. The methodology of the TS fuzzy controller approach is presented in Section 4. The simulation results from the MATLAB/Simulink environment are shown in Section 5. The final conclusions of the work are presented in Section 6.
2. Design of a Fuzzy Logic Controller
The standard four-quadrant operation was examined. The operation range is depicted in Figure 2, which included a circulating current mode, single bridge mode, and parallel mode [7]. The single bridge mode was used to transition between the parallel and circulating current modes.
Figure 2.
The control scheme for the ITER PF converter.
In the region, the converters CV1 and CV4 operated in circulating mode (−10% Idn ≤ Id ≤ 10% Idn). The single bridge operation of the converters CV1 and CV2 is shown in regions (10 %Idn < Id ≤ 30 %Idn) and (−30% Idn ≤ Id < −10 % Idn). Converters CV1, CV2, CV3, and CV4 all performed well in areas Id > 30% Idn and Id < −30% Idn, respectively.
A complicated mathematical model is required for the traditional PI controller utilized in the ITER PF controller system [2]. Due to the tremendous complexity of the ITER nonlinear system, the linguistic variable scheme was used by the TS fuzzy controller. A TS fuzzy controller is a powerful device used for solving problems. The current-sharing control system in parallel mode was designed to supply 30 percent of the current load. The sharing control was used to keep the current of the output load stable. The TS fuzzy control organization technique is shown in Figure 3.
Figure 3.
Current-sharing scheme in parallel operation using TS controller.
3. The ITER PF Control System’s Design Requirements
The ITER PF converter followed the given design requirements:
- The current sharing between the two converter design ratings was:
- For a full-scale change, the symmetrical voltage response time had to be shorter than 40 ms.
4. Methodology for TS Fuzzy Controllers
To analyze a complex system, the TS fuzzy model only requires a small number of rules [8]. The Mamdani fuzzy model in reference [1] had a higher number of rules compared to the TS fuzzy controller, which had substantially fewer rules. The TS approach had several advantages, including being efficient in terms of computation, being well suited to linear PID controllers, and working well when using adaptive and optimization techniques.
The fuzzy controller’s error and error change inputs are shown in Figure 4. Due to its subsequent rules, the TS fuzzy controller did not use fuzzy logic the same way a Mamdani-type controller does [9]. The TS controller parameters had a lot of varied consequences, and this control approach allowed for a safe modification of limitless gain. In essence, the TS fuzzy controller was superior at resolving highly nonlinear control difficulties.
Figure 4.
TS fuzzy membership functions.
For the sake of simplicity, let us suppose that and are the functions of the membership in the TS fuzzy controller. The maximum and minimum values were as follows:
As a result, for s1 and s2, the T1, T2, N1, and N2 membership functions were as follows:
The roles of the membership are commonly labelled as positive, negative, large, small, etc. Each of the following generic subsystems had its own set of rules:
IF: s1 is Ti1 and s2 is Ti2 and … and sn is Tin, then W = Ai + Bi, i = 1, 2.k
The fuzzy sets s1, s2… sn, Ti1, Ti2… and tin were the input variables. The output variables are denoted by W, and Ai + Bi indicates the criteria that followed.
The general expression was described by the final TS fuzzy model equation.
where denotes the firing strength, denotes the output functions’ rule, and denotes the (nth) input rules.
5. Simulation Results
MATLAB was used to analyze the simulation findings. The effect of both TS and PI controllers on the nominal parameters of the parallel functioning of the ITER PF converter was investigated. Figure 5 depicts the two converters’ alpha variation and present sharing.

Figure 5.
Operation in (a) PI controller and (b) TS Fuzzy controller in parallel mode.
The load’s varied firing sequences are angles alpha 1 and alpha 2 in Figure 5, and the system’s response was exhibited. Both the TS fuzzy controller and the PI controller had excellent performance. The simulation research confirmed that the TS controller had better responsiveness than the PI controller. The load step change at 2 s had great impact on the current change. Plasma sustainability was the key feature. The DC power converter was very sensitive to load changes. Figure 5b shows that the TS controller was stable and had a good response compared to the PI controller.
The four-quadrant operation of the ITER PF converter system is seen in Figure 6. The simulation analysis validated the use of the TS fuzzy controller technique. The control method was superior at smoothing the operation of the four quadrants, and ensuring that the load current followed the trapezoidal reference current.
Figure 6.
In a four-quadrant operation system, ITER PF employed a TS fuzzy controller.
6. Conclusions
The main focus of this work was to perform a normal study on the ITER PF converter system employing a TS fuzzy controller. The TS and PI controllers were linked, and the reproduction results were verified. The TS controller, according to the simulation results, outperformed the PI controller. The TS fuzzy controller resolved the ITER PF converter’s proposed logic utilizing the conventional controller. The TS fuzzy controller was better than the Mamdani controller for highly complicated nonlinear systems. The TS controller met the International Organization (IO) design criteria due to its improved performance. The TS method examined impending load disruptions and confirmed that the fuzzy controller could give a quick dynamic response.
Author Contributions
Conceptualization, M.U.H. and M.H.; methodology, M.U.H.; software, M.U.H.; validation, M.U.H., S.A.R.S., and A.U.K.; formal analysis, M.U.H.; investigation, M.U.H.; resources, M.U.H. and M.U.; data curation, M.U.H.; writing—original draft preparation, M.U.H.; writing—review and editing, Z.N.H.K.; visualization, M.U.H.; supervision, P.F.; project administration, M.U.H.; funding acquisition, M.R. All authors have read and agreed to the published version of the manuscript.
Funding
This research received no external funding.
Institutional Review Board Statement
Not applicable.
Informed Consent Statement
Not applicable.
Data Availability Statement
Not applicable.
Conflicts of Interest
The authors declare no conflict of interest.
References
- Hassan, M.U.; Fu, P.; Song, Z.; Chen, X.; Zhang, X.; Humayun, M. Feasibility analysis of fuzzy logic control for ITER Poloidal field (PF) AC/DC converter system. Fusion Eng. Des. 2017, 118, 11–19. [Google Scholar] [CrossRef]
- Patel, A.; Gupta, S.; Singh, N.P.; Baruah, U.K. Controlled Rectifier for Improved Harmonic Performance of a Pulse Step Modulated High Voltage Power Supply. IEEE Trans. Plasma Sci. 2020, 48, 4374–4380. [Google Scholar] [CrossRef]
- Li, Q.; Tang, X.; Shi, X.; Liu, H.; Li, Z.; Yan, J. Demonstration and Application of AC/DC Hybrid Power Supply System in Building. In Proceedings of the 2018 2nd IEEE Conference on Energy Internet and Energy System Integration (EI2), Beijing, China, 20–22 October 2018; pp. 1–6. [Google Scholar] [CrossRef]
- Al-Badrani, H.; Ameen, Y.M.; Kadir, M.N.A. An AC/DC switch mode power supply based on half bridge DC/DC converter for low power applications. In Proceedings of the 2021 12th International Renewable Energy Congress (IREC), Hammamet, Tunisia, 26–28 October 2021; pp. 1–6. [Google Scholar] [CrossRef]
- Suratia, P.; Patel, J.; Rajpal, R.; Kotia, S.; Govindarajan, J. FPGA-based Fuzzy Logic Controller for plasma position control in ADITYA Tokamak. Fusion Eng. Des. 2012, 87, 1866–1871. [Google Scholar] [CrossRef]
- Hassan, M.U.; Humayun, M.; Fu, P.; Song, Z.; Hua, L. Fuzzy Controller using Circulating mode for ITER Poloidal Field (PF) AC/DC Converter System. In Proceedings of the 27th Symposium on Fusion Engineering, Shanghai, China, 4–8 June 2017; IEEE: Piscataway, NJ, USA, 2017. [Google Scholar]
- Zheng, F.; Zhong, R.; Xie, W.; He, J.; Xia, Y.; Xue, F. Research on AC/DC hybrid power supply system in industrial park. In Proceedings of the 16th IET International Conference on AC and DC Power Transmission (ACDC 2020), Online, 2–3 July 2020; pp. 1930–1936. [Google Scholar] [CrossRef]
- Cheung, V.S.P.; Li, Q.; Li, R.T.H. A Single-phase Ultra-wide-efficient Load Range AC/DC Power Conversion Solution for DC Infrastructure Power Supply Applications. In Proceedings of the 2021 IEEE Fourth International Conference on DC Microgrids (ICDCM), Virtual, 13–16 June 2021; pp. 1–5. [Google Scholar] [CrossRef]
- Qiu, M.; Jiang, B.; Kong, L.; Liu, J.; Tian, Y.; Nie, P. Design of AC and DC Power Supply System for Multi-Station Integration. In Proceedings of the 2021 4th International Conference on Energy, Electrical and Power Engineering (CEEPE), Chongqing, China, 23–25 April 2021; pp. 1113–1118. [Google Scholar] [CrossRef]
Publisher’s Note: MDPI stays neutral with regard to jurisdictional claims in published maps and institutional affiliations. |
© 2022 by the authors. Licensee MDPI, Basel, Switzerland. This article is an open access article distributed under the terms and conditions of the Creative Commons Attribution (CC BY) license (https://creativecommons.org/licenses/by/4.0/).






