A Modified Battery Charger with Power Factor Correction for Plug-In Electrical Vehicles †
Abstract
:1. Introduction
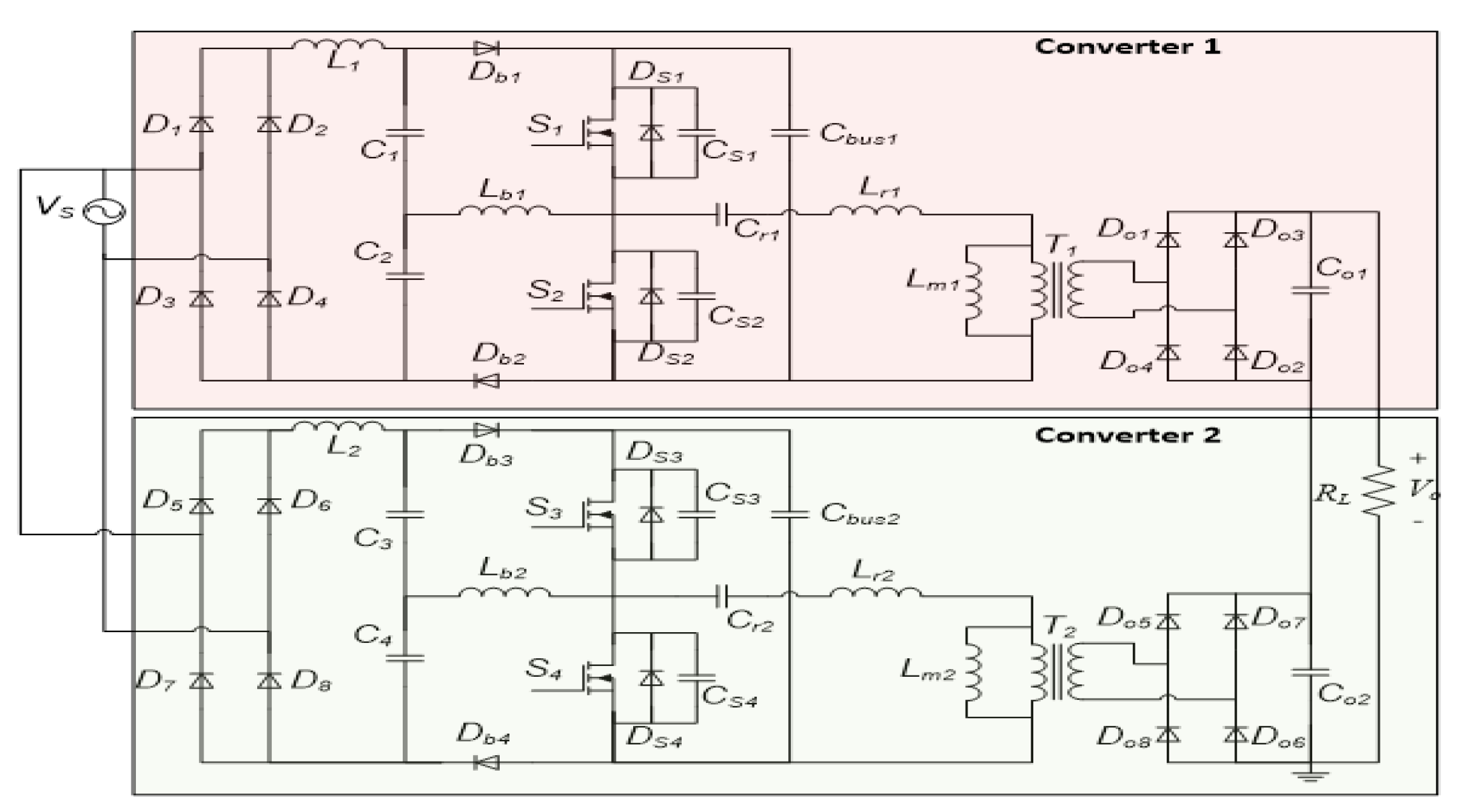
2. Proposed Single-Stage Battery Charger
3. Design and Implementation
4. Simulation Results
5. Conclusions
Funding
Data Availability Statement
Conflicts of Interest
References
- Solomon, S.; Qin, D.; Manning, M.; Chen, Z.; Marquis, M.; Averyt, K.B.; Tignor, M.; Miller, H.L. Contribution of Working Group I to the Fourth Assessment Report of the Intergovernmental Panel on Climate Change; Cambridge University Press: Cambridge, UK; New York, NY, USA, 2007. [Google Scholar]
- Alam, M.; Eberle, W.; Musavi, F. A Single-Stage Bridgeless High Efficiency ZVS Hybrid-Resonant Off-Road and Neighborhood EV Battery Charger. In Proceedings of the 2014 IEEE Applied Power Electronics Conference and Exposition—APEC 2014, Fort Worth, TX, USA, 16–20 March 2014. [Google Scholar]
- Kim, B.; Kim, M.; Choi, S. A Reduced Component Count Single-stage Electrolytic Capacitor-less Battery Charger with Sinusoidal Charging. In Proceedings of the 2017 IEEE 3rd International Future Energy Electronics Conference and ECCE Asia (IFEEC 2017-ECCE Asia), Kaohsiung, Taiwan, 3–7 June 2017. [Google Scholar]
- Wang, Y.; Guan, Y.; Ren, K.; Wang, W.; Xu, D. A Single-stage LED Driver Based on BCM Boost Circuits and LLC Converter for Street Lighting system. IEEE Trans. Ind. Electron. 2015, 62, 5446–5457. [Google Scholar] [CrossRef]
- Wang, H.; Khaligh, A. Comprehensive Topological Analyses of Isolated Resonant Converters in PEV Battery Charging Applications. In Proceedings of the 2013 IEEE Transportation Electrification Conference and Expo (ITEC), Detroit, MI, USA, 16–19 June 2013. [Google Scholar]




| Operating Mode | Key Point | Vbat | Ibat | Po | Equivalent Resistance | C Rate |
|---|---|---|---|---|---|---|
| CC mode | A | 300 V | 7.61 A | 2.28 KW | 39. 42 Ω | 1 C |
| B | 360 V | 7.61 A | 2.74 KW | 47.30 Ω | 1 C | |
| C | 420 V | 7.61 A | 3.2 KW | 55.19 Ω | 1 C | |
| CV mode | C | 420 V | 7.61_15 A | 3.2 KW | 55.19 Ω | 1 C_0.02 C |
| D | 420 V | 630 W | 2763 Ω |
Publisher’s Note: MDPI stays neutral with regard to jurisdictional claims in published maps and institutional affiliations. |
© 2022 by the author. Licensee MDPI, Basel, Switzerland. This article is an open access article distributed under the terms and conditions of the Creative Commons Attribution (CC BY) license (https://creativecommons.org/licenses/by/4.0/).
Share and Cite
Tariq, A. A Modified Battery Charger with Power Factor Correction for Plug-In Electrical Vehicles. Eng. Proc. 2021, 12, 103. https://doi.org/10.3390/engproc2021012103
Tariq A. A Modified Battery Charger with Power Factor Correction for Plug-In Electrical Vehicles. Engineering Proceedings. 2021; 12(1):103. https://doi.org/10.3390/engproc2021012103
Chicago/Turabian StyleTariq, Arfa. 2021. "A Modified Battery Charger with Power Factor Correction for Plug-In Electrical Vehicles" Engineering Proceedings 12, no. 1: 103. https://doi.org/10.3390/engproc2021012103
APA StyleTariq, A. (2021). A Modified Battery Charger with Power Factor Correction for Plug-In Electrical Vehicles. Engineering Proceedings, 12(1), 103. https://doi.org/10.3390/engproc2021012103
