Next Article in Journal
Fungal Lytic Polysaccharide Monooxygenases (LPMOs): Functional Adaptation and Biotechnological Perspectives
Previous Article in Journal
CO2 Emissions and Scenario Analysis of Transportation Sector Based on STIRPAT Model: A Case Study of Xuzhou in Northern Jiangsu
 
 
Font Type:
Arial Georgia Verdana
Font Size:
Aa Aa Aa
Line Spacing:
Column Width:
Background:
Article

Seismic Assessment of Informally Designed 2-Floor RC Houses: Lessons from the 2020 Southern Puerto Rico Earthquake Sequence

1
Department of Civil Engineering and Surveying, University of Puerto Rico at Mayaguez, Mayagüez, PR 00681, USA
2
Department of Engineering Sciences and Materials, University of Puerto Rico at Mayaguez, Mayagüez, PR 00681, USA
*
Author to whom correspondence should be addressed.
Eng 2025, 6(8), 176; https://doi.org/10.3390/eng6080176
Submission received: 18 May 2025 / Revised: 26 July 2025 / Accepted: 28 July 2025 / Published: 1 August 2025

Abstract

The 2020 southern Puerto Rico earthquake sequence highlighted the severe seismic vulnerability of informally constructed two-story reinforced concrete (RC) houses. This study examines the failure mechanisms of these structures and assesses the effectiveness of first-floor RC shear-wall retrofitting. Nonlinear pushover and dynamic time–history analyses were performed using fiber-based distributed plasticity models for RC frames and nonlinear macro-elements for second-floor masonry infills, which introduced a significant inter-story stiffness imbalance. A bi-directional seismic input was applied using spectrally matched, near-fault pulse-like ground motions. The findings for the as-built structures showed that stiffness mismatches between stories, along with substantial strength and stiffness differences between orthogonal axes, resulted in concentrated plastic deformations and displacement-driven failures in the first story—consistent with damage observed during the 2020 earthquakes. Retrofitting the first floor with RC shear walls notably improved the performance, doubling the lateral load capacity and enhancing the overall stiffness. However, the retrofitted structures still exhibited a concentration of inelastic action—albeit with lower demands—shifted to the second floor, indicating potential for further optimization.

1. Introduction

Between late December 2019 and early January 2020, southern Puerto Rico was struck by a damaging earthquake sequence, featuring 15 events with magnitudes exceeding 5.0. The M5.8 earthquake on 6 January and the M6.4 event on 7 January were particularly destructive, triggering the collapse of numerous soft-story reinforced concrete (RC) houses and an operating three-story RC school. These failures underscored the region’s acute vulnerability to seismic events and prompted efforts by the Puerto Rico Strong Motion Program to enhance construction codes and regulations based on lessons learned.
Masonry infill panels are widely used globally for architectural needs like thermal and sound insulation. However, their interaction with the surrounding frame under lateral loads is a complex problem that has been extensively studied for decades, yet often remains neglected in seismic codes, where they are typically treated as non-structural components. Neglecting their influence can lead to substantial inaccuracies in predicting a structure’s lateral stiffness, strength, and ductility. Experience from recent destructive earthquakes (e.g., Turkey 1999, Central Peru 2007, China 2008, L’Aquila 2009, Emilia 2012, and the 2020 Puerto Rico sequence) has repeatedly confirmed their significant role in the seismic performance of RC buildings. This interaction often results in highly nonlinear inelastic behavior, stemming from the cracking and crushing of masonry, stiffness, and strength degradation, and complex panel–frame interface mechanisms.
Historically, early modeling approaches proposed representing infills with simplified equivalent compression-only braces or single diagonal struts, known as “macromodels”. While these offer computational efficiency for large structures by treating the entire infill as a single unit, they are often unable to capture local phenomena or intricate force transfers. More sophisticated “micromodeling” approaches, such as finite element methods, can predict detailed responses but are often too time-consuming for the analysis of large-scale structures. A significant challenge lies in the high degree of nonlinearity and degradation inherent in the interaction between brittle materials like masonry and concrete, coupled with a wide scatter in the experimental data, making it difficult to generalize existing analytical models with their numerous parameters.
The presence of masonry infills can significantly alter a building’s seismic response, often in unintended and adverse ways. Increased stiffness due to infills can raise the natural frequency, potentially attracting higher seismic demands. Acting as diagonal struts, infills can induce additional internal forces and increase seismic shear forces at beam–column joints, potentially activating brittle failure modes, undesirable soft-story failures, or short column effects, especially in older buildings designed without modern seismic provisions. Furthermore, the irregular distribution of infill walls in the plan or elevation can lead to severe localized damage, soft-story collapse mechanisms (where a ground floor is left open while upper stories are infilled), or negative torsional effects that concentrate inelastic deformation demands on flexible sides of a building. Recent studies emphasize the importance of accounting for the shear failure of columns induced by infill–frame interactions.
To address these complexities, researchers have continuously sought to improve analytical models. The authors in [1] proposed an analytical macromodel based on an equivalent strut approach with a smooth hysteretic model that accounts for stiffness and strength degradation and pinching, implemented for the quasi-static cyclic and dynamic analysis of masonry-infilled frames. This model addressed the need for an efficient and accurate computational model suitable for the time–history analysis of large structures. The authors in [2] further developed a “three-strut model” which replaces each masonry panel with three struts, providing a more refined representation of force–deformation characteristics based on orthotropic masonry behavior, aiming to better predict the stiffness and lateral load capacity, especially for corner crushing failures and interactions among panels in multi-story buildings. This multi-strut approach, while more complex in the parameter calibration, is useful for accounting for the shear transmission in critical regions. The authors in [3] investigated the “irregularity effects” of masonry infills, highlighting that even when current code provisions (like Eurocode 8) for irregularity are applied, neglecting infills can still be unsafe, and they can significantly influence inelastic responses and failure mechanisms, including unexpected torsional and soft-story effects and an increased column shear demand.
This study focuses on the seismic evaluation of informally constructed RC houses in Puerto Rico, characterized by the typical geometry and reinforcement details observed in the collapsed structures during the 2020 earthquake sequence. While the problem of infilled frames is well-documented, a significant gap exists in applying advanced simulation techniques to precisely understand the failure mechanisms of these specific informal typologies and to assess the efficacy of simplified, locally recommended shear-wall-based retrofitting strategies. Our work provides a crucial bridge between field-based seismic damage evidence from a specific event (the 2020 Puerto Rico earthquake sequence) and a modern, simulation-based performance evaluation for a prevalent informal building type in a seismically active region. This paper not only investigates the seismic behavior of as-built informal structures, but also assesses the practical implications of simplified retrofit measures, a less explored area compared to studies on formally designed or new constructions. The application of bidirectional IDA with spectrally matched, near-fault pulse-like ground motions adds novelty and realism to the assessment, allowing for a more comprehensive capture of complex dynamic effects like higher modes and torsional responses that are often inadequately addressed by traditional static procedures. The findings offer direct lessons for enhancing construction codes and regulations by incorporating insights from recent seismic events.

2. Structural Prototypes Definition

2.1. As-Built Structures

This study investigates the seismic behavior of representative informal reinforced concrete (RC) house prototypes from Puerto Rico, specifically those requiring retrofitting following the 2020 earthquake sequence. The structural typology of these buildings, though broadly defined, has been extensively documented. Field surveys and post-earthquake damage assessments (i.e., [4] (pp. 12–28), [5] (p. 11)), provided critical data for defining the structural prototypes used in this study.
Three distinct prototypes were developed to capture key structural variations:
  • The Flat Terrain Model: representing structures built on level ground.
  • The Sloped Terrain Model: simulating structures built on sloping terrain, common in Puerto Rico.
  • The Symmetric Flat Model: introduced to isolate and evaluate the impact of structural asymmetry.
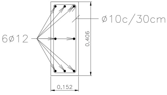
All models are two-story structures with masonry infill walls present only on the second floor (Figure 1). The flat and sloped terrain models share identical plan geometries: two bays in each direction, 3.05 m (10 ft) span lengths, and column dimensions of 152 mm × 406 mm (6 in × 16 in) (Figure 2). It is key to notice that in these two models, all columns are oriented with their strong axis aligned, creating a substantial disparity in strength and stiffness between the principal axes, thus increasing susceptibility to torsional effects. The only difference between the flat and sloped terrain models lies in the first-story column heights. The flat terrain model features uniform first-story column heights of 2.74 m (9 ft), whereas the sloped terrain model exhibits variable heights: Axis A: 4.57 m (15 ft), Axis B: 2.74 m (9 ft), and Axis C: 1.98 m (6 ft 6 in). Beams and columns are reinforced with six ϕ12 (#4) longitudinal bars and ϕ10 (#3) stirrups spaced at 30 cm (12 in) (Figure 2).
The symmetric flat model consists of three bays in each direction with 3.05 m (10 ft) spans and square columns measuring 304.8 mm × 304.8 mm (12 in × 12 in), thus minimizing torsional effects. All models utilize reinforcing steel with a yield strength of 420 MPa (60.9 ksi) and an elastic modulus of 200 GPa (29,000 ksi). The concrete compressive strength is set at 17 MPa (2500 psi) ([4] (pp. 54–55), [5] (p. 11)).

2.2. Retrofitted Structures

To evaluate the retrofitting efficacy, modified versions of each previously described model were developed, incorporating reinforced concrete (RC) shear walls on the first floor. This retrofitting design followed simplified recommendations outlined in [4] (pp. 269–272) and [6]. It is crucial to note that these documents were intended as accessible guides for homeowners seeking to enhance the seismic safety of their dwellings. Although published before the 2020 earthquake sequence, their relevance was underscored by the observed structural failures. The authors of these documents explicitly cautioned that these recommendations should not replace a comprehensive structural engineering analysis.
For the flat and sloped terrain models, a single reinforced concrete shear wall was added along each principal axis, as depicted in Figure 3. In the symmetric model, two shear walls were added along each principal axis, positioned to preserve the structural symmetry.

3. Development of Numerical Models

3.1. Modeling of the Reinforcement Concrete Frames

Reinforced concrete beams, columns, and shear walls are modeled using fiber-based lumped plasticity elements. This approach represents a hybrid between traditional hinge-based and fiber-based distributed plasticity methods (Figure 4). In fiber-based approaches, the element section is modeled as a composite of unidirectional fibers, each representing a different material with its own stress–strain relationship. To mitigate localization issues inherent in fiber-based distributed plasticity models, ref. [7] introduced an element integration method that concentrates nonlinear constitutive behavior within specified plastic hinge regions. This technique maintains numerical accuracy and objectivity while assuming linear elastic behavior between hinges. The formulation, initially implemented in research-oriented software such as OpenSees 3.7 [8], has been adopted by commercial platforms, including SeismoStruct 2024 [9], which is used for the numerical models in this study. The required inputs for this element (Figure 4) include material fiber properties, the plastic hinge length (Lp), and elastic properties (modulus of elasticity E, moment of inertia I, and cross-sectional area A). To define the behavior of the fibers, we used the Mander model [10] for the confined and unconfined concrete, and the Menegotto–Pinto [11] constitutive model for simulating the behavior of steel-reinforcing bars.

3.2. Modeling of the Masonry Infills

This study explicitly incorporates masonry infill walls into the numerical models, recognizing their significant influence on structural behavior during seismic events. A traditional structural design often neglects infill walls due to the complexities of nonlinear masonry–frame interactions and the assumption of a conservative design. However, observations from the 2020 Puerto Rico earthquake sequence contradict this approach. Moreover, while the prevalent infill material in Puerto Rico is the 152 mm × 203 mm × 406 mm concrete masonry unit with a nominal compressive strength of 13.1 MPa (1900 psi), post-earthquake reconnaissance studies [5] suggest that the actual in situ strengths are often significantly lower.
The infill walls were modeled using the nonlinear macro-element developed by [12] (pp. 191–217), as implemented in [9]. This element independently estimates the contributions of two primary mechanisms: the compressive behavior, represented by two diagonal struts connecting the beam and column joints in each direction, and shear behavior, represented by a shear spring in each direction (Figure 5). In the absence of experimental data, the required parameters were derived based on field observations and through simplified macro-model calibration. To account for uncertainties in the material properties and to reflect the degraded mechanical performance commonly observed in hollow concrete masonry with large perforations, a reduced compressive strength of 5 MPa was assumed for both blocks and mortar.
The calibration of the equivalent strut’s axial strength followed the macro-element methodology proposed in [12], which recommends calculating the strength associated with different possible failure mechanisms and assigning the minimum value to the strut, as it corresponds to the most likely mode of failure. Based on the work of [13], four potential failure mechanisms were considered: diagonal tension failure (Equation (1)), sliding shear (Equation (2)), corner compression (Equation (3)), and central panel compression (Equation (4)):
f m θ   =   ( 0.6   f w s   +   0.3   σ v ) b w d w
f m θ = ( 1.2   s i n ( θ ) + 0.45   c o s ( θ ) )   f w u + 0.3   σ v b w d w
f m θ = 1.12 f w   s i n ( θ )   c o s ( θ ) K 1 ( λ h ) 0.12 + K 2   ( λ h ) 0.88
f m θ = 1.16   f w   t g   ( θ ) K 1 + K 2   λ h
Here, fws is the shear strength under diagonal compression, θ is the angle of the diagonal strut, σv is the vertical compressive stress, fwu is the sliding resistance of mortar joints, f′w is the fundamental compressive strength, and λ is a dimensionless parameter defined as:
λ = h   E   m t w   s i n   ( 2 θ ) 4   E c I c   h w 4
where Em is the Elastic Modulus of the masonry, tw is the thickness of the panel, EcIc is the bending stiffness of the columns, and hw is the height of the infill panel. Finally, the values for the constants K1 and K2 are set as:
  • K1 = 1.3 and K2 = −0.178 for λh < 3.14.
  • K1 = 0.707 and K2 = 0.01 for 3.14 < λh < 7.85.
  • K1 = 0.47 and K2 = 0.04 for λh > 7.85.
Using this methodology, a diagonal compressive strength of 515.4 MPa (74,752.45 psi) was adopted. For the initial shear strength, a reduced value of 50 kPa (7251 psi) was used to account for the detrimental effect on the shear friction of the large perforations in the blocks used. These values should be interpreted with caution, as no direct experimental calibration is currently available for typical Puerto Rican masonry infill walls.

4. Lateral Response Characterization via Quasi-Static Lateral Analyses

Quasi-static lateral (pushover) analyses were conducted to characterize the lateral response of the structural prototypes. This method involves the incremental application of lateral forces to the structure while simultaneously monitoring deformations at the element, section, and material levels. This process allows for the evaluation of inelastic material behavior and the determination of internal force distributions. While acknowledging that pushover analyses provide an approximation of seismic behavior and do not fully capture dynamic effects such as the ground motion duration and frequency content, they serve as a valuable initial assessment tool, offering insights into lateral behavior, expected failure mechanisms, and facilitating the definition of key performance limit states before dynamic time–history analyses are performed. The load pattern used was proportional to the first flexural modal shape in each direction. It is important to note that for structures irregular in the plan and elevation, like the case-study building, traditional unidirectional pushover analyses, typically employing a fixed lateral load distribution, are generally inadequate, as they can lead to an underestimation of displacements, damage, and may not accurately capture the distribution of forces and deformations due to substantial in-plane torsional effects. Various advanced pushover methods, including modal pushover analysis, generalized pushover analysis, consecutive modal pushover analysis, the extended N2 method, adaptive pushover analysis, spectrum-based pushover analysis, and multimode pushover analysis, have been developed to address these complexities [14,15,16,17,18,19,20]. However, it is precisely this acknowledged inadequacy of conventional pushover analyses for torsionally sensitive structures that primarily motivated our adoption of a more rigorous bidirectional incremental dynamic time–history analysis as the core of our assessment methodology, as detailed in the subsequent section.
Performance limit states were defined based on both material strain and structural drift criteria. Material strain limits, derived from the fiber-based modeling approach, included the tensile yielding of longitudinal reinforcement (Ɛy = 0.0021), concrete serviceability (Ɛc = 0.003 in compression), and the onset of rebar buckling. Rebar buckling was estimated based on experimental results by [21], which indicated that bars with high L/d ratios, as in this study, buckle shortly after reaching a compressive yield. Consequently, the rebar buckling limit state was set at the compressive yield strain of the longitudinal reinforcement.
Infill wall damage, while not typically considered a primary structural concern, can significantly impact serviceability and occupant safety. Based on a comprehensive literature review [22], excessive cracking and block crushing in infill walls were defined as limit states at 0.56% and 1.2% inter-story drifts, respectively.
The software used for modeling, and most commercial packages, does not capture collapse. In the case of the structures modeled, it means that in the weak axis, it could provide unrealistic large deformations while the structural elements remain almost elastic. For the global structural performance, FEMA 356 recommends a 4% drift limit for reinforced concrete frames. However, given the observed poor reinforcement detailing at the beam–column joints during the 2020 earthquake collapses, a more conservative, judgment-based collapse prevention drift limit of 2.9% was adopted. This value was specifically chosen as a conservative envelope for the informal construction typology in question, directly reflecting the vulnerability observed in the field, where failures were primarily attributed to excessive first-story deformations along the weak axis. It is explicitly acknowledged that a comprehensive field or laboratory calibration to rigorously correlate specific damage levels with engineering demand parameters, such as drift, remains a crucial and necessary area for future research. Additionally, element shear failures were monitored by comparing shear demands with shear strength predictions obtained using the modified UCSD shear model [23].
For brevity, only the pushover analysis results for the flat terrain models are presented herein. The general behavior and failure mechanisms observed in these models are representative of the other models, with detailed results available in the first author’s thesis [24]. Figure 6 presents the pushover curves for the as-built (left) and retrofitted (right) flat terrain models. The right vertical axis depicts the base shear, while the left vertical axis represents the base shear-to-weight ratio (v/w). The lower horizontal axis illustrates the total (or average) drift, calculated as the ratio of the roof displacement to the total building height, and the upper horizontal axis shows the total roof displacement.
The as-built model (Figure 6-left) demonstrates a significant disparity in the lateral response between the principal axes. Specifically, the Y-axis exhibits approximately eight times greater stiffness and four times greater strength compared to the X-axis. Here, it is important to mention that all limit states were reached in the first story, indicating a concentration of inelastic deformations at this level. Furthermore, when subjected to lateral loading along the weak (X) axis, the excessive deformation limit state is reached shortly after initial yielding and well before the serviceability limit. These findings align with observations from the 2020 earthquake collapses, where failures were primarily attributed to excessive first-story deformations along the weak axis, while the second story remained largely elastic (Figure 7).
In the retrofitted flat terrain model (Figure 6-right), the addition of reinforced concrete (RC) shear walls significantly enhanced both the strength and stiffness of the structure. For pushover analysis along the strong (Y) axis, initial tensile yielding occurred in the shear wall added in the Y direction. However, subsequent limit states were observed in the second story, indicating a concentration of plastic deformations at that level. Conversely, when subjected to lateral loading along the weak (X) axis, the non-symmetric placement of the added shear wall induced in-plane torsion. This torsion resulted in increased demands on the first-story columns furthest from the shear wall, which subsequently governed all limit states. This phenomenon was specific to the flat and sloped terrain models, where the added shear wall introduced significant in-plane irregularities. It is important to note that traditional unidirectional pushover analyses are generally inadequate for structures exhibiting substantial in-plane torsional effects. This simplification can lead to an underestimation of displacements and damage in elements located on the stiff side of a torsionally sensitive structure. Moreover, torsional effects can significantly alter the distribution of forces and deformations, which a unidirectional pushover may not accurately capture. Therefore, a bidirectional, incremental, dynamic time–history analysis is implemented in the subsequent section.
Figure 8 presents the deformed shapes of the flat-terrain structural models once all the strain-based limit states are reached. The left figure corresponds to the as-built model and the right figure to the retrofitted. Notice that due to the disparity of strength and stiffness between the main axes, the structure is likely to fail along the weak axis (X). This is corroborated in the following section through bidirectional dynamic time–history analyses. Therefore, only the deformed shapes corresponding to the pushover in this direction are shown. Although the software does not explicitly simulate global structural collapse, these plots offer valuable insight into the anticipated failure mechanism. For the as-built model, the concentration of lateral deformations and plastic hinge formation in the lower story is consistent with a soft-story collapse pattern. Once retrofitted, the inelastic action moves to the second floor, though it starts at much higher demand levels (Figure 6).

5. Nonlinear Bidirectional Incremental Dynamic Analyses (IDA)

The preceding section presented the pushover analysis results for both as-built and retrofitted houses, providing valuable insights into structural behavior and lateral response characteristics. However, nonlinear static procedures possess inherent limitations, failing to fully capture the complexities of seismic loading, including higher modes and torsional effects. This chapter presents the results of nonlinear, bidirectional dynamic analyses, which offer a more accurate representation of the seismic response. Unlike static procedures, nonlinear dynamic analyses account for the time-dependent nature of seismic excitation, enabling a more realistic assessment of the structural performance. In this study, nonlinear dynamic analyses are conducted within the framework of Incremental Dynamic Analysis (IDA). This methodology involves a series of nonlinear dynamic analyses wherein the intensity of the seismic input is progressively increased, allowing for a detailed evaluation of the structural performance across a range of seismic demands.

5.1. Seismic Input

The design response spectrum employed in this study is orientation-independent, defined as the maximum spectral acceleration observed in any horizontal ground motion direction, denoted as RotD100. Consequently, each ground motion record comprises at least two horizontal components, and the resulting RotD100 response spectrum, computed from these orthogonal components, must align with the target RotD100 spectrum.
This study aimed to incorporate a characteristic commonly observed at near-fault sites: the presence of pulse-like ground motions. These motions contain a dominant velocity pulse, which can induce significantly higher inelastic demands compared to ordinary ground motions.
The detailed process of constructing the response spectrum and selecting seed records is documented in [25]. The target spectrum was a site-specific spectrum for a strike-slip Mw7.5 earthquake with a Joyner–Boore distance to the rupture of RJB = 5 km for a site with a shear wave velocity of VS30 = 537 m/s. The target spectrum is initially constructed as a RotD50 spectrum using the BSSA14 ground motion prediction equation [26] and subsequently converted to a RotD100 spectrum using period-dependent ratios [27]. To account for the pulse effect, a narrowband adjustment was performed using period-dependent amplification factors proposed by [28], with a target pulse period of 1.75 s.
The resulting target spectrum is presented in Figure 9. The secondary peak observed around a period of 1.75 s reflects the influence of the velocity pulse on the acceleration response spectrum. For comparative purposes, Figure 9 also includes the standard ASCE 7-22 two-period and multiperiod Risk-Targeted Maximum Considered Earthquake (MCER) Response Spectrum for a site in Mayagüez, Puerto Rico (Lat.: 18.2109, Lon.: −67.1400, Risk Category III, Site Class C). It is observed that the overall shape of the site-specific spectrum is consistent with the ASCE 7-22 design spectrum up to a period of 0.7 s. Beyond this period, the site-specific spectral amplitudes significantly exceed the design amplitudes due to the velocity pulse effect. The peak ground acceleration for the site-specific spectrum is 0.69 g.
Two sets of eleven ground motion records each were generated using the Continuous Wavelet Transform (CWT) spectral matching algorithm proposed by [29]. One set utilized pulse-like seed records, ensuring the pulse remained after spectral matching. The second set employed ordinary seed records, verifying no pulse was introduced during spectral matching. A period range of 0.05 s to 5 s was targeted for the matching process. Furthermore, for the pulse-like spectrally matched records, the components were rotated to align the first component with the direction exhibiting the most dominant pulse.
The agreement between the RotD100 spectra of both sets and the target response spectrum is illustrated in Figure 10, where dashed vertical lines indicate the natural periods of the analyzed structures. The navy-colored lines represent the pulse-present set, while the green lines represent the no-pulse set. The individual record spectra are shown as thin, light lines, and the set averages are shown as thick, intense lines. A close match was achieved for all records within the period range of interest.

5.2. Preliminary Dynamic Results

To elucidate the dynamic behavior of these structures under a bidirectional seismic input before the generation of Incremental Dynamic Analysis (IDA) curves, this section presents individual dynamic analysis results for the flat terrain models subjected to a specific ground motion and amplification factor. Figure 11 illustrates the drift demands (total, first-story, and second-story) in the polar coordinates. The red lines represent the structural response when the ground motion component exhibiting the dominant pulse is aligned with the structure’s weak (X) axis. In contrast, the green lines represent the response when aligned with the strong (Y) axis. Figure 12 presents analogous results for the retrofitted flat terrain model.
As anticipated, both the flat and sloped terrain models exhibited the highest drift demands when the ground motion component containing the dominant pulse was aligned with the structure’s weak axis. Despite simultaneous bidirectional excitation, inelastic deformations were predominantly concentrated along the weak axis in these models, even when the component with the dominant pulse is aligned with the structure’s strong axis. Specifically, the as-built flat and sloped terrain models exhibited concentrated inelastic deformations in the first story, whereas the retrofitted counterparts exhibited a concentration in the second story (notice that the radial axes were not kept constant to allow the visualization of the small drifts).
In contrast, the as-built and retrofitted symmetric models (Figure 13 and Figure 14) displayed different behavior. While plastic deformations were also concentrated in the first story for the as-built symmetric house (Figure 13) and in the second story for the retrofitted symmetric house (Figure 14), there was no preferential concentration in a single direction, independent of the dominant pulse’s angle of incidence.

5.3. Incremental Dynamic Analysis (IDA) Results

Figure 15 presents the IDA curves obtained for the flat terrain (Figure 15a), sloped terrain (Figure 15b), and symmetric (Figure 15c) models. The vertical axis represents the peak ground acceleration (PGA) of the target spectrum, while the horizontal axis represents the maximum inter-story drift (predominantly governed by the first-story drift in as-built models and the second-story drift in retrofitted models). The response of the eleven individual ground motion records is depicted with light lines, and the median response for each record set is shown with solid, thick lines. Each of the three plots includes ten distinct lines, identifying the individual responses for the pulse-present record set for the as-built model, the individual responses for the no-pulse record set for the as-built model, the median response of the as-built model for the pulse-present set, the median response of the as-built model for the no-pulse set, and the overall median response of the as-built model (considering both record sets). The remaining five lines provide analogous data for the retrofitted models.
The results indicate slightly higher drift demands from the pulse-like ground motions, particularly for the retrofitted models, although this difference was not statistically significant. Therefore, the overall median response from both record sets (pulse and no-pulse) is used for comparing the seismic performance of the as-built and retrofitted models.
In general, the IDA curves highlight the effectiveness of the shear-wall-based retrofitting strategy. The retrofitted structures demonstrate an enhanced capacity to withstand higher ground motion intensities while exhibiting reduced inter-story drifts. For the flat-terrain models, the as-built structure reached the excessive deformation limit state at a PGA of 0.23 g, whereas the retrofitted structure reached this limit at 0.60 g, representing a 160% increase in its capacity. For the sloped terrain models, the increase was 140%, from a PGA of 0.20 g to 0.48 g. The symmetric models exhibited a significantly improved seismic response even without retrofitting, reaching the excessive deformation limit state at a PGA of 0.73 g. When retrofitted, the symmetric model remained within the serviceability range even when subjected to a PGA of 2.07 g. In a comparative context, the PGA associated with the Mw7.5 scenario used to construct the target spectrum is 0.69 g, and the PGAs associated with the ASCE 7-22 two-period and multiperiod design spectra for Mayagüez are 0.55 g and 0.62 g, respectively. Furthermore, the record-to-record dispersion in the drift demand is substantially lower in the symmetric structures compared to the structures exhibiting significant azimuthal dependence on strength and stiffness.

6. Conclusions

This study investigated the seismic behavior of informal reinforced concrete houses in Puerto Rico, focusing on their response to pulse-type ground motions and the effectiveness of retrofitting with first-floor reinforced concrete shear walls. Based on quasi-static and dynamic simulations, the following conclusions are drawn:
  • Model representativeness—the developed structural models accurately captured the failure mechanisms observed during the 2020 earthquake sequence, with damage concentrated on the first floor and along the weak axis, while the second floor remained largely elastic.
  • The impact of pulse-type ground motions—the dynamic effect of a dominant velocity pulse was found to be negligible. Both pulse-like and ordinary records imposed similar median inelastic demands across the intensity range studied.
  • Retrofitting effectiveness—the addition of shear walls significantly enhanced the structural performance, effectively doubling the lateral load capacity and increasing the overall stiffness. In the retrofitted sloped terrain model, the V/W ratio in the +Y direction increased from 0.77 (as-built) to 1.76, while the total drift at peak base shear decreased from 1.24% to 0.31%. Similarly, for the retrofitted flat terrain model in the +Y direction, the V/W ratio increased from 0.79 to 1.82, and the total drift decreased from 0.97% to 0.32%. This represents an approximate doubling of strength (increase by 2.2–2.3 times) and a significant reduction in drift (by 3–4 times). Furthermore, the PGA required to reach the “excessive deformation” limit state increased substantially: for the flat terrain model, it rose from 0.23 g (as-built) to 0.60 g (retrofitted), a 160% increase, and for the sloped terrain model, it increased from 0.20 g to 0.48 g, a 140% increase. However, the retrofitted structures still exhibited a concentration of inelastic action, albeit with lower demands, which shifted to the second floor. This was observed consistently, with plastic deformations concentrating on the second floor while the first floor largely remained elastic.
  • Incremental Dynamic Analysis (IDA)—bi-directional IDA proved essential for evaluating structural behavior under increasing seismic demands. This method captured the effects of a bilateral demand, as well as the significant strength and stiffness differences between primary structural directions and varying column heights, which are difficult to assess using traditional pushover analyses.
  • Symmetric vs. asymmetric configurations—symmetric structures demonstrated a superior seismic performance due to a more uniform demand distribution, which reduced record-to-record response variability and improved the overall lateral force resistance. The as-built symmetric model, for example, exhibited satisfactory behavior, requiring a PGA of 0.73 g to reach the excessive deformation limit state, significantly higher than the 0.20–0.23 g required for the as-built asymmetric (flat or sloped) models. When retrofitted, the symmetric model remained within the serviceability range even when subjected to a PGA of 2.07 g. Conversely, irregular structures exhibited severe deficiencies, with limit states reached at PGAs as low as 0.2 g. This highlights that structural symmetry considerably improves overall seismic resilience.
These findings underscore the importance of seismic retrofitting and highlight the need for tailored rehabilitation strategies to improve the resilience of informal reinforced concrete housing in Puerto Rico. Future research opportunities include prioritizing the experimental validation of numerical models through shake table tests and the in-depth material characterization of local construction materials, especially masonry, to enhance the model accuracy. Moreover, infill modeling approaches based on plane discrete elements can be explored to account for the infill–frame interaction along the whole contact length and in the modeling of the openings [30,31]. Further investigation is also warranted into the direct impact and effective mitigation strategies for specific deficiencies such as poor joint detailing and inadequate development lengths. Additionally, exploring alternative retrofitting strategies, beyond current shear wall configurations, such as reduced-length walls extending through the second floor or column/frame jacketing and steel bracing, could lead to a more uniform distribution of inelastic deformations and an improved seismic performance.

Author Contributions

Investigation, L.P.; Methodology, L.A.M.; Software, L.P. and L.A.M.; Validation, L.P.; Writing—original draft, L.P.; Writing—review and editing, L.A.M. All authors have read and agreed to the published version of the manuscript.

Funding

This research was made possible by the generous financial and administrative assistance of the Puerto Rico Strong Motion Program. The statements, findings, conclusions, and recommendations are those of the authors and do not necessarily reflect the view of the Puerto Rico Strong Motion Program.

Data Availability Statement

The code used to generate the spectrally matched records is freely available from https://github.com/LuisMontejo/REQPY.

Conflicts of Interest

The authors declare no conflict of interest.

References

  1. Madan, A.; Reinhorn, A.M. Modeling of Masonry Infills Panels for Structural Analysis. J. Struct. Eng. 1997, 123, 1295–1302. [Google Scholar] [CrossRef]
  2. El-Dakhakhni, W.W.; Elgaaly, M. Three-Strut Model for Concrete Masonry-Infilled Steel Frames. J. Struct. Eng. 2003, 129, 177–185. [Google Scholar] [CrossRef]
  3. Ferraioli, M.; Lavino, A. Irregularity Effects of Masonry Infills on Nonlinear Seismic Behaviour of RC Buildings. Math. Probl. Eng. 2020, 2020, 4086320. [Google Scholar] [CrossRef]
  4. Gonzalez Avellanet, Y. Rehabilitation of RC Residential Houses on Gravity Columns over Slope Terrain. Ph.D. Thesis, University of Puerto Rico at Mayagüez, Mayagüez, PR, USA, 2015. [Google Scholar]
  5. Murray, P.B.; Feliciano, D. Seismic safety of informally constructed reinforced concrete houses in Puerto Rico. Earthq. Spectra 2023, 39, 5–33. [Google Scholar] [CrossRef]
  6. Martínez Cruzado, J.A.; López Rodríguez, R.R.; Gonzalez Avellanet, Y. Rehabilitación Sísmica de Casas en Zancos. Available online: https://ecoexploratorio.org/wp-content/uploads/2022/08/Rehabilitacion_Sismica_de_Casas_en_Zancos_Programa_de_Movimiento_Fuerte_de_Puerto_Rico_RUM.pdf (accessed on 15 May 2025).
  7. Scott, M.H.; Fenves, G.L. Plastic hinge integration methods for force-based beam-column elements. J. Struct. Eng. 2006, 132, 244–252. [Google Scholar] [CrossRef]
  8. Open System for Earthquake Engineering Simulation. Available online: https://opensees.berkeley.edu/ (accessed on 15 May 2025).
  9. SeismoStruct. A Computer Program for Static and Dynamic Nonlinear Analysis of Framed Structures. Available online: https://seismosoft.com/products/seismostruct/ (accessed on 15 May 2025).
  10. Mander, J.B.; Priestley, M.J.N. Theoretical stress-strain model for confined concrete. J. Struct. Eng. 1988, 114, 1804–1826. [Google Scholar] [CrossRef]
  11. Menegotto, M.; Pinto, P.E. Method of analysis for cyclically loaded R.C. plane frames including changes in geometry and non-elastic behaviour of elements under combined normal force and bending. IABSE Rep. Work. Comm. 1973, 11, 15–22. [Google Scholar]
  12. Crisafulli, F.J. Seismic Behaviour of Reinforced Concrete Structures with Masonry Infills. Ph.D. Thesis, University of Canterbury, Christchurch, New Zealand, 1997. [Google Scholar]
  13. Bertoldi, S.H.; Decanini, L.D. Telai tamponati soggetti ad azione sismica, un modello semplificato: Confronto sperimentale e numerico. Atti 6° Convegno Naz. ANIDIS 1993, 2, 815–824. [Google Scholar]
  14. Jiang, Y.; Li, G.; Yang, D. A modified approach of energy balance concept based multimode pushover analysis to estimate seismic demands for buildings. Eng. Struct. 2010, 32, 1272–1283. [Google Scholar] [CrossRef]
  15. Sucuoglu, H.; Selim Günay, M. Generalized force vectors for multi-mode pushover analysis. Earthq. Eng. Struct. Dyn. 2011, 40, 55–74. [Google Scholar] [CrossRef]
  16. Abbasnia, R.; Davoudi, A. An adaptive pushover procedure based on effective modal mass combination rule. Eng. Struct. 2013, 52, 654–666. [Google Scholar] [CrossRef]
  17. Liu, Y.; Kuang, J.S. Spectrum-based pushover analysis for estimating seismic demand of tall buildings. Bull. Earthq. Eng. 2017, 15, 4193–4214. [Google Scholar] [CrossRef]
  18. Ferraioli, M.; Lavino, A. A Displacement-Based Design Method for Seismic Retrofit of RC Buildings Using Dissipative Braces. Math. Probl. Eng. 2018, 2018, 5364564. [Google Scholar] [CrossRef]
  19. Ferraioli, M.; Lavino, A.; Mandara, A. Multi-Mode Pushover Procedure to Estimate Higher Modes Effects on Seismic Inelastic Response of Steel Moment-Resisting Frames. Key Eng. Mater. 2018, 763, 82–89. [Google Scholar] [CrossRef]
  20. Rahmani, A.Y.; Bourahla, N. Adaptive upper-bound pushover analysis for high-rise moment steel frames. Structures 2019, 20, 912–923. [Google Scholar] [CrossRef]
  21. Bae, S.; Mieses, A.M. Inelastic buckling of reinforcing bars. J. Struct. Eng. 2005, 131, 314–321. [Google Scholar] [CrossRef]
  22. Ditommaso, R.; Lammarucci, N.; Ponzo, F.C. Prediction of the fundamental period of infilled RC framed structures considering the maximum inter-story drift at different design limit states. Structures 2024, 63, 106422. [Google Scholar] [CrossRef]
  23. Kowalsky, M.J.; Priestley, M.J. Improved Analytical Model for Shear Strength of Circular Reinforced Concrete Columns in Seismic Regions. ACI Struct. J. 2000, 97, 388–396. [Google Scholar] [CrossRef]
  24. Peralta, L. Seismic Assessment of Informal Reinforced Concrete Houses in Puerto Rico. Ph.D. Thesis, University of Puerto Rico at Mayagüez, Mayagüez, PR, USA, 2025. [Google Scholar]
  25. Montejo, L.A. Spectrally matching pulse-like records to a target rotd100 spectrum. Earthq. Eng. Struct. Dyn. 2023, 52, 2796–2811. [Google Scholar] [CrossRef]
  26. Boore, D.M.; Stewart, J.P. Nga-west2 equations for predicting pga, pgv, and 5. Earthq. Spectra 2014, 30, 1057–1085. [Google Scholar] [CrossRef]
  27. Boore, D.M.; Kishida, T. Relations between some horizontal-component ground-motion intensity measures used in practice. Bull. Seismol. Soc. Am. 2017, 107, 334–343. [Google Scholar] [CrossRef]
  28. Shahi, S.K.; Baker, J.W. An empirically calibrated framework for including the effects of near-fault directivity in probabilistic seismic hazard analysis. Bull. Seismol. Soc. Am. 2011, 101, 742–755. [Google Scholar] [CrossRef]
  29. Montejo, L. Response spectral matching of horizontal ground motion components to an orientation-independent spectrum (RotDnn). Earthq. Spectra 2020, 37, 1127–1144. [Google Scholar] [CrossRef]
  30. Caliò, I.; Cannizzaro, F.; D’Amore, E.; Marletta, M.; Pantò, B. A new discrete-element approach for the assessment of the seismic resistance of composite reinforced concrete-masonry buildings. AIP Conf. Proc. 2008, 1020, 832–839. [Google Scholar]
  31. Caddemi, S.; Caliò, I.; Cannizzaro, F.; Pantò, B. A new computational strategy for the seismic assessment of infilled frame structures. In Proceedings of the Fourteenth International Conference on Civil, Structural and Environmental Engineering, Sardinia, Italy, 3–6 September 2013. [Google Scholar]
Figure 1. The 3 distinct prototypes developed: (a) flat terrain model, (b) sloped terrain model, and (c) symmetric model.
Figure 1. The 3 distinct prototypes developed: (a) flat terrain model, (b) sloped terrain model, and (c) symmetric model.
Eng 06 00176 g001
Figure 2. Transversal section for beams and columns.
Figure 2. Transversal section for beams and columns.
Eng 06 00176 g002
Figure 3. Retrofitted models: (a) flat terrain model, (b) sloped terrain model, and (c) symmetric model.
Figure 3. Retrofitted models: (a) flat terrain model, (b) sloped terrain model, and (c) symmetric model.
Eng 06 00176 g003
Figure 4. Typical fiber-based lumped plasticity element.
Figure 4. Typical fiber-based lumped plasticity element.
Eng 06 00176 g004
Figure 5. Macro-model for infill walls (adapted from [12]). Left figure shows the compression/tension struts mechanism and the Right figure shows the shear spring mechanism.
Figure 5. Macro-model for infill walls (adapted from [12]). Left figure shows the compression/tension struts mechanism and the Right figure shows the shear spring mechanism.
Eng 06 00176 g005
Figure 6. Pushover curves for flat terrain models. Left: as-built model, Right: retrofitted model.
Figure 6. Pushover curves for flat terrain models. Left: as-built model, Right: retrofitted model.
Eng 06 00176 g006
Figure 7. Some of the collapses observed during the 2020 earthquake sequence.
Figure 7. Some of the collapses observed during the 2020 earthquake sequence.
Eng 06 00176 g007
Figure 8. Deformed shapes with hinge locations for the as-built (left) and retrofitted (right) models. The yellow circles correspond to the yield of the longitudinal reinforcement in tension, cyan corresponds to yield in compression, and blue to concrete reaching a strain of 0.003 in compression.
Figure 8. Deformed shapes with hinge locations for the as-built (left) and retrofitted (right) models. The yellow circles correspond to the yield of the longitudinal reinforcement in tension, cyan corresponds to yield in compression, and blue to concrete reaching a strain of 0.003 in compression.
Eng 06 00176 g008
Figure 9. Target site-specific response spectrum including the effect of a velocity pulse with period of 1.75 s.
Figure 9. Target site-specific response spectrum including the effect of a velocity pulse with period of 1.75 s.
Eng 06 00176 g009
Figure 10. Left: Records response spectra (thin lines), sets the mean response spectrum (thick lines), and the target site response spectrum (black line). Right: ratios between the set’s mean response spectrum and the target spectrum. The horizontal dashed line depicts the target ratio of 1. The vertical dashed lines indicate the natural periods of the analyzed structures. The abbreviations correspond to different models: FSR = Flat Symmetric Retrofitted, FS = Flat Symmetric, SR = Sloped Retrofitted, FR = Flat Retrofitted, S = Sloped, and F = Flat.
Figure 10. Left: Records response spectra (thin lines), sets the mean response spectrum (thick lines), and the target site response spectrum (black line). Right: ratios between the set’s mean response spectrum and the target spectrum. The horizontal dashed line depicts the target ratio of 1. The vertical dashed lines indicate the natural periods of the analyzed structures. The abbreviations correspond to different models: FSR = Flat Symmetric Retrofitted, FS = Flat Symmetric, SR = Sloped Retrofitted, FR = Flat Retrofitted, S = Sloped, and F = Flat.
Eng 06 00176 g010
Figure 11. Polar plot of interstory drift for the as-built flat terrain model when subjected to a record scaled at a PGA of 0.41 g.
Figure 11. Polar plot of interstory drift for the as-built flat terrain model when subjected to a record scaled at a PGA of 0.41 g.
Eng 06 00176 g011
Figure 12. Polar plot of interstory drift for the retrofitted flat terrain model when subjected to the same record used for Figure 12, but scaled at a PGA of 0.69 g.
Figure 12. Polar plot of interstory drift for the retrofitted flat terrain model when subjected to the same record used for Figure 12, but scaled at a PGA of 0.69 g.
Eng 06 00176 g012
Figure 13. Polar plot of interstory drift for the as-built symmetric model when subjected to a record scaled at a PGA of 0.69 g.
Figure 13. Polar plot of interstory drift for the as-built symmetric model when subjected to a record scaled at a PGA of 0.69 g.
Eng 06 00176 g013
Figure 14. Polar plot of interstory drift for the retrofitted symmetric model when subjected to a record scaled at a PGA of 1.38 g.
Figure 14. Polar plot of interstory drift for the retrofitted symmetric model when subjected to a record scaled at a PGA of 1.38 g.
Eng 06 00176 g014
Figure 15. IDA curves for the flat terrain (a), sloped terrain (b), and symmetric (c) models.
Figure 15. IDA curves for the flat terrain (a), sloped terrain (b), and symmetric (c) models.
Eng 06 00176 g015
Disclaimer/Publisher’s Note: The statements, opinions and data contained in all publications are solely those of the individual author(s) and contributor(s) and not of MDPI and/or the editor(s). MDPI and/or the editor(s) disclaim responsibility for any injury to people or property resulting from any ideas, methods, instructions or products referred to in the content.

Share and Cite

MDPI and ACS Style

Peralta, L.; Montejo, L.A. Seismic Assessment of Informally Designed 2-Floor RC Houses: Lessons from the 2020 Southern Puerto Rico Earthquake Sequence. Eng 2025, 6, 176. https://doi.org/10.3390/eng6080176

AMA Style

Peralta L, Montejo LA. Seismic Assessment of Informally Designed 2-Floor RC Houses: Lessons from the 2020 Southern Puerto Rico Earthquake Sequence. Eng. 2025; 6(8):176. https://doi.org/10.3390/eng6080176

Chicago/Turabian Style

Peralta, Lautaro, and Luis A. Montejo. 2025. "Seismic Assessment of Informally Designed 2-Floor RC Houses: Lessons from the 2020 Southern Puerto Rico Earthquake Sequence" Eng 6, no. 8: 176. https://doi.org/10.3390/eng6080176

APA Style

Peralta, L., & Montejo, L. A. (2025). Seismic Assessment of Informally Designed 2-Floor RC Houses: Lessons from the 2020 Southern Puerto Rico Earthquake Sequence. Eng, 6(8), 176. https://doi.org/10.3390/eng6080176

Article Metrics

Back to TopTop