Investigation of a Multiflow Ejector Equipped with Variable-Length Links for Thrust Vector Control Using Euler’s Methodology
Abstract
1. Introduction
2. Methodology
3. Results
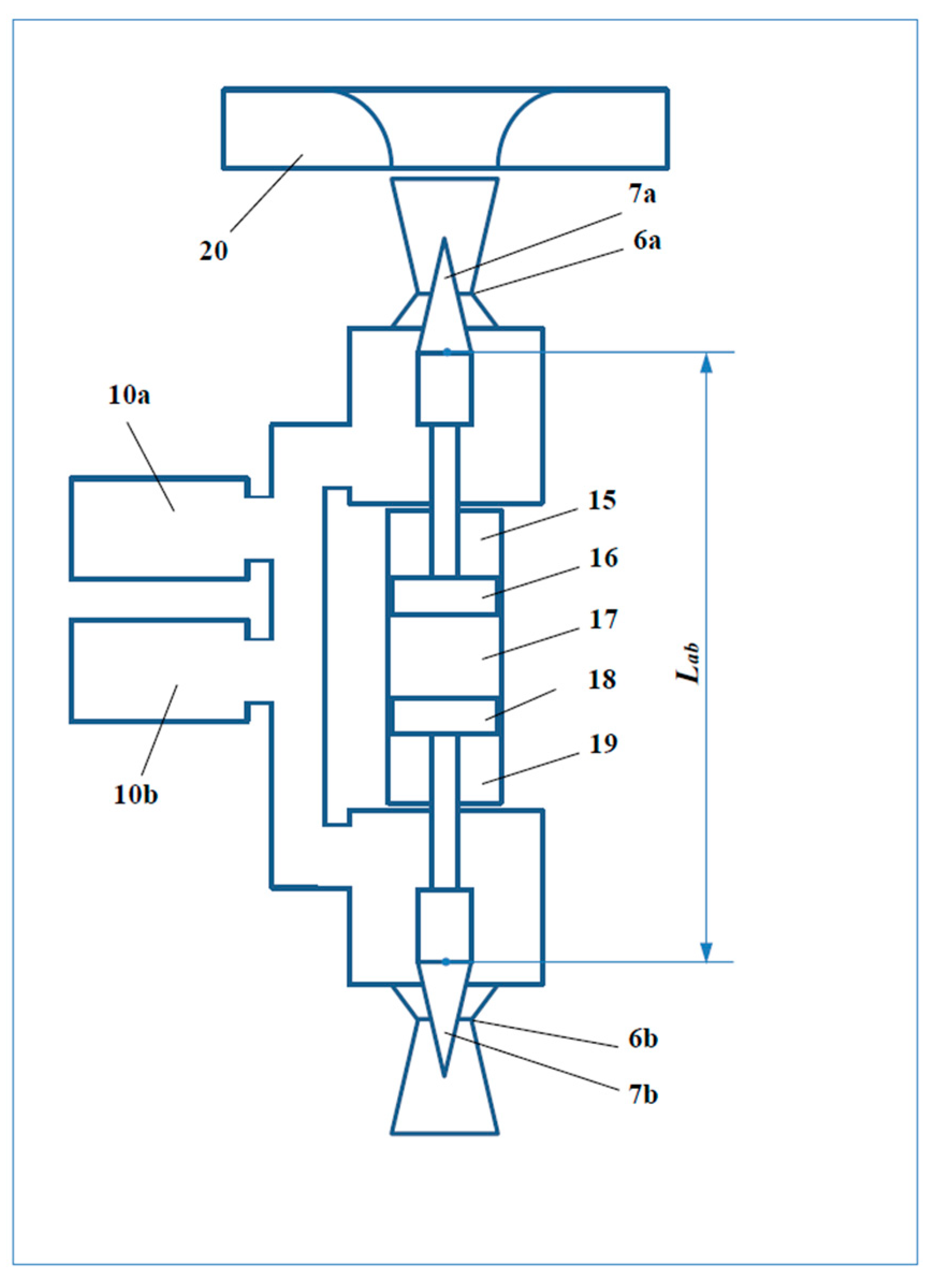
3.1. Development of the Schematic Diagram of a Multiflow Ejector Equipped with Variable-Length Links
3.2. Explanation of the Principle of Multiflow Ejector Operation
3.3. Computer Simulation of Nozzle Apparatus
- Software product: Flow Simulation 2018 SP5.0
- CPU type: Intel(R) Core (TM) i5-6200U CPU @ 2.30GHz
- CPU speed: 2401 MHz
- RAM: 8065 MB
- Operating system: Windows 10
4. Discussion
4.1. Subsection Discussion of Intermediate Research Results
- –
- Investigated variants of a multiflow ejector equipped with variable-length links for thrust vector control when the thrust vector angle can vary from +180° to −180° in any direction within a complete geometric sphere;
- –
- Prepared new materials to create a digital twin of a multiflow ejector equipped with variable-length links;
- –
- Considered separate models of jet control systems (including those according to the Russian Federation patent No. 2819487) rely on Euler’s ideas and methodology.
- Stage 1: Development of a conceptual solution using a digital twin to develop promising unmanned aerial vehicles operating at subsonic speeds.
- Stage 2: Development of a conceptual solution using a digital twin to develop promising unmanned aerial vehicles operating at supersonic speeds.
- Stage 3: Development of a conceptual solution for using a digital twin in training programs for pilots working with promising unmanned aerial vehicles.
- Stage 4: Development of a conceptual solution using large databases to verify the quality of the digital twin.
- Stage 5: Development of methods for developing jet control systems and digital twins considering the level of scientific and practical studies in AI.
4.2. Discussion of Typical Schemes for Thrust Vector Control Within a Complete Geometric Sphere
4.3. Discussion on Developing Euler’s Methodology
5. Conclusions
5.1. Scientific Novelty
5.2. Theoretical Contributions
5.3. Significance for Practice
5.4. Limitations and Future Studies
Author Contributions
Funding
Institutional Review Board Statement
Informed Consent Statement
Data Availability Statement
Conflicts of Interest
Appendix A
| Channel Number (Index) | Pressure | Flow Rate | Force | Specific Force | Variable Length | Shift | Relative Shift | Relative Flow Rate | Relative Force | Flow Rate | Force |
|---|---|---|---|---|---|---|---|---|---|---|---|
| i | P | Qo | Fo | Fo/Qo | dL | Xi | Xi/L | Qi/Qo | Fi/Fo | Qi | Fi |
| … | MPa | kg/s | N | N/(kg/s) | mm | mm | … | … | … | kg/s | N |
| a | 1.500 | 0.0224 | 29.719 | 1329.508 | 8.000 | 4.00 | 0.500 | 0.500 | 0.500 | 0.0112 | 14.859 |
| b | 1.500 | 0.0224 | 29.719 | 1329.508 | 8.000 | 4.00 | 0.500 | 0.500 | 0.500 | 0.0112 | 14.859 |
| a2 | 1.500 | 0.0224 | 29.719 | 1329.508 | 8.000 | 4.00 | 0.500 | 0.500 | 0.500 | 0.0112 | 14.859 |
| b2 | 1.500 | 0.0224 | 29.719 | 1329.508 | 8.000 | 4.00 | 0.500 | 0.500 | 0.500 | 0.0112 | 14.859 |
| Channel Number (Index) | Pressure | Flow Rate | Force | Specific Force | Variable Length | Shift | Relative Shift | Relative Flow Rate | Relative Force | Flow Rate | Force |
|---|---|---|---|---|---|---|---|---|---|---|---|
| i | P | Qo | Fo | Fo/Qo | dL | Xi | Xi/L | Qi/Qo | Fi/Fo | Qi | Fi |
| … | MPa | kg/s | N | N/(kg/s) | mm | mm | … | … | … | kg/s | N |
| a | 3.000 | 0.0447 | 73.775 | 1650.226 | 8.000 | 8.00 | 1.000 | 1.000 | 1.000 | 0.0447 | 73.775 |
| b | 3.000 | 0.0447 | 73.775 | 1650.226 | 8.000 | 0.00 | 0.000 | 0.000 | 0.000 | 0.0000 | 0.000 |
| a2 | 3.000 | 0.0447 | 73.775 | 1650.226 | 0.000 | 0.00 | 0.000 | 0.000 | 0.000 | 0.0000 | 0.000 |
| b2 | 3.000 | 0.0447 | 73.775 | 1650.226 | 0.000 | 0.00 | 0.000 | 0.000 | 0.000 | 0.0000 | 0.000 |
| Channel Number (Index) | Pressure | Flow Rate | Force | Specific Force | Variable Length | Shift | Relative Shift | Relative Flow Rate | Relative Force | Flow Rate | Force |
|---|---|---|---|---|---|---|---|---|---|---|---|
| i | P | Qo | Fo | Fo/Qo | dL | Xi | Xi/L | Qi/Qo | Fi/Fo | Qi | Fi |
| … | MPa | kg/s | N | N/(kg/s) | mm | mm | … | … | … | kg/s | N |
| a | 6.000 | 0.0894 | 161.888 | 1810.585 | 8.000 | 3.00 | 0.375 | 0.375 | 0.375 | 0.0335 | 60.708 |
| b | 6.000 | 0.0894 | 161.888 | 1810.585 | 8.000 | 5.00 | 0.625 | 0.625 | 0.625 | 0.0559 | 101.180 |
| a2 | 6.000 | 0.0894 | 161.888 | 1810.585 | 0.000 | 2.00 | 0.250 | 0.250 | 0.250 | 0.0224 | 40.472 |
| b2 | 6.000 | 0.0894 | 161.888 | 1810.585 | 0.000 | −2.00 | −0.250 | 0.000 | 0.000 | 0.0000 | 0.000 |
References
- Sazonov, Y.A.; Mokhov, M.A.; Gryaznova, I.V.; Voronova, V.V.; Tumanyan, K.A.; Konyushkov, E.I. Thrust Vector Control within a Geometric Sphere, and the Use of Euler’s Tips to Create Jet Technology. Civ. Eng. J. 2023, 9, 2516–2534. [Google Scholar] [CrossRef]
- Sazonov, Y.A.; Mokhov, M.A.; Gryaznova, I.V.; Voronova, V.V.; Tumanyan, K.A.; Konyushkov, E.I. Solving Innovative Problems of Thrust Vector Control Based on Euler’s Scientific Legacy. Civ. Eng. J. 2023, 9, 2868–2895. [Google Scholar] [CrossRef]
- Sazonov, Y.A.; Mokhov, M.A.; Gryaznova, I.V.; Voronova, V.V.; Tumanyan, K.A.; Konyushkov, E.I. Methods for regulating ejector systems within interdisciplinary research using computer modeling. Int. J. Tech. Phys. Probl. Eng. 2023, 15, 306–320. [Google Scholar]
- Sazonov, Y.A.; Mokhov, M.A.; Bondarenko, A.V.; Voronova, V.V.; Tumanyan, K.A.; Konyushkov, E.I. Interdisciplinary Studies of Jet Systems Using Euler Methodology and Computational Fluid Dynamics Technologies. HighTech Innov. J. 2023, 4, 703–719. [Google Scholar] [CrossRef]
- Popper, K.R. Conjectures and Refutations: The Growth of Scientific Knowledge; AST: Moscow, Russia, 2004. [Google Scholar]
- Li, X.; Dunkin, F.; Dezert, J. Multi-Source Information Fusion: Progress and Future. Chin. J. Aeronaut. 2023, 37, 24–58. [Google Scholar] [CrossRef]
- Gruber, S.; Rola, K.; Urbancl, D.; Goričanec, D. Recent Advances in Ejector-Enhanced Vapor Compression Heat Pump and Refrigeration Systems—A Review. Energies 2024, 17, 4043. [Google Scholar] [CrossRef]
- Jin, M.; Zhang, X.; Zhou, J.; Zhang, L. Performance Analysis of an Ejector-Enhanced Heat Pump System for Low-Temperature Waste Heat Recovery Using UHVDC Converter Valves. Energies 2024, 17, 3589. [Google Scholar] [CrossRef]
- Xu, D.; Gu, Y.; Li, W.; Chen, J. Experimental Investigation of the Performance of a Novel Ejector–Diffuser System with Different Supersonic Nozzle Arrays. Fluids 2024, 9, 155. [Google Scholar] [CrossRef]
- Hesami, A.; Kazempoor, P.; Acacio, V.J.; Van Dam, J.D. Systems and Methods for Gas Pulse Jet Pump. U.S. Patent 10837463, 2020. Available online: https://www.freepatentsonline.com/10837463.pdf (accessed on 7 August 2024).
- Knoeller, M.C.; Robison, C.E.; Agarwal, M.; Paulet, B.A. Jet Pump Controller with Downhole Prediction. U.S. Patent 11078766, 2021. Available online: https://www.freepatentsonline.com/11078766.pdf (accessed on 7 August 2024).
- He, Y.; Shi, X.; Ji, H. Optimal Design of Ejector Nozzle Profile with Internal and External Integrated Flow. Aerospace 2024, 11, 184. [Google Scholar] [CrossRef]
- Mason, J.L.; Schofield, R.B.; Ray, S.M.; Schumacher, B.J.; Bonar, J.F.; Moore, G.E. Method and System for a Short Length Jet Pump with Improved Mixing. U.S. Patent 10029218, 2018. Available online: https://www.freepatentsonline.com/10029218.pdf (accessed on 7 August 2024).
- Xu, Z.; Liu, B.; Tong, Y.; Dong, Z.; Feng, Y. Modeling and Control of Ejector-Based Hydrogen Circulation System for Proton Exchange Membrane Fuel Cell Systems. Energies 2024, 17, 2460. [Google Scholar] [CrossRef]
- Yachmenova, L.A.; Syrkov, A.G.; Kabirov, V.R. Features of Obtaining Surface-Modified Metals with Minimal Carbon Footprint. Non-Ferr. Met. 2023, 27, 33–40. [Google Scholar] [CrossRef]
- Li, C.; Sun, B.; Bao, L. Coupling Global Parameters and Local Flow Optimization of a Pulsed Ejector for Proton Exchange Membrane Fuel Cells. Sustainability 2024, 16, 4170. [Google Scholar] [CrossRef]
- Brunner, D.A.; Marcks, S.; Bajpai, M.; Prasad, A.K.; Advani, S.G. Design and Characterization of an Electronically Controlled Variable Flow Rate Ejector for Fuel Cell Applications. Int. J. Hydrogen Energy 2011, 37, 4457–4466. [Google Scholar] [CrossRef]
- Lysak, I.A.; Lysak, G.V.; Konyukhov, V.Y.; Stupina, A.A.; Gozbenko, V.E.; Yamshchikov, A.S. Efficiency Optimization of an Annular-Nozzle Air Ejector under the Influence of Structural and Operating Parameters. Mathematics 2023, 11, 3039. [Google Scholar] [CrossRef]
- Gu, R.; Sun, M.; Cai, Z.; Chen, J.; Li, P.; Dong, Z.; Wang, T.; Yao, Y.; Huang, Y. Experimental Study on the Rocket-Ejector System with a Throat in the Secondary Stream. Aerosp. Sci. Technol. 2021, 113, 106697. [Google Scholar] [CrossRef]
- Cican, G.; Frigioescu, T.-F.; Crunteanu, D.-E.; Cristea, L. Micro Turbojet Engine Nozzle Ejector Impact on the Acoustic Emission, Thrust Force and Fuel Consumption Analysis. Aerospace 2023, 10, 162. [Google Scholar] [CrossRef]
- Kim, S.W. Thrust Augmenter. Japanese Patent JP2024516044, 2024. Available online: https://www.freepatentsonline.com/JP2024516044.html (accessed on 7 August 2024).
- Liu, B.; Gao, Y.; Gao, L.; Zhang, J.; Zhu, Y.; Zang, X.; Zhao, J. Design and Experimental Study of a Turbojet VTOL Aircraft with One-Dimensional Thrust Vectoring Nozzles. Aerospace 2022, 9, 678. [Google Scholar] [CrossRef]
- Bhadran, A.; Manathara, J.G.; Ramakrishna, P.A. Thrust Control of Lab-Scale Hybrid Rocket Motor with Wax-Aluminum Fuel and Air as Oxidizer. Aerospace 2022, 9, 474. [Google Scholar] [CrossRef]
- Völker, M.; Sausner, A. Suction Jet Pump. U.S. Patent US 10072674, 2018. Available online: https://www.freepatentsonline.com/10072674.pdf (accessed on 7 August 2024).
- Wang, C.; Lu, H.; Kong, X.; Wang, S.; Ren, D.; Huang, T. Effects of Pulsed Jet Intensities on the Performance of the S-Duct. Aerospace 2023, 10, 184. [Google Scholar] [CrossRef]
- Ahmed, F.; Eames, I.; Moeendarbary, E.; Azarbadegan, A. High-Strouhal-Number Pulsatile Flow in a Curved Pipe. J. Fluid Mech. 2021, 923, A15. [Google Scholar] [CrossRef]
- Brethouwer, G. Turbulent Flow in Curved Channels. J. Fluid Mech. 2021, 931, A21. [Google Scholar] [CrossRef]
- Jesudasan, R.; Müeller, J.-D. High-Resolution CAD-Based Shape Parametrisation of a U-Bend Channel. Aerospace 2024, 11, 663. [Google Scholar] [CrossRef]
- Taherinezhad, M.; Ramirez-Serrano, A. An Enhanced Incremental Nonlinear Dynamic Inversion Control Strategy for Advanced Unmanned Aircraft Systems. Aerospace 2023, 10, 843. [Google Scholar] [CrossRef]
- Park, C.; Ramirez-Serrano, A.; Bisheban, M. Adaptive Incremental Nonlinear Dynamic Inversion Control for Aerial Manipulators. Aerospace 2024, 11, 671. [Google Scholar] [CrossRef]
- Feng, X.; Yang, Z.; Nie, Y. Investigation of the Overall Damage Assessment Method Used for Unmanned Aerial Vehicles Subjected to Blast Waves. Aerospace 2024, 11, 651. [Google Scholar] [CrossRef]
- Zhang, B.; Wang, T.; Li, M.; Cui, Y.; Lin, X.; Zhu, Z. Multiple Unmanned Aerial Vehicle (Multi-UAV) Reconnaissance and Search with Limited Communication Range Using Semantic Episodic Memory in Reinforcement Learning. Drones 2024, 8, 393. [Google Scholar] [CrossRef]
- Chen, C.-L.; Huang, Y.-W.; Shen, T.-J. Application of Deep Reinforcement Learning to Defense and Intrusion Strategies Using Unmanned Aerial Vehicles in a Versus Game. Drones 2024, 8, 365. [Google Scholar] [CrossRef]
- Pan, G.; Cui, X.; Sun, P.; Wang, B. A Brief Review of the Actuation Systems of the Morphing Systems in Wind Tunnel Models and a Case Study. Aerospace 2024, 11, 666. [Google Scholar] [CrossRef]
- Hosseini, B.; Rhein, J.; Holzapfel, F.; Grebing, B.; Rauleder, J. Conversion of a Coaxial Rotorcraft to a UAV—Lessons Learned. Aerospace 2024, 11, 681. [Google Scholar] [CrossRef]
- Argimbaev, K.R.; Ligotsky, D.N.; Mironova, K.V.; Loginov, E.V. Investigations on Material Composition of Iron-Containing Tails of Enrichment of Combined Mining and Processing in Kursk Magnetic Anomaly of Russia. Int. J. Eng. 2020, 33, 1431–1439. [Google Scholar] [CrossRef]
- Chen, J.; Liu, Q.; Yang, K. Theoretical Study of the Motion Characteristics of a Variable Length Connecting Rod Mechanism. Eng. Trans. 2022, 70, 3–22. [Google Scholar] [CrossRef]
- Blinov, A.O.; Borisov, A.V.; Mukharlyamov, R.G.; Goncharova, I.A.; Borisova, V.L. Variable-length link model with controllable stiffness and movable pole for aerospace exosuit. Trudy MAI 2024, 136. [Google Scholar]
- Negahban, M.H.; Bashir, M.; Priolet, C.; Botez, R.M. Novel Twist Morphing Aileron and Winglet Design for UAS Control and Performance. Drones 2024, 8, 392. [Google Scholar] [CrossRef]
- Yao, D.; Xia, Q. Finite-Time Convergence Guidance Law for Hypersonic Morphing Vehicle. Aerospace 2024, 11, 680. [Google Scholar] [CrossRef]
- He, Z.; Fan, S.; Wang, C.; Li, S.; Zhao, Y.; Shen, X.; Zhang, J. Conceptual Design of Compliant Structures for Morphing Wingtips Using Single-Row Corrugated Panels. Aerospace 2024, 11, 682. [Google Scholar] [CrossRef]
- Karali, H.; Inalhan, G.; Tsourdos, A. Advanced UAV Design Optimization Through Deep Learning-Based Surrogate Models. Aerospace 2024, 11, 669. [Google Scholar] [CrossRef]
- Martinez-Ponce, J.; Herkenhoff, B.; Aboelezz, A.; Urban, C.; Armanini, S.; Raphael, E.; Hassanalian, M. Studies on V-Formation and Echelon Flight Utilizing Flapping-Wing Drones. Drones 2024, 8, 395. [Google Scholar] [CrossRef]
- Yang, S.; Yu, W.; Liu, Z.; Ma, F. A Robust Hybrid Iterative Learning Formation Strategy for Multi-Unmanned Aerial Vehicle Systems with Multi-Operating Modes. Drones 2024, 8, 406. [Google Scholar] [CrossRef]
- Shi, H.; Lu, J.; Li, K.; Wu, P.; Guo, Y. Multi-Unmanned Aerial Vehicles Cooperative Trajectory Optimization in the Approaching Stage Based on the Attitude Correction Algorithm. Drones 2024, 8, 405. [Google Scholar] [CrossRef]
- Altin, I.; Sipahioglu, A. Drone Arc Routing Problems and Metaheuristic Solution Approach. Drones 2024, 8, 373. [Google Scholar] [CrossRef]
- Gui, X.; Zhang, J.; Tang, X.; Delahaye, D.; Bao, J. A Novel Aircraft Trajectory Generation Method Embedded with Data Mining. Aerospace 2024, 11, 648. [Google Scholar] [CrossRef]
- Xia, B.; Mantegh, I.; Xie, W. Decentralized UAV Swarm Control: A Multi-Layered Architecture for Integrated Flight Mode Management and Dynamic Target Interception. Drones 2024, 8, 350. [Google Scholar] [CrossRef]
- Shah, S.A.A.; Fernando, X.; Kashef, R. A Survey on Artificial-Intelligence-Based Internet of Vehicles Utilizing Unmanned Aerial Vehicles. Drones 2024, 8, 353. [Google Scholar] [CrossRef]
- Liu, X.; Li, D.; Wang, Y.; Zhang, Y.; Zhuang, X.; Li, H. Research on a Distributed Cooperative Guidance Law for Obstacle Avoidance and Synchronized Arrival in UAV Swarms. Drones 2024, 8, 352. [Google Scholar] [CrossRef]
- Meng, G.; Zhou, M.; Meng, T.; Wang, B. Enhancing Mission Planning of Large-Scale UAV Swarms with Ensemble Predictive Model. Drones 2024, 8, 362. [Google Scholar] [CrossRef]
- Hashemi, S.M.; Botez, R.M.; Ghazi, G. Bidirectional Long Short-Term Memory Development for Aircraft Trajectory Prediction Applications to the UAS-S4 Ehécatl. Aerospace 2024, 11, 625. [Google Scholar] [CrossRef]
- Xu, H.; Niu, Z.; Jiang, B.; Zhang, Y.; Chen, S.; Li, Z.; Gao, M.; Zhu, M. ERRT-GA: Expert Genetic Algorithm with Rapidly Exploring Random Tree Initialization for Multi-UAV Path Planning. Drones 2024, 8, 367. [Google Scholar] [CrossRef]
- Deng, X.; Dong, Z.; Ding, J. UAV Confrontation and Evolutionary Upgrade Based on Multi-Agent Reinforcement Learning. Drones 2024, 8, 368. [Google Scholar] [CrossRef]
- Akishev, K.M.; Zhamangarin, D.S.; Zhardemkyzy, S.; Murzabekov, T.T.; Nurgaliyev, A.Y.; Zhiganbayev, M.Y. Application of the principle of special states in developing simulation model. News Natl. Acad. Sci. Repub. Kazakhstan 2023, 1, 33–44. [Google Scholar] [CrossRef]
- Yang, J.; Yang, X.; Yu, T. Multi-Unmanned Aerial Vehicle Confrontation in Intelligent Air Combat: A Multi-Agent Deep Reinforcement Learning Approach. Drones 2024, 8, 382. [Google Scholar] [CrossRef]
- Wang, R.; Deng, Z. Rapid Initialization Method of Unmanned Aerial Vehicle Swarm Based on VIO-UWB in Satellite Denial Environment. Drones 2024, 8, 339. [Google Scholar] [CrossRef]
- Walan, A. Control of Revolutionary Aircraft with Novel Effectors (CRANE). Defense Advanced Research Projects Agency (DARPA). In Proceedings of the 2021 Virtual Systems & Mission Engineering Conference, Online, 6–8 December 2021; pp. 1–16. Available online: https://ndiastorage.blob.core.usgovcloudapi.net/ndia/2021/systems/Wed_Walan.pdf (accessed on 7 August 2024).
- Aerospace Global News. Aurora Begins Building Full-Scale Active Flow Control X-Plane. Available online: https://aerospaceglobalnews.com/news/aurora-begins-building-full-scale-active-flow-control-x-plane/ (accessed on 9 November 2024).
- Somerville, A.; Lynar, T.; Joiner, K.; Wild, G. Use of Simulation for Pre-Training of Drone Pilots. Drones 2024, 8, 640. [Google Scholar] [CrossRef]
- Missile Control Systems. Available online: http://www.aerospaceweb.org/question/weapons/q0158.shtml (accessed on 15 August 2024).
- Abugov, D.I.; Bobylev, V.M. Theory and Calculation of Solid Fuel Rocket Engines. In Textbook for Machine-Building Universities; Mashinostroenie: Moscow, Russia, 1987. [Google Scholar]

























| Xa | Qa | Fa | Xa/L | Fa/Fo | Qa/Qo |
|---|---|---|---|---|---|
| mm | kg/s | N | |||
| 8.00 | 0.1793 | 333.006 | 1.000 | 1.000 | 1.000 |
| 6.00 | 0.1315 | 243.485 | 0.750 | 0.731 | 0.733 |
| 4.00 | 0.0845 | 156.057 | 0.500 | 0.469 | 0.471 |
| 2.00 | 0.0413 | 72.089 | 0.250 | 0.216 | 0.230 |
| 0.50 | 0.0093 | 14.157 | 0.063 | 0.043 | 0.052 |
| 0.00 | 0.0000 | 0.000 | 0.000 | 0.000 | 0.000 |
| Xa | Qa | Fa | Xa/L | Fa/Fo | Qa/Qo |
|---|---|---|---|---|---|
| mm | kg/s | N | |||
| 8.00 | 0.1777 | 338.441 | 1.000 | 1.000 | 1.000 |
| 6.00 | 0.1359 | 259.122 | 0.750 | 0.766 | 0.765 |
| 4.00 | 0.0854 | 163.146 | 0.500 | 0.482 | 0.480 |
| 2.00 | 0.0416 | 76.281 | 0.250 | 0.225 | 0.234 |
| 0.50 | 0.0104 | 15.883 | 0.063 | 0.047 | 0.058 |
| 0.00 | 0.0000 | 0.000 | 0.000 | 0.000 | 0.000 |
Disclaimer/Publisher’s Note: The statements, opinions and data contained in all publications are solely those of the individual author(s) and contributor(s) and not of MDPI and/or the editor(s). MDPI and/or the editor(s) disclaim responsibility for any injury to people or property resulting from any ideas, methods, instructions or products referred to in the content. |
© 2024 by the authors. Licensee MDPI, Basel, Switzerland. This article is an open access article distributed under the terms and conditions of the Creative Commons Attribution (CC BY) license (https://creativecommons.org/licenses/by/4.0/).
Share and Cite
Sazonov, Y.A.; Mokhov, M.A.; Bondarenko, A.V.; Voronova, V.V.; Tumanyan, K.A.; Konyushkov, E.I. Investigation of a Multiflow Ejector Equipped with Variable-Length Links for Thrust Vector Control Using Euler’s Methodology. Eng 2024, 5, 2999-3022. https://doi.org/10.3390/eng5040156
Sazonov YA, Mokhov MA, Bondarenko AV, Voronova VV, Tumanyan KA, Konyushkov EI. Investigation of a Multiflow Ejector Equipped with Variable-Length Links for Thrust Vector Control Using Euler’s Methodology. Eng. 2024; 5(4):2999-3022. https://doi.org/10.3390/eng5040156
Chicago/Turabian StyleSazonov, Yuri A., Mikhail A. Mokhov, Anton V. Bondarenko, Victoria V. Voronova, Khoren A. Tumanyan, and Egor I. Konyushkov. 2024. "Investigation of a Multiflow Ejector Equipped with Variable-Length Links for Thrust Vector Control Using Euler’s Methodology" Eng 5, no. 4: 2999-3022. https://doi.org/10.3390/eng5040156
APA StyleSazonov, Y. A., Mokhov, M. A., Bondarenko, A. V., Voronova, V. V., Tumanyan, K. A., & Konyushkov, E. I. (2024). Investigation of a Multiflow Ejector Equipped with Variable-Length Links for Thrust Vector Control Using Euler’s Methodology. Eng, 5(4), 2999-3022. https://doi.org/10.3390/eng5040156
