Effect of Changing Amounts of Promoters and Base Fe Metal in a Multicomponent Catalyst Supported on Coal-Based Activated Carbon for Fischer–Tropsch Synthesis
Abstract
1. Introduction
2. Materials and Methods
2.1. Catalyst and Support Preparation
2.1.1. Preparation of AC Support
2.1.2. Preparation of Fe-Based Catalyst
2.1.3. Preparation of Other Materials
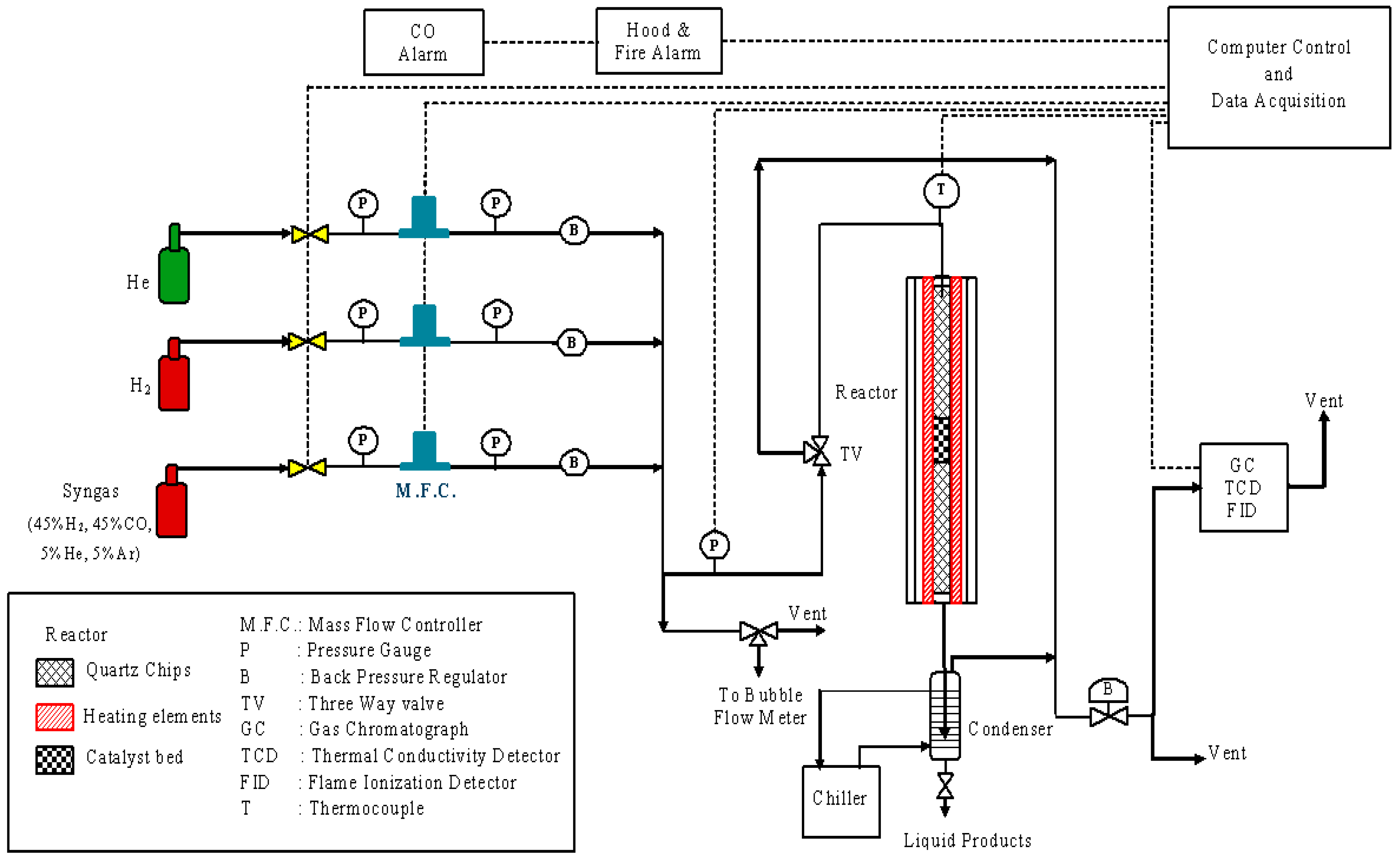
2.2. Reaction Equipment
2.3. Experimental Procedure
2.4. Characterization Equipment
3. Results and Discussion
3.1. Catalyst Characterization
3.2. Reaction Results
3.2.1. Effect of Varying Fe Composition on FTS Activity
3.2.2. Effect of Varying K Composition on FTS Activity
3.2.3. Effect of Varying Mo Composition on FTS Activity
3.2.4. Effect of Varying Cu Composition on FTS Activity
4. Summary and Conclusions
Author Contributions
Funding
Acknowledgments
Conflicts of Interest
References
- Yang, Y.; Xiang, H.; Tian, L.; Wang, H.; Zhang, C.; Tao, Z.; Xu, Y.; Zhong, B.; Li, Y. Structure and Fischer–Tropsch performance of iron–manganese catalyst incorporated with SiO2. Appl. Catal. A Gen. 2005, 284, 105–122. [Google Scholar] [CrossRef]
- Davis, B.H. Fischer-Tropsch synthesis: Relationship between iron catalyst composition and process variables. Catal. Today 2003, 84, 83–98. [Google Scholar] [CrossRef]
- Bukur, D.B.; Mukesh, D.; Patel, S.A. Promoter effects on precipitated iron catalysts for Fischer-Tropsch synthesis. Ind. Eng. Chem. Res. 1990, 29, 194–204. [Google Scholar] [CrossRef]
- Ma, W.P.; Ding, Y.J.; Lin, L.W. Fischer–Tropsch Synthesis over Activated-Carbon-Supported Cobalt Catalysts: Effect of Co Loading and Promoters on Catalyst Performance. Ind. Eng. Chem. Res. 2004, 43, 2391–2398. [Google Scholar] [CrossRef]
- Kugler, E.L.; Feng, L.; Li, X.; Dadyburjor, D.B. Effect of Ni on K-doped molybdenum-on-carbon catalysts: Temperature-programmed reduction and reactivity to higher-alcohol formation. Stud. Surf. Sci. Catal. 2000, 130, 299–304. [Google Scholar]
- Ma, W.; Kugler, E.L.; Dadyburjor, D.B. Effect of Mo loading and support type on hydrocarbons and oxygenates produced over Fe-Mo-Cu-K catalysts supported on activated carbons. Stud. Surf. Sci. Catal. 2007, 163, 125–140. [Google Scholar]
- Ribeiro, M.C.; Jacobs, G.; Davis, B.H.; Cronauer, D.C.; Kropf, A.J.; Marshall, C.L. Fischer–Tropsch synthesis: An in-situ TPR-EXAFS/XANES investigation of the influence of group I alkali promoters on the local atomic and electronic structure of carburized Iron/Silica catalysts. J. Phys. Chem. C 2010, 114, 7895–7903. [Google Scholar] [CrossRef]
- Chernavskii, P.A.; Kazak, V.O.; Pankina, G.V.; Perfiliev, Y.D.; Li, T.; Virginie, M.; Khodakov, A.Y. Influence of copper and potassium on the structure and carbidisation of supported iron catalysts for Fischer-Tropsch synthesis. Catal. Sci. Technol. 2017, 7, 2325–2334. [Google Scholar] [CrossRef]
- Yang, Y.; Xiang, H.W.; Xu, Y.Y.; Bai, L.; Li, Y.W. Effect of potassium promoter on precipitated iron-manganese catalyst for Fischer–Tropsch synthesis. Appl. Catal. A Gen. 2004, 266, 181–194. [Google Scholar] [CrossRef]
- Li, S.; Krishnamoorthy, S.; Li, A.; Meitzner, G.D.; Iglesia, E. Promoted iron-based catalysts for the Fischer–Tropsch synthesis: Design, synthesis, site densities, and catalytic properties. J. Catal. 2002, 206, 202–217. [Google Scholar] [CrossRef]
- Luo, M.; Davis, D.H. Fischer-Tropsch Synthesis: Activation of Low-Alpha Potassium Promoted Iron Catalysts. Fuel Process. Technol. 2003, 83, 49–65. [Google Scholar] [CrossRef]
- Wan, H.; Wu, B.; Zhang, C.; Xiang, H.; Li, Y. Promotional effects of Cu and K on precipitated iron-based catalysts for Fischer–Tropsch synthesis. J. Mol. Catal. A Chem. 2008, 283, 33–42. [Google Scholar] [CrossRef]
- Lohitharn, N.; Goodwin, J.G. Effect of K promotion of Fe and FeMn Fischer–Tropsch synthesis catalysts: Analysis at the site level using SSITKA. J. Catal. 2008, 260, 7–16. [Google Scholar] [CrossRef]
- Gujjar, S.J. Fischer-Tropsch Synthesis for Kerosene-Range Products Using a Multi-Component Catalyst Supported on Coal-Based Activated Carbon. Master’s Thesis, West Virginia University, Morganton, WV, USA, 2011. [Google Scholar]
- Karre, A.V.; Kababji, A.; Kugler, E.L.; Dadyburjor, D.B. Effect of addition of zeolite to iron-based activated-carbon-supported catalyst for Fischer–Tropsch synthesis in separate beds and mixed beds. Catal. Today 2012, 198, 280–288. [Google Scholar] [CrossRef]
- Sietsma, J.R.; Dillen, A.J.; Jongh, P.E.; Jong, K.P. Application of ordered mesoporous materials as model supports to study catalyst preparation by impregnation and drying. Stud. Surf. Sci. Catal. 2006, 162, 95–102. [Google Scholar]
- Ma, W.; Kugler, E.L.; Wright, J.; Dadyburjor, D.B. Mo-Fe catalysts supported on activated carbon for synthesis of liquid fuels by the Fischer-Tropsch process: Effect of Mo addition on reducibility, activity, and hydrocarbon selectivity. Energy Fuels 2006, 20, 2299–2307. [Google Scholar] [CrossRef]
- Ma, W.P. (Center for Applied Energy Research, University of Kentucky, Lexington, KY, USA). Personal Communication, 2020.
- Karre, A.V.; Kababji, A.; Kugler, E.L.; Dadyburjor, D.B. Effect of time on stream and temperature on upgraded products from Fischer–Tropsch synthesis when zeolite is added to iron-based activated-carbon-supported catalyst. Catal. Today 2013, 214, 82–89. [Google Scholar] [CrossRef]
- Makhura, E.; Rakereng, J.; Rapoo, O.; Danha, G. Effect of the operation parameters on the Fischer Tropsch synthesis process using different reactors. Procedia Manuf. 2019, 35, 349–355. [Google Scholar] [CrossRef]
- Schulz, H. Major and minor reactions in Fischer-Tropsch synthesis on cobalt. Catal. Top. Catal. 2003, 26, 73–85. [Google Scholar] [CrossRef]
- Riedel, T.; Schulz, H.; Schaub, G.; Jun, K.; Hwang, J.; Lee, K. Fischer–Tropsch on iron with H2/CO and H2/CO2 as synthesis gases: The episodes of formation of the Fischer–Tropsch regime and construction of the catalyst: Fischer-Tropsch catalysis-science and practice. Top. Catal. 2003, 26, 41–54. [Google Scholar] [CrossRef]
- Weber, J.L.; del Monte, D.M.; Beerthuis, R.; Dufour, J.; Martos, C.; de Jong, K.P.; de Jongh, P.E. Conversion of synthesis gas to aromatics at medium temperature with a fischer tropsch and ZSM-5 dual catalyst bed. Catal. Today 2020. [Google Scholar] [CrossRef]
- Davidson, A.L.; Gibson, E.K.; Cibin, G.; Rensburg, H.V.; Parker, S.F.; Webb, P.B.; Lennon, D. The application of inelastic neutron scattering to investigate iron-based Fischer-Tropsch to olefins catalysis. J. Catal. 2020, 392, 197–208. [Google Scholar] [CrossRef]
- Martinez, A.; Rollan, J.; Arribas, M.A.; Cerqueira, H.S.; Costa, A.F.; Aguiar, E.F.S. A detailed study of the activity and deactivation of zeolites in hybrid Co/SiO2-zeolite Fischer–Tropsch catalysts. J. Catal. 2007, 249, 162–173. [Google Scholar] [CrossRef]
- Tavasoli, A.; Trépanier, M.; Abbaslou, R.M.M.; Dalai, A.K.; Abatzoglou, N. Fischer–Tropsch synthesis on mono- and bimetallic Co and Fe catalysts supported on carbon nanotubes. Fuel Process. Technol. 2009, 90, 1486–1494. [Google Scholar] [CrossRef]
- Ma, W.; Jacobs, G.; Sparks, D.E.; Todic, B.; Bukur, D.B.; Davis, B.H. Quantitative comparison of iron and cobalt based catalysts for the Fischer-Tropsch synthesis under clean and poisoning conditions. Catal. Today 2020, 343, 125–136. [Google Scholar] [CrossRef]
- Anderson, R.B. The Fischer-Tropsch Synthesis; Academic Press: London, UK, 1984; pp. 87–89. [Google Scholar]
- Dahou, T.; Defoort, F.; Jeguirim, M.; Dupont, C. Towards understanding the role of K during biomass steam gasification. Fuel 2020, 282, 118806. [Google Scholar] [CrossRef]
- Qin, S.; Zhanga, C.; Xua, J.; Wua, B.; Xianga, H.; Li, Y. Effect of Mo addition on precipitated Fe catalysts for Fischer–Tropsch synthesis. J. Mol. Catal. A Chem. 2009, 304, 128–134. [Google Scholar] [CrossRef]





| Promoter | Salt Used | Composition (% Metal) | Amount of salt (g/gAC) |
|---|---|---|---|
| Mo | Ammonium Molybdate (NH4)6Mo7O24·4H2O | 0 | 0 |
| 6 | 0.111 | ||
| 12 | 0.222 | ||
| Fe | Ferric Nitrate Fe(NO3)3·9H2O | 0 | 0 |
| 16 | 1.157 | ||
| 32 | 2.314 | ||
| Cu | Cupric Nitrate Cu(NO3)2·2.5H2O | 0 | 0 |
| 0.8 | 0.0293 | ||
| 1.6 | 0.058 | ||
| K | Potassium Nitrate KNO3 | 0 | 0 |
| 0.9 | 0.0233 | ||
| 1.8 | 0.0466 |
| Component wt% | ||||
|---|---|---|---|---|
| Sample number | Fe | Mo | Cu | K |
| 1 (baseline catalyst) | 16 | 6 | 0.8 | 0.9 |
| 2 | 32 | 6 | 0.8 | 0.9 |
| 3 | 0 | 6 | 0.8 | 0.9 |
| 4 | 16 | 6 | 0.8 | 1.8 |
| 5 | 16 | 6 | 0.8 | 0 |
| 6 | 16 | 12 | 0.8 | 0.9 |
| 7 | 16 | 0 | 0.8 | 0.9 |
| 8 | 16 | 6 | 1.6 | 0.9 |
| 9 | 16 | 6 | 0 | 0.9 |
| Element Detected | Quantity, mg/kg | Element Detected | Quantity, mg/kg | Element Detected | Quantity, mg/kg |
|---|---|---|---|---|---|
| Ag | 31.17 | Cu | 16.85 | S | 4503.3 |
| Al | 2433.4 | Fe | 493.61 | Sb | 9.82 |
| As | 6.338 | K | 309.87 | Se | 26.46 |
| B | 20.98 | Mg | 27.33 | Si | 571.64 |
| Ba | 56.79 | Mn | 2.54 | Sn | 6.76 |
| Be | <0.011 | Mo | 21.95 | Sr | 45 |
| Ca | 357.84 | Na | 178.45 | Ti | 109.22 |
| Cd | 0.814 | Ni | 13.65 | Tl | <0.04 |
| Co | 3.57 | P | 95.95 | V | 19.36 |
| Cr | 18.69 | Pb | <0.032 | Zn | 6.66 |
| BET Surface Area, (m2/g) | Large-Pore Surface Area, (m2/g) | Micropore Volume <2.0 nm (cm3/g) | Macropore Volume > 2.0 nm (cm3/g) | |
|---|---|---|---|---|
| Anthracite activated carbon | 1075 | 742 | 0.14 | 0.5 |
| Fresh baseline catalyst | 591 | 408 | 0.063 | 0.225 |
| Spent baseline catalyst | 160 | 111 | 0.014 | 0.05 |
| %Fe | 0 | 16 | 32 |
|---|---|---|---|
| CO conversion, X (%) | 3 | 45 | 51 |
| CO2 selectivity, SCO2 (%) | 0 | 56.4 | 66 |
| H2/CO usage ratio, U | 1.3 | 0.81 | 0.79 |
| Hydrocarbon productivity, PHC (g/kg-cat-h) | 0 | 346 | 396 |
| Alcohol productivity, POH (g/kg-cat-h) | 0 | 7.2 | 18.8 |
| Total oil weight, WO (mg/day) | 0 | 1000 | 1720 |
| Total aqueous weight, WAQ (mg/day) | 0 | 400 | 2582 |
| Alcohol overall selectivity, SOH (%) | 0 | 2.0 | 4.5 |
| Hydrocarbon selectivity, SY (%) where Y = | |||
| CH4 | 0 | 18.8 | 18.9 |
| C2–C4 | 0 | 56.5 | 51.5 |
| C5+ | 0 | 24.1 | 29.7 |
| C6–C8 (liquid) | 0 | 4.1 | 8.4 |
| C9–C15 (liquid) | 0 | 7.0 | 8.9 |
| Olefin/Paraffin ratio, OPZ, where Z = | |||
| C2–C4 | 0 | 1.84 | 1.60 |
| C6–C14 (liquid) | 0 | 0.58 | 0.35 |
| Catalyst Composition | Methanol | Ethanol | 1-Propanol | 1-Butanol | 1-Pentanol |
|---|---|---|---|---|---|
| Base case | 8.4 | 19.3 | 4.9 | 5.1 | 0.8 |
| 32Fe | 3.3 | 7.0 | 3.1 | 1.6 | 0.5 |
| 0Fe | 0 | 0 | 0 | 0 | 0 |
| 1.8 K | 4.5 | 10.3 | 2.6 | 2.7 | 0.4 |
| 0 K | 4.8 | 5.7 | 2.5 | 1.3 | 0.5 |
| 12Mo | 4.0 | 4.7 | 2.1 | 1.1 | 0.4 |
| 0Mo | 0 | 0 | 0 | 0 | 0 |
| 1.6Cu | 4.2 | 8.0 | 3.7 | 1.1 | 0.8 |
| 0Cu | 4.4 | 8.7 | 4.4 | 1.3 | 1.0 |
| %K | 0 | 0.9 | 1.8 |
|---|---|---|---|
| CO conversion, X (%) | 36.5 | 44.5 | 30 |
| CO2 selectivity, SCO2 (%) | 58.5 | 56.4 | 56.5 |
| H2/CO usage ratio, U | 0.78 | 0.81 | 0.83 |
| Hydrocarbon productivity, PHC (g/kg-cat-h) | 336 | 346 | 200 |
| Alcohol productivity, POH (g/kg-cat-h) | 7.67 | 7.2 | 15.0 |
| Total oil weight, WO (mg/day) | 202 | 1000 | 1000 |
| Total aqueous weight, WAQ (mg/day) | 1165 | 400 | 1500 |
| Alcohol overall selectivity, SOH (%) | 2.24 | 2.0 | 6.69 |
| Hydrocarbon selectivity, SY (%) where Y = | |||
| CH4 | 30.2 | 18.8 | 13.8 |
| C2–C4 | 57.5 | 56.5 | 52.5 |
| C5+ | 12.2 | 24.1 | 33.7 |
| C6–C8 (liquid) | 1.0 | 4.1 | 13 |
| C9–C15 (liquid) | 1.3 | 7.0 | 1.6 |
| Olefin/Paraffin ratio, OPZ, where Z = | |||
| C2–C4 | 1.05 | 1.84 | 0.96 |
| C6–C14 (liquid) | 0.38 | 0.58 | 0.32 |
| %Mo | 0 | 6 | 12 |
|---|---|---|---|
| CO conversion, X (%) | 0.3 | 44.5 | 10.5 |
| CO2 selectivity, SCO2 (%) | 0 | 56.4 | 66 |
| H2/CO usage ratio, U | 1.25 | 0.81 | 0.72 |
| Hydrocarbon productivity, PHC (g/kg-cat-h) | - | 346 | 65 |
| Alcohol productivity, POH (g/kg-cat-h) | - | 7.2 | 3.3 |
| Total oil weight, WO (mg/day) | 0 | 1000 | 260 |
| Total aqueous weight, WAQ (mg/day) | 0 | 400 | 600 |
| Alcohol overall selectivity, SOH (%) | - | 2.0 | 4.9 |
| Hydrocarbon selectivity, SY (%) where Y = | |||
| CH4 | - | 18.8 | 22.4 |
| C2–C4 | - | 56.5 | 47.9 |
| C5+ | - | 24.1 | 29.7 |
| C6–C8 (liquid) | - | 4.1 | 6.4 |
| C9–C15 (liquid) | - | 7.0 | 8.8 |
| Olefin/Paraffin ratio, OPZ, where Z = | |||
| C2–C4 | - | 1.84 | 1.84 |
| C6–C14 (liquid) | - | 0.58 | 0.38 |
| %Cu | 0 | 0.8 | 1.6 |
|---|---|---|---|
| CO conversion, X (%) | 40.3 | 44.5 | 43.2 |
| CO2 selectivity, SCO2 (%) | 55.8 | 56.4 | 58.4 |
| H2/CO usage ratio, U | 0.86 | 0.81 | 0.81 |
| Hydrocarbon productivity, PHC (g/kg-cat-h) | 278 | 346 | 295 |
| Alcohol productivity, POH (g/kg-cat-h) | 11.32 | 7.2 | 9.1 |
| Total oil weight, WO (mg/day) | 1090 | 1000 | 480 |
| Total aqueous weight, WAQ (mg/day) | 1242 | 400 | 1100 |
| Alcohol overall selectivity, SOH (%) | 3.92 | 2.0 | 3 |
| Hydrocarbon selectivity, SY (%) where Y = | |||
| CH4 | 16 | 18.8 | 20 |
| C2–C4 | 53 | 56.5 | 59.6 |
| C5+ | 32 | 24.1 | 19.9 |
| C6–C8 (liquid) | 7.1 | 4.1 | 2.6 |
| C9–C15 (liquid) | 8.4 | 7.0 | 3.6 |
| Olefin/Paraffin ratio, OPZ, where Z = | |||
| C2–C4 | 1.6 | 1.84 | 1.6 |
| C6–C14 (liquid) | 0.4 | 0.58 | 0.38 |
Publisher’s Note: MDPI stays neutral with regard to jurisdictional claims in published maps and institutional affiliations. |
© 2021 by the authors. Licensee MDPI, Basel, Switzerland. This article is an open access article distributed under the terms and conditions of the Creative Commons Attribution (CC BY) license (http://creativecommons.org/licenses/by/4.0/).
Share and Cite
Gujjar, S.J.; Karre, A.V.; Kababji, A.; Dadyburjor, D.B. Effect of Changing Amounts of Promoters and Base Fe Metal in a Multicomponent Catalyst Supported on Coal-Based Activated Carbon for Fischer–Tropsch Synthesis. Reactions 2021, 2, 11-29. https://doi.org/10.3390/reactions2010003
Gujjar SJ, Karre AV, Kababji A, Dadyburjor DB. Effect of Changing Amounts of Promoters and Base Fe Metal in a Multicomponent Catalyst Supported on Coal-Based Activated Carbon for Fischer–Tropsch Synthesis. Reactions. 2021; 2(1):11-29. https://doi.org/10.3390/reactions2010003
Chicago/Turabian StyleGujjar, Soumya J., Avinashkumar V. Karre, Alaa Kababji, and Dady B. Dadyburjor. 2021. "Effect of Changing Amounts of Promoters and Base Fe Metal in a Multicomponent Catalyst Supported on Coal-Based Activated Carbon for Fischer–Tropsch Synthesis" Reactions 2, no. 1: 11-29. https://doi.org/10.3390/reactions2010003
APA StyleGujjar, S. J., Karre, A. V., Kababji, A., & Dadyburjor, D. B. (2021). Effect of Changing Amounts of Promoters and Base Fe Metal in a Multicomponent Catalyst Supported on Coal-Based Activated Carbon for Fischer–Tropsch Synthesis. Reactions, 2(1), 11-29. https://doi.org/10.3390/reactions2010003

