Next Article in Journal
Enhanced FDM Printing Accuracy in Low-Carbon Production Mode Using RSM-NSGA-II and Entropy Weight TOPSIS Method
Previous Article in Journal
Predicting Stress–Strain Behavior of Silica–Epoxy Nanocomposites Using Random Forest Regression
 
 
Font Type:
Arial Georgia Verdana
Font Size:
Aa Aa Aa
Line Spacing:
Column Width:
Background:
Article

Flexural and Specific Properties of Acrylic Solid Surface (PMMA/ATH) Composites: Effects of Thermoforming-Relevant Heating and Cooling

1
Department of Interior and Furniture Design, Faculty of Forest Industry, University of Forestry, 1797 Sofia, Bulgaria
2
Department of Interior and Architectural Design, Faculty of Architecture, University of Architecture, Civil Engineering and Geodesy, 1046 Sofia, Bulgaria
3
Department of Pulp, Paper and Printing Arts, University of Chemical Technology and Metallurgy, 1797 Sofia, Bulgaria
*
Author to whom correspondence should be addressed.
J. Compos. Sci. 2025, 9(11), 620; https://doi.org/10.3390/jcs9110620
Submission received: 25 October 2025 / Revised: 4 November 2025 / Accepted: 7 November 2025 / Published: 9 November 2025
(This article belongs to the Section Composites Applications)

Abstract

Acrylic solid surface composites made of poly (methyl methacrylate) (PMMA) and aluminum trihydrate, Al(OH)3 (ATH) are widely used in furniture and interior applications. However, independent brand comparative data, especially on density-normalized (“specific”) properties, remain limited. This study quantifies the flexural response of 11 commercial sheets (6, 8, and 12 mm, including one translucent) under ISO 178 three-point bending and evaluates the effects of heating and cooling relevant to thermoforming. The density is concentrated in the range 1680–1748 kg/m3 (weighted mean of 1712 kg/m3). The flexural strength ranged between 51 and 79 MPa, divided into three groups—high (76–79 MPa), medium (63–67 MPa), and low (51–56 MPa) levels, while the modulus ranged between 7700 and 9400 MPa with a narrow dispersion. The strength showed no significant correlation with density, while the modulus increased with density, indicating that stiffness is composition-dominated, while strength is influenced by factors related to microstructural defects/particle boundaries. Heating at 160 °C and subsequent cooling have a significant influence on flexural strength and strain. Flexural strength increased by an average of approximately 7%, and flexural strain increased by approximately 12%, while the modulus remained virtually unchanged (within ±0.5%); additionally, shock cooling did not bring any benefits. The density-normalized parameters (σ/ρ, E/ρ) reflected these trends, allowing for a more accurate comparison when limited by mass or deformation. Overall, the results are broadly consistent with manufacturers’ declarations and demonstrate that thermoforming-relevant heating at 160 °C, followed by cooling, can be used not only to improve formability but also to modestly increase flexural strength and strain without compromising stiffness.

1. Introduction

Acrylic solid surface composite is defined in ISO 19712-2:2007 as a solid surfacing material, composed of polymeric materials, pigments, and fillers, intended to be cast into sheets or shaped into products [1]. In the literature and technical documents, the material is most often referred to as acrylic solid surface, composed of 35–45% polymethyl methacrylate (PMMA) and 55–65% aluminium trihydrate (Al(OH)3, ATH). Colourants are also added. One form of ATH is the mineral “gibbsite”, the principal global source of aluminium. These composites are seeing ever-broader use [2]. Across interior and furniture applications, bending is a dominant service load; therefore, this study focuses on flexural strength (σf) and flexural modulus (Ef), as well as their density-normalized (‘specific’) counterparts, σ/ρ and E/ρ.
Acrylic solid surface (PMMA/ATH) composites, widely known under the trade name Corian®, were developed by DuPontTM, Wilmington, DE, USA, scientist Donald Slocum in 1967 as a durable, non-porous alternative to natural stone, receiving a patent in 1968 and being introduced commercially in 1971 at the National Association of Home Builders meeting [3]. They were initially developed for laboratory countertops and sinks, but were soon found to have numerous applications in interior design, furniture, and even jewelry.
Leading brands and technical disclosures consistently declare PMMA/ATH composites—e.g., Corian®, Kerrock® (Kolpa, Metlika, Slovenia), HI-MACS® (LX Hausys Ltd., Seoul, Republic of Korea), KRION® (PORCELANOSA Group, Villarreal, Castellón, Spain), Hanex® (Hyundai L&C Co., Ltd., Seoul, Republic of Korea), and BetaCryl® (BTS S.p.A., Lurate Caccivio, Italy), where the mineral functions as a filler in a polymer matrix (PMMA) [4,5,6,7,8,9,10,11,12,13]. As a class, these materials fall under ISO 19712 for solid surfacing materials, which defines the relevant test methods and sheet-product requirements; across brands, similar composition ranges are reported (e.g., ~35–45% acrylic polymer and ~55–65% ATH), conceptually consistent with the “2/3 ATH + 1/3 PMMA” formulation [1,7].
Although manufacturers provide extensive technical data on these materials, there is a lack of independent research comparing some of their characteristics and analysing their properties. There is very little information in the scientific literature about the use of acrylic solid surface materials in furniture. Moreover, while densities vary across brands and lots (1650–1810 kg/m3), specific properties are rarely reported, which limits fair comparison under mass constraints. Solid surface composite materials can be recycled, albeit at high cost, and reused multiple times, which is a key advantage in terms of the circular economy [14]. Additionally, recent studies have investigated the combination of acrylic material with wood to produce wood–plastic composites [15].
Under mass or deflection constraints (e.g., cantilevered worktops, shelves, wall-mounted panels), specific properties (σ/ρ, E/ρ) become particularly informative. Two dominant scenarios have been described for PMMA/ATH: cracking of ATH agglomerates due to strong adhesion and interfacial debonding resulting from weak adhesion. Both mechanisms influence stiffness and strength in bending, helping to explain the scatter in σf across brands and lots. Standard flexural tests are reliable for comparative assessment but should not be over-interpreted as “ultimate” strength due to local damage kinematics and micro-porosity formation [16].
Prior works have examined PMMA/ATH composites using EN 310 [17] protocols, which complicates direct comparison with the ISO 178 results used here. Jivkov & Elenska-Valchanova showed that veneering 6-mm sheets can raise flexural strength by approximately 7.5%, with no gain in modulus, and reported no thickness effect (6 vs. 12 mm) under EN 310 [18]. Because EN 310 is designed for wood-based panels with a span-to-thickness ratio of 20:1, in contrast to 16:1 at ISO 178 [19], and modulus calculation is linear towards secant (ε = 0.0005–0.0025), direct comparison values should be made with caution, and this supports our focus on strength/modulus separation and on method differences.
Temperature-dependent testing on Corian and Staron further indicated that both flexural strength and modulus drop with increasing temperature from 20 °C up to 160 °C [20]. The tests were also conducted in accordance with EN 310. This motivates the thermoforming-relevant heating/cooling experiments and the post-cooling reassessment of properties, as per ISO 178, in this study.
Filler-content studies consistently find modulus increases with ATH loading, while strength is governed by matrix continuity/defects and particle effects [21,22]. Aruniit et al. examined ATH content (55–65%) in a polyester-based solid surface composite (isophthalic acid and neopentyl glycol), not in PMMA/ATH [21]. They found that increasing filler content lowers flexural strength (the pure resin is 2.3 times stronger than the composite), while stiffness increases with filler content. Particle size and surface treatment likely modulate this trend. In this study, it is reported that flexural moduli exceed typical Corian values, and the cited Corian data span a wide range and lack provenance, so cross-study comparisons should be made cautiously. The authors also note cost reductions with higher filler loadings (−3.5% for +5% ATH; −7.5% for +10% ATH).
Zhang reported that in PMMA/ATH solid surface composites, the elastic modulus increases with filler content, while particle diameter has little effect on modulus [22]. Because the reinforcing action of ATH is offset by agglomeration-induced weakening, higher filler levels produce only minimal gains in strength. By contrast, a larger particle diameter reduces flexural strength.
Another study assessed 6-mm acrylic solid surface bonds to five substrates (laminated/unlaminated particleboard, plywood, MDF, foamed PVC) using three adhesives—1-component polyurethane, rubber-based, and PVAc—per EN 205 [23,24]. The adhesive and substrate significantly affected the tensile-shear strength. The rubber-based adhesive on plywood performed best, and wood-based substrates outperformed the others overall. For PVAc with wood-based adherends, a non-EN 205 method is recommended for fair evaluation.
Brand-comparative data, including LG HI-MACS, Corian, and Tristone, report density varied from 1650 kg/m3 (LG Hi-macs) to 1780 kg/m3 (Corian) and 1800 kg/m3 (Tristone), and flexural strength from 68 MPa for LG Hi-MACS to 70 MPa for Tristone and 75 MPa for Corian, but lack statistical descriptors, limiting interpretability [25].
Based on a review of the technical documentation of key manufacturers of PMMA/ATH, the average density is approximately 1730 kg/m3, ranging from 1680 kg/m3 (Kerrock—Kolpa), 1700 kg/m3 (Corian—Du Pont) to 1810 kg/m3 (Hanex—Hyundai L&C). The flexural strength ranges from 64 to 73 MPa (average: 68.9 MPa), with a maximum value of 73 MPa in Krion (Porcelanosa Grupo). The flexural modulus has an average of 8900 MPa and reaches 10,800 MPa for Hanex.
Solid surface composites (PMMA/ATH) exhibit a measurable sensitivity to thermal exposure. It is well known that within the particulate composite microstructure, a microstress exists associated with the coefficient of thermal elongation (CTE) mismatch between the matrix and the particles, which is believed to have a significant influence on the viscoplastic behaviour of composites [16]. The response depends on the regime and glass transition temperature (Tg). Short-time sub-Tg annealing, prolonged thermal/moisture ageing, rapid hot–cold cycling, and freeze–thaw) and on the quality of the matrix–filler interface. Fine ATH dispersion and surface modification tend to stabilise the thermo-mechanical response, whereas unbalanced cycling and long exposure cause a reduction in flexural strength [26,27].
PMMA is an amorphous polymer; a typical Tg is 100–110 °C (depends on molecular weight, plasticisers, moisture, and fillers such as ATH). Short annealing slightly below Tg can relax residual stresses and stabilise the flexural response; above Tg, the modulus decreases and the risk of unwanted deformation increases [28].
A submicron ATH dispersion (e.g., via bead milling), combined with suitable surface chemistry, has been shown to enhance thermal stability and improve the mechanical performance of PMMA/ATH. These effects are commonly attributed to the relaxation of residual stresses and a more robust flexural response [26]. At the matrix level, PMMA exhibits a pronounced temperature-dependent transition from quasi-brittle to highly ductile behaviour in the 20–80 °C range, which explains why moderate sub-Tg annealing can homogenize the flexural response, whereas heating close to or above Tg leads to softening [27].
Stress whitening in thermoformed acrylic composites was studied through an experimental procedure developed for the conventional in situ heavy-gage thermoforming process [29]. They found that the density and size of deformation features yield different levels of stress whitening in thermoformed PMMA/ATH samples.
For facade-grade PMMA/ATH panels subjected to elevated temperatures and humidity, studies report a noticeable decrease in flexural strength, accompanied by a moderate drop in modulus—an important consideration for outdoor applications [28]. After 300 cycles according to ASTM C666 (Standard Test Method for Resistance of Concrete to Rapid Freezing and Thawing) [30] and subsequent testing to ASTM D790 (Standard Test Methods for Flexural Properties of Unreinforced and Reinforced Plastics and Electrical Insulating Materials) [31], no visible surface damage was observed. However, the flexural strength decreased significantly (e.g., ~58 MPa → ~46 MPa for a specific formulation/colour), underscoring the need for mechanical, not only visual, verification after environmental cycling [32].
Glassy polymers exhibit a well-known tension–compression asymmetry. Tensile loading tends to promote crazing, whereas compression favors shear yielding, leading to different yield stresses and failure morphologies [33].
The mechanical response of PMMA is strongly strain-rate and temperature-dependent, with higher strain rates and lower temperatures increasing strength and modulus, and elevated temperatures (approaching Tg) softening the material. This has been quantified in uniaxial and flexural tests on PMMA, as well as in studies on filled PMMA systems relevant to PMMA/ATH [27].
Several important gaps can be identified in the current knowledge base. Independent data on the physical and mechanical properties of acrylic solid surface (PMMA/ATH) composites are relatively limited in peer-reviewed sources. For some materials, contradictory results are reported, and specific studies lack sufficient methodological detail. Methodological divergence further limits comparability, as furniture-oriented studies often employ EN 310, while manufacturers typically rely on ISO 178/ASTM D790. In addition, the technical data disclosed by manufacturers varies considerably between brands or is absent altogether (e.g., BetaCryl). Specific properties (σ/ρ, E/ρ) are rarely reported, despite the brand-to-brand variation in density and the frequent presence of mass or deflection constraints in applications. Finally, systematic data on the effect of thermoforming-relevant heating on flexural strength and elastic modulus are lacking.
The study aimed to investigate the physical and mechanical properties of commercial acrylic solid surface (PMMA/ATH) composite available on the market, identifying a correlation between physical and mechanical properties and the strength characteristics of the material, and evaluating the effect of thermal treatment on flexural strength, strain, and modulus in PMMA/ATH composites.

2. Materials and Methods

To aid reproducibility, we refer to ISO 19712 for the product class, ISO 1183 for physical characteristics, and to ISO 178 for bending definitions [1,19,34].

2.1. Materials

For this study, market-available manufacturers and commercial brands known for furniture and interior applications are selected. Textures and colours were chosen at random, with white-based (WB) as the primary colour, as it is among the most widely used in interior and furniture design. The second group in terms of colors is the decorative one (D), which has a clearly defined texture. The two most common sheet thicknesses—6 mm and 12 mm—were examined. The thinner one is used primarily for laminating various structures, such as worktops and front elements, whereas the 12 mm is suitable for self-supporting constructions. Additionally, one translucent material (TL) with a thickness of 8 mm was investigated. Information for the commercial brand, manufacturer, texture, colour, and nominal thickness is given in Table 1.
All test specimens were cut along the length of the sheets using a stationary saw blade with a sliding tray, designed for cutting standard panels such as chipboard, plywood, and MDF. A circular saw blade with straight and trapezoidal teeth, where the trapezoidal teeth are 0.3 mm higher than the straight teeth, and the teeth are inclined at an angle of −6°, is used for cutting. The diameter of the blade saw was 300 mm, and the number of teeth was 96. The cut thickness was 3.2 mm. Before cutting, the sheets were left in the production facility for 48 h at an ambient temperature of approximately 22 °C.

2.2. Determination of the Density and Thickness of Materials

The density of the materials is determined in accordance with EN ISO 1183-1:2019 Plastics—Methods for determining the density of non-cellular plastics—Part 1: Immersion method [34]. The thickness is determined with a digital micrometre with an accuracy of two decimal places.

2.3. Determination of Flexural Properties

ISO 178:2019 “Plastics. Determination of flexural properties” [19] was used to determine the flexural strength and modulus of elasticity of PMMA/ATH composites.
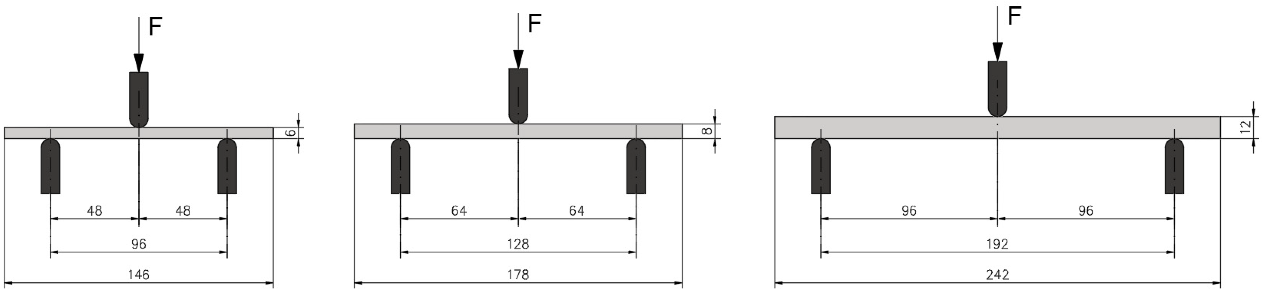
Rectangular specimens were tested in three-point bending as supported beams loaded at mid-span (Figure 1). The specimen width (b) was set as a function of thickness (h): for h = 6 mm, b = 10.0 ± 0.2 mm; for h = 8 mm, b = 15.0 ± 0.2 mm; and for h = 12 mm, b = 20.0 ± 0.2 mm. The nominal support span was L = 16·h, and the dimensions of L and L/2 are shown in Figure 2. Force and mid-span deflection were measured with an accuracy better than 1%. The crosshead speed (v) was chosen to achieve a nominal flexural strain (εf) rate of approximately 1%·min−1, calculated from v = εfL2/(6 h), with L = 16·h. The test was conducted in two stages (low speed for Ef between εf1 = 0.0005 and εf2 = 0.0025 εf1 and εf2; standard speed until failure/sc = 1.5·h). This provides a speed of 2 mm/min−1 for evaluating flexure modulus for thicknesses of 6 and 8 mm, and 5 mm/min−1 for a thickness of 12 mm. The standard test speed was 10 mm/min−1 for thicknesses of 6 mm and 20 mm/min−1 for thicknesses of 8 mm and 12 mm. Specimens were centered symmetrically on the supports and loaded at mid-span; force–deflection data were recorded continuously. To minimise the initial curvature of the stress–strain response, a slight preload of 1–2 N was applied to seat the specimen, which is within the ISO 178 allowance of ≤0.5% of the expected maximum flexural stress. Tests were terminated at fracture or at the conventional deflection sc = 1.5·h (=3.5% strain for L = 16·h). Support and loading nose diameter were 5 mm.
According to ISO 178:2019, the flexural strength (σf) measured in MPa is the maximum flexural strength that the formula determines the test specimen bears during the test and it:
σ f = 3 F L 2 b h 2 ,
where σf is the flexural strength in MPa, F is the applied force in N, L is the span or distance between supports in mm, b is the width of the test specimen in mm, and h is the thickness of the test specimen in mm.
The flexural strain (εf) is expressed as a dimensionless ratio or in percent and represents the nominal relative change in length of an element located on the outer surface at the mid-span of the test specimen.
ε f = 6 s h L 2 ,
where εf is the bending deformation, expressed as a dimensionless quantity or in %, s is the deflection in mm, h is the thickness of the test specimen in mm, and L is the span or distance between supports in mm.
The deflection (s), in mm, is the distance by which the lower surface of the test piece deviates from its initial position in the middle during bending.
The flexural modulus (Ef) was determined from the slope between two fixed, small-strain points, εf1 = 0.0005 and εf2 = 0.0025. Deflections s1 and s2 corresponding to these strains were obtained from the following equation:
s i = ε f i L 2 6 h , i = 1 , 2 ,
where si is the individual deflection in mm, εfi is the corresponding flexural strain (with values εf1 and εf2 given above), L is the distance between supports (span) in mm, and h is the thickness of the test specimen in mm.
The flexural modulus (Ef) was evaluated from the following equation:
E f = σ f 2 σ f 1 ε f 2 ε f 1
where σf1 is the flexural strength in MPa measured at deflection s1, σf2 is the flexural strength in MPa measured at deflection s2, εf1 is the corresponding flexural strain at deflection s1, and εf2 is the corresponding flexural strain at deflection s2.
Results were summarised as means (±standard deviation (SD) or 95% confidence interval (CI)) over at least fifteen specimens. The report included material identification, specimen geometry, span, test speed, conditioning, measurement method (including any compliance correction), and individual/summary statistics in accordance with ISO 178.
The test samples were tested on a Zwick/Roell Z010 universal testing machine (Zwick-Roell GmbH & Co. KG, Ulm, Germany) at the University of Chemical Technology and Metallurgy (UCTM) in the Department of Pulp, Paper and Printing Arts. Tests were carried out at a temperature of 20 °C ± 2 °C and a relative humidity of 55 ± 5%.

2.4. Determination of the Effect of Heat Treatment on the Flexural Behaviour of the PMMA/ATH Composites

To determine the effect of heating on the plasticization of the composites required for thermoforming on their strength and deformation behavior, the tested specimens were heated after cutting in a double-contact plate oven. Manufacturers recommend heating plasticized material for a specific time at a specified temperature and for a specific thickness, as shown in Table 2. All test specimens were heated to 160 °C ± 3 °C. After heating, the test specimens are left to cool to room temperature. In one of the series, an additional experiment was conducted in which, after heating, the test samples were subjected to shock cooling in a container with cold water at a temperature of 20 °C.

2.5. Surface Fracture Analysis

The fracture surface morphology of the PMMA/ATH composite cross-sections was analysed using a scanning electron microscope (SEM, EVO 10, Carl Zeiss GmbH, Oberkochen, Germany) equipped with energy-dispersive spectroscopy (EDS, Xplore 30, Oxford Instruments, Abingdon, UK). The analyses were performed at an accelerating voltage of 10 kV and a magnification of 500× and 1000×. Micrographs were obtained for both unheated specimens and those subjected to thermal treatment (heating and cooling cycles) to assess the microstructural changes induced by thermal loading and their effect on fracture behaviour.

2.6. Statistical Processing

A descriptive statistical analysis of the results was performed using XLSTAT (Lumivero, 2025), a statistical and data analysis solution [35]. To detect the presence of extreme outliers in the results obtained in the present study, Grubbs’ test was used to identify the robust outliers in an initial dataset that is assumed to be from a normally distributed population. Values flagged by Grubbs’ test (α = 0.05) under the assumption of normality were excluded from the final statistical processing. A one-way ANOVA was performed on the results for the flexural strength, strain, and modulus to analyse variance at a 95% CI (p < 0.05). The statistical differences between mean values were evaluated using Tukey’s honest significant difference (HSD) post hoc test. Welch’s t-test was applied for the evaluation of the effect of heat treatment on the flexural behaviour of PMMA/ATH composites. For group comparisons, two-sided Welch’s t-tests were applied to individual specimen-level data (not on series means) to avoid pseudoreplication (α = 0.05). Unequal variances were not pooled. We report n per group, mean ± SD, 95% CIs, and p-values.
In all figures and tables, the number index of the type of materials is based on the data presented in Table 1.

3. Results

3.1. Physical Properties of PMMA/ATH Composites

In the present study, the primary property investigated is density (ρ), as it reflects the material’s composition and correlates with mechanical performance. Thickness is also critical for designers, prefabricators, and installers; therefore, deviations from the nominal thickness must be accounted for in design and quality control.

3.1.1. Density

Data on the density of the studied PMMA/ATH composites are given in Table 3. Across the investigated PMMA/ATH composites, the mean density ranges from 1680 to 1748 kg/m3 (Δ = 4.04%). In 11 series with a total of n = 190 tests, the average densities are strongly clustered around 1690–1740 kg/m3, with a weighted average (by sample volume) of 1712 kg/m3. The range of mean values is 1680–1748 kg/m3 (lowest at 3_Lu8: 1680 kg/m3, highest at 8_Co6: 1748 kg/m3), and the interquartile range for the averages is approximately 1697–1728 kg/m3. Intragroup variability is low: typically, SD = 3–11 kg/m3 with coefficient of variation (CV) = 0.2–0.6%; only 3_Lu8 shows greater dispersion (SD = 25.3 kg/m3, CV = 1.5%). Extreme individual observations range from 1635 kg/m3 (minimum at 3_Lu8) to 1756 kg/m3 (maximum at 17_Ke12_8101), but do not change the overall picture of a compact distribution around 1712 kg/m3. These results confirm good homogeneity between the series and consistency with the expected density for PMMA/ATH solid surface materials, as well as the lower density of materials with higher translucency.
By thickness, a clear but moderate trend is observed: 6 mm > 12 mm > 8 mm. The weighted means are 1731.56 kg/m3 (95% CI 1725.83–1737.28) for 6 mm, 1712.72 kg/m3 (95% CI 1709.10–1716.33) for 12 mm, and 1688.58 kg/m3 (95% CI 1681.71–1695.46) for 8 mm (Table 4). The differences are approximately 19 kg/m3 between 6 and 12 mm (1.1%) and approximately 24 kg/m3 between 12 and 8 mm (1.4%); the 95% confidence intervals for 6 and 12 mm do not overlap. Tukey’s HSD analysis of the differences between the groups with a 95% confidence interval reveals statistically significant differences between the mean values of the three compared groups, indicating that density varies with thickness.
At fixed thickness, statistically significant between-manufacturer differences are present. For 6 mm, Corian shows a higher mean density than Kerrock (+31.8 kg/m3, 95% CI 26.7–36.9, p < 0.001). For 8 mm, Kerrock exceeds Lumino (+17.3 kg/m3, 95% CI 5.2–29.4, p = 0.0049), with Lumino also displaying appreciably higher within-group variability (SD ≈ 25 kg/m3). For 12 mm, BetaCryl has a lower mean density than Corian (−11.6 kg/m3, p = 0.0083) and Kerrock (−7.3 kg/m3, p = 0.0019), whereas the Corian–Kerrock difference is not statistically significant (+4.3 kg/m3, p = 0.374).

3.1.2. Thickness

Across all series, measured thickness closely tracks the nominal values with minor, systematic deviations. In Figure 3, the mean thickness deviation (measured − nominal) by series with 95% CI is given. Green markers indicate values above nominal (thicker), red markers indicate values below nominal (thinner). The 0-mm baseline denotes the nominal thickness. At 6 mm, Corian is slightly above nominal (+0.062 ± 0.018 mm), while Kerrock is slightly below (−0.091 ± 0.015 mm). At 8 mm, both series are marginally above nominal (Kerrock + 0.098 ± 0.030 mm, Lumino + 0.071 ± 0.031 mm). At 12 mm, most series are very close to the nominal value with narrow confidence bands: Corian ranges from −0.117 ± 0.019 mm (Fossil) to −0.066 ± 0.025 mm, while BetaCryl is slightly above (+0.034 ± 0.046 mm). In comparison, Kerrock spans from −0.229 ± 0.049 mm to +0.037 ± 0.033 mm depending on formulation. These deviations, on the order of 0.05–0.23 mm, are practically minor and consistent, supporting the use of measured thickness with the reported 95% CIs for design and tolerance analyses.
The mean percentage deviation of thickness from the nominal value across the series ranges from −1.90% to +1.22%, with most values within ±1%. At 6 mm, Corian is thicker than nominal (+1.03% ± 0.30%), whereas Kerrock is thinner (−1.51% ± 0.25%). At 8 mm, both series lie slightly above nominal (+0.89% ± 0.39%; Kerrock: +1.22% ± 0.38%). At 12 mm, minor negative deviations predominate: Corian Glacier White (−0.55% ± 0.21%), Corian Fossil (−0.97% ± 0.16%), Kerrock108 Snow white (−1.90% ± 0.40%), Kerrock Leucite 9082 (−0.73% ± 0.22%), and Kerrock Strontianite 8101 (−1.12% ± 0.28%), while BetaCryl Flex 100 Classic White (+0.28% ± 0.38%) and Kerrock Venetian terrazzo 1160 (+0.31% ± 0.28%) are very close to nominal (CIs include zero).
Overall, the data indicate small but systematic manufacturer- and thickness-dependent differences: 6- and 8-mm sheets tend to be slightly above the nominal value, whereas 12-mm sheets are mostly below. When not otherwise specified by the supplier, thickness tolerances for solid surface sheets follow ISO 19712-1 (±0.25 mm for 3–4 mm; ±0.30 mm for 4.5–5 mm; >5 mm by agreement). All deviations obtained in this study fall within the range of the tolerances of the thinnest sheets (4 mm) according to the standard. Representative manufacturer data of DuPont Corian® allow tolerances for 12 mm: 11.4–12.6 mm (±0.6); within-sheet ≤ 0.8 mm) and for 6 mm: 5.6–7.0 mm and within-sheet max 0.8 mm [36]. Kerrock declares for 12 mm sheets: a thickness tolerance of −0.3/+0.2 mm, and the maximum deviation within one sheet is 0.3 mm [5].

3.2. Flexural Strength of PMMA/ATH Composites

The results from the test for the evaluation of σf of PMMA/ATH composites are given graphically in Figure 4. Table 5 presents the Tukey’s HSD analysis of the differences between groups, with a 95% confidence interval, for all pairwise comparisons of the σf of PMMA/ATH composites. The composites are ranked in descending order of σf. In Figure 5, a test specimen is being subjected to testing.
The box plot graph shown in Figure 4 for σf, (MPa) of PMMA/ATH composites clearly shows a division into high (21_Ke8_M124, 1_Ke6, 4_Ke12), medium (11_Be12, 8_Co6, 13_Ke12_9082, 15_Co12_F) and low (19_Ke12_1160, 17_Ke12_8101, 3_Lu8) levels, with the high group having the highest values (~75–80 MPa) and the lowest dispersion.
The results obtained for the σf of the PMMA/ATH composites clearly show that it varies over a relatively extensive range. The ANOVA on σf (MPa) separated the eleven PMMA/ATH composites into six Tukey HSD homogeneity groups (HG), from A to F. The top tier comprised 21_Ke8_M124 (78.68 MPa; 95% CI: 77.23–80.12; HG A) and 1_Ke6 (76.91 MPa; 75.60–78.22; HG A, B), which were statistically indistinguishable from each other but higher than all others in Groups C–F. Solid surface 4_Ke12 ranked next (75.73 MPa; 74.71–76.75; HG B), significantly lower than 21_Ke8_M124 yet overlapping with 1_Ke6 (shared HG B). An intermediate block spanned Groups C–E: 11_Be12 (C, 67.21 MPa; 66.27–68.15), 8_Co6 (C, D, 67.09 MPa; 65.55–68.64), 15_Co12_F (D, E, 64.17 MPa; 63.03–65.32), 6_Co12 (E, 63.64 MPa; 62.68–64.61), and 13_Ke12_9082 (E, 62.93 MPa; 61.79–64.07). The lowest strengths clustered in HG F: 19_Ke12_1160 (55.58 MPa; 52.75–58.40), 17_Ke12_8101 (51.58 MPa; 49.06–54.11), and 3_Lu8 (51.08 MPa; 50.76–51.40). Overall, the spread between the best- and worst-performing PMMA/ATH composites was 27.6 MPa (≈35% of the top LS mean), with a clear gap between the high-strength A–B cluster (75.7–78.7 MPa) and the mid-strength C–E block (63–67 MPa), and a distinctly weaker F group (51–55.6 MPa).
The typical mode of failure of the PMMA/ATH composites is shown in Figure 6. Under the influence of the applied force and the resulting bending stress, the PMMA/ATH composites failed predominantly in a brittle manner. The initiation of cracks occurred sequentially on the tensile surface of the test specimens, usually in areas of stress concentration, which may be due to micro-pores or at the boundaries between the matrix and the filler around large or angular particles. After the crack appeared, it propagated along a slightly curved trajectory. A fracture occurred around the section under the loading beam in a three-point bending test. The surface of the cross-section exhibits a clearly defined graininess and matte relief, typical of a quasi-brittle fracture (Figure 7). Small shiny dots, which are exposed ATH particles, can also be observed. Due to pressure-sensitive plasticity of the PMMA matrix and distinct damage mechanisms under tension (matrix cracking, particle–matrix debonding) versus compression (shear micro-yielding, particle packing), the composite exhibits an apparent tension–compression asymmetry. Bending failure is therefore governed by the tensile face as PMMA-based systems are viscoelastic.
The σf does not show a significant correlation with density. For example, the solid surface with the highest strength, 21_Ke8_M124 (ρ = 1697.7 kg/m3), reaches 78.68 MPa, while more dense materials such as 8_Co6 (ρ = 1748.3 kg/m3) and 17_Ke12_8101 (ρ = 1736.7 kg/m3) reach 67.09 MPa and 51.58 MPa, respectively.
One-way ANOVA revealed a significant main effect of group (WB, D, and TL) on flexural strength, F(2, 182) = 118.249, p < 0.0001 (Table 6). Effect size was large (η2 = 0.565; ω2 = 0.559; Cohen’s f = 1.14), indicating that the formulation accounts for most of the variance in flexural strength. Residuals departed from normality (Shapiro–Wilk p = 0.007) and variances were unequal (Levene p < 0.0001); therefore, LS means are reported with HC0-robust SE. Post-hoc Tukey HSD (α = 0.05) showed WB > D > TL (all p < 0.0001)
Alongside σf, the measured εf characterises deformability up to failure. Flexural strain at break (εf,b) and the maximal flexural strain (εfM) were identical, indicating that PMMA/ATH composites break before yielding. Mean values span 0.60–1.10%, with most series clustering around 0.80–0.95%, which is well below the conventional 3.5% for ISO 178 at L = 16 h, indicating small-strain/elastic behaviour (Figure 7). Overall, 12-mm sheets exhibit lower εf (0.75–0.85%) compared to 6–8-mm sheets (0.85–0.95%); the decorative-filled series (e.g., Ke_8101, 1160) lies at the lower end, consistent with a more brittle flexural response. Conversely, series such as 4_Ke12 and Ke8_M124 exhibit higher εf, indicating greater deformability. Where σf is similar across series, differences in εf help distinguish failure mode: high σf with low εf suggests abrupt (brittle) failure, whereas higher εf at comparable σf implies a more gradual, ductile-like deflection prior to failure.

3.3. Flexural Modulus of PMMA/ATH Composites

The results from the test evaluating the Ef of PMMA/ATH composites are presented graphically in Figure 8. Table 7 shows the Tukey’s HSD analysis of the differences between the groups with a confidence interval of 95% of the Ef of PMMA/ATH composites of all pairwise comparisons. The composites are ranked in descending order of the Ef.
The box plots of the Ef (MPa) show a clear hierarchy of elasticity: 6_Co12 and 17_Ke12_8101 have the highest average values (~9400 MPa), a compact middle group including 1_Ke6, 21_Ke8_M124, 8_Co6, 19_Ke12_1160, and 13_Ke12_9082 (8900–9100 MPa), while 15_Co12_F, 11_Be12, and 4_Ke12 have lower values (8100–8700 MPa); the interquartile ranges are generally narrow, indicating high repeatability and consistency of the results.
The ANOVA on Ef revealed a tight distribution in all eleven PMMA/ATH-based composites, with a CV ranging from 0.47% to 0.99%. The highest LS mean was 6_Co12 (9377 MPa; 95% CI, 9349–9405; HG A), which was statistically indistinguishable only from 17_Ke12_8101 (9361 MPa; 95% CI, 9327–9394; HG A and B). Solid surface 1_Ke6 ranked next (9175 MPa; 9134–9216; HG B) and was significantly higher than all composites in HG C–H. An intermediate cluster (HG-C) comprised 13_Ke12_9082 (8944 MPa; 8917–8970), 21_Ke8_M124 (8930 MPa; 8899–8961), and 8_Co6 (8912 MPa; 8885–8940), which did not differ from one another but were about 5% lower than the top tier and about 3% lower than 1_Ke6. Below them, 19_Ke12_1160 formed HG-D (8712 MPa; 8676–8747), followed by 15_Co12_F (HG-E, 8618 MPa; 8598–8638). The lowest moduli were observed for 11_Be12 (HG-F, 8375 MPa; 8356–8394), 4_Ke12 (HG–G, 8214 MPa; 8174–8254), and 3_Lu8 (HG-H, 7684 MPa; 7653–7716). Overall, the span between the stiffest and least stiff PMMA/ATH composites was 1693 MPa (18% of the top value), with stiffness clustering into eight statistically distinct homogeneity groups.
One-way ANOVA for Ef across WB, D, and TL groups shows no significant group effect, F(2, 172) = 0.580, p = 0.561; trivial effect size (η2 = 0.007, ω2 ≈ 0); Tukey HSD: all groups = A. No statistically significant group effect under the present design, indicating that the type of composite is not affected by its composition in the elastic deformation zone.
As shown in Figure 9, the data for all series do not follow a uniform linear relationship between density and modulus of elasticity. However, two subgroups with distinctly different slopes stand out in the distribution of points, suggesting distinct mechanisms of structural compaction and load transfer. Therefore, the material was divided into two groups, and separate linear regressions were calculated. In Group 1, there are the following composites: 1_Ke6, 6_Co12, 13_Ke12_9082, 15_Co12_F, 17_Ke12_8101, 19_Ke12_1160, and 21_Ke8_M124. In Group 2, there are: 3_Lu8, 4_Ke12, 8_Co6, and 11_Be12. The combined model with two lines shows a significantly better fit (R2 = 0.8861 and 0.8988) than a single regression (R2 = 0.3894). The differences between the two groups can be interpreted as arising from microstructural differences—primarily matrix–filler interfacial adhesion, dispersion quality, and microporosity. For a given density range, the subgroup with better interface and more uniform dispersion (Group 1) achieves a systematically higher effective modulus than the subgroup showing signs of agglomeration, weaker adhesion, or voids (Group 2). In both sub-groups, the linear regressions are statistically significant, and their slopes are more informative than the overall trend, indicating that microstructural effects dominate over bulk density alone. Practically, this means that controlling interface quality and dispersion can deliver larger modulus gains at the same density than would be predicted by the “average” (pooled) relationship.
Within Group 1, Ef increases strongly with density: r = 0.9413, R2 = 0.8861, p < 0.001, with an estimated slope of +15–16 MPa per 1 kg/m3 (95% CI roughly +12 to +19 MPa·(kg/m3)). Over the observed density window (50 kg/m3), this corresponds to about +770 MPa higher modulus for the denser materials.
Within Group 2, Ef also rises markedly with density: r = 0.9480, R2 = 0.8988, p < 0.001, with an estimated slope of +13–14 MPa per 1 kg/m3 (95% CI roughly +11 to +17 MPa·(kg/m3)). Across the 68 kg/m3 window, this implies approximately +1218 MPa higher modulus.

3.4. The Effect of Heat Treatment on the Flexural Behaviour of PMMA/ATH Composites

One of the significant advantages of PMMA/ATH composites is their thermoformability, which allows for the creation of virtually unlimited 3D shapes. The process involves heating the material, placing it in a mould, and pressing it, most often using vacuum presses. It is then left to cool to room temperature. As the temperature approaches and exceeds the Tg of the PMMA matrix (~105 °C), the matrix softens, leading to a pronounced drop in Ef and a reduction in σf [28]. However, after cooling, the initial flexural strength is expected to be restored.
A follow-up experiment was conducted with the eleven PMMA/ATH series studied above. A new series of materials identical to those listed in Table 1 was heated to 160 °C and then cooled to room temperature. For Co6, a third condition was added: after heating, they were shock-cooled in cold water. The statistics are based on the mean values of the samples, using Welch’s t-tests (α = 0.05). The results are shown graphically in Figure 10.
Heating at 160 °C generally increases the σf of PMMA/ATH solid surface composites by approximately 7% on average, but the response is grade-dependent. The largest and most significant gains were observed in Ke12_1160 (+16.7%), Ke12_9082 (+15.0%), Ke8_M124 (+10.3%), and Co6 (+9.6%). Moderate gains (significant) show Ke6 (+5.9%), Be12 mm (+3.2%), Co12_F (+3.7%). Neutral changes (not significant) show Ke12 (+2.0%), Co12 (+1.4%), and Ke12_8101 (+4.3%). Shock-cooling after heating does not improve strength beyond the heated state for Co6. Density shows no significant correlation with the heating gain, indicating that formulation and thermal history dominate the response.
Unlike σf, the Ef is essentially stable after the 160 °C thermal treatment and cooling for PMMA/ATH solid surface composites. A few materials show statistically detectable (Ke8_M124 and Ke12_8101), but with practically small changes (±0.3–0.5%). For Corian 6 mm, adding shock-cooling reduces Ef by about 1%, while other grades remain within measurement scatter.
Heating at 160 °C and subsequent cooling increases εf by 11.8% on average across the eleven Standard–Heated pairs, clearly seen in Figure 11. The effect is generally positive and statistically reliable, with some variation from grade to grade. Largest, significant gains: Ke12_1160 (+21.7%), Ke12_9082 (+18.1%), Be_12 mm (+16.5%), Ke8_M124 (+13.4%). Moderate, significant gains: Ke6 (+7.8%), Ke12 (+7.0%), Co12 (+7.7%), Co12_F (+7.3%). Small and not significant is Ke12_ 8101 (+6.7%) with higher scatter. Shock cooling after heating (Co6) adds only a small, statistically non-decisive increment.

3.5. SEM Micrograph Analysis of the Surface of Unheated and Heated PMMA/ATH Composite

The SEM micrograph (500×) of the plain surface of the unheated and heated PMMA/ATH composite (Figure 12) demonstrates a relatively uniform distribution of ATH filler particles within the PMMA matrix. The heated material exhibits a smoother PMMA matrix obtained by heat treatment above Tg, and light halos are visible around the ATH particles, corresponding to optical scattering from very fine microparticles. It may also result in brighter/whiter spots under oblique light due to scattering.
The SEM micrograph (500×) of the fracture surface of the unheated PMMA/ATH composite (Figure 13a) shows that the particles appear well integrated into the polymer phase, with minimal evidence of interfacial voids or debonding. The fracture morphology consists of smooth regions, indicative of brittle failure, and localized, rougher areas associated with filler–matrix interactions. The overall good adhesion between ATH and PMMA suggests efficient stress transfer, which is consistent with the observed flexural strength of the material.
In contrast, the thermally treated composite (Figure 13b) shows clear signs of microstructural separation between the particles and the resin after failure. Several ATH particles exhibit partial detachment from the surrounding matrix, resulting in visible gaps at the interface. This most likely occurred due to a mismatch in thermal expansion between PMMA and ATH during heating and cooling. The fracture surface is markedly rougher, with the presence of microcracks, indicating an increased tendency toward brittle failure. The appearance of voids and cracks should indicate a reduced ability of the composite to redistribute stress, which would worsen its bending characteristics. However, this is not confirmed by the results for determining the flexural strength, and the likely explanation is that, as a result of heat treatment, the fracture occurs at the boundary between the matrix and filler without reducing the adhesion between them.
However, it should be noted that post-fracture SEM analysis (10 kV, ~1000×) visualizes the fracture surface rather than the undamaged microstructure; therefore, increased porosity at the fracture surface does not necessarily indicate weakening of the fracture surface in the volume. We assumed that when heated, the resin envelops the particles better (homogenization) and when cooled, they cool together, which is probably why the boundary between resin and particles is more clearly visible upon breakage.

4. Discussion

The density of the two main groups (Kerrock and Corian) included in the PMMA/ATH composites studied corresponds to that declared by the manufacturers. No declared density was found for BetaCryl; however, the results indicate that it falls within the range of densities reported by other manufacturers. All types of Kerrock composites exceed the declared lower limit of 1680 kg/m3. For Corian, only Fossil, with a thickness of 12 mm, is slightly below the declared 1700 kg/m3, with a measured value of 1689 kg/m3.
Six of the materials examined are slightly below nominal thickness, while five are above nominal thickness. The differences range from +0.098 to −0.229 mm.
Overall, the measured flexural properties fall within the industry window reported for PMMA/ATH solid surface materials. For Kerrock, all flexural strengths from this study (51–79 MPa; LS means) lie inside the declared 49–80 MPa range. The flexural moduli are mainly within the specified range of 8600–9200 MPa. One solid surface is slightly below (4_Ke12: 8214 MPa; −4.6% vs. the lower bound), and one is slightly above (Ke12_8101: 9361 MPa; +1.8% vs. the upper bound); the remainder are within range. For Corian, the established strengths in this study are 2.7–7.7% lower than the catalog value (68.95 MPa), whereas moduli are 4.2–13.5% higher than the catalog 8273 MPa—differences plausibly explained by test-method details (ISO/ASTM, secant vs. tangent modulus), thickness/colour formulation, conditioning, and edge preparation. For BetaCryl, catalog flexural data are not provided, and the results from this study (σf = 67.2 MPa, Ef = 8360 MPa at ρ = 1705 kg/m3) are consistent with the ranges reported for other brands of similar composition. The published data on σf and Ef for HI-MACS, Hanex, Krion, etc. (σf = 64–78 MPa; Ef = 8300–12,000 MPa) clearly outline the data from the current study. In this study, the flexural strength (51–79 MPa) overlaps with the ranges reported by manufacturers, and the obtained modulus (7700–9400 MPa) falls within the low to medium range of the brands that declare very high stiffness (≥10,000 MPa).
The results of the PMMA/ATH flexural strength test in this study are within the range of data cited in the literature. For Kerrock, the flexural strength and modulus differ from the data obtained according to EN 310 for 6 and 12 mm (MOR 70–71 MPa; MOE 9800–9900 MPa) [18,37]. The flexural strength is higher when tested according to ISO 178, while the flexural modulus is lower. For Corian, the flexural strength (64–67 MPa) is below the value obtained according to EN 310 (91 MPa), but corresponds to the data according to ISO 178 (Ef, = 8000–9200 MPa; σf = 57–74 MPa) [21] and 75 MPa reported according to the same standard [23]. A slight decrease in flexural strength with an increase in thickness from 6 to 12 mm, as reported in the literature according to EN 310, is also observed in the present study for the Kerrock series [18].
The density of PMMA/ATH composites (depending on the amount of ATH) reliably increases the stiffness of the solid surface as expected. However, it does not improve their strength, which is determined by crack formation/propagation—surface and edge quality, micropores, particle size/shape distribution, and adhesion between the matrix and filler. In practice, moderate densification is effective for increasing Ef, while increasing σf requires microstructure control (defect suppression, optimised particle morphology, and improved interfacial bonding, e.g., silane treatment).
When comparing the Ef with σf, only a weak correlation was observed between the PMMA/ATH composites (Pearson r ≈ 0.14): the most rigid (6_Co12, 17_Ke12_8101) is not the strongest in terms of σf. In contrast, the composites with the highest strength (21_Ke8_M124, 1_Ke6, 4_Ke12) showed an average or lower modulus. This distinction suggests that microstructural factors determining crack initiation/propagation (e.g., defect population, matrix-filler) control strength more strongly than overall hardness, which is determined by composition and filler loading/distribution.
The mechanical tests and SEM observations together provide a coherent explanation of the thermo-mechanical response of PMMA/ATH composites. The measured increase in flexural strength of approximately 7% and ultimate strain of approximately 12% after heating indicates stress relaxation and enhanced plasticity, without compromising stiffness, which is consistent with the demands of thermoforming. Our observation that post-heating does not reduce Ef yet increases σf and εf is consistent with glassy-polymer mechanics, where strain-rate and temperature effects near and above Tg, along with the underlying crazing vs. shear-yielding asymmetry, rationalize the grade-dependent strength/strain gains after thermal exposure and cooling. Taken together, the results highlight an effect that controlled heating can be used beneficially to improve formability and modestly increase strength.
The radar chart in Figure 14 compares the PMMA/ATH composites based on several physical and mechanical indicators. Density, thickness, flexural strength, flexural modulus, and flexural strain were mapped to a standard 1–5 scale using fixed reference limits (density: 1650–1800 kg/m3; thickness: 6–12 mm; flexural strength: 50–100 MPa; flexural modulus: 7000–10,000 MPa; flexural strain: 0.80–1.60%). The minimum of each range corresponds to 1 and the maximum to 5; the same scaling is applied to all materials and figures for comparability. A separate coloured polygon represents each material; the further out the line is on a given axis, the higher the relative value of that parameter. The shape of the polygon highlights the strengths and compromises of each material, while overlaps indicate similarities between them.

5. Conclusions

The results of the study indicate that PMMA/ATH composites are suitable for both load-bearing and decorative elements, with the choice of brand and thickness being crucial for achieving a balance between elasticity and strength. The increased deformability after heating provides additional opportunities for complex 3D shapes without compromising strength.
Taken together, the laboratory results are broadly consistent with manufacturers’ declarations. Minor deviations—lower σf for Corian and a few Kerrock moduli marginally outside the 8600–9200 MPa window—are likely attributable to methodological and formulation differences rather than substantive inconsistencies.
The tested PMMA/ATH composites are statistically grouped into three clearly distinguishable strength levels: high (76–79 MPa), medium (63–67 MPa), and low (51–55 MPa). This classification is important when selecting materials for load-bearing furniture or architectural elements.
Higher density increases the flexural modulus but does not lead to higher flexural strength. This shows that σf is mainly controlled by the microstructure (micropores, morphology, and adhesion of ATH particles) and not only by the amount of filler.
Heat treatment and subsequent cooling significantly influence flexural strength and strain. An increase of an average of 7% is observed for σf, and an increase of approximately 12% for εf. The effect is most strongly expressed in Kerrock 12 mm (1160, 9082), Kerrock 8 mm (M124), and BetaCryl 12 mm, where the increase is between 10 and 17% for flexural strength and between 13 and 22% for flexural strain. This indicates a relaxation of residual stresses and an increase in plasticity, consistent with an annealing-driven increase in ductility. Ef remains effectively unchanged after heating and cooling, which is important for maintaining structural rigidity after thermoforming. Shock cooling does not provide any additional benefits.
The group of materials with homogeneous white colors (Corian 6 and 12 mm, Kerrock 6 and 12 mm, and Betacryl 12 mm) is balanced, reliable in terms of mechanical properties, and has predictable thermal advantages. In contrast, the group of materials that contain decorative chips—Kerrock 12 mm (1160, 8101, and 9082) and Corian 12 (Fossil) exhibits lower strength and more variable reactions to thermal treatment. This group is most suitable when decorative effects are a top priority.
In conclusion, beyond furnishing brand-comparative data for interior/furniture applications, this study contributes to polymer composite science by providing an independent dataset of specific flexural properties (σ/ρ, E/ρ) across commercial PMMA/ATH grades under an ISO-178 framework and demonstrating that Ef scales with density while microstructural/interfacial defects govern σf, thus separating stiffness from strength controls. The results showed that heat treatment (160 °C) and cooling relax residual stresses and increase σf and εf, with no measurable loss in Ef, offering a processing lever for tuning performance. These findings, supported by SEM fracture-surface observations, are directly relevant to micromechanical modeling and interface engineering in polymer–mineral particulate composites. This study yields practical guidance and a reusable dataset of specific properties for polymer composite research and design. Practitioners should therefore use strain-rate- and temperature-appropriate allowables for design.

Author Contributions

Conceptualization, V.J. and B.P.; methodology, B.P.; software, V.J.; validation, V.J., B.P. and N.Y.; formal analysis, V.J. and B.P.; investigation, N.Y. and Y.M.; resources, B.P. and Y.M.; data curation, V.J. and B.P.; writing—original draft preparation, V.J. and B.P.; writing—review and editing, V.J.; visualization, B.P.; supervision, V.J.; project administration, B.P.; funding acquisition, B.P. All authors have read and agreed to the published version of the manuscript.

Funding

This research was supported by the project “A Study of the Applications of Solid Surface (PMMA/ATH) in Furniture and Interior Design”, project No. NIS-B_1328/05.03.2024, carried out at the University of Forestry, Sofia, Bulgaria.

Data Availability Statement

The original contributions presented in this study are included in the article. Further inquiries can be directed to the corresponding author.

Acknowledgments

The authors would like to thank Kolpa, d.o.o., Metlika, Slovenia, and Valian Ltd., Sofia, Bulgaria, for their support.

Conflicts of Interest

The authors declare no conflicts of interest. The funders had no role in the design of the study; in the collection, analyses, or interpretation of data; in the writing of the manuscript; or in the decision to publish the results.

Abbreviations

The following abbreviations are used in this manuscript:
AbbreviationMeaning
PMMAPolymethyl methacrylate
ATHAluminium trihydrate (Al(OH)3)
SEMScanning electron microscope
PVAcPolyvinyl acetate
CTECoefficient of thermal elongation
TgGlass transition temperature
σfFlexural strength (maximum flexural strength)
EfFlexural modulus
εfFlexural strain
ρDensity
σ/ρSpecific strength (density-normalized strength)
E/ρSpecific modulus (density-normalized modulus)
MOEModulus of elasticity (bending)
MORModulus of rupture (flexural strength)
ISOInternational Organization for Standardization
ENEuropean Standard (CEN)
ASTMASTM International (formerly American Society for Testing and Materials)
EPDEnvironmental Product Declaration
SDSSafety Data Sheet
TDSTechnical Data Sheet
ANOVAAnalysis of variance
HSD(Tukey’s) honestly significant difference
CIConfidence interval
SDStandard deviation
CVCoefficient of variation
LS meanLeast squares mean

References

  1. ISO 19712-2:2007; Plastics—Decorative Solid Surfacing Materials—Determination of Properties—Sheet Goods. ISO: Geneva, Switzerland, 2007.
  2. Wallenhorst, L.M.; Dahle, S.; Vovk, M.; Wurlitzer, L.; Loewenthal, L.; Mainusch, N.; Gerhard, C.; Viöl, W. Characterisation of PMMA/ATH Layers Realised by Means of Atmospheric Pressure Plasma Powder Deposition. Adv. Condens. Matter Phys. 2015, 1, 980482. [Google Scholar] [CrossRef]
  3. Mastella. What Is Corian Material Solid Surface? Available online: https://mastella.it/en/inspiration/what-is-corian-material-solid-surface (accessed on 25 September 2025).
  4. Corian® Solid Surface. Technical Bulletin. Corian® Solid Surface Performance Properties and Material Composition. Available online: https://www.corian.com/-sustainability-and-certifications-#-technical-bulletins- (accessed on 25 September 2025).
  5. Kerrock®—Safety Data Sheet (SDS). Kolpa d.d., Rev. 4. 2015. Available online: https://em-living.com/ficheiros/conteudos/files/KERROCK_SafetyDataSheet-EN.pdf (accessed on 25 September 2025).
  6. Kerrock®—Processing Instructions (EN), Technical Data. Kolpa d.o.o. 2024. Available online: https://www.kerrock.eu/wp-content/uploads/2024/07/EN-Obdelava-Kerrocka-2024-2.pdf#page=36.05 (accessed on 25 September 2025).
  7. Kerrock®—Certificates Page ZAG (ISO 19712 Compliance; EPD Availability). Kolpa d.o.o., 2021–2024. Available online: https://www.kerrock.eu/media/certificates/ (accessed on 25 September 2025).
  8. HI-MACS® Sheets—Safety Data Sheet (SDS). LX Hausys America, Inc. 2021. Available online: https://img.lxhausys.com/hausys/US/doc/pros/documentaion/01_HIMACS/4_Safety%20Data/HIMACS_Safety%20Data%20Sheet_102021.pdf (accessed on 25 September 2025).
  9. KRION®—Technical Data Sheet (TDS). SYSTEMPOOL S.A., Latest Ed. Available online: https://www.krion.com/uploads/datos_tecnicos/1/FDT01en12-KRION.pdf (accessed on 25 September 2025).
  10. Hanex® Solid Surfaces Product Technical Data. Hyundai L & C Europe GmbH. Available online: https://hyundailnc.eu/app/uploads/sites/2/Hanex-Product-Technical-Data-Sheet.pdf (accessed on 25 September 2025).
  11. Betacryl®—Company Catalogue. Available online: https://www.betacryl.com/gallery/142/CompanyProfile2017_Mail.pdf#page=12.09 (accessed on 25 September 2025).
  12. Betacryl®—Use and Care. Available online: https://www.betacryl.com/gallery/79/BETACRYL_-_Consigli_di_manutenzione_Ita-Eng-Esp-Fra-Deu.pdf (accessed on 25 September 2025).
  13. Betacryl®—Product Catalogue 7.0. Available online: https://solarism.bg/category/betacryl-akrilen-kamak (accessed on 25 September 2025).
  14. Vovk, M.; Beličič, A.; Šernek, M. Sestava, Lastnosti, Uporaba in Reciklaža Kerrocka: Composition, Properties and Application of Kerrock. Les/Wood 2017, 66, 57–69. [Google Scholar] [CrossRef]
  15. Šernek, M.; Vovk, M. Lepljenje lesa in Kerrocka. Pomurska Obz. 2022, 2, 22–27. [Google Scholar] [CrossRef]
  16. Nie, S. A Micromechanical Study of the Damage Mechanics of Acrylic Particulate Composites Under Thermomechanical Loading. Ph.D. Thesis, State University of New York at Buffalo, Buffalo, NY, USA, 29 April 2005. [Google Scholar]
  17. EN 310:1999; Wood-Based Panels—Determination of Modulus of Elasticity in Bending and of Bending Strength. CEN: Brussels, Belgium, 1999.
  18. Jivkov, V.; Elenska-Valchanova, D. Mechanical Properties of Some Thin Furniture Structural Composite Materials. In Proceedings of the 30th International Conference on Wood Science and Technology—ICWST, Zagreb, Croatia, 12–13 December 2019; pp. 86–94, ISBN 978-953-292-062-8. [Google Scholar]
  19. ISO 178:2019; Plastics—Determination of Flexural Properties. ISO: Geneva, Switzerland, 2019.
  20. Wronka, A.; Kowaluk, G. Selected Bending Properties of Mineral-Acrylic Solid Surface Material for Furniture Construction Purposes. Ann. Warsaw Univ. Life Sci.—SGGW For. Wood Technol. 2020, 110, 54–60. [Google Scholar] [CrossRef]
  21. Aruniit, A.; Kers, J.; Tall, K. Influence of Filler Proportion on Mechanical and Physical Properties of Particulate Composite. Agron. Res. 2011, 9, 23–29. [Google Scholar]
  22. Zhang, R. Experimental and Numerical Investigation of Structure-Mechanical Property Relationships in Alumina Trihydrate Reinforced Poly (Methyl Methacrylate) Composites. Ph.D. Thesis, Imperial College, London, UK, 2017. [Google Scholar]
  23. Jivkov, V.; Simeonova, R.; Marinova, A.; Gradeva, G. Study of Gluing Abilities of Solid Surface Composites with Different Wood-Based Materials and Foamed PVC. In Proceedings of the 24th International Scientific Conference Wood Is Good–User Oriented Material, Technology and Design, Zagreb, Croatia, 18 October 2013; pp. 49–55, ISBN 978-953-292-031-4. [Google Scholar]
  24. EN 205:2016; Adhesives—Wood Adhesives for Non-Structural Applications—Determination of Tensile Shear Strength of Lap Joints. BIS: Pune, India, 2016.
  25. Andriievska, L.; Marchuk, N. Investigation of the Acrylic Artificial Stone Properties. Technol. Transf. Fundam. Princ. Innov. Tech. Solut. 2017, 1, 21–23. [Google Scholar] [CrossRef]
  26. Joni, I.M.; Nishiwaki, T.; Okuyama, K.; Isoi, S.; Kuribayashi, R. Enhancement of the Thermal Stability and Mechanical Properties of a PMMA/Aluminum Trihydroxide Composite Synthesized via Bead Milling. Powder Technol. 2010, 204, 145–153. [Google Scholar] [CrossRef]
  27. Abdel-Wahab, A.; Ataya, S.; Silberschmidt, V. Temperature-Dependent Mechanical Behaviour of PMMA: Experimental Analysis and Modelling. Polym. Test. 2016, 58, 86–95. [Google Scholar] [CrossRef]
  28. Byrdy, A.; Kołaczkowski, M. Environmental Impacts on the Strength Parameters of Mineral–Acrylic (PMMA/ATH) Facade Panels. Int. J. Polym. Sci. 2015, 2015, 134714. [Google Scholar] [CrossRef]
  29. Gunel, E.M.; Basaran, C. Stress Whitening Quantification of Thermoformed Mineral Filled Acrylics. J. Eng. Mater. Technol. 2010, 132, 031002. [Google Scholar] [CrossRef]
  30. ASTM C666/C666M-15 (Withdrawn 2024); Standard Test Method for Resistance of Concrete to Rapid Freezing and Thawing. ASTM International: West Conshohocken, PA, USA, 2015.
  31. ASTM D790-17; Standard Test Methods for Flexural Properties of Unreinforced and Reinforced Plastics and Electrical Insulating Materials. ASTM International: West Conshohocken, PA, USA, 2017.
  32. Corian® Solid Surface Freeze/Thaw Cycling Resistance. Available online: https://www.4willis.com/wp-content/uploads/2019/10/Corian-SS_Freeze_Thaw_Data.pdf (accessed on 25 September 2025).
  33. Haward, R.N.; Young, R.J. The Physics of Glassy Polymers, 2nd ed.; Chapters on Post-yield Deformation and Crazing; Springer: Berlin/Heidelberg, Germany, 1997. [Google Scholar]
  34. EN ISO 1183-1:2019; Plastics—Methods for Determining the Density of Non-Cellular Plastics—Part 1: Immersion Method, Liquid Pycnometer Method and Titration Method. ISO: Geneva, Switzerland, 2019.
  35. Lumivero. XLSTAT Essentials—Statistical Software, Version 2025, Lumivero: Denver, CO, USA. Available online: https://www.xlstat.com/solutions/essentials (accessed on 25 September 2025).
  36. Corian® Solid Surface. Fabrication/Installation Fundamentals. Available online: https://www.corian.com/sites/corian.com/IMG/pdf/k-25286-corian-solid-surface-quality-inspection.pdf (accessed on 25 September 2025).
  37. Jivkov, V.; Petrova, B.; Yavorov, N. Comparative Analysis of Physical and Mechanical Properties of Some Thin and Ultra-Thin Wood-Based and Non-Wood-Based Furniture Panels. In Proceedings of the International Scientific and Technical Conference ‘Innovation in forest industry and engineering design’, Borovets, Bulgaria, 3–5 October 2022; pp. 83–98, ISBN 978-619-7703-01-6. [Google Scholar]
Figure 1. Principal test scheme for determination of flexural strength and modulus according to ISO 178:2019—(1—test specimen, mm; F—loading force, N; h—test specimen thickness, mm; L = (16 ± 1)·h, mm).
Figure 1. Principal test scheme for determination of flexural strength and modulus according to ISO 178:2019—(1—test specimen, mm; F—loading force, N; h—test specimen thickness, mm; L = (16 ± 1)·h, mm).
Jcs 09 00620 g001
Figure 2. Test schemes with dimensions of test fixtures (L and L/2) depending on their thickness (h).
Figure 2. Test schemes with dimensions of test fixtures (L and L/2) depending on their thickness (h).
Jcs 09 00620 g002
Figure 3. Mean thickness deviation (measured − nominal) by series with 95% confidence intervals.
Figure 3. Mean thickness deviation (measured − nominal) by series with 95% confidence intervals.
Jcs 09 00620 g003
Figure 4. Flexural strength of PMMA/ATH composites. The number index of the type of materials is based on the data presented in Table 1.
Figure 4. Flexural strength of PMMA/ATH composites. The number index of the type of materials is based on the data presented in Table 1.
Jcs 09 00620 g004
Figure 5. Test specimens during the test procedure.
Figure 5. Test specimens during the test procedure.
Jcs 09 00620 g005
Figure 6. Typical mode of failure of PMMA/ATH under bending loading of the following series: (a) Co12_H; (b) Ke12_1160_H; (c) Ke12_1160; (d) Ke12_8101_H.
Figure 6. Typical mode of failure of PMMA/ATH under bending loading of the following series: (a) Co12_H; (b) Ke12_1160_H; (c) Ke12_1160; (d) Ke12_8101_H.
Jcs 09 00620 g006aJcs 09 00620 g006b
Figure 7. Flexural strain (%) vs. flexural strength (MPa) of PMMA/ATH under bending/loading.
Figure 7. Flexural strain (%) vs. flexural strength (MPa) of PMMA/ATH under bending/loading.
Jcs 09 00620 g007
Figure 8. Flexural modulus of PMMA/ATH composites.
Figure 8. Flexural modulus of PMMA/ATH composites.
Jcs 09 00620 g008
Figure 9. Correlation between density and flexural modulus of PMMA/ATH composites.
Figure 9. Correlation between density and flexural modulus of PMMA/ATH composites.
Jcs 09 00620 g009
Figure 10. Flexural strength of PMMA/ATH composites—standard and heated.
Figure 10. Flexural strength of PMMA/ATH composites—standard and heated.
Jcs 09 00620 g010
Figure 11. Flexural strain of PMMA/ATH composites—standard and heated.
Figure 11. Flexural strain of PMMA/ATH composites—standard and heated.
Jcs 09 00620 g011
Figure 12. The SEM surface morphology of the PMMA/ATH composite plain sections, performed at an accelerating voltage of 10 kV and a magnification of 500×: (a) unheated PMMA/ATH composite; (b) heated PMMA/ATH composite.
Figure 12. The SEM surface morphology of the PMMA/ATH composite plain sections, performed at an accelerating voltage of 10 kV and a magnification of 500×: (a) unheated PMMA/ATH composite; (b) heated PMMA/ATH composite.
Jcs 09 00620 g012aJcs 09 00620 g012b
Figure 13. The SEM fracture surface morphology of the PMMA/ATH composite cross-sections, performed at an accelerating voltage of 10 kV and a magnification of 500×: (a) unheated PMMA/ATH composite; (b) heated PMMA/ATH composite with an additional enlarged image with section with magnification of 1000×.
Figure 13. The SEM fracture surface morphology of the PMMA/ATH composite cross-sections, performed at an accelerating voltage of 10 kV and a magnification of 500×: (a) unheated PMMA/ATH composite; (b) heated PMMA/ATH composite with an additional enlarged image with section with magnification of 1000×.
Jcs 09 00620 g013
Figure 14. Radar chart comparing materials across five metrics (density, thickness, flexural strength, flexural modulus, and flexural strain) of the PMMA/ATH composites.
Figure 14. Radar chart comparing materials across five metrics (density, thickness, flexural strength, flexural modulus, and flexural strain) of the PMMA/ATH composites.
Jcs 09 00620 g014
Table 1. Key information for the selected commercial acrylic solid surface (PMMA/ATH) composite.
Table 1. Key information for the selected commercial acrylic solid surface (PMMA/ATH) composite.
SeriesCommercial BrandProducerTexture *ColourGroupIndexNominal
Thickness, mm
1, 2Kerrock®KOLPAJcs 09 00620 i001108 Snow whiteWBKe6; Ke6_H6
3Lumino®KOLPAJcs 09 00620 i002Lumino White 11TLLu88
4, 5Kerrock®KOLPAJcs 09 00620 i003108 Snow whiteWBKe12; Ke12_H12
6, 7Corian®DuPont™Jcs 09 00620 i004Glacier WhiteWBCo12; Co12_H12
8, 9, 10Corian®DuPont™Jcs 09 00620 i005Glacier WhiteWBCo6; Co6_H; Co6_H&C6
11,12Betacryl®BTSJcs 09 00620 i006Flex 100 Classic WhiteWBBe12; Be12_H12
13,14Kerrock®KOLPAJcs 09 00620 i0079082—LeuciteDKe12_9082; Ke12_9082_H 12
15, 16Corian®DuPont™Jcs 09 00620 i008FossilDCo12_F; Co12_F_H12
17, 18Kerrock®KOLPAJcs 09 00620 i009Strontianite 8101DKe12_8101; Ke12_8101_H12
19, 20Kerrock®KOLPAJcs 09 00620 i010Venetian terrazzo 1160DKe12_1160; Ke12_1160_H12
21, 22Kerrock®KOLPAJcs 09 00620 i011Howlite M 124WBKe8_M124; Ke8_M124_H8
* The texture corresponds to the information provided by the manufacturer in electronic catalogues/online websites.
Table 2. Required heating time and temperature for plasticization of PMMA/ATH composites according to the thickness of the material and to the manufacturer’s data [4,6,13].
Table 2. Required heating time and temperature for plasticization of PMMA/ATH composites according to the thickness of the material and to the manufacturer’s data [4,6,13].
Material ManufacturerThickness, mmHeating Time, minTemperature, °C
Kerrock616150–170
Kerrock818150–170
Kerrock1222150–170
Corian66150–165
Corian1212150–165
BetaCryl Flex1212–15135–145
Table 3. Density of mineral-based thermoplastic composites.
Table 3. Density of mineral-based thermoplastic composites.
Index of Composites Number of Test SpecimensMean,
kg/m3
Min.,
kg/m3
Max.,
kg/m3
Median,
kg/m3
SD,
kg/m3
Variation Coefficient,
%
1_Ke620171616951735171811.10.6
3_Lu818168016351721168225.31.5
4_Ke1215171817001731172410.90.6
6_Co122017391731174717384.90.3
8_Co61817481744175417483.00.2
11_Be121717051701171017053.00.2
13_Ke12_90821716971693170316973.40.2
15_Co12_F1616891680169416893.50.2
17_Ke12_810116173717131756173710.90.6
19_Ke12_11601717001693170816994.60.3
21_Ke8_M1241616981688170716996.10.3
Table 4. Density of PMMA/ATH composites.
Table 4. Density of PMMA/ATH composites.
ThicknessLS MeansStandard ErrorLower Bound (95%)Upper Bound (95%)Homogeneity Groups
6 mm17322.9017261737A
12 mm17131.8317091716 B
8 mm16893.4916821695 C
Table 5. Results of the Tukey’s HSD analysis of the differences between the groups with a confidence interval of 95% on the flexural strength of PMMA/ATH composites of all pairwise comparisons.
Table 5. Results of the Tukey’s HSD analysis of the differences between the groups with a confidence interval of 95% on the flexural strength of PMMA/ATH composites of all pairwise comparisons.
Index of
Composites
LS Means, MPaStandard Error, MPaLower Bound (95%), MPaUpper Bound (95%), MPaHomogeneity Groups
121_Ke8_M12478.680.7377.2380.12A
21_Ke676.910.6675.6078.22AB
34_Ke1275.730.5274.7176.75 B
411_Be1267.210.4866.2768.15 C
58_Co667.090.7865.5568.64 CD
615_Co12_F64.170.5863.0365.32 DE
76_Co1263.640.4962.6864.61 E
813_Ke12_908262.930.5861.7964.07 E
919_Ke12_116055.581.4352.7558.40 F
1017_Ke12_810151.581.2849.0654.11 F
113_Lu851.080.1650.7651.40 F
Table 6. One-way ANOVA for flexural strength (σf) across groups (WB, D, TL).
Table 6. One-way ANOVA for flexural strength (σf) across groups (WB, D, TL).
SourceDFSum of SquaresMean SquaresFPr > F
Between groups29074.824537.41118.25<0.0001
Error1826983.6538.37
Corrected Total18416,058.47
Table 7. Results of the Tukey’s HSD analysis of the differences between the groups with a confidence interval of 95% on the flexural modulus of PMMA/ATH composites of all pairwise comparisons.
Table 7. Results of the Tukey’s HSD analysis of the differences between the groups with a confidence interval of 95% on the flexural modulus of PMMA/ATH composites of all pairwise comparisons.
Index of
Composites
LS Means, MPaStandard
Error, MPa
Lower Bound (95%), MPaUpper Bound (95%), MPaHomogeneity Groups
16_Co1293771493499405A
217_Ke12_810193611793279394A
31_Ke691752191349216 B
413_Ke12_908289441389178970 C
521_Ke8_M12489301688998961 C
68_Co689121488858940 C
719_Ke12_116087121886768747 D
815_Co12_F86181085988638 E
911_Be1283751083568394 F
104_Ke12 82142081748254 G
113_Lu876841676537716 H
Disclaimer/Publisher’s Note: The statements, opinions and data contained in all publications are solely those of the individual author(s) and contributor(s) and not of MDPI and/or the editor(s). MDPI and/or the editor(s) disclaim responsibility for any injury to people or property resulting from any ideas, methods, instructions or products referred to in the content.

Share and Cite

MDPI and ACS Style

Jivkov, V.; Petrova, B.; Yavorov, N.; Makyov, Y. Flexural and Specific Properties of Acrylic Solid Surface (PMMA/ATH) Composites: Effects of Thermoforming-Relevant Heating and Cooling. J. Compos. Sci. 2025, 9, 620. https://doi.org/10.3390/jcs9110620

AMA Style

Jivkov V, Petrova B, Yavorov N, Makyov Y. Flexural and Specific Properties of Acrylic Solid Surface (PMMA/ATH) Composites: Effects of Thermoforming-Relevant Heating and Cooling. Journal of Composites Science. 2025; 9(11):620. https://doi.org/10.3390/jcs9110620

Chicago/Turabian Style

Jivkov, Vassil, Boryana Petrova, Nikolay Yavorov, and Yavor Makyov. 2025. "Flexural and Specific Properties of Acrylic Solid Surface (PMMA/ATH) Composites: Effects of Thermoforming-Relevant Heating and Cooling" Journal of Composites Science 9, no. 11: 620. https://doi.org/10.3390/jcs9110620

APA Style

Jivkov, V., Petrova, B., Yavorov, N., & Makyov, Y. (2025). Flexural and Specific Properties of Acrylic Solid Surface (PMMA/ATH) Composites: Effects of Thermoforming-Relevant Heating and Cooling. Journal of Composites Science, 9(11), 620. https://doi.org/10.3390/jcs9110620

Article Metrics

Back to TopTop