Properties of Ultra-High Molecular Weight Polyethylene Produced by Cyclic Impact Compaction and Reinforced with Graphene Nanoplatelets and Single-Walled Carbon Nanotubes
Abstract
1. Introduction
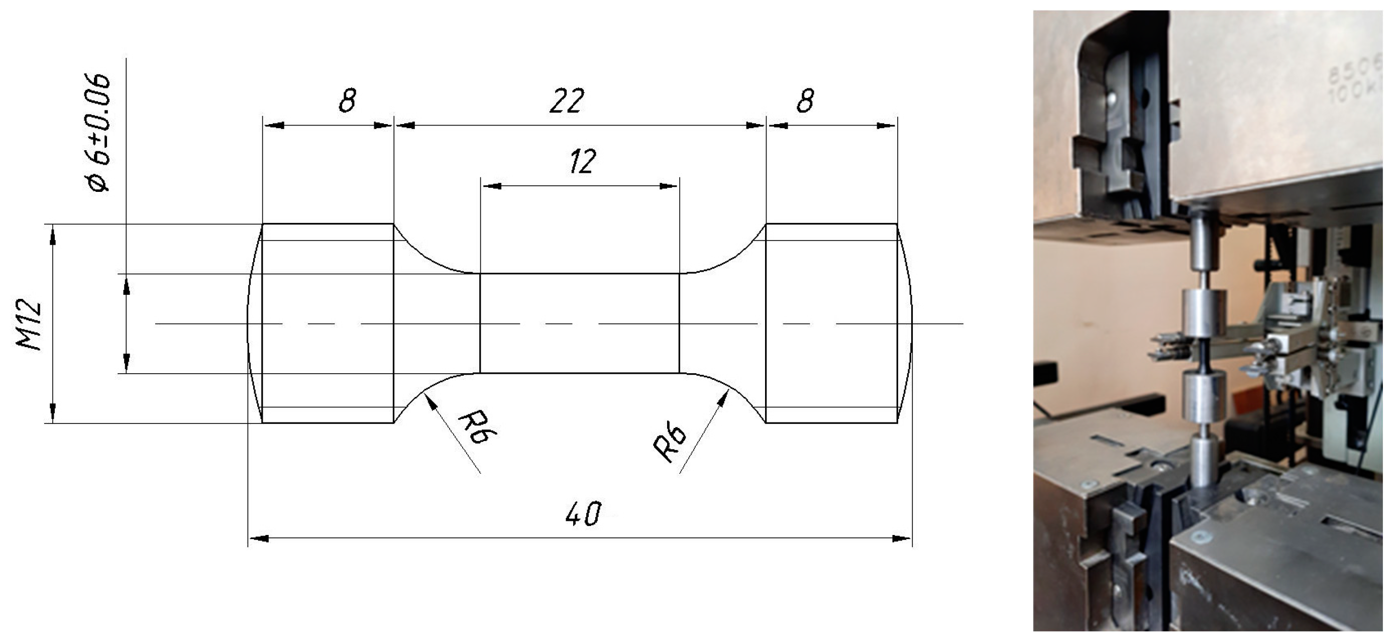
2. Materials and Methods
3. Results
4. Discussion
4.1. Changes in Mechanical and Tribological Properties
4.2. Theoretical Considerations
5. Conclusions
Author Contributions
Funding
Institutional Review Board Statement
Informed Consent Statement
Data Availability Statement
Acknowledgments
Conflicts of Interest
References
- Kelly, J.M. Ultra-High Molecular Weight Polyethylene. J. Macromol. Sci. Polym. Rev. 2002, 42, 355–371. [Google Scholar] [CrossRef]
- Sobieraj, M.C.; Rimnac, C.M. Ultra high molecular weight polyethylene: Mechanics, morphology, and clinical behavior. J. Mech. Behav. Biomed. 2009, 2, 433–443. [Google Scholar] [CrossRef] [PubMed]
- Hussain, M.; Naqvi, R.A.; Abbas, N.; Khan, S.M.; Nawaz, S.; Hussain, A.; Zahra, N.; Khalid, M.W. Ultra-High-Molecular-Weight-Polyethylene (UHMWPE) as a Promising Polymer Material for Biomedical Applications: A Concise Review. Polymers 2020, 12, 323. [Google Scholar] [CrossRef] [PubMed]
- Ammarullah, M.I.; Afif, I.Y.; Maula, M.I.; Winarni, T.I.; Tauviqirrahman, M.; Jamari, J. Tresca stress evaluation of Metal-on-UHMWPE total hip arthroplasty during peak loading from normal walking activity. Mater. Today Proc. 2022, 63, 143–146. [Google Scholar] [CrossRef]
- Sentra, M.R.; Marques, M.F.V. Synthetic Polymeric Materials for Bone Replacement. J. Compos. Sci. 2020, 4, 191. [Google Scholar] [CrossRef]
- Shah, Q.M.Z.; Kowser, M.A.; Chowdhurry, M.A.; Chani, M.T.S.; Alamry, K.A.; Hossain, N.; Rahman, M. Modeling Fracture Formation, Behavior and Mechanics of Polymeric Materials: A Biomedical Implant Perspective. J. Compos. Sci. 2022, 6, 31. [Google Scholar] [CrossRef]
- Chricker, R.; Mustacchi, S.; Massarwa, E.; Eliasi, R.; Aboudi, J.; Haj-Ali, R. Ballistic Penetration Analysis of Soft Laminated Composites Using Sublaminate Mesoscale Modeling. J. Compos. Sci. 2021, 5, 21. [Google Scholar] [CrossRef]
- Shen, Y.; Wang, Y.; Yan, Z.; Cheng, X.; Fan, Q.; Wang, F.; Miao, C. Experimental and Numerical Investigation of the Effect of Projectile Nose Shape on the Deformation and Energy Dissipation Mechanisms of the Ultra-High Molecular Weight Polyethylene (UHMWPE) Composite. Materials 2021, 14, 4208. [Google Scholar] [CrossRef]
- Dasgupta, K. Role of carbon nanotubes in the ballistic properties of boron carbide/carbon nanotube/ultrahigh molecular weight polyethylene composite armor. Ceram. Int. 2020, 46, 4137–4141. [Google Scholar] [CrossRef]
- Shtertser, A.A.; Zlobin, B.S.; Kiselev, V.V.; Shemelin, S.D.; Bukatnikov, P.A. Characteristics of Reinforced Ultra-High Molecular Weight Polyethylene during Its Ballistic Penetration. J. Appl. Mech. Tech. Phys. 2020, 61, 471–478. [Google Scholar] [CrossRef]
- Ziegler, K.; Breil, H.; Holzkamp, E.; Martin, H. Verfahren zur Herstellung von hochmolekularen Polyäthylenen. DE Patent 973,626, 14 April 1960. [Google Scholar]
- Natta, G. Stereospezifische Katalysen und isotaktische Polymere. Angew. Chem. 1956, 68, 393–403. [Google Scholar] [CrossRef]
- Li, Y.; He, H.; Ma, Y.; Geng, Y.; Tan, J. Rheological and mechanical properties of ultrahigh molecular weight polyethylene/high density polyethylene/polyethylene glycol blends. Adv. Ind. Eng. Polym. Res. 2019, 2, 51–60. [Google Scholar] [CrossRef]
- Truss, R.W.; Han, K.S.; Wallage, J.F.; Geil, P.H. Cold Compaction Molding and Sintering of Ultra High Molecular Weight Polyethylene. Polym. Eng. Sci. 1980, 20, 747–755. [Google Scholar] [CrossRef]
- Kulkarni, K.M. High-Pressure Non-Isotermal Processing of Linear Polyethylenes. Polym. Eng. Sci. 1976, 16, 15–24. [Google Scholar] [CrossRef]
- Lupton, J.M.; Regester, W. Exceptionally Rigid and Tough Ultrahigh Molecular Weight Linear Polyethylene. U.S. Patent 3,944,536, 16 March 1976. [Google Scholar]
- Gaspar-Cunha, A.; Covas, J.A.; Sikora, J. Optimization of Polymer Processing: A Review (Part I—Extrusion). Materials 2022, 15, 384. [Google Scholar] [CrossRef]
- Gaspar-Cunha, A.; Covas, J.A.; Sikora, J. Optimization of Polymer Processing: A Review (Part II—Molding Technologies). Materials 2022, 15, 1138. [Google Scholar] [CrossRef]
- Yilmaz, G.; Ellingham, T.; Turng, L.-S. Injection and injection compression molding of ultra-high-molecular weight polyethylene powder. Polym. Eng. Sci. 2019, 59, E170–E179. [Google Scholar] [CrossRef]
- Jauffres, D.; Lame, O.; Vigier, G.; Dore, F. Microstructural origin of physical and mechanical properties of ultra high molecular weight polyethylene processed by high velocity compaction. Polymer 2007, 48, 6374–6383. [Google Scholar] [CrossRef]
- Zlobin, B.S.; Shtertser, A.A.; Kiselev, V.V.; Shemelin, S.D.; Poluboyarov, V.A.; Zhdanok, A.A. Cyclic Impact Compaction of Ultra High Molecular Weight Polyethylene Powder. J. Appl. Mech. Tech. Phys. 2017, 58, 435–442. [Google Scholar] [CrossRef]
- Zlobin, B.S.; Shtertser, A.A.; Kiselev, V.V.; Shemelin, S.D. Impact Compaction of Ultra High Molecular Weight Polyethylene. J. Phys. Conf. Ser. 2017, 894, 012091. [Google Scholar] [CrossRef]
- Shtertser, A.; Zlobin, B.; Kiselev, V.; Shemelin, S.; Ukhina, A.; Dudina, D. Cyclic Impact Compaction of an Ultra High Molecular Weight Polyethylene (UHMWPE) Powder and Properties of the Compacts. Materials 2022, 15, 6706. [Google Scholar] [CrossRef] [PubMed]
- Nesterenko, V.F. Dynamics of Heterogeneous Materials, 1st ed.; Springer Science+Business Media: New York, NY, USA, 2001; ISBN 978-1-4419-2926-6. [Google Scholar]
- Selyutin, G.E.; Gavrilov, Y.Y.; Voskresenskaya, E.N.; Zakharov, V.A.; Nikitin, V.E.; Poluboyarov, V.A. Composite Materials Based on Ultra High Molecular Weight Polyethylene: Properties, Application Prospects. Chem. Sustain. Dev. 2010, 18, 375–388. [Google Scholar]
- Gogoleva, O.V.; Petrova, P.N.; Popov, S.N.; Okhlopkova, A.A. Wear-resistant composite materials based on ultrahigh molecular weight polyethylene and basalt fibers. J. Frict. Wear 2015, 36, 301–305. [Google Scholar] [CrossRef]
- Poluboyarov, V.A.; Korotaeva, Z.A.; Pauli, I.A.; Zhdanok, A.A.; Selyutin, G.E. Modification of Polymers by Nanodispersed Ceramic Particles. Chem. Sustain. Dev. 2014, 22, 385–392. [Google Scholar]
- Panin, S.V.; Kornienko, L.A.; Huang, Q.; Buslovich, D.G.; Bochkareva, S.A.; Alexenko, V.O.; Panov, I.L.; Berto, F. Effect of Adhesion on Mechanical and Tribological Properties of Glass Fiber Composites, Based on Ultra-High Molecular Weight Polyethylene Powders with Various Initial Particle Sizes. Materials 2020, 13, 1602. [Google Scholar] [CrossRef] [PubMed]
- Panin, S.V.; Kornienko, L.A.; Alexenko, V.O.; Buslovich, D.G.; Bochkareva, S.A.; Lyukshin, B.A. Increasing Wear Resistance of UHMWPE by Loading Enforcing Carbon Fibers: Effect of Irreversible and Elastic Deformation, Friction Heating, and Filler Size. Materials 2020, 13, 338. [Google Scholar] [CrossRef]
- Puértolas, J.A.; Kurtz, S.M. Evaluation of carbon nanotubes and graphene as reinforcements for UHMWPE-based composites in arthroplastic applications: A review. J. Mech. Behav. Biomed. 2014, 39, 129–145. [Google Scholar] [CrossRef]
- Chih, A.; Anson-Casaos, A.; Puertolas, J.A. Frictional and mechanical behaviour of graphene/UHMWPE composite coatings. Tribol. Int. 2017, 116, 295–302. [Google Scholar] [CrossRef]
- Wang, Y.; Yin, Z.; Li, H.; Gao, G.; Zhang, X. Friction and wear characteristics of ultrahigh molecular weight polyethylene (UHMWPE) composites containing glass fibers and carbon fibers under dry and water-lubricated conditions. Wear 2017, 380–381, 42–51. [Google Scholar] [CrossRef]
- Liu, Y.; Sinha, S.K. Wear performances and wear mechanism study of bulk UHMWPE composites with nacre and CNT fillers and PFPE overcoat. Wear 2013, 300, 44–54. [Google Scholar] [CrossRef]
- Ruan, S.L.; Gao, P.; Yang, X.G.; Yu, T.X. Toughening high performance ultrahigh molecular weight polyethylene using multiwalled carbon nanotubes. Polymer 2003, 44, 5643–5654. [Google Scholar] [CrossRef]
- Sui, G.; Zhong, W.H.; Ren, X.; Wang, X.Q.; Yang, X.P. Structure, mechanical properties and friction behavior of UHMWPE/HDPE/carbon nanofibers. Mater. Chem. Phys. 2009, 115, 404–412. [Google Scholar] [CrossRef]
- Markevich, I.A.; Selyutin, G.E.; Drokin, N.A.; Selyutin, A.G. Electrical and Mechanical Properties of the High-Permittivity Ultra-High-Molecular-Weight Polyethylene-Based Composite Modified by Carbon Nanotubes. Tech. Phys. 2020, 65, 1106–1113. [Google Scholar] [CrossRef]
- Shtertser, A.A.; Ulianitsky, V.Y.; Batraev, I.S.; Rybin, I.S. Production of Nanoscale Detonation Carbon using a Pulse Gas-Detonation Device. Tech. Phys. Lett. 2018, 44, 395–397. [Google Scholar] [CrossRef]
- Shtertser, A.A.; Rybin, D.K.; Ulianitsky, V.Y.; Park, W.; Datekyu, M.; Wada, T.; Kato, H. Characterization of Nanoscale Detonation Carbon Produced in a Pulse Gas-Detonation Device. Diam. Relat. Mater. 2020, 101, 107553. [Google Scholar] [CrossRef]
- Yu, M.-F.; Lourie, O.; Dyer, M.J.; Moloni, K.; Kelly, T.F.; Ruoff, R.S. Multiwalled Carbon Nanotubes Under Tensile Load. Science 2000, 287, 637–640. [Google Scholar] [CrossRef]
- Poot, M.; van der Zant, H.S.J. Nanomechanical properties of few-layer graphene membranes. Appl. Phys. Lett. 2008, 92, 063111. [Google Scholar] [CrossRef]
- Bergstrom, J.S.; Kurtza, S.M.; Rimnac, C.M.; Edidin, A.A. Constitutive modeling of ultra-high molecular weight polyethylene under large-deformation and cyclic loading conditions. Biomaterials 2002, 23, 2329–2343. [Google Scholar] [CrossRef]
- Danilova, S.N.; Okoneshnikova, A.V.; Okhlopkova, A.A. Polymer materials based on ultra-high molecular weight polyethylene: Structure and properties. Arct. Subarct. Nat. Resour. 2022, 27, 631–642. (In Russian) [Google Scholar] [CrossRef]
- Galeski, A.; Bartczak, Z.; Vozniak, A.; Pawlak, A.; Walkenhorst, R. Morphology and Plastic Yielding of Ultrahigh Molecular Weight Polyethylene. Macromolecules 2020, 53, 6063–6077. [Google Scholar] [CrossRef]
- Rouway, M.; Nachtane, M.; Tarfaoui, M.; Chakhchaoui, N.; Omari, L.E.H.; Fraija, F.; Cherkaoui, O. Mechanical Properties of a Biocomposite Based on Carbon Nanotube and Graphene Nanoplatelet Reinforced Polymers: Analytical and Numerical Study. J. Compos. Sci. 2021, 5, 234. [Google Scholar] [CrossRef]






| Powder Composition | Sample Parameters | ||||
|---|---|---|---|---|---|
| Diameter, mm | Height, mm | Mass, g | Volume, cm3 | Density, g/cm3 | |
| UHMWPE | 40.8 ± 0.1 | 18.3 ± 0.1 | 22.4 ± 0.0005 | 23.93 ± 0.12 | 0.94 ± 0.005 |
| UHMWPE + 0.5 wt.% NDC | 40.6 ± 0.1 | 17.9 ± 0.1 | 21.9 ± 0.0005 | 23.17 ± 0.12 | 0.95 ± 0.005 |
| UHMWPE + 0.5 wt.% SWCNTs | 40.7 ± 0.1 | 19.6 ± 0.1 | 24.3 ± 0.0005 | 25.50 ± 0.13 | 0.95 ± 0.005 |
| Material | E, MPa | σ0.2, MPa | σm, MPa | δ, % |
|---|---|---|---|---|
| UHMWPE | 776.2 ± 35.6 | 12.2 ± 0.8 | 36.6 ± 3.4 | 312 ± 21 |
| UHMWPE + 0.5 wt.% NDC | 883.6 ± 41.0 | 12.7 ± 0.9 | 32.3 ± 3.8 | 275 ± 24 |
| UHMWPE + 0.5 wt.% SWCNTs | 767.9 ± 37.3 | 12.3 ± 1.0 | 21.8 ± 2.2 | 218 ± 22 |
| Material | Wear, mm3 | Coefficient of Friction |
|---|---|---|
| UHMWPE | 0.052 ± 0.006 | 0.10 ± 0.01 |
| UHMWPE + 0.5 wt.% NDC | 0.046 ± 0.005 | 0.09 ± 0.01 |
| UHMWPE + 0.5 wt.% SWCNTs | 0.032 ± 0.004 | 0.08 ± 0.01 |
| Additive | HB | E | σm | δ | W | COF |
|---|---|---|---|---|---|---|
| NDC | +6.4 | +13.8 | −11.7 | −11.9 | −11.5 | −10.0 |
| SWCNTs | +19.6 | - | −40.4 | −30.1 | −38.5 | −20.0 |
| Additive | Mass Fraction, % | Density, g/cm3 | Volume Fraction, % | Adhision | No Adhision | ||||
|---|---|---|---|---|---|---|---|---|---|
| E, MPa | σ, MPa | δ, % | E, MPa | σ, MPa | δ, % | ||||
| NDC | 0.5 | 2.2 | 0.2 | 888.1 | 36.6 | 273 | 763.9 | 36.0 | 312 |
| SWCNTs | 0.5 | 1.6 | 0.3 | 907.0 | 36.6 | 267 | 760.0 | 35.8 | 312 |
Disclaimer/Publisher’s Note: The statements, opinions and data contained in all publications are solely those of the individual author(s) and contributor(s) and not of MDPI and/or the editor(s). MDPI and/or the editor(s) disclaim responsibility for any injury to people or property resulting from any ideas, methods, instructions or products referred to in the content. |
© 2023 by the authors. Licensee MDPI, Basel, Switzerland. This article is an open access article distributed under the terms and conditions of the Creative Commons Attribution (CC BY) license (https://creativecommons.org/licenses/by/4.0/).
Share and Cite
Shtertser, A.; Zlobin, B.; Kiselev, V.; Shemelin, S.; Shikalov, V.; Karpov, E.; Ivanyuk, K. Properties of Ultra-High Molecular Weight Polyethylene Produced by Cyclic Impact Compaction and Reinforced with Graphene Nanoplatelets and Single-Walled Carbon Nanotubes. J. Compos. Sci. 2023, 7, 314. https://doi.org/10.3390/jcs7080314
Shtertser A, Zlobin B, Kiselev V, Shemelin S, Shikalov V, Karpov E, Ivanyuk K. Properties of Ultra-High Molecular Weight Polyethylene Produced by Cyclic Impact Compaction and Reinforced with Graphene Nanoplatelets and Single-Walled Carbon Nanotubes. Journal of Composites Science. 2023; 7(8):314. https://doi.org/10.3390/jcs7080314
Chicago/Turabian StyleShtertser, Alexandr, Boris Zlobin, Victor Kiselev, Sergei Shemelin, Vladislav Shikalov, Evgenij Karpov, and Konstantin Ivanyuk. 2023. "Properties of Ultra-High Molecular Weight Polyethylene Produced by Cyclic Impact Compaction and Reinforced with Graphene Nanoplatelets and Single-Walled Carbon Nanotubes" Journal of Composites Science 7, no. 8: 314. https://doi.org/10.3390/jcs7080314
APA StyleShtertser, A., Zlobin, B., Kiselev, V., Shemelin, S., Shikalov, V., Karpov, E., & Ivanyuk, K. (2023). Properties of Ultra-High Molecular Weight Polyethylene Produced by Cyclic Impact Compaction and Reinforced with Graphene Nanoplatelets and Single-Walled Carbon Nanotubes. Journal of Composites Science, 7(8), 314. https://doi.org/10.3390/jcs7080314

