Nanomodified Basalt Fiber Cement Composite with Bottom Ash
Abstract
1. Introduction
2. Materials and Methods
2.1. Raw Material Characterization
2.2. Mix Design
2.3. Equipment and Methods
2.3.1. Material Morphology
2.3.2. Granulometry
2.3.3. Fresh Properties
2.3.4. Physical and Mechanical Properties
2.3.5. Water Resistance, Freeze–Thaw Resistance and Abrasion Resistance
3. Results and Discussion
3.1. Slump and Slump Flow
3.2. Density, Air Content, Strength and Elastic Modulus
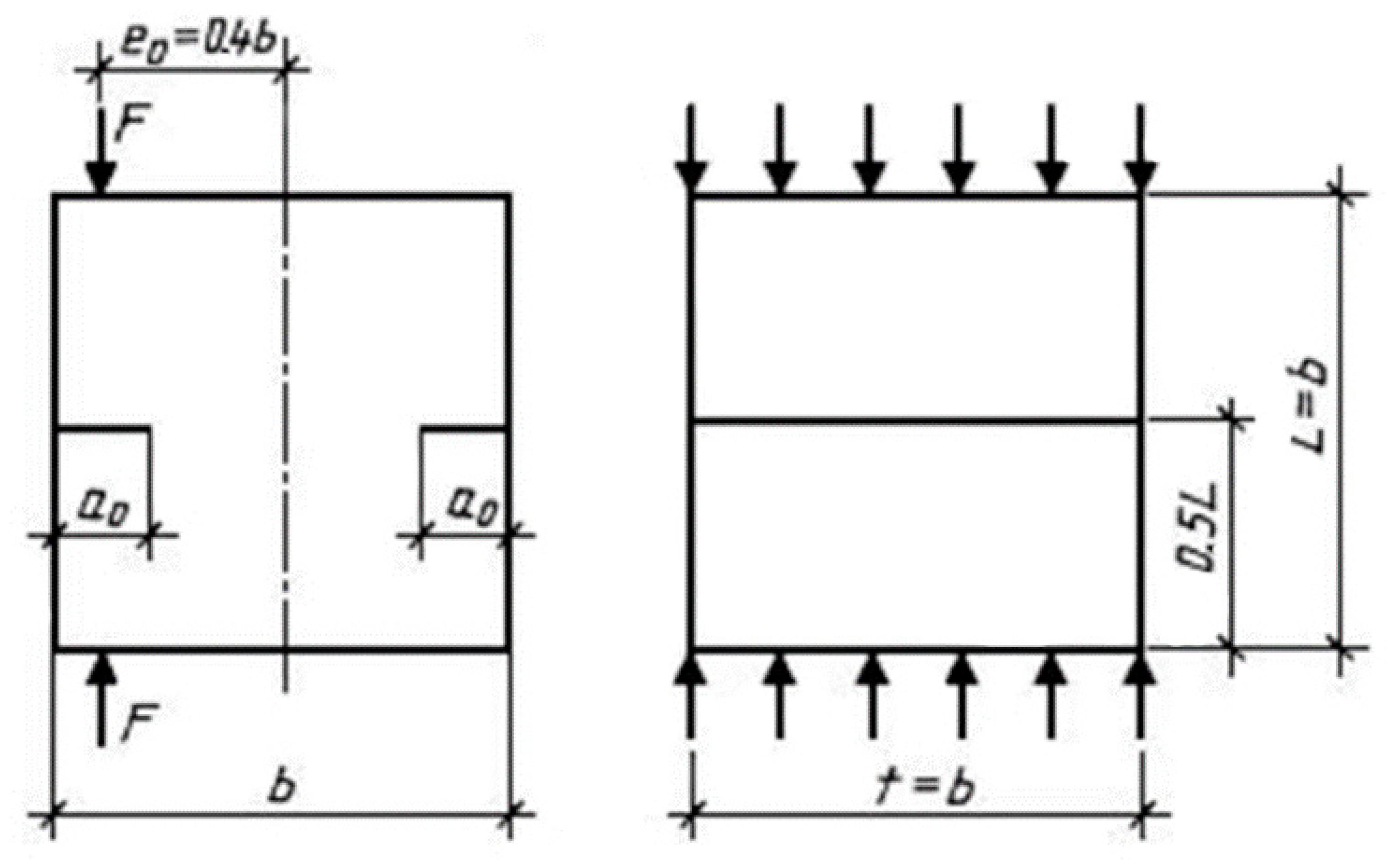
3.3. Critical Stress Intensity Factor
3.4. Water Resistance, Freeze–Thaw Resistance and Abrasion Resistance
3.5. Microtructure Formation
4. Conclusions
- -
- Nanomodified-basalt-fiber-reinforced concretes (from 0 to 7 wt.% fiber) were developed, in which the economical Portland cement CEM I 32.5 N was replaced by up to 45 wt.% mechanically activated bottom ash (400 m2/kg).
- -
- Equal flowability of the compositions (slump 20–22 cm, slump flow 45–52 cm) was achieved by varying the dosage of an economical superplasticizer with a high water-reducing ability (35%); when the content of BA increased from 15 to 45 wt.%, the mutual influence of bottom ash and nanomodified basalt fiber on fresh properties was noted.
- -
- High values of mechanical properties (compressive strength up to 59.2 MPa, flexural strength up to 17.8 MPa, elastic modulus up to 52.6 GPa) were explained by the complex effect of bottom ash and nanomodified basalt fiber as a result of an increase in the volume of new growths due to acceleration kinetics of hydration of clinker minerals and formation of the second-generation new growths.
- -
- A longer plastic zone was established before the onset of irreversible brittle fracture for the developed compositions, which confirms the higher values of the critical stress intensity factor K1c; at 5% fiber and 30 wt.% BA, K1c increased significantly (by 25–40 wt.%), which is explained by the combined structure-forming action of NBF and BA.
- -
- For the composition with 30% BA and 5% NBF, water-resistance grade of W18 was achieved, which means the ability to withstand water pressure of 1.8 MPa for a long time.
- -
- Similar to the results of water resistance, there was an increase in frost resistance with an increase in the content of BA up to 30%, after which there was a decrease; this, in turn, proves the durability of structures built from the developed material.
- -
- In contrast to other results, for abrasion, a more complex mutual influence of BA and NBF content was observed, especially in the range between 15 and 30 wt.% of the content of bottom ash, and it is possible to predict the expansion of the boundaries of this range from 10 to 35%; the maximum reduction in abrasion is predicted in the presence of 18–22 wt.% BA and 3 or 7 wt.% fiber, respectively.
- -
- Joint effect of BA and NBF provides control of the structure formation of cement materials, which ensures the redistribution of internal stresses from shrinkage deformations throughout the entire volume of the composite; during loading, the process of crack formation is retarded, stress concentration near structural defects is reduced, and stresses are redistributed in the microstructure of the cement composite between its components.
Author Contributions
Funding
Conflicts of Interest
References
- Smirnova, O.M. Development of classification of rheologically active microfillers for disperse systems with portland cement and super plasticizer. Int. J. Civ. Eng. Technol. 2018, 9, 1966–1973. [Google Scholar]
- Klyuyev, S.V.; Kashapov, N.F.; Radaykin, O.V.; Sabitov, L.S.; Klyuyev, A.V.; Shchekina, N.A. Reliability coefficient for fibreconcrete material. Constr. Mater. Prod. 2022, 5, 51–58. [Google Scholar] [CrossRef]
- Verian, K.P.; Ashraf, W.; Cao, Y. Properties of recycled concrete aggregate and their influence in new concrete production. Resour. Conserv. Recycl. 2018, 133, 30–49. [Google Scholar] [CrossRef]
- Sun, P.; Guo, Z. Preparation of steel slag porous sound-absorbing material using coal powder as pore former. J. Environ. Sci. 2015, 36, 67–75. [Google Scholar] [CrossRef]
- Singh, N.B.; Middendorf, B. Geopolymers as an alternative to Portland cement: An overview. Constr. Build. Mater. 2020, 237, 117455. [Google Scholar] [CrossRef]
- Lukuttsova, N.; Pykin, A.; Kleymenicheva, Y.; Suglobov, A.; Efremochkin, R. Nano-additives for composite building materials and their environmental safety. Int. J. Appl. Eng. Res. 2016, 11, 7561–7565. [Google Scholar]
- Karayannis, V.G.; Moustakas, K.G.; Baklavaridis, A.N.; Domopoulou, A.E. Sustainable ash-based geopolymers. Chem. Eng. Trans. 2018, 63, 505–510. [Google Scholar] [CrossRef]
- Silva, G.; Kim, S.; Aguilar, R.; Nakamatsu, J. Natural fibers as reinforcement additives for geopolymers—A review of potential eco-friendly applications to the construction industry. Sustain. Mater. Technol. 2020, 23, e00132. [Google Scholar] [CrossRef]
- Fediuk, R. High-strength fibrous concrete of Russian Far East natural materials. IOP Conf. Ser. Mater. Sci. Eng. 2016, 116, 012020. [Google Scholar] [CrossRef]
- Mangi, S.A.; Memon, Z.A.; Khahro, S.H.; Memon, R.A.; Memon, A.H. Potentiality of industrial waste as supplementary cementitious material in concrete production. Int. Rev. Civ. Eng. 2020, 11, 214–221. [Google Scholar] [CrossRef]
- Cruz, N.C.; Silva, F.C.; Tarelho, L.A.C.; Rodrigues, S.M. Critical review of key variables affecting potential recycling applications of ash produced at large-scale biomass combustion plants. Resour. Conserv. Recycl. 2019, 150, 104427. [Google Scholar] [CrossRef]
- Yaphary, Y.L.; Lu, J.-X.; Chengbin, X.; Shen, P.; Ali, H.A.; Xuan, D.; Poon, C.S. Characteristics and production of semi-dry lightweight concrete with cold bonded aggregates made from recycling concrete slurry waste (CSW) and municipal solid waste incineration bottom ash (MSWIBA). J. Build. Eng. 2022, 45, 103434. [Google Scholar] [CrossRef]
- Ul Haq, E.; Kunjalukkal Padmanabhan, S.; Licciulli, A. Synthesis and characteristics of fly ash and bottom ash based geopolymers-A comparative study. Ceram. Int. 2014, 40, 2965–2971. [Google Scholar] [CrossRef]
- Chindasiriphan, P.; Meenyut, B.; Orasutthikul, S.; Jongvivatsakul, P.; Tangchirapat, W. Influences of high-volume coal bottom ash as cement and fine aggregate replacements on strength and heat evolution of eco-friendly high-strength concrete. J. Build. Eng. 2023, 65, 105791. [Google Scholar] [CrossRef]
- Nathe, D.N.; Patil, Y.D. Performance of coal bottom ash concrete at elevated temperatures. Mater. Today Proc. 2022, 65, 883–888. [Google Scholar] [CrossRef]
- Hasim, A.M.; Shahid, K.A.; Ariffin, N.F.; Nasrudin, N.N.; Zaimi, M.N.S.; Kamarudin, M.K. Coal bottom ash concrete: Mechanical properties and cracking mechanism of concrete subjected to cyclic load test. Constr. Build. Mater. 2022, 346, 128464. [Google Scholar] [CrossRef]
- Rafieizonooz, M.; Khankhaje, E.; Rezania, S. Assessment of environmental and chemical properties of coal ashes including fly ash and bottom ash, and coal ash concrete. J. Build. Eng. 2022, 49, 104040. [Google Scholar] [CrossRef]
- Syed, H.; Nerella, R.; Madduru, S.R.C. Role of coconut coir fiber in concrete. Mater. Today Proc. 2020, 27, 1104–1110. [Google Scholar] [CrossRef]
- Dwivedi, A.; Jain, M.K. Fly ash–waste management and overview: A Review. Recent Research Sci. Technol. 2014, 6, 30–35. [Google Scholar]
- Amran, M.; Fediuk, R.; Murali, G.; Vatin, N.; Karelina, M.; Ozbakkaloglu, T.; Krishna, R.S.; Kumar, S.A.; Kumar, D.S.; Mishar, J. Rice Husk Ash-Based Concrete Composites: A Critical Review of Their Properties and Applications. Crystals 2021, 11, 168. [Google Scholar] [CrossRef]
- Ragavendra, S.; Reddy, I.P.; Dongre, A. Fibre Reinforced Concrete—A Case Study. In Proceedings of the 33rd National Convention of Architectural Engineers and National Seminar on “Architectural Engineering Aspect for Sustainable Building Envelopes” ArchEn-BuildEn-2017, Hyderabad, India, 10–11 November 2017. [Google Scholar]
- Doan, T.; Louda, P.; Kroisova, D.; Bortnovsky, O.; Thang, N. New Generation of Geopolymer Composite for Fire-Resistance. In Advances in Composite Materials—Analysis of Natural and Man-Made Materials; IntechOpen: Rijeka, Croatia, 2011. [Google Scholar] [CrossRef]
- Zhang, M.H.; Li, H. Pore structure and chloride permeability of concrete containing nano-particles for pavement. Constr. Build. Mater. 2011, 25, 608–616. [Google Scholar] [CrossRef]
- AlTaan, S.A.; Mohammed, A.K.A.; Al-Jaffal, A.A.R. Breakout capacity of headed anchors in steel fibre normal and high strength concrete. Asian J. Appl. Sci. 2012, 5, 485–496. [Google Scholar] [CrossRef]
- Adamczyk, W.P.; Gorski, M.; Ostrowski, Z.; Bialecki, R.; Kruczek, G.; Przybyła, G.; Krzywon, R.; Bialozor, R. Application of numerical procedure for thermal diagnostics of the delamination of strengthening material at concrete construction. Int. J. Numer. Methods Heat Fluid Flow 2020, 30, 2655–2668. [Google Scholar] [CrossRef]
- Ferrara, L.; Krelani, V.; Moretti, F. On the use of crystalline admixtures in cement based construction materials: From porosity reducers to promoters of self healing. Smart Mater. Struct. 2016, 25, 084002. [Google Scholar] [CrossRef]
- Zhang, J.; Wang, Z.; Ju, X. Application of ductile fiber reinforced cementitious composite in jointless concrete pavements. Compos. Part B Eng. 2013, 50, 224–231. [Google Scholar] [CrossRef]
- Patnaik, B.; Bhojaraju, C.; Mousavi, S.S. Experimental study on residual properties of thermally damaged steel fiber-reinforced concrete containing copper slag as fine aggregate. J. Mater. Cycles Waste Manag. 2020, 22, 801–815. [Google Scholar] [CrossRef]
- Ali, B.; Qureshi, L.A.; Shah, S.H.A.; Rehman, S.U.; Hussain, I.; Iqbal, M. A step towards durable, ductile and sustainable concrete: Simultaneous incorporation of recycled aggregates, glass fiber and fly ash. Constr. Build. Mater. 2020, 251, 118980. [Google Scholar] [CrossRef]
- Rostami, R.; Zarrebini, M.; Mandegari, M.; Mostofinejad, D.; Abtahi, S.M. A review on performance of polyester fibers in alkaline and cementitious composites environments. Constr. Build. Mater. 2020, 241, 117998. [Google Scholar] [CrossRef]
- Martinola, G.; Meda, A.; Plizzari, G.A.; Rinaldi, Z. Strengthening and repair of RC beams with fiber reinforced concrete. Cem. Concr. Compos. 2010, 32, 731–739. [Google Scholar] [CrossRef]
- Yang, Y.; Li, B.; Chen, Z.; Sui, N.; Chen, Z.; Saeed, M.U.; Li, Y.; Fu, R.; Wu, C.; Jing, Y. Acoustic properties of glass fiber assembly-filled honeycomb sandwich panels. Compos. Part B Eng. 2016, 96, 281–286. [Google Scholar] [CrossRef]
- Leo, S.; Horiguchi, T. Effect of short fibers on residual permeability and mechanical properties of hybrid fibre reinforced high strength concrete after heat exposition. Cem. Concr. Res. 2006, 36, 1672–1678. [Google Scholar] [CrossRef]
- Bittner, T.; Kostelecká, M.; Pokorný, P.; Vokáč, M.; Bouška, P. Textile concrete in adverse conditions. In Key Engineering Materials; Trans Tech Publications Ltd.: Zürich, Switzerland, 2018; pp. 59–65. [Google Scholar] [CrossRef]
- Khezhev, T.A.; Zhurtov, A.V.; Hadzhishalapov, G.H. Heat-Resistant Cement Composites Using Volcanic Pumps and Vermiculite. Mater. Sci. Forum 2018, 931, 489–495. [Google Scholar] [CrossRef]
- Zhu, H.; Wu, G.; Zhang, L.; Zhang, J.; Hui, D. Experimental study on the fire resistance of RC beams strengthened with near-surface-mounted high-Tg BFRP bars. Compos. Part B Eng. 2014, 60, 680–687. [Google Scholar] [CrossRef]
- Arslan, A.A.; Uysal, M.; Yılmaz, A.; Al-mashhadani, M.M.; Canpolat, O.; Şahin, F.; Aygörmez, Y. Influence of wetting-drying curing system on the performance of fiber reinforced metakaolin-based geopolymer composites. Constr. Build. Mater. 2019, 225, 909–926. [Google Scholar] [CrossRef]
- Trindade, A.C.C.; de Andrade Silva, F.; Kriven, W.M. Mechanical behavior of K-geopolymers reinforced with silane-coated basalt fibers. J. Am. Ceram. Soc. 2021, 104, 437–447. [Google Scholar] [CrossRef]
- Dry, C.; Corsaw, M. A comparison of bending strength between adhesive and steel reinforced concrete with steel only reinforced concrete. Cem. Concr. Res. 2003, 33, 1723–1727. [Google Scholar] [CrossRef]
- Hassani Niaki, M.; Fereidoon, A.; Ghorbanzadeh Ahangari, M. Experimental study on the mechanical and thermal properties of basalt fiber and nanoclay reinforced polymer concrete. Compos. Struct. 2018, 191, 231–238. [Google Scholar] [CrossRef]
- Nizina, T.A.; Ponomarev, A.N.; Balykov, A.S.; Pankin, N.A. Fine-grained fibre concretes modified by complexed nanoadditives. Int. J. Nanotechnol. 2017, 14, 665–679. [Google Scholar] [CrossRef]
- Azzam, A.; Bassuoni, M.T.; Shalaby, A. Performance of nano silica-modified cementitious composites reinforced with basalt fiber pellets under alkaline and salt-frost exposures. Cem. Concr. Compos. 2022, 134, 104761. [Google Scholar] [CrossRef]
- Mostafa, S.A.; Tayeh, B.A.; Almeshal, I. Investigation the properties of sustainable ultra-high-performance basalt fibre self-compacting concrete incorporating nano agricultural waste under normal and elevated temperatures. Case Stud. Constr. Mater. 2022, 17, e01453. [Google Scholar] [CrossRef]
- Fediuk, R.S.; Yevdokimova, Y.G.; Smoliakov, A.K.; Stoyushko, N.Y.; Lesovik, V.S. Use of geonics scientific positions for designing of building composites for protective (fortification) structures. In IOP Conference Series: Materials Science and Engineering, Volume 221, Proceedings of the VIII International Scientific Practical Conference “Innovative Technologies in Engineering”, Yurga, Russia, 18–20 May 2017; IOP Publishing: Philadelphia, PA, USA, 2017. [Google Scholar] [CrossRef]
- Li, H.; Zhang, M.-H.; Ou, J.-P. Abrasion resistance of concrete containing nano-particles for pavement. Wear 2006, 260, 1262–1266. [Google Scholar] [CrossRef]
- Gurieva, V.A.; Belova, T.C. Structural Features of the Cement-sand Mortar Reinforced with a Modified Basalt Microfiber. Procedia Eng. 2016, 150, 2163–2167. [Google Scholar] [CrossRef]
- Zegardło, B.; Szeląg, M.; Ogrodnik, P. Ultra-high strength concrete made with recycled aggregate from sanitary ceramic wastes—The method of production and the interfacial transition zone. Constr. Build. Mater. 2016, 122, 736–742. [Google Scholar] [CrossRef]
- Rudenko, A.; Biryukov, A.; Kerzhentsev, O.; Fediuk, R.; Vatin, N.; Vasilev, Y.; Klyuev, S.; Amran, M.; Szelag, M. Nano- and micro-modification of building reinforcing bars of various types. Crystals 2021, 11, 323. [Google Scholar] [CrossRef]
- Zheng, Y.; Sun, D.; Feng, Q.; Peng, Z. Nano-SiO2 modified basalt fiber for enhancing mechanical properties of oil well cement. Colloids Surf. A Physicochem. Eng. Asp. 2022, 648, 128900. [Google Scholar] [CrossRef]
- Lian, H.; Sun, X.; Yu, Z.; Yang, T.; Zhang, J.; Li, G.; Guan, Z.; Diao, M. Research on the fracture mechanical performance of basalt fiber nano-CaCO3 concrete based on DIC technology. Constr. Build. Mater. 2022, 329, 127193. [Google Scholar] [CrossRef]
- GOST 7473-2010; Fresh Concrete. Specifications. RussianGost: Moscow, Russia, 2010.
- GOST 8736-2014; Sand for Construction Works. Specifications. RussianGost: Moscow, Russia, 2014.
- GOST 310.4-81; Cements. Methods of Tests of Bending and Compression Strengths. GostPerevod: Moscow, Russia, 1981.
- GOST 29167-2021; Concretes. Methods for Determining Crack Resistance (Fracture Toughness) Characteristics under Static Loading. Runorm: Moscow, Russia, 2021.
- GOST 10060-2012; Concretes. Methods for Determination of Frost-Resistance. RussianGost: Moscow, Russia, 2012.
- GOST 13087-2018; Concretes. Methods of Abrasion Test. GostPerevod: Moscow, Russia, 2018.
- Pavlíková, M.; Zemanová, L.; Záleská, M.; Pokorný, J.; Lojka, M.; Jankovský, O.; Pavlík, Z. Ternary Blended Binder for Production of a Novel Type of Lightweight Repair Mortar. Materials 2019, 12, 996. [Google Scholar] [CrossRef]
- Makul, N.; Fediuk, R.; Amran, M.; Zeyad, A.M.; Murali, G.; Vatin, N.; Klyuev, S.; Ozbakkaloglu, T.; Vasilev, Y. Use of recycled concrete aggregates in production of green cement-based concrete composites: A review. Crystals 2021, 11, 232. [Google Scholar] [CrossRef]
- Mehta, P.K.; Monteiro, P.J.M. Concrete. Microstructure, Properties, and Materials; McGraw-Hill: New York, NY, USA, 2006. [Google Scholar]













| Chemical Composition | Mineral Composition | |||||||
|---|---|---|---|---|---|---|---|---|
| CaO | SiO2 | Al2O3 | Fe2O3 | MgO | C3S | C2S | C3A | C4AF |
| 64.7–65.2 | 21.1–21.5 | 5.2–5.4 | 3.7–4.2 | 2.3–3.0 | 62–65 | 11–14 | 6–7 | 11–14 |
| Compressive Strength, MPa | Setting Time, min | Passing through the Sieve 008, % | Specific Surface Area, m2/kg | Standard Consistency, % | ||
|---|---|---|---|---|---|---|
| 2 Days | 28 Days | Start | End | |||
| 14.0–18.8 | 38.0–47.0 | 130–240 | 225–360 | 88–90 | 290 | 22.25–26.25 |
| Characteristics | Value |
|---|---|
| Tensile strength | 3.5 GPa |
| Elastic modulus | 75 GPa |
| Fiber diameter | 13 µm |
| Fiber length | 6 ± 1.5 mm |
| Elongation coefficient | 3.2% |
| Melting temperature | 1450 °C |
| Density | 2600 kg/m3 |
| Alkali resistance | high |
| Corrosion resistance | high |
| Mix ID | CEM | BA | NBF | Water | SP | Sand |
|---|---|---|---|---|---|---|
| 0-0 | 500 | 0 | 0 | 175 | 5.0 | 1500 |
| 0-3 | 500 | 0 | 15 | 175 | 5.3 | 1500 |
| 0-5 | 500 | 0 | 25 | 175 | 5.6 | 1500 |
| 0-7 | 500 | 0 | 35 | 175 | 5.9 | 1500 |
| 15-0 | 425 | 75 | 0 | 175 | 6.0 | 1500 |
| 15-3 | 425 | 75 | 15 | 175 | 6.3 | 1500 |
| 15-5 | 425 | 75 | 25 | 175 | 6.6 | 1500 |
| 15-7 | 425 | 75 | 35 | 175 | 6.9 | 1500 |
| 30-0 | 350 | 30 | 0 | 175 | 7.0 | 1500 |
| 30-3 | 350 | 30 | 15 | 175 | 7.3 | 1500 |
| 30-5 | 350 | 30 | 25 | 175 | 7.6 | 1500 |
| 30-7 | 350 | 30 | 35 | 175 | 7.9 | 1500 |
| 45-0 | 275 | 45 | 0 | 175 | 8.0 | 1500 |
| 45-3 | 275 | 45 | 15 | 175 | 8.3 | 1500 |
| 45-5 | 275 | 45 | 25 | 175 | 8.6 | 1500 |
| 45-7 | 275 | 45 | 35 | 175 | 8.9 | 1500 |
| Mix ID | Slump, cm | Slump Flow, cm |
|---|---|---|
| 0-0 | 22 ± 0.5 | 52 ± 1 |
| 0-3 | 22 ± 0.5 | 52 ± 1 |
| 0-5 | 22 ± 0.5 | 51 ± 1 |
| 0-7 | 22 ± 0.5 | 51 ± 1 |
| 15-0 | 22 ± 0.5 | 50 ± 1 |
| 15-3 | 22 ± 0.5 | 50 ± 1 |
| 15-5 | 22 ± 0.5 | 49 ± 1 |
| 15-7 | 22 ± 0.5 | 49 ± 1 |
| 30-0 | 22 ± 0.5 | 49 ± 1 |
| 30-3 | 22 ± 0.5 | 48 ± 1 |
| 30-5 | 22 ± 0.5 | 48 ± 1 |
| 30-7 | 22 ± 0.5 | 47 ± 1 |
| 45-0 | 20 ± 0.5 | 46 ± 1 |
| 45-3 | 20 ± 0.5 | 46 ± 1 |
| 45-5 | 20 ± 0.5 | 45 ± 1 |
| 45-7 | 20 ± 0.5 | 45 ± 1 |
| Mix ID | Density, kg/m3 | Air Content, % | Compressive Strength, MPa | Flexural Strength, MPa | Flexural Strength/Compressive Strength | Elastic Modulus, GPa |
|---|---|---|---|---|---|---|
| 0-0 | 2090 ± 1 | 2.0 ± 0.05 | 35.6 ± 0.3 | 3.9 ± 0.1 | 0.11 | 28.7 ± 0.6 |
| 0-3 | 2098 ± 3 | 1.9 ± 0.04 | 36.9 ± 0.7 | 5.9 ± 0.2 | 0.16 | 28.9 ± 0.3 |
| 0-5 | 2104 ± 2 | 1.8 ± 0.02 | 38.2 ± 1.3 | 9.6 ± 0.2 | 0.25 | 29.3 ± 0.9 |
| 0-7 | 2109 ± 1 | 1.9 ± 0.05 | 37.4 ± 0.3 | 6.7 ± 0.2 | 0.18 | 29.0 ± 0.6 |
| 15-0 | 2099 ± 2 | 1.7 ± 0.02 | 44.6 ± 0.6 | 6.2 ± 0.2 | 0.14 | 40.1 ± 0.9 |
| 15-3 | 2009 ± 3 | 1.6 ± 0.03 | 47.9 ± 1.3 | 9.1 ± 0.2 | 0.19 | 40.6 ± 0.3 |
| 15-5 | 2113 ± 1 | 1.5 ± 0.05 | 48.2 ± 0.4 | 13.5 ± 0.3 | 0.28 | 40.8 ± 0.9 |
| 15-7 | 2120 ± 3 | 1.6 ± 0.04 | 47.4 ± 0.9 | 10.0 ± 0.3 | 0.21 | 40.7 ± 0.6 |
| 30-0 | 2111 ± 2 | 1.3 ± 0.05 | 56.6 ± 1.2 | 9.1 ± 0.2 | 0.16 | 51.6 ± 1.1 |
| 30-3 | 2117 ± 1 | 1.1 ± 0.05 | 56.9 ± 1.4 | 12.4 ± 0.3 | 0.21 | 51.7 ± 0.3 |
| 30-5 | 2125 ± 3 | 1.1 ± 0.03 | 59.2 ± 1.3 | 17.8 ± 0.3 | 0.30 | 52.6 ± 1.1 |
| 30-7 | 2128 ± 2 | 1.3 ± 0.05 | 58.4 ± 0.5 | 13.4 ± 0.3 | 0.23 | 52.3 ± 0.6 |
| 45-0 | 2109 ± 1 | 1.6 ± 0.05 | 43.6 ± 1.3 | 3.9 ± 0.1 | 0.09 | 40.2 ± 1.1 |
| 45-3 | 2119 ± 2 | 1.5 ± 0.04 | 48.9 ± 0.5 | 6.8 ± 0.2 | 0.14 | 40.5 ± 0.3 |
| 45-5 | 2123 ± 3 | 1.4 ± 0.05 | 49.2 ± 0.7 | 11.3 ± 0.3 | 0.23 | 40.9 ± 0.9 |
| 45-7 | 2120 ± 1 | 1.5 ± 0.05 | 47.5 ± 0.3 | 7.6 ± 0.2 | 0.16 | 40.6 ± 0.6 |
| Mix ID | F, N | K1c, MPa·m0,5 |
|---|---|---|
| 0-0 | 2000 | 0.351 |
| 0-3 | 2200 | 0.358 |
| 0-5 | 2680 | 0.383 |
| 0-7 | 2450 | 0.370 |
| 15-0 | 2350 | 0.366 |
| 15-3 | 2550 | 0.373 |
| 15-5 | 3410 | 0.367 |
| 15-7 | 2900 | 0.400 |
| 30-0 | 2810 | 0.393 |
| 30-3 | 3300 | 0.418 |
| 30-5 | 4000 | 0.507 |
| 30-7 | 3750 | 0.434 |
| 45-0 | 2000 | 0.351 |
| 45-3 | 2500 | 0.368 |
| 45-5 | 3680 | 0.383 |
| 45-7 | 2850 | 0.397 |
Disclaimer/Publisher’s Note: The statements, opinions and data contained in all publications are solely those of the individual author(s) and contributor(s) and not of MDPI and/or the editor(s). MDPI and/or the editor(s) disclaim responsibility for any injury to people or property resulting from any ideas, methods, instructions or products referred to in the content. |
© 2023 by the authors. Licensee MDPI, Basel, Switzerland. This article is an open access article distributed under the terms and conditions of the Creative Commons Attribution (CC BY) license (https://creativecommons.org/licenses/by/4.0/).
Share and Cite
Fediuk, R.; Makarova, N.; Kozin, A.; Lomov, M.; Petropavlovskaya, V.; Novichenkova, T.; Wenxu, X.; Sulman, M.; Petropavlovskii, K. Nanomodified Basalt Fiber Cement Composite with Bottom Ash. J. Compos. Sci. 2023, 7, 96. https://doi.org/10.3390/jcs7030096
Fediuk R, Makarova N, Kozin A, Lomov M, Petropavlovskaya V, Novichenkova T, Wenxu X, Sulman M, Petropavlovskii K. Nanomodified Basalt Fiber Cement Composite with Bottom Ash. Journal of Composites Science. 2023; 7(3):96. https://doi.org/10.3390/jcs7030096
Chicago/Turabian StyleFediuk, Roman, Natalia Makarova, Andrey Kozin, Maksim Lomov, Victoria Petropavlovskaya, Tatiana Novichenkova, Xiao Wenxu, Mikhail Sulman, and Kirill Petropavlovskii. 2023. "Nanomodified Basalt Fiber Cement Composite with Bottom Ash" Journal of Composites Science 7, no. 3: 96. https://doi.org/10.3390/jcs7030096
APA StyleFediuk, R., Makarova, N., Kozin, A., Lomov, M., Petropavlovskaya, V., Novichenkova, T., Wenxu, X., Sulman, M., & Petropavlovskii, K. (2023). Nanomodified Basalt Fiber Cement Composite with Bottom Ash. Journal of Composites Science, 7(3), 96. https://doi.org/10.3390/jcs7030096

