Model Calibration and Data Set Determination Considering the Local Micro-Structure for Short Fiber Reinforced Polymers
Abstract
1. Introduction
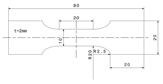
2. Materials and Methods
3. Results
3.1. Quasi-Static Tests
3.2. Cyclic Tests
3.3. Micro-Structure—µCT Measurement
4. Data Set Determination
5. Discussion
Author Contributions
Funding
Institutional Review Board Statement
Informed Consent Statement
Data Availability Statement
Conflicts of Interest
References
- Primetzhofer, A.; Stadler, G.; Pinter, G.; Grün, F. Lifetime assessment of anisotropic materials by the example short fibre reinforced plastic. Int. J. Fatigue 2019, 120, 294–302. [Google Scholar] [CrossRef]
- Guster, C.; Pinter, G.; Mösenbacher, A.; Eichlseder, W. Evaluation of a Simulation Process for Fatigue Life Calculation of Short Fibre Reinforced Plastic Components. Procedia Eng. 2011, 10, 2104–2109. [Google Scholar] [CrossRef]
- Gaier, C.; Dannbauer, H.; Werkhausen, A.; Wahlmüller, R. Fatigue life prediction of short fiber reinforced plastic components. In Proceedings of the 8th annual Automotive Composites Conference and Exhibition (ACCE 2008), Troy, MI, USA, 16–18 September 2008; SPE Automotive & Composites Division: Troy, MI, USA, 2009. [Google Scholar]
- Bernasconi, A.; Conrado, E.; Cavallaro, A.; Hine, P.J. A Local Stress Analysis of the Effect of Fibre Orientation on the Fatigue Behaviour of a Short Fibre Reinforced Polyamide. In Proceedings of the 20th International Conference on Composite Materials, Copenhagen, Denmark, 19–24 July 2015. [Google Scholar]
- Mortazavian, S.; Fatemi, A. Fatigue of short fiber thermoplastic composites: A review of recent experimental results and analysis. Int. J. Fatigue 2017, 102, 171–183. [Google Scholar] [CrossRef]
- Gaier, C.; Unger, B.; Dannbauer, H. Multiaxial fatigue analysis of orthotropic materials. Rev. Métallurgie 2010, 107, 369–375. [Google Scholar] [CrossRef]
- Primetzhofer, A.; Mösenbacher, A.; Pinter, G. Influence of mean stress and weld lines on the fatigue behaviour of short fibre reinforced polyamide. In Proceedings of the 20th International Conference on Composite Materials, Copenhagen, Denmark, 19–24 July 2015. [Google Scholar]
- Mallick, P.K.; Zhou, Y. Effect of mean stress on the stress-controlled fatigue of a short E-glass fiber reinforced polyam-ide-6,6. Int. J. Fatigue 2004, 26, 941–946. [Google Scholar] [CrossRef]
- Stadler, G.; Primetzhofer, A.; Pinter, G.; Grün, F. Investigation of fibre orientation and notch support of short glass fibre reinforced thermoplastics. Int. J. Fatigue 2020, 131, 105284. [Google Scholar] [CrossRef]
- Kawai, M.; Takeuchi, H.; Taketa, I.; Tsuchiya, A. Effects of temperature and stress ratio on fatigue life of injection molded short carbon fiber-reinforced polyamide composite. Compos. Part A Appl. Sci. Manuf. 2017, 98, 9–24. [Google Scholar] [CrossRef]
- Mortazavian, S.; Fatemi, A. Fatigue behavior and modeling of short fiber reinforced polymer composites including anisotropy and temperature effects. Int. J. Fatigue 2015, 77, 12–27. [Google Scholar] [CrossRef]
- De Monte, M.; Moosbrugger, E.; Quaresimin, M. Influence of temperature and thickness on the off-axis behaviour of short glass fibre reinforced polyamide 6.6—Cyclic loading. Compos. Part A Appl. Sci. Manuf. 2010, 41, 1368–1379. [Google Scholar] [CrossRef]
- Mori, T.; Tanaka, K. Average stress in matrix and average elastic energy of materials with misfitting inclusions. Acta Met. 1973, 21, 571–574. [Google Scholar] [CrossRef]
- Besson, J.; Cailletaud, G.; Chaboche, J.-L.; Forest, S. Non-Linear Mechanics of Materials; Springer Nature: London, UK, 2010. [Google Scholar]
- Park, J.M.; Park, S.J. Modeling and Simulation of Fiber Orientation in Injection Molding of Polymer Composites. Math. Probl. Eng. 2011, 2011, 1–14. [Google Scholar] [CrossRef]
- Nguyen Thi, T.B.; Yokoyama, A.; Ota, K.; Kodama, K.; Yamashita, K.; Isogai, Y.; Furuichi, K.; Nonomura, C. Numerical approach of the injection molding process of fiber-reinforced composite with considering fiber orientation. In Proceedings of the 29th International Conference of the Polymer Processing Society—Conference Papers, Nuremberg, Germany, 15–19 July 2013; American Institute of Physics: College Park, MD, USA, 2013. [Google Scholar]
- Mehdipour, H.; Camanho, P.P.; Belingardi, G. Elasto-plastic constitutive equations for short fiber reinforced polymers. Compos. Part B Eng. 2019, 165, 199–214. [Google Scholar] [CrossRef]
- Pietrogrande, R.; Carraro, P.A.; De Monte, M.; Quaresimin, M. A novel pseudo-grain approach for the estimation of the elastic stress distributions within the matrix of short fiber-reinforced polymers. Compos. Part B Eng. 2018, 150, 115–123. [Google Scholar] [CrossRef]
- AShajari, R.; Ghajar, R.; Shokrieh, M.M. Multiscale modeling of the viscoelastic properties of CNT/polymer nanocom-posites, using complex and time-dependent homogenizations. Comput. Mater. Sci. 2018, 142, 395–409. [Google Scholar] [CrossRef]
- Fouchier, N.; Nadot-Martin, C.; Conrado, E.; Bernasconi, A.; Castagnet, S. Fatigue life assessment of a Short Fibre Reinforced Thermo-plastic at high temperature using a through Process Modelling in a viscoelastic framework. Int. J. Fatigue 2019, 124, 236–244. [Google Scholar] [CrossRef]
- Raphael, I.; Saintier, N.; Rolland, H.; Robert, G.; Laiarinandrasana, L. A mixed strain rate and energy based fatigue criterion for short fiber reinforced thermoplastics. Int. J. Fatigue 2019, 127, 131–143. [Google Scholar] [CrossRef]
- Benaarbia, A.; Chrysochoos, A.; Robert, G. Kinetics of stored and dissipated energies associated with cyclic loadings of dry polyamide 6.6 specimens. Polym. Test. 2014, 34, 155–167. [Google Scholar] [CrossRef]
- Benaarbia, A.; Chrysochoos, A.; Robert, G. Fiber orientation effects on heat source distribution in reinforced polyamide 6.6 subjected to low cycle fatigue. J. Eng. Math. 2014, 90, 13–36. [Google Scholar] [CrossRef]
- Wilson, P.; Heyes, P. Fatigue of short fibre reinforced polymers: From material process to fatigue life of industrial components. MATEC Web Conf. 2018, 165, 08003. [Google Scholar]
- Rolland, H.; Saintier, N.; Raphael, I.; Lenoir, N.; King, A.; Robert, G. Fatigue damage mechanisms of short fiber reinforced PA66 as observed by in-situ synchrotron X-ray microtomography. Compos. Part B Eng. 2018, 143, 217–229. [Google Scholar] [CrossRef]
- Rolland, H.; Saintier, N.; Wilson, P.; Merzeau, J.; Robert, G. In situ X-ray tomography investigation on damage mechanisms in short glass fibre reinforced thermoplastics: Effects of fibre orientation and relative humidity. Compos. Part B Eng. 2017, 109, 170–186. [Google Scholar] [CrossRef]
- Shahabi, E.; Forouzan, M.R. A damage mechanics based failure criterion for fiber reinforced polymers. Compos. Sci. Technol. 2016, 140, 23–29. [Google Scholar] [CrossRef]
- Mösenbacher, A.; Pichler, P.; Guster, C.; Maier, J.; Pinter, G. Lebensdauerberechnung an Strukturbauteilen aus kurzfaserverstärkten Thermoplasten. In Die Betriebsfestigkeit Als Eine Schlüsselfunktion Der Zukunft; DVM e.V.: Berlin, Germany, 2013; pp. 301–316. [Google Scholar]
- Kanters, M.J.; Douven, L.F.; Savoyat, P. Fatigue life prediction of injection moulded short glass fiber reinforced plastics. Procedia Struct. Integr. 2019, 19, 698–710. [Google Scholar] [CrossRef]
- Primetzhofer, A.; Stadler, G.; Pinter, G.; Grün, F. Data set determination for lifetime assessment of short fibre reinforced polymers. J. Plast. Technol. 2019, 15, 1. [Google Scholar]
- Gaier, C.; Dannbauer, H.; Werkhausen, A.; Wahlmüller, R. Fatigue life prediction of short fiber reinforced plastic components. In Proceedings of the NAFEMS Seminar Simulating Composite Materials and Structures, Bad Kissingen, Germany, 6 November 2007. [Google Scholar]
- ISO. ISO 527-2: Plastics—Determination of Tensile Properties—Test Conditions for Moulding and Extrusion Plastics; ISO: Geneva, Switzerland, 1993. [Google Scholar]
- Sabiston, T.; Pinter, P.; Lévesque, J.; Weidenmann, K.A.; Inal, K. Evaluating the number of fibre orientations required in homogenization schemes to predict the elastic response of long fibre sheet moulding compound composites from X-ray computed tomography measured fibre orientation distributions. Compos. Part A Appl. Sci. Manuf. 2018, 114, 278–294. [Google Scholar] [CrossRef]
- Salaberger, D. Micro-Structure of Discontinuous Fibre Polymer Matrix Composites Determined by X-ray Computed Tomography. Ph.D. Thesis, TU Wien, Vienna, Austria, 2019. [Google Scholar]
- Suresh, G.A.; Charles, L.T., III. The Use of Tensors to Describe and Predict Fiber Orientation in Short Fiber Composites. J. Rheol. 1987, 31, 751–784. [Google Scholar]
- Brunbauer, J.; Mösenbacher, A.; Guster, C.; Pinter, G. Fundamental influences on quasistatic and cyclic material behavior of short glass fiber reinforced polyamide illustrated on microscopic scale. J. Appl. Polym. Sci. 2014, 131. [Google Scholar] [CrossRef]
- Stadler, G.; Primetzhofer, A.; Pinter, G.; Grün, F. Study of Notch Effect and Fibre Orientation on Fatigue Strength of Short Glass Fibre Reinforced Polymide. Available online: https://www.eccm18.org/ (accessed on 5 July 2018).
- Quagliato, L.; Kim, Y.; Fonseca, J.H.; Han, D.; Yun, S.; Lee, H.; Park, N.; Lee, H.; Kim, N. The influence of fiber orientation and geometry-induced strain concentration on the fatigue life of short carbon fibers reinforced polyamide-6. Mater. Des. 2020, 190, 108569. [Google Scholar] [CrossRef]
- ISO. ISO 527-1: Plastics—Determination of Tensile Properties—General Principles; ISO: Geneva, Switzerland, 2012. [Google Scholar]
- ASTM. ASTM E739: Practice for Statistical Analysis of Linear or Linearized Stress-Life (S-N) and Strain-Life (-N) Fatigue Data; ASTM International: West Conshohocken, PA, USA, 2015. [Google Scholar]
- Menges, G.; Geisbusch, P. Die Glasfaserorientierung und ihr Einfluss auf die mechanischen Eigenschaften thermoplastischer Spritzgießteile—Eine Abschätzmethode. Colloid Polym. Sci. 1982, 260, 73–81. [Google Scholar] [CrossRef]
- Arif, M.F.; Saintier, N.; Meraghni, F.; Fitoussi, J.; Chemisky, Y.; Robert, G. Multiscale fatigue damage characterization in short glass fiber rein-forced polyamide-66. Compos. Part B Eng. 2014, 61, 55–65. [Google Scholar] [CrossRef]
- Lizama-Camara, Y.; Pinna, C.; Lu, Z.; Blagdon, M. Effect of the injection moulding fibre orientation distribution on the fatigue life of short glass fibre reinforced plastics for automotive applications. Procedia CIRP 2019, 85, 255–260. [Google Scholar] [CrossRef]
- Hine, P.; Duckett, R.A.; Caton-Rose, P.; Coates, P.D.; Jittman, P.; Chapman, C.; Smith, G. Fibre orientation: Measurement, modelling and knowledge based design. Plast. Rubber Compos. 2005, 34, 417–424. [Google Scholar] [CrossRef]
- Tseng, H.-C.; Chang, R.-Y.; Hsu, C.-H. Numerical predictions of fiber orientation and mechanical properties for injec-tion-molded long-carbon-fiber thermoplastic composites. Polym. Compos. 2017, 52, 1179. [Google Scholar]
- Dean, A.; Grbic, N.; Rolfes, R.; Behrens, B. Macro-mechanical modeling and experimental validation of anisotropic, pres-sure- and temperature-dependent behavior of short fiber composites. Compos. Struct. 2019, 211, 630–643. [Google Scholar] [CrossRef]
- Kugler, S.K.; Kech, A.; Cruz, C.; Osswald, T.A. Fiber Orientation Predictions—A Review of Existing Models. J. Compos. Sci. 2020, 4, 69. [Google Scholar] [CrossRef]
- Kugler, S.K.; Lambert, G.M.; Cruz, C.; Kech, A.; Osswald, T.A.; Baird, D.G. Macroscopic fiber orientation model evaluation for concentrated short fiber reinforced polymers in comparison to experimental data. Polym. Compos. 2020, 41, 2542–2556. [Google Scholar] [CrossRef]
- Primetzhofer, A.; Mösenbacher, A.; Pinter, G. Fatigue Design Methodology for Short Fibre Reinforced Polymers Consid-ering Fibre Orientation and Weld Lines. In Proceedings of the Polymer Procesing Society Asia/Australia Conference, Chengdu, China, 11–14 October 2016; pp. 203–204. [Google Scholar]
- Mortazavian, S.; Fatemi, A. Effects of fiber orientation and anisotropy on tensile strength and elastic modulus of short fiber reinforced polymer composites. Compos. Part B Eng. 2015, 72, 116–129. [Google Scholar] [CrossRef]
- Sabiston, T.; Li, B.; Kang, J.; Wilkinson, D.; Engler-Pinto, C. Accounting for the microstructure in the prediction of the fatigue life of injec-tion moulded composites for automotive applications. Compos. Struct. 2021, 255, 112898. [Google Scholar] [CrossRef]







Publisher’s Note: MDPI stays neutral with regard to jurisdictional claims in published maps and institutional affiliations. |
© 2021 by the authors. Licensee MDPI, Basel, Switzerland. This article is an open access article distributed under the terms and conditions of the Creative Commons Attribution (CC BY) license (http://creativecommons.org/licenses/by/4.0/).
Share and Cite
Primetzhofer, A.; Stadler, G.; Pinter, G.; Grün, F. Model Calibration and Data Set Determination Considering the Local Micro-Structure for Short Fiber Reinforced Polymers. J. Compos. Sci. 2021, 5, 40. https://doi.org/10.3390/jcs5020040
Primetzhofer A, Stadler G, Pinter G, Grün F. Model Calibration and Data Set Determination Considering the Local Micro-Structure for Short Fiber Reinforced Polymers. Journal of Composites Science. 2021; 5(2):40. https://doi.org/10.3390/jcs5020040
Chicago/Turabian StylePrimetzhofer, Andreas, Gabriel Stadler, Gerald Pinter, and Florian Grün. 2021. "Model Calibration and Data Set Determination Considering the Local Micro-Structure for Short Fiber Reinforced Polymers" Journal of Composites Science 5, no. 2: 40. https://doi.org/10.3390/jcs5020040
APA StylePrimetzhofer, A., Stadler, G., Pinter, G., & Grün, F. (2021). Model Calibration and Data Set Determination Considering the Local Micro-Structure for Short Fiber Reinforced Polymers. Journal of Composites Science, 5(2), 40. https://doi.org/10.3390/jcs5020040

