Modeling and Control Research of Fractional-Order Cascaded H-Bridge Multilevel STATCOM
Abstract
1. Introduction
- A new circuit topology of the FCHM-STATCOM is proposed in this paper.
- This paper establishes the mathematical model of FCHM-STATCOM in both the three-phase stationary coordinate system and the synchronous rotating coordinate system. The models of STATCOMs are extended from the integer-order domain to the fractional-order domain.
- This paper proposes an FOPI-based fractional-order dual closed-loop current decoupling control strategy for the FCHM-STATCOM that integrates fractional-order control with fractional-order circuits.
- The digital simulation conducted in this paper demonstrates that the FCHM-STATCOM exhibits superior dynamic and static characteristics compared to the conventional ICHM-STATCOM.
2. A Brief Introduction of Caputo Fractional Calculus and Fractional-Order Com-Ponent
3. Modeling of FCHM-STATCOM
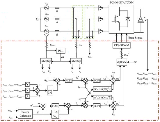
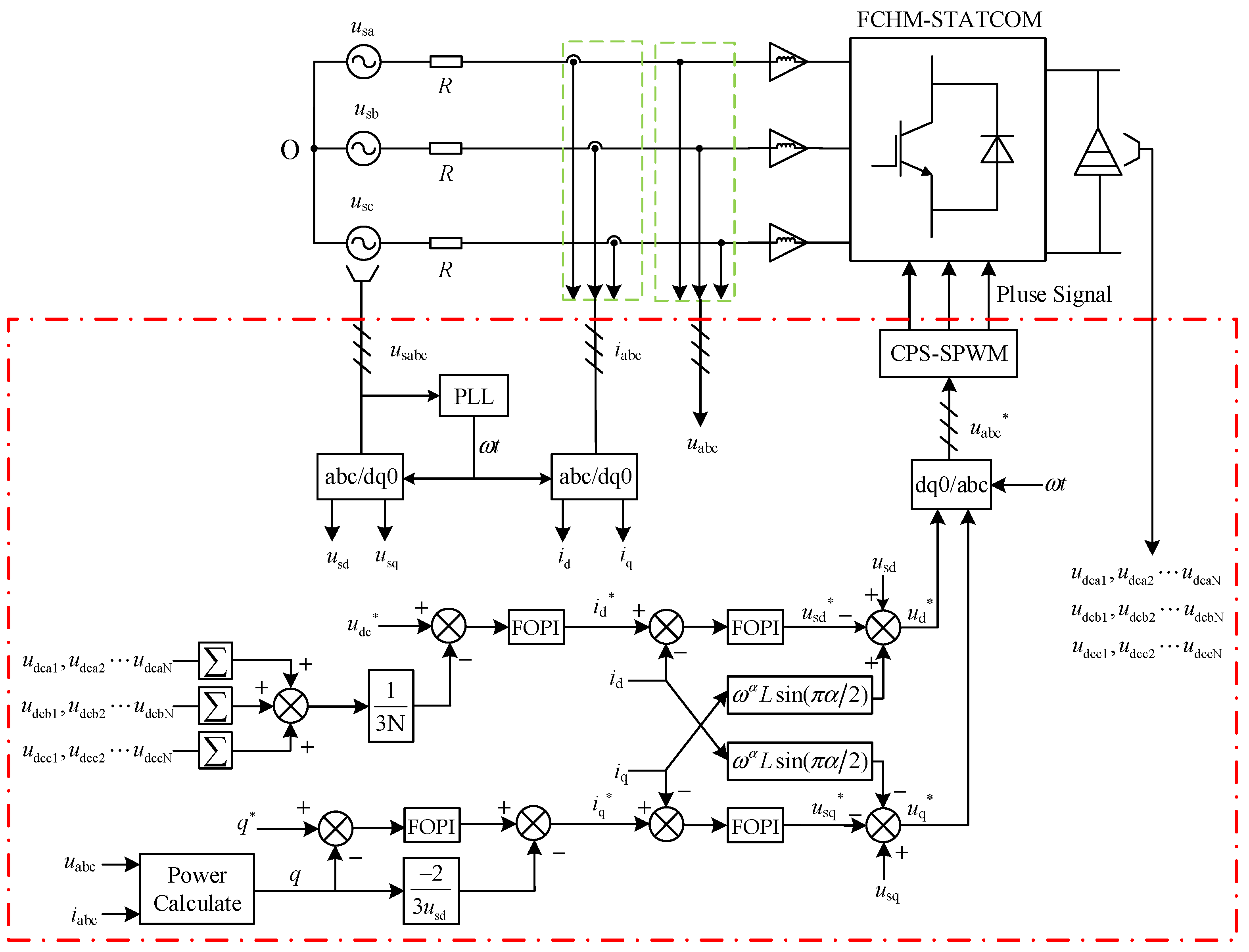
3.1. A Brief Description of the Circuit Topology of the FCHM-STATCOM
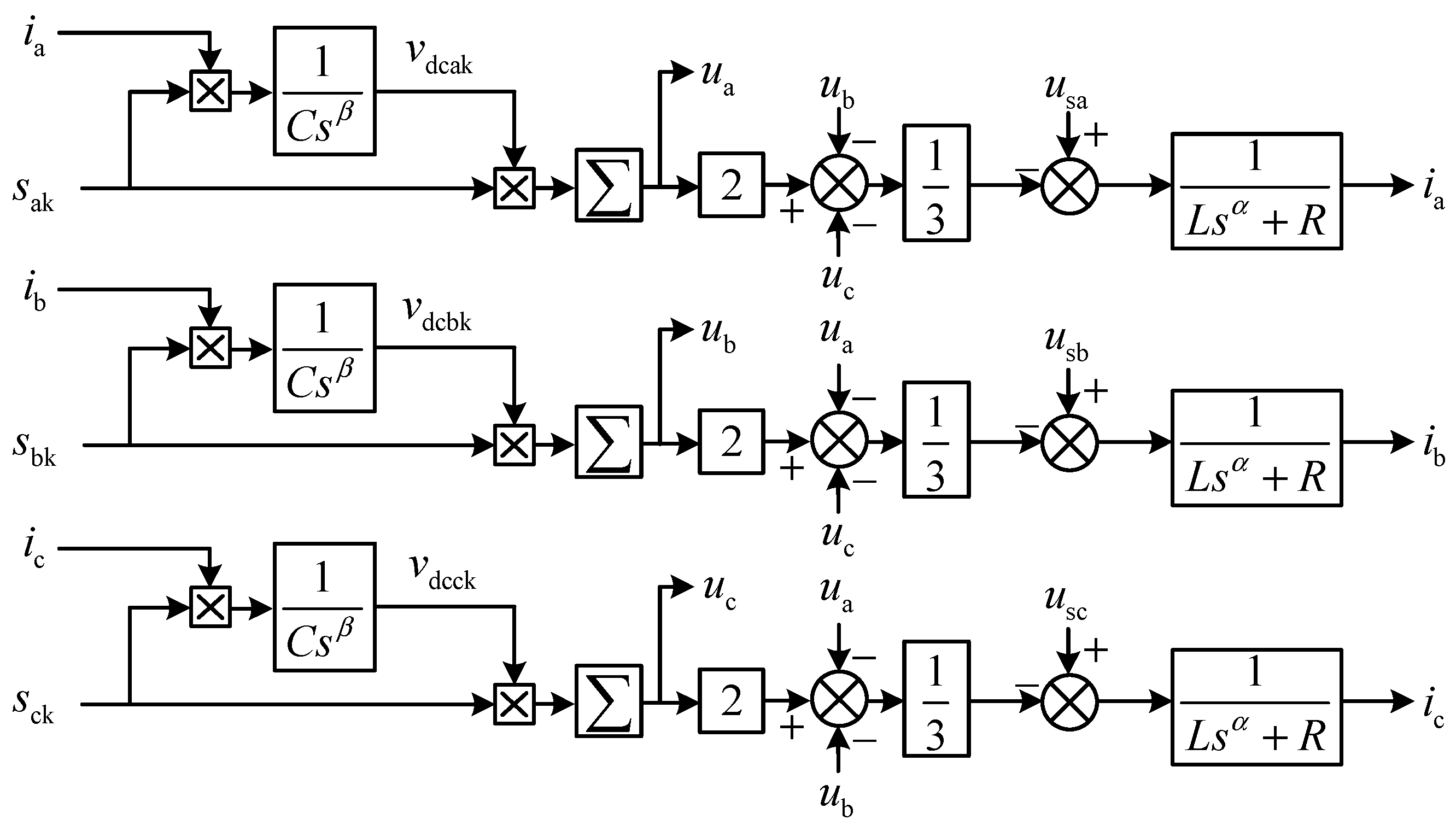
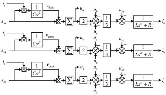
3.2. The Switching Function Model of the FCHM-STATCOM
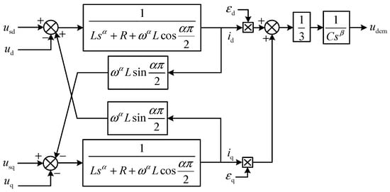
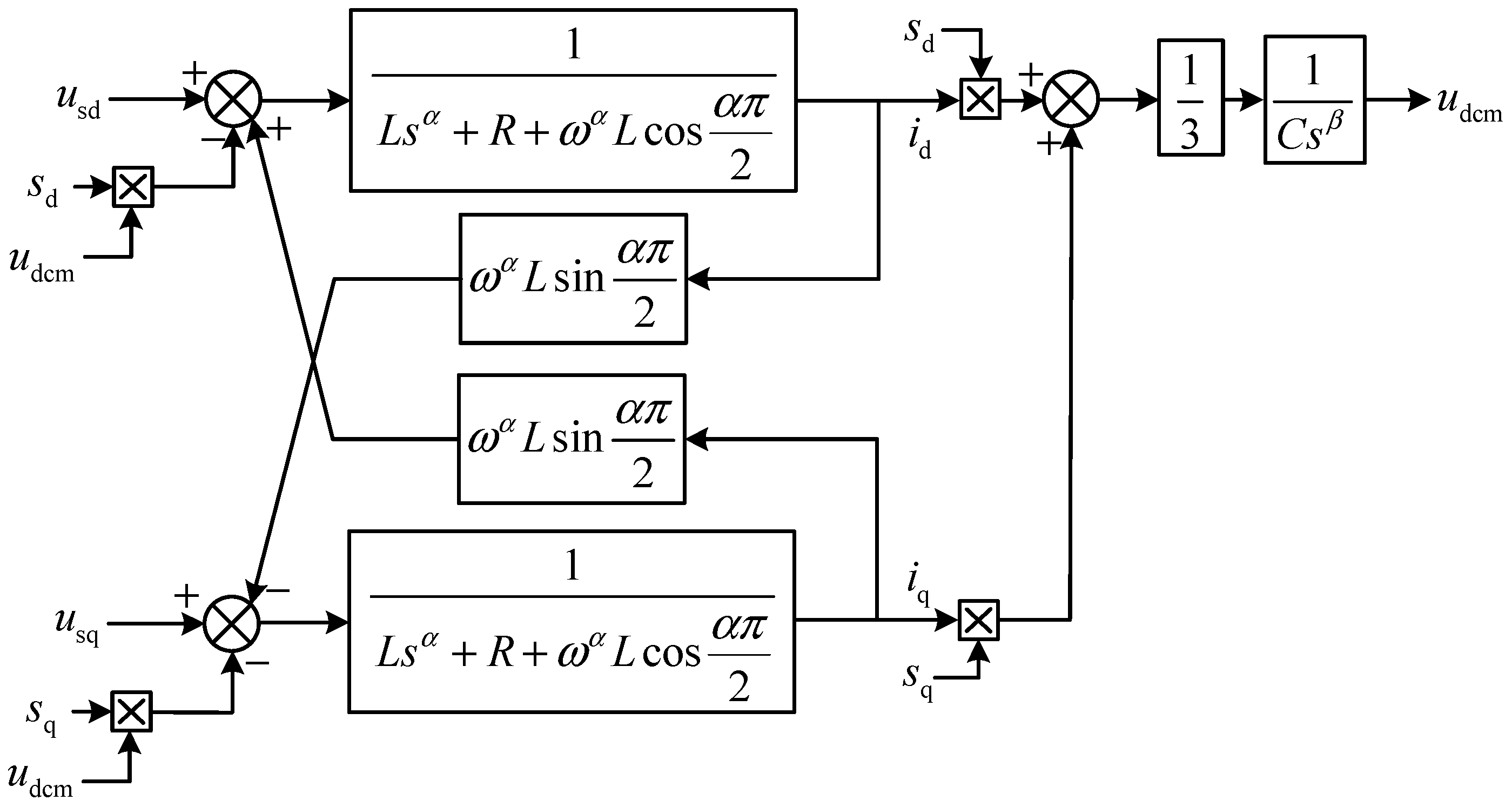
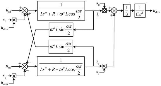
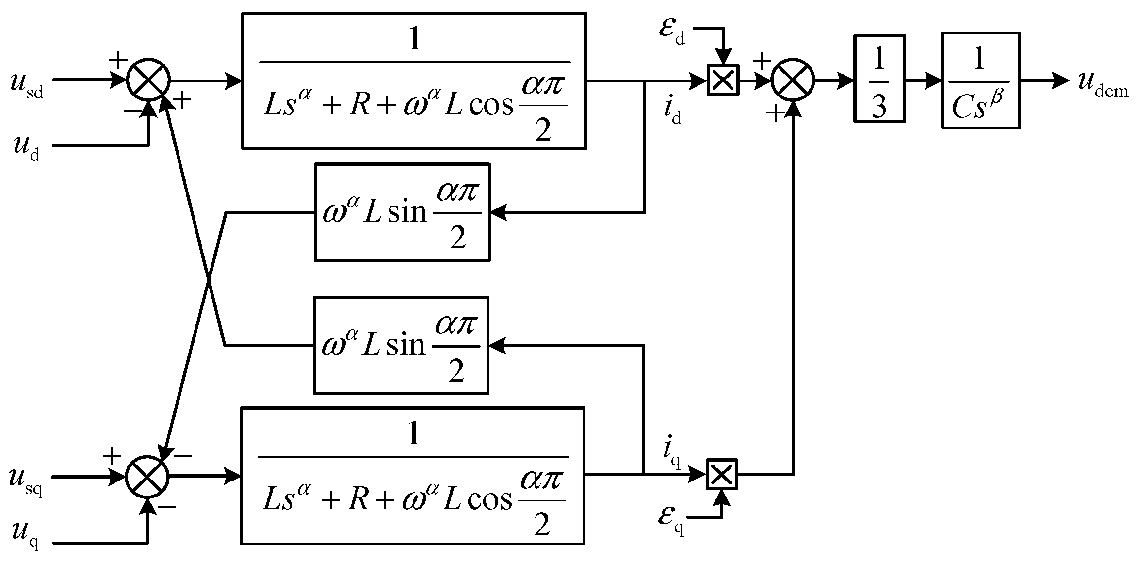
3.3. The Low-Frequency Dynamic Model of the FCHM-STATCOM
4. Fractional-Order Control Strategy of the FCHM-STATCOM
4.1. Current Inner Loop Design
4.2. Design of the Outer Voltage Loop and Reactive Power Outer Loop
5. Simulations and Analysis
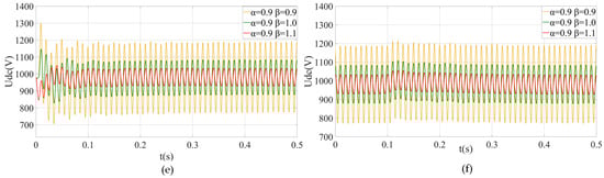
5.1. Simulation Scheme I
- (1)
- During the startup process and load disturbance process of the FCHM-STATCOM, as the order of capacitors increases, the settling time, steady-state value, and overshoot of Q and Ia remain essentially unchanged.
- (2)
- During the startup process and load disturbance process of the FCHM-STATCOM, as the order of capacitors increases, the settling time of Udc decreases, the overshoot decreases, the static error decreases, the ripple peak-to-peak value of Udc significantly decreases, and the total harmonic distortion (THD) of Ia significantly decreases.
5.2. Simulation Scheme II
- (1)
- During the start-up process of the FCHM-STATCOM, as the order of inductors increases, the steady-state value of Q remains essentially unchanged, while the overshoot and settling time increase. During the load disturbance process of the FCHM-STATCOM, as the order of inductors increases, the steady-state value, overshoot, and settling time of Q remain essentially unchanged.
- (2)
- During the start-up process of the FCHM-STATCOM, as the order of inductors increases, the static error and the overshoot of Ia decrease, the settling time of Ia slightly increases, the phase of Ia is delayed, and the total harmonic distortion (THD) of Ia decreases. During the load disturbance process of the FCHM-STATCOM, as the order of inductors increases, the static error, the overshoot, and the settling time of Ia increases, and the THD of Ia decreases.
- (3)
- During the start-up process of the FCHM-STATCOM, as the order of inductors increases, the static error, the overshoot, and the ripple peak-to-peak value of Udc decrease, and the settling time of Udc remains essentially unchanged. During the load disturbance process of the FCHM-STATCOM, as the order of inductors increases, the static error, the ripple peak-to-peak value, and the overshoot of Udc decrease, but the settling time of Udc remains essentially unchanged.
5.3. Simulation Scheme III
- (1)
- Faster reactive power response speed and lower overshoot.
- (2)
- The DC voltage response speed is faster, the overshoot is lower, the static error is minimized, and the steady-state ripple peak-to-peak is smaller, which lowers the requirement for the voltage withstand level of the DC-side capacitors.
- (3)
- The THD of the output current is lower and meets the standard of having a THD less than 4% for a 10 kV grid connection [32].
6. Conclusions
- (1)
- Employing a fractional-order model can more accurately describe the operational characteristics of the CHM-STATCOM. The integer-order model of the CHM-STATCOM is merely a special case of the fractional-order model, while the fractional-order model represents the general form of the CHM-STATCOM model. Simplifying the CHM-STATCOM into an integer-order model by neglecting the fractional-order properties of inductors and capacitors can lead to significant deviations in the established model.
- (2)
- Compared to the traditional integer-order models, the FCHM-STATCOM exhibits more flexible and diverse operational characteristics. By appropriately selecting the orders of the fractional-order capacitors and inductors, the FCHM-STATCOM can not only achieve superior dynamic and static performance but also provide the power system with reactive power support that is faster, contains fewer harmonics, and is of higher quality.
- (3)
- When the fractional-order inductor order remains constant, effectively modifying the order of the fractional-order capacitor within a certain range can significantly improve the dynamic and static characteristics on the DC side of the FCHM-STATCOM. Conversely, when the fractional-order capacitor order is held constant, and the order of the fractional-order inductor is varied within a certain range, it can effectively enhance the dynamic and static characteristics on the AC side of the FCHM-STATCOM. Additionally, changes in the fractional-order inductor order also exert a certain degree of influence on the dynamic and static characteristics of the DC side of the FCHM-STATCOM.
- (1)
- For the FCHM-STATCOM model established in this paper, further analysis of the design issues for the fractional-order controller needs to be conducted. Additionally, it is necessary to make a detailed comparison between the fractional-order controller and the integer-order controller.
- (2)
- Based on (1), it is necessary to develop four types of closed-loop systems: “integer-order system + integer-order control”, “integer-order system + fractional-order control”, “fractional-order system + integer-order control”, and “fractional-order system + fractional-order control”. Additionally, a further comprehensive analysis of the impact of fractional-order elements and fractional-order controllers on the FCHM-STATCOM system needs to be conducted.
Author Contributions
Funding
Data Availability Statement
Conflicts of Interest
Appendix A
| Characteristic | Electrical Symbols |
|---|---|
| AC component | |
| DC component | |
| Symbols before Applying Laplace Transform | Symbols after Applying Laplace Transform |
|---|---|
References
- Podlubny, I. Fractional Differential Equations; Academic: New York, NY, USA, 1999. [Google Scholar]
- Mandelbort, B.B. The Fractal Geometry of Nature; Macmillan: New York, NY, USA, 1983. [Google Scholar]
- Allagui, A.; Freeborn, T.J.; Elwakil, A.S.; Fouda, M.E.; Maundy, B.J.; Radwan, A.G.; Said, Z.; Abdelkareem, M.A. Review of fractional-order electrical characterization of supercapacitors. J. Power Sources 2018, 400, 457–467. [Google Scholar] [CrossRef]
- Chen, X.; Xi, L.; Zhang, Y.; Ma, H.; Huang, Y.; Chen, Y. Fractional techniques to characterize non-solid aluminum electrolytic capacitors for power electronic applications. Nonlinear Dyn. 2019, 98, 3125–3141. [Google Scholar] [CrossRef]
- Elwakil, A.S.; Allagui, A.; Freeborn, T.J.; Maundy, B.J. Further experimental evidence of the fractional-order energy equation in supercapacitors. AEU—Int. J. Electron. Commun. 2017, 78, 209–212. [Google Scholar] [CrossRef]
- Xu, J.; Zeng, E.; Li, X.; He, G.; Liu, W.; Meng, X. Fractional-Order LCL Filters: Principle, Frequency Characteristics, and Their Analysis. Fractal Fract. 2024, 8, 38. [Google Scholar] [CrossRef]
- Yu, D.; Liao, X.; Wang, Y. Modeling and Analysis of Caputo–Fabrizio Definition-Based Fractional-Order Boost Converter with Inductive Loads. Fractal Fract. 2024, 8, 81. [Google Scholar] [CrossRef]
- Qiu, B.; Wang, X. Fractional-Order Modeling and Control of Coupled Inductance Boost Converter. In Proceedings of the 2021 8th International Conference on Electrical and Electronics Engineering (ICEEE), Antalya, Turkey, 9–11 April 2021. [Google Scholar]
- Xu, J.; Li, X.; Meng, X.; Qin, J.; Liu, H. Modeling and analysis of a single-phase fractional-order voltage source pulse width modulation rectifier. J. Power Sources 2020, 479, 228821. [Google Scholar] [CrossRef]
- Xu, J.; Li, X.; Liu, H.; Meng, X. Fractional-order modeling and analysis of a Three-phase Voltage Source PWM Rectifier. IEEE Access 2020, 8, 13507–13515. [Google Scholar] [CrossRef]
- Li, X.; Hou, L.; Luo, X.; Xu, J. Research on Fractional Modeling And Controller Design of Three-Phase Inverter Grid-Connected System. Acta Energ. Solaris Sin. 2023, 44, 415–424. [Google Scholar]
- Freeborn, T.J.; Maundy, B.; Elwakil, A. Fractional resonance-based RLβCα filters. Math. Probl. Eng. 2013, 2013, 726721. [Google Scholar]
- Radwan, A.G.; Salama, K.N. Fractional-order RC and RL circuits. Circuits Syst. Signal Process. 2012, 31, 1901–1915. [Google Scholar] [CrossRef]
- Elwakil, A.S. Fractional-order circuits and systems: An emerging interdisciplinary research area. IEEE Circuits Syst. Mag. 2010, 10, 40–50. [Google Scholar] [CrossRef]
- Diao, L.; Zhang, X.; Chen, D. Fractional-order multiple RL alpha C beta circuit. Acta Phys. Sin. 2014, 63, 038401. [Google Scholar] [CrossRef]
- Li, Y.; Liu, H.; Chi, Y.; Fan, Y.; Li, X.; Cheng, F.; Wang, Z.; Wei, C.; Xie, L. Fault Ride-through Demand of Large-scale Islanded Renewable Energy Connected to VSC-HVDC System and Its Key Technologies. In Proceedings of the 2020 4th International Conference on HVDC (HVDC), Xi’an, China, 6–9 November 2020. [Google Scholar]
- Xu, Z.; Jin, Y.; Li, S.; Zhang, Z. Analysis and treatment of harmonic resonance amplification mechanism of AC grid-connected offshore wind farms. Autom. Electr. Power Syst. 2021, 45, 85–91. [Google Scholar]
- Kouro, S.; Leon, J.I.; Vinnikov, D.; Franquelo, L.G. Grid-Connected Photovoltaic Systems: An Overview of Recent Research and Emerging PV Converter Technology. IEEE Ind. Electron. Mag. 2015, 9, 47–61. [Google Scholar] [CrossRef]
- Kumar, N.; Wagh, P.; Kolhe, D.; Arane, P.; Kadlag, P. Power quality improvement in distributed energy resources for EV charging using STATCOM. In Proceedings of the 2022 1st International Conference on Sustainable Technology for Power and Energy Systems (STPES), Srinagar, India, 4–6 July 2022. [Google Scholar]
- Chavan, P.M.; Chavan, G.P. Interfacing of hybrid power system to grid using statcom & power quality improvement. In Proceedings of the 2017 International Conference on Information, Communication, Instrumentation and Control (ICICIC), Indore, India, 17–19 August 2017. [Google Scholar]
- Zheng, C.H.; Wu, X. Quasi Resonant Sliding Mode Perturbation Observer of STATCOM for Harmonic Mitigation in Offshore Wind Farm. Proc. CSEE 2024, 1–16. [Google Scholar]
- Zhang, M.; Wang, Q.; Li, G. Study on robust current and neutral-point potential control for the D-STATCOM based on NPC three-level inverter. Proc. CSEE 2016, 36, 3868–3878. [Google Scholar]
- Xiao, M.; Wang, F.; He, Z.; Ouyang, H.; Hao, R.; Xu, Q. Power Control and Fault Ride-Through Capability Analysis of Cascaded Star-Connected SVG under Asymmetrical Voltage Conditions. Energies 2019, 12, 2361. [Google Scholar] [CrossRef]
- Rodriguez, E.; Leyva, R.; Liu, Q.; Townsend, C.D.; Farivar, G.G.; Ceballos, S.; Pou, J. Enhancing inductive operation of low-capacitance cascaded H-bridge STATCOMs using optimal third-harmonic circulating current. IEEE Trans. Power Electron. 2021, 36, 10788–10800. [Google Scholar] [CrossRef]
- Pan, H.B.; Zhu, H.; Xiao, Z. A novel DC voltage and reactive power balance control strategy for cascaded H bridge rectifier. Proc. CSEE 2017, 37, 3565–3573. [Google Scholar]
- Bakas, P.; Harnefors, L.; Norrga, S.; Nami, A.; Ilves, K.; Dijkhuizen, F.; Nee, H.P. A review of hybrid topologies combining line-commutated and cascaded full-bridge converters. IEEE Trans. Power Electron. 2017, 32, 7435–7448. [Google Scholar] [CrossRef]
- Koteswara, R.D.; Umre, B.S.; Junghare, A.S.; Thakre, M.P.; Motamarri, R.; Somu, C. Fractional-order PI based STATCOM and UPFC controller to diminish sub-synchronous resonance. SpringerPlus 2016, 5, 1599. [Google Scholar] [CrossRef][Green Version]
- Ahmed, T.; Waqar, A.; Elavarasan, R.M.; Imtiaz, J.; Premkumar, M.; Subramaniam, U. Analysis of Fractional Order Sliding Mode Control in a D-STATCOM Integrated Power Distribution System. IEEE Access 2021, 9, 70337–70352. [Google Scholar] [CrossRef]
- Xue, D.Y. Fractional Calculus and Fractional-Order Control, 1st ed.; Science Press: Beijing, China, 2018. [Google Scholar]
- Oghorada, O.J.K.; Li, Z. Analysis of star and delta connected modular multilevel cascaded converter-based STATCOM for load unbalanced compensation. Int. J. Electr. Power Energy Syst. 2018, 95, 341–352. [Google Scholar] [CrossRef]
- Xue, D.Y. FOTF Toolbox. Available online: https://ww2.mathworks.cn/matlabcentral/fileexchange/60874-fotf-toolbox (accessed on 5 April 2024).
- Systems Aspects for Electrical Energy Supply GB/T 14549-1993; Quality of Electric Energy Supply—Harmonics Inpublic Supply Network. Standards Press of China: Beijing, China, 1993.














| Parameter | Value |
|---|---|
| Rated reactive power | 12 Mvar |
| Rated voltage | 10 kV |
| Grid frequency | 50 Hz |
| Cascaded number | 10 |
| DC side capacitor | 5800 |
| Initial DC voltage | 980 V |
| AC filter inductor | 6.2 mH |
| Soft start resistor | 300 |
| Loss simulation resistor | 0.5 |
| Controller Parameters | KP | KI | λ | References |
|---|---|---|---|---|
| Parameters of reactive power outer loop | 240 | 24,000 | 1.2 | 1 p.u. |
| Parameters of DC voltage outer loop | 980 | 9800 | 1.1 | 1 p.u. |
| Parameters of current inner loop | 280 | 2800 | 1.3 |
| Simulation Condition | Condition 1 | Condition 2 | Condition 3 |
|---|---|---|---|
| Order of inductors | 0.9 | 0.9 | 0.9 |
| Order of capacitors | 0.9 | 1.0 | 1.1 |
| Performance Indicator | Condition | Steady-State Value | Overshoot (%) | Settling Time (s) | Ripple Peak-to-Peak Value of Udc (V) | THD of Ia (%) |
|---|---|---|---|---|---|---|
| Q (Mvar) | Condition 1 | 12/12 | 8.7/0.29 | 0.0792/0.004 | — | — |
| Condition 2 | 12/12 | 8.7/0.28 | 0.07930.004 | — | — | |
| Condition 3 | 12/12 | 8.7/0.24 | 0.0792/0.004 | — | — | |
| Ia (A) | Condition 1 | 698/698 | 48.4/2.15 | 0.072/0.0186 | — | 0.68/0.69 |
| Condition 2 | 697/697 | 48.4/2.15 | 0.0775/0.0184 | — | 0.22/0.35 | |
| Condition 3 | 697/697 | 48.4/2.15 | 0.0793/0.0182 | — | 0.2/0.2 | |
| Udc (V) | Condition 1 | 990/990 | 7.7/2.4 | 0.183/0.139 | 412.74/412.74 | — |
| Condition 2 | 982.2/982.2 | 5.1/2.4 | 0.155/0.133 | 207.11/207.11 | — | |
| Condition 3 | 980.8/980.8 | 1.2/2.3 | 0.126/0.129 | 105.73/105.73 | — |
| Simulation Condition | Condition 1 | Condition 4 | Condition 5 |
|---|---|---|---|
| Order of inductors | 0.9 | 1.0 | 1.1 |
| Order of capacitors | 0.9 | 0.9 | 0.9 |
| Performance Indicator | Condition | Steady-State Value | Overshoot (%) | Settling Time (s) | Ripple Peak-to-Peak Value of Udc (V) | THD of Ia (%) |
|---|---|---|---|---|---|---|
| Q (Mvar) | Condition 1 | 12/12 | 8.7/0.29 | 0.0792/0.004 | — | — |
| Condition 4 | 12/12 | 12/0.3 | 0.08/0.004 | — | — | |
| Condition 5 | 12/12 | 13/0.43 | 0.0812/0.0035 | — | — | |
| Ia (A) | Condition 1 | 698/698 | 48.4/2.15 | 0.072/0.0186 | — | 0.68/0.69 |
| Condition 4 | 694.8/694.8 | 40.4/2.5 | 0.0793/0.0204 | — | 0.43/0.41 | |
| Condition 5 | 692.8/692.8 | 34/2.7 | 0.0792/0.0208 | — | 0.39/0.37 | |
| Udc (V) | Condition 1 | 990/990 | 7.7/2.4 | 0.183/0.139 | 412.74/412.74 | — |
| Condition 4 | 988.3/988.3 | 7/2.7 | 0.19/0.141 | 358.6/358.6 | — | |
| Condition 5 | 984.7/984.7 | 3/2.7 | 0.182/0.114 | 270.9/270.9 | — |
| Simulation Condition | Condition 3 | Condition 6 |
|---|---|---|
| Order of inductors | 0.9 | 1.0 |
| Order of capacitors | 1.1 | 1.0 |
| Performance Indicator | Condition | Steady-State Value | Overshoot (%) | Settling Time (s) | Ripple Peak-to-Peak Value of Udc (V) | THD of Ia (%) |
|---|---|---|---|---|---|---|
| Q (Mvar) | Condition 3 | 12/12 | 8.7/0.24 | 0.082/0.004 | — | — |
| Condition 6 | 12/12 | 12/0.3 | 0.0792/0.004 | — | — | |
| Ia (A) | Condition 3 | 697/697 | 48.4/2.15 | 0.072/0.0186 | — | 0.2/0.2 |
| Condition 6 | 693/693 | 35/2.4 | 0.0793/0.0182 | — | 0.28/0.27 | |
| Udc (V) | Condition 3 | 980.8/980.8 | 1.2/2.3 | 0.111/0.132 | 105.73/105.73 | — |
| Condition 6 | 982.1/982.1 | 18.5/2.3 | 0.095/0.115 | 152.3/152.3 | — |
Disclaimer/Publisher’s Note: The statements, opinions and data contained in all publications are solely those of the individual author(s) and contributor(s) and not of MDPI and/or the editor(s). MDPI and/or the editor(s) disclaim responsibility for any injury to people or property resulting from any ideas, methods, instructions or products referred to in the content. |
© 2024 by the authors. Licensee MDPI, Basel, Switzerland. This article is an open access article distributed under the terms and conditions of the Creative Commons Attribution (CC BY) license (https://creativecommons.org/licenses/by/4.0/).
Share and Cite
Xu, J.; Tang, S.; He, G.; Gong, Z.; Lin, G.; Liu, J. Modeling and Control Research of Fractional-Order Cascaded H-Bridge Multilevel STATCOM. Fractal Fract. 2024, 8, 392. https://doi.org/10.3390/fractalfract8070392
Xu J, Tang S, He G, Gong Z, Lin G, Liu J. Modeling and Control Research of Fractional-Order Cascaded H-Bridge Multilevel STATCOM. Fractal and Fractional. 2024; 8(7):392. https://doi.org/10.3390/fractalfract8070392
Chicago/Turabian StyleXu, Junhua, Songqin Tang, Guopeng He, Zheng Gong, Guangqing Lin, and Jiayu Liu. 2024. "Modeling and Control Research of Fractional-Order Cascaded H-Bridge Multilevel STATCOM" Fractal and Fractional 8, no. 7: 392. https://doi.org/10.3390/fractalfract8070392
APA StyleXu, J., Tang, S., He, G., Gong, Z., Lin, G., & Liu, J. (2024). Modeling and Control Research of Fractional-Order Cascaded H-Bridge Multilevel STATCOM. Fractal and Fractional, 8(7), 392. https://doi.org/10.3390/fractalfract8070392

