Innovative Modernization of Building Heating Systems: The Economy and Ecology of a Hybrid District-Heating Substation
Abstract
:1. Introduction
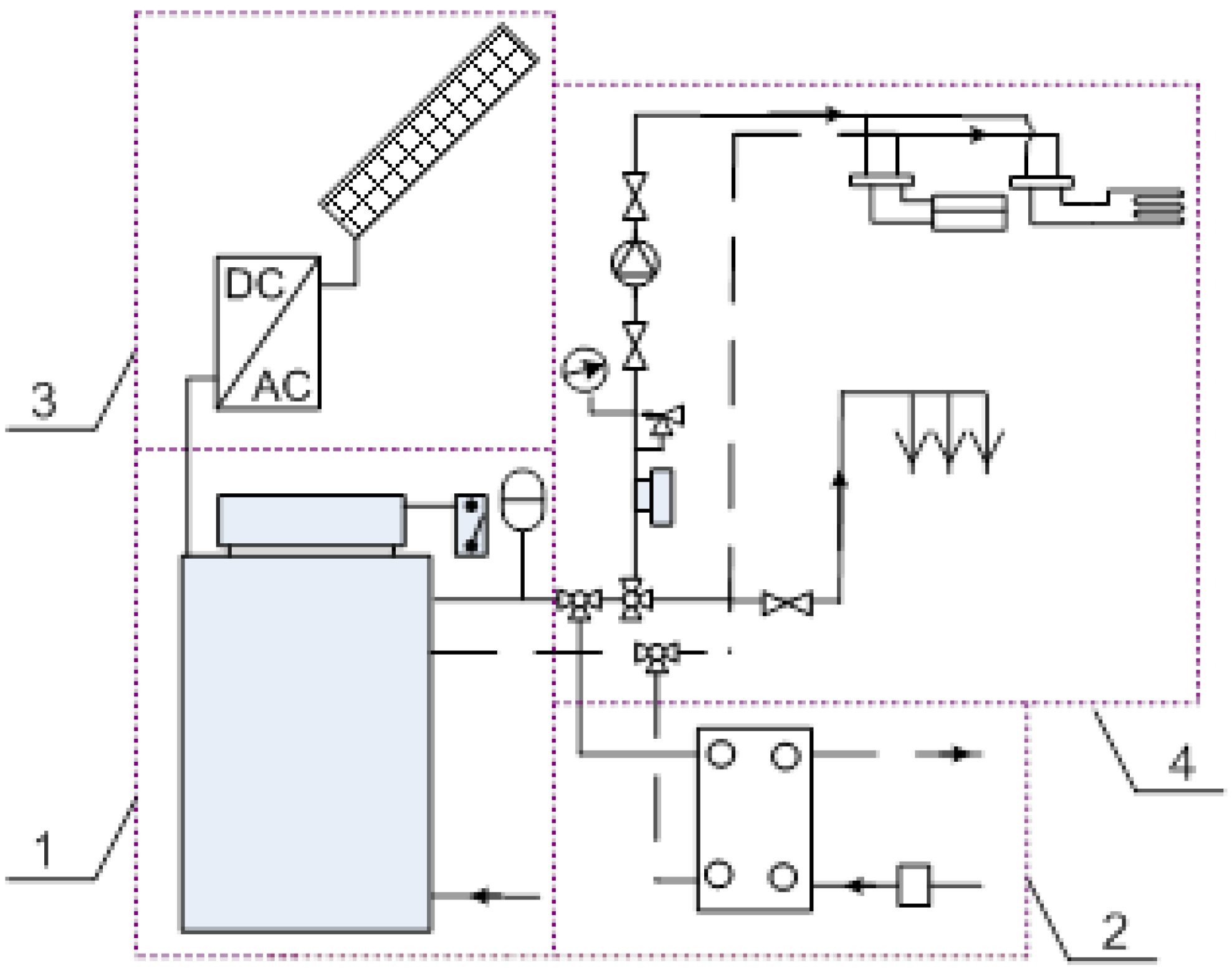
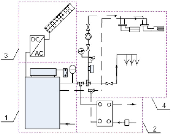
2. Materials and Methods
- Lowering the energy required to heat water for central heating and domestic hot water (10–25%);
- Reduction in heat loss (25%);
- Alteration or modernization of energy sources using renewable or cogeneration energy sources.
2.1. Economical Aspects
- If NPV < 0—the investment is not cost-ineffective (the project should be rejected);
- If NPV = 0—the investment is indifferent (the financial outlays and the current values of the monetary incomes are equal);
- If NPV > 0—the investment is economic (the project can be realized).
2.2. Ecological Aspects
2.3. Analyses
3. Results and Discussion
3.1. Economy
3.2. Ecology
4. Conclusions
Author Contributions
Funding
Data Availability Statement
Conflicts of Interest
References
- Lund, H.; Østergaard, P.A.; Nielsen, T.B.; Werner, S.; Thorsen, J.E.; Gudmundsson, O.; Arabkoohsar, A.; Mathiesen, B.V. Perspectives on fourth and fifth generation district heating. Energy 2020, 213, 119030. [Google Scholar] [CrossRef]
- Ziemele, J.; Kalnins, R.; Vigants, G.; Vigants, E.; Veidenbergs, I. Evaluation on industrial waste heat potential for its recovery and integration into a fourth generation district heating system. Energy Procedia 2018, 147, 315–321. [Google Scholar] [CrossRef]
- Li, H.; Nord, N. Transition to the 4th generation district heating-possibilities, bottlenecks, and challenges. Energy Procedia 2018, 149, 483–498. [Google Scholar] [CrossRef]
- Sorknaes, P.; Ostergaard, P.A.; Thellufsen, J.Z.; Lund, H.; Nielsen, S.; Djorup, S.; Sperling, K. The benefits of 4th generation district heating in a 100% renewable energy system. Energy 2020, 213, 119030. [Google Scholar] [CrossRef]
- Ostergaard, D.; Svendsen, S. Space heating with ultra-low-temperature district heating- a case study of four single-family houses from the 1980′s. Energy Procedia 2017, 116, 226–235. [Google Scholar] [CrossRef]
- Sayegh, M.A.; Danilewicz, J.; Nannou, T.; Miniewicz, M.; Jadwiszczak, P.; Piekarska, K.; Jouhara, H. Trends of European research and development in district heating technologies. Renew. Sustain. Energy Rev. 2017, 68, 1183–1192. [Google Scholar] [CrossRef]
- Announcement of the Minister of Infrastructure and Development of 17 July 2015 on the announcement of the uniform text of the Regulation of the Minister of Infrastructure on the technical conditions to be met by buildings and their location. J. Laws 2015, 1422.
- Jodeiri, A.M.; Goldsworthy, M.J.; Buffa, S.; Cozzini, M. Role of sustainable heat sources in transition towards fourth generation district heating—A review. Renew. Sustain. Energy Rev. 2022, 158, 112156. [Google Scholar] [CrossRef]
- Available online: https://www.iea.org/reports/global-energy-review-2021?mode=overview (accessed on 16 February 2022).
- Sayegh, M.A.; Jadwiszczak, P.; Axcell, B.P.; Niemierka, E.; Bry’s, K.; Jouhara, H. Heat pump placement, connection and operational modes in European district heating. Energy Build. 2018, 166, 122–144. [Google Scholar] [CrossRef]
- Lygnerud, K.; Ottosson, J.; Kensby, J.; Johansson, L. Business models combining heat pumps and district heating in buildingsgenerate cost and emission savings. Energy 2021, 234, 121202. [Google Scholar] [CrossRef]
- Hlimi, M.; Lebrouhi, B.E.; Belcaid, A.; Lamrani, B.; Balli, L.; Ndukwu, M.C.; El Rhafiki, T.; Kousksou, T. A numerical assessment of a latent heat storage system for district heating substations. J. Energy Storage 2023, 57, 106210. [Google Scholar] [CrossRef]
- Polish Monitor; Official Journal of the Republic of Poland: Warsaw, Poland, 2021. (In Polish)
- Available online: https://ios.edu.pl/aktualnosci/nowa-analiza-polska-net-zero-2050/ (accessed on 16 February 2022).
- Famiglietti, J.; Gerevini, L.; Spirito, G.; Pozzi, M.; Denarie, A.; Scoccia, R.; Motta, M. Environmental Life Cycle Assessment scenarios for a district heating network. An Italian case study. Energy Rep. 2021, 7, 368–379. [Google Scholar] [CrossRef]
- Garcia, N.P.; Zubi, G.; Pasaoglu, G.; Dufo-Lopez, R. Photovoltaic thermal hybrid solar collector and district heating configurations for a Central European multi-family house. Energy Convers. Manag. 2017, 148, 915–924. [Google Scholar] [CrossRef]
- Zanetti, E.; Aprile, M.; Kum, D.; Scoccia, R.; Motta, M. Energy saving potentials of a photovoltaic assisted heat pump for hybrid building heating system via optimal control. J. Build. Eng. 2020, 27, 100854. [Google Scholar] [CrossRef]
- Gustafsson, J.; Delsing, J.; van Deventer, J. Improved district heating substation efficiency with a new control strategy. Appl. Energy 2010, 87, 1996–2004. [Google Scholar] [CrossRef]
- Chatys, R.; Orman, Ł. Technology and properties of layered composites as coatings for heat transfer enhancement. Mech. Compos. Mater. 2017, 53, 351–360. [Google Scholar] [CrossRef]
- Dąbek, L.; Kapjor, A.; Orman, Ł.J. Distilled water and ethyl alcohol boiling heat transfer on selected meshed surfaces. Mech. Compos. Mater. 2019, 20, 701. [Google Scholar] [CrossRef]
- Kaduchová, K.; Lenhard, R. Numerical simulation of passive cooling beam and its optimization to increase the cooling power. Processes 2021, 9, 1478. [Google Scholar] [CrossRef]
- Klimko, M.; Lenhard, R.; Žitek, P.; Kaduchová, K. Experimental evaluation of axial reaction turbine stage bucket losses. Processes 2021, 9, 1816. [Google Scholar] [CrossRef]
- Ruokamo, E. Household preferences of hybrid home heating systems—A choice experiment application. Energy Policy 2016, 95, 224–237. [Google Scholar] [CrossRef]
- Act of 21 November 2008 on supporting thermal modernization and renovations. J. Laws 2021, 554. (In Polish)
- Ruparathna, R.; Hewage, K.; Sadiq, R. Economic evaluation of building energy retrofits: A fuzzy based approach. Energy Buildings 2017, 139, 395–406. [Google Scholar] [CrossRef]
- Calorific values and emission factors in 2019 to report in Emission Permissions Trade System in 2022: Wartości opałowe (WO) i wskaźniki emisji CO2 (WE) w roku 2019 do raportowania w Systemie Handlu Uprawnieniami do Emisji za rok 2022. (In Polish). Available online: https://kobize.pl/uploads/materialy/materialy_do_pobrania/monitorowanie_raportowanie_weryfikacja_emisji_w_eu_ets/WO_i_WE_do_monitorowania-ETS-2022.pdf (accessed on 28 January 2022).
- Available online: https://www.ekologia.pl/pogoda/polska/swietokrzyskie/kielce/archiwum (accessed on 16 February 2022).
- Available online: https://www.gov.pl/web/archiwum-inwestycje-rozwoj/dane-do-obliczen-energetycznych-budynkow (accessed on 16 February 2022).








| Fuel Type | Unit | SO2 | NOX | CO | CO2 | Particulates | Soot | Benzo(a)Pyrene (BaP) |
|---|---|---|---|---|---|---|---|---|
| Coal heating plant | kg/Mg | 0 | 0 | 0 | 93.49 | 0 | 0 | 0 |
| Electric energy | kg/kWh | 0.0091 | 0.0023 | 0.00069 | 1 | 0.0015 | 27 × 10−7 | 54 × 10−9 |
| Electric energy—PV System | kg/kWh | 0 | 0 | 0 | 0 | 0 | 0 | 0 |
| Options | Modernization |
|---|---|
| I heating | Air–water heat pumps (two units) cover the heat demand for central heating during the heating season. |
| II heating + bank credit + bonus | Air–water heat pumps (two units) cover the heat demand for central heating during the heating season. Costs are covered with bank credit. Part of the costs is covered with a thermomodernization bonus. |
| III heating + photovoltaics | Air–water heat pumps (two units) cover the heat demand for central heating during the heating season. The photovoltaic system powers the heat-pump compressors. |
| IV heating + photovoltaics + bank credit + bonus | Air–water heat pumps (two units) cover the heat demand for central heating during the heating season. Photovoltaic system powers the heat-pump compressors. Costs are covered with bank credit. Part of the costs is covered with a thermomodernization bonus. |
| V heating + domestic hot water + ventilation | Air–water heat pumps (five units) cover the heat demand for central heating during the heating season as well as the heat demand for domestic hot water and ventilation during the whole year. |
| VI heating + domestic hot water + ventilation + bank credit + bonus | Air–water heat pumps (five units) cover the heat demand for central heating during the heating season as well as the heat demand for domestic hot water and ventilation throughout the year. Costs are covered with bank credit. Part of the costs is covered with a thermomodernization bonus. |
| VII heating + domestic hot water + ventilation + photovoltaics | Air–water heat pumps (five units) cover the heat demand for central heating during the heating season as well as the heat demand for domestic hot water and ventilation throughout the year. The photovoltaic system powers the heat-pump compressors. |
| VIII heating + domestic hot water + ventilation + photovoltaics + bank credit + bonus | Air–water heat pumps (five units) cover the heat demand for central heating during the heating season as well as the heat demand for domestic hot water and ventilation throughout the year. The photovoltaic system powers the heat-pump compressors. Costs are covered with bank credit. Part of the costs is covered with a thermomodernization bonus. |
| Device | Characteristics | Cost | |
|---|---|---|---|
| Air–water heat pump | 20 kW power output | 62,500.00 PLN | 13,324EUR |
| Photovoltaic panel | 510 W power output | 1500.00 PLN | 320 EUR |
| Photovoltaic battery | 120 Ah capacity | 980.00 PLN | 209 EUR |
| Photovoltaic inverter | 10 kW power output | 3800.00 PLN | 810 EUR |
| Pollutants Emitted | Toxicity Index K | Emissions for Options, EE | ||||
|---|---|---|---|---|---|---|
| 0 | I/II | III/IV | V/VI | VII/VIII | ||
| Upgrading, kg/year | ||||||
| SO2 | 1.00 | 0.00 | 386.56 | 0.00 | 546.90 | 12.06 |
| NOX | 0.75 | 0.00 | 97.70 | 0.00 | 138.23 | 3.05 |
| Particulates | 0.75 | 0.00 | 63.72 | 0.00 | 90.15 | 1.99 |
| Soot | 3.75 | 0.00 | 0.11 | 0.00 | 0.16 | 0.004 |
| BaP | 30,000.0 | 0.00 | 0.002 | 0.00 | 0.003 | 0.000072 |
| Pollutants emitted | Toxicity index K | Equivalent emissions for options, Er | ||||
| 0 | I/II | III/IV | V/VI | VII/VIII | ||
| upgrading, kg/year | ||||||
| SO2 | 1.00 | 0.00 | 386.56 | 0.00 | 546.90 | 12.06 |
| NOX | 0.75 | 0.00 | 48.85 | 0.00 | 69.11 | 1.52 |
| Particulates | 0.75 | 0.00 | 31.86 | 0.00 | 45.07 | 0.99 |
| Soot | 3.75 | 0.00 | 0.29 | 0.00 | 0.41 | 0.009 |
| BaP | 30,000.0 | 0.00 | 45.88 | 0.00 | 64.91 | 1.43 |
| Total equivalent emissions | 0.00 | 513.44 | 0.00 | 726.41 | 16.01 | |
| Environmental effect for equivalent emissions, Ered, kg/year | −513.44 | 0.00 | −726.41 | −16.01 | ||
| Environmental effect for equivalent emissions, Ered, % | - | - | - | - | ||
Disclaimer/Publisher’s Note: The statements, opinions and data contained in all publications are solely those of the individual author(s) and contributor(s) and not of MDPI and/or the editor(s). MDPI and/or the editor(s) disclaim responsibility for any injury to people or property resulting from any ideas, methods, instructions or products referred to in the content. |
© 2023 by the authors. Licensee MDPI, Basel, Switzerland. This article is an open access article distributed under the terms and conditions of the Creative Commons Attribution (CC BY) license (https://creativecommons.org/licenses/by/4.0/).
Share and Cite
Stokowiec, K.; Wciślik, S.; Kotrys-Działak, D. Innovative Modernization of Building Heating Systems: The Economy and Ecology of a Hybrid District-Heating Substation. Inventions 2023, 8, 43. https://doi.org/10.3390/inventions8010043
Stokowiec K, Wciślik S, Kotrys-Działak D. Innovative Modernization of Building Heating Systems: The Economy and Ecology of a Hybrid District-Heating Substation. Inventions. 2023; 8(1):43. https://doi.org/10.3390/inventions8010043
Chicago/Turabian StyleStokowiec, Katarzyna, Sylwia Wciślik, and Dagmara Kotrys-Działak. 2023. "Innovative Modernization of Building Heating Systems: The Economy and Ecology of a Hybrid District-Heating Substation" Inventions 8, no. 1: 43. https://doi.org/10.3390/inventions8010043
APA StyleStokowiec, K., Wciślik, S., & Kotrys-Działak, D. (2023). Innovative Modernization of Building Heating Systems: The Economy and Ecology of a Hybrid District-Heating Substation. Inventions, 8(1), 43. https://doi.org/10.3390/inventions8010043

