Exploring Adhesive Performance in Horseshoe Bonding Through Advanced Mechanical and Numerical Analysis
Abstract
1. Introduction
2. Experimental Details
2.1. Materials
2.2. Specimen Manufacturing
2.2.1. Bulk Specimens
2.2.2. TAST Specimens
2.2.3. DCB Specimens
2.2.4. Horse Hoof Wall Adherends
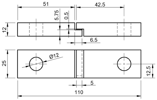
2.2.5. SLJ Specimens
- Similar SLJs
- Dissimilar SLJs
2.3. Testing Setup
2.3.1. Tensile Test
2.3.2. Thick Adherend Shear Test (TAST)
2.3.3. Double Cantilever Beam Test
- Data-Reduction Scheme
2.3.4. Single Lap Joints
3. Numerical Modelling
- Cohesive Damage Model
- Cohesive Parameters
4. Results and Discussion
4.1. Experimental Tests
4.1.1. Tensile Test
4.1.2. Thick Adherend Shear Test
4.1.3. DCB Test
4.1.4. Similar SLJ
4.1.5. Dissimilar SLJ
4.2. Numerical Validation
4.2.1. Mode I
4.2.2. Similar SLJ
5. Conclusions
Author Contributions
Funding
Institutional Review Board Statement
Data Availability Statement
Conflicts of Interest
References
- Karle, A.S.; Tank, P.H.; Vedpathak, H.S.; Mahida, H.K.; Shah, R.G.; Dhami, M.A. Horseshoeing: An Overview. Vet. World 2010, 3, 148–151. [Google Scholar]
- Williams, J.; Marlin, D. Foreword–Emerging issues in equestrian practice. Comp. Exerc. Physiol. 2020, 16, 1–4. [Google Scholar] [CrossRef]
- Back, W.; Pille, F. The role of the hoof and shoeing. In Equine Locomotion; Saunders Limited: Rider Boulevard Rhodes, NSW, Australia, 2013; pp. 147–174. [Google Scholar]
- Horan, K.; Kourdache, K.; Coburn, J.; Day, P.; Carnall, H.; Harborne, D.; Brinkley, L.; Hammond, L.; Millard, S.; Lancaster, B.; et al. The effect of horseshoes and surfaces on horse and jockey centre of mass displacements at gallop. PLoS ONE 2021, 16, e0257820. [Google Scholar] [CrossRef] [PubMed]
- Sprick, M.; Fürst, A.; Baschnagel, F.; Michel, S.; Piskoty, G.; Hartnack, S.; Jackson, M.A. The influence of aluminium, steel and polyurethane shoeing systems and of the unshod hoof on the injury risk of a horse kick: An ex vivo experimental study. Vet. Comp. Orthop. Traumatol. 2017, 30, 339–345. [Google Scholar] [CrossRef] [PubMed]
- Silva, L.F.M.; Öchsner, A.; Adams, R. Handbook of Adhesion Technology; Springer: Berlin/Heidelberg, German, 2018; Volume 1, ISBN 978-3-642-01168-9. [Google Scholar]
- Borges, C.S.P.; Akhavan-Safar, A.; Tsokanas, P.; Carbas, R.J.C.; Marques, E.A.S.; da Silva, L.F.M. From fundamental concepts to recent developments in the adhesive bonding technology: A general view. Discov Mech. Eng. 2023, 2, 8. [Google Scholar] [CrossRef]
- O’Grady, S.E. Basic Farriery for the Performance Horse. Vet. Clin. Equine Pract. 2008, 24, 203–218. [Google Scholar] [CrossRef]
- Lee, J.; Choi, Y. Development of Horseshoe With Carbon Fiber Reinforced Composite. Int. J. Adv. Res. Eng. Technol. 2020, 11, 53–58. [Google Scholar]
- Takahashi, Y.; Yoshihara, E.; Takahashi, T. Comparison of Heel Movement Between two Different Glue-on Type Shoes and Nailed Shoes in Thoroughbreds☆. J. Equine Vet. Sci. 2022, 113, 103939. [Google Scholar] [CrossRef]
- Poupard, D. Glue-on technology and an innovative new technique. In Proceedings of the AAEP Annual Convention, Baltimore, MD, USA, 8 December 2010; pp. 494–498. [Google Scholar]
- Yoshihara, E.; Takahashi, T.; Otsuka, N.; Isayama, T.; Tomiyama, T.; Hiraga, A.; Wada, S. Heel movement in horses: Comparison between glued and nailed horse shoes at different speeds. Equine Vet. J. 2010, 42, 431–435. [Google Scholar] [CrossRef] [PubMed]
- How to Remove Glushu Glue on Horse Shoes. Available online: https://www.glushu.com/removal (accessed on 13 November 2024).
- Huguet, E.E.; Duberstein, K.J. Effects of Steel and Aluminum Shoes on Forelimb Kinematics in Stock-Type Horses as Measured at the Trot. J. Equine Vet. Sci. 2012, 32, 262–267. [Google Scholar] [CrossRef]
- ASTM D412; Standard Test Methods for Vulcanized Rubber and Thermoplastic Elastomers-Tension. ASTM International: West Conshohocken, PA, USA, 2016.
- da Silva, L.F.M.; Dillard, D.A.; Blackman, B.R.K.; Adams, R.D. Testing Adhesive Joints: Best Practices; Wiley-VCH Verlag GmbH & Co. KGaA: Weinheim, Germany, 2012; ISBN 978-3-527-32904-5. [Google Scholar]
- ISO 11003-2:2019(E); Adhesives—Determination of Shear Behaviour of Structural Bonds, Part 2: Thick-Adherend Tensile-Test Method. International Organization for Standardization: Geneva, Switzerlan, 1993.
- ISO 25217:2009(E); Adhesives—Determination of the Mode 1 Adhesive Fracture Energy of Structural Adhesive Joints Using Double Cantilever Beam and Tapered Double Cantilever Beam Specimens. International Organization for Standardization: Geneva, Switzerlan, 2009.
- Kasapi, M.A.; Gosline, J.M. Strain-rate-dependent mechanical properties of the equine hoof wall. J. Exp. Biol. 1996, 199, 1133–1146. [Google Scholar] [CrossRef] [PubMed]
- Yang, Y.; Zhao, J.; Zhang, S.; Marques, E.; Carbas, R.; Machado, J.; da Silva, L. Determination of fracture toughness of an adhesive in civil engineering and interfacial damage analysis of carbon fiber reinforced polymer–steel structure bonded joints. Proc. Inst. Mech. Eng. Part L J. Mater. Des. Appl. 2021, 235, 2423–2440. [Google Scholar] [CrossRef]
- Sun, F.; Blackman, B.R.K. A DIC method to determine the Mode I energy release rate G, the J-integral and the traction-separation law simultaneously for adhesive joints. Eng. Fract. Mech. 2020, 234, 107097. [Google Scholar] [CrossRef]
- Abdel Monsef, S.; Pérez-Galmés, M.; Renart, J.; Turon, A.; Maimí, P. The influence of mode II test configuration on the cohesive law of bonded joints. Compos. Struct. 2020, 234, 111689. [Google Scholar] [CrossRef]
- Rice, J.R. A Path Independent Integral and the Approximate Analysis of Strain Concentration by Notches and Cracks. J. Appl. Mech. 1968, 35, 379–386. [Google Scholar] [CrossRef]
- Bucci, R.J.; Paris, P.C.; Landes, J.D.; Rice, J. J Integral Estimation Procedures. In Fracture Toughness: Part II; ASTM International: West Conshohocken, PA, USA, 1972; pp. 40–69. [Google Scholar] [CrossRef]
- Paris, A.J.; Paris, P.C. Instantaneous evaluation of J and C. Int. J. Fract. 1988, 38, R19–R21. [Google Scholar] [CrossRef]
- Akhavan-Safar, A.; Marques, E.A.S.; Carbas, R.J.C.; da Silva, L.F.M. Cohesive Zone Modelling-CZM. In Cohesive Zone Modelling for Fatigue Life Analysis of Adhesive Joints; Akhavan-Safar, A., Marques, E.A.S., Carbas, R.J.C., da Silva, L.F.M., Eds.; Springer International Publishing: Cham, Switzerland, 2022; pp. 19–42. ISBN 978-3-030-93142-1. [Google Scholar] [CrossRef]
- Pinto, A.M.G.; Magalhães, A.G.; Campilho, R.D.S.G.; de Moura, M.F.S.F.; Baptista, A.P.M. Single-Lap Joints of Similar and Dissimilar Adherends Bonded with an Acrylic Adhesive. J. Adhes. 2009, 85, 351–376. [Google Scholar] [CrossRef]





























| Property | Units | Adhesive A | Adhesive B |
|---|---|---|---|
| Young’s modulus, E | MPa | 572 ± 38 | 639 ± 68 |
| - | 0.30 ± 0.01 | 0.34 ± 0.03 | |
| MPa | 12.5 ± 0.7 | 11.5 ± 0.7 | |
| % | 85.0 ± 7.9 | 64.6 ± 6.0 |
| Property | Units | Adhesive A | Adhesive B |
|---|---|---|---|
| Shear modulus, G | MPa | 211 ± 17 | 235 ± 63 |
| MPa | 9.0 ± 0.2 | 8.8 ± 0.4 | |
| % | 61.8 ± 7.6 | 68.4 ± 6.9 |
| Property | Units | Adhesive A | Adhesive B |
|---|---|---|---|
| Young’s modulus, E | MPa | 572 ± 38 | 639 ± 68 |
| - | 0.30 ± 0.01 | 0.34 ± 0.03 | |
| MPa | 12.5 ± 0.7 | 11.5 ± 0.7 | |
| % | 85.0 ± 7.9 | 64.6 ± 6.0 | |
| Shear modulus, G | MPa | 211 ± 17 | 235 ± 63 |
| MPa | 9.0 ± 0.2 | 8.8 ± 0.4 | |
| % | 61.8 ± 7.6 | 68.4 ± 6.9 | |
| N/mm | 1.3 ± 0.07 | 1.24 ± 0.15 | |
| N/mm | 6.0 | 6.0 |
Disclaimer/Publisher’s Note: The statements, opinions and data contained in all publications are solely those of the individual author(s) and contributor(s) and not of MDPI and/or the editor(s). MDPI and/or the editor(s) disclaim responsibility for any injury to people or property resulting from any ideas, methods, instructions or products referred to in the content. |
© 2024 by the authors. Licensee MDPI, Basel, Switzerland. This article is an open access article distributed under the terms and conditions of the Creative Commons Attribution (CC BY) license (https://creativecommons.org/licenses/by/4.0/).
Share and Cite
Ferreira, C.M.C.; Simões, B.D.; Marques, E.A.S.; Carbas, R.J.C.; da Silva, L.F.M. Exploring Adhesive Performance in Horseshoe Bonding Through Advanced Mechanical and Numerical Analysis. Biomimetics 2025, 10, 2. https://doi.org/10.3390/biomimetics10010002
Ferreira CMC, Simões BD, Marques EAS, Carbas RJC, da Silva LFM. Exploring Adhesive Performance in Horseshoe Bonding Through Advanced Mechanical and Numerical Analysis. Biomimetics. 2025; 10(1):2. https://doi.org/10.3390/biomimetics10010002
Chicago/Turabian StyleFerreira, C. M. C., B. D. Simões, E. A. S. Marques, R. J. C. Carbas, and L. F. M. da Silva. 2025. "Exploring Adhesive Performance in Horseshoe Bonding Through Advanced Mechanical and Numerical Analysis" Biomimetics 10, no. 1: 2. https://doi.org/10.3390/biomimetics10010002
APA StyleFerreira, C. M. C., Simões, B. D., Marques, E. A. S., Carbas, R. J. C., & da Silva, L. F. M. (2025). Exploring Adhesive Performance in Horseshoe Bonding Through Advanced Mechanical and Numerical Analysis. Biomimetics, 10(1), 2. https://doi.org/10.3390/biomimetics10010002

