Ways to Ensure Parallel Operation of Vanadium Flow Batteries to Create High Power Energy Storage Systems
Abstract
:1. Introduction
2. Materials and Methods
2.1. Flow Stack Test Bench
2.2. Test Bench for Two Flow Stacks
3. Results
3.1. Single Flow Stack Tests
3.2. Two Flow Stack Tests
- Stack internal resistance. The resistances may differ due to the imperfection of the design and electrochemical parameters of the stacks (thickness and dimensions, density and structure of the electrodes, etc.). During the stack operation, a change in the internal resistance and a decrease in the efficiency of their work may be observed due to the influence of the membrane and/or electrodes [13,24]. The degree of influence depends on the number of hours of operation, charge–discharge cycles and their operating conditions.
- Electrolyte pumping speed. In the presence of a single hydrodynamic system for both stacks, it is difficult to maintain the same rate of electrolyte pumping, caused by the impossibility of fine manual adjustment.
4. Discussion
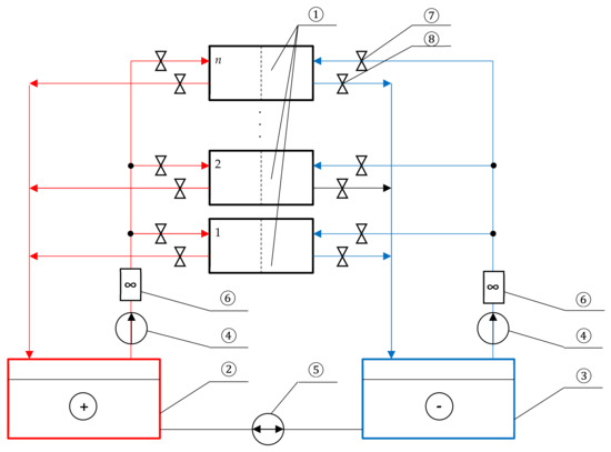
4.1. Unified Hydrodynamic Electrolyte Supply System
- All stacks except one are disconnected from the electrolyte supply system using shut-off valves 7.
- The pumping speed is adjusted using inlet valve 7 and by controlling the flow rate using sensor 6. When the required speed is reached, output valve 8 is closed.
- Adjustment is made for the next stack. Step 2 is repeated as many times as needed.
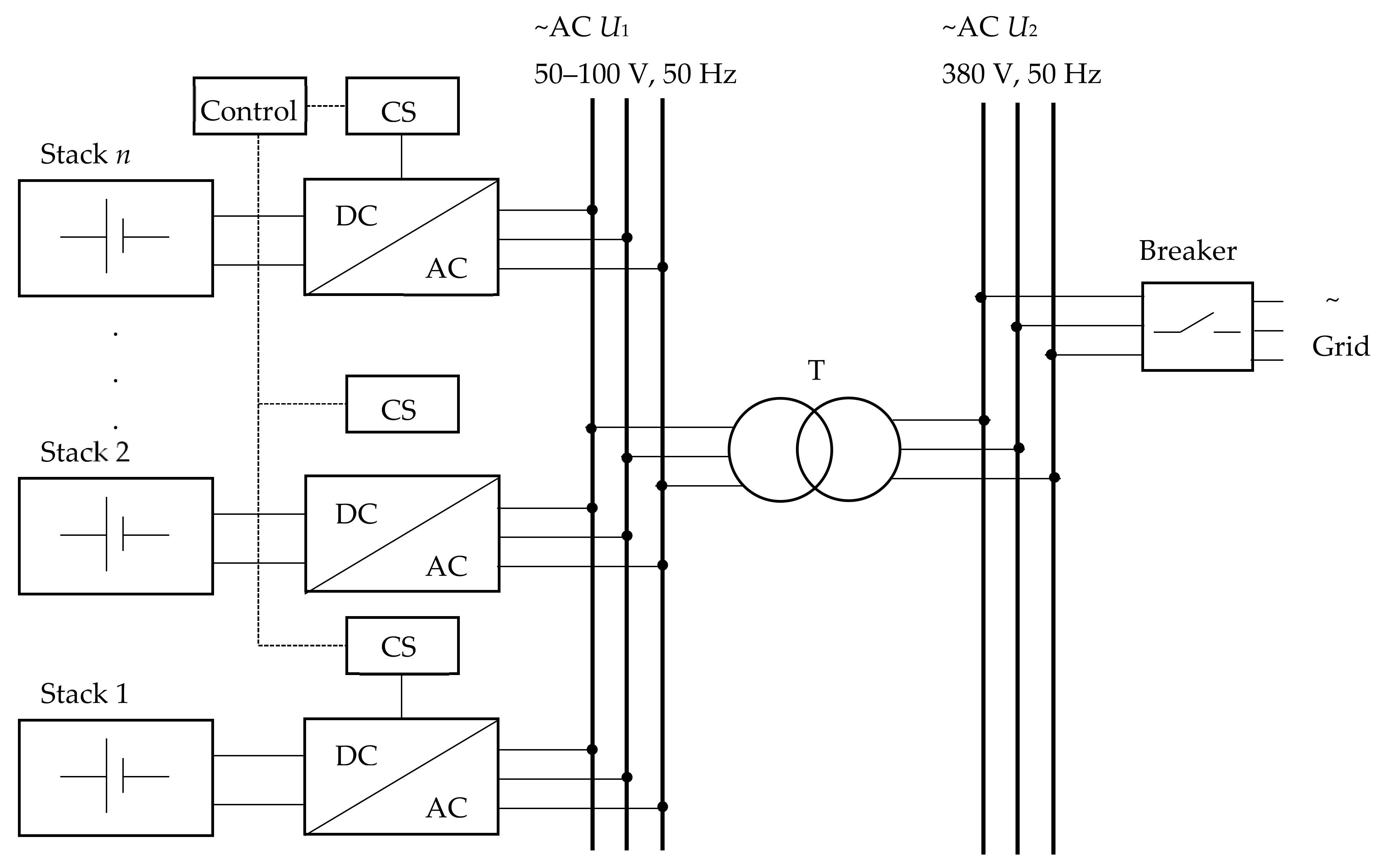
4.2. Electrical Circuit for VRB Parallel Operation
5. Conclusions
Author Contributions
Funding
Institutional Review Board Statement
Conflicts of Interest
References
- Alotto, P.; Guarnieri, M.; Moro, F. Redox flow batteries for the storage of renewable energy: A review. Renew. Sustain. Energy Rev. 2014, 29, 325–335. [Google Scholar] [CrossRef]
- Duraman, N.P.H.; Lim, K.L.; Chan, S.L.I. Batteries for remote area power (RAP) supply systems. In Advances in Batteries for Medium and Large-Scale Energy Storage, Types and Applications; Series in Energy; Woodhead Publishing: Sawston, UK, 2015; pp. 563–586. [Google Scholar] [CrossRef]
- Nordling, A.; Englund, R.; Hembjer, A.; Mannberg, A. Energy Storage: Electricity Storage Technologies; IVA’s Electricity Crossroads Project; Royal Swedish Academy of Engineering Sciences: Stockholm, Sweden, 2016. [Google Scholar]
- Mostert, C.; Ostrander, B.; Bringezu, S.; Kneiske, T.M. Comparing electrical energy storage technologies regarding their material and carbon footprint. Energies 2018, 11, 3386. [Google Scholar] [CrossRef]
- Weber, A.Z.; Mench, M.M.; Meyers, J.P.; Ross, P.N.; Gostick, J.T.; Liu, Q. Redox flow batteries: A review. J. Appl. Electrochem. 2011, 41, 1137. [Google Scholar] [CrossRef]
- Skyllas-Kazacos, M.; Chakrabarti, M.H.; Hajimolana, S.A.; Mjalli, F.S.; Saleem, M. Progress in flow battery research and development. J. Electrochem. Soc. 2011, 158, R55–R79. [Google Scholar] [CrossRef]
- Skyllas-Kazacos, M.; McCann, J.F. Vanadium redox flow batteries (VRBs) for medium- and large-scale energy storage. In Advances in Batteries for Medium- and Large-Scale Energy Storage. Types and Applications; Series in Energy; Woodhead Publishing: Cambridge, UK, 2015; pp. 329–386. [Google Scholar] [CrossRef]
- Skyllas-Kazacos, M.; Menictas, C.; Lim, T. Redox flow batteries for medium- to large-scale energy storage. In Electricity Transmission, Distribution and Storage Systems; Series in Energy; Woodhead Publishing: Cambridge, UK, 2013; pp. 398–441. [Google Scholar] [CrossRef]
- Chen, N.; Zhang, H.; Luo, X.-D.; Sun, C.-Y. SiO2-decorated graphite felt electrode by silicic acid etching for iron-chromium redox flow battery. Electrochim. Acta 2022, 336, 135646. [Google Scholar] [CrossRef]
- Luo, Q.; Li, L.; Wang, W.; Nie, Z.; Wei, X.; Li, B.; Chen, B.; Yang, Z.; Sprenkle, V. Capacity decay and remediation of Nafion-based all-vanadium redox flow batteries. ChemSusChem 2013, 6, 268–274. [Google Scholar] [CrossRef] [PubMed]
- Di Noto, V.; Vezzù, K.; Crivellaro, G.; Pagot, G.; Sun, C.; Meda, L.; Rutkowska, I.A.; Kulesza, P.J.; Zawodzinski, T.A. A general electrochemical formalism for vanadium redox flow batteries. Electrochim. Acta 2022, 408, 139937. [Google Scholar] [CrossRef]
- Sun, C.; Negro, E.; Nale, A.; Pagot, G.; Vezzù, K.; Zawodzinski, T.A.; Meda, L.; Gambaro, C.; Di Noto, V. An efficient barrier toward vanadium crossover in redox flow batteries: The bilayer [Nafion/(WO3)x] hybrid inorganic-organic membrane. Electrochim. Acta 2021, 378, 138133. [Google Scholar] [CrossRef]
- Zhang, D.; Xu, Z.; Zhang, X.; Zhao, L.; Zhao, Y.; Wang, S.; Liu, W.; Che, X.; Yang, J.; Liu, J.; et al. Oriented proton-conductive nanochannels boosting a highly conductive proton-exchange membrane for a vanadium redox flow battery. ACS Appl. Mater. Interfaces 2021, 13, 4051–4061. [Google Scholar] [CrossRef] [PubMed]
- U.S. Department of Energy. Available online: https://www.energy.gov/ (accessed on 9 June 2022).
- Sánchez-Díez, E.; Ventosa, E.; Guarnieri, M.; Trovò, A.; Flox, C.; Marcilla, R.; Soavi, F.; Mazúr, P.; Aranzabe, E.; Ferret, R. Redox flow batteries: Status and perspective towards sustainable stationary energy storage. J. Power Sources 2021, 481, 228804. [Google Scholar] [CrossRef]
- Vazquez, S.; Lukic, S.M.; Galvan, E.; Franquelo, L.G.; Carrasco, J.M. Energy storage systems for transport and grid applications. IEEE Trans. Ind. Electron. 2010, 57, 3881–3895. [Google Scholar] [CrossRef]
- Tao, H.; Duarte, J.L.; Hendrix, M.A.M. Multiport converters for hybrid power sources. In Proceedings of the 2008 IEEE Power Electronics Specialists Conference, Rhodes, Greece, 15–19 June 2008. [Google Scholar] [CrossRef]
- Wu, C.-C.; Chen, T.-L. Design and experiment of a power sharing control circuit for parallel fuel cell modules. Energies 2020, 13, 2838. [Google Scholar] [CrossRef]
- Müller, B. Electricity on tap. Fraunhofer Magazine, 1 October 2010; 14–15. [Google Scholar]
- Chirkin, V.G.; Khripach, N.A.; Shustrov, F.A.; Tatarnikov, A.P. Review on DC-DC power converter topologies and control technics for hybrid storage systems. Int. J. Mech. Eng. Technol. 2018, 9, 985–992. [Google Scholar]
- Zhang, Z.H.; Wei, L.; Wu, M.C.; Bai, B.F.; Zhao, T.S. Chloride ions as an electrolyte additive for high performance vanadium redox flow batteries. Appl. Energy 2021, 289, 116690. [Google Scholar] [CrossRef]
- Carvalho, W.M.; Cassayre, L.; Quaranta, D.; Chauvet, F.; El-Hage, R.; Tzedakis, T.; Biscans, B. Stability of highly supersaturated vanadium electrolyte solution and characterization of precipitated phases for vanadium redox flow battery. J. Energy Chem. 2021, 61, 436–445. [Google Scholar] [CrossRef]
- Kuzmin, I.; Loskutov, A.; Osetrov, E.; Kurkin, A. Source for autonomous power supply system based on flow battery. Energies 2022, 15, 3027. [Google Scholar] [CrossRef]
- Nibel, O.; Taylor, S.M.; Patru, A.; Fabbri, E.; Gubler, L.; Schmidt, T.J. Performance of different carbon electrode materials: Insights into stability and degradation under real vanadium redox flow battery operating conditions. J. Electrochem. Soc. 2017, 164, A1608–A1615. [Google Scholar] [CrossRef]











| Technology | Rated Power, MW | Usage Time | Self-Discharge, % per Day | Gravimetric Energy Density, Wh/kg | Volumetric Energy Density, Wh/L | Power Density, W/kg | Efficiency, % | Lifetime, Cycles (No Less Than) |
|---|---|---|---|---|---|---|---|---|
| Electrochemical | ||||||||
| Lead acid | 0.001–50 | s–3 h | 0.1–0.8 | 30–50 | 50–80 | 75–300 | 70–90 | 500–1200 |
| Lithium-ion | 0.1–100 | min–h | 0.1–0.3 | 75–270 | 200–600 | 100–10,000 | 85–98 | 1000–25,000 |
| Nickel cadmium | 0.1–50 | min–h | 0.2–1 | 50–75 | 60–150 | 150–230 | 60–90 | 1000–2500 |
| Nickel metal hydride | 0.01–1 | min–h | 0.5–1 | 40–110 | 220–428 | 250–2000 | 50–80 | 200–1500 |
| Sodium sulfur battery (NaS) | 0.05–100 | s–h | 0.05 | 150–300 | 150–300 | 150–230 | 70–90 | 2000–5000 |
| Vanadium redox flow battery | 0.1–200 | s–10 h | 0.06 | 10–75 | 20–70 | 80–150 | 60–90 | 12,000–14,000 |
| Zinc bromine flow battery | up to 1 | s–10 h | 0.06 | 60–85 | 30–65 | 50–150 | 75–80 | 2000 |
| Electrical | ||||||||
| Supercapacitor (SC) | 0.01–1 | ms–s | 2–4 | 1.5–110 | 40–100 | 40,000–120,000 | 80–98 | 10,000–100,000 |
| Superconducting magnetic energy storage (SMES) | 0.001–10 | s | 0 | 1–60 | up to 10 | (10,000–100,000) × 103 | 80–95 | 100,000 |
| Mechanical | ||||||||
| Hydro-pumped storage (HPS) | 20–5000 | 1–24 h | 0–0.5 | 0.3 | 0.2–2 | 0.1–0.2 | 70–85 | 30–60 years |
| Compressed air energy storage (CAES) | 10–1000 | 1–24 h | 0–10 | 10–30 | 0.5–0.8 (at 60 bar) | 0.2–0.6 | 40–75 | 20–40 years |
| Flywheel energy storage (FES) | 0.002–400 | s–min | 1.3–100 | 5–200 | 1000–5000 | 70–95 | 20,000–100,000 | |
| Chemical | ||||||||
| Hydrogen (H2) | 0.01–1000 | s–months | 0–4 | - | 600 | 0.2–20 | 25–82 | 5–10 years |
| Synthetic natural gas (SNG) | 50–1000 | s–months | 0–1 | - | 1800 | 0.2–2 | 25–56 | 30 years |
| Model | Country | Company | Power, MW | Capacity, MWh | Lifetime, Cycles (No Less Than) |
|---|---|---|---|---|---|
| 2015 Uni.System™ (AC) | USA | UniEnergy Technologies, LLC | 0.6 | 2.2 | 12,000 |
| VNX1000-10 | USA | Vionx Energy Corporation | 1 | 10 | 20 years |
| GEC-VFB-10kW30kWh | China | Golden Energy Century Ltd. | 0.01 | 0.03 | 20,000 |
| Vpower1 | China | Rongke Power Co., Ltd. | 0.5 | 2 | 10,000 |
| Parameter | Value, Unit |
|---|---|
| Main pumps maximum performance | 4 m3/h |
| Balancing pump performance | 20 L/h |
| Range of electrolyte flow rates | 1 … 2.5 m3/h |
| Electrolyte pressure measurement range at stack inlet | 0.1 … 100 kPa ± 3% |
| Operating pressure range in tanks | −7.5 … +7.5 kPa |
| Volume of tanks with electrolyte | 1 m3 |
| Parameter | Value, Unit |
|---|---|
| Discharge current | 100 A |
| Pressure (−) | 36 kPa |
| Pressure (+) | 43 kPa |
| Electrolyte is charged up to | 40 A |
| Charge of stack #1, U1 | 53.42 V |
| Charge of stack #2, U2 | 53.18 V |
Publisher’s Note: MDPI stays neutral with regard to jurisdictional claims in published maps and institutional affiliations. |
© 2022 by the authors. Licensee MDPI, Basel, Switzerland. This article is an open access article distributed under the terms and conditions of the Creative Commons Attribution (CC BY) license (https://creativecommons.org/licenses/by/4.0/).
Share and Cite
Loskutov, A.; Kurkin, A.; Kuzmin, I.; Lipuzhin, I. Ways to Ensure Parallel Operation of Vanadium Flow Batteries to Create High Power Energy Storage Systems. Batteries 2022, 8, 120. https://doi.org/10.3390/batteries8090120
Loskutov A, Kurkin A, Kuzmin I, Lipuzhin I. Ways to Ensure Parallel Operation of Vanadium Flow Batteries to Create High Power Energy Storage Systems. Batteries. 2022; 8(9):120. https://doi.org/10.3390/batteries8090120
Chicago/Turabian StyleLoskutov, Alexey, Andrey Kurkin, Ivan Kuzmin, and Ivan Lipuzhin. 2022. "Ways to Ensure Parallel Operation of Vanadium Flow Batteries to Create High Power Energy Storage Systems" Batteries 8, no. 9: 120. https://doi.org/10.3390/batteries8090120
APA StyleLoskutov, A., Kurkin, A., Kuzmin, I., & Lipuzhin, I. (2022). Ways to Ensure Parallel Operation of Vanadium Flow Batteries to Create High Power Energy Storage Systems. Batteries, 8(9), 120. https://doi.org/10.3390/batteries8090120

