Abstract
The legal cannabis market worldwide is facing new challenges regarding innovation in the production of cannabinoid-based drugs. The usual cannabinoid production involves growing Cannabis sativa L. outdoor or in dedicated indoor growing facilities, followed by isolation and purification steps. This process is limited by the growth cycles of the plant, where the cannabinoid content can deeply vary from each harvest. A game change approach that does not involve growing a single plant has gained the attention of the industry: cannabinoids fermentation. From recombinant yeasts and bacteria, researchers are able to reproduce the biosynthetic pathway to generate cannabinoids, such as (-)-Δ9-tetrahydrocannabinol (Δ9-THC), cannabidiol (CBD), and (-)-Δ9-tetrahydrocannabivarin (Δ9-THCV). This approach avoids pesticides, and natural resources such as water, land, and energy are reduced. Compared to growing cannabis, fermentation is a much faster process, although its limitation regarding the phytochemical broad range of molecules naturally present in cannabis. So far, there is not a consolidated process for this brand-new approach, being an emerging and promising concept for countries in which cultivation of Cannabis sativa L. is illegal. This survey discusses the techniques and microorganisms already established to accomplish the task and those yet in seeing for the future, exploring upsides and limitations about metabolic pathways, toxicity, and downstream recovery of cannabinoids throughout heterologous production. Therapeutic potential applications of cannabinoids and in silico methodology toward optimization of metabolic pathways are also explored. Moreover, conceptual downstream analysis is proposed to illustrate the recovery and purification of cannabinoids through the fermentation process, and a patent landscape is presented to provide the state-of-the-art of the transfer of knowledge from the scientific sphere to the industrial application.
1. Introduction
The global cannabis and cannabinoids market has undergone a great increase in recent years with legalization for medical and recreational purposes in different U.S. states and countries. In 1996, California (CA) was the first U.S. state to legalize medical cannabis use [1]. Five years later, Canada was the first country in the modern era to legalize medical cannabis nationwide, establishing public policies that became a reference in this subject [2]. The recreational use of cannabis was not accepted in the USA until 2012 when Washington (WA) [3] and Colorado (CO) [4] passed a ballot initiative for this purpose. In a global scenario, Uruguay was the first country to legalize the recreational use of cannabis nationwide in 2013 [5], followed by Canada in 2018 [6].
Although the global cannabidiol (CBD) market has been valued at US$2.8 billion in 2020 and has a compound annual growth rate (CAGR) of 21.2% projected to 2028 [7], its commercialization is still restrictive. Furthermore, the usual cannabinoid production is attached with the agricultural process of growing Cannabis sativa L., either in outdoor fields or in dedicated indoor growing facilities. The flowers are harvested and the active compounds are isolated through chemical (e.g., extraction with ethanol, ethyl acetate, butane, and CO2) or physical (such as heated press) processes to take cannabinoids out of the vegetal biomass [8].
The agriculture-based process requires a significant amount of energy, especially light, and chemical fertilizers. As with any agricultural commodity, it is limited by the slow growth cycles of the plant, where the cannabinoid content can vary from one cycle to another, and are susceptible to pests, weather, and environmental specificities [9]. As a matter of fact, environmental conditions play an important role in mineral nutrient availability, affecting secondary metabolites’ final concentration in plants. The work of Shiponi and Bernstein [10] evaluated the hypothesis that phosphorous (P) uptake, distribution, and availability in the plant affects cannabinoids’ biosynthesis. By analyzing two genotypes of medical “drug-type” cannabis grown under five P concentrations (5, 15, 30, 60, and 90 mg/L), it was noted that the values lower than 15 mg/L were insufficient to support optimal plant function, with reduced physiological responses, whereas values between 30 and 90 mg/L were within the optimal range for plant development, increasing total cannabinoids content per plant. With that, the regime of mineral nutrients must be adjusted to account for production goals and the genetic specificities of the strain. Moreover, the indoor production of cannabis is responsible for greenhouse gas (GHG) emissions that range between 2 and 5 tons of CO2-equivalent per kg of dried flower—attributed to electricity and natural gas consumption from indoor environmental controls, high-intensity grow lights, and supply of CO2 to accelerate plant growth [11].
With the advance of metabolic engineering and synthetic biology, the tailor-made design of cell factories became a reality, providing a remarkable opportunity for the biosynthesis of cannabinoids and analogs, especially for those found in small quantities in cannabis. As matter of fact, the expression of tetrahydrocannabinol synthase (THCAS) was already achieved using P. pastoris as host [12]. With cannabigerolic acid (CBGA) being added into the media, Δ9-tetrahydrocannabinolic acid (Δ9-THCA) was synthesized. Luo et al. [13] were able to produce several cannabinoids and analogs from the genetic recombination of Saccharomyces cerevisiae, generating an yeast that can synthesize cannabinoids from galactose. With specific genetic modifications, cannabinoids that were previously generated in small quantities can now be scaled up. Furthermore, there is no need for pesticides, and the natural resources required (land, water, and energy) and CO2 footprint are reduced as well.
However, a drawback of fermentation is its limitation to achieve the phytochemical broad range of molecules naturally present in Cannabis sativa L., turning full-spectrum extracts (i.e., those with phytocannabinoids and secondary metabolites) unfeasible to be obtained other than by the plant. The term entourage effect [14] is often used to refer to potential synergies between chemical compounds present in cannabis, such as cannabinoids-cannabinoids interactions [15,16,17] and the presence of other secondary metabolites such as terpenes/terpenoids [18]. The list of terpenes/terpenoids found in cannabis is vast due to differences between strains, chemotypes, and environmental conditions, but in general, the most common terpenes/terpenoids found are β-myrcene, limonene, linalool, β-caryophyllene, α-pinene, β-ocimene, terpinolene, and geraniol [18]. They are mainly responsible for the odor and taste present in cannabis flowers and are used in perfume fragrances and cleaning products worldwide. Besides these organoleptic characteristics, terpenes/terpenoids have been studied for their therapeutic potential, with works analyzing analgesic [19,20,21], anti-inflammatory [22,23,24,25,26], gastroprotective [27,28,29], anxiolytic/anti-depressant [30,31,32,33,34,35], apoptotic/antimetastatic [36,37] antinociceptive [38,39,40], neuroprotective [41,42,43,44], sedative/motor relaxant [45,46,47], and antifungal [48,49] properties. This broad range of metabolites in different concentrations provides unique therapeutic applications for full spectrum extracts.
This review describes the techniques and microorganisms already established to accomplish the task and those yet in seeing for the future, exploring upsides and limitations regarding metabolic pathways, toxicity, and downstream recovery of cannabinoids throughout heterologous production. Moreover, therapeutic potential applications of cannabinoids, in silico methodology toward optimization of metabolic pathways, and a patent landscape are explored.
2. Biosynthesis of Phytocannabinoids
Cannabinoids are active lipophilic compounds that interact with specific protein receptors in the human body, constituting a system of physiological regulations—the endocannabinoid system. Two receptors for this system are well-known: CB1, located in the central nervous system (CNS) and peripheral nervous system (PNS), with high density in the basal ganglia, cerebellum, hippocampus, and cortex; and CB2, restricted to immune tissues and immune cells. Some cannabinoids are produced endogenously in various vertebrates and are known as endocannabinoids, such as anandamide (AEA) and 2-arachidonylglycerol (2-AG) [50]. Other cannabinoids are produced only by plants of the genus Cannabis (mainly by sativa and indica species), including (-)-Δ9-tetrahydrocannabinol (Δ9-THC) and cannabidiol (CBD), and are known as phytocannabinoids [18]. Over 500 chemical compounds were identified in C. sativa L., including 102 phytocannabinoids, being Δ9-THC, CBD, cannabigerol (CBG), and cannabichromene (CBC) their main representatives [51]. In the plant, they are usually found in their carboxylated state, including tetrahydrocannabinolic acid (Δ9-THCA) and cannabidiolic acid (CBDA). Although cannabinol (CBN) is one of the major cannabinoids found in cannabis, it is not directly produced by the plant, being a product of Δ9-THC oxidation [52]. Phytocannabinoids are separated into families based on their structures such as cannabigerol (CBG)-family, cannabichromene (CBC)-family, cannabidiol (CBD)-family, tetrahydrocannabinol (THC)-family, cannabinol (CBN)-family [53] (Figure 1). They are all composed of a phenolic (resorcinol) moiety and a monoterpene moiety, later described in this survey.
Figure 1.
Structures of endocannabinoids and major phytocannabinoids present in C. sativa L. THC: tetrahydrocannabinol, CBN: cannabinol, CBD: cannabidiol, CBC: cannabichromene, CBG: cannabigerol [53].
The effects of cannabinoids were studied only from the 20th century, where several analyses resulted in the development of dronabinol (Marinol®; Unimed Pharmaceuticals, Inc., Marietta, GA, USA). This drug is based on Δ9-THC, which in 1964—and after decades of attempts to isolate and determine its chemical structure—was identified as the main psychoactive component of cannabis. Together with Cesamet® (Valeant Pharmaceuticals North America, Aliso Viejo, CA, USA), they were the first cannabinoid-based drugs to be prescribed in the United States, presenting antiemetic and appetite-stimulating action for patients with cancer and AIDS [50]. Several studies are being carried out for possible pharmacological applications involving cannabinoids, especially with CBD due to the absence of psychoactive effects. Conditions such as Alzheimer’s disease, anxiety, cancer, chronicle pain, depression, epilepsy, inflammatory diseases, multiple sclerosis, and Parkinson’s disease are being investigated with promising results [54].
Phytocannabinoids are synthesized and stored within glandular trichomes that are present on cannabis flowers with some extension to other structures, such as leaves and stems, but almost absent in seeds and roots [55]. To produce these compounds in a heterologous host, the genes, metabolic pathways, bottlenecks, and specificities involved during phytocannabinoids biosynthesis in Cannabis sativa L. must be comprehended and availed, in order to be further optimized according to the host’s characteristics and limitations.
The biosynthesis of cannabinoids begins with metabolic pathways to produce geranyl pyrophosphate (GPP) and olivetolic acid (OA) as shown in Figure 2 [56]. Geranyl pyrophosphate (GPP) is mainly biosynthesized via the 2C-methyl-d-erythritol-4-phosphate (MEP) pathway, also known as non-mevalonate or 1-deoxy-d-xylulose-5-phosphate (DOXP) pathway, and in a small extension through mevalonate (MVA) pathway [56,57]. The final products, isopentenyl pyrophosphate (IPP) and dimethylallyl pyrophosphate (DMAPP), are catalyzed to GPP by the action of geranyl pyrophosphate synthase (GPPS), providing the monoterpene moiety of phytocannabinoids [58]. In parallel, the polyketide pathway toward OA starts with hexanoic acid produced either by an early termination of fatty acid biosynthesis or by the breakdown of C18 unsaturated fatty acids via the lipoxygenase pathway [59]. The hexanoic acid is converted to hexanoyl-CoA by the action of an acyl-activating enzyme type 1 (AAE1) found in Cannabis sativa (CsAAE). Then, a type III tetraketide synthase (CsTKS), also known as olivetol synthase (OLS), promotes the aldol condensation of hexanoyl-CoA with three molecules of malonyl-CoA, producing olivetol, followed by the C2–C7 aldol cyclization to OA carried by a polyketide cyclase (CsOAC) [60]. With an olivetolic acid pool, the phenolic (resorcinol) moiety is available to be further converted into cannabinoids. More details regarding MEP/DOXP pathway, MVA pathway, fatty acid biosynthesis, and lipoxygenase pathway are summarized in several reviews [61,62,63,64] with higher plants metabolism focus.
With the availability of the precursors, an aromatic prenyltransferase named geranylpyrophosphate:olivetolate geranyltransferase (GOT) is responsible to convert GPP and OA into cannabigerolic acid (CBGA) [13], the central precursor for phytocannabinoids biosynthesis. This enzyme was detected in 1998 and is assumed to be an integral membrane protein, although some activity was found in soluble fractions [65,66].
Figure 2.
Phytocannabinoids biosynthesis in Cannabis sativa L. The monoterpene moiety is provided majoritarian through the MEP/DOXP pathway, and in small extension through the MVA pathway, in which geranyl pyrophosphate (GPP) is synthesized. Parallel to that, fatty acids metabolism uses hexanoic acid as a substrate to fulfill the phenolic (resorcinol) moiety of cannabinoids, generating olivetolic acid (OA). Through the action of cannabigerolic acid synthase (CBGAS), GPP and OA are converted into cannabigerolic acid (CBGA), the central precursor for many other cannabinoids, such as Δ9-tetrahydrocannabinolic acid (Δ9-THCA), cannabidiolic acid (CBDA), and cannabichromenic acid (CBCA) [13,55,56,67].
Figure 2.
Phytocannabinoids biosynthesis in Cannabis sativa L. The monoterpene moiety is provided majoritarian through the MEP/DOXP pathway, and in small extension through the MVA pathway, in which geranyl pyrophosphate (GPP) is synthesized. Parallel to that, fatty acids metabolism uses hexanoic acid as a substrate to fulfill the phenolic (resorcinol) moiety of cannabinoids, generating olivetolic acid (OA). Through the action of cannabigerolic acid synthase (CBGAS), GPP and OA are converted into cannabigerolic acid (CBGA), the central precursor for many other cannabinoids, such as Δ9-tetrahydrocannabinolic acid (Δ9-THCA), cannabidiolic acid (CBDA), and cannabichromenic acid (CBCA) [13,55,56,67].

With an appropriated CBGA pool, enzymes such as THCA synthase, CBDA synthase, and CBCA synthase promote an oxidative cyclization of the monoterpene moiety of the substrate, generating Δ9-THCA, CBDA, and CBCA, respectively. In the plant, the phytocannabinoids are stored as carboxylic acid; they can be decarboxylated to their corresponding neutral form through drying, heating, or combustion [67].
Phytocannabinoids such as CBGA, Δ9-THCA, CBDA, and CBCA are known as C5 phytocannabinoids since they have an n-pentyl side chain in the phenolic moiety. However, there are also C3 phytocannabinoids, or propyl cannabinoids, derived not from olivetolic acid (OA) but from divarinic acid (DA) as illustrated in Figure 3. The prenylation of DA with GPP results in cannabigerovarinic acid (CBGVA), the central precursor for C3 phytocannabinoids biosynthesis. The cannabinoid synthase enzymes are not alkyl length selective and can convert CBGVA into the propyl homologous of THCA, CBDA, and CBCA, known as tetrahydrocannabivarinic acid (Δ9-THCVA), cannabidivarinic acid (CBDVA), and cannabichromevarinic acid (CBCVA), respectively [68]. Since these compounds are not commonly produced by cannabis strains due to dissimilar enzyme specificities at the level of CBGA or CBGA-analogs formation [69], the analysis and studies of its therapeutic value are impaired. Nevertheless, the agricultural-based method has the genetic restrictions imposed by the plant, with selective breeding as the main resource to achieve better yields of a specific compound, despite its limited randomness expressed in the next offspring. With that, chemotype inheritance and genetic engineering are the objects of study to manipulate secondary metabolites’ final concentration and can be conferred in recent works [68,70].
Figure 3.
Propyl phytocannabinoids (C3) biosynthesis in Cannabis sativa L. Monoterpene moiety is provided majoritarian through the MEP/DOXP pathway, and in small extension through the MVA pathway, in which geranyl pyrophosphate (GPP) is synthesized. The fatty acids metabolism uses butanoic acid as a substrate to fulfill the phenolic (resorcinol) moiety of cannabinoids, generating divarinic acid (DA). Through the action of cannabigerolic acid synthase (CBGAS), GPP and DA are converted into cannabigerovarinic acid (CBGVA), the central precursor for many other C3 cannabinoids, such as Δ9-tetrahydrocannabivarinic acid (Δ9-THCVA), cannabidivarinic acid (CBDA) and cannabichromevarinic acid (CBCVA) [13,55,56,67].
3. Metabolic Engineering towards Phytocannabinoids Biosynthesis in Microorganisms
3.1. Design of a Suitable Host
A better approach to target the production of non-common cannabinoids can be achieved through the aid of metabolic engineering and synthetic biology. Usually, a safe and well-described cell is chosen as a “cell factory”, a chassis for the production of the desired chemical compound. The chosen cell can express the pathways needed to achieve the product, but, typically, the flux toward the product is naturally low. Using classic strain improvement or directed genetic modifications (i.e., metabolic engineering), it is possible to increase the flux toward the product. If the cell does not naturally produce the compound of interest, the insertion of a synthetic pathway is necessary. Normally, the product will be generated in small amounts, but the pathway can be optimized to ensure a high flux toward the target, using concepts from both metabolic engineering and synthetic biology. Finally, a complete synthetic cell can be constructed in a manner that its pathways are tailored for the desired product, achieving great yields and low concentration of by-products [71].
Since fermentation of cannabinoids is a relatively new approach, there is no consensus on the best microorganism yet. The first step is to determine which microorganisms can be tailored for heterologous biosynthesis of these compounds. A review published by Carvalho et al. [72] covers some of the main host characteristics, such as genetic tools available for the microorganism, plant protein expression capacity, possibility of posttranslational modifications, and specific biosynthetic pathways. The microorganisms analyzed in this survey were Escherichia coli, Saccharomyces cerevisiae, Komagataella phaffii (Pichia pastoris), and Kluyveromyces marxianus, with qualitative indicators regarding hosts characteristics aforementioned. It was noticed that E. coli has significant genetic tools reported, and an arsenal of strains, promoters, and vectors, but its limited posttranslational modifications make it unlikeable to be a suitable host. All the other microorganisms are yeasts, with S. cerevisiae and K. phaffii (P. pastoris) being the most widely reported in the literature. The yeast K. marxianus has been reported to present an efficient hexanoic acid pathway [73], which could solve the low-availability pool of this metabolite during heterologous biosynthesis of cannabinoids.
3.2. From Sugar to Cannabinoids
The main intermediates and genes during phytocannabinoids biosynthesis in S. cerevisiae were recently reported by Luo et al. [13]. The chosen substrate for the microorganism was galactose. The GPP was produced with the introduction of the EfmvaE and EfmvaS genes of Enterococcus faecalis (an acetyl-CoA acetyltransferase/HMG-CoA reductase and an hydroxymethylglutaryl-CoA synthase [74]), and by overexpressing the genes of the mevalonate pathway (ERG12, ERG8, ERG19, and IDI1) [75] and a mutated ERG20F96W/N127W gene (erg20∗) that preferentially produces GPP over FPP [76]. Hexanoyl-CoA was produced heterologously using genes from Ralstonia eutropha (RebktB, a β-keto thiolase from Ralstonia eutropha H16 that catalyzes condensation reactions between acetyl-CoA with acyl-CoA molecules [77]), Cupriavidus necator (CnpaaH1, an NADH-dependent 3-hydroxyacyl-CoA dehydrogenase [78]), Clostridium acetobutylicum (Cacrt, a crotonase that catalyzes the dehydration of 3-hydroxybutyryl-CoA to crotonyl-CoA in the n-butanol biosynthetic pathway [79]) and Treponema denticola (Tdter, a trans-enoyl-CoA reductase [80]), or feeding hexanoic acid as a substrate for AAE (encoded by CsAAE1 from Cannabis). Expression of the genes encoding CsTKS and CsOAC produced olivetolic acid, which was prenylated by CsPT4-T, a geranylpyrophosphate:olivetolate geranyltransferase activity. The resulting CBGA was transformed into Δ9-THCA and CBDA using THCAS and CBDAS. After exposure to heat, Δ9-THCA and CBDA were decarboxylated to Δ9-THC and CBD, respectively. As both Δ9-THC and CBD come from CBGA, the insertion of gene copies that encode THCAS or CBDAS will determine which final product is going to be synthesized. The final concentration obtained of Δ9-THCA and CBDA was 8.0 mg/L and 4.3 µg/L, respectively. In addition to cannabinoids derived from olivetolic acid, Luo et al. [13] also produced propyl cannabinoids (from divarinic acid). The hexanoic acid was replaced by butanoic acid, providing an appropriate butanoyl-CoA pool for the synthesis of C3 cannabinoids. Thus, Δ9-THCVA and CBDVA were produced with concentrations of 4.8 mg/L and 6.0 µg/L, respectively [13].
A list of the enzymes involved during heterologous biosynthesis of phytocannabinoids by S. cerevisiae with their respective accession numbers on GenBank is available in Table 1.
Table 1.
List of enzymes and corresponding GenBank accession numbers involved in heterologous expression of phytocannabinoids in S. cerevisiae.
Zirpel et al. [12] tested the production of Δ9-THCA by heterologous hosts such as E. coli, S. cerevisiae, and K. phaffii [12], in which S. cerevisiae and K. phaffii showed THCA synthase activity after addition of 1 mM CBGA, leading to a Δ9-THCA production of 0.36 g/L in K. phaffii. No functional expression of THCA synthase could be found in E. coli, hence it was concluded by the authors that functional expression of THCAS might require eukaryotic chaperones to facilitate covalent binding of FAD to the THCAS or glycosylation of the protein.
Renew Biopharma chose the green alga Chlamydomonas reinhardtii as a host, stating that it is capable of compartmentalizing the biosynthesis of cannabinoids in its chloroplasts, which protects the rest of the cellular structures [9]. This approach resulted in a more expensive downstream since microalgae are known to have a complex cellular wall. For instance, Chlamydomonas reinhardtii has a multilayered extracellular matrix, which requires physical and chemical agents to rupture it and access the cannabinoids [87].
3.3. Patent Prospection
A survey on the free access Patent Inspiration database was conducted using the term (cannabi*) as a keyword for search on Title or Abstract, while the terms microorganism AND yeast AND production have been searched on Abstract and Description. The initial results revealed a total of 58 documents filled over the past 20 years proposing the protection of new technologies associated with the biotechnological production of cannabinoids or their derivates. However, after a thorough analysis, only 16 patens actually protected processes and methods related to the prospected theme (Table 2).
Table 2.
Data obtained from the patent survey on Patent Inspiration database on cannabinoid biosynthesis via microbial source.
The analysis of the International Patent Classification (IPC) revealed that the introduction of foreign genes synthesizing transferases (C12N9/10) or lyases (C12N9/88) in vectors or expression systems specially adapted for E. coli (C12N15/70) are the main areas investigated (data not shown). Although not being able to perform post-translational modification as yeasts and higher eukaryotic cells, due to E. coli superior growth rate, low nutritional requirement, higher yield, and its extensive genetic information turned into a preferable host for tailoring new metabolic pathways for the industrial production of cannabinoids [72,88,89].
The technology of the cannabinoids biosynthesis was first protected by the University of Saskatchewan in association with the Natural Resources Council of Canada, where homologous, isolated, and/or purified sequences of Cannabis sativa alkanoyl-CoA synthetases, type III polyketide synthase, polyketide cyclase, aromatic prenyltransferase, and a cannabinoid-forming oxidocylase were used as target genes for the cannabinoid production in E. coli and Saccharomyces cerevisiae systems (US9546362B2). According to the granted patent, carboxylic acids (C5–C20) and coenzyme-A are required as substrates, which directly impacts the cost of the final product. Similar plasmid vector configurations were later proposed with the addition of inducible galactose operons (US10392635B2), substitution of alkanoyl-CoA synthetases for prenol or isoprenol kinases (US10837031B2), or proposition of new host cells, such as Lactobacillus paracasei subsp. paracasei (EP3067058A1).
A recently granted patent by the American company Syntiva Therapeutics Inc. (US10801049B2) discloses the incorporation of phosphoglucose isomerase (pgi), glucose 6-phosphate dehydrogenase (zwf), and citrate synthase (gItA) genes in yeasts, which allows the heterologous production of hexanoate synthesis during the stationary phase using simple sugars. In addition, the overexpression of the long-chain fatty acid-CoA (fadD) ligase gene, responsible for the conversion of hexanoate into hexanoyl-CoA, also resulted in the silencing of the fadE gene associated with the degradation of this precursor. Such genetic modifications achieved costs inferior to US$1.000 per kilogram of purified cannabinoid and significantly increased the yield of the process [90]. This disruptive technology led to a significant leap in the number of filed patents, from 4 documents between 2014 and 2019 to 11 only in the last year (Table 2). The incremental changes proposed by these recent patents include the modification of the peroxisomal β-oxidation in yeasts to allow the use of fatty acids and affordable sources of vegetable and animal fat (US2020224231A1) and the inclusion of different pathways that allows the conversion of glucose into cannabinoids via acetoacetyl-CoA, malonyl-CoA, or mevalonate (US2020071732A1; US2020165641A1).
Our survey revealed that only three countries detain the technology for the heterologous production of cannabinoids, being the United States the major contributor with 12 filled documents, followed by Canada and Italy with three and one documents, respectively. The presence of Canada in this selective group is supported by the Cannabis Act [6], a jurisdictional regulation that establishes production guidelines, licenses, and requirements for cannabis-derived products, providing regulatory approval for both plant cultivation and the heterologous expression. USA and Italy, on the other hand, only have parameters defined by law regarding the cultivation and usage of the source material (i.e., cannabis plants with Δ9-THC content of 0.3% or 0.2–0.6%, respectively), leaving the microbial production under an unregulated ground [91,92]. However, the allowance of cannabinoids prescription from a licensed healthcare provider [92,93] and the approval of the first CBD-containing drug (Epidiolex®; GW Pharmaceuticals, Cambridge, UK) by the FDA in 2018 for treating severe seizures in patients above one year old [94] creates a prone environment for the development of biosynthetic cannabinoid industry in these countries. This statement is supported by the nature of the applicants in the prospected patents, which are majorly represented by private companies.
3.4. Culture Medium, Production System, and Broth Composition
The production of phytocannabinoids by heterologous expression in yeasts has been accomplished through fed-batch liquid cultures [12,13]. This production system is indicated for fermentations in which substances are periodically added to the medium to fulfill the chemical demand of the target microorganism. The interval between applications avoids excess toxic substances in the medium, preventing possible detours during biosynthesis or even cell death. As shown by Coral et al. [95] the medium composition plays an important role to determine the optimal point between biomass and product concentration.
Luo et al. [13] worked with recombinant S. cerevisiae in liquid culture medium. Strains were pre-grown in yeast peptone dextrose extract (YPD) medium overnight and then back-diluted to OD600 = 0.2 into yeast peptone galactose extract (YPG), a non-selective culture medium for Candida, Pichia, Saccharomyces, and Zygosaccharomyces containing 20 g/L of peptone, 10 g/L of yeast extract, and 20 g/L of galactose. The medium was supplemented with 1 mM olivetolic acid or corresponding fatty acid (such as hexanoic, pentanoic, and butanoic acid). Strains were incubated for 24 h, 48 h, or 96 h in 24-deep-well plates (800 r.p.m.) at 30 °C while supplementing with 2% (w/v) galactose every 24 h.
Zirpel et al. [12] worked with recombinant E. coli, P. pastoris, and S. cerevisiae. Recombinant E. coli cells were grown in 1 l flasks, containing 100 mL LB-medium (50 µg kanamycin mL−1, 33 µg chloramphenicol mL−1, 100 µg spectinomycin mL−1) at 37 °C and 200 rpm to an OD600 of 0.6. THCAS expression was started by the addition of 1 mM IPTG and cells grown for 16 h at 20 °C. Recombinant S. cerevisiae cells were grown in minimal medium without leucine at 30 °C and 200 rpm for 24 h. Cells were used to inoculate 100 mL of 2 × YPAD medium at an OD600 of 0.5 and incubated with 0.5 % (w/v) galactose at 20 °C and 200 rpm for 144 h. Recombinant P. pastoris cells were grown in BMGY at 30 °C and 200 rpm for 24 h. Afterward, cells were harvested by centrifugation at 5000× g for 5 min and resuspended in modified BMMY (mBMMY) [96] to an OD600 of 20. Pichia cells were cultivated at 15 °C and 200 rpm until no increase in THCAS activity could be observed and supplemented with 0.5% (v/v) methanol every 24 h for protein expression.
3.5. Metabolic Engineering In Silico
Despite the remarkable work accomplished by Luo et al. [13] the titers of Δ9-THCA (8.0 mg/L−1) and CBDA (4.4 µg/L−1) obtained were low, making the process economically unfeasible to be scaled up into industrial levels. Improvement and redesign of metabolic pathways toward the product is the main strategy to enhance higher concentrations of cannabinoids. In fact, metabolic bottlenecks for the biosynthesis of Δ9-THCA have been recently analyzed in silico and reported [66] for an engineered S. cerevisiae strain. The kinetics of reactions toward cannabinoids were modeled using MATLAB® (version 9.4, The Mathworks, Inc., Natick, MA, USA) with the SimBiology extension [97], in which Δ9-THCA was produced from glucose instead of galactose—a much-appreciated upgrade since galactose is up to 100-fold more expensive than glucose. Nevertheless, a high glucose concentration at the beginning leads to respiratory inhibition known as the Crabtree effect [98], in which ethanol is produced and the growth rates are slowed.
The first challenge lies in acetyl-CoA, the committed precursor for mevalonate and olivetolic acid pathways, responsible for the GPP and OA pool, respectively. Thomas et al. [66] suggested the replacement of acetaldehyde dehydrogenase (ADH) as well as acetyl-CoA synthetase with aldehyde dehydrogenase acylating (ADA) from Dickeya zeae, an optimization that grants higher specific activity, demands less energy, and prevents acetate formation. Moreover, the ethanol generated by aerobic cultivation on glucose can be converted back into acetaldehyde with the addition of ADH2 under specific promoter control. In parallel, non-essential pathways can be muted to enhance the carbon flux toward cannabinoids. The peroxisomal citrate synthase and cytosolic malate synthase consume cytosolic acetyl-CoA, being the genes CIT2 and MLS1 excellent targets to be muted to improve acetyl-CoA pool.
The hexanoic acid production is another metabolic bottleneck referring to the limited pool of acetyl-CoA and down related to OA. The low specificity of OAC turns only 5% of all the hexanoic acid into OA and the remaining 95% into olivetol. The feeding of hexanoic acid is advantageous but limited to up to 1 mM due to cell toxicity and slower growth rates. OA feeding is also not recommended due to its high cost, low absorbance by the yeast, and chemical instability. Moreover, the CBGA production is a limiting step toward the optimization of the process as shown by Thomas et al. [66] in a sensitivity analysis. The membrane-bound enzyme CBGAS from Cannabis sativa L. was replaced by the soluble prenyltransferase NphB present in Streptomyces spp., especially due to a CBGA-specific variant recently reported [99].
In conclusion, the low availability of acetyl-CoA and hexanoic acid with the low specificity of OAC are the main limiting factors for higher yields. Nevertheless, the Δ9-THCA titer predicted in silico after 40 h of fermentation was 299.8 mg/L−1, a 37-fold increase compared to Luo et al. [13]. Although this value is small close to Δ9-THCA and CBDA present in plants (5–20% in dry weight of extract), it is a great opportunity for the biosynthesis of non-common cannabinoids such as Δ9-THCVA and CBDVA (<1% in dry weight).
4. Conceptual Downstream Analysis
4.1. Process Flowchart
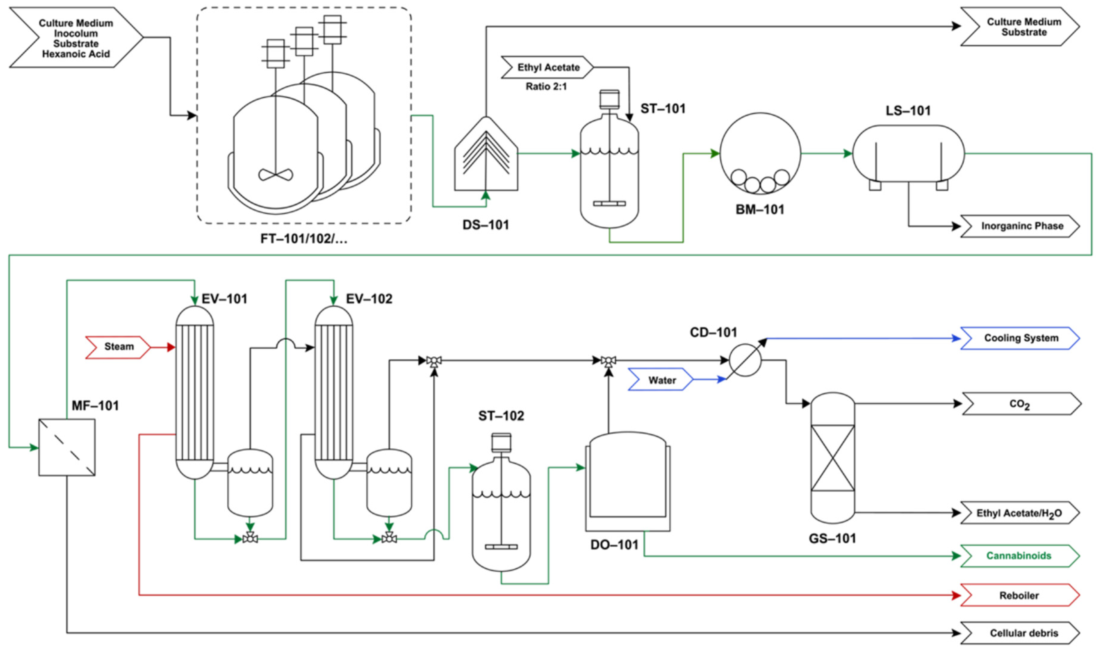
A process flowchart was proposed to illustrate the downstream procedures involved during cannabinoids purification via heterologous expression in S. cerevisiae (Figure 4). It is considered that the engineered yeast produces Δ9-THCA. As aforementioned, the downstream unit operations’ choices rely on microorganism specificities, and although this is a simplified model, it accounts for the main steps and operations toward the purification of cannabinoids on an industrial scale. With the development of pilot-scale experiments, kinetical and transport parameters can be better estimated for decision-making.
Figure 4.
Process flowchart listing the downstream operations required to purify Δ9-THCA from fermented broth and achieve high-quality Δ9-THC. FT: fermentation tank; DS: disc-stack centrifuge; ST: settling tank; BM: ball/beads mill; LS: liquid-liquid separator; MF: microfiltration unit; EV: falling film evaporator; DO: decarboxylation oven; GS: gas-liquid separator.
4.2. Process Description
The separation procedures chosen were based on the works of Zirpel et al. [12] and Luo et al. [13], whereas the scaling up of the process were based on the works of Magalhães et al. [100], and Poulos and Farnia [101], although some changes have been proposed to scale up the process. A staggered set of fermentation tanks (FT-101/102/…) is considered. After the fermentation time, the fermentation broth is sent to a disk-stack centrifuge (DS-101), responsible for the removal of culture medium and substrate not consumed during fermentation. Centrifugation is a suitable option due to S. cerevisiae high density (1.1 g cm−3) and sedimentation radius (2.5 µm) [87]. Another option for this step is microfiltration, although the high-volume flow would require several membrane units to supply it. The cells can be dried in a low-temperature oven to remove the remaining water.
The cells are then sent to a settling tank (ST-101) in which ethyl acetate is used with a 2:1 ratio to resuspend the cells and subsequently promote liquid-liquid extraction. Ethyl acetate was chosen as the solvent due to its high capability to solubilize cannabinoids [102], and also because it is only partially soluble with water (8.3 g/L at 20 °C), which allows the use of liquid–liquid separators at the downstream. As previously mentioned, ethanol is also suitable for cannabinoids extraction, but its high water solubility impairs the subsequent steps. Moreover, ethyl acetate is FDA approved for use in food as a flavor/fragrance enhancer and solvent [102].
The suspension is sent to a ball/bead mill (BM-01) to promote cell lysis. Since S. cerevisiae is disproved of a complex polysaccharide cell wall, the physical disruption should be enough, although chemical methods (e.g., detergents, enzymes, chelating agents, and/or solvents) can complement this process. Alternatively, high-pressure homogenizers can be used. In this stage, the cells are broken and the cannabinoids are dispersed in the medium. It is a relatively quick process on a laboratory scale (30 s−1 over 3 min) [13]. The biphasic mixture passes through a liquid–liquid separator (LS-101), wherein the upper (organic) phase contains cannabinoids, ethyl acetate, and the lower phase is composed of water, ethyl acetate, and nutrients/culture medium. The lower phase is sent to the solvent recovery area.
The organic phase is forwarded to a microfiltration unit (MF-101) to remove cellular debris. For this operation, the filter membrane needs to have a pore size between 0.2 and 0.45 µm [13] used polyvinylidene difluoride (PVDF) membranes during its polishing steps prior to HPLC analysis.
The filtrate is then sent to a set of multiple effects falling film evaporators (EV-01/02) to remove part of the solvent and prepare the product for the decarboxylation step. Vacuum is used to boil the mixture in low temperatures, avoiding Δ9-THCA oxidation into CBNA and other secondary reactions [103]. It is known that CBNA/CBN is formed during the long-time storage of cannabis [104], although its rate is reduced in the absence of oxygen and light [52]. The vapor from the first effect is used as a heat duty stream to the second effect. Due to the high boiling points of cannabinoids, losses involved during evaporation are minimal. The vapor and condensate from the second effect are sent to a condenser (CD-101).
The concentrate is forwarded to a settling tank (ST-102) avoiding process discontinuity by upstream delays. The last step is to remove the residual solvent in the product and promote the decarboxylation of Δ9-THCA into Δ9-THC. For this step, a decarboxylation vacuum oven (DO-101) is proposed, in which the mixture is dispersed into trays with temperature close to 120 °C for up to one hour [105]. As shown by Wang et al. [52], it is possible to obtain pure Δ9-THC from Δ9-THCA by heating the extract to 110 °C for 40 min, under vacuum and absence of light. Even though no significant amount of CBN was detected, a relative loss in total molar concentration of 7.94% was noted, indicating that part of the reactant or product is being consumed by a secondary mechanism (e.g., a side reaction with an unstable intermediate and/or product).
After the decarboxylation step, the Δ9-THC extract is almost completely pure. The final product consists of Δ9-THC with residual ethyl acetate. As decarboxylation involves the loss of a carboxyl group, the molar mass of Δ9-THCA goes from 358.48 g/mol to 314.47 g/mol, causing a reduction in the mass of the final product by 12.3%.
As a complementary procedure, the concentrate can be sent to a fine separation involving chromatography, such as high-performance liquid chromatography (HPLC), counter-current chromatography (CCC), and centrifugal partition chromatography (CPC). These techniques show high separation capacity and the possibility of scaling. CPC was chosen because of its advantages over CCC, such as a higher flow for the same volume. On a laboratory scale, 250 mL centrifugal partition chromatography has an ideal flow rate of 5–15 mL/min, while 250 mL counter flow chromatography has an ideal flow rate of 1 to 3 mL/min. On an industrial scale, 25 L counter-current chromatography has an ideal flow rate of 100 to 300 mL/min, whereas 25 L centrifugal partition chromatography has an ideal flow rate of 1000 to 3000 mL/min. This ensures greater productivity (due to higher flow and faster separation time), allowing the process to be scalable to up to tons per month [106]. RotaChrom Technologies LLC (Budapest, Hungary) developed an industrial scale CPC, the iCPC®, which can deliver a flow rate of up to 2.5 L/min, achieving 50–500 kg of purified product per month [107]. The final product is resuspended in anhydrous ethanol or formulated in capsules/pills as desired.
5. Further Analysis and Improvements
The production of cannabinoids through heterologous expression in S. cerevisiae is feasible, although its low yields and metabolic bottlenecks adds complexity to scale up the process. Although fermentation can supply several cannabinoids, full-spectrum extracts (i.e., those with phytocannabinoids and secondary metabolites) are unlikely to be achieved, especially due to metabolic network complexity and microorganism expression limitations. In the future, it is important to analyze the limiting factors of cannabinoid production in the recombinant microorganism, and even reassess whether S. cerevisiae is the best candidate for this task.
To optimize the fermentative production of cannabinoids in recombinant microorganisms, different parameters need to be considered at genetic, metabolic, and technological levels. The first one refers to the expression of genes and pathways for the conversion of glucose into cannabinoids. The metabolic level is responsible for the better understanding of pathway interactions, allowing the characterization of metabolic bottlenecks to be further engineered and optimized. As noticed, the low acetyl-CoA and hexanoic acid availability for subsequent pathways are the main bottlenecks for the biosynthesis of Δ9-THCA in S. cerevisiae. The technological level refers to the downstream procedures needed to achieve high-purity cannabinoids on an industrial scale, avoiding unnecessary losses and providing a final product with accessible cost.
Nevertheless, cannabinoids fermentation is an exciting and brand-new niche arriving that can substantially change the availability of those compounds, providing a high-quality drug at a reasonable price, especially for non-common cannabinoids, such as C3 cannabinoids, novel cannabinoids, and analogs.
Author Contributions
Conceptualization, G.R.F. and G.V.d.M.P.; investigation, G.R.F., G.V.d.M.P. and D.P.d.C.N.; resources, C.R.S.; writing—original draft preparation, G.R.F.; writing—review and editing, G.R.F., G.V.d.M.P., J.C.d.C., D.P.d.C.N. and C.R.S.; visualization, G.V.d.M.P. and J.C.d.C.; supervision, G.V.d.M.P. and J.C.d.C.; project administration, C.R.S.; funding acquisition, C.R.S. All authors have read and agreed to the published version of the manuscript.
Funding
This work was funded by Coordenação de Aperfeiçoamento de Pessoal de Nível Superior (CAPES) and Conselho Nacional de Desenvolvimento Científico e Tecnológico do Brasil (CNPq).
Institutional Review Board Statement
Not applicable.
Informed Consent Statement
Not applicable.
Data Availability Statement
Not applicable.
Conflicts of Interest
The authors declare no conflict of interest.
References
- California Department of Public Health. Compassionate Use Act of 1996. Available online: https://leginfo.legislature.ca.gov/faces/codes_displaySection.xhtml?sectionNum=11362.5.&lawCode=HSC (accessed on 15 November 2021).
- Government of Canada. Marihuana Medical Access Regulations (SOR/2001-227). Available online: https://laws-lois.justice.gc.ca/eng/regulations/SOR-2001-227/index.html (accessed on 15 November 2021).
- State of Washington. Washington Initiative 502 (I502). Available online: https://www.sos.wa.gov/_assets/elections/initiatives/i502.pdf (accessed on 21 November 2021).
- State of Colorado. Amendment 64. Available online: https://www.colorado.gov/pacific/sites/default/files/13%20Amendment%2064%20LEGIS.pdf (accessed on 1 December 2021).
- Parliament of Uruguay. Ley 19.172. Available online: https://www.impo.com.uy/bases/leyes/19172-2013 (accessed on 1 December 2021).
- Government of Canada. Cannabis Act (S.C. 2018, c. 16). Available online: https://laws-lois.justice.gc.ca/eng/acts/c-24.5/ (accessed on 1 December 2021).
- Grand View Research. Cannabidiol Market Size, Share & Trends Analysis Report by Source Type (Hemp, Marijuana), by Distribution Channel (B2B, B2C), by End Use, by Region, and Segment Forecasts, 2019–2025. Gd. View Res. 2019, 2028, 2021–2028. [Google Scholar]
- Rosenthal, E.; Downs, D. Beyond Buds: Marijuana Extracts Hash, Vaping, Dabbing, Edibles and Medicines; Quick Trading Company: Medley, FL, USA, 2014. [Google Scholar]
- Dolgin, E. The Bioengineering of Cannabis. Nature 2019, 572, S5–S7. [Google Scholar] [CrossRef]
- Shiponi, S.; Bernstein, N. The Highs and Lows of P Supply in Medical Cannabis: Effects on Cannabinoids, the Ionome, and Morpho-Physiology. Front. Plant Sci. 2021, 12, 657323. [Google Scholar] [CrossRef]
- Summers, H.M.; Sproul, E.; Quinn, J.C. The Greenhouse Gas Emissions of Indoor Cannabis Production in the United States. Nat. Sustain. 2021, 4, 644–650. [Google Scholar] [CrossRef]
- Zirpel, B.; Stehle, F.; Kayser, O. Production of Δ9-Tetrahydrocannabinolic Acid from Cannabigerolic Acid by Whole Cells of Pichia (Komagataella) Pastoris Expressing Δ9-Tetrahydrocannabinolic Acid Synthase from Cannabis sativa L. Biotechnol. Lett. 2015, 37, 1869–1875. [Google Scholar] [CrossRef]
- Luo, X.; Reiter, M.A.; d’Espaux, L.; Wong, J.; Denby, C.M.; Lechner, A.; Zhang, Y.; Grzybowski, A.T.; Harth, S.; Lin, W.; et al. Complete Biosynthesis of Cannabinoids and Their Unnatural Analogues in Yeast. Nature 2019, 567, 123–126. [Google Scholar] [CrossRef]
- Ben-Shabat, S.; Fride, E.; Sheskin, T.; Tamiri, T.; Rhee, M.-H.; Vogel, Z.; Bisogno, T.; De Petrocellis, L.; Di Marzo, V.; Mechoulam, R. An Entourage Effect: Inactive Endogenous Fatty Acid Glycerol Esters Enhance 2-Arachidonoyl-Glycerol Cannabinoid Activity. Eur. J. Pharmacol. 1998, 353, 23–31. [Google Scholar] [CrossRef]
- Gallily, R.; Yekhtin, Z.; Hanuš, L.O. Overcoming the Bell-Shaped Dose-Response of Cannabidiol by Using Cannabis Extract Enriched in Cannabidiol. Pharmacol. Pharm. 2015, 6, 75–85. [Google Scholar] [CrossRef]
- Johnson, J.R.; Burnell-Nugent, M.; Lossignol, D.; Ganae-Motan, E.D.; Potts, R.; Fallon, M.T. Multicenter, Double-Blind, Randomized, Placebo-Controlled, Parallel-Group Study of the Efficacy, Safety, and Tolerability of THC:CBD Extract and THC Extract in Patients with Intractable Cancer-Related Pain. J. Pain Symptom Manag. 2010, 39, 167–179. [Google Scholar] [CrossRef]
- Blasco-Benito, S.; Seijo-Vila, M.; Caro-Villalobos, M.; Tundidor, I.; Andradas, C.; García-Taboada, E.; Wade, J.; Smith, S.; Guzmán, M.; Pérez-Gómez, E.; et al. Appraising the “Entourage Effect”: Antitumor Action of a Pure Cannabinoid versus a Botanical Drug Preparation in Preclinical Models of Breast Cancer. Biochem. Pharmacol. 2018, 157, 285–293. [Google Scholar] [CrossRef]
- Russo, E.B. Taming THC: Potential Cannabis Synergy and Phytocannabinoid-Terpenoid Entourage Effects. Br. J. Pharmacol. 2011, 163, 1344–1364. [Google Scholar] [CrossRef] [PubMed]
- Quintão, N.L.; da Silva, G.F.; Antonialli, C.S.; Rocha, L.W.; Cechinel Filho, V.; Cicció, J.F. Chemical Composition and Evaluation of the Anti-Hypernociceptive Effect of the Essential Oil Extracted from the Leaves of Ugni Myricoides on Inflammatory and Neuropathic Models of Pain in Mice. Planta Med. 2010, 76, 1411–1418. [Google Scholar] [CrossRef] [PubMed]
- Fidyt, K.; Fiedorowicz, A.; Strządała, L.; Szumny, A. Β-Caryophyllene and Β-Caryophyllene Oxide—Natural Compounds of Anticancer and Analgesic Properties. Cancer Med. 2016, 5, 3007–3017. [Google Scholar] [CrossRef] [PubMed]
- Nascimento, S.S.; Camargo, E.A.; Desantana, J.M.; Araújo, A.A.S.; Menezes, P.P.; Lucca-Júnior, W.; Albuquerque-Júnior, R.L.C.; Bonjardim, L.R.; Quintans-Júnior, L.J. Linalool and Linalool Complexed in β-Cyclodextrin Produce Anti-Hyperalgesic Activity and Increase Fos Protein Expression in Animal Model for Fibromyalgia. Naunyn. Schmiedebergs. Arch. Pharmacol. 2014, 387, 935–942. [Google Scholar] [CrossRef]
- Rufino, A.T.; Ribeiro, M.; Judas, F.; Salgueiro, L.; Lopes, M.C.; Cavaleiro, C.; Mendes, A.F. Anti-Inflammatory and Chondroprotective Activity of (+)-α-Pinene: Structural and Enantiomeric Selectivity. J. Nat. Prod. 2014, 77, 264–269. [Google Scholar] [CrossRef]
- Souza, M.C.; Siani, A.C.; Ramos, M.F.S.; Menezes-de-Lima, O.J.; Henriques, M.G.M.O. Evaluation of Anti-Inflammatory Activity of Essential Oils from Two Asteraceae Species. Pharmazie 2003, 58, 582–586. [Google Scholar]
- Lei, Y.; Fu, P.; Jun, X.; Cheng, P. Pharmacological Properties of Geraniol—A Review. Planta Med. 2019, 85, 48–55. [Google Scholar] [CrossRef]
- Mukhtar, Y.M.; Adu-Frimpong, M.; Xu, X.; Yu, J. Biochemical Significance of Limonene and Its Metabolites: Future Prospects for Designing and Developing Highly Potent Anticancer Drugs. Biosci. Rep. 2018, 38, BSR20181253. [Google Scholar] [CrossRef]
- Valente, J.; Zuzarte, M.; Gonçalves, M.J.; Lopes, M.C.; Cavaleiro, C.; Salgueiro, L.; Cruz, M.T. Antifungal, Antioxidant and Anti-Inflammatory Activities of Oenanthe crocata L. Essential Oil. Food Chem. Toxicol. 2013, 62, 349–354. [Google Scholar] [CrossRef]
- Takayama, C.; De-Faria, F.M.; de Almeida, A.C.A.; Valim-Araújo, D.D.A.E.O.; Rehen, C.S.; Dunder, R.J.; Socca, E.A.R.; Manzo, L.P.; Rozza, A.L.; Salvador, M.J.; et al. Gastroprotective and Ulcer Healing Effects of Essential Oil from Hyptis Spicigera Lam. (Lamiaceae). J. Ethnopharmacol. 2011, 135, 147–155. [Google Scholar] [CrossRef]
- Tambe, Y.; Tsujiuchi, H.; Honda, G.; Ikeshiro, Y.; Tanaka, S. Gastric Cytoprotection of the Non-Steroidal Anti-Inflammatory Sesquiterpene, Beta-Caryophyllene. Planta Med. 1996, 62, 469–470. [Google Scholar] [CrossRef] [PubMed]
- De Souza, M.C.; Vieira, A.J.; Beserra, F.P.; Pellizzon, C.H.; Nóbrega, R.H.; Rozza, A.L. Gastroprotective Effect of Limonene in Rats: Influence on Oxidative Stress, Inflammation and Gene Expression. Phytomedicine 2019, 53, 37–42. [Google Scholar] [CrossRef] [PubMed]
- Satou, T.; Kasuya, H.; Maeda, K.; Koike, K. Daily Inhalation of α-Pinene in Mice: Effects on Behavior and Organ Accumulation. Phytother. Res. 2014, 28, 1284–1287. [Google Scholar] [CrossRef] [PubMed]
- Bahi, A.; Al Mansouri, S.; Al Memari, E.; Al Ameri, M.; Nurulain, S.M.; Ojha, S. β-Caryophyllene, a CB2 Receptor Agonist Produces Multiple Behavioral Changes Relevant to Anxiety and Depression in Mice. Physiol. Behav. 2014, 135, 119–124. [Google Scholar] [CrossRef] [PubMed]
- Zhang, L.-L.; Yang, Z.-Y.; Fan, G.; Ren, J.-N.; Yin, K.-J.; Pan, S.-Y. Antidepressant-like Effect of Citrus sinensis (L.) Osbeck Essential Oil and Its Main Component Limonene on Mice. J. Agric. Food Chem. 2019, 67, 13817–13828. [Google Scholar] [CrossRef] [PubMed]
- Lima, N.G.P.B.; De Sousa, D.P.; Pimenta, F.C.F.; Alves, M.F.; De Souza, F.S.; Macedo, R.O.; Cardoso, R.B.; de Morais, L.C.S.L.; Melo Diniz, M.D.F.F.; de Almeida, R.N. Anxiolytic-like Activity and GC-MS Analysis of (R)-(+)-Limonene Fragrance, a Natural Compound Found in Foods and Plants. Pharmacol. Biochem. Behav. 2013, 103, 450–454. [Google Scholar] [CrossRef] [PubMed]
- Souto-Maior, F.N.; De Carvalho, F.L.D.; De Morais, L.C.S.L.; Netto, S.M.; De Sousa, D.P.; De Almeida, R.N. Anxiolytic-like Effects of Inhaled Linalool Oxide in Experimental Mouse Anxiety Models. Pharmacol. Biochem. Behav. 2011, 100, 259–263. [Google Scholar] [CrossRef] [PubMed]
- Guzmán-Gutiérrez, S.L.; Bonilla-Jaime, H.; Gómez-Cansino, R.; Reyes-Chilpa, R. Linalool and β-Pinene Exert Their Antidepressant-like Activity through the Monoaminergic Pathway. Life Sci. 2015, 128, 24–29. [Google Scholar] [CrossRef]
- Matsuo, A.L.; Figueiredo, C.R.; Arruda, D.C.; Pereira, F.V.; Scutti, J.A.B.; Massaoka, M.H.; Travassos, L.R.; Sartorelli, P.; Lago, J.H.G. α-Pinene Isolated from Schinus terebinthifolius Raddi (Anacardiaceae) Induces Apoptosis and Confers Antimetastatic Protection in a Melanoma Model. Biochem. Biophys. Res. Commun. 2011, 411, 449–454. [Google Scholar] [CrossRef]
- Cho, M.; So, I.; Chun, J.N.; Jeon, J.-H. The Antitumor Effects of Geraniol: Modulation of Cancer Hallmark Pathways (Review). Int. J. Oncol. 2016, 48, 1772–1782. [Google Scholar] [CrossRef]
- Katsuyama, S.; Mizoguchi, H.; Kuwahata, H.; Komatsu, T.; Nagaoka, K.; Nakamura, H.; Bagetta, G.; Sakurada, T.; Sakurada, S. Involvement of Peripheral Cannabinoid and Opioid Receptors in β-Caryophyllene-Induced Antinociception. Eur. J. Pain 2013, 17, 664–675. [Google Scholar] [CrossRef] [PubMed]
- Rao, V.S.; Menezes, A.M.; Viana, G.S. Effect of Myrcene on Nociception in Mice. J. Pharm. Pharmacol. 1990, 42, 877–878. [Google Scholar] [CrossRef] [PubMed]
- Souto-Maior, F.N.; Da Fonsêca, D.V.; Salgado, P.R.R.; Monte, L.D.O.; De Sousa, D.P.; De Almeida, R.N. Antinociceptive and Anticonvulsant Effects of the Monoterpene Linalool Oxide. Pharm. Biol. 2017, 55, 63–67. [Google Scholar] [CrossRef] [PubMed]
- Machado, K.D.C.; Islam, M.T.; Ali, E.S.; Rouf, R.; Uddin, S.J.; Dev, S.; Shilpi, J.A.; Shill, M.C.; Reza, H.M.; Das, A.K.; et al. A Systematic Review on the Neuroprotective Perspectives of Beta-Caryophyllene. Phytother. Res. 2018, 32, 2376–2388. [Google Scholar] [CrossRef] [PubMed]
- Ciftci, O.; Oztanir, M.N.; Cetin, A. Neuroprotective Effects of β-Myrcene Following Global Cerebral Ischemia/Reperfusion-Mediated Oxidative and Neuronal Damage in a C57BL/J6 Mouse. Neurochem. Res. 2014, 39, 1717–1723. [Google Scholar] [CrossRef] [PubMed]
- Shin, M.; Liu, Q.F.; Choi, B.; Shin, C.; Lee, B.; Yuan, C.; Song, Y.J.; Yun, H.S.; Lee, I.-S.; Koo, B.-S.; et al. Neuroprotective Effects of Limonene (+) against Aβ42-Induced Neurotoxicity in a Drosophila Model of Alzheimer’s Disease. Biol. Pharm. Bull. 2020, 43, 409–417. [Google Scholar] [CrossRef]
- Xu, P.; Wang, K.; Lu, C.; Dong, L.; Gao, L.; Yan, M.; Aibai, S.; Yang, Y.; Liu, X. The Protective Effect of Lavender Essential Oil and Its Main Component Linalool against the Cognitive Deficits Induced by D-Galactose and Aluminum Trichloride in Mice. Evid.-Based Complement. Altern. Med. 2017, 2017, 7426538. [Google Scholar] [CrossRef]
- Do Vale, T.G.; Furtado, E.C.; Santos, J.G.; Viana, G.S.B. Central Effects of Citral, Myrcene and Limonene, Constituents of Essential Oil Chemotypes from Lippia alba (Mill.) N.E. Brown. Phytomedicine 2002, 9, 709–714. [Google Scholar] [CrossRef]
- Gastón, M.S.; Cid, M.P.; Vázquez, A.M.; Decarlini, M.F.; Demmel, G.I.; Rossi, L.I.; Aimar, M.L.; Salvatierra, N.A. Sedative Effect of Central Administration of Coriandrum Sativum Essential Oil and Its Major Component Linalool in Neonatal Chicks. Pharm. Biol. 2016, 54, 1954–1961. [Google Scholar] [CrossRef]
- Ito, K.; Ito, M. The Sedative Effect of Inhaled Terpinolene in Mice and Its Structure-Activity Relationships. J. Nat. Med. 2013, 67, 833–837. [Google Scholar] [CrossRef]
- Cavaleiro, C.; Salgueiro, L.; Gonçalves, M.-J.; Hrimpeng, K.; Pinto, J.; Pinto, E. Antifungal Activity of the Essential Oil of Angelica major against Candida, Cryptococcus, Aspergillus and Dermatophyte Species. J. Nat. Med. 2015, 69, 241–248. [Google Scholar] [CrossRef] [PubMed]
- Pinto, Â.V.; de Oliveira, J.C.; Costa de Medeiros, C.A.; Silva, S.L.; Pereira, F.O. Potentiation of Antifungal Activity of Terbinafine by Dihydrojasmone and Terpinolene against Dermatophytes. Lett. Appl. Microbiol. 2020, 72, 292–298. [Google Scholar] [CrossRef] [PubMed]
- Di Marzo, V.; Bifulco, M.; De Petrocellis, L. The Endocannabinoid System and Its Therapeutic Exploitation. Nat. Rev. Drug Discov. 2004, 3, 771–784. [Google Scholar] [CrossRef] [PubMed]
- ElSohly, M.; Gul, W. Constiuents of Cannabis Sativa. In Handbook of Cannabis; Oxford University Press: Oxford, UK, 2015; pp. 115–136. [Google Scholar] [CrossRef]
- Wang, M.; Wang, Y.-H.; Avula, B.; Radwan, M.M.; Wanas, A.S.; van Antwerp, J.; Parcher, J.F.; ElSohly, M.A.; Khan, I.A. Decarboxylation Study of Acidic Cannabinoids: A Novel Approach Using Ultra-High-Performance Supercritical Fluid Chromatography/Photodiode Array-Mass Spectrometry. Cannabis Cannabinoid Res. 2016, 1, 262–271. [Google Scholar] [CrossRef]
- Hanuš, L.O.; Meyer, S.M.; Muñoz, E.; Taglialatela-Scafati, O.; Appendino, G. Phytocannabinoids: A Unified Critical Inventory. Nat. Prod. Rep. 2016, 33, 1357–1392. [Google Scholar] [CrossRef]
- Pisanti, S.; Malfitano, A.M.; Ciaglia, E.; Lamberti, A.; Ranieri, R.; Cuomo, G.; Abate, M.; Faggiana, G.; Proto, M.C.; Fiore, D.; et al. Cannabidiol: State of the Art and New Challenges for Therapeutic Applications. Pharmacol. Ther. 2017, 175, 133–150. [Google Scholar] [CrossRef]
- Degenhardt, F.; Stehle, F.; Kayser, O. The Biosynthesis of Cannabinoids. In Handbook of Cannabis and Related Pathologies: Biology, Pharmacology, Diagnosis, and Treatment; Elsevier: Amsterdam, The Netherlands, 2017; pp. 13–23. [Google Scholar] [CrossRef]
- Fellermeier, M.; Eisenreich, W.; Bacher, A.; Zenk, M.H. Biosynthesis of Cannabinoids. Eur. J. Biochem. 2001, 268, 1596–1604. [Google Scholar] [CrossRef]
- Shoyama, Y.; Yagi, M.; Nishioka, I.; Yamauchi, T. Biosynthesis of Cannabinoid Acids. Phytochemistry 1975, 14, 2189–2192. [Google Scholar] [CrossRef]
- Burke, C.C.; Wildung, M.R.; Croteau, R. Geranyl Diphosphate Synthase: Cloning, Expression, and Characterization of This Prenyltransferase as a Heterodimer. Proc. Natl. Acad. Sci. USA 1999, 96, 13062–13067. [Google Scholar] [CrossRef]
- Marks, M.D.; Tian, L.; Wenger, J.P.; Omburo, S.N.; Soto-Fuentes, W.; He, J.; Gang, D.R.; Weiblen, G.D.; Dixon, R.A. Identification of Candidate Genes Affecting Δ9-Tetrahydrocannabinol Biosynthesis in Cannabis sativa. J. Exp. Bot. 2009, 60, 3715–3726. [Google Scholar] [CrossRef]
- Gagne, S.J.; Stout, J.M.; Liu, E.; Boubakir, Z.; Clark, S.M.; Page, J.E. Identification of Olivetolic Acid Cyclase from Cannabis Sativa Reveals a Unique Catalytic Route to Plant Polyketides. Proc. Natl. Acad. Sci. USA 2012, 109, 12811–12816. [Google Scholar] [CrossRef] [PubMed]
- Dubey, V.S.; Bhalla, R.; Luthra, R. An Overview of the Non-Mevalonate Pathway for Terpenoid Biosynthesis in Plants. J. Biosci. 2003, 28, 637–646. [Google Scholar] [CrossRef]
- Kempinski, C.; Jiang, Z.; Bell, S.; Chappell, J. Metabolic Engineering of Higher Plants and Algae for Isoprenoid Production; Springer: Berlin/Heidelberg, Germany, 2015; pp. 161–199. [Google Scholar] [CrossRef]
- Moses, T.; Pollier, J.; Thevelein, J.M.; Goossens, A. Bioengineering of Plant (Tri)Terpenoids: From Metabolic Engineering of Plants to Synthetic Biology in Vivo and In Vitro. New Phytol. 2013, 200, 27–43. [Google Scholar] [CrossRef]
- Gülck, T.; Møller, B.L. Phytocannabinoids: Origins and Biosynthesis. Trends Plant Sci. 2020, 25, 985–1004. [Google Scholar] [CrossRef] [PubMed]
- Fellermeier, M.; Zenk, M.H. Prenylation of Olivetolate by a Hemp Transferase Yields Cannabigerolic Acid, the Precursor of Tetrahydrocannabinol. FEBS Lett. 1998, 427, 283–285. [Google Scholar] [CrossRef]
- Thomas, F.; Schmidt, C.; Kayser, O. Bioengineering Studies and Pathway Modeling of the Heterologous Biosynthesis of Tetrahydrocannabinolic Acid in Yeast. Appl. Microbiol. Biotechnol. 2020, 104, 9551–9563. [Google Scholar] [CrossRef] [PubMed]
- Thomas, B.F.; ElSohly, M.A. Biosynthesis and Pharmacology of Phytocannabinoids and Related Chemical Constituents. In The Analytical Chemistry of Cannabis; Elsevier: Amsterdam, The Netherlands, 2016; pp. 27–41. [Google Scholar] [CrossRef]
- De Meijer, E.P.M.; Hammond, K.M.; Micheler, M. The Inheritance of Chemical Phenotype in Cannabis Sativa L. (III): Variation in Cannabichromene Proportion. Euphytica 2009, 165, 293–311. [Google Scholar] [CrossRef]
- Shoyama, Y.; Hirano, H.; Nishioka, I. Biosynthesis of Propyl Cannabinoid Acid and Its Biosynthetic Relationship with Pentyl and Methyl Cannabinoid Acids. Phytochemistry 1984, 23, 1909–1912. [Google Scholar] [CrossRef]
- De Meijer, E.P.M.; Hammond, K.M.; Sutton, A. The Inheritance of Chemical Phenotype in Cannabis Sativa L. (IV): Cannabinoid-Free Plants. Euphytica 2009, 168, 95–112. [Google Scholar] [CrossRef]
- Nielsen, J.; Keasling, J.D. Synergies between Synthetic Biology and Metabolic Engineering. Nat. Biotechnol. 2011, 29, 693–695. [Google Scholar] [CrossRef]
- Carvalho, Â.; Hansen, E.H.; Kayser, O.; Carlsen, S.; Stehle, F. Designing Microorganisms for Heterologous Biosynthesis of Cannabinoids. FEMS Yeast Res. 2017, 17, fox037. [Google Scholar] [CrossRef]
- Cheon, Y.; Kim, J.-S.; Park, J.-B.; Heo, P.; Lim, J.H.; Jung, G.Y.; Seo, J.-H.; Park, J.H.; Koo, H.M.; Cho, K.M.; et al. A Biosynthetic Pathway for Hexanoic Acid Production in Kluyveromyces Marxianus. J. Biotechnol. 2014, 182–183, 30–36. [Google Scholar] [CrossRef] [PubMed]
- Sutherlin, A.; Hedl, M.; Sanchez-Neri, B.; Burgner, J.W.; Stauffacher, C.V.; Rodwell, V.W. Enterococcus Faecalis 3-Hydroxy-3-Methylglutaryl Coenzyme A Synthase, an Enzyme of Isopentenyl Diphosphate Biosynthesis. J. Bacteriol. 2002, 184, 4065–4070. [Google Scholar] [CrossRef] [PubMed][Green Version]
- Reider Apel, A.; D’Espaux, L.; Wehrs, M.; Sachs, D.; Li, R.A.; Tong, G.J.; Garber, M.; Nnadi, O.; Zhuang, W.; Hillson, N.J.; et al. A Cas9-Based Toolkit to Program Gene Expression in Saccharomyces cerevisiae. Nucleic Acids Res. 2017, 45, 496–508. [Google Scholar] [CrossRef] [PubMed]
- Ignea, C.; Pontini, M.; Maffei, M.E.; Makris, A.M.; Kampranis, S.C. Engineering Monoterpene Production in Yeast Using a Synthetic Dominant Negative Geranyl Diphosphate Synthase. ACS Synth. Biol. 2014, 3, 298–306. [Google Scholar] [CrossRef] [PubMed]
- Kim, E.-J.; Son, H.F.; Kim, S.; Ahn, J.-W.; Kim, K.-J. Crystal Structure and Biochemical Characterization of Beta-Keto Thiolase B from Polyhydroxyalkanoate-Producing Bacterium Ralstonia eutropha H16. Biochem. Biophys. Res. Commun. 2014, 444, 365–369. [Google Scholar] [CrossRef]
- Segawa, M.; Wen, C.; Orita, I.; Nakamura, S.; Fukui, T. Two NADH-Dependent (S)-3-Hydroxyacyl-CoA Dehydrogenases from Polyhydroxyalkanoate-Producing Ralstonia eutropha. J. Biosci. Bioeng. 2019, 127, 294–300. [Google Scholar] [CrossRef]
- Kim, E.-J.; Kim, Y.-J.; Kim, K.-J. Structural Insights into Substrate Specificity of Crotonase from the N-Butanol Producing Bacterium Clostridium acetobutylicum. Biochem. Biophys. Res. Commun. 2014, 451, 431–435. [Google Scholar] [CrossRef]
- Bond-Watts, B.B.; Weeks, A.M.; Chang, M.C.Y. Biochemical and Structural Characterization of the Trans -Enoyl-CoA Reductase from Treponema denticola. Biochemistry 2012, 51, 6827–6837. [Google Scholar] [CrossRef]
- Stout, J.M.; Boubakir, Z.; Ambrose, S.J.; Purves, R.W.; Page, J.E. The Hexanoyl-CoA Precursor for Cannabinoid Biosynthesis Is Formed by an Acyl-Activating Enzyme in Cannabis sativa Trichomes. Plant J. 2012, 71, 353–365. [Google Scholar] [CrossRef]
- Taura, F.; Tanaka, S.; Taguchi, C.; Fukamizu, T.; Tanaka, H.; Shoyama, Y.; Morimoto, S. Characterization of Olivetol Synthase, a Polyketide Synthase Putatively Involved in Cannabinoid Biosynthetic Pathway. FEBS Lett. 2009, 583, 2061–2066. [Google Scholar] [CrossRef] [PubMed]
- Sirikantaramas, S.; Morimoto, S.; Shoyama, Y.; Ishikawa, Y.; Wada, Y.; Shoyama, Y.; Taura, F. The Gene Controlling Marijuana Psychoactivity. J. Biol. Chem. 2004, 279, 39767–39774. [Google Scholar] [CrossRef] [PubMed]
- Taura, F.; Sirikantaramas, S.; Shoyama, Y.; Yoshikai, K.; Shoyama, Y.; Morimoto, S. Cannabidiolic-Acid Synthase, the Chemotype-Determining Enzyme in the Fiber-Type Cannabis sativa. FEBS Lett. 2007, 581, 2929–2934. [Google Scholar] [CrossRef] [PubMed]
- Morimoto, S.; Komatsu, K.; Taura, F.; Shoyama, Y. Purification and Characterization of Cannabichromenic Acid Synthase from Cannabis sativa. Phytochemistry 1998, 49, 1525–1529. [Google Scholar] [CrossRef]
- Page, J.E.; Stout, J.M. Cannabichromenic Acid Synthase from Cannabis Sativa. Br. Patent WO2015196275A1, 30 December 2015. [Google Scholar]
- Harrison, R.G.; Todd, P.W.; Rudge, S.R.; Petrides, D.P. Bioseparations Science and Engineering, 2nd ed.; Oxford University Press: Oxford, UK, 2015. [Google Scholar]
- Zirpel, B. Recombinant Expression and Functional Characterization of Cannabinoid Producing Enzymes in Komagataella Phaffii. Ph.D. Thesis, Technical University of Dortmund, Dortmund, Germany, 2018. [Google Scholar] [CrossRef]
- Schwarzhans, J.P.; Luttermann, T.; Geier, M.; Kalinowski, J.; Friehs, K. Towards Systems Metabolic Engineering in Pichia pastoris. In Biotechnology Advances; Elsevier: Amsterdam, The Netherlands, 2017; pp. 681–710. [Google Scholar] [CrossRef]
- Kideckel, D.M.; Pallotta, M.; Hoang, K. Synthetically-Derived Cannabinoids: The Next Generation of Cannabinoid Production. Available online: https://www.newcannabisventures.com/wp-content/uploads/2019/02/Synthetically-Derived_Cannabinoids__The_Next_Generation_of_Cannabinoid_Production_February_20_2019.pdf (accessed on 19 December 2021).
- Government of Italy. Legge n. 242 Del 2 Dicembre 2016. Disposizioni per la Promozione della Coltivazione e della Filiera Agroindustriale della Canapa. Available online: https://www.normattiva.it/uri-res/N2Ls?urn:nir:stato:legge:2016;242 (accessed on 17 December 2021).
- U.S. Food and Drug Administration (FDA). Regulation of Cannabis and Cannabis-Derived Products, Including Cannabidiol (CBD). Available online: https://www.fda.gov/news-events/public-health-focus/fda-regulation-cannabis-and-cannabis-derived-products-including-cannabidiol-cbd (accessed on 21 December 2021).
- Zaami, S.; Di Luca, A.; Di Luca, N.M.; Montanari Vergallo, G. Medical Use of Cannabis: Italian and European Legislation. Eur. Rev. Med. Pharmacol. Sci. 2018, 22, 1161–1167. [Google Scholar] [CrossRef]
- U.S. Food and Drug Administration (FDA). FDA Approves First Drug Comprised of an Active Ingredient Derived from Marijuana to Treat Rare, Severe Forms of Epilepsy. Available online: https://www.fda.gov/news-events/press-announcements/fda-approves-first-drug-comprised-active-ingredient-derived-marijuana-treat-rare-severe-forms (accessed on 21 December 2021).
- Coral, J.; Karp, S.G.; Porto de Souza Vandenberghe, L.; Parada, J.L.; Pandey, A.; Soccol, C.R. Batch Fermentation Model of Propionic Acid Production by Propionibacterium acidipropionici in Different Carbon Sources. Appl. Biochem. Biotechnol. 2008, 151, 333–341. [Google Scholar] [CrossRef]
- Taura, F.; Dono, E.; Sirikantaramas, S.; Yoshimura, K.; Shoyama, Y.; Morimoto, S. Production of Δ1-Tetrahydrocannabinolic Acid by the Biosynthetic Enzyme Secreted from Transgenic Pichia pastoris. Biochem. Biophys. Res. Commun. 2007, 361, 675–680. [Google Scholar] [CrossRef]
- The MathWorks, Inc. SimBiology Toolbox; The MathWorks, Inc.: Natick, MA, USA. Available online: https://www.mathworks.com/products/simbiology.html (accessed on 11 December 2021).
- De Deken, R.H. The Crabtree Effect: A Regulatory System in Yeast. J. Gen. Microbiol. 1966, 44, 149–156. [Google Scholar] [CrossRef]
- Valliere, M.A.; Korman, T.P.; Woodall, N.B.; Khitrov, G.A.; Taylor, R.E.; Baker, D.; Bowie, J.U. A Cell-Free Platform for the Prenylation of Natural Products and Application to Cannabinoid Production. Nat. Commun. 2019, 10, 565. [Google Scholar] [CrossRef]
- Magalhães, A.I.; de Carvalho, J.C.; Medina, J.D.C.; Soccol, C.R. Downstream Process Development in Biotechnological Itaconic Acid Manufacturing. Appl. Microbiol. Biotechnol. 2017, 101, 3227–3235. [Google Scholar] [CrossRef]
- Poulos, J.L.; Farnia, A.N. Production of Tetrahydrocannabinolic Acid in Yeast. U.S. Patent US10392635B2, 9 July 2015. [Google Scholar]
- Towle, T.R. Raising the Bar for Cannabis Extraction Methods: Introducing a Novel, Safe, Efficient, and Environmentally Friendly Approach to Extracting High Quality Cannabis Resins. In Fall 2019 Symposia, Proceedings of the Cannabis Chemistry Subdivision (CANN-ACS); 2019; Available online: https://cdn.technologynetworks.com/ac/resources/pdf/fall-2019-symposia-proceedings-of-the-cannabis-chemistry-subdivision-312347.pdf (accessed on 28 December 2021).
- Turner, C.E.; Elsohly, M.A. Constituents of Cannabis Sativa L. XVI. A Possible Decomposition Pathway of Δ 9-Tetrahydrocannabinol to Cannabinol. J. Heterocycl. Chem. 1979, 16, 1667–1668. [Google Scholar] [CrossRef]
- Repka, M.A.; Munjal, M.; ElSohly, M.A.; Ross, S.A. Temperature Stability and Bioadhesive Properties of Δ 9-Tetrahydrocannabinol Incorporated Hydroxypropylcellulose Polymer Matrix Systems. Drug Dev. Ind. Pharm. 2006, 32, 21–32. [Google Scholar] [CrossRef] [PubMed]
- Chambers, A. Delta Separations. Decarboxylation’s Importance in the Cannabis Extraction Process. Available online: https://deltaseparations.com/understanding-decarboxylations-importance-in-your-ethanol-extraction-process (accessed on 25 November 2021).
- Anderson, D. Progress in Cannabinoid Purification and Testing. Available online: https://www.labx.com/resources/progress-in-cannabinoid-purification-and-testing/80 (accessed on 25 November 2021).
- RotaChrom. Adaptability and Scale Up. Available online: https://rotachrom.com/products/adaptability-and-scale-up (accessed on 25 November 2021).
Publisher’s Note: MDPI stays neutral with regard to jurisdictional claims in published maps and institutional affiliations. |
© 2022 by the authors. Licensee MDPI, Basel, Switzerland. This article is an open access article distributed under the terms and conditions of the Creative Commons Attribution (CC BY) license (https://creativecommons.org/licenses/by/4.0/).


