Abstract
The primary aim of this work was to share the results from a Research Project supported by the Italian National Research Council, which led to the development of a versatile jacketed tower bioreactor. Designed to optimize oxygen transfer efficiency and process control, the reactor incorporated a reciprocating air compressor, centrifugal pumps, a draft tube with or without perforated plates, and a series of gas–liquid ejectors. Its flexible design enabled operation in both airlift and ejector-loop modes, making it suitable for a wide range of aerobic fermentation processes. By sharing the detailed engineering design, operational procedures of this pilot-scale bioreactor, as well as its performance data when cultivating yeasts on whey and potato wastewater, a detailed blueprint was given to researchers seeking to advance bioreactor technology, particularly in the context of emerging fields like cultured meat production, pharmaceutical manufacturing, and environmental bioremediation.
1. Introduction
The growing global population and the surging demand for protein-rich foods necessitate sustainable protein sources. Microbial proteins, or single-cell proteins (SCPs), derived from microorganisms like bacteria, algae, yeasts, and fungi, have been extensively researched since the 1960s [1,2,3,4,5,6,7,8,9]. In 1985, Quorn Foods pioneered the use of submerged fermentation to produce Mycoprotein from Fusarium venenatum in the UK, expanding production to the US later [10]. By 2018, plans were in place to double fermentation capacity to 40,000 metric tons annually [11]. SCPs have gained renewed attention due to their versatility and potential in addressing critical global challenges. In human nutrition, they offer sustainable alternatives to animal-derived proteins [12,13,14]. In agriculture, SCPs serve as valuable protein sources for aquaculture, replacing or supplementing fishmeal [15]. Furthermore, they contribute to sustainable practices by potentially mitigating enteric methane emissions in ruminant animals [16]. Industrially, SCPs find diverse applications. They function as effective foam-stabilizing agents [17] and show promise in eco-friendly packaging materials, offering a sustainable alternative to conventional plastic solutions [18]. SCPs have also been proposed as resilient food sources in emergencies, such as in the case of natural disasters or humanitarian crises [19], and as sustainable food options for space missions [20], supporting long-duration space exploration.
The SCP market, valued at approximately USD 13.1 billion in 2022, is projected to reach USD 75.9 billion by 2032 [21], reflecting the growing recognition of their potential in addressing global food security and environmental challenges.
By integrating fermentation with modern biotechnology techniques, it is theoretically possible to produce food ingredients like animal-free dairy at a fraction of the environmental cost associated with traditional farming methods. However, while laboratory-scale innovations hold promise, their industrial-scale implementation faces significant challenges, including with regard to product safety, consumer acceptance, and technical hurdles [22]. Cultured meat, a prime example, has yet to achieve full-scale commercialization due to factors such as low cell growth rates, inconsistent muscle formation, and the need for effective serum replacements [23].
The performance of vessels (commonly known as fermenters or bioreactors) designed to cultivate microorganisms or cells for producing specific biomolecules has been extensively studied in recent decades to optimize energy efficiency and streamline large-scale production processes [24,25,26,27,28,29]. Among the fermentation reactors employed in industry, stirred fermenters (SF) remain dominant, accounting for around 90% of the industrial bioprocesses, both microbial and enzymatic, being carried out in this type of reactor, particularly for highly viscous broths like those used in antibiotic and microbial polysaccharide production [30]. However, due to their superior oxygen transfer rates, lower energy input, reduced investment and operating costs, and ease of construction and operation, airlift fermenters (ALF) have gained preference in various applications, ranging from classical industrial microbiology productions (e.g., beer, citric acid, and biomass from yeast, bacteria, and fungi) to wastewater treatment and the production of high-value chemicals (i.e., antibiotic, enzyme, and protein) in reactor sizes up to 1500 m3 [31,32].
Scaling up microbial processes from laboratory to industrial scales is a complex and costly endeavor [33,34,35,36]. While laboratory conditions can be strictly controlled in 0.5 to 10 L fermenters, translating these conditions into large-scale reactors with a working capacity of 20 to 2000 m3 presents several challenges [33]:
- ○
- Financial risk: substantial investments are required for pilot plants, demonstration facilities, and full-scale manufacturing plants.
- ○
- Time constraints: the transition from the lab to the market can take several years.
- ○
- Technical hurdles: scaling up can introduce new challenges, such as maintaining optimal fermentation conditions and handling increased volumes.
- ○
- Performance impact: large-scale operations may lead to increased costs, reduced yields, and potential process failures.
To mitigate these risks, careful planning, rigorous testing, and a systematic approach to scaling up are essential to maximize the return on investment [37].
It is worth noting that a key topic within the Research Project IPRA (Increase in Agricultural Productivity), supported by the Italian National Research Council, focused on reducing the costs of disposing of agri-food industrial by-products (e.g., whey, fruit and vegetable processing residues and waste, and surpluses of the fruit and vegetable market) while simultaneously recovering microbial biomass for use as protein supplements in balanced feed [38]. To achieve this, Project Management deemed it crucial to evaluate experimental results not only in a conventional mechanically agitated 1000 L pilot fermenter (installed at Rasa Realtur Spa in Manfredonia, Italy), but also in an alternative pilot fermenter with characteristics more closely resembling those that would be encountered during industrial-scale implementation of the fermentation processes under investigation.
This work aims to provide a detailed blueprint for researchers seeking to advance bioreactor technology and its scaling-up procedures by presenting the following:
- -
- Detailed engineering designs and operational procedures of this novel pilot-scale bioreactor.
- -
- Performance data obtained from cultivating yeasts on two food processing waste streams, namely whey and potato wastewater.
2. Brief Discussion of the State of the Art in Bioreactor Design and Operation
Despite the apparent simplicity of the design of stirred fermenters [39,40,41,42,43], understanding how key input design variables influence fermenter size, feed substrate requirements, wasted substrate, aeration efficiency, and electrical energy consumption is complex, even when considering fermentation kinetics, oxygen transfer effectiveness, and energy analysis [44]. Stirred fermenters (SFs) rely on mechanical impellers (e.g., Rushton turbines, pitched blade impellers) driven by a motor to mix the culture broth. These impellers help disperse gas bubbles introduced through sparging (bubbling air or oxygen into the liquid) and increasing the gas–liquid interface area. While well-established for various applications due to their good control over mixing and oxygen transfer, SFs have significant drawbacks, including high energy consumption and the potential for shear damage to cells, which can pose challenges during scale-up. This has driven the exploration of alternative designs, such as pneumatically or hydraulically agitated fermenters, which offer the potential for greater turbulence and oxygen transfer rates per unit of power consumed [45,46].
Pneumatically agitated fermenters rely solely on gas sparging to mix the culture broth, employing techniques like airlift reactors or bubble columns [31,47,48]. The primary advantages of pneumatic agitation include lower energy consumption compared to mechanical agitation, gentler mixing conditions, and often simpler designs. However, these systems may be less effective for mixing and oxygen transfer compared to mechanical agitation, potentially limiting their scalability. In particular, in the concentric tube airlift, where gas injection into a central riser induces liquid circulation without mechanical agitation, offers advantages like sterility and reduced shear stress, making it suitable for handling shear-sensitive organisms and products commonly produced using genetic engineering techniques [49].
For airlift fermenters with an internal draft tube, the key geometric parameters requiring definition are the diameters (D) and heights (H) of the following sections:
- the fermenter (DF, HF);
- the draft tube (DB, HB);
- the foam separator (Ds, Hs).
The operating variables that can be regulated to meet the microbial oxygen demand are the aeration rate (QA) and the liquid surface pressure (PL). Based on the results of a previous study [50], the following optimal geometric ratios were defined:
HF = 15 DF; DB = 0.6 DF; HB = 0.8 HF; DS = 1.3 DF
Using these ratios, the working volume (VF), and assuming an air residence time in the foam separator of 10–20 s, DF and HF can be calculated to complete the geometric design of the equipment. Regarding the choice of liquid surface pressure, in airlift fermenters, it is more convenient to operate with high aspect ratios (HF/DF) rather than increasing the pressure in the foam separator, since the construction of the latter involves additional costs [50]. Assuming the pressure drop in the gas line, filter, and sparger is approximately 1.2 × 105 Pa, the compression ratio (r) and brake power (Nad) can be calculated as follows [51]:
where g is the acceleration of gravity (9.81 m s−2), ρL is the liquid density (kg m−3), k is the specific heat ratio of air (1.4), Pi is the air pressure at the suction side of the compressor (Pa), ηC is the compression efficiency (generally of the order of 0.75), and QA is the air flow rate at ambient temperature and pressure (m3 s−1).
Hydraulically agitated fermenters utilize the kinetic energy generated by centrifugal or volumetric pumps to drive the fermentation process. This energy facilitates several key functions [45,46]:
- Air entrainment: it draws air from the atmosphere into the culture medium.
- Dispersion: it creates fine air–liquid dispersions through various nozzle configurations.
- Agitation: it ensures adequate mixing within the fermentation vessel.
A promising approach to reducing both investment and operating costs involves replacing the aeration compressor in traditional column fermenters with special gas–liquid ejectors. In this system, the culture broth itself, recirculated by a centrifugal pump, acts as the motive fluid. The high-velocity flow of this recirculated broth through the ejector creates a low-pressure region, effectively drawing in atmospheric air. This air is then intimately mixed with the broth within the ejector. This process offers several advantages, including enhanced oxygen transfer. The increased interfacial area between the air and the culture broth, created by the ejector’s mixing action, significantly enhances the oxygen transfer rate, which is crucial for many fermentation processes.
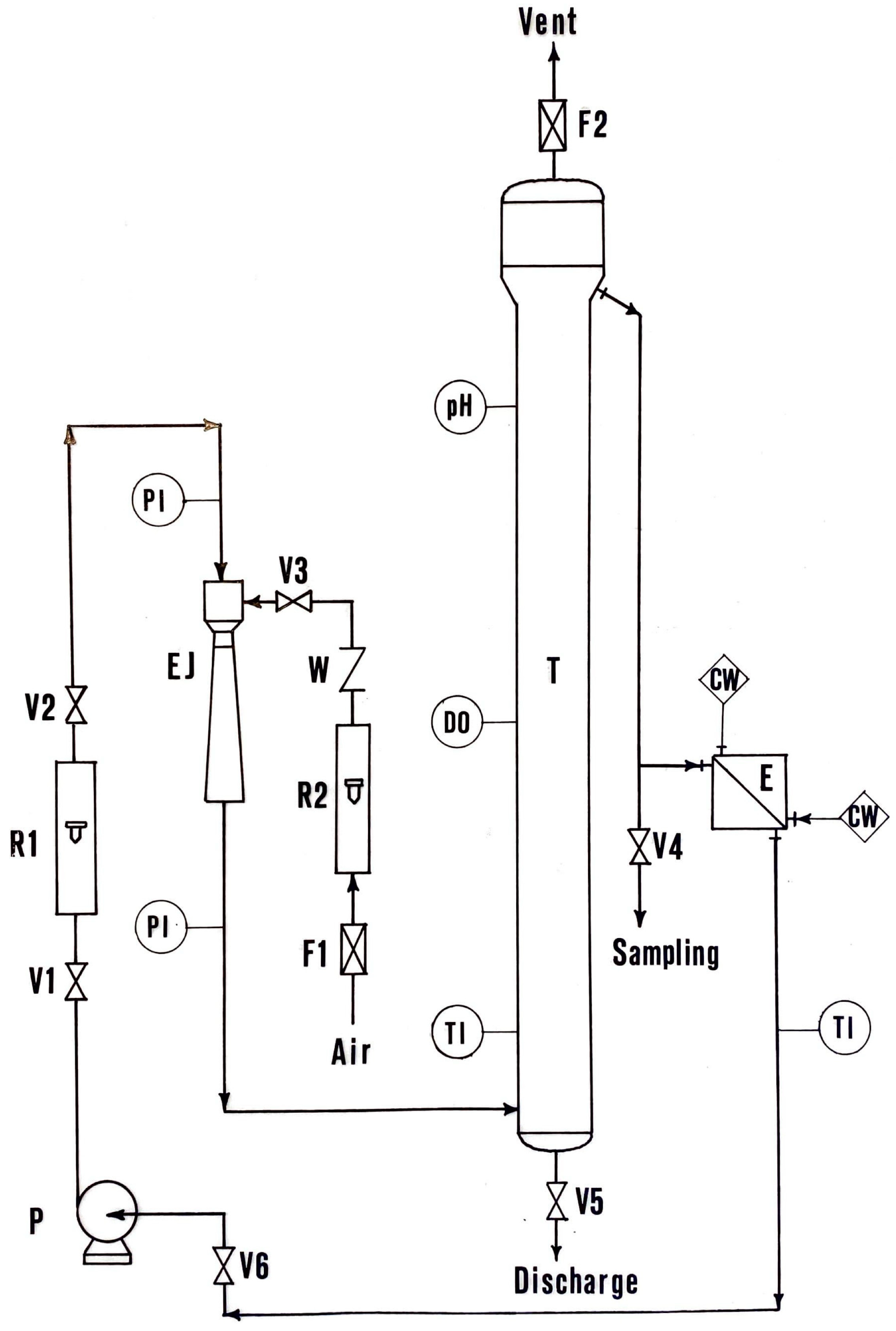
Figure 1 illustrates the schematic drawing of the lab-scale ejector-loop fermentation unit, as described previously [52]. However, since the operating efficiency of the ejector is relatively low, this aeration system’s effectiveness is influenced by the column’s height-to-diameter ratio. The pressure at the base of the fermenter plays a crucial role, as it dictates the compression ratio of the aspirated air. The pressure drop through the sterile inlet air filter also affects the aspirated air flow. With a constant motive fluid flow rate, increasing the compression ratio leads to a significant reduction in entrained air, necessitating an increase in the motive fluid pressure and, consequently, in the power of the recirculation pump [52].
Figure 1.
Sketch of the ejector-loop fermenter (ELF) unit. Symbols: CW, cooling water; DO, oxygen electrode; E, plate-heat exchanger; EJ, ejector device; F1, sterile inlet air filter; F2, sterile outlet air filter; P, centrifugal pump; PI, manometer; pH, pH electrode; R, rotameter; T, tower fermenter; TI, thermocouple; V, valve; W, vertical lift-check valve. Reprinted with permission from Ref. [52]. Copyright [1983], John Wiley and Sons.
Positioning gas–liquid (G-L) ejectors above the culture’s free surface minimizes power requirements by eliminating the need to overcome the hydrostatic pressure exerted by the liquid column (ρL g HF). When the ejector is submerged, the pump must work against this pressure in addition to the pressure required for recirculation and air aspiration. Placing the ejector above the surface removes this hydrostatic pressure component from the pump’s workload, thus significantly reducing overall power consumption. This approach allows for flexibility in pilot-scale fermentation unit design, incorporating various nozzle types [53]:
- Nozzles with independent gas and liquid inlets, allowing for autonomous control of gas and liquid flow rates and precise manipulation of the gas–liquid ratio.
- Two-phase flow nozzles, with or without suction chambers and mixing sections, offering a range of mixing intensities and allowing for optimization of mass transfer.
- Free liquid jet nozzles positioned at varying distances from the liquid-free surface (both above and below the critical jet length), providing control over the jet’s impact and gas entrainment, influencing bubble size and oxygen transfer efficiency.
Several authors have investigated gas holdup [54], hydrodynamics, and mass transfer [55,56,57,58] in jet loop airlift bioreactors with different configurations, including those without [59] or with a deflector [60]. Jet loop reactors have shown promise in treating diverse wastewater types, including those from cheese whey [61], slaughterhouses [62], breweries [63], and the soft drink industry [64].
Figure 2a shows a bioreactor equipped with a G-L ejector installed above the liquid-free surface to minimize the compression power (used, for example, to produce single-cell protein, SCP, from whey [65] or to treat domestic wastewater or animal manure). However, this arrangement can hinder the achievement of a homogeneous gas bubble distribution in the liquid mass, unlike the system shown in Figure 1. In a system like that shown in Figure 2a, the oxygen transfer rate is influenced by the ratio between the length of the free jet and the nozzle diameter, with an exponent of 0.2 within the range of 8–300 [66]. Furthermore, as the maximum penetration of the liquid jet beyond the liquid free surface is directly related to the kinetic energy of the liquid jet efflux from the nozzle (with an exponent of 0.22–0.33) [66], gas bubbles entrained by the liquid jet might not reach the bottom of the vessel, particularly with increasing liquid head at a constant total volume, thereby diminishing the aeration system’s efficiency. To address this limitation, the fermenter manufactured by Vogelbusch GmbH (Vienna, A) (see Figure 2b) incorporated a larger diffuser, spanning most of the reactor. This design was aimed at ensuring sufficient G-L contact time and, consequently, a higher oxygen transfer rate. However, the penetration of the liquid jet beyond the free surface was significantly reduced compared to the system in Figure 2a due to the pressure required to aspirate air from the environment.
Figure 2.
Sketches of hydrodynamically stirred tank bioreactors: (a) plunging-jet loop reactor; (b) IZ-Deep Jet Aerator fermenter (Vogelbusch Gmbh, Vienna, A); (c) plunging-jet channel reactor. Symbols: AD, aeration system; PC, centrifugal pump; PCS, submerged centrifugal pump.
For optimal G-L contact, extending the diffusion-mixing channel to the bottom of the reactor (Figure 2c) appears to be the most effective solution. To mitigate the risk of gas bubble disruption and potential cavitation within the pump, the recirculation liquid should be extracted from the vessel’s bottom using a self-priming centrifugal external pump. This approach simplifies installation and maintenance compared to the configuration shown in Figure 2b. Finally, the adoption of an external recirculation circuit enables the integration of a suitable heat exchanger, relieving the heat transfer challenges commonly encountered in mechanically and pneumatically agitated reactors.
With specific reference to the hydraulically agitated fermentation units of the ejector-loop fermenter (ELF) type [52], or Plunging-Ejector Channel Tank-Reactor (PECTR) type [67], the design of a fermenter of volume VF involves the definition of the following:
- (a)
- numerous geometric parameters characterizing the size of
- the fermenter [e.g., diameter (DF) and height (HF)];
- the ejector [i.e., diameters of the inlet (DA), outlet (DD), nozzle (DN), and throat (DG) sections, and lengths of the diffuser (LD) and throat (LG) sections];
- the recycling circuit [i.e., diameter (DR) and length (LR)];
- (b)
- a few operating variables, such as
- the recycling or motive flow rate (Qm);
- the pressures at the nozzle (PN);
- the pressure at the liquid free surface (PL).
Figure 3 presents a schematic of the convergent–divergent gas–liquid ejector used in the experiments, illustrating the key dimensions, including the diameters of the inlet (DA), outlet (DD = DA), throat (DG), and nozzle (DN) sections, and the length of the diffuser (LD).
Figure 3.
Schematic of a convergent–divergent gas–liquid ejector, dimensioned based on the diameters of the inlet–outlet (DA), throat (DG), and nozzle (DN) sections.
Moresi and Trunfio [53] attempted to optimize the design and operation of gas–liquid ejectors as aerators in bioreactors, focusing on key operating parameters such as the flow rate of aspirated air (Qe), the pressure (PN) and flow rate (Qm) of the motive fluid at the nozzle section, and the oxygen transfer coefficient (kLa) for two setups: one at 50 L (lab scale) and one at 1000 L (pilot scale). Both setups included components such as a tank, a pump, a rotameter, and a gas–liquid ejector. The lab-scale ejector used nozzles with diameters (DN) of 2, 4, and 6 mm. The pilot-scale ejector had a 15 mm nozzle. With water as the motive fluid, the aspirated air flow rate (Qe) was measured in both setups by varying the pressures PL and PN. The oxygen transfer rate was determined using the sulfite method [68].
In the ejector-loop fermenters shown in Figure 1 and Figure 2, the power input (NP) for aeration and mixing is calculated as the product of liquid flow rate (Qm) and the pressure difference (PN − PD) between the ejector nozzle and diffuser [52]:
NP = Qm (PN − PD)
This calculation excludes the power consumed by the recycle pump to overcome frictional losses in the loop, as these losses do not directly impact mass transfer. The pressure difference (PN − PD) is proportional to the kinetic head of the liquid at the nozzle [52], expressed as:
where λ is an empirical coefficient accounting for pressure losses due to turbulent flow through the nozzle.
Due to the complex nature of fluid flow within an ejector, empirical models derived from dimensional analysis are generally more suitable for predicting performance than theoretical models based solely on mass and momentum conservation principles. This was experimentally and theoretically confirmed by Thorslund and Jørgensen [69], who demonstrated the reliable characterization of jet loop fermenter performance by utilizing a few dimensionless numbers, such as Euler and Bodenstein numbers.
Based on experimental data obtained from both the lab-scale (50 L) and pilot-scale (1000 L) tanks equipped with gas–liquid ejectors, dimensional analysis revealed how the ejector’s geometry and operating conditions influence its aeration capacity [53]:
where vLN is the motive fluid velocity in the nozzle section; DA, DG, and DN are the ejector outlet, throat, and nozzle diameters; and HF is the fermenter height.
Equation (5) indicates that Qe increases with the square of the motive fluid velocity, a power of five-thirds for the nozzle diameter, and the square root of the suction pipe diameter. Conversely, it decreases with the square root of the fermenter height and a power of one-fourth for the ejector throat diameter. In simpler terms, the ejector’s efficiency in mixing gas and liquid is influenced by factors such as fluid velocity, nozzle and pipe dimensions, and reactor height.
The volumetric oxygen transfer coefficient (), a key parameter for assessing oxygen transfer in the aforementioned lab- and pilot-scale ejector units, was found to be dependent on the ejector’s operating conditions and geometric parameters [53]:
Equation (6) shows that kLa is independent of the ejector circuit layout and increases linearly with the fermenter diameter (within the experimental range), with a power of 2/3 for the ejector nozzle diameter, and with a power of 2.5 for the motive fluid velocity in the nozzle. It decreases, however, with the cube of the ejector throat diameter and the fermenter height to the power of one-eighth.
Since Equation (6) was based on data collected in the ejector systems mentioned above [53], it cannot be reliably extrapolated to larger scales. Despite the apparent maximization of mass and momentum transfer effectiveness in the ejector device [69], further research is still needed to systematically investigate this correlation, varying the ejector loop configuration and number of ejectors in fermenters of different diameters to better understand the interplay between these parameters and potentially develop design guidelines for optimizing ejector-loop fermenters across a wider range of scales.
A new fermentation unit, designated the Plunging-Ejector Channel Tank-Reactor (PECTR), was developed using a 1000 L tank with two ejectors in parallel. The PECTR featured a more uniform gas bubble distribution within the culture broth and higher oxygen mass transfer rates [70]. The culture broth was recirculated to maintain a superficial fluid velocity in the nozzle section below 30 m/s to prevent cell wall destruction. This allowed for the cultivation of Candida utilis on grape must-based media, yielding slightly less biomass per unit substrate consumed (0.54–0.55 g/g) [70] than the 0.57–0.60 g/g achieved with conventional 35 and 1000 L stirred fermenters operating under constant stirring (720 rev/min) and aeration (15.7 m3/h) rates [71]. This difference in biomass yield was due to an oxygen transfer coefficient (approximately 200 h−1) roughly half that measured in the 1000-L stirred fermenter (417 h−1) [71].
Based on the successful results from the lab- and pilot-scale prototypes, a pilot-scale multifunctional fermenter with both pneumatic and hydraulic agitation capabilities was constructed (Figure 4). The process sizing of this fermentation unit was articulated in the following phases:
- (a)
- Defining the geometric parameters to characterize the fermenter’s architecture.
- (b)
- Sizing the aeration and sterilization systems (for both liquid and gas streams), the heat exchanger, recycling loops, and ancillary equipment (water, steam, compressed air, and electrical power).
- (c)
- Sizing the fermenter’s mechanical components and the necessary civil works (foundations and platforms).
These results are detailed below.
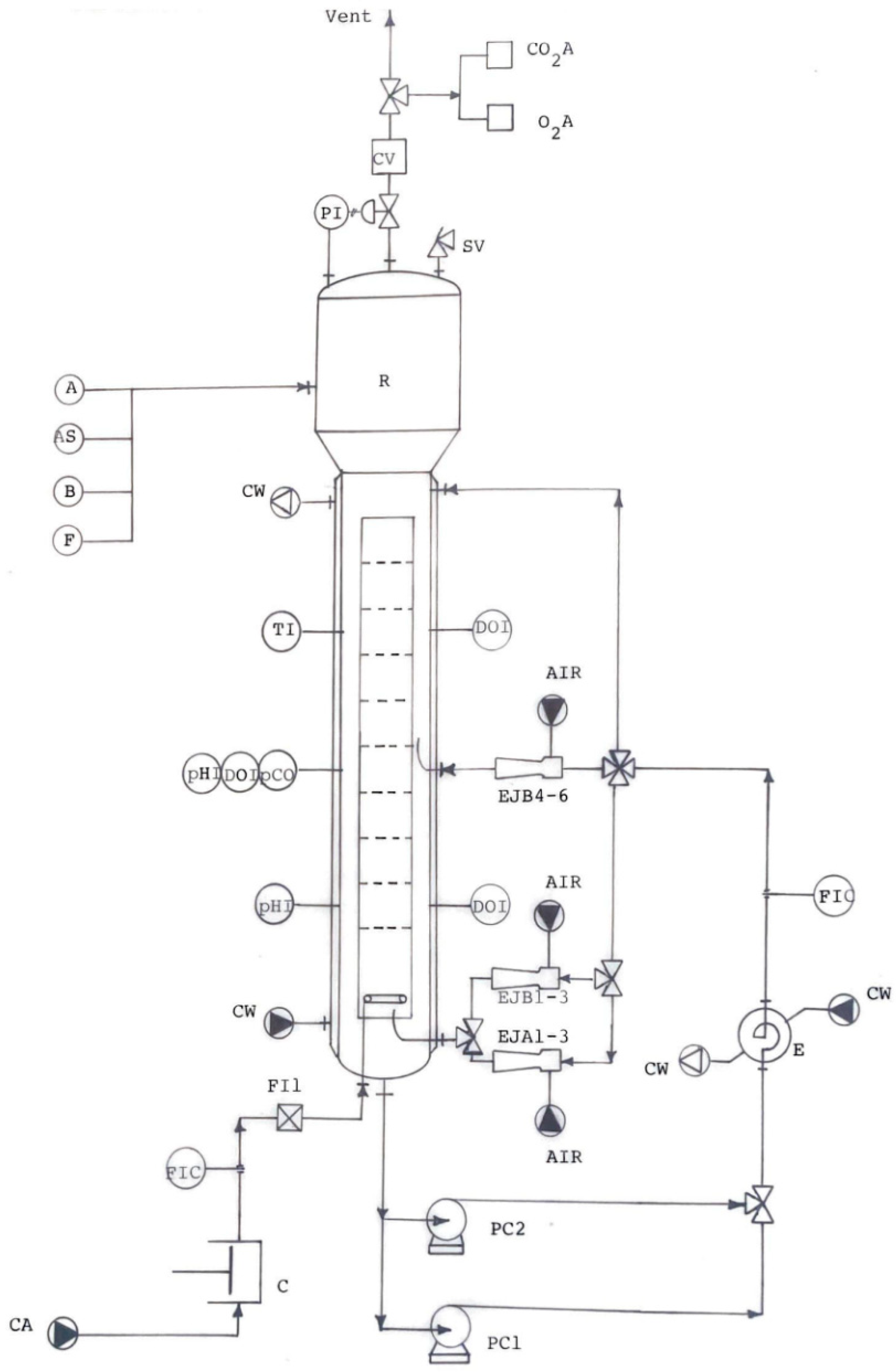
Figure 4.
Schematic diagram of the pilot-scale multifunctional bioreactor unit. Symbols: A, acid solution; AS, antifoam reagent; B, alkaline solution; C, reciprocating air compressor; CA, compressed air; CO2A, infrared CO2 analyzer; CV, volumetric counter; CW, cooling water; DOI, dissolved oxygen electrode; E, spiral heat exchanger; EJA1-3, 15 mm nozzle device; EJB1-6, 8 mm nozzle device; F, feed broth; FIC, flow indicator and controller; FI1, sterile gas filter; O2A, paramagnetic oxygen analyzer; PC, centrifugal pump; pCO, dissolved carbon dioxide electrode; pHI, pH electrode; PI, manometer; SV, safety valve; TI, thermocouple.
Figure 4.
Schematic diagram of the pilot-scale multifunctional bioreactor unit. Symbols: A, acid solution; AS, antifoam reagent; B, alkaline solution; C, reciprocating air compressor; CA, compressed air; CO2A, infrared CO2 analyzer; CV, volumetric counter; CW, cooling water; DOI, dissolved oxygen electrode; E, spiral heat exchanger; EJA1-3, 15 mm nozzle device; EJB1-6, 8 mm nozzle device; F, feed broth; FIC, flow indicator and controller; FI1, sterile gas filter; O2A, paramagnetic oxygen analyzer; PC, centrifugal pump; pCO, dissolved carbon dioxide electrode; pHI, pH electrode; PI, manometer; SV, safety valve; TI, thermocouple.

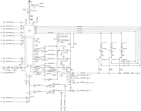
3. Multifunctional Pilot-Scale Bioreactor: Process Flow Scheme
Figure 5 illustrates the piping and instrumentation (P&I) process flow diagram of the pilot-scale fermentation unit, which was mechanically designed by C.e.m.i SpA (Cisterna di Latina, Italy) and constructed at Rasa-Realtur SpA (Manfredonia, Italy) in 1989. The unit comprises a column bioreactor (T-1) with a 0.6 m internal diameter and a height of 3.5 m, including an internal draft tube (0.36 m in diameter, 2.8 m in height) accommodating up to six perforated plates (3 mm hole diameter, 8 mm triangular pitch). This tower bioreactor is coupled to a foam separator of 0.8 m in diameter and 1.2 m in height, both equipped with toroidal closures.
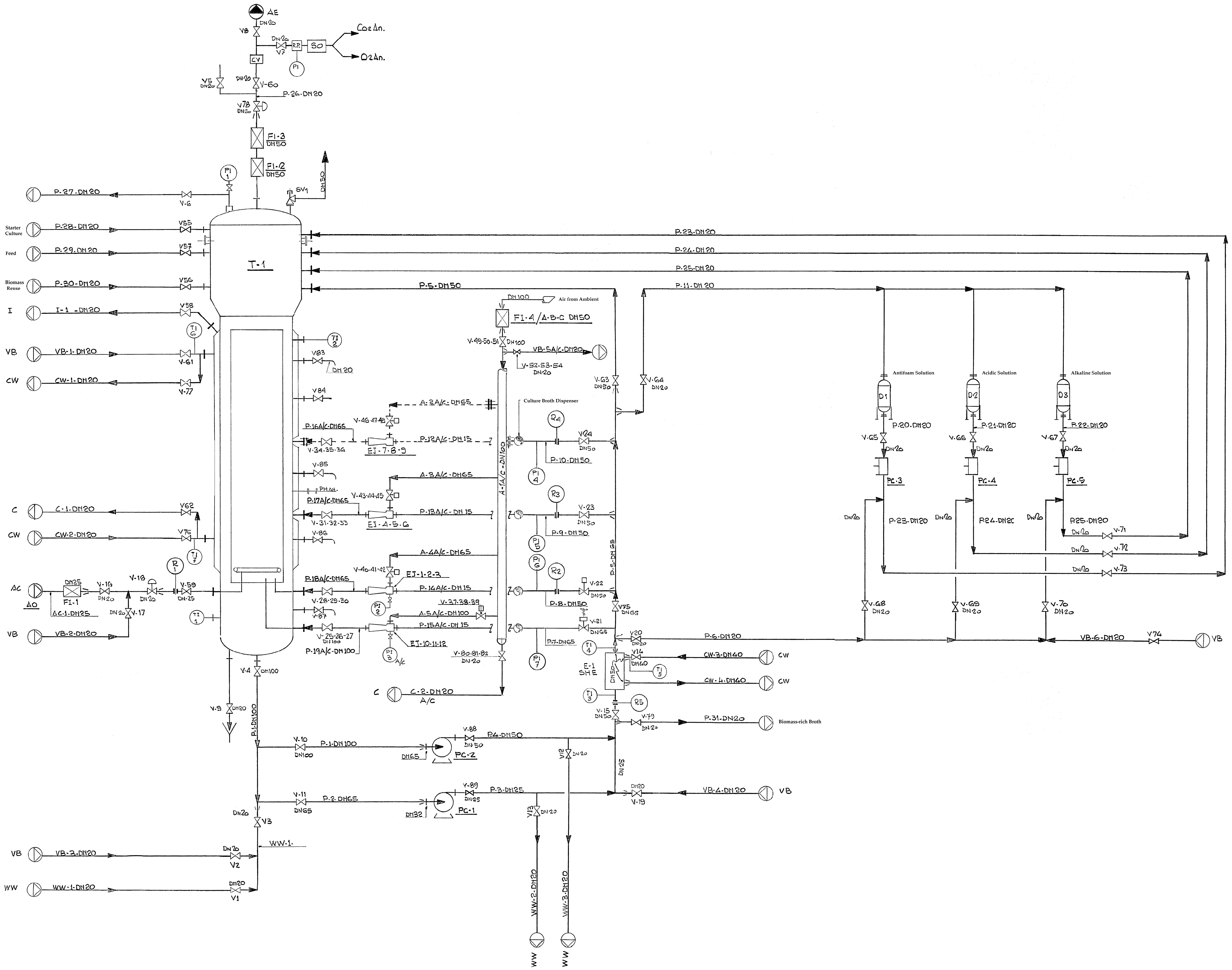
Figure 5.
Piping and instrumentation (P&I) process flow scheme of the pilot-scale fermentation unit described in this work. AC, compressed air; AE, exhausted air; C, condense; CW, cooling water; D, tank; DN, nominal diameter; EJ, ejector; FI, aseptic gas filter; I, air venting; PC, centrifugal pump; PN, nominal pressure; R, rotameter; SHE, spiral heat exchanger; SV, safety valve; T, tower fermenter; TI, temperature indicator; V, manual valve; VB, steam at 5 bar; WW, washing water.
A self-priming centrifugal pump (PC-1) recirculates the culture broth through the spiral heat exchanger (E-1), while another self-priming centrifugal pump (PC-2) powers 12 convergent–divergent G-L ejectors (EJ-1 through EJ-12) to aerate the fermenter. Several rotameters were used to measure the gaseous (R-1) and liquid (R-2 to R-5) flow rates, while a volumetric counter (CV) determined the effluent gas flow rate.
The manometer (Pl-1) monitored the pressure on the free liquid surface of T-1, while manometers (PI-4 through PI-7) and vacuum gauges (PI-2 to PI-3) measured the pressure on the four motive fluid distribution rings and ejector suction ports, respectively.
Of the various sterile filters, FI-1 was employed for compressed air, FI-2 and FI-3 for exhausted gases, and FI-4 for aspirated ambient air.
The foam level and pH of the fermenting broth were monitored by sensors that automatically triggered the feeding of antifoam or acidic/alkaline solutions. These solutions were stored in tanks D-1, D-2, or D-3, and dispensed using reciprocating dose pumps PC-3, PC-4, or PC-5.
The computer processing system used for fermentation control and monitoring is shown in Figure 6. Controlled parameters included air and liquid flow rates, fermentation temperature, tower-top pressure, pH, and foam level. Monitored parameters included temperatures and pressures at various points in the fermenter, liquid level, chimney base vacuum pressure, entrained air flow rate, dissolved oxygen, and carbon dioxide concentrations, and their volumetric fractions in the effluent gas.
Figure 6.
Block diagram of the computer processing system used to control and monitor the fermentation time course in the pilot fermenter: A, analog; D, digital.
Figure 7 provides an overview of the fermentation unit, highlighting specific components like the foam separator (Figure 7b,c), column (Figure 7d,e), ejector (Figure 7f), and spiral heat exchanger (Figure 7g).
The pilot fermentation unit can operate in both airlift (pneumatic) and ejector-loop reactor (hydraulic) modes, following washing and sterilization procedures, as reported below.
Figure 7.
Views of the pilot-scale fermentation unit: (a) overall view; (b) top view of the foam separator’s upper section; (c) front view of the foam separator; (d) front view of the column–separator connection; (e) mid-height front view of the fermenter column; (f) ejector with external air intake channel; (g) spiral heat exchanger.
Figure 7.
Views of the pilot-scale fermentation unit: (a) overall view; (b) top view of the foam separator’s upper section; (c) front view of the foam separator; (d) front view of the column–separator connection; (e) mid-height front view of the fermenter column; (f) ejector with external air intake channel; (g) spiral heat exchanger.

4. Multifunctional Pilot-Scale Bioreactor: Construction Design Details
Figure S1 in the electronic supplement shows the plan views of the pilot fermenter at two elevations (i.e., 4.2 and 8.4 m above ground level). It also illustrates a side view of the support structure, showing the floors at different elevations (i.e., 2.4, 4.2, 6.3, and 8.2 m), the lifting hook at 12 m above ground level, and the location of the access ladder.
Figure S2 shows the main details of the floor plans of the support structure at different elevations (i.e., 0.0, 2.4, 4.8, 7.2, and 9.96 m above ground level), and the roof plan. It also includes detailed drawings of the front and side views of the structure, alignments of the structural elements, and the base plate of the structure that supports the entire assembly.
Figure S3 shows a detailed drawing of the tower fermenter, including specific details such as the vent hole, upper flange (connecting the foam separator to the upper closure), intermediate flange (connecting the base of the truncated conical foam separator to the fermenter cylinder), and lower flange (connecting the fermenter cylinder to the lower closure). It also includes plans of the six- and three-ejector ring connections, the internal draft tube with holed plates, tie rods, lifting lugs, supports, spacers, and nozzles 5A to 5C.
Table 1 lists the main design parameters of the tower fermenter. Its stainless-steel shell was designed with a thickness of 5 mm to withstand a design pressure of 6 bar and a temperature of 150 °C, this involving a maximum deviation of its circular shape from a perfect circle of 1%. To ensure the vessel’s structural integrity, prevent catastrophic failures, and comply with all safety regulations, a comprehensive safety inspection was conducted. This included a penetrant liquid inspection and radiographic examination to identify internal defects like cracks, porosity, and or a lack of fusion. The inspection aimed to assess welding quality and verify compliance with Italian codes and standards.
Table 1.
Key design parameters for the pilot fermenter.
Table S1 provides a breakdown of the materials used for the different components of the pilot fermenter unit. Most of the materials used were specific grades (A, B, BB) of stainless steel, as standardized by the American Society for Testing and Materials (ASTM) and American Iron and Steel Institute (AISI). In particular, the designation AISI 304 indicates a stainless-steel alloy primarily consisting of iron, chromium, and nickel, with good corrosion resistance and workability, while AISI 316L is a low-carbon version of 316 stainless steel enriched with molybdenum with superior corrosion resistance, especially in chloride-containing environments, compared to AISI 304.
Table S2 details the various ports and connections of the pilot-scale fermenter shown in Figure S3a. Each port is assigned a numerical identifier and described by its nominal diameter, pressure rating, flange type, and pipe stub dimensions, as well as its specific function, such as being an inlet for a specific medium (e.g., air, water, culture broth), an outlet for a product or waste stream, or a connection for a sensor or instrument.
Figure S4 highlights key components (i.e., jacket, nozzle no. 18, nameplate, sight glasses, reinforcement plates, flange connections, and sections S1–S10) of the pilot-scale fermenter, together with a visual representation of the fermenter’s main body, while Table S3 includes information on the welding process, materials, and methods used to inspect each weld quality, such as radiographic testing (RX) or liquid penetrant inspection (LPI).
5. Multifunctional Pilot-Scale Bioreactor: Main Operations
The following sections will outline the procedures for various operations of the pilot bioreactor, including preparatory steps such as washing and sterilization. Additionally, the bioreactor’s operation will be described in two modes: as a pneumatically agitated system with internal or external culture broth recirculation, or as a hydraulically agitated system utilizing ejectors fitted with 8 mm or 15 mm nozzles.
5.1. Washing Phase
A conventional cleaning-in-place (CIP) cycle involves the following washing cycles, using (1) water; (2) an alkaline solution (2.5% NaOH); (3) water; (4) an acidic solution (2.0% nitric acid); (7) water [72]. Each washing liquid was heated at 50 °C and recirculated for at least 30 min. It consists of the following sequential instructions:
- Fill the fermenter T-1 with the appropriate washing liquid by closing all valves except V-1, V-3, V-4, and V-6 (see Figure 5), until the liquid overflow through valve V6.
- To wash the external recirculation circuit, close valve V-1, open valves V-11, V-89, V-15, V-75, and V-63, and activate the centrifugal pump PC-1. This allows the washing liquid to be recirculated between T-1 and the external loop through the spiral heat exchanger E1.
- To wash the ancillary tanks D1, D2, and D3 and their piping, close valve V-63 and open valves V-64, V-65, V-66, V-67, V-71, V-72, and V-73.
- To wash the ejector circuit, close valves V-11, V-89, and V-64, and open valves V-10, V-88, V-21, V-25, V-26, and V-27. Recirculate the washing solution through ejectors EJ-10 to EJ-12 via pump PC-2. Then, close V-21 and open valves V-22, V-23, V-24, and V-28 through V-36 to recirculate the solution through the ejectors EJ-1 to EJ-9 via pump PC-2.
- To end each washing cycle, open valves V-9, V-11, V-89, V-12, and V-13 and activate both pumps PC-1 and PC-2 to empty the bioreactor T-1.
- After cleaning, all valves are closed.
5.2. Sterilization Phase
The sterilization phase includes the following operations:
- Half-fill fermenter T-1 with demineralized water by closing valves V-9, V-10 and V-11, and V-25 through V-36, and opening valves V1 and V-3.
- Sterilize fermenter T-1 by closing valves V-1 and V-6, and opening valves V-2, V-17, and V-59 to sparge steam at 5 bar. Heat the demineralized water to 121 °C (ca. 2.5 bar). Then, open valve V-5 and regulate V-78 to maintain the pressure at 2.5 bar for at least 15 min.
- Sterilize the external recirculation circuit by opening valves V-11, V-89, V-15, V-75, and V-63, and sparging steam through V-19.
- Sterilize ancillary tanks D1, D2, and D3 by opening their vent valves and valves V-64, V-65, V-66, V-67, V-68, V-69, and V-70 and sparging steam through valve V-74. Sterilize the tank piping by closing valves V-65, V-66, and V-67 and opening valves V-71, V-72, and V-73.
- Sterilize the ejector circuit by closing valves V-11 and V-63, and opening valves V-21 through V-48.
- End the sterilization phase by opening valves V-4, V-5, V-9 through V-13, V-49 through V-51, V-88 and V-89 to empty fermenter T-1.
- After this phase, all valves are closed.
5.3. Pneumatic Operation
Fermenter T-1 can be pneumatically agitated using either internal or external recirculation of the culture broth, excluding the ejector circuit. Various parameters, such as air flow, temperature, and pH, are controlled using a combination of manually operated and computer-controlled valves.
5.3.1. Internal Recirculation
This procedure involves the following steps:
Initialization:
- Ensure all valves are closed.
Fermenter loading:
- Open valves V-5, V-6, and V-78.
- Load the fermenter with culture broth using V-57.
- Close valves V-5, V-6, and V-57.
Controlling Operations:
- Open valve V-60 to monitor exit gas flow using the volumetric counter (CV).
- Open valves V-71 to V-73 to dispense antifoam or acid/alkaline solutions as needed.
- Open manual valves V-16 and V-59 to aerate the fermenter with compressed air.
- Control air flow using proportional electro-valve V-18 to meet microbial oxygen demand.
- Control dome pressure using electro-valve V-78.
- Control fermentation temperature by circulating cooling water (CW) through the fermenter jacket using valves V-76 and V-77.
- Control gas flow to the O2 and CO2 analyzers using valves V-7 and V-8.
- Control foam by dosing an antifoam solution from D-1 using valve V-65 and pump PC-3.
- Control pH by dosing acid/alkaline solutions from D-2 or D-3 using V-66 or V-67 and pump PC-4 or PC-5.
Shutdown:
- Close all valves.
5.3.2. External Recirculation
Unlike internal recirculation, this mode utilizes a pump (PC-1) to circulate the culture broth through an external heat exchanger (E-1) for temperature control. While it shares the same initialization, fermenter loading, controlling, and shutdown operations, it involves these additional steps:
- Open valves V-4, V-11, V-89, V-15, V-75, and V-63 to enable culture broth recirculation between T-1 and E-1.
- Start pump PC-1.
5.4. Hydraulic Operation
Fermenter T-1 can be hydraulically agitated by externally recirculating the culture medium through nine ejectors (EJ-1 to EJ-9) equipped with 8 mm nozzles or three ejectors (EJ-10 to EJ-12) equipped with 15 mm nozzles. This creates a vacuum in the ejector’s aspiration chamber, drawing in air to oxygenate the culture medium. This procedure follows the same initialization, shutdown, and control steps for gas flow, dome pressure, medium temperature, foam, and pH as the pneumatic operations, with the addition of specific valve operations for the two ejector systems.
5.4.1. Use of Ejectors with 8 mm Nozzles:
- Valve activation: open valves V-22 to V-24, V-28 to V-36, and start pump PC-2.
- Vacuum generation: culture broth flows through the 8 mm nozzles of ejectors EJ-1 to EJ-9, creating a vacuum, detected by PI-2.
- Air intake: based on PI-2 signal, valves V-40 to V-48 and V-49 to V-51 open, allowing ambient air to be drawn in through intake ducts A-1/A to A-1/C, each equipped with sterile filters FI-4/A to FI-4/C.
- Flow control: to meet microbial oxygen demand, culture broth flow rate is monitored using the flow meter R5 and controlled using valve V-15. The partial flow rates feeding the three rings of ejectors are regulated by valves V-22 to V-24.
5.4.2. Use of Ejectors with 15 mm Nozzles
- Valve activation: open valves V-21, and V-25 to V-27, and start pump PC-2.
- Vacuum generation: culture broth flows through the 15 mm nozzles of ejectors EJ-10 to EJ-12, creating a vacuum in their aspiration chambers, as detected by vacuometer PI-3.
- Air intake: based on the PI-3 signal, valves V-37 to V-39 and V-49 to V-51 open, allowing ambient air to be drawn in through intake ducts A-1/A to A-1/C, each equipped with sterile filters FI-4/A to FI-4/C.
- Flow control: culture broth flow rate is measured by R5 and controlled using valves V-15 and V-21 to meet microbial oxygen demand.
5.5. Preheating Phase Using the Fermenter Jacket
Once fermenter T-1 is filled with a washing solution or culture medium, low-pressure steam (VB) is injected into the fermenter jacket by opening valve V-61. The vent V-58 is then kept open until steam starts flowing out. Once steam flow begins, V-58 is closed, and valve V-62 is manually regulated to allow condensate to be discharged.
5.6. Cooling Phase via the Fermenter Jacket
Once fermenter T-1 is filled with a washing solution or culture medium, vent V-58 is opened, and cooling water (CW) is supplied by manually regulation of valve V-76. Once cooling water starts flowing out, V-58 is closed, and valve V-77 is opened to allow CW to flow out.
6. Materials and Methods
6.1. Microorganisms
Kluyveromyces fragilis I872 and Schwanniomyces castellii 3754 (IMAT, Perugia, Italy) were used as microorganisms. Stock cultures were maintained on whey (WA) and potato dextrose (PDA) agar slants, respectively.
6.2. Fermentation Procedures
6.2.1. Cultivation of K. fragilis
Skim milk powder (3% moisture, 70% lactose, 12.5% protein, 7–8% ash) was dispersed in water and deproteinized via acid thermocoagulation at pH 5.10 and 90 °C for 30 min. The resulting mixture was filtered through a diatomaceous earth precoat. The filtrate was diluted with water to achieve a lactose concentration of 20 g/L and supplemented with ammonium sulfate (2.85 g/L), tripotassium phosphate (1.35 g/L), and yeast extract (0.6 g/L). This nutrient supplementation aligns with previous laboratory [73]- and pilot [74,75]-scale batch tests. The pH was adjusted to 5.1 with sulfuric acid and the medium was pasteurized at 90 °C for 30 min. Yeast cells from the WA slant were aseptically transferred to 15 × 500 mL shake flasks containing 100 mL of the above medium and incubated at 31 °C for 24 h. The cell suspension was aseptically transferred to a 30 L stirred tank fermenter containing 27 L of the same medium. The fermentation was carried out at a pH of 5.1, at 31 °C, with a stirring speed of 500 rev/min, and an aeration rate of 3.33 vvm. When the reducing sugar concentration fell below 2 g/L, the culture was transferred to a pilot fermenter containing 970 L of the same medium. The fermenter was operated as a bubble column by sparging air at a flow rate of 30 (STP)m3/h and recirculating the broth using the centrifugal pump PC-1. The dome pressure was kept at 1.2 bar. Alternatively, the fermenter was operated as an ejector-loop bioreactor by recirculating the broth through six small ejectors (8 mm nozzles) using the centrifugal pump PC-2 at a flow rate of 18.6 m3/h and a discharge pressure of 13.8 bar.
6.2.2. Cultivation of S. castellii
The culture medium for S. castellii was prepared by suspending 9.38 g/L of corn starch in an aqueous solution containing ammonium sulfate (3.28 g/L), monobasic potassium phosphate (1.64 g/L), and yeast extract (0.3 g/L). This nutrient composition is consistent with previous batch laboratory-scale studies [76,77]. The pH was adjusted to 5.3 and the medium was sterilized at 121 °C for 15 min. The inoculum was developed by transferring yeast cells from a PDA slant into 30 × 500 mL shake flasks containing 100 mL of the sterile germination medium and incubating at 30 °C for 44 h. The cell suspension was aseptically transferred to a 30 L stirred tank fermenter containing 27 L of the germination medium, consisting of corn starch (30 g/L), ammonium sulfate (7.5 g/L), potassium monophosphate (3.75 g/L), and yeast extract (1.2 g/L), which was sterilized at 121 °C for 15 min, once its pH had been adjusted to 5.3. The fermentation was carried out at 30 °C, a pH of 5.3, 500 rev/min, and 3.33 vvm for 22 h. The resulting cell suspension was then transferred to the pilot-scale fermenter, which had been prefilled with 970 L of the above germination medium.
6.3. Analytical Methods
Samples were withdrawn from the pilot-scale fermenter at regular intervals and centrifuged at 3500 rev/min for 15 min. The supernatant was analyzed for residual starch (as a glucose equivalent after acid hydrolysis at 105 °C for 2 h) or lactose (Fehling method), and ammonia nitrogen (Kjeldahl method) [78]. The cell pellet was washed twice with distilled water, dried at 105 °C for 16 h, and weighed to determine the dry cell weight. When needed, the residual cell mass was checked for being free of residual starch.
6.4. Oxygen Transfer Rate (OTR) Determination
The OTR was determined using the sulfite oxidation method [68]. A known volume (VL) of 0.25 mol/L sodium sulfite solution was added to the pilot-scale fermenter and heated to 30 °C. After adding a catalyst (10−3 mol/L copper sulfate), aeration or liquid recirculation was initiated. Once the equilibrium Cu2+/Cu+ ratio was established and a steady-state oxygen level was reached, 100 mL samples were withdrawn at intervals and titrated with sodium thiosulfate to determine the residual sulfite concentration, using starch as indicator. The OTR and volumetric oxygen transfer coefficient (kLa) were calculated from the rate of sulfite consumption. These determinations were carried out by operating the pilot-scale bioreactor in three different modes:
- (a)
- Bubble column: air was sparged at two different flow rates, and the dome pressure was adjusted to two different values.
- (b)
- Bubble column with external recirculation: the sulfite solution was recirculated through the spiral heat exchanger E-1 using the centrifugal pump PC-1.
- (c)
- Ejector-loop fermenter: the sulfite solution was recirculated through the spiral heat exchanger E-1 and either six 8 mm or three 15 mm ejectors using the centrifugal pump PC-2.
6.5. Statistical Analysis
All replicated experiments were analyzed using statistical methods to determine mean values, standard deviations, and significant differences (Tukey’s test, p = 0.05).
7. Results
7.1. Oxygen Transfer Rate (OTR) Determination
Table 2 shows the mean values and standard deviations of oxygen transfer rates (OTR) and estimated volumetric oxygen transfer coefficients (kLa) when the pilot fermenter was operated as an airlift (ALF) or ejector-loop (ELF) fermenter at 30 °C under different operating conditions.
Table 2.
Mean values and standard deviations of OTR and estimated kLa values referred to the operation of the pilot fermenter as airlift (ALF) or ejector-loop (ELF) fermenters at 30 °C, and with different operating conditions.
Table 2 also lists the compressor brake power (Nad) and recycle pump (NP) power, calculated using Equations (2) and (3), respectively.
It can be observed that the oxygen transfer rate (OTR) from the gas phase to the liquid phase is generally higher in the ejector-loop fermenter compared to the airlift fermenter. This suggests that the ejector-loop design creates a more favorable environment for mass transfer by increasing mixing intensity and reducing the size of gas bubbles, especially when using the ejectors with the smaller nozzle diameter. However, this enhanced mass transfer is associated with higher electricity consumption per unit volume of fermenting medium. A more comprehensive analysis, considering a wider range of operating conditions and additional parameters, is needed to draw definitive conclusions and optimize the performance of these bioreactors for specific applications. For instance, yeast cultivation on two different substrates will be examined below.
7.2. Cultivation of K. fragilis
Figure 8 shows the time course of K. fragilis growth on a deproteinized whey-based medium, as carried out in the pilot fermenter, the agitation of which was achieved in the following manner:
Figure 8.
Time course of deproteinized whey fermentation by K. fragilis in the pneumatically (open symbols) or hydraulically (closed symbols) agitated pilot bioreactor under the operating conditions described in Section 7.2: Experimental concentrations of lactose (L: ○, ●) and cells (X: △, ▲) against time (t).
- -
- Pneumatic agitation: through air sparging with external recirculation of the culture broth, through heat exchanger E-1 via centrifugal pump PC-1.
- -
- Hydraulic agitation: by air-driven ejection through nine ejectors equipped with 8 mm nozzles, with external recirculation of the culture medium via centrifugal pump PC-2.
The pilot fermenter top pressure was maintained at 1.2 bar, while pump flow rates were kept constant at 10 m3/h for PC-1 and 23 m3/h for PC-2.
As shown in Figure 8, both agitation methods exhibited comparable trends in cell growth and lactose utilization, suggesting that the choice of agitation modality under comparable oxygen transfer rates (Table 2) had a negligible impact on the overall fermentation performance in this specific system.
Table 3 summarizes the key operating parameters and biomass yield per unit of initial lactose (y = ΔX/L0) achieved in various laboratory- and pilot-scale fermenters employed for K. fragilis whey fermentation. Table 3 includes data from stirred tank reactors (SF), airlift fermenters (ALF), and ejector-loop fermenters (ELF). Fermentation conditions were maintained at a constant pH of 5.1, a constant temperature (T), and a constant initial lactose concentration (L0). More specifically, T ranged from 30.0 to 33.9 °C, while L0 varied from 19.2 to 23.4 g/L. It is important to note that slight variations in initial COD values may have occurred due to differences in whey deproteinization efficiency across the different operating scales.
Table 3.
Whey fermentation by K. fragilis in laboratory- and pilot-scale fermenters: operating conditions and biomass yield (y).
Moreover, Table 3 highlights the diversity in impeller stirring rate (N), air flow rate (QA), and motive/recycling liquid flow rate (QR) across these different fermenter configurations. It is noteworthy that the biomass yield (y) remained relatively consistent across the different fermenter types and operating conditions, suggesting that in this specific case biomass production may not be significantly influenced by the choice of fermentation system. However, the selection of the most suitable fermentation system for industrial applications should prioritize energy efficiency. This includes minimizing energy consumption associated with mechanical stirring, air compression, or liquid recirculation. Specifically, the airlift configuration appeared to be the most energy-efficient option for cultivating K. fragilis with whey.
7.3. Cultivation of S. castellii
Figure 9 depicts the growth of S. castellii over time on a fermentation medium rich in potato starch, while Figure 10 shows the potato starch consumed (ΔS = S0 − S) against the biomass formed (ΔX = X − X0).
Figure 9.
Time course of potato starch fermentation by S. castellii in a laboratory-scale stirrer fermenter (SF: *, ✕), and pneumatically (ALF: ○, △) or hydraulically (ELF: ●, ▲) agitated pilot bioreactor under the operating conditions given in Section 7.2: Experimental concentrations of starch, expressed as D-glucose (S: *, ○, ●), and cells (X: ✕, △, ▲) against time (t). The continuous, broken, and dash-dotted lines were plotted using Equations (10) and (11) and refer to the fermentation trials carried out in SF, ALF, and ELF fermenters, respectively.
Figure 10.
Potato starch fermentation by S. castellii in a laboratory-scale stirred fermenter (SF: *) and pneumatically (ALF: ○) or hydraulically (ELF: ▲) agitated pilot bioreactor under the operating conditions reported in Section 7.2: Potato starch consumption, expressed as D-glucose (S0 − S), against cells formed (X − X0). The continuous, dash-dotted, and broken lines represent the least squares regressions, and refer to the fermentation trials carried out in SF, ALF, and ELF fermenters, respectively.
The experiments were conducted in a 15 L stirred fermenter, and the pilot fermenter operated as an airlift or ejector-loop fermenter, as reported in Section 7.2. In previous works [75,76,80], the time course of cell growth and substrate consumption in 8 to 1000 L stirred fermenters was effectively simulated using an unstructured pseudo-first order model, described by the following set of first-order differential equations:
where YX/S is the biomass yield per unit substrate consumed, X and S are, respectively, the microbial and substrate concentrations, t0 is the duration of the induction growth phase, and v is the specific growth rate. The model assumed pseudo-first order kinetics with respect to the limiting substrate concentration, likely because starch concentration was below the saturation constant (KS) of the Monod model:
where KI is the first-order growth-rate constant and S the concentration of the growth-limiting substrate. Integrating Equation (7) with Equations (8) and (9), the following are obtained:
with
where β is a kinetic parameter, expressed in h−1.
v ≈ KI S
Table 4 summarizes the primary operating conditions and estimated kinetic parameters. Biomass yield (YX/S) in the pilot fermenter ranged from 0.50 to 0.55 g/g, while laboratory-scale stirred fermenter (SF) tests consistently demonstrated a stable YX/S of 0.596 ± 0.080 g/g, independent of initial starch concentrations between 3.7 and 30.5 g/L [77]. Similarly, the specific growth rate (KI) exhibited a narrow range of 0.048 to 0.056 L/(g h), with no statistically significant difference (p = 0.05) observed across pilot fermenter trials. A longer lag phase of 1.5 h was observed in the pilot fermenter when using ejectors equipped with 8 mm nozzles for hydraulic agitation, attributed to the starter inoculum activity. Since the selection of the most suitable fermentation system for industrial application should prioritize minimal energy consumption, this condition was achieved with the airlift fermentation mode for this specific fermentation process.
Table 4.
Potato starch fermentation by S. castellii in laboratory- and pilot-scale fermenters at 30 °C and pH 5.3: Main operating conditions, biomass yield per unit substrate consumed (YX/S), and first order cell growth rate constant (KI).
8. Discussion and Conclusions
This study presents a detailed blueprint for researchers and engineers seeking to advance bioreactor technology and procedures for scaling up bioreactors. A novel pilot-scale bioreactor was designed and evaluated, encompassing detailed engineering and operational aspects. The bioreactor’s performance was assessed by cultivating yeasts on two distinct food processing waste streams: whey and potato wastewater.
Initial operation in an airlift mode with internal recirculation proved ineffective due to cell sedimentation at the bottom of the bioreactor, leading to non-homogeneous biomass distribution and variations in cell mass, protein content, and substrate utilization. Doubling air flow did not significantly improve homogeneity, suggesting that culture medium recirculation using pump PC-1 was crucial for maintaining a well-mixed culture. This highlights the critical role of controlled recirculation in achieving homogeneity within airlift bioreactors, especially at the pilot scale. Simply increasing airflow may not be sufficient, suggesting that the design of the recirculation system (pump characteristics, flow rates, and placement) is a critical factor for optimization. This also suggests that the settling characteristics of the specific microorganism should be carefully considered when designing airlift bioreactors.
The ejector-loop fermenter configuration with ejectors equipped with 8 mm nozzles resulted in a superficial liquid velocity in the nozzle section as high as 21 m/s. According to previous findings [52,75,76], the growth of K. fragilis, as well as that of S. castellii, was not harmed by the shear stresses exerted by the ejector and centrifugal pump. However, further trials aimed at producing gluconic acid from glucose syrups by Aspergillus niger were unsuccessful, with mycelial pellets being greatly disrupted by such high shear stresses. While this configuration demonstrated effectiveness for certain yeast strains, the failure with A. niger underscores the importance of considering the shear sensitivity of the target microorganism when selecting a bioreactor configuration. Our findings suggest a clear trade-off between oxygen transfer enhancement via ejector systems and the potential for shear damage. Researchers should carefully evaluate the shear tolerance of their chosen strain and optimize ejector design (nozzle size, velocity, number of ejectors) to minimize detrimental effects while maintaining adequate oxygen transfer. For shear-sensitive organisms, alternative aeration strategies (e.g., membrane aeration, gentle sparging) or gentler ejector designs (e.g., larger nozzle diameters, lower velocities, staged injections) should be explored. This also points to the need for predictive models that can assess shear stress in different bioreactor configurations.
In contrast, the draft tube airlift configuration was successfully used to scale up citric acid fermentation from glucose-based media by an industrial strain of Aspergillus niger in 400 m3 bubble column fermenters in the industrial plant of Palcitric SpA (Calitri, Italy) in the early 1990s [81]. This definitively demonstrates the potential of the multifunctional pilot fermenter described here for scaling up certain processes. This successful scale-up demonstrates the potential of the draft tube airlift configuration for industrial applications, particularly for processes where shear stress is less of a concern. The long-term industrial application of this scale-up provides strong evidence for the reliability and robustness of this approach. It also suggests that for certain filamentous fungi, the draft tube airlift design offers a suitable environment for scale-up. However, the transition from pilot to industrial scale also revealed the inherent challenges of scaling up bioprocesses. These challenges, especially in the context of novel precision fermentation, include the following:
- -
- Maintaining control and consistency over environmental parameters (temperature, pH, dissolved oxygen) in larger bioreactors. Our experience suggests that a modular approach to bioreactor design, integrating advanced sensor technologies (e.g., optical sensors, electrochemical sensors) and automated control systems (e.g., Proportional-Integral-Derivative controllers, model-predictive control), is crucial for consistent performance at larger scales. Furthermore, the development of robust control algorithms that can adapt to changing process conditions (e.g., through adaptive control or machine learning) is essential. This also necessitates robust process monitoring and data analysis capabilities.
- -
- Achieving consistent microbial performance at larger scales due to changes in hydrodynamic conditions, nutrient availability, and oxygen transfer. This highlights the need for a deeper understanding of the scale-dependent factors that affect microbial physiology. Computational fluid dynamics (CFD) modeling can be a valuable tool for predicting and mitigating these effects by simulating flow patterns, shear stress distribution, and nutrient gradients. Further research should focus on developing scaling strategies that minimize variations in key parameters like shear stress, nutrient gradients, and dissolved oxygen, perhaps through optimized impeller design, sparger placement, or staged nutrient addition. Microbial physiology studies at different scales are also crucial.
- -
- Implementing advanced process analytical technology (PAT) tools for real-time monitoring and control of key process parameters, which can be complex and expensive. Whereas PAT tools (e.g., spectroscopic methods, online biosensors, process imaging) may offer significant advantages, their cost and complexity can be prohibitive, especially for smaller companies. Future research should focus on developing cost-effective and easy-to-implement PAT solutions tailored to the specific needs of precision fermentation, perhaps through miniaturized sensors, standardized data formats, and open-source software platforms. The development of soft sensors (using process models to estimate unmeasured variables) could also be a cost-effective approach.
- -
- Optimizing processes for economic viability by addressing high capital and operational costs associated with scale-up. A holistic approach to process optimization is necessary, considering not only biological performance but also economic factors. This includes optimizing media composition (e.g., using less expensive substrates), process parameters (e.g., optimizing temperature and pH for productivity and yield), and downstream processing steps (e.g., minimizing purification steps). Life cycle assessment (LCA) can be a valuable tool for evaluating the environmental and economic sustainability of different scale-up strategies, considering factors like energy consumption, waste generation, and resource utilization. Techno-economic analysis (TEA) is also essential to assess the economic feasibility of the scaled-up process.
In conclusion, this work provides a substantial amount of data for designing and operating future bioreactors for sustainable bioprocessing. The findings highlight the potential of the developed system for efficient and scalable conversion of food waste into valuable products, particularly in the context of novel precision fermentation processes. Future research should prioritize advanced process control strategies, a deeper understanding of scale-dependent effects on microbial physiology, and cost-effective PAT solutions. Exploring novel bioreactor designs and aeration strategies to minimize shear stress and maximize oxygen transfer is also crucial. Integrating TEA and LCA will ensure economic and environmental sustainability. Addressing these challenges is essential for successful industrial implementation.
Supplementary Materials
The following supporting information can be downloaded at https://www.mdpi.com/article/10.3390/fermentation11020101/s1: Figure S1: Detailed plan views of the pilot fermenter; Figure S2: Main details of the support structure of the pilot fermenter unit; Figure S3: Drawing of the tower fermenter, including specific details; Figure S4: Weld construction details for the pilot fermenter; Table S1: Breakdown of the materials used for the different components of the pilot fermenter; Table S2. Specification of ports and connections for the pilot-scale fermenter; Table S3. Different welding modes.
Funding
This research was funded by the National Research Council of Italy, IPRA (Increase in Agricultural Productivity) Research Project, grant number 86.03002.55.
Data Availability Statement
The original contributions presented in the study are included in the article and Supplementary Material, further inquiries can be directed to the corresponding author.
Acknowledgments
The author would like to acknowledge the scientific and financial support from Enrico Porceddu, Director of the Research Project IPRA (Increase in Agricultural Productivity), University of Tuscia, Viterbo, and the late Corrado Cantarelli (University of Milano, Milan), Gian Tommaso Scarascia Mugnozza (University of Tuscia, Viterbo), Enzo Sebastiani (University of Rome I—La Sapienza, Rome), and Maria Antonietta Spadoni (Istituto Nazionale di Ricerca per gli Alimenti e la Nutrizione, Rome), as well as technical support from Aldo Caroleo, Giuseppe, Marchionni, Francesco Ricco, Sabino Sinesi, and Antonio Trunfio (Rasa-Realtur SpA, Manfredonia, Foggia, Italy).
Conflicts of Interest
The author declares no conflicts of interest.
References
- Wasserman, A.E. Whey utilization. IV. Availability of whey nitrogen for the growth of Saccharomyces fragilis. J. Dairy Sci. 1960, 43, 1231–1234. [Google Scholar] [CrossRef]
- Mateles, R.I.; Tannenbaum, S.R. Single-Cell Protein; M.I.T. Press: Cambridge, MA, USA, 1968. [Google Scholar]
- Tannenbaum, S.R.; Wang, D.I.-C. Single-Cell Protein II; M.I.T. Press: Cambridge, MA, USA, 1975. [Google Scholar]
- Senez, J.C. Solid fermentation of starchy substrates. Food Nutr. Bull. 1979, 1, 1–4. [Google Scholar] [CrossRef]
- Meyrath, J.; Bayer, K. Biomass from whey. Econ. Microbiol. 1979, 4, 207–269. [Google Scholar]
- Ferranti, M.P.; Fiechter, A. Production and Feeding of Single Cell Protein; Applied Science Publishers: London, UK, 1983. [Google Scholar]
- Moulin, G.; Malige, B.; Galzy, P. Balanced flora of an industrial fermenter: Production of yeast from whey. J. Dairy Sci. 1983, 66, 21–28. [Google Scholar] [CrossRef]
- Goldberg, I. Single Cell Protein; Springer: Berlin/Heidelberg, Germany, 1985. [Google Scholar] [CrossRef]
- Mawson, A.J. Bioconversions for whey utilization and waste abatement. Bioresour. Technol. 1994, 47, 195–203. [Google Scholar] [CrossRef]
- Moore, D.; Robson, D.G.; Trinci, A.P.J. The Quorn fermentation and evolution in fermenters. Chp. 17.18. In 21st Century GUIDEBOOK to Fungi; Cambridge University Press: Cambridge, UK, 2020; Available online: https://www.davidmoore.org.uk/21st_century_guidebook_to_fungi_platinum/Ch17_18.htm (accessed on 21 January 2025).
- Banks, M.; Johnson, R.; Giver, L.; Geoff Bryant, G.; Guo, M. Industrial production of microbial protein products. Curr. Opin. Biotechnol. 2022, 75, 102707. [Google Scholar] [CrossRef]
- Raziq, A. Single cell protein (SCP) production and potential substrates: A comprehensive review. Pure Appl. Biol. 2020, 9, 1743–1754. [Google Scholar] [CrossRef]
- Koukoumaki, D.I.; Tsouko, E.; Papanikolaou, S.; Ioannou, Z.; Diamantopoulou, P.; Sarris, D. Recent advances in the production of single cell protein from renewable resources and applications. Carbon Resour. Convers. 2024, 7, 100195. [Google Scholar] [CrossRef]
- Fernández-López, L.; González-García, P.; Fernández-Ríos, A.; Aldaco, R.; Laso, J.; Martínez-Ibáñez, E.; Gutiérrez-Fernández, D.; Pérez-Martínez, M.M.; Marchisio, V.; Figueroa, M.; et al. Life cycle assessment of single cell protein production–A review of current technologies and emerging challenges. Clean. Circ. Bioecon. 2024, 8, 100079. [Google Scholar] [CrossRef]
- Agboola, J.O.; Lapeña, D.; Øverland, M.; Arntzen, M.Ø.; Mydland, L.T.; Hansen, J.Ø. Yeast as a novel protein source—Effect of species and autolysis on protein and amino acid digestibility in Atlantic salmon (Salmo salar). Aquaculture 2022, 546, 737312. [Google Scholar] [CrossRef]
- Abbott, D.W.; Aasen, I.M.; Beauchemin, K.A.; Grondahl, F.; Gruninger, R.; Hayes, M.; Huws, S.; Kenny, D.A.; Krizsan, S.J.; Kirwan, S.F.; et al. Seaweed and seaweed bioactives for mitigation of enteric methane: Challenges and opportunities. Animals 2020, 10, 2432. [Google Scholar] [CrossRef] [PubMed]
- Kupfer, V.M.; Vogt, E.I.; Siebert, A.K.; Meyer, M.L.; Vogel, R.F.; Niessen, L. Foam-stabilizing properties of the yeast protein PAU5 and evaluation of factors that can influence its concentration in must and wine. Food Res. Int. 2017, 102, 111–118. [Google Scholar] [CrossRef] [PubMed]
- Singha, S.; Mahmutovic, M.; Zamalloa, C.; Stragier, L.; Verstraete, W.; Svagan, A.J.; Das, O.; Hedenqvist, M.S. Novel bioplastic from single cell protein as a potential packaging material. ACS Sustain. Chem. Eng. 2021, 9, 6337–6346. [Google Scholar] [CrossRef]
- García Martínez, J.B.; Pearce, J.M.; Throup, J.; Cates, J.; Lackner, M.; Denkenberger, D.C. Methane single cell protein: Potential to secure a global protein supply against catastrophic food shocks. Front. Bioeng. Biotechnol. 2022, 10, 906704. [Google Scholar] [CrossRef] [PubMed]
- Alvarado, K.A.; García Martínez, J.B.; Brown, M.M.; Christodoulou, X.; Bryson, S.; Denkenberger, D.C. Food production in space from CO2 using microbial electrosynthesis. Bioelectrochemistry 2023, 149, 108320. [Google Scholar] [CrossRef]
- Pulidindi, K.; Ahuja, K. Single Cell Protein Market—By Source (Bacteria, Yeast, Algae {Chlorella, Spirulina, Haematococcus}, Fungi), by Application (Food and Beverages {Meat Analogs, Bakery, Dairy Alternatives, Cereals & Snacks, Beverages} Animal Feed, Dietary Supplements), & Forecast, 2023–2032; Global Market Insights: Selbyville, DE, USA, 2023; GMI5345; Available online: https://www.gminsights.com/industry-analysis/single-cell-protein-market (accessed on 12 December 2024).
- Teng, T.S.; Chin, Y.L.; Chai, K.F.; Chen, W.N. Fermentation for future food systems. EMBO Rep. 2021, 22, e52680. [Google Scholar] [CrossRef] [PubMed]
- Lee, Y.; Hur, S.J. Gaps and solutions for large scale production of cultured meat: A review on last findings. Curr. Opin. Food Sci. 2025, 61, 101243. [Google Scholar] [CrossRef]
- Chisti, Y.; Moo-Young, M. Fermentation technology, bioprocessing, scale-up and manufacture. In Biotechnology: The Science and the Business, 2nd ed.; Moses, V., Cape, R.E., Springham, D.G., Eds.; Harwood Academic Publishers: New York, NY, USA, 1999; pp. 177–222. [Google Scholar]
- Zhong, J.-J. Bioreactor Engineering. In Comprehensive Biotechnology. Engineering Fundamentals of Biotechnology, 2nd ed.; Moo-Young, M., Ed.; Academic Press: New York, NY, USA, 2011; Volume 2, pp. 165–177. [Google Scholar] [CrossRef]
- Chisti, Y. Fermentation (Industrial) Basic Considerations. In Encyclopedia of Food Microbiology, 2nd ed.; Batt, C.A., Tortorello, M.L., Eds.; Academic Press: London, UK, 2014; pp. 751–761. [Google Scholar] [CrossRef]
- Karthikeyan, A.; Joseph, A.; Subramanian, R.; Nair, B.G. Fermenter Design. In Industrial Microbiology and Biotechnology; Verma, P., Ed.; Springer: Singapore, 2022; pp. 129–167. [Google Scholar] [CrossRef]
- Patil, P.B.; Sarkar, A. Bioreactor configurations for fermentation processes. In Recent Advances in Bioprocess Engineering and Bioreactor Design; Dhagat, S., Jujjavarapu, S.E., Sampath Kumar, N., Mahapatra, C., Eds.; Springer: Singapore, 2024; pp. 115–138. [Google Scholar] [CrossRef]
- Gaikwad, V.; Panghal, A.; Jadhav, S.; Kundu, S.; Singh, N.; Chhikara, N. Design schematics, operational characteristics and process applications of bioreactors. Chp. 5. In Microbes in the Food Industry; Chhikara, N., Panghal, A., Chaudhary, G., Eds.; Scrivener Publishing LLC: Beverly, MA, USA, 2023; pp. 217–247. [Google Scholar] [CrossRef]
- Garcia-Ochoa, F.; Santos, V.E.; Gomez, E. Stirred Tank Bioreactors. In Comprehensive Biotechnology. Engineering Fundamentals of Biotechnology, 2nd ed.; Moo-Young, M., Ed.; Academic Press: New York, NY, USA, 2011; Volume 2, pp. 179–198. [Google Scholar]
- Guieysse, B.; Quijano, G.; Muñoz, R. Airlift Bioreactors. In Comprehensive Biotechnology. Engineering Fundamentals of Biotechnology, 2nd ed.; Moo-Young, M., Ed.; Academic Press: New York, NY, USA, 2011; Volume 2, pp. 199–212. [Google Scholar]
- Behin, J.; Amiri, P. A review of recent advances in airlift reactors technology with emphasis on environmental remediation. J. Environ. Manag. 2023, 335, 117560. [Google Scholar] [CrossRef]
- Crater, J.S.; Lievense, J.C. Scale-up of industrial microbial processes. FEMS Microbiol. Lett. 2018, 365, fny138. [Google Scholar] [CrossRef]
- Mahdinia, E.; Cekmecelioglu, D.; Demirci, A. Bioreactor Scale-Up. In Essentials in Fermentation Technology. Learning Materials in Biosciences; Berenjian, A., Ed.; Springer: Cham, Switzerland, 2019; pp. 213–236, Erratum in Essentials in Fermentation Technology. Learning Materials in Biosciences; Berenjian, A., Ed.; Springer: Cham, Switzerland, 2020. [Google Scholar] [CrossRef]
- Du, Y.-H.; Wang, M.-Y.; Yang, L.-H.; Tong, L.-L.; Guo, D.-S.; Ji, X.-J. Optimization and scale-up of fermentation processes driven by models. Bioengineering 2022, 9, 473. [Google Scholar] [CrossRef]
- Nadal-Rey, G.; McClure, D.D.; Kavanagh, J.M.; Cornelissen, S.; Fletcher, D.F.; Gernaey, K.V. Understanding gradients in industrial bioreactors. Biotechnol. Adv. 2021, 46, 107660. [Google Scholar] [CrossRef] [PubMed]
- Attaianese, L.; Andreutti, S.; Fenizia, M. The ghost of scale-up in precision fermentation. AgroFood Ind. Hi-Tech 2024, 35, 202. Available online: https://digital.h5mag.com/agrofood_industry_hi_tech_35_3_2024/precision_fermentation_-_the_ghost_of_scale-up_in_precision_fermentation (accessed on 12 December 2024).
- CNR (Consiglio Nazionale delle Ricerche) Commissione per lo studio di fattibilità. Progetto Finalizzato Incremento Produttività Risorse Agricole (IPRA); CNR: Rome, Italy, 1982. [Google Scholar]
- Moo-Young, M.; Blanch, H.W. Design of biochemical reactors: Mass transfer criteria for simple and complex systems. In Advances in Biochemical Engineering; Fiechter, A., Ed.; Springer: Berlin, Germany, 1981; Volume 19, pp. 1–69. [Google Scholar]
- Atkinson, B.; Mavutitu, F. Biochemical Engineering and Biotechnology Handbook; The Nature Press, Macmillan Publishers Ltd.: Byfleet, UK, 1983; pp. 779–781. [Google Scholar]
- Joshi, J.B.; Pandit, A.B.; Sharma, M.M. Description of fluctuating gas-liquid interface area in mechanically agitated contactors. Chem. Eng. Sci. 1979, 34, 1131–1141. [Google Scholar]
- Joshi, J.B.; Pandit, A.B.; Sharma, M.M. Mechanically agitated gas-liquid reactions. Chem. Eng. Sci. 1982, 37, 813–844. [Google Scholar] [CrossRef]
- Mehta, V.D.; Sharma, M.M. Mass transfer in mechanically agitated gas-liquid contactors. Chem. Eng. Sci. 1979, 34, 470–472. [Google Scholar] [CrossRef]
- Fitzpatrick, J.J.; Gonçalves de Lima, K.; Eoin Keller, E. Application of mathematical modelling for investigating oxygen transfer energy requirement and process design of an aerobic continuous stirred tank fermenter. Food Bioprod. Process. 2017, 103, 39–48. [Google Scholar] [CrossRef]
- Blenke, H. Loop reactors. In Advances in Biochemical Engineering; Ghose, T.K., Blakebrough, N., Fiechter, A., Eds.; Springer: Berlin/Heidelberg, Germany, 1979; Volume 13, pp. 121–214. [Google Scholar] [CrossRef]
- Sittig, W. The present state of fermentation reactors. J. Chem. Technol. Biotechnol. 1980, 32, 47–58. [Google Scholar] [CrossRef]
- Chen, N.Y. The design of airlift fermenters for use in biotechnology. Biotechnol. Genet. Eng. Rev. 1990, 8, 379–396. [Google Scholar] [CrossRef]
- Bovonsombut, S.; Wilhelm, A.-M.; Jean-Pierre Riba, J.-P. Influence of gas distributor design on the oxygen transfer characteristics of an airlift fermenter. J. Chem. Technol. Biotechnol. 1987, 40, 167–176. [Google Scholar] [CrossRef]
- Wood, L.A.; Thompson, P.W. Applications of the air lift fermenter. Appl. Biochem. Biotechnol. 1987, 15, 131–143. [Google Scholar] [CrossRef]
- Moresi, M. Optimal design of airlift fermenters. Biotechnol. Bioengng 1981, 23, 2537–2560. [Google Scholar] [CrossRef]
- Borgnakke, C.; Sonntag, R.E. Fundamentals of Thermodynamics, 10th ed.; John Wiley & Sons: New York, NY, USA, 2020. [Google Scholar]
- Moresi, M.; Gianturco, G.B.; Sebastiani, E. The ejector-loop fermenter: Description and performance of the apparatus. Biotechnol. Bioeng. 1983, 25, 2889–2904. [Google Scholar] [CrossRef] [PubMed]
- Moresi, M.; Trunfio, A. Trasferimento di materia e quantità di moto in sistemi di aerazione ad eiettore. Chim. E Ind. 1988, 70, 86–91. [Google Scholar]
- Fadavi, A.; Chisti, Y. Gas holdup and mixing characteristics of a novel forced circulation loop reactor. Chem. Eng. J. 2007, 131, 105–111. [Google Scholar] [CrossRef]
- Ogawa, S.; Yamaguchi, H.; Tone, S.; Otake, T. Gas-liquid mass transfer in the jet reactor with liquid jet ejector. J. Chem. Eng. Jpn. 1983, 16, 419–425. [Google Scholar] [CrossRef][Green Version]
- Fadavi, A.; Chisti, Y. Gas–liquid mass transfer in a novel forced circulation loop reactor. Chem. Eng. J. 2005, 112, 73–80. [Google Scholar] [CrossRef]
- Weber, S.; Schaepe, S.; Freyer, S.; Kopf, M.-H.; Dietzsch, C. Impact of nozzle operation on mass transfer in jet aerated loop reactors. Characterization and comparison to an aerated stirred tank reactor. Eng. Life Sci. 2018, 18, 579–588. [Google Scholar] [CrossRef]
- Weber, S.; Schaepe, S.; Freyer, S.; Kopf, M.-H.; Dietzsch, C. Jet aeration as alternative to overcome mass transfer limitation of stirred bioreactors. Eng. Life Sci. 2018, 18, 244–253. [Google Scholar] [CrossRef]
- Yaroshevsky, V.; Krutyakova, V.; Belchenko, V.; Ivanovs, S.; Bulgakov, V. Development and research of new media jet aeration scheme in a loop bioreactor producing microbiological products. Acta Technol. Agric. 2021, 24, 124–128. [Google Scholar] [CrossRef]
- Šulc, R.; Dymák, J. Hydrodynamics and mass transfer in a concentric internal jet-loop airlift bioreactor equipped with a deflector. Energies 2021, 14, 4329. [Google Scholar] [CrossRef]
- Farizoglu, B.; Keskinler, B.; Yildiz, E.; Nuhoglu, A. Cheese whey treatment performance of an aerobic jet loop membrane bioreactor. Process Biochem. 2004, 39, 2283–2291. [Google Scholar] [CrossRef]
- Diez, V.; Cámara, J.M.; Ruiz, M.O.; Martínez, R.; Ramos, C. A novel jet-loop anaerobic filter membrane bioreactor treating raw slaughterhouse wastewater: Biological and filtration processes. Chem. Eng. J. 2021, 408, 127288. [Google Scholar] [CrossRef]
- Bloor, J.C.; Anderson, G.K.; Willey, A.R. High rate aerobic treatment of brewery wastewater using the jet loop reactor. Water Res. 1995, 29, 1217–1223. [Google Scholar] [CrossRef]
- Gholami, F.; Zinatizadeh, A.A.; Zinadini, S.; McKay, T.; Sibali, L. An innovative jet loop-airlift bioreactor for simultaneous removal of carbon and nitrogen from soft drink industrial wastewater: Process performance and kinetic evaluation. Environ. Technol. Innov. 2020, 19, 100772. [Google Scholar] [CrossRef]
- Moebus, O.; Teuber, M. Herstellung von single cell protein mit Saccharomyces cerevisiae in einer tauchstrahlbegasungsanlage. Kiel. Milchwirtsch. Forschungsberichte 1979, 31, 297–361. [Google Scholar]
- Bin, A.K. Comments on «Oxygen Transfer in Jet Mixers» by K. Tojo and K. Miyanami. Chem. Eng. J. 1983, 26, 255–257. [Google Scholar] [CrossRef]
- Moresi, M.; Trunfio, A. Sviluppo di una nuova unità di fermentazione ad agitazione idraulica con eiettore di aerazione. Ann. Microbiol. 1987, 37, 49–63. [Google Scholar]
- Cooper, C.M.; Fernstrom, G.A.; Miller, S.A. Performance of agitated gas-liquid contactors. Ind. Eng. Chem. 1944, 36, 504–509. [Google Scholar] [CrossRef]
- Thorslund, L.; Jørgensen, M. Characterisation of liquid and gas flow in jet loop reactors. Bioprocess Eng. 1998, 19, 129–136. [Google Scholar] [CrossRef]
- Moresi, M.; Trunfio, A.A. Design and operation of a novel Plunging-Ejector Channel Tank-Reactor. In Biochemical Engineering-Stuttgart; Reuss, M., Chmiel, H., Gilles, E.-D., Knackmuss, H.-J., Eds.; Gustav Fischer: Stuttgart, Germany, 1991; pp. 177–180. [Google Scholar]
- Moresi, M.; Marchionni, G. SCP production from grape must as alternative to chronic distillation of EEC wine surplus. In Biotech ’83; Online Pubblications Ltd.: Northwood, UK, 1983; pp. 1073–1084. [Google Scholar]
- Moerman, F.; Rizoulières, P.; Majoor, F.A. Cleaning-in-place. Chp. 10. In Hygiene in Food Processing: Principles and Practice, 2nd ed.; Lelieveld, H.L.M., Holah, J., Napper, D., Eds.; Woodhead Publishing: Cambridge, UK, 2014; pp. 303–383. [Google Scholar] [CrossRef]
- Moresi, M.; Colicchio, A.; Sansovini, F. Optimization of Whey Fermentation in a Jar Fermenter. Eur. J. Appl. Microbiol. Biotechnol. 1980, 9, 173–183. [Google Scholar] [CrossRef]
- Blakebrough, N.; Moresi, M. Scale-up of Whey Fermentation in a Pilot-Scale Fermenter. Eur. J. Appl. Microbiol. Biotechnol. 1981, 12, 173–178. [Google Scholar] [CrossRef]
- Moresi, M.; Patete, M.; Trunfio, A. Scaling-up of a batch whey fermentation by K. fragilis. Appl. Microbiol. Biotechnol. 1989, 31, 495–501. [Google Scholar] [CrossRef]
- Moresi, M.; Solinas, M.A.; Matteucci, S. Investigation on the operating variables of potato starch fermentation by Schwanniomyces castellii. Eur. J. Appl. Microbiol. Biotechnol. 1983, 18, 92–99. [Google Scholar] [CrossRef]
- Moresi, M.; Medici, R. Kinetics of potato starch fermentation by Schwanniomyces castellii. Bioprocess Eng. 1989, 4, 201–208. [Google Scholar] [CrossRef]
- AOAC. Official method 990.03. In Official Methods of Analysis of AOAC International, 11th ed.; AOAC: Washington, DC, USA, 1975. [Google Scholar]
- Blakebrough, N.; Moresi, M. Modelling of the process yields of a whey fermentation. Eur. J. Appl. Microbiol. Biotechnol. 1981, 13, 1–9. [Google Scholar] [CrossRef]
- Moresi, M.; Patete, M. Cinetica di crescita di K. fragilis su siero di latte. Ann. Microbiol. 1988, 38, 1. [Google Scholar]
- Moresi, M.; Parente, E. Production of organic acids. In Encyclopedia of Food Microbiology; Robinson, R.K., Batt, C.A., Patel, P.D., Eds.; Academic Press: New York, NY, USA, 1999; pp. 705–717. [Google Scholar]
Disclaimer/Publisher’s Note: The statements, opinions and data contained in all publications are solely those of the individual author(s) and contributor(s) and not of MDPI and/or the editor(s). MDPI and/or the editor(s) disclaim responsibility for any injury to people or property resulting from any ideas, methods, instructions or products referred to in the content. |
© 2025 by the author. Licensee MDPI, Basel, Switzerland. This article is an open access article distributed under the terms and conditions of the Creative Commons Attribution (CC BY) license (https://creativecommons.org/licenses/by/4.0/).







