Distributed Flexible Sensors Based on Supercapacitor Gel Materials
Abstract
1. Introduction
2. Results and Discussion
2.1. Gel Positioning Layer Experiment
2.2. Sensing Layer Gel Force–Capacitance Experiment
3. Conclusions
4. Materials and Methods
4.1. Ion Gel Sensor Unit Preparation
4.1.1. Preparation of the Sensing Layer
4.1.2. Positioning Layer Preparation
4.2. Mechanical Properties of the Ion Gels
4.2.1. Testing of the Electrochemical Properties of the Gels
4.2.2. Nonlinear Superelastic Model of the Gel
4.3. Gel Positioning Layer System Model
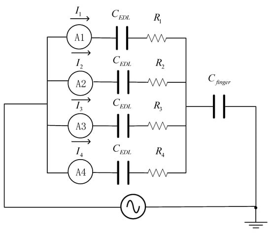
4.4. Sensing Layer Gel Model
- (1)
- Their response speed is fast, their natural frequency of sensors of the capacitor structure class is very high, and they can work at a vibration frequency as low as a few hertz.
- (2)
- Their precision is high, and their input energy level is very low, which is suitable for detecting slight force signals; displacements of 10 nm or less can be measured.
- (3)
- Their structure is simple, and high accuracy can be achieved in various situations.
- (4)
- These sensors are less affected by temperature, and the capacitance depends on the size of the sensor and is unrelated to the electrode material. Their heating is low, and their performance is stable.
Funding
Institutional Review Board Statement
Informed Consent Statement
Data Availability Statement
Conflicts of Interest
References
- Trung, T.Q.; Lee, N.E. Flexible and Stretchable Physical Sensor Integrated Platforms for Wearable Human-Activity Monitoring and Personal Healthcare. Adv. Mater. 2016, 28, 4338–4372. [Google Scholar] [CrossRef] [PubMed]
- Lee, B.-Y.; Kim, J.; Kim, H.; Kim, C.; Lee, S.-D. Low-cost flexible pressure sensor based on dielectric elastomer film with micro-pores. Sens. Actuators A-Phys. 2016, 240, 103–109. [Google Scholar] [CrossRef]
- Maheshwari, V.; Saraf, R. ChemInform Abstract: Tactile Devices to Sense Touch on a Par with a Human Finger. Angew. Chem. Int. Ed. 2008, 47, 7808–7826. [Google Scholar] [CrossRef] [PubMed]
- Jung, S.; Kim, J.H.; Kim, J.; Choi, S.; Lee, J.; Park, I.; Hyeon, T.; Kims, D.H. Reverse-Micelle-Induced Porous Pressure-Sensitive Rubber for Wearable Human-Machine Interfaces. Adv. Mater. 2014, 26, 4825–4830. [Google Scholar] [CrossRef] [PubMed]
- Bauer, S.; Bauer-Gogonea, S.; Graz, I.; Kaltenbrunner, M.; Keplinger, C.; Schwodiauer, R. 25th Anniversary Article: A Soft Future: From Robots and Sensor Skin to Energy Harvesters. Adv. Mater. 2014, 26, 149–162. [Google Scholar] [CrossRef] [PubMed]
- Lin, J.C.; Liatsis, P.; Alexandridis, P. Flexible and stretchable electrically conductive polymer materials for physical sensing applications. Polym. Rev. 2023, 63, 67–126. [Google Scholar] [CrossRef]
- Tee, B.C.K.; Chortos, A.; Dunn, R.R.; Schwartz, G.; Eason, E.; Bao, Z.A. Tunable Flexible Pressure Sensors using Microstructured Elastomer Geometries for Intuitive Electronics. Adv. Funct. Mater. 2014, 24, 5427–5434. [Google Scholar] [CrossRef]
- Liu, X.H.; Wu, D.B.; Wang, H.L.; Wang, Q.G. Self-Recovering Tough Gel Electrolyte with Adjustable Supercapacitor Performance. Adv. Mater. 2014, 26, 4370–4375. [Google Scholar] [CrossRef] [PubMed]
- Masarapu, C.; Wang, L.P.; Li, X.; Wei, B.Q. Tailoring Electrode/Electrolyte Interfacial Properties in Flexible Supercapacitors by Applying Pressure. Adv. Energy Mater. 2012, 2, 546–552. [Google Scholar] [CrossRef]
- Kim, C.C.; Lee, H.H.; Oh, K.H.; Sun, J.Y. Highly stretchable, transparent ionic touch panel. Science 2016, 353, 682–687. [Google Scholar] [CrossRef] [PubMed]
- He, B.; Zhang, C.; Zhou, Y.; Wang, Z. A computing method to determine the performance of an ionic liquid gel soft actuator. Appl. Bionics Biomech. 2018, 2018, 8327867. [Google Scholar] [CrossRef] [PubMed]
- Yao, S.S.; Zhu, Y. Wearable multifunctional sensors using printed stretchable conductors made of silver nanowires. Nanoscale 2014, 6, 2345–2352. [Google Scholar] [CrossRef]
- Zhen, L.; Lu, L.; Yao, Y.; Liua, J.; Yang, B. Flexible inorganic piezoelectric functional films and their applications. J. Adv. Ceram. 2023, 12, 433–462. [Google Scholar] [CrossRef]
- Fei, F.; Jia, Z.; Wu, C.; Lu, X.; Li, Z. Design of a Capacitive Tactile Sensor Array System for Human–Computer Interaction. Sensors 2024, 24, 6629. [Google Scholar] [CrossRef]
- Lee, H.K.; Chung, J.; Chang, S.I.; Yoon, E. Normal and Shear Force Measurement Using a Flexible Polymer Tactile Sensor With Embedded Multiple Capacitors. J. Microelectromechanical Syst. 2008, 17, 934–942. [Google Scholar]












| Weight Mass (g) | Capacitance (nF) | Weight Mass (g) | Capacitance (nF) |
|---|---|---|---|
| 1 | 10.89 | 20 | 15.54 |
| 2 | 9.43 | 30 | 23.13 |
| 5 | 9.68 | 40 | 36.48 |
| 10 | 15.1 | 50 | 34.72 |
| 15 | 15.8 | 70 | 52.71 |
Disclaimer/Publisher’s Note: The statements, opinions and data contained in all publications are solely those of the individual author(s) and contributor(s) and not of MDPI and/or the editor(s). MDPI and/or the editor(s) disclaim responsibility for any injury to people or property resulting from any ideas, methods, instructions or products referred to in the content. |
© 2025 by the author. Licensee MDPI, Basel, Switzerland. This article is an open access article distributed under the terms and conditions of the Creative Commons Attribution (CC BY) license (https://creativecommons.org/licenses/by/4.0/).
Share and Cite
Zhang, C. Distributed Flexible Sensors Based on Supercapacitor Gel Materials. Gels 2025, 11, 139. https://doi.org/10.3390/gels11020139
Zhang C. Distributed Flexible Sensors Based on Supercapacitor Gel Materials. Gels. 2025; 11(2):139. https://doi.org/10.3390/gels11020139
Chicago/Turabian StyleZhang, Chenghong. 2025. "Distributed Flexible Sensors Based on Supercapacitor Gel Materials" Gels 11, no. 2: 139. https://doi.org/10.3390/gels11020139
APA StyleZhang, C. (2025). Distributed Flexible Sensors Based on Supercapacitor Gel Materials. Gels, 11(2), 139. https://doi.org/10.3390/gels11020139
